通信线路常用图符号
- 格式:docx
- 大小:394.59 KB
- 文档页数:10
第二章通信工程制图规范第一节概述通信工程图纸是通过图形符号、文字符号、文字说明及标注表达的。
为了读懂图纸就必须了解和掌握图纸中各种图形符号、文字符号等所代表的含义。
专业人员通过图纸了解工程规模、工程内容、统计出工程量、编制出工程概、预算。
阅读图纸、统计工程量的过程就称为识图。
为了使通信工程的图纸做到规格统一、画法一致、图面清晰,符合施工、存档和生产维护的要求,又利于提高设计效率、保证设计质量和适应通信工程建设的需要,要求依据以下国家级行业标准编制通信工程制图与图形符号标准:《电气通用图形符号》GB/T4728.1~13《电气制图》GB/T6988.1~7《建筑制图标准》GB/T50104—2001《1:500 1:1000 1:2000地形图图式》GB/T7929—1995GB 7159—《电气技术中的文字符号制订通则》1987《电气系统说明书用简图的编制》GB 7356—1987《电气工程制图与图形符号》YD/T5015—2007第二节通信工程制图的总体要求通信工程制图的总体要求如下:(1)工程制图应根据表述对象的性质,论述的目的与内容,选取适宜的图纸及表达手段,以便完整地表述主题内容。
(2)图面应布局合理,排列均匀,轮廓清晰和便于识别。
(3)应选用合适的图线宽度,避免图中的线条过粗、过细。
(4)正确使用国标和行标规定的图形符号。
派生新的符号时,应符合国标符号的派生规律,并应在合适的地方加以说明。
(5)在保证图面布局紧凑和使用方便的前提下,应选择合适的图纸幅面,使原图大小适中。
(6)应准确地按规定标注各种必要的技术数据和注释,并按规定进行书写或打印。
(7)工程图纸应按规定设置图衔,并按规定的责任范围签字。
各种图纸应按规定顺序编号。
(8)总平面图、机房平面图、移动通信基站天线位置及馈线走向图应设置指北针。
(9)对于线路工程,设计图纸应按照从左往右的顺序制图,并设指北针;线路图纸分段按“起点至终点,分歧点至终点”原则划分。
通信线路工程图形符号的使用要掌握通信线路工程的图纸绘制,不仅要熟悉相关的制图标准和规范,还必须要熟练本专业中常见的工程图例。
根据行业标准(YD/T5015 —2015 《通信工程制图与图形符号》)和通信企业标准的应用情况,以下梳理并摘录了当前通信线路工程中常见的图形符号,见表15.2~ 表15.6。
表15.2 线路拓扑表15.3 线路标识序号名称2-13直埋线路2-14水下线路(或海底线路)2-15架空线路2-16管道线路2-17管道线缆占孔位置图(双壁波纹管)(穿 3 根子管)2-18管道线缆占孔位置图(多孔一体管)2-19管道线缆占孔位置图(栅格管)2-20墙壁架挂线路(吊线式)图例A ,B 为分段标注的起始点,应分段标注; L: 为A,B 为端点之间的距离(单位:米)。
A ,B 为分段标注的起始点,应分段标注; L: 为A,B 两端点之间L : 为两杆之间距离(单位:米),应分段标注A,B : 为两人(手)孔的位置,应分段标注;L : 为两人(手)孔之距离(单位:米)。
说明间的管道段长(单位:米)。
1 画法: 画于线路路由旁,按A-B 方向分段标注。
2. 管道使用双壁波纹管管材,大圆为波纹管的管孔,小圆为波纹管内穿放的子管管孔。
3. 实心为圆为本工程占用,斜线为现状已占用。
4. a ,b:敷设线缆的型号及容1.画法:画于线路路由旁,按 A -B 方向分段标注。
2. 管道使用梅花管管材。
3. 实心圆为本工程a,b: 敷设线缆的型号及容量。
1. 画法: 画于线路路由旁,按A-B 方向分段标注。
2 管道用栅格管管材。
3. 实心圆为本工程1. 三角形为吊线支持物;2. 三角形上方线段为吊线及线缆A ,B 为分段标注的起始点为 A , B 两点之间的段长位: 米),应按 A -B 分a, b: 敷设线缆的型号及容量。
占用,斜线为现状已占用。
4.占用,斜线为现状已占用。
4.量。
;3.;4. L(单段标注;5. D 为吊线的程式;6.a ,b 〕为线缆的型号及容量2-46电缆分线箱2-47电缆壁完分线箱2-48电缆平衡套管2-49电缆加感套管2-50直埋线缆标石2-51更换2-52拆除2-53线缆割接符号2-54缩节线(延长线)2-55待建或规划线路2-56接图线(本页图纸内的上图)2-57接图线(本页图纸内的下图)2-58接图线(相邻图间)2-59通信线与电力线交越防护2-60指北针2-61室内走线架2-62室内走线槽道1. 画法: 画于通信线路上图的末端处,垂直于通信线;2. m 为字母及阿拉伯数字。
(完整版)电气图纸符号大全配电箱符号配电箱符号常用电气元件文字符号表电缆型号NH是耐火,YJV是交联聚乙烯绝缘,聚氯乙烯护套铜芯电缆 4*150是4芯150平方毫米 E70是接地用线为70平方毫米。
你学习一下下面的电缆基础知识就知道了!一、电缆型号由下面字母属性组成(1)类别:H——市内通信电缆HP——配线电缆HJ——局用电缆(2)绝缘:Y——实心聚烯烃绝缘YF——泡沫聚烯烃绝缘YP——泡沫/实心皮聚烯烃绝缘(3)内护层:A——涂塑铝带粘接屏蔽聚乙烯护套S——铝,钢双层金属带屏蔽聚乙烯护套 V——聚氯乙烯护套(4)特征:T——石油膏填充G——高频隔离C——自承式(5)外护层:23——双层防腐钢带绕包销装聚乙烯外被层33——单层细钢丝铠装聚乙烯被层43——单层粗钢丝铠装聚乙烯被层53——单层钢带皱纹纵包铠装聚乙烯外被层553——双层钢带皱纹纵包铠装聚乙烯外被层常用电缆规格型号一、铜(铝)芯聚氯乙烯绝缘聚氯乙烯绝缘及护套固定敷设用电缆(电线) BV -铜芯聚氯乙烯绝缘电缆(电线)BLV-铝芯聚氯乙烯绝缘电缆(电线)BVR-铜芯聚氯乙烯绝缘电缆(电线)BVV-铜芯聚氯乙烯绝缘聚氯乙烯护套圆形电缆(电线) BLVV-铝芯聚氯乙烯绝缘聚氯乙烯护套圆形电缆(电线)BVVB-铜芯聚氯乙烯绝缘聚氯乙烯护套平形电缆(电线)BLVVB-铝芯聚氯乙烯绝缘聚氯乙烯护套平形电缆(电线)BV-90-铜芯耐热90℃聚乙烯绝缘电线本产品适用于交流额定电压U/U450/750V及以下的动力、照明、日用电器、仪器仪表及电信设备用铜芯或铝芯聚氯乙烯绝缘电缆(电线)二、低烟无卤系列产品低烟无卤阻燃系列电缆电线,WDZ-(加普通型号的电缆电线)注:阻燃一般分A、B、C、D四类, 例如:WDZD-VY WDZA-YJY WDZB-YJV23 WDZC-BY WDZ-BVY WDZB-KYJY WDZC-KVV23等供固定(软电缆为移动式)敷设在额定交流电压U0/U为35kV及以下的室内、电缆桥架、电缆管道等固定场合的输配电力线路用,主要应用于高层建筑、医院、剧场、电站、地铁、隧道、舰船、海上石油平台、广播电视中心、计算机中心等人员密集、空间封闭的场所,电缆的额定电压应不低于供电系统的标称电压。
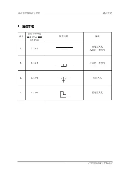
附录A 通信工程制图中的常用图形符号表A-1 符号要素序号名称图例说明1 基本轮廓线元件、装置、功能单元的基本轮廓线2 辅助轮廓线元件、装置、功能单元的基本轮廓线3 边界线功能单元的边界线4 屏蔽线(护罩)表A-2 连接符号序号名称图例说明1 连接、群连接导线、电缆、传输通道等的连接;当用单线表示一组连接时,连接数量可用短线个数表示,或用一根短线加数字表示;示例为三个连接,三条连接线2 T形连接3 双T形连接4 十字双叉连接5 跨越6 插座指插座内孔或插座的一个极7 插头指插头的凸头或插头的一个极表A-3 交换系统、数据及IP网序号名称图例说明1 国际局可以加注文字符号表示设备的等级、容量、用途、规模及局号,例如:必要时增加以下符号表示不同的设备、局、站:ISC:国际交换机;ISTP:国际信令转接点;Router:国际出入口路由器;ATM/FR:国际出入口ATM/FR交换机;ISSP:国际业务交换点2 长途汇接点可以加注文字符号表示设备的等级、容量、用途、规模及局号,例如:必要时增加以下符号表示不同的设备、局、站:DC1、DC2:固定网长途交换机;TMSC1、TMSC2:移动网长途汇接局;HSTP:信令转接点;SSP:业务交换点;Router:核心路由器;ATM/FR:核心ATM/FR交换机;PRC:基准钟;NMC-N:全国网管中心;BC-N:全国计费结算中心3 本地汇接节点可以加注文字符号表示设备的等级、容量、用途、规模及局号,例如:必要时增加以下符号表示不同的设备、局、站:TS:固定网长途交换机;LSTP:信令转接点;SSP:业务交换点;Router:本地核心路由器;ATM/FR:本地核心ATM/FR交换机;LPR:区域基准钟;NMC-P:省级网管中心;BC-P:省级计费结算中心4 端局、汇聚层设备可以加注文字符号表示设备的等级、容量、用途、规模及局号,例如:必要时增加以下符号表示不同的设备、局、站:LS:市话交换端局;SP:信令点;SSP:业务交换点;Router:汇聚层路由器;ATM/FR:汇聚层ATM/FR交换机;BITS:大楼综合定时系统;5 远端模块、接入层设备可以加注文字符号表示设备的等级、容量、用途、规模及局号,例如:必要时增加以下符号表示不同的设备、局、站:RSU:远端模块;PBX:用户交换机;Router:接入层路由器;ATM/FR:接入层ATM/FR交换机;PAD:分组接入设备;MODEM:调制解调器6 软交换机可以加注文字符号表示设备的等级、容量、用途、规模及局号,例如:必要时增加以下符号表示不同的设备、局、站:SS:软交换机;MSC Server:MSC软交换服务器;GK:关守7 网关可以加注文字符号表示设备的等级、容量、用途、规模及局号,例如:必要时增加以下符号表示不同的设备、局、站:TG:中继网关;SG:信令网关;MGW:媒体网关;AG:接入网关;GW:IP电话网关;IAD:综合接入设备8HLRSCPSGSN可以加注文字符号表示设备的等级、容量、用途、规模及局号,例如:必要时增加以下符号表示不同的设备、局、站:HLR:归属位置寄存器;SCP:业务控制点;SGSN:业务GPRS支持节点9 局域网交换机/集线器可以加注文字符号表示设备的等级、容量、用途、规模及局号,例如:必要时增加以下符号表示不同的设备、局、站:L3:三层交换机;L2:二层交换机;HUB:集线器10 防火墙11 路由器可以加注文字符号表示设备的等级、容量、用途、规模及局号,例如:必要时增加以下符号表示不同的设备、局、站:ROUTER:路由器;GGSN:网关GPRS支持节点;PDSN:分组数据服务节点;ATM/FR:ATM/FR交换机表A-4 传输设备序号名称图例说明1光传输设备节点基本符号*表示传输设备的类型:S:SDH设备;W:WDM设备;A:ASON设备;P:PDH设备2 微波传输3 告警灯4 告警铃5 公务电话6 大楼综合定时系统7 网管设备8 ODF/DDF架9 WDM终端型波分复用器16/32/40/80波等10 WDM光线路放大器11 WDM光分插复用器16/32/40/80波等12 4:1透明复用器1:8、1:16依次类推13 SDH终端复用器14 SDH分插复用器15 SDH中继器16 DXC数字交叉连接设备17 ASON设备表A-5 机房建筑及设施序号名称图例说明1 墙墙的一般表示方法2 可见检查孔3 不可见检查孔4 方形孔洞左为穿墙洞,右为地板洞5 圆形孔洞6 方形坑槽7 圆形坑槽8 墙预留洞尺寸标注可采用(宽×高)或直径形式9 墙预留槽尺寸标注可采用(宽×高×深)形式10 空门洞11 单扇门包括平开或单面弹簧门;作图时开度可为45°或90°12 双扇门包括平开或单面弹簧门;作图时开度可为45°或90°13 对开折叠门14 推拉门15 墙外单扇推拉门16 墙外双扇推拉门17 墙中单扇推拉门18 墙中双扇推拉门19 单扇双面弹簧门20 双扇双面弹簧门21 转门22 单层固定窗23 双层内外开平开窗24 推拉窗25 百页窗26 电梯27 隔断包括玻璃、金属、石膏板等;与墙的画法相同,厚度比墙窄28 栏杆与隔断的画法相同,宽度比隔断小,应有文字标注29 楼梯应标明楼梯上(或下)的方向30 房柱可依照实际尺寸及形状绘制,根据需要可选用空心或实心31 折断线不需画全的断开线32 波浪线不需画全的断开线33 标高表A-6 光缆序号名称图例说明1 光缆光纤或光缆的一般符号2 光缆参数标注a—光缆型号;b—光缆芯数;c—光缆长度3 永久接头4 可拆卸固定接头5光连接器(插头-插座)表A-7 通信线路序号名称图例说明1 通信线路通信线路的一般符号2 直埋线路适用于路由图3 水下线路、海底线路适用于路由图4 架空线路适用于路由图5 管道线路管道数量、应用的管孔位置、截面尺寸或其他特征(如管孔排列形式)可标注在管道线路的上方;虚斜线可作为人(手)孔的简易画法;适用于路由图6 线路中的充气或注油堵头7 具有旁路的充气或注油堵头的线路8 沿建筑物敷设通信线路适用于路由图9 接图线表A-8 线路设施与分线设备序号名称图例说明1 防电缆光缆蠕动装置类似于水底光电缆的丝网或网套锚固2 线路集中器3 埋式光缆电缆铺砖、铺水泥盖板保护可加文字标注明铺砖为横铺、竖铺及铺设长度或注明铺水泥盖板及铺设长度4 埋式光缆电缆穿管保护可加文字标注表示管材规格及数量5 埋式光缆电缆上方敷设排流线6 埋式电缆旁边敷设防雷消弧线7 光缆电缆预留8 光缆电缆蛇形敷设9 电缆充气点10 直埋线路标石直埋线路标石的一般符号;加注V表示气门标石;加注M表示监测标石11 光缆电缆盘留12 电缆气闭套管13 电缆直通套管14 电缆分支套管15 电缆接合型接头套管16 引出电缆监测线的套管17 含有气压报警信号的电缆套管18 压力传感器19 电位针式压力传感器20 电容针式压力传感器21 水线房22 水线标志牌单杆及双杆水线标牌23 通信线路巡房24 光电缆交接间25 架空交接箱加GL表示光缆架空交接箱26 落地交接箱加GL表示光缆落地交接箱27 壁龛交接箱加GL表示光缆壁龛交接箱28 分线盒分线盒一般符号注:可加注N BC Dd式中N——编号;B——容量;C——线序;d——现有用户数;D——设计用户数29 室内分线盒30 室外分线盒31 分线箱分线箱的一般符号加注同3~2832 壁龛分线箱壁龛分线箱的一般符号加注同3~28表A-9 通信杆路序号名称图例说明1 电杆的一般符号可以用文字符号A BC标注式中A——杆路或所属部门;B——杆长;C——杆号2 单接杆3 品接杆4 H形杆5 L形杆6 A形杆7 三角杆8 四角杆9 带撑杆的电杆10 带撑杆拉线的电杆11 引上杆小黑点表示电缆或光缆12 通信电杆上装设避雷线13 通信电杆上装设带有火花间隙的避雷线14 通信电杆上装设放电器在A处注明放电器型号15 电杆保护用围桩河中打桩杆16 分水桩17 单方拉线拉线的一般符号18 双方拉线19 四方拉线20 有V形拉线的电杆21 有高桩拉线的电杆22 横木或卡盘表A-10 通信管道序号名称图例说明1 直通型人孔人孔的一般符号续表2 手孔手孔的一般符号3 局前人孔4 斜通型人孔5 三通型人孔6 四通型人孔7 埋式手孔表A-11 地形图常用符号序号名称图例说明1 房屋2 窑洞3 油井4 油库5 矿井6 建筑物下通道7 体育场8 过街天桥9 过街地道续表10 一般铁路11 电气化铁路12 一般公路13 大车路、机耕路14 乡村小路15 高架路16 涵洞17 铁路桥18 公路桥19 人行桥20 常年河21 时令河22 常年湖23 时令湖24 池塘25 水井26 稻田27 旱地续表28 菜地29 果园果园及经济林一般符号;可在其中加注文字,以表示果园的类型,如苹果园、梨园等30 林地31 灌木林32 天然草地33 人工草地34 国界35 省、自治区、直辖市界36 地区、自治州、盟、地级市界37 围墙38 栅栏、栏杆表A-12 移动通信及无线传输序号名称图例说明1 手机2 基站可在图形内加注文字符号表示不同技术,例如:BTS:GSM或CDMA基站;NodeB:WCDMA或TD—SCDMA基站3 全向天线可在图形内加注文字符号表示不同类型,例如:Tx:发信天线;Rx:接收天线;Tx/Rx:收发共用天线续表4 板状定向天线可在图形内加注文字符号表示不同类型,例如:Tx:发信天线;Rx:接收天线;Tx/Rx:收发共用天线5 八木天线6 吸顶天线7 抛物面天线8 馈线9 泄漏电缆10 二功分器11 三功分器12 耦合器13 干线放大器14 传输电路如需要表示业务种类,可在虚线上方加注如下字符:V:电视通道;T:数据通道;S:语音通道15 波导及同轴电缆一般符号续表16 矩形波导17 圆形波导18 椭圆形波导19 同轴波导20 矩形软波导。
通信线路常用图符号
作者:日期:
附录四
线路的图例和符号
1 •地形地物(农I ) 2•杆路(表2) 3•路宙图(衣3) 4•维护图邈脇图图例(农町 5 •管道丛孔(表5) 6•标石(喪G
地形地物
序号
21 22 23
7 射木
山岳
rJ"
18
20
铁略及乐站
姫济林闻
25 嶺过佚路的
10
II
THI
26
也浹路卜的 桥槃 1111
27
J J 1 X
«— _- «—
3 M id ui' “
d 3 a 击⑰
虚铁賂幡诫 支粉的通 f 抵歸
公箭
34
_____
序号
大车路 凹地
12
29
小
44
30
14 31
肚誉地
15
R«
16
十
选
煤%的骨略 砖旧it
50
电力电缆
36
MR
■PVRi
37
电力线路
3&
T V
商压输电统
+ K
40
55
水曜点 -I ■
梢火栓
£1来水制
>
Kt?
59
»
45
用木口 46
洱忒池
扭向
61
F 木道
48
*
自柴水管路
49
(1)供参考
地F 水位梯
ffi
自动闭睪信 号线总
名称 K 翼X 前人
ffi 洌
图 91
丼—/V
加汕站、加 牡站
匚二二口
表3 路由图
1 r ' r''
序号ffi 91序号8 W S例
1埋式胞(疋保
护)
- ///17电台JMf
2
堺式境(码保
护}
»■ 1 —2
*77T18程憫拆石0
y堰戌吗(■龄保
护、水礼骨保护)
J>1 JJf19c
4zn ao防孫押儒锲%
F"X
S i
J>21
6雄空境rP"i 11 I°T22
—一―、■
1通伯线0 ------------- —fl23加囲地段i j f J f g K它ATffM24—^VWXA^**
9醫道境(曲域世
我人札〉
* • * »lift25充井你ODF j
]0水底弑—W\/-X
WD M
2127ttjtn
^LJ
\2■^\r~28
上T
•1 13懵花蚣虐、* H旨29编柱援土去A
时)A
X 14__ Q_30(ff®}
X
E5分歧戏头刖ffiftlWir*
A(t&)2
w _y 32■64T9IX
A(V&)q
16开天酬播弘
33拆除{■m鳳
疽设务上)
X
序号名»囹例序号g *S S例
1肖会电信局
飞线錚距一杆
高一杆府F/I ,^Tnt
2地(初电俯(3)16曲n,-r A 局
3■B邮电局®t T拟拆豔统略V V
17—认--- 十
i支尚■1R 利用菲他单
悅电杆挂S#
的线姑
--- ------- 1 ■
5@
跨腿乩他杆
线J i
&地(rf)ttSS
局19
r
1 ------
7长統分厨©
20在其他杆线
下通过的线
路
_r
1 .
\._
& 光城中维站令;
9
21电力贱略
Ay AZ rV FT '
10转瘦站C3
22
巡纯程驟及
' ' ' J
」(MK 0
•------ >
11%*令°1=
23
梅岸界
■叫水线房24■#
12省界
V 口
26地(市皿)13W
M X芯27»(«)»
15ZAAfl52£纯务(分卅
rn■"■ -Wk—■ ■ ■W
1)下的[代表程甘人4t; 3〕供皐#;
2)内可筠駐廉人篡K2*—; 4)堆护图用"
序号 10
表3
名祢
瘵号
刮
述通型人孔
屈劇人孔
捋弯型人扎
44型人扎
十字型人扎
O
芋孔
埋式手<1 地下光《!骨
A
MT 聚許
JR 引上的主管
道 暂道斯面 示 督01着胞一 面)
管at •人孔
16
18
19 人孔内时上
flf (A^ 人
A««K )
现暂TT 道利 尤地占用竹 扎
新设竹適鋼 迄骨辺和■比 址占fflffft 人扎一般捋 号:
A 位置衷 示聆状
B 位置表 示堀号 小母人扎
(SflEfflffl)
人孔廉开图 校示地下光 aa 在人扎中
穿放的
(人孔按形
状绘出)
大型人扎 (豪疣圈用)
«l A 孔 (累
蜿箱用)
X
Io ol loo
f oj 7 £3
兄下*烙标注才法:A-材厦 B —伞救C —乳就15一畏度
表6 标石
亀标£轎号的廳定如门
I冷于表示柿石的不円奥别点问見别申的序号用点6中竹3和4;分廿表禾一*申址找丿檢鮎t内总标石的骼号。
的Ui咋石或挨获林石汾母/r+r块乐』换兴机《的分于用冷r*氛妲i中的7粘也。