汽车识图单元一 汽车电路原理图常用符号
- 格式:ppt
- 大小:742.50 KB
- 文档页数:10
(汽车行业)汽车电路图常用符号汽车电路图常用符号汽车电路图是利用图形符号和文字符号,表示汽车电路构成、连接关系和工作原理,而不考虑其实际安装位置的壹种简图。
为了使电路图具有通用性,便于进行技术交流,构成电路图的图形符号和文字符号,不是随意的,它有统壹的国家标准和国际标准。
要见懂电路图,必须了解图形符号和文字符号的含义、标注原则和使用方法。
壹、图形符号图形符号是用于电气图或其他文件中的表示项目或概念的壹种图形、标记或字符,是电气技术领域中最基本的工程语言。
因此,为了见懂汽车电路图,我们要掌握和熟练地运用它。
常用的图形符号见表1-1-1所列。
图形符号分为基本符号、壹般符号和明细符号3种。
1、基本符号基本符号不能单独使用,不表示独立的电器元件,只说明电路的某些特征。
如:“—”表示直流,“~”表示交流,“+”表示电源的正极,“-”表示电源的负极,“N”表示中性线。
2、壹般符号壹般符号用以表示壹类产品和此类产品特征的壹种简单符号。
如:表示指示仪表的壹般符号,表示传感器的壹般符号。
壹般符号广义上代表各类元器件,另外,也能够表示没有附加信息或功能的具体元件,如:壹般电阻、电容等。
3、明细符号明细符号表示某壹种具体的电器元件。
它是由基本符号、壹般符号、物理量符号、文字符号等组合派生出来的。
如:是指示仪表的壹般符号,当要表示电流、电压的种类和特点时,将“*”处换成“A”、“V”,就成为明细符号。
表示电流表,表示电压表。
另外,对标准中没有规定的符号,能够选取标准中给定的基本符号、壹般符号和明细符号,按规定的组合原则进行派生,以构成完整的元件或设备的图形符号,但在图样的空白处必须加以说明,如表1-1-2所示。
将天线的壹般符号和直流电动机的壹般符号进行组合,就构成了电动天线的图形符号。
表1-1-2电动天线的组合示例4(1)首先选用优选形。
(2)在满足条件的情况下,首先采用最简单的形式,但图形符号必须完整。
(3)在同壹份电路图中同壹图形符号采用同壹种形式。
汽车电路识读的基本知识,电器元件的图形符号及标示
由于汽车电器元件的结构是比较复杂的,因此电路图在绘制中都采用相应的符号来表示各种电器元件。
目前世界各大汽车生产厂商还没有统一电路图的符号,但从目前的汽车电路图来看,虽然符号不尽相同,但差别还是不大的,并且电路图都有相应的说明来解释所采用的符号,今天杭州万通小编来介绍一些基本的汽车元件图标
汽车电路图是将汽车各电器部件的图形符号通过导线连接在一起的关系图。
可分为线路布置图和电路原理图。
(1)线路布置图是根据电气设备在汽车上的实际安装部位绘制的全车电路图或局部电路图,在图上电器元件与电器元件间的导线以线束的形式出现,图面简单明了,接近实际,对使用维修人员有较强的实用性。
(2)电路原理图是用图形符号按工作顺序或功能布局绘制的,详细表示在汽车电路的全部组成和连接关系,不考虑实际位置的简图,具有电路清晰,便于理解电路原理的特点。
由于各国汽车电路图的绘制方法、符号标识、技术标准的不同,各汽车生产厂家,汽车电路图的画法有很大差异,甚至同一国家不同公司汽车电路图的表示方法也存在较大的差异,这就给读图带来许多麻烦,因此,掌握汽车电路图识读的基本方法显得十分重要。
(1)纵观“全车”,眼盯“局部”。
(2)认真阅读图注。
(3)熟悉电器元件及配线。
(4)特别注意开关在电路中的作用。
(5)牢记回路原则。
汽车电路图常用符号
单字母符号是按拉丁字母将各种电气设备、装置和元器件划分为二十三大类,每大类用一个专用单字母符号表示,如“C”表示器类,“R”表示类等。
(2)双字母符号
双字母符号是由一个表示种类的单字母符号与另一字母组成,其组合型式应以单字母符号在前而另一字母在后的次序列出,如:“R”表示电阻,“RP”就表示电位器,“RT”表示热敏电阻;“G”表示电源、发电机、发生器,“GB”就表示蓄电池,“GS”表示同步发电机、发生器,“GA”表示异步发电机。
常用的基本文字符号见表1-1-3所示。
表1-1-3 常用基本文字符号
设备、装置元器件种类举例基本文字符号
单字母双字母组件
部件分别元件调整器 A
电桥 AB
晶体管放大器 AD
放大器 AJ
印刷板 AP
抽屉柜 AT
支架盘 AR
晶体换能器 B
压力变换器 BP
温度变换器 BT
电容器 C
二进制元件、延迟器件、存储器件数字集成电路和器件 D 其他元器件其他元器件 E
第1页共3页。
精心整理第一章汽车电气线路图读图基础第一节汽车电路图常用符号汽车电路图是利用图形符号和文字符号,表示汽车电路构成、连接关系和工作原理,而不考虑其实际安装位置的一种简图。
为了使电路图具有通用性,便于进行技术交流,构成电路图的图形符号和文字符号,不是随意的,它有统一的国家标准和国际标准。
要看懂电路图,必须了解图形符号和文字符号的含义、标注原则和使用方法。
一、图形符号1流,“~2如:也可以表示没有附加信息或功3组合派生出来的。
如:*”,就成为明细符号。
表示电流表,表示电压表。
表常用图形符号按规定的组合原则进行派生,以构成完整的元件或设备的图形符号,但在图样的空白处必须加以说明,如表1-1-2所示。
将天线的一般符号和直流电动机的一般符号进行组合,就构成了电动天线的图形符号。
4(1)首先选用优选形。
(2)在满足条件的情况下,首先采用最简单的形式,但图形符号必须完整。
(3)在同一份电路图中同一图形符号采用同一种形式。
(4)符号方位不是固定的,在不改变符号意义的前提下,符号可根据图面布置的需要旋转或成镜像放置,但文字和指示方向不得倒置。
(5)图形符号中一般没有端子代号,如果端子代号是符号的一部分,则端子代号必须画出。
(6)导线符号可以用不同宽度的线条表示,如电源线路(主电路)可用粗实线表示,控制、保护线路(辅助电路)则可用细实线表示。
(7)一般连接线不是图形符号的组成部分,方位可根据实际需要布置。
(8)符号的意义由其形式决定,可根据需要进行缩小或放大。
(9)图形符号表示的是在无电压、无外力的常规状态。
((符号。
1(1(2“G”2辅助文字符号表示电气设备、装置和元器件以及线路的功能、状态和特征。
如“SYN”表示同步,“L”表示限制左或低,“RD”表示红色,“ON”表示闭合,“OFF”表示断开等。
常用辅助文字符号见表1-1-4所示。
3(1)单字母符号应优先选用。
(2)只有当用单字母符号不能满足要求,需要将大类进一步划分时,才采用双字母符号,以便较详细和更具体地表述电气设备、装置和元器件等。
汽车电路图常用符号一、图形符号图形符号是用于电气图或其他文件中的表示项目或概念的一种图形、标记或字符,是电气技术领域中最基本的工程语言。
因此,为了看懂汽车电路图,我们要掌握和熟练地运用它。
常用的图形符号见表1-1-1所列。
图形符号分为基本符号、一般符号和明细符号3种。
1、基本符号基本符号不能单独使用,不表示独立的电器元件,只说明电路的某些特征。
如:“—”表示直流,“~”表示交流,“+”表示电源的正极,“-”表示电源的负极,“N ”表示中性线。
2、一般符号一般符号用以表示一类产品和此类产品特征的一种简单符号。
如:表示指示仪表的一般符号,表示传感器的一般符号。
一般符号广义上代表各类元器件,另外,也可以表示没有附加信息或功能的具体元件,如:一般电阻、电容等。
3、明细符号明细符号表示某一种具体的电器元件。
它是由基本符号、一般符号、物理量符号、文字符号等组合派生出来的。
如:是指示仪表的一般符号,当要表示电流、电压的种类和特点时,将“*”处换成“A ”、“V ”,就成为明细符号。
表示电流表,表示电压表。
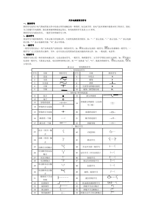
一、常用基本符号序号 名称 图形符号序号 名称 图形符号1 直流6 中性点 N2 交流 7 磁场 F3 交直流8 搭铁4 正极9 交流发电机输出接柱 B 5 负极 10 磁场二极管输出端 D + 二、导线端子和导线连接11 接点 ● 18插头和插座12 端子 ○19多极插头和插座(示出的为三极)13 导线的连接14 导线的分支连接15 导线的交叉连接 20 接通的连接片16 插座的一个极 21 断开的连接片17插头的一个极22 屏蔽导线三、触点开关23动合(常开)触点42凸轮控制24 动断(常闭)触点 43 联动开关25 先断后合的触点 44 手动开关的一般符号26 中间断开的双向触点 45 定位开关(非自动复位)27 双动合触点 46 按钮开关28 双动断触点 47 能定位的按钮开关29 单动断双动合触点48拉拨开关30 双动断单动合触点49 旋转、旋钮开关31 一般情况下手动控制 50 液位控制开关32 拉拨操作51 机油滤清器报警开关33 旋转操作 52 热敏开关动合触点34 推动操作 53 热敏开关动断触点35一般机械操作54热敏自动开关的动断触点信号灯、(出霜器)另外,对标准中没有规定的符号,可以选取标准中给定的基本符号、一般符号和明细符号,按规定的组合原则进行派生,以构成完整的元件或设备的图形符号,但在图样的空白处必须加以说明,如表1-1-2所示。
汽车电路图常用符号————————————————————————————————作者:————————————————————————————————日期:汽车电路图常用符号一、图形符号图形符号是用于电气图或其他文件中的表示项目或概念的一种图形、标记或字符,是电气技术领域中最基本的工程语言。
因此,为了看懂汽车电路图,我们要掌握和熟练地运用它。
常用的图形符号见表1-1-1所列。
图形符号分为基本符号、一般符号和明细符号3种。
1、基本符号基本符号不能单独使用,不表示独立的电器元件,只说明电路的某些特征。
如:“—”表示直流,“~”表示交流,“+”表示电源的正极,“-”表示电源的负极,“N”表示中性线。
2、一般符号一般符号用以表示一类产品和此类产品特征的一种简单符号。
如:表示指示仪表的一般符号,表示传感器的一般符号。
一般符号广义上代表各类元器件,另外,也可以表示没有附加信息或功能的具体元件,如:一般电阻、电容等。
3、明细符号明细符号表示某一种具体的电器元件。
它是由基本符号、一般符号、物理量符号、文字符号等组合派生出来的。
如:是指示仪表的一般符号,当要表示电流、电压的种类和特点时,将“*”处换成“A”、“V”,就成为明细符号。
表示电流表,表示电压表。
表1-1-1 常用图形符号一、常用基本符号序号名称图形符号序号名称图形符号1 直流 6 中性点N2 交流7 磁场 F3 交直流8 搭铁4 正极9 交流发电机输出接柱 B5 负极10 磁场二极管输出端D+二、导线端子和导线连接11 接点●18 插头和插座12 端子○19 多极插头和插座(示出的为三极)13 导线的连接14 导线的分支连接15 导线的交叉连接20 接通的连接片16 插座的一个极21 断开的连接片17 插头的一个极22 屏蔽导线三、触点开关23动合(常开)触点42 凸轮控制24动断(常闭)触点43 联动开关25 先断后合的触点44 手动开关的一般符号26 中间断开的双向触点45 定位开关(非自动复位)27 双动合触点46 按钮开关28 双动断触点47 能定位的按钮开关29 单动断双动合触点48 拉拨开关30 双动断单动合触点49 旋转、旋钮开关31 一般情况下手动控制50 液位控制开关32 拉拨操作51 机油滤清器报警开关33 旋转操作52 热敏开关动合触点34 推动操作53 热敏开关动断触点35 一般机械操作54 热敏自动开关的动断触点36 钥匙操作 55 热继电器触点 37 热执行器操作 56 旋转多档开关位置 38 温度控制 57 推拉多档开关位置 39 压力控制 58 钥匙开关(全部定位) 40 制动压力控制 59 多档开关、点火、起动开关,瞬时位置 41 液位控制 60 节流阀开关 四、电器元件61 电阻器 80 光电二极管62 可变电阻器 81 PNP 型三极管63 压敏电阻器 82 集电极接管壳三极管(NPN )64热敏电阻器83具有两个电极的压电晶体65 滑线式变阻器 84电感器、线圈、绕组、扼流圈66 分路器 85 带铁心的电感器67 滑动触点电位器86 熔断器 68 仪表照明调光电阻器 87 易熔线 69 光敏电阻 88 电路断电器 70 加热元件、电热塞89 永久磁铁71 电容器 90操作器件一般符号72可变电容器91一个绕组电磁铁73 极性电容器 74穿心电容器92两个绕组电磁铁75半导体二极管一般符号76 稳压二极管93不同方向绕组电磁铁77 发光二极管 78 双向二极管(变阻二极管) 94 触点常开的继电器 79三极晶体闸流管95 触点常闭的继电器五、仪表96 指示仪表 103 转速表97 电压表 104 温度表 98 电流表 105 燃油表 99 电压、电流表 106 车速里程表100 欧姆表 107 电钟 101 瓦特表 108 数字式电钟102油压表六、传感器109传感器的一般符号116空气流量传感器110 温度表传感器117 氧传感器111 空气温度传感器118 爆震传感器112 水温传感器119 转速传感器113 燃油表传感器120 速度传感器114 油压表传感器121 空气压力传感器115 空气质量传感器122 制动压力传感器七、电气设备123 照明灯、信号灯、仪表灯、指示灯159 内部通信联络及音乐系统124 双丝灯160 收放机125 荧光灯161 天线电话126 组合灯162 收放机127 预热指示器163 点火线圈128 电喇叭164 分电器129 扬声器165 火花塞130 蜂鸣器166 电压调节器131 报警器、电警笛167 转速调节器132 信号发生器168 温度调节器133 脉冲发生器169 串激绕组134 闪光器170 并激或他激绕组135 霍尔信号发生器171 集电环或换向器上的电刷136 磁感应信号发生器172 直流电动机137 温度补偿器173 串激直流电动机138 电磁阀一般符号174 并激直流电动机139 常开电磁阀175 永磁直流电动机140 常闭电磁阀176 起动机(带电磁开头)141 电磁离合器177 燃油泵电动机、洗涤电动机142 用电动机操纵的怠速调整装置178 晶体管电动汽油泵143 过电压保护装置179 加热定时器144 过电流保护装置180 点火电子组件145 加热器(出霜器)181 风扇电动机146 振荡器182 刮水电动机147 变换器、转换器183 电动天线148 光电发生器184 直流伺服电动机149 空气调节器185 直流发电机150 滤波器186 星形连接的三相绕组151 稳压器187 三角形连接的三相绕组152 点烟器188定子绕组为星形连接的交流发电机153 热继电器189定子绕组为三角形连接的交流发电机154 间歇刮水继电器190外接电压调节器与交流发电机155 防盗报警系统191 整体式交流发电机156 天线一般符号192 蓄电池157 发射机193 蓄电池组158 收放机另外,对标准中没有规定的符号,可以选取标准中给定的基本符号、一般符号和明细符号,按规定的组合原则进行派生,以构成完整的元件或设备的图形符号,但在图样的空白处必须加以说明,如表1-1-2所示。
汽车电工电路图符号大全汽车电工电路图符号大全汽车电路图是利用图形符号和文字符号,表示汽车电路构成、连接关系和工作原理,而不考虑其实际安装位置的一种简图。
为了使电路图具有通用性,便于进行技术交流,构成电路图的图形符号和文字符号,不是随意的,它有统一的国家标准和国际标准。
要看懂电路图,必须了解图形符号和文字符号的含义、标注原则和使用方法。
一、图形符号图形符号是用于电气图或其他文件中的表示项目或概念的一种图形、标记或字符,是电气技术领域中最基本的工程语言。
因此,为了看懂汽车电路图,我们要掌握和熟练地运用它。
常用的图形符号见表1-1-1所列。
图形符号分为基本符号、一般符号和明细符号3种。
1、基本符号基本符号不能单独使用,不表示独立的电器元件,只说明电路的某些特征。
如:“—”表示直流,“~”表示交流,“+”表示电源的正极,“-”表示电源的负极,“N”表示中性线。
2、一般符号一般符号用以表示一类产品和此类产品特征的一种简单符号。
如: 表示指示仪表的一般符号,表示传感器的一般符号。
一般符号广义上代表各类元器件,另外,也可以表示没有附加信息或功能的具体元件,如:一般电阻、电容等。
3、明细符号明细符号表示某一种具体的电器元件。
它是由基本符号、一般符号、物理量符号、文字符号等组合派生出来的。
如: 是指示仪表的一般符号,当要表示电流、电压的种类和特点时,将“*”处换成“A”、“V”,就成为明细符号。
表示电流表,表示电压表。
二、文字符号文字符号是由电气设备、装置和元器件的种类(名称)字母代码和功能(与状态、特征)字母代码组成。
用于电气技术领域中技术文件的编制,也可标注在电气设备、装置和元器件上或其近旁,以表明电气设备、装置和元器件的名称、功能、状态和特征。
此外,还可与基本图形符号和一般图形符号组合使用,以派生新的图形符号。
文字符号分为基本文字符号和辅助文字符号两大类,基本文字符号又分为单字母符号和双字母符号。
基本文字符号(1)单字母符号单字母符号是按拉丁字母将各种电气设备、装置和元器件划分为二十三大类,每大类用一个专用单字母符号表示,如“C”表示电容器类,“R”表示电阻类等。
汽车电路基本文字符号车辆电路是现代汽车中十分重要的组成部分,其稳定性和安全性直接影响车辆的性能和驾驶体验。
为了确保车辆电路系统的运行稳定,我们需要对一些基本的电路文字符号有一定的认识和了解。
下面是一些常用的汽车电路文字符号。
1. 导线在汽车电路图中,导线通常用实线或虚线表示,实线表示连接导线,虚线则表示导线间的连接。
同样的,不同颜色的实线也可以表示不同的导线,如黑色表示地线,红色表示正生电线等。
2. 电池电池在汽车电路图中用常规的图形表示,通常用长方形表示+和-极,中间画一条竖线表示电池正负极之间的电位差。
如果需要表示多个电池连接,则可以用“+”和“-”的连接方式表示。
3. 开关电路中的开关通常用曲线来表示,有时也会用文字符号S来表示。
在汽车电路中,开关也分很多种类型,包括旋钮开关、拨动开关、触摸式开关等等,按照实际需要来进行表示。
4. 电阻电路中的电阻通常用矩形或者圆形图形来表示,矩形表示可调整的可变电阻器,圆形表示固定电阻。
电阻的大小可以按实际情况来选择不同的表示方式,常用的有符号表示法和颜色编码法。
5. 电容电容在汽车电路中也是一种十分重要的电器元件,在电路图中通常用两条平行线表示。
电容的大小表示容量大小,单位为法拉(F),多数用来消除电路的干扰。
6. 二极管二极管也是一种常见的电路元件,通常用一端有锥形箭头的三角形图形表示,箭头的方向表示着二极管的正极方向。
在汽车电路中,二极管通常被使用在电路控制、电流保护和电压限制等方面。
7. 晶体管晶体管是一种半导体器件,可以放大信号和控制电流。
在电路图中,晶体管通常用有三端的矩形图形表示。
其中,基极、发射极和集电极分别对应晶体管中的P区、N区和P区。
8. 电机电机在汽车电路中也是一种重要的电器元件,其通常用实心的圆形图案表示。
在电路图中,电机通常用来驱动各个汽车部件的运动,包括发电机、电动窗、电动车锁等等。
以上是汽车电路中常见的文字符号,它们是构成汽车电路图的基础部分。
第一章汽车电气线路图读图根底第一节汽车电路图常用符号汽车电路图是利用图形符号和文字符号,表示汽车电路构成、连接关系和工作原理,而不考虑事实上际安装位置的一种简图。
为了使电路图具有通用性,便于进行技术交流,构成电路图的图形符号和文字符号,不是随意的,它有统一的国家标准和国际标准。
要瞧明白电路图,必须了解图形符号和文字符号的含义、标注原那么和使用方法。
一、图形符号图形符号是用于电气图或其他文件中的表示工程或概念的一种图形、标记或字符,是电气技术领域中最全然的工程语言。
因此,为了瞧明白汽车电路图,我们要把握和熟练地运用它。
常用的图形符号见表1-1-1所列。
图形符号分为全然符号、一般符号和明细符号3种。
1、全然符号全然符号不能单独使用,不表示独立的电器元件,只讲明电路的某些特征。
如:“—〞表示直流,“~〞表示交流,“+〞表示电源的正极,“-〞表示电源的负极,“N〞表示中性线。
2、一般符号一般符号用以表示一类产品和此类产品特征的一种简单符号。
如:表示指示仪表的一般符号,表示传感器的一般符号。
一般符号广义上代表各类元器件,另外,也能够表示没有附加信息或功能的具体元件,如:一般电阻、电容等。
3、明细符号明细符号表示某一种具体的电器元件。
它是由全然符号、一般符号、物理量符号、文字符号等组合派生出来的。
如:是指示仪表的一般符号,当要表示电流、电压的种类和特点时,将“*〞处换成“A〞、“V〞,就成为明细符号。
表示电流表,表示电压表。
表1-1-1常用图形符号一、常用全然符号序号名称图形符号序号名称图形符号1 直流 6 中性点N2 交流7 磁场 F3 交直流8 搭铁4 正极9 交流发电机输出接柱 B5 负极10 磁场二极管输出端D+二、导线端子和导线连接11 接点●18 插头和插座12 端子○19 多极插头和插座〔示出的为三极〕13 导线的连接14 导线的分支连接15 导线的交叉连接20 接通的连接片16 插座的一个极21 断开的连接片17 插头的一个极22 屏蔽导线三、触点开关23 动合〔常开〕触点42 凸轮操纵24 动断〔常闭〕触点43 联动开关25 先断后合的触点44 手动开关的一般符号26 中间断开的双向触点45定位开关〔非自动复位〕27 双动合触点46 按钮开关28 双动断触点47 能定位的按钮开关29 单动断双动合触点48 拉拨开关30 双动断单动合触点49 旋转、旋钮开关31 一般情况下手动操纵50 液位操纵开关32 拉拨操作51 机油滤清器报警开关33 旋转操作52 热敏开关动合触点34 推动操作53 热敏开关动断触点35 一般机械操作54 热敏自动开关的动断触点36 钥匙操作55 热继电器触点37 热执行器操作56 旋转多档开关位置38 温度操纵57 推拉多档开关位置39 压力操纵58 钥匙开关〔全部定位〕40 制动压力操纵59 多档开关、点火、起动开关,瞬时位置为2能自动返回到1〔即2档不能定位〕41 液位操纵60 节流阀开关四、电器元件61 电阻器80 光电二极管62 可变电阻器81 PNP型三极管63 压敏电阻器82 集电极接管壳三极管〔NPN〕64 热敏电阻器83 具有两个电极的压电晶体65 滑线式变阻器84 电感器、线圈、绕组、扼流圈66 分路器85 带铁心的电感器67 滑动触点电位器86 熔断器68 仪表照明调光电阻器87 易熔线69 光敏电阻88 电路断电器70 加热元件、电热塞89 永久磁铁71 电容器90 操作器件一般符号72 可变电容器91 一个绕组电磁铁73 极性电容器74 穿心电容器92 两个绕组电磁铁75 半导体二极管一般符号76 稳压二极管93 不同方向绕组电磁铁77 发光二极管78 双向二极管〔变阻二极管〕94 触点常开的继电器79 三极晶体闸流管95 触点常闭的继电器五、仪表96 指示仪表103 转速表97 电压表104 温度表98 电流表105 燃油表99 电压、电流表106 车速里程表100 欧姆表107 电钟101 瓦特表108 数字式电钟102 油压表六、传感器109 传感器的一般符号116 空气流量传感器110 温度表传感器117 氧传感器111 空气温度传感器118 爆震传感器112 水温传感器119 转速传感器113 燃油表传感器120 速度传感器114 油压表传感器121 空气压力传感器115 空气质量传感器122 制动压力传感器七、电气设备123 照明灯、信号灯、仪表灯、指示灯159内部通信联络及音乐系统124 双丝灯160 收放机125 荧光灯161 天线126 组合灯162 收放机127 预热指示器163 点火线圈128 电喇叭164 分电器129 扬声器165 火花塞130 蜂喊器166 电压调节器131 报警器、电警笛167 转速调节器132 信号发生器168 温度调节器133 脉冲发生器169 串激绕组134 闪光器170 并激或他激绕组135 霍尔信号发生器171集电环或换向器上的电刷136 磁感应信号发生器172 直流电动机137 温度补偿器173 串激直流电动机138 电磁阀一般符号174 并激直流电动机139 常开电磁阀175 永磁直流电动机140 常闭电磁阀176 起动机〔带电磁开头〕141 电磁离合器177 燃油泵电动机、洗涤电动机142 用电动机操纵的怠速调整装置178 晶体管电动汽油泵143 过电压保卫装置179 加热定时器144 过电流保卫装置180 点火电子组件145 加热器〔出霜器〕181 风扇电动机146 振荡器182 刮水电动机147 变换器、转换器183 电动天线148 光电发生器184 直流伺服电动机149 空气调节器185 直流发电机150 滤波器186 星形连接的三相绕组151 稳压器187 三角形连接的三相绕组152 点烟器188 定子绕组为星形连接的交流发电机153 热继电器189 定子绕组为三角形连接的交流发电机154 间歇刮水继电器190外接电压调节器与交流发电机155 防盗报警系统191 整体式交流发电机156 天线一般符号192 蓄电池157 发射机193 蓄电池组158 收放机另外,对标准中没有规定的符号,能够选取标准中给定的全然符号、一般符号和明细符号,按规定的组合原那么进行派生,以构成完整的元件或设备的图形符号,但在图样的空白处必须加以讲明,如表1-1-2所示。