2017 中职 正式赛卷 通用机电设备安装与维护 评分表4
- 格式:pdf
- 大小:301.69 KB
- 文档页数:2
谈通用机电设备安装与维护赛项点滴体会作者:郑振江来源:《中国校外教育(上旬)》2017年第09期摘要:职业院校技能大赛是职业学校技能水平的竞技平台,更是学校技能水平提高的动力。
技能大赛的每个赛项都有各自的竞赛规程也就是考纲,是竞赛任务书要完成的工作,必须严格执行。
大赛中机械部件的安装和测量要选用正确的方法和工、量具,这是取得好成绩的保证。
选手的训练要讲究方式、方法,选手的身心健康也是不能忽视的。
关键词:赛项规程学生训练训练方式职业教育技能大赛经过近十年来的实践不断发展壮大,形成了“省市县校有比赛,层层竞赛育英寸,国家大赛选状元”的局面,职业院校技能大赛已成为培养选拔高水平技能型人才的大舞台。
我校自2008年开始参加全国职业院校技能大赛,从当初的1个赛项,到现在的十几个赛项。
在参与大赛的过程中,提高了学生的学习兴趣,实践操作不断的娴熟,综合素质不断提升;教师的专业理论不断扩展,实践教学水平不断提高。
下面就谈一谈参加中职组通用机电设备安装与维护赛项辅导的几点体会。
一、认真学习赛项规程每项大赛的规程都明确给出了赛项的各项要求,主要是注意:竞赛内容、竞赛方式、竞赛试题、技术规范、技术平台、成绩评定这几项。
每年的规程都会不同,要对比以前的规程找到不同之处,赛项规程就相当于高考的科目考纲,决不能想当然的指导学生用以前的思想指导学生训练。
以下几项是重点要研究的规程项目:1.竞赛内容。
要逐句研究,不能放过每一句,比如有这么一句“根据铝板规格和加工要求,计算并选择合适的冲头”,真是以前没有的,并且这句话也不明显,往往会被忽略掉,在赛项说明会上也体现出来了,很多辅导老师都没注意到这点。
2.竞赛试题。
国赛决赛前在全国职业院校技能大赛官网上会发布试题库,正式比赛任务书是在公布的赛题库范围内选择赛题组成三套以上的任务书,任务书的内容、评分标准、风格等与样题保持一致。
通过样题和赛题库,就可以让选手了解赛题的风格,熟悉比赛的流程。
2023年全国职业院校技能大赛通用机电设备安装与调试赛项(中等职业教育组)评分表比赛日期开赛时间结束时间赛位号通用机电设备安装与调试赛项评分汇总裁判签名:通用机电设备安装与调试赛项过程性评分表任务一、十字机械滑台送料部件安装与调试送料部件的机械装配(在“□”处正确打“√”,错误打“×”)选手签名(工位号):裁判签名:通用机电设备安装与调试赛项结果性评分表任务一、十字机械滑台送料单元安装与调试传感器安装、伺服电机、控制功能结果评分表序号项目内容分值评分要求配分得分1PLC程序编写和功能调试 3.4手动模式,按“复位”按钮,黄色指示灯闪烁(1Hz)0.2 Y轴自动运行至负极限位置后,自动反向运动到原点位置并停止运动0.2 Y轴向后方向运行100mm,滑台手指夹紧0.4 Y轴向前方向运行60mm,滑台手指松开0.4手动模式,按“复位”按钮,红色指示灯闪烁(1Hz)0.4 X轴右方向回到原点0.6 X轴向左方向运行100mm之后,滑台手指夹紧0.4 X轴向右方向运行60mm之后,滑台手指松开0.4 X轴、Y轴均有超行程保护0.42伺服电机驱动器参数设置 1.8按照给的参数要求设置X轴伺服电机参数,每错一处扣0.1分0.9按照给的参数要求设置Y轴伺服电机参数,每错一处扣0.1分0.9小计 5.2选手签名(工位号):裁判签名:通用机电设备安装与调试赛项过程性评分表选手签名(工位号):裁判签名:通用机电设备安装与调试赛项结果性评分表选手签名(工位号):裁判签名:通用机电设备安装与调试赛项结果性评分表任务三、智能仓储单元传送带机构传感器安装、电气连接、控制功能结果评分表小计10.8选手签名(工位号):裁判签名:通用机电设备安装与调试赛项结果性评分表任务三、智能仓储单元视觉检测、工业机器人控制功能结果评分表选手签名(工位号):裁判签名:通用机电设备安装与调试赛项结果性评分表任务三、智能仓储单元仓储机构传感器安装、电气连接、控制功能结果评分表再按下【Y轴回零】,Y轴回归零件,Y轴测试完成。
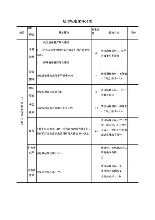
机电设备部考核评分表
考核对象:机电设备部考核时间:
参考评分法
(1)定性指标。
1)“安全委员会的参与”:优秀5分,良好3分,一般1分,差
0分。
2)“贯彻安委会精神”:优秀5分,良好3分,一般1分,差0分。
3)“设备操作规程的编制和检查”:优秀5分,良好3分,一般
1分,差0分。
4)“设备二、三级维护”:优秀5分,良好3分,一般1分,差
0分。
5)“参与安全事故检查”:优秀5分,良好3分,一般1分,差
0分。
6)“组织设备操作安全培训”:优秀5分,良好3分,一般1分,差0分。
7)“责任区安全工作落实情况”:优秀5分,良好3分,一般1分,差0分。
8)“责任范围内安全设备的维护和管理”:优秀2分,良好1.3分,一般0.6分,差0分。
(2)定量指标。
1)“公司生产伤害频率(设备引起部分)”:基于历史最低水平,达到历史最低水平给25分;每低于历史最低水平1%则在25分基础上
加1分,30分为上限;每高于历史最低水平1%则扣1分,扣完为止。
2)“公司生产严重伤害率(设备引起部分)”:基于历史最低水平,达到历史最低水平给25分;每低于历史最低水平1%则在25分基础上加1分,30分为上限;每高于历史最低水平1%则扣1分,扣完为止。
相关说明:
编制人::审核人员:批准人员:
编制日期:审核日期:批准日期:。