工业内窥镜技术参数
- 格式:docx
- 大小:24.10 KB
- 文档页数:3
宫腔镜系统技术参数
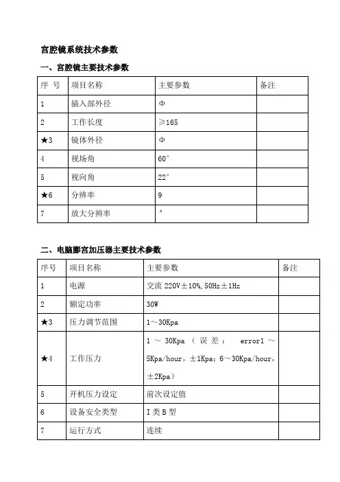
一、宫腔镜主要技术参数
二、电脑膨宫加压器主要技术参数
四、彩色微型摄像机主要技术参数
★尺寸: 1/3″SONY CCD
2.功能按键:一个可编辑按钮实现白平衡。
★3.防水等级:IPX 8(CE标准最高级)
4.分辨率:800×600
★5.水平解像度:600线
6.最低照度:
7.信噪比:60dB 以上
★8.出血修正:有
五、内窥镜图文工作站技术参数
★1.视频输入为标准PAL,NTSC或SECAM制信号。
2.可采集颜色和黑白图像。
3.高精度9位视频A/D,有梳状滤波器,抗混叠滤波器。
4.六路复合视频输入选择或三路Y/C输入选择。
★5.亮度,对比度,色度,饱和度软件可调。
6.图像采集显示分辨率最大768×576。
★7.具有图形位屏蔽位功能,可开窗采集。
8.硬件完成输入图像比例缩小。
9. 支持RGB32,RGB24,RGB16,RGB15,RGB8,YUV16,YUV12,YUV9,黑白图像GRAY8等图像格式
宫腔镜系统配置需求
一、宫腔镜
二、电脑膨宫加压器
三、高亮度冷光源
四、医用内窥镜摄像机
五、图文工作站。
工业内窥镜标准工业内窥镜标准,是指用于检查工业设备内部情况的一种标准。
在现代工业中,内窥镜已经成为了不可或缺的一部分,通过内窥镜的使用,可以更好地查看并掌握设备内部的情况,及时发现并解决问题,提高工作效率。
1.内窥镜的选购标准在选择内窥镜时,需要考虑以下几个标准:① 视野:视野越宽,查看时越容易观察到设备内部的情况,而且也非常方便;② 镜头分辨率:镜头分辨率需要足够高,这样才能更加清楚地看到设备内部的问题;③ 长度和直径:内窥镜的长度和直径需要根据实际情况进行选择,不能过于小或过于大,这样不利于查看;④ 最大曲度半径:根据设备内部的走向,需要选择不同曲度半径的内窥镜。
2.内窥镜的使用标准为了更好地使用内窥镜,需要遵循以下使用标准:① 操作人员需要接受专业的培训,了解如何正确地使用内窥镜;② 内窥镜使用前需要进行清洗,并做好消毒等防护工作;③ 内窥镜在使用时需要遵循正确的时间、力度和角度等标准,避免对设备造成伤害和影响;④ 在使用内窥镜前,需要对设备内部进行一定的检查,检查设备是否存在严重问题,以免在操作时因为设备发生严重故障造成不必要的损失。
3.内窥镜的维护标准内窥镜的维护非常重要,维护标准包括以下几个方面:① 对内窥镜进行定期的清洗和消毒,避免细菌繁殖;② 内窥镜不使用时需要放在干燥通风的地方,并注意防潮和防尘;③ 内窥镜需要按照说明书上的要求进行合理保养和维护,避免损坏;④ 内窥镜的存储时间不宜过长,一般为2-3年,过期后需要进行更换。
综上所述,内窥镜在现代工业中的应用已经非常普遍,对于提高工作效率和检查设备情况方面都起到了重要的作用。
在使用内窥镜时,需要遵循一定的选择、使用和维护标准,以确保内窥镜的使用效果和持久性,从而更好地服务于现代化工业的需求。
3D腔镜3D全高清内窥镜摄像系统技术参数3D腔镜(3D全高清内窥镜摄像系统)技术参数招标技术要求一、总体要求:*1、国际一线品牌,通过美国FDA或者欧盟CE认证。
2、此参数允许正偏离、负偏离、综合评估。
二、3D成像装置1、将两台全高清摄像系统提供的左右眼两路图像信号进行整合,并将3D信号以最佳格式输出至3D监视器和影像记录系统中。
或低于前者主机内模拟合成的两路信号具备1080P 全高清采集。
2、3D信号(3G-SDI、DVI-D)可输出至多台3D监视器。
3、通过遥控按钮可一键切换2D和3D图像,自动变焦。
4、可选择多种3D格式(3G、LINE BY LINE、SIDE BY SIDE)。
5、3D SIDE BY SIDE图像可通过HD-SDI输出至影像记录系统。
6、术中2D和3D模式下均可轻松获得光谱结构增强分析处理模式,可提高对毛细血管的辨识度和较大粘膜组织的癌前病变筛查。
7、关闭成像装置,监视器输出信号、录制输出信号、2D/3D显示指示设置仍能保存在内存中。
三、3D全高清摄像主机1、全高清图像输出:≥1920×1080P,须达到1080P逐行扫描技术。
2、具有图文工作站功能,可以用数字形式将图像方便的记录在便携式存储器(U盘或移动硬盘)中。
3、主机有多种图像处理功能,可兼容连接高清光学摄像头及高清电子镜。
具备画中画功能,可将两幅不同的腔镜图像组合显示。
*4、主机除了可以连接3D摄像头,还可以连接全高清三晶片摄像头、电子腹腔镜、电子胆道镜、电子输尿管镜、电子胃镜和电子结肠镜等软镜,达到一机多用。
(为后期医院发展节省成本,有能满足的厂家必须提供同品牌模块平台、没有同品牌的可以外配此功能平台)5、至少具备两种的光谱结构增强分析处理模式。
手术中可增强粘膜表层血管及毛细血管的辨识度和其他组织的显像性能,有效提高术中的组织癌前病变筛查。
6、具备整体化手术室集总监控功能,智能化菜单操作,直观易懂。
XL Detect and XL Detect+ 工业内窥镜
更细致入微的检测2对检测结果充满信心 借助非凡的图像质量以及 XL Detect+ 上的 5 英寸LCD 屏幕 和 3 倍亮度显示屏,快速准确地完成检测。缩减成本 凭借值得信赖的耐用性减少维护开支,即便是在最恶劣的 检测环境下同样表现非凡。灵活性强 备轻便灵活,重量仅为1.77 公斤,并配有坚固的装载箱和 集成式插管存储滚筒。快速上手 直观的界面包括菜单指导式检测 (MDI) 1.1,用户可通过 此应用程序完成检测并整理结果以得出更简单的报告。无忧体验 随时随地拥有 Waygate Technologies 专家支持。
5 英寸 LCD 屏幕让检测更加清晰准确全新的XL Detect+ 显示面积增大 85%,带来业界无人能及 的清晰画质。这样一来,界面更加简单,减轻长时间检测 带来的眼疲劳,并在设备上获得更准确的图像。因为如果 看得清楚,就可提高POD,加快工作流速度,交付令人放 心的结果。
续航能力达 4 小时的电池 (可选)安装套件旋转球 (可选)
插管夹持器 (可选)
用户手册 (可选)内窥镜固定套装 (可选)
刚性套管(可选)
光学镜头盒随附电池充电器/交流适配器
集成式插管存储滚筒技术规格工作环境 探头工作温度:-25˚C 至 100˚C(-13˚F 至 212˚F) 低于 0˚C (32˚F) 时清晰度降低系统工作温度:-20˚C 至 46˚C(-4˚F 至 115˚F) 低于 0˚C (32˚F) 时 LCD 需要预热时间存放温度:-25˚C 至 60˚C(-13˚F 至 140˚F)相对湿度:最高 95%,无冷凝防水:插管部分为14.7 psi(1 巴,10.2 米水深 )环境:XL Detect:经测试达到 IP55 XL Detect+:经测试达到 IP64系统包装箱尺寸:48.8 x 38.6 x 18.5 厘米(19.2 x 15.2 x 17.3 英寸)系统重量:含包装箱:XL Detect:6.50 千克(14.30 磅)XL Detect+:6.74 千克(14.87 磅)不含包装箱:XL Detect:1.77 千克(3.80 磅)XL Detect+:1.98 千克(4.37 磅)电源 (锂离子电池)8.4 V 38 Wh(2 小时) 8.4 V 75 Wh(4 小时)电源供应:交流电输入:100-240 VAC、50-60 Hz、1.5 A 直流输出:9.5 V、6.0 A结构:聚碳酸酯外壳加集成 Versalon™(JP) 缓冲器尺寸:9.53 x 13.34 x 34.29 厘米 (3.75 x 5.25 x 13.50 英寸)LCD 显示器:XL Detect:带 XpertBright 的集成半透反射 式 9.40 厘米(3.70 英寸)有源矩阵 VGA 彩色 LCD,640 x 480 分辨率XL Detect+:集成式 12.7 厘米 (5.0 英寸) 有源矩 阵 VGA 彩色LCD、透射式显示屏。操纵杆控制:360º All-Way 全方位导向、菜单访问和导航按钮组:用户菜单操作功能和数字功能音频:集成式 2.5 毫米耳机/ 话筒插孔内储存器:XL Detect:1 GB 闪存XL Detect+:4 GB 闪存数据 I/O 端口:一个 USB® 2.0 端口视频端口:VGA 视频输出亮度控制:自动和手动调节照明类型:后置式白光LED长时间曝光:自动和手动模式白平衡:出厂默认值或用户定义标准合规性与分类 MIL-STD-810G经测试符合美国国防部环境测试第 506.5、 507.5、509.5、 510.5、511.5、514.6、516.6 和 521.3 部分的要求
光学内窥镜产品技术要求
1.光学系统:光学系统是内窥镜的核心部分,它应具备高清晰度、高
亮度和高对比度。
光学系统通常由光源、光导器、镜筒、物镜和目镜等组成。
其中光源应具备强照射光线和可调光亮度的功能;光导器能够将光线
引导到视野范围内,并确保有效的透明度;镜筒应具备耐腐蚀性、耐高温
性和耐压性,以适应不同的手术环境;物镜应具备高倍率、高分辨率和可
调焦距的特点;目镜应具备舒适的观察感和可调节的视野角度。
2.影像传输系统:光学内窥镜需要将采集到的显微图像传输到视觉观
察器官以供医生观察。
影像传输系统应具备高清晰度、高帧率和低延迟的
特点,以确保医生可以实时观察到病变部位。
同时,影像传输系统应具备
良好的稳定性和可靠性,以防止信号丢失或图像失真。
3.洁净性和卫生性:光学内窥镜的洁净性和卫生性对于预防交叉感染
至关重要。
产品应具备易清洁的表面,以保证在操作过程中不会残留细菌
或病毒。
此外,产品应具备耐用性,以便在高温、高压或化学清洗等环境
下保持其性能不变。
4.操作便捷性:光学内窥镜的操作界面应简单明了,以便医生能够快
速掌握和操作。
同时,产品应具备人性化的设计,以减轻医生的操作负担。
例如,产品可以配备触摸屏或遥控器,以便医生能够方便地调整参数或采
集图像。
总之,光学内窥镜产品技术要求包括光学系统、影像传输系统、洁净
性和卫生性、操作便捷性和安全性等方面的要求。
只有具备这些要求,光
学内窥镜才能够在医疗实践中发挥好作用,帮助医生提供准确的诊断和治疗。
一、设备名称:便携式工业视频内窥镜二、数量:1套三、技术参数要求:1.设备类型:工业视频内窥镜2.探头:直径8-9毫米(保证强度以及通过性),有效工作长度不短于3.0米。
3.像素:面阵为不小于1/6英寸的CCD,其实际像素应不小于44万,探头能在-20℃到100℃温度使用,具备高温报警功能,提供公开的网站或厂家印刷资料的真实数据。
4.▲具备延时曝光功能,曝光时间不低于12秒,保证在大空间的情况下仍能观测。
5.具备5倍数码放大功能,可选择存储GMP格式照片,高解析度,较JPG格式细节还原更清晰。
6.探头导向关节需采用激光焊接技术提高导向弯曲部坚固程度。
探头外皮需采用钨丝编制技术,钨丝编织网至少两层,CCD保护外壳为高强度合金材质。
保证耐用度。
7.▲导向方式:为可实现单手握持操作,设备必须采用单摇杆控制360度连续电动导向,且实际各向导向弯曲度不低于180,保证单手握持遥感操作能勾回探头观测后方。
8.探头电动导向所使用导向金属丝的抗拉抗疲劳能力达到钨丝材料水平。
9.▲照明技术:采用单颗大功率白色LED内置于主机内设计,即要保证照明亮度又要保证散热充分安全;照明输出使用高等级照明光纤方式,探头前端不能有照明光源,避免探头在使用过程中前端光源造成损坏。
10.照明光源寿命应不小于3年(30000小时)。
11.亮度自动调节方式:全程无级自动调节,可最大限度的消除金属反光形成的光斑,可延时曝光,适应大空间检测需求。
12.提供内置的USB2.0接口,可连接U盘或移动硬盘。
13.具有至少一个15针VGA视频输出接口,可直接连接电脑显示器不需转换,可输出比传统模拟S端子更真实的图像。
14.▲要求视频探头线、液晶显示屏、探头遥控手柄具有一体化手持式的集成设计,观测用显示屏须与操控手柄结合为一体,电池及存储等全部功能均集成在手持操控主机之内(非显示器与主机分体化结构),整机总重量不超过 1.8公斤,以便现场使用时方便携带。
内窥镜手术控制系统(手术机器人)技术参数序号技术和性能参数名称技术参数一主机及基本附件1医生控制台1.1操作手柄1.1.1数量2个,左右各一个*1.1.2指压开关操作手柄应配备指压开关,具有手指控制离合器、手动调焦功能,左右共用可实现镜头控制,可实现快速切换荧光模式、调整单个操控手柄的舒适位置等功能1.1.3等比例缩放运动幅度功能等比例缩放运动幅度功能≥31.1.4电缆连接方式无外露连接方式1.23D立体目镜1.2.1*裸眼直视三维高清视野可实现裸眼直视三维高清视野1.2.2光学视野左右各一个,实现三维立体影像1.2.3画中画模式画中画模式可以支持≥2路外接信号1.2.4清晰度(HZ)≥1920×1080×29.97*1.3内窥镜整合荧光显影技术1.3.1荧光显影快速切换功能提供1.3.2荧光显影对比提供1.4触摸控制面板1.4.1图像切换功能可对图像进行二维、三维图像转换1.4.2手部分配器械臂对应的操控手柄需要具备手部分配器械臂对应的操控手柄1.4.3设定视频、音频、系统功能提供1.4.4图像数字化放大比例调节≥3种1.4.5工具关联图标提供视觉线索提供1.5左右侧控制单元1.5.1电源开关键提供1.5.2紧急停止键提供1.5.3人体工学控制器≥4组8方向1.6控制踏板1.6.1操作手柄离合踏板1个1.6.2内窥镜控制踏板1个1.6.3器械臂切换踏板1个1.6.4智能踏板,单极、双极各两组4个1.7视频音频连接1.7.1视频输入端口辅助影像显示≥2种(包括彩超、心电等图示)1.7.2视频输出接口提供DVI,HD-SDI及S-Video视频输出接口1.7.3音频输入/输出提供1.8升级双医生控制台接口提供2患者手术平台2.1机械臂*2.1.1数量4臂2.1.2内窥镜可以安装在任意一个机械臂上提供2.1.3术中可变牵拉臂位置提供2.1.4机械臂LED指示灯提供2.1.5吊杆式支持结构提供2.1.6吊杆LED指示灯提供2.1.7患者安全距离调节功能提供2.1.8器械变化引导提供2.2控制舵*2.2.1控制舵触摸板提供2.2.2控制舵手柄提供*2.2.3智能入位指导提供2.2.4手术室高度限制智能预警功能提供2.2.5可提供自动和手动2种铺单吊杆部署方式提供2.2.6机械臂铺单完成后启动定向激光提供2.2.7智能一键无菌存放模式提供2.2.8智能一键收起模式提供2.3其他功能2.3.1激光引导指示及免碰撞功能提供2.3.2内置扬声器及麦克风提供2.3.3后备电源提供≥3分钟的后备电力2.3.4智能手术平台移动驱动电机提供手术平台各方向移动功能3影像处理平台3.1主体设备3.1.1视频处理器提供3.1.2术前部署吊杆、解剖位置和方法、安防铺单及无菌存放或对接患者手术平台提供视觉提示提供3.1.3配置USB接口用于静态图像捕获存储提供3.1.4内窥镜控制器提供3.1.5系统电子设备(核心设备)提供3.1.6提供2个内窥镜托架提供3.2液晶触摸显示器3.2.1尺寸≥24英寸3.2.2同步图像显示提供3.2.3远程注释功能提供3.2.4器械移出术野画面指示功能提供3.2.5内窥镜状态显示≥4种3.3接口3.3.1能量工具接口≥3个(包括超声刀、高频电刀、激光等)3.3.2视频输入接口2组3.3.3视频输出接口3组3.3.4音频输入/输出接口1个,输出接口可用于医院手术图像的采集3.3.5网络接口1个3.3.6On Site联网诊断设备故障功能提供4内窥镜系统4.1光学装置4.1.1独立成像系统提供4.1.2内窥镜适合荧光显影功能提供荧光显影内窥镜4.1.3自动白平衡校准提供4.1.4自动3D校准提供*4.1.5角度自动翻转功能提供4.1.6内窥镜镜头摄像头一体化设计提供4.1.7内窥镜重量≤600g4.1.8内窥镜提供左右眼图像切换按钮提供4.1.9内窥镜可视范围≥80°4.1.10内窥镜直径≤8mm4.2光源装置4.2.1数量1个LED4.2.2动态照明功能提供4.3按键4.3.1自动定位按键提供4.3.2静态图像捕捉按键提供4.3.3内窥镜提供近摄工作距离提供4.3.4照明开关提供5安全联锁装置5.1医生控制台探测传感器操作人员头部离开时自动锁定5.2患者手术平台探测传感器内窥镜进入患者体内时,自动锁定患者手术车5.3机械臂探测传感器提供5.4报警锁定功能提供5.5紧急制动开关(EPO)有5.6手术部件寿命控制系统有6基本附件6.1手术训练专用器械6.1.1数量6把6.1.2种类4个种类6.1.3使用次数每把≥30次6.2内窥镜附件6.2.1内窥镜消毒托盘4个6.2.20度3D电子内窥镜1支6.2.330度3D电子内窥镜1支二手术基本配件及器械1一次性配件清单1.15-8mm套管密封件400个1.2尖端盖附件(单级弯剪)60个1.3器械臂无菌罩400个1.4中心立柱无菌套100个2通用机器人手术器械配置单2.1大号持针钳5支2.2开孔无创组织抓持镊4支2.3马里兰双极镊3支2.4单极手术弯剪4支2.5永久电钩3支2.6强力持针钳3支2.7有孔双极镊7支2.8超声刀手术弯剪5包3连台手术基本辅助器械3.130度3D电子内窥镜3支3.28mm器械套管4个3.38mm钝型闭孔器1个三背挂模拟器1台四第二个医生控制台1台。
标准配置:B内窥镜主机一个2.光盘一张3.说明书一份4.彩盒包装主要部件及参数:主机电源USB5V支持操作系统WINDOWS XP/7/8USB接口USB1.1/USB2.0视频MJPG镜头5.5mm直径图像传感器CMOS镜头像素640*480(标配)帧率30fps焦距3-8CM白平衡自动图像失真率<3.7%镜头材质铝材视角60°插入软管可操作总长3000mm软管长905mm软管直径 4.8mm(标配)光源灯数量6颗重量约8克亮度控制手动按键控制灯类型LED最小亮度0-LUX灯寿命8000小时(平均值)使用环境镜头使用温度-20℃to60℃(-4°to140℉)储藏温度-20℃to70℃(-4°to158℉)相对湿度15%-85%RH用途腐蚀检测焊缝检测缺陷探测等无损视频检测防水等级IP67(镜头与软管防水)危险环境禁止在危险环境下使用USB WIFI视频传输盒使用说明本产品通过WIFI把USB摄像头信号实时传输到安卓、苹果、WINDOWS电脑终端设备,能够使用户真正实现随时、随地、随意的无线传输图像数据,软件可实现拍照、录像、回放、实时分享等功能,可实现无线图传功能,减少设备连线的问题,结合硬件还可实现无线一键拍照、一键录像功能。
WiFi无线图传主要用于监控、管道、工业内窥镜检测、医疗检测等应用领域,可在不需拆卸或破坏组装及设备停止运行的情况下实现无损检测.实现内部检测。
一:产品图示二、规格参数项目描述电源输入5VDC2A功耗 1.8W(配不同的USB内窥镜,功率大小会发生变化)工作模式AP模式支持USB信号格式MJPEG YUV传输速率54M天线模式内置SSID名称WFSCOPE(密码:12345678)发射功率≥14DBM灵敏度@PER<-65dbmRF功率-2482支持操作系统安卓2.2以上,苹果IOS6.0以上,WINXP/7/8/10工作温度-10°C-+60°C工作湿度15%-85%RH三、主机操作说明1、开关机常按开关机键开机或关机;2、LED灯控制短按开关机键,LED开启或关闭,LED灯只能在开机状态才能打开;3、主机与内窥镜连接主机有两个USB内窥镜接口,一个为标准USB2.0接口(camera1),一个为Mrico USB接口(camera2),将USB内窥镜插入对应接口即可。
采购单位:县人民医院器械名称:1、纤维胆道镜2、内窥镜数字图像处理系统数量:各壹套进口/国产/无要求:国产付款方式:付款周期:按合同要求主要技术参数要求序号内容备注纤维胆道镜1 视野角:110°*2 目镜放大40倍*3 景深:3mm-504 弯曲部:上160°下130°5 尖端部:外经Φ4.9mm 插入部:Φ5mm6 钳子管道:Φ2.2mm *7 有效长度:380mm8 全镜防水设计;全镜能清洗消毒9 活检钳一把10 取石篮网一套内窥镜数字图像处理系统1 行间式1/3英寸CCD晶片2 像素:有效像素≥47万3 清晰度:520线4 最低照度:0.8LUX5 白平衡:自动/手动设置白平衡范围:3200-10000K6 信噪比:60DB7 光学接口:F20、F28可选8 亮度调整:100级*9 色差调整:红100级、蓝100级*10 调整方式:OSD菜单(在屏幕上显示)11 具有莫尔纹消隐功能*12 视频输出:复合视频,VGA13 屏幕设置:1440*900、32位彩色14 影像显示:像素768*576.23位15 图像采集:768*576、32位、JPG格式16 影响调节:亮度256级、对比度128、色度256及、饱和度128级17 光源:150W高辉度卤素光源,亮度可调,灯泡连续使用时间>50小时。
,18 台车:医用专业台车。
联系人:联系方式:注:1、技术参数要求备注栏内带“*”标注的为重要技术参数,若投标设备技术指标与该项要求相比出现负偏离者将导致废标。
2、技术参数要求备注栏内未标注“*”的为一般性技术参数,投标设备技术指标与要求相比超出 3 项负偏离者将导致废标。
胶囊内窥镜系统-胶囊内窥镜技术参数1.1 一体化实时监控显示屏,能够实时显示胶囊拍摄的图像。
*1.2记录仪与胶囊为双工双通道工作,胶囊进入小肠后能自动提示并报警并自动改变胶囊内镜拍摄频率。
1.3 可切换摄像头图像,可实时截取图像。
1.4 记录仪自动分析图像,能为临床医师提供真实的胶囊定位轨迹图。
1.5 在结肠检查中可对患者检查期间用药程序进行自动提醒管理1.6 无线记录仪记录储存空间:210G;1.7 无线记录仪有效记录时间:215小时;2传感器:配有贴片式传感器3工作站:高配置电脑,四核CPU,显示器>20寸,分辨率1280X1024或以上4工作站软件4.1 图文输出格式:软件至少支持中英日韩文,输出格式包括JPEG图像MPEG视频剪截、HTML报告、PDF报告格式内镜报告数据;4.2 图像显示:421单一和多图像(双图、四图、24图)*4.2.2显示胶囊在消化道的移动轨迹,真实的肠道定位4.2.3 具有消化道颜色分段提示的时间棒、组织色谱条4.2.4 对可疑红色病灶及出血自动提示(FDA认可)4.2.5 胶囊在小肠进度提示,显示胶囊在小肠内真实进度;4.2.6 软件浏览速度:5—40fps;427浏览模式:可单幅、双幅、四幅、二十四幅浏览;4.2.8 快速读片功能:软件具有自动叠加相似的图像功能。
4.2.9 智能快进功能:仅选出可能有意义的图像供快速浏览。
4.3图像处理:4.3.1 清晰度调整、亮度调整4.3.2 蓝色电子染色处理*433FlCE三波段电子光学染色4.3.4 周长评估标尺(估测静脉曲张及溃疡大小);4.3.5 息肉大小估测工具:可估测大肠内息肉大小4.3.6 小肠进度条显示:可显示小肠胶囊进入小肠深度4.3.7 具有Lewis评分功能,可帮助医生对克罗恩病等肠道炎症疾病进行诊断及治疗方案评估.4.3.8 软件参考图库:要求软件自带图库、可直接调取对比:4.3.9 可对可疑病灶点注释标记;二、配套参数要求:1.∙小肠胶囊尺寸:直径<12mm,长度<27mm;重量W3克;2 .小肠胶囊工作时间28小时、结肠胶囊工作时间N15小时3 .胶囊光学要求:*3.1小肠胶囊视野角度:156°或以上(IS08600标准),结肠胶囊视野角度172°(IS08600标准);3.2景深:0-3Omm;*3.3拍摄频率:小肠胶囊消化道工作全程2-6M乳酸测定干片技术参数1.*预期用途:用于体外定量测血浆或体液中乳酸的含量,试剂适用于奥森多Vitros5600仪器。
内窥镜相关参数医用内窥镜,是一种侵入式检查工具,其安全系数一定要得到保证,一般产品性能参数为:图像传感器、图像清晰度、灯光源、聚焦范围自动聚焦、摄影视角、重量、电源输入、电缆长度、摄像系统、电源等。
⑴工作长度:不同用途的内窥镜产品,工作长度不相同,一般情况下:①喉镜工作长度》180mm;②鼻窦镜工作长度》175mm;③镜罩外径尺寸关系到与CCD摄像系统的配合,国际通用尺寸直径32mm⑵镜管外径:不同用途(成人和儿童)的内窥镜产品,其外径尺寸也不相同,目一般情况下:①喉镜外径尺寸①5mm①8mm①10mm;②鼻窦镜外径尺寸①3mm①4mm;⑶光学性能:①视场角:鼻窦镜、膀胱镜、子宫镜、直肠镜、羊水镜的视场角不能小于60°,否则影响观察范围。
②视向角:视向角一般分为前视(00°、12°)、斜视(30°、45°)、侧视(70°、90°)。
③分辨率:分辨率是内窥镜重要的光学指标,普通内窥镜一般应大于9.92Lp/mm(L=10mrh。
④照度:主要是照度的均匀性,如照度不能充满视场,则周边模糊,进而影响视野。
⑷机械性能:①密封性:内窥镜的密封性关系到成像质量,如密封不好就容易渗水,破坏光学系统,影响观察。
通水阀镜鞘与膀胱镜的锥体配合处应密合,在1min内渗水应不超过5滴,否则配合不好容易漏水影响手术。
②表面粗糙度③连接部位牢固性⑸绝缘性能:主要是电子内窥镜,相关电气隔离部位的绝缘结构,如与CCD S像头相配接的目镜罩、冷光源接口、导光索等相关附件的绝缘性能。
⑹绝热性能:在医用内窥镜中,由于内窥镜是侵入性检查工具,为了避免内窥镜工作的时候对人体的伤害,现在一般都采用冷光源,在光输出口设置红外滤光片,最大限度地限制红外光的输出。
维修保养内窥镜医疗检测仪与内窥镜影像工作站等仪器设备投资大,系统复杂,科技含量高,工作环境要求高,对其安装操作使用等方面均有严格要求;保证仪器经常处于良好工作状态,发挥其应有效能,对提高医疗服务质帚和实现预期效益意义重大:而积极搞好设备维修工作,就尤为重要。
工业内窥镜技术参数
一.镜头部分:至少包含4个镜头
(1)360°电动旋转调焦镜头:旋转镜头直径51mm,径向220°翻转、轴向360°无限旋转,可电动调焦并且被观察目标清晰可见,产品有国际领先的微距可变焦段技术,使镜头在微距接触或无限远的条件下,通过精准调焦得到最佳视频效果。
前端至少有32颗高亮度LED灯照明,亮度可调,采用1/3cmos感光芯片、700TV线(像素较其它同类产品高),具有激光测量异物功能,IP68防水标准,可防50米水深。
(含镜头保护罩)
(2)广角直视电动调焦镜头:镜头直径28mm,视场角175°,可电动调焦,采用1/3cmos感光芯片、700TV线,IP68防水标准,可防10米水深;自带环境光,照度可达600X250lux.
(3)广角直视镜头1个:镜头直径16mm,视场角100°,后端带可弯曲弹簧,便于拐弯。
采用1/3cmos感光芯片、700TV线,IP68防水标准,可防10米水深。
(4)5.5mm钨丝编网耐磨勾头镜1个:镜头直径5.5mm,视场角100°,采用1/12cmos感光芯片,清晰度700TV线,四方向勾头,最大勾头角度达180°,配置3m检测线,IP67防水标准。
(5)镜头居中器,可保证镜头始终处于管道中间。
可检测范围60-200mm
二.控制部分:
(1)7英寸以上IPS高亮彩色液晶触摸显示器。
支持物理按键与触摸屏兼顾使用。
(2)采用GT智能控制系统。
显示器分辨率不低于1280X960。
(3)便携式控制器,操作简单,高效,支持中英文模式。
轻触式按键进行调光、调焦、旋转和翻转控制。
交直流供电,自带高性能聚合物锂电池,可在满电下持续工作至少6小时以上,无须外接电源。
(4)该主机可进行一体拍照、录像、回放浏览功能;支持图像连续旋转功能;实时图像放大缩小功能;拍照图片文字标注功能。
(5)录像过程中可支持图片抓拍。
自带网格标尺测量软件支持激光测量功能,可判断管道内部异物大小。
可显示记录时间和日期以及电池电量等。
(6)支持WIFI网络,可选择数据远程传输功能。
录制拍照的电子文件可存储于本地TF卡中,也可存于控制器本身。
(7)一机多用,可快速更换以上所有类型镜头。
三.传输部分:
手持式GFRP硬质伸缩线盘,30米硬质柔性检测线,线的直径为4.5毫米。
合金材质螺环镜头接口牢固耐磨,即插即用。
勾头镜与控制主机连接采用分体式通过信号线连接法。
而不是手柄插拔式连接法,容易损坏。
四.打捞工具
35mm直径的磁铁打捞工具,含30米打捞伸缩线盘,30米打捞伸缩线盘可与镜头通讯线盘互换使用;鳄鱼钳打捞工具,鳄鱼钳打捞工具,管道联箱内部异物打捞提取,(含3m线);磁铁打捞工具,25mm磁性探头,管道联箱内部异物打捞提取。
(配套3m线)
五:产品清单。