电梯运行程序流程图模板分享
- 格式:docx
- 大小:356.14 KB
- 文档页数:5
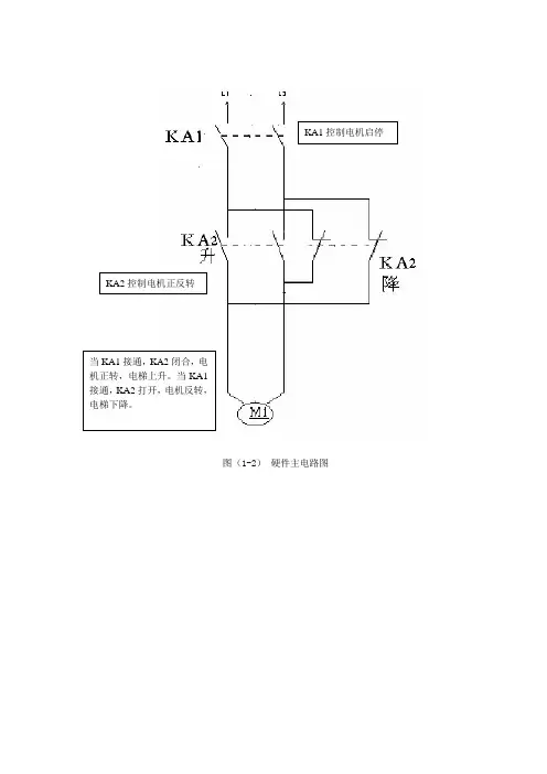
KA1控制电机启停KA2控制电机正反转当KA1接通,KA2闭合,电机正转,电梯上升。
当KA1接通,KA2打开,电机反转,电梯下降。
图(1-2)硬件主电路图2.3 I/O 接口电路的设计根据设计要求需要,实物电梯模型共需20个输入,16个输出,控制器选用三菱FX1N 系列可编程控制器,其I/O 接口电路设计如图(1-3)(见附录):图(1-3)I/O 接口电路图以上输入输出均按要求与相关按钮、开关、灯泡相连接(详细说明见后),根据需要将输入COM 端接地,输出COM 端接24V ,电机驱动电压由电梯本身供给。
右边五个动合触点是由输入信号控制的.表示到达楼层信号。
右边八个是请求上下的外呼按钮,最上面的表示第五层请求向下按钮,最下面是第一层向上按钮,其他楼层有向上向下请求呼叫功能右边五个是到几楼层的内呼按钮,X015是到第五层按钮,X021是到第一层的按钮X022开门按钮X023 关 门 按钮 左边五个是楼层指示灯从上到下分别是5.4.3.2.1左边的是开门喇KA1是控制电机启停 KA2是控制电机正反转 左边八个按钮分别是外呼请求指示灯,第五层只有向下的请求指示灯等PB01,第一层只有向上的请求指示灯PB08,其他楼层都有向上向下的请求指示灯2.4 控制流程图的设计实物电梯模型为5层5站,根据电梯设计要求的动作顺序,其控制流程图设计如下:2.5输入输出分配表I 输入端口II2.7 程序及注释I程序段解释此程序段功能为:外呼输入请求,信号存入寄存器D1。
其中M8002为程序初始化过程。
它在程序一开始就将H0000和H0005分别赋值给D3和D2,并将M10和M11复位。
此段程序动能为:有外呼请求时,将数值存入积存器D1。
此段程序功能为:有信号输入时,执行比较指令CMP。
当D2大于D1时,继电器M3触发。
此段程序的功能为:当电机运行后,在比较一次,看是否到达指定楼层。
如果没有继续运行到指定楼层为止。
此段程序的功能为:手动开关门和自动延时3秒关门。
广东工程职业技术学院200-200学年度第学期《》期末考试试题页脚内容1 4.4流程图电梯上下行流程图见图4-4。
假设电梯停在N (N=1,2,3,4)楼,M 楼有信号,M >N 时,电梯上行;M <N 时,电梯下行。
图4-4电梯上下行流程图在电梯运行过程中,电梯上升(或下降)途中,任何反方向下降(或上升)的外呼梯信号均不响应,但如果反向外呼梯信号前方向无其它内、外呼梯信号时,则电梯响应该外号。
电梯应具有最远反向外梯响应功能。
例如:电梯在一楼,而同时有二层向下外呼梯,三层向下外呼梯,四层向下外呼梯,则电梯先去四楼响应四层向下外呼梯信号。
电梯响应流程图见图4-5。
图4-5电梯响应流程图当电梯到达系统控制的目标楼层时,控制系统发出开门信号,电梯门开,当门开到开门限位时,计时3秒钟,然后关门,直到关门限位产生信号。
此过程期间,按开门按钮电梯门打开,按关门电梯门关闭,并且当门关闭动作时,门间来人会使光电传感器产生信号,控制系统发出开门信号,电梯开关门流程图见图4-6。
图4-6电梯开关门流程图4.5操作原理简要说明电梯由安装在各楼层厅门口的上升和下降呼叫按钮进行呼叫操纵,其操纵内容为电梯运行方向。
电梯轿箱内设有楼层内选按钮S1~S4,用以选择需停靠的楼层。
L1为一层指示、L2为二层指示、L3为三层指示、L4为四层指示,SQ1~SQ4为到位行程开关。
具体如下:1、开始时,电梯处于任意一层。
2、当有外呼梯信号到来时,电梯响应该呼梯信号,到达该楼层时,电梯停止运行,电梯门打开,延时3S 后自动关门。
3、当有内呼梯信号到来时,电梯响应该呼梯信号,到达该楼层时,电梯停止运行,电梯门打开,延时3S 后自动关门。
4、在电梯运行过程中,电梯上升(或下降)途中,任何反方向下降(或上升)的外呼梯信号均不响应,但如果反向外呼梯信号前方向无其它内、外呼梯信号时,则电梯响应该外号。
5、电梯应具有最远反向外梯响应功能。
例如:电梯在一楼,而同时有二层向下外呼梯,三层向下外呼梯,四层向下外呼梯,则电梯先去四楼响应四层向下外呼梯信号。
电梯公司⼯作流程图电梯公司⼯作流程电梯部的⼯作流程以管理为主⼲线分为四个部分:1)、制度资料的管理,2)、⼈员的管理,3)、库房的管理,4)、⼯作容的管理。
制度资料管理制度部门表单电梯资料培训资料存档资料主管技术员区域维保负责⼈区域维保员部培训外部培训电梯⼯考勤、技术⽔平、⼯作态度表达能⼒、沟通交际能⼒申报所需材料库房的定期盘点报废件、耗材等汇总管理问题的整改交接资料的备案维保⽇常电梯的保养电梯故障的处理电梯的定期⾃检年检改造⼤修外接电梯项⽬⼀、制度资料的管理(1)部门管理制度:A) 电梯机房管理和电梯运⾏管理制度。
B)电梯维护保养制度。
C) 电梯维修管理制度。
D)电梯中⼼安全管理制度。
E) 电梯中⼼员⼯培训制度。
F) 电梯保养验收规。
G)电梯维修保养安全操作规程。
H)电梯困⼈救援操作规程。
I)其中作业安全操作规程。
J)电梯使⽤管理规定。
K)电梯整机和零部件判废标准。
L) 电梯钥匙管理制度。
(2)部门表单:《电梯⽇常保养维护记录》、《电梯保养检查表》、《电梯故障记录单》《电梯故障维修单》、《会议记录表》、《培训记录表》、《物品报废确认单》《物品报废明细》、《电梯照明使⽤明细》、《电梯备件领⽤台帐》《电梯钥匙使⽤⼀览表》、《员⼯考勤表》、《电梯⼟建明细单》、《⼯作计划表》(3)电梯资料:A电梯公司提供的:产品出⼚合格证、机房井道布置图、使⽤维护说明书、电⽓布线图、部件安装图、安装说明书、安全部件型式试验报告及安装单位提供的资料。
B电梯⽇常维修维护使⽤的资料。
C电梯⽇常记录的各种表单等。
D电梯⾏业的各种相关资料。
(4)培训资料:A外部公司对部⼈员的培训资料。
B电梯⼯的培训资料。
C电梯故障处理总结的故障记录。
D其它品牌电梯的相关资料。
(5)存档资料:每年将当年所⽤资料进⾏整理,登记在册封存,以必要时查阅。
⼆、⼈员管理:(1)、⼈员分配:部门主管1⼈技术员1⼈区域维保负责⼈(根据区域制定)现2⼈区域维保员2⼈(随电梯量增⼤随时增加)。
三层电梯控制系统工作任务:开始时,电梯处于任意一层。
当有外呼梯信号到来时,轿厢响应该呼梯信号,到达该楼层时,轿厢停止运行,轿厢门打开,延时3秒后自动关门。
当有内呼梯信号到来时,轿厢响应该呼梯信号,到达该楼层时,轿厢停止运行,轿厢门打开,延时3秒后自动关门。
在轿厢运行过程中,任何反方向的呼梯信号均不响应;但如果某反方向外呼梯信号前方再无其它内、外呼梯信号时,则电梯响应该呼梯信号。
电梯应当具有最远反向外呼梯响应功能。
电梯未平层或运行时,开门按钮和关门按钮均不起作用。
平层且电梯轿厢停止运行时,按开门按钮轿厢门打开,按关门按钮轿厢门关闭。
①I/O口分配:I2.0 ——一层内呼按钮 1I2.1 ——二层内呼按钮 2I2.2 ——三层内呼按钮 3I2.3 ——一层外呼上按钮 UP1I2.4 ——二层外呼下按钮 DOWN2I2.5 ——二层外呼上按钮 UP2I2.6 ——三层外呼下按钮 DOWN3I2.7 ——开门按钮(启动)I1.4 ——关门按钮(停止)I1.5 ——一层平层限位开关 SQ1I1.6 ——二层平层限位开关 SQ2I1.7 ——三层平层限位开关SQ3I1.2 ——开门限位开关SQ4I1.3 ——关门限位开关SQ5Q1.1 ——一层内呼指示 1FQ1.2 ——二层内呼指示 2FQ1.3 ——三层内呼指示 3FQ1.4 ——一层外呼上指示 1FU Q1.5 ——二层外呼下指示 2FD Q1.6 ——二层外呼上指示 2FU Q1.7 ——三层外呼下指示 3FDQ0.0 ——一层开门 1FOQ0.1 ——一层关门 1FCQ0.2 ——二层开门 2FOQ0.3 ——二层关门 2FCQ0.4 ——三层开门 3FOQ1.0 ——三层关门 3FCQ0.5 ——电梯轿厢下降KM1Q0.6 ——电梯轿厢上升KM2。
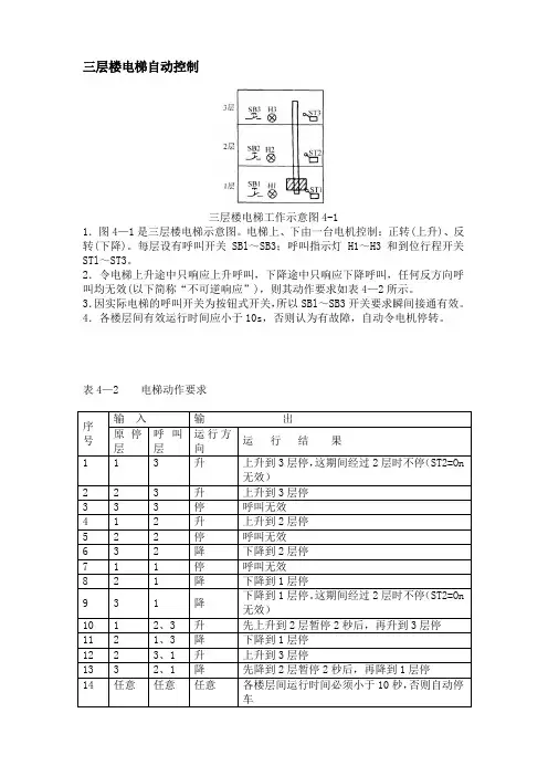
三层楼电梯自动控制
三层楼电梯工作示意图4-1
1.图4—1是三层楼电梯示意图。
电梯上、下由一台电机控制:正转(上升)、反转(下降)。
每层设有呼叫开关SBl~SB3;呼叫指示灯H1~H3和到位行程开关STl~ST3。
2.令电梯上升途中只响应上升呼叫,下降途中只响应下降呼叫,任何反方向呼叫均无效(以下简称“不可逆响应”),则其动作要求如表4—2所示。
3.因实际电梯的呼叫开关为按钮式开关,所以SBl~SB3开关要求瞬间接通有效。
4.各楼层间有效运行时间应小于10s,否则认为有故障,自动令电机停转。
表4—2 电梯动作要求
注:第11、12项在运行中,后发出的反方向呼叫无效。
5. I/O分配表
X0:1层呼叫开关SBl Y0:1层呼叫指示Hl X1:2层呼叫开关SB2 Y1:2层呼叫指示H2 X2:3层呼叫开关SB3 Y2:3层呼叫指示H3 X5:1层到位开关STl Y6:电梯上升
X6:2层到位开关ST2 Y7:电梯下降
X7:3层到位开关ST3。
电梯工作原理动画演示
以下是电梯工作原理的动画演示:
1. 起始状态:电梯停在某一楼层,门关闭。
2. 乘客进入:当乘客按下所在楼层的按钮时,电梯会检测到并启动。
3. 门打开:电梯到达指定楼层后,门会自动打开以便乘客进出。
4. 乘客进出:乘客进出电梯,门会再次关闭。
5. 选择楼层:乘客按下所需前往的楼层的按钮,电梯会检测到并储存乘客的目的地。
6. 关闭门:当乘客进出完毕后,门会自动关闭。
7. 上行:根据乘客选择的楼层,电梯会启动并上行。
8. 到达目的地:电梯到达乘客所选的目的地楼层后,会自动停下。
9. 开门:电梯到达后,门会自动打开以方便乘客出去。
10. 重复步骤:电梯会一直按照乘客的需求重复上述步骤,直
到没有乘客需要进出或选择其他楼层。
以上是电梯工作原理的简单动画演示,展示了电梯从乘客进入、选择楼层到到达目的地的整个运行过程。
电气可编程控制原理与应用(PLC)的实验报告实验人员:陶建美日期:2011年6月21日实验项目:电梯控制报告框架(Ctrl+点击该链接,即可转入相应模块)一、实验目的与要求二、实验设备三、实验内容四、实验过程1、电梯的基本构造2、PLC的基本结构3、PLC的工作原理4、电梯控制构成5、输入输出(I/O)端口功能分配表6、程序执行流程图7、梯形图(1)定时器T0 (2)一楼的控制(3)二楼的控制(4)三楼的控制(5)四楼的控制(6)确定电梯楼层位置(7)电梯趋势确定(8)电梯上行程序(9)电梯下行程序8、指令表五、问题与解决方案六、实验总结与心得体会电气可编程控制原理与应用(PLC)的实验报告电梯控制一、实验目的与要求1、运用所学基本理论、基本知识和基本技能,分析与解决实际问题的能力,通过设计掌握控制PLC控制系统的基本设计方法和应用。
2、设计出一个四层楼电梯控制。
3、完成并实现实验内容的基本功能要求。
二、实验设备计算机、PLC可编程控制器、FXGPWIN应用软件三、实验内容1、四层楼电梯基本设计2、停止有刹车及保险止降装置3、根据楼层请求上下,先来优先4、请求与趋势同优先5、楼内可以撤销楼内请求四、实验过程1、电梯的基本构造电梯是一种特殊的起重运输设备,由桥厢及配重、拖动机及减速传动机械、井道及井道设备、召唤系统及安全装置构成。
桥厢是载人或装货的部位,配重是为了改变电梯电机负载的特性以提高电梯安全性而设置的。
下图是电梯拖动系统示意图,图中可见电梯的桥厢及配重分系在钢丝绳的两端,钢丝绳跨挂在曳引轮上,曳引轮经减速机构由电机拖动,形成桥厢的上下运动。
2、PLC的基本结构从结构上分,PLC分为固定式和组合式(模块式)两种。
固定式PLC包括CPU板、I\O板、内存板、电源等,这些元素组成一个不可拆卸的整体。
模块式PLC包括CPC模块、I\O模块、电源模块、地板或支架,这些模块可以按照一定规则组合配置。
3、PLC的工作原理当PLC投入运行后,其工作过程一般分为三个阶段,即输入采样、用户程序执行和输出刷新三个阶段。
《综合电子创新训练》研究报告研究题目:CTS1600-1控制技术综合试验院系名称:专业名称:学生姓名:指导教师:xxxx年 xx月 xx日xxxxxxxxxx目录第一章绪论 (1)1.1课题背景与目的 (1)1.2课题研究方法 (1)第二章电梯模型硬件设备 (2)2.1 实验单片机模型与接口定义 (2)2.1.1 实验用单片机 (2)2.1.2 单片机接口定义 (3)2.1.3 I/O接口DATA控制命令表 (4)2.2 电梯控制命令说明 (6)2.3 实验用电梯模型 (9)第三章与电梯模型相关的实验程序 (10)3.1数码管连续显示 (10)3.1.1 程序流程图 (10)3.1.2 功能简介 (11)3.1.3 功能实现过程 (11)3.1.4 问题的解决及收获 (11)3.2 外部按键灯连续闪烁 (12)3.2.1 程序流程图 (12)3.2.2 功能简介 (12)3.2.3 功能实现过程 (12)3.2.4 问题的解决及收获 (13)I3.3 键、灯、数码管 (14)3.3.1 程序流程图 (14)3.3.2 功能简介 (14)3.3.3 功能实现过程 (14)3.3.4 问题的解决及收获 (15)3.4 外部按键上下行 (16)3.4.1 程序流程图 (16)3.4.2 功能简介 (17)3.4.3 功能实现过程 (17)3.4.4 问题的解决及收获 (18)3.5 计算器 (19)3.5.1 程序流程图 (19)3.5.2 功能简介 (21)3.5.3 功能实现过程 (21)3.5.4 问题的解决及收获 (22)3.6 密码锁 (23)3.6.1程序流程图 (23)3.6.2功能简介 (24)3.6.3实现功能过程 (24)3.6.4问题的解决及收获 (24)3.7逐层停自动开关门循环 (25)3.7.1程序流程图 (25)3.7.2功能简介 (27)3.7.3实现功能过程 (27)II3.8 可记录顺序逐层停自动开关门 (28)3.8.1程序流程图 (28)3.8.2功能简介 (29)3.8.3实现功能过程 (29)3.8.4问题的解决及收获 (29)3.9 外部按键电梯 (30)3.9.1 主程序 (30)3.9.2 开关门模块 (31)3.9.3 上下行模块 (32)3.9.4 LED模块 (34)第四章电梯模型完整控制程序 (36)4.1 完整控制程序(main函数) (36)4.1.1 功能说明 (36)4.1.2 功能实现过程 (37)4.1.3 问题的解决及收获 (37)4.2 按键扫描模块(getto函数) (38)4.2.1功能简介 (38)4.2.2 问题的解决及收获 (38)4.3 当前层判断模块(getat函数) (38)4.3.1 功能简介 (38)4.3.2 问题的解决及收获 (38)4.4 电梯门的选通、禁止模块(DoorEnable函数) (38)4.4.1 功能简介 (38)III4.5 电梯开关门模块(openandclose函数) (39)4.5.1 功能简介 (39)4.5.2 功能实现过程 (39)4.5.3 问题的解决及收获 (39)第五章总结与致谢 (41)5.1 总结 (41)5.2 致谢 (41)附录控制电梯模型相关程序 (42)附录一数码管连续显示 (42)附录二外部按键灯连续闪烁 (43)附录三外部按键逐个亮灭 (45)附录四键、灯、数码管 (47)附录五外部按键上下行 (49)附录六计算器 (51)附录七密码锁 (56)附录八逐层停开关门循环 (59)附录九可记录顺序逐层停自动开关门 (64)附录十外部按键电梯 (70)附录十一完整电梯程序 (77)IV图目录Figure 1 凌阳单片机 (2)Figure 2 凌阳单片机接口定义 (3)Figure 3 实验用电梯模型 (9)Figure 4 数码管连续显示流程图 (10)Figure 5 外部按键灯连续闪烁流程图 (12)Figure 6 LED1to7流程图 (13)Figure 7 键、灯、数码管流程图 (14)Figure 8 外部按键上下行流程图 (16)Figure 9 计算器数字扫描函数流程图 (19)Figure 10 计算器主函数流程图 (20)Figure 11 密码锁流程图 (23)Figure 12 逐层停自动开关门循环main函数 (25)Figure 13 逐层停自动开关门循环AtAndTo函数 (26)Figure 14 逐层停自动开关门循环OpenAndClose函数 (26)Figure 15 可记录顺序逐层停自动开关门 (28)Figure 16 外部按键电梯主函数流程图 (30)Figure 17 外部按键电梯开关门函数流程图 (31)Figure 18 外部按键电梯上下行函数流程图 (32)Figure 19 外部按键电梯LED函数流程图 (34)Figure 20 外部按键电梯btLED函数流程图 (35)Figure 21 电梯完整程序主函数 (36)Figure 22 电梯完整程序openandclose函数流程图 (39)V第一章绪论1.1课题背景与目的现代社会中,电梯已经成为不可缺少的运输设备。
电梯程序我有个5层的,不过大同小异,一样的,你可以照葫芦画瓢把另外的不上去。
3.1 控制系统硬件设计本实验有32个输入信号,32个输出信号及现有设备,所以选用FX2—64MR的PLC,由于现有材料所以选OMRON的3G2JV变频器和两相交流电机。
来完成实验。
PLC控制器、变频器和电动机的接线及原理图如附图(1)所示。
3.2 输入输出点分配输入信号输出信号名称代号编号名称代号编号安全回路K6 X000 电梯上行UP Y000零速输入K0 X001 电梯下行DOWN Y001脉冲输入K1 X002 电梯快行FAST Y002轿内电锁K2 X003 电梯慢行SLOW Y003红外传感器K3 X004 检修速度JX Y004关门力限开关K4 X005 七段码A Y005超重K5 X006 B Y006上限强制减速SQ0 X007 C Y007一楼指令SB1 X010 D Y010二楼指令SB2 X011 E Y011三楼指令SB3 X012 F Y012四楼指令SB4 X013 G Y013五楼指令SB5 X014 关门催促铃声KE1 Y014基站到位开关SQ4 X015 厅门关KM2 Y015一楼上呼SB6 X016 厅门开KM3 Y016一楼下呼SB7 X017 厅内指示灯1 E1 Y017二楼上呼SB8 X020 厅内指示灯2 E2 Y020二楼下呼SB9 X021 厅内指示灯3 E3 Y021三楼上呼SB10 X022 厅内指示灯4 E4 Y022三楼下呼SB11 X023 厅内指示灯5 E5 Y023四楼上呼SB12 X024 上呼灯1 E6 Y024四楼下呼SB13 X025 上呼灯2 E7 Y025五楼上呼SB14 X026 上呼灯3 E8 Y026五楼下呼SB15 X027 上呼灯4 E9 Y027厅门开SB16 X030 下呼灯2 E10 Y030厅门关SB17 X031 下呼灯3 E11 Y031厅门开到位SQ1 X032 下呼灯4 E12 Y032厅门关到位SQ2 X033 下呼灯5 E13 Y033检修开关SB18 X034 超重铃声KM4 Y034检修上SB19 X035 抱闸信号KM5 Y035检修下SB20 X036 上行指示灯E14 Y036下限强制减速SQ3 X037 下行指示灯E15 Y037表1 I/O分配表3.3 控制系统程序设计根据电梯的工作原理与功能要求以及输入/输出点的地址分配表,来绘制电梯的程序流程图。
电梯运行总流程图
N
Y
Y
N N
Y
N
Y
加电
初始化 是否有门厅呼叫
是否有轿箱呼叫
确认本层与目标层
电梯选向
电梯启动,加速运行
电梯匀速运行
楼层检测
是否目标层
电梯减速
平层检测
电梯制动
开门
延时 关门
是否停止运行
停止
Y
Y
N
N
Y
Y
N
N
N Y
N
Y
Y N
Y
N
N
Y
Y
N
Y
N N N
Y
Y
N
电梯在1楼
2,3,4,5楼有信号
电梯上升
停止
电梯在2楼
3,4,5楼有信号
电梯上升
1楼有信号
电梯下降
停止
电梯在3楼
4,5楼有信号
电梯上升
1,2楼有信号
电梯下降
停止 电梯在4楼
5楼有信号 电梯上升
1,2,3楼有信号
电梯下降
停止
电梯在5层
1,2,3,4层有信号
电梯下降
停止
电梯上升下降 运行流程图。
根据电梯控制要求,电梯在逻辑控制程序操控下往复运行,其循环过程为: 呼梯、内选信号登记, 判断电梯的运行方向;电梯运行,在运行途中实现顺向截梯/反向不截梯、外呼梯信号和轿内信号指令的记忆等操作. 到达选层层站后,执行平层信号并消号,并完成开、关门操作等
开始 初始状态一楼 层站信号正常 楼层等待 有无呼梯 内选信号 上行、下行 顺向截梯/反向不截梯 是否到站 上行、下行控制 平层并消号 开、关门 停止、报警 N Y N Y Y N 结束
Y N Y 有无呼梯 内选信号 N 有无呼梯 内选信号。
电梯运行程序流程图模板分享
随着时代与科技的不断进步,各种高科技接憧而至,很多高层大楼的崛起,从而带动电梯行业的发展,成为了比较抢手的必须品,那么,在乘坐电梯的时候,你们有想过电梯是怎样运行的吗?下面小编将分享电梯运行程序流程图给大家,大家可以草考使用哦!
电梯运行程序流程图模板
点击链接进行在线编辑
/#R9905e53509b0c1d3ddf9039d65c 8d87f 密码:2rb6
模板简介:
该模板主要阐述电梯的运行流程,制作较为精美且色彩搭配较好,视觉效果好,具体操作方法图如下:
方法介绍:
1.套用模板使用可以节约时间,从而提高工作效率,复制上述链接进入迅捷流程图在线编辑使用,这时完整的流程图将展现在面板中心:
2.在面板的四周可以看到有很多的工具栏,需要对流程图进行二次编辑可以在左边基础图形里面拖曳图形至右边面板需要的位置:
3.双击文本框可以对里面的内容进行修改,在面板的右边工具栏中可以对字体、字体样式以及排列进行编辑:
4.右边工具栏中可以给面板添加背景颜色:
5.上面工具栏里面的“插入”选项里面有图片、链接等操作,这些都是可以插入在流程图里面,可以使整个流程图更加丰富多彩:
6.这时就可以将完整的流程图导出使用了,点击文件,选择导出,之后选择导出的格式即可:
以上就是小编总结的电梯运行程序流程图模板分享,以及利用在线工具编辑流程图的方法,需要的朋友可以操作熟悉下哦!。