2焊条
- 格式:doc
- 大小:40.50 KB
- 文档页数:2
如皋市江海技工学校教案首页课题:§3-2 焊条电弧焊教学目的、要求:1.掌握焊条电弧焊工作原理2. 掌握焊条电弧焊工艺过程3.会检查焊接缺陷教学重点、难点:1.焊条电弧焊的工作原理2. 焊条电弧焊的工艺过程3.检查焊接缺陷授课方法:讲授法、试听法、提问法教学参考及教具(含电教设备):《机械制造工艺基础》多媒体授课执行情况及分析:(续页)10分(1)焊芯①作为电弧焊的一个电极,与焊件之间导电形成电弧;②在焊接过程中不断熔化,并过渡到移动的熔池中,与熔化的母材共同结晶形成焊缝;(2)药皮①药皮的作用a)对熔池造成有效的气渣联合保护;b)使熔池内金属液脱氧、脱硫以及向熔池金属中渗合金,提高焊缝的力学性能;c)起稳弧作用,以改善焊接的工艺性。
②药皮的组成a)稳弧剂:主要使用易于电离的钾、钠、钙的化合物。
b)造渣剂:形成熔渣覆盖在熔池表面,不让大气侵入熔池,且起冶金作用。
c)造气剂:分解出CO和H2等气体包围在电弧和熔池周围,起到隔绝大气、保护熔滴和熔池的作用。
d)脱氧剂:主要应用锰铁、硅铁、钛铁、铝铁和石墨等,脱去熔池中的氧。
e)合金剂:主要应用锰铁、硅铁、铬铁、钼铁、钒铁和钨铁等铁合金。
f)粘结剂:常用钾、钠水玻璃。
(3)焊条药皮的种类a)酸性焊条——药皮中含有多量酸性氧化物,如SiO2、TiO2、Fe2O3等。
b)碱性焊条——药皮中含有多量碱性氧化物,如CaO、FeO、MnO、Na2O、MgO等。
2.焊条的种类视听法板书设计或授课提纲如皋市江海技工学校第页。
焊条型牌号对照及主要用途焊条是一种常见的焊接辅助材料,用于将金属材料连接起来。
不同种类的焊条在焊接过程中具有不同的性能和用途。
下面将介绍一些常见的焊条型号、其对应的主要用途以及一些需要注意的事项。
1.碳钢焊条:碳钢焊条是最常见的一类焊条,用于焊接碳钢及低合金钢材。
常见的型号有E6010、E6011、E6013、E7014、E7018等。
E6010焊条适用于焊接管道和厚板,焊后具有较高的强度和耐冲击性。
E6011焊条适用于焊接地下或潮湿环境中的金属材料,焊接过程稳定,焊接质量较好。
E6013焊条是一种万能焊条,适用于焊接各种碳钢结构,焊接过程容易控制,熔渣易清洁。
E7014焊条适用于对焊接金属强度和抗冲击性要求较高的场合。
E7018焊条适用于焊接重型结构,焊后强度高,抗冲击性能好。
2.不锈钢焊条:不锈钢焊条主要用于焊接不锈钢材料,常见的型号有E308、E309、E316等。
E308焊条适用于焊接18-8不锈钢,焊后具有较好的耐腐蚀性和抗晶间腐蚀性。
E309焊条适用于焊接不锈钢与碳钢的连接,焊后具有较高的强度和耐腐蚀性。
E316焊条适用于焊接316L型不锈钢,焊后具有良好的抗晶间腐蚀性和耐蚀性。
3.铝焊条:铝焊条主要用于铝合金的焊接,常见的型号有E4043、E5356等。
E4043焊条适用于焊接铝合金以及铝和铝之间的连接,焊后强度较高。
E5356焊条适用于焊接镁含量较高的铝合金,焊后具有良好的抗腐蚀性和耐热性。
4.镍焊条:镍焊条主要用于焊接镍合金材料,常见的型号有ENi-1、ENi-2、ENiCrFe-3等。
ENi-1焊条适用于焊接镍合金与钢铸件的连接,焊后具有较高的强度和耐腐蚀性。
ENi-2焊条适用于焊接镍合金与铜合金的连接。
ENiCrFe-3焊条适用于焊接高温合金,焊后具有良好的耐高温性和耐腐蚀性。
需要注意的是,选择焊条时要根据实际工作需求和焊接材料的特性进行选择。
在使用焊条时,要遵循正确的工艺规范,保证焊接质量。
J422、J506和J507焊条的命名方法来源于GB980-76《焊条分类及型号编制方法》,现在作为标准早已废除。
但是由于该方法好记,行业上至今流传到现在。
该命名方式来源于GB980-76《焊条分类及型号编制方法》。
第一个字母按下表命名:代号(拼音或汉字)焊条分类拼音汉字J 结结构钢焊条R 热钼及铬钼耐热钢焊条G 铬铬不锈钢焊条A 奥铬镍不锈钢焊条D 堆堆焊焊条W 温低温钢焊条Z 铸铸铁焊条Ni 镍镍及镍合金焊条T铜铜及铜合金焊条后三位数字的前两位代表抗拉强度(kg/cm2),例如50代表强度大于50kg/cm2。
最后一位按下表命名:最后一位数药皮类型药皮主要成分电源电极1钛型氧化钛≥35%直流或交流2钛钙型氧化钛≥30%,钙、镁的碳酸盐≥20%直流或交流3钛铁矿型钛铁矿≥30%直流或交流4氧化铁型多量的氧化铁及较多的锰铁脱氧剂直流或交流5纤维素型有机物≥15%、氧化钛30%左右直流或交流6低氢钾型钾、钙、镁的碳酸盐和氟石直流或交流7低氢钠型钠、钙、镁的碳酸盐和氟石直流反接8石墨型多量石墨或交流9盐基型氯化物和氟化物直流或交流现在该标准已经废止,但流传至今。
焊条的分类J422和J427的区别酸性和碱性焊牌号J422,型号E4303 属于钛钙型药皮低碳结构钢焊条。
钛钙型药皮焊条属于酸性焊条。
牌号J427,型号E4315 属于低氢钠型低碳结构钢焊条。
低氢钠型药皮焊条属于碱性焊条。
焊条型号是j422-3.2是啥意思焊条型号是j422-3.2是啥意思,直径 3.2向左转|向右转J422焊条好?还是J427焊条好?只能说各有所长,J422焊条是酸性焊条,它的工艺性能好,如电弧稳定,飞溅小,焊缝成形美观等。
而J427是碱性(低氢型)焊条,只能用直流电焊机,但它的焊缝综合力学性能好,即韧性要比酸性焊条好。
因此,一般联接用J422,而重要焊缝则应用J427焊接。
焊条J422和J427有什么区别?J422---酸性焊条GB型号E4303结构钢焊条,焊缝金属抗拉强度不低于420Mpa,氧化钛钙型药皮,交直流两用,主要用于焊接低碳钢和强度等级低合金钢如09Mn2等.J427---碱性焊条GB型号E4315结构钢焊条,焊缝金属抗拉强度不低于420Mpa,低氢钠型药皮,直流反接,主要用于焊接重要的低碳钢和低合金钢如09MnSi等.焊条J427R和J427 的区别J427R代表的是容器钢的焊条,J427为结构钢焊条,主要区别在焊条的药皮成份不同。
结构钢焊条依据标准GB5117、GB5118牌号型号主要特性与用途结421E4313操作性能极好,适用于薄板小件,短焊缝及盖面焊结422E4303操作性能佳,用于较重要的低碳结构钢及普低钢结构的焊接结423E4301操作性能一般。
焊接重要的低碳结构钢及普低钢结425E4311立向下专用。
用于薄板结构的焊接结426结427E4316E4315机械性能,抗裂性能好。
用于重要的低碳钢和普低钢结构的焊接。
结502E5003操作性能好,用于16MN等普低碳钢结构的焊接结506结507E5016E5015机械性能、抗裂性能好。
用与中碳钢及普低结构的焊接结506Fe E5018熔敷效率高,机械抗裂性能好,用于中碳钢及普低钢结构的焊接结506X E5016立向下专用,焊接效率高。
用结507JH E5015扩散氢含量低。
用于重要的低合金钢结构的焊接结556结557E5516-GE5515-G用于中碳钢及低合金钢如15MnTi等结构的焊接结606结607E6016-D1E6015-D1用于中碳钢及相应温度的低合金高强度钢结构的焊接结707E7015-D2用于部分耐热钢和低合金结构的焊接不锈钢焊条依据标准GB983牌号型号主要特性与用途铬202E1-13-16用于OCr13 1Cr13钢和耐磨耐蚀的表面堆焊铬302E0-17-16焊接Cr17等不锈钢奥002E00-19-10-16焊接超低碳Cr19NI11或OCr19Ni10等不锈钢结构奥102E0-19-10-16操作性能好,抗发红。
焊接工作温度低于300℃耐腐蚀的不锈钢结构奥107E0-19-10-15焊接工作温度低于300℃耐腐蚀的不锈钢结构奥112焊接一般的Cr18Ni9等不锈钢结构奥132E0-19-10Nb-16操作性能好,抗发红。
焊接重要的含钛稳定的OCr19Ni11Ti等不锈钢结构奥137E0-19-10Nb-15焊接重要的含钛稳定的OCr19Ni11Ti等不锈钢结构奥202奥207E0-18-12Mo2-16E0-18-12Mo2-15焊接在有酸介质工作中的OCr17Ni12Mo2等不锈钢结构奥212E0-18-12Mo2Nb-16焊接重要的OCr17Ni12Mo2设备如合成纤维等设备奥232奥237E0-18-12Mo2v-16E0-18-12Mo2v-15焊接耐热耐蚀的OCr19Ni19等不锈钢结构奥302E1-23-13-16操作性能好。
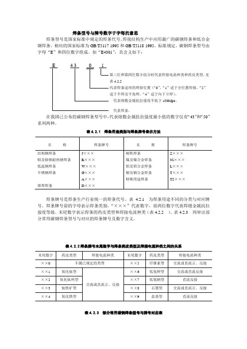
焊条型号与牌号数字于字每的意思
焊条型号是国家标准中规定的焊条代号。
焊接结构生产中应用最广的碳钢焊条和低合金钢焊条,相应的国家标准为GB/T5117-1995和GB/T5118-1995。
标准规定,碳钢焊条型号由字母“E ”和四位数字组成。
如“E4301”,其含义如下:
在我国已公布的碳钢焊条型号中,代表熔敷金属抗拉强度最小值的数字仅有“43”和“50”
系列两种。
表4.2.1 焊条用途类别与焊条牌号表示方法
焊条牌号是焊条生产行业统一的焊条代号。
表 4.2.1 为焊条用途不同的分类与对应牌号。
焊条牌号前的字母表示焊条类别,“×××”代表数字,前两位数字代表焊缝金属抗拉强度等级。
末尾数字表示焊条的药皮类型和焊接电流种类(表4.2.2 )。
表4.2.3 列举出部分常用碳钢焊条型号与对应的焊条牌号及数字含义。
表4.2.2焊条牌号末尾数字与焊条药皮类型及焊接电流种类之间的关系
表4.2.3 部分常用碳钢焊条型号与牌号对应表
第三位和第四位数字组合时代表焊接电流种类和药皮类型,见表4.2.2
代表焊条适用的焊接位置(“0”、“1”适于全位置焊接,“2”适于平焊及平角焊,“4”适于向下立焊)。
代表熔敷金属抗拉强度不低于430Mpa 。
代表焊条。
焊条型号是根据熔敷金属抗拉强度、药皮类型、焊接位置、电流种类及极性划分的,以便供用户选焊条时参考。
但同一种焊条型号可能有不同性能的几种焊条牌号与之对应,如J427和J427Ni属于同一种焊条型号E4315。
1、不锈钢焊条简明表熔敷金属主要成分 / 熔敷金属力学性能/ 主要用途熔敷金属化学成分(%)牌号型号GBC Mn Si S P Cr Ni Mo 其余THG202 E410-16 0.12 1.0 0.90 0.030 0.040 11.0/13.5 0.7 0.75Cu0.75THA002 E308L-16 0.04 0.5/2.5 0.90 0.030 0.040 18.0/21.0 9.0/11.0 0.75 Cu0.75THA022 E316L-16 0.04 0.5/2.50 0.90 0.030 0.040 17.0/20.0 11.0/14.0 2.0/3.0 Cu0.75THA032 E317MoCuL-16 0.04 0.5/2.5 0.90 0.030. 0.035 18.0/21.0 12.0/14.0 2.0/2.5 Cu0.20THA052 ---- 0.04 2.00 1.00 0.030 0.040 17.0/22.0 22.0/27.0 4.0/5.0 Cu0.20THA062 E309L-16 0.04 0.5/2.5 0.90 0.030 0.040 22.0/25.0 12.0/14.0 0.75 Cu0.75THA072 --- 0.04 1.0/2.0 0.80 0.03 0.03 27.0/29.0 14.0/16.0 -- --THA102 E308-16 0.08 0.5/2.5 0.90 0.03 0.04 18.0/21.0 9.0/11.0 0.75 Cu0.75THA107 E308-15 0.08 0.5/2.5 0.90 0.03 0.04 18.0/21.0 9.0/11.0 0.75 Cu0.75THA112 --- 0.12 2.50 1.50 0.035 0.04 17.0/22.0 7.0/11.0 -- ---THA117 --- 0.12 2.50 1.50 0.03 0.04 17.0/22.0 7.0/11.0 --- ---THA122 --- 0.08 2.50 1.50 0.03 0.04 22.0/24.0 7.0/11.0 --- --THA132 E347-16 0.08 0.5/2.5 0.90 0.03 0.04 18.0/21.0 9.0/11.0 0.75 Cu0.75 Nb8xC-1.00Cu0.75THA137 E347-15 0.08 0.5/2.5 0.90 0.03 0.35 18.0/21.0 9.0/11.0 0.75Nb8xC-1.00 THA146 - 0.12 4.0/7.0 0.90 0.035 0.04 19.0/22.0 8.0/11.0 --- ---THA202 E316-16 0.08 0.5/2.5 0.09 0.03 0.04 17.0/20.0 11.0/14.0 2.0/3.0 ---THA207 E316-15 0.08 0.5/2.5 0.90 0.03 0.04 17.0/20.0 11.0/14.0 2.0/3.0 Cu0.75THA E318-16 0.08 0.5/2.5 0.90 0.03 0.04 17.0/20.0 11.0/14.0/ 2.0/3.0 Nb6xC-1.00 THA222 E317 MoCu-16 0.08 0.5/2.5. 0.90 0.03 0.035 18.0/21.0 12.0/14.0 2.0/2.5 Cu2.0THA232 E318V-16 0.08 0.5/2.5 0.90 0.03 0.035 17.0/20.0 11.0/14.0 2.0/2.5 Cu0.5V0.30/0.70 THA237 E318V-15 0.08 0.5/2.5 0.90 0.03 0.035 17.0/20.0 11.0/14.0 2.0/2.5 Cu0.5V0.30/0.70 THA242 E317-16 0.08 0.5/2.5 0.90 0.03 0.04 22.0/25.0 12.0/14.0 3.0/4.0 Cu0.75THA302 E309-16 0.15 0.5/2.5 0.90 0.03 0.04 22.0/25.0 12.0/14.0 0.75 Cu0.75THA307 E309-15 0.15 0.5/2.5 0.90 0.03 0.04 22.0/25.0 12.0/14.0 0.75 Cu0.75THA312 E309Mo-16 0.12 0.5/2.5 0.90 0.03 0.04 22.0/25.0 12.0/14.0 2.0/3.0 Cu0.75THA402 E310-16 0.08/0.20 1.0/2.5 0.75 0.03 0.03 25.0/28.0 20.0/22.5 0.75 Cu0.75THA407 E310-15 0.08/0.20 1.0/2.5 0.75 0.03 0.03 25.0/28.0 20.0/22.5 0.75 Cu0.75THA412 E310Mo-16 0.12 1.0/2.5 0.75 0.03 0.03 25.0/28.0 20.0/22.0 2.0/3.0 Cu0.75THA502 E16-25MoN-16 0.12 0.5/2.5 0.90 0.03 0.035 140./18.0 22.0/27.0 5.0/7.0 N ≥ 0.1THA507 E16-2MoN-15 0.12 0.5/2.5 0.90 0.03 0.035 14.0/18.0 22.0/27.0 5.0/7.0 N ≥ 0.1 THA802 --- 0.10 2.5 1.00 0.03 0.035 18.0/21.0 17.0/19.0 3.0/5.0 Cu1.5/2.52、堆焊焊条简明表堆焊金属主要成分/ 堆焊层硬度/ 主要用途牌号型号GB堆焊金属化学成分(%)C Mn Si S P 其他THD107 EDPMn2-15 0.20 3.50 -- -- -- --THD112 EDPCrMo-A1-03 0.25 -- -- -- -- Mo1.50 Cr2.00 THD127 相当于EDPMn4-15 0.20 4.20 -- -- -- --THD132 EDPCrMo-A2-03 0.50 - -- -- -- Mo1.50 Cr3.00 THD146 EDPMn4-16 0.20 4.50 -- -- -- 其它元素总量:2.00 THD167 EDPMn6-15 0.45 6.50 1.00 -- -- --THD172 EDPCrMo-A3-03 0.50 - -- -- -- Mo2.50 Cr2.50 THD207 EDPCrMnSi-15 0.50/1.00 2.50 1.00 0.035 0.035 Cr3.50THD212 EDPCrMo-A4-03 0.30/0.60 - -- -- -- Mo4.00 Cr5.00 THD256 EDMn-A-16 1.10 11.00/16.00 1.30 ---- -- 其他元素总量:5.00 THD266 EDMn-B-16 1.10 11.00/18.00 0.30/1.30 -- -- Mo2.50THD276 EDCrMn-B-16 0.80 11.00/16.00 0.80 -- Cr13.00/17.00THD307 EDD-D-15 0.70/1.00 --- -- 0.035 0.035 V1.00/1.50 Cr3.80/4.50 W17.00/19.50THD322 EDRCrMoWV-A1-03 0.50 --- -- 0.035 0.035Mo2.50V1.00 Cr5.00 W7.00/10.00THD327 EDRCrMoWV-A1-15 0.50 --- -- 0.035 0.035Mo2.50V1.00 Cr5.00 W7.00/10.00THD337 EDRCrW-15 0.25/0.55 --- -- 0.035 0.035Cr2.00/3.50W7.00/10.00 THD397 EDRCrMnMo-15 ≤ 0.60 ≤ 2.50 ≤ 1.00 0.035 0.035 Mo1.00 Cr2.00 THD512 EDCr-B-03 ≤ 0.25 -- 0.035 0.035 Cr10.00/16.00 THD516M EDCrMn-A-16 0.25 0.60/8.00 1.00 -- -- Cr12.00/14.00 ThD516F 相当于EDCrMn-A-16 0.25 8.0/10.0/1.00 1.00 -- Cr12.00/14.00 THD517 EDCr-B-15 0.25 - - - - Cr10.00/16.00THD547Mo EDCr-B-15 0.18 0.60/5.00 3.80/6.50/3.8 0.030 0.040 Cr14.00/21.00Mo3.50/7.00 Ni6.50/12.00THD608 EDZ-A1-08 2.50/4.50 - - - - Mo3.00/5.00 Cr3.00/5.00THD642 EDZCr-B-03 1.50/3.50 1.00 -- -- -- Cr22.00/32.00他元素总量:7.00THD667 EDZCr-C-15 2.50/5.00 8.00 1.00/4.80 -- --Cr25.00/32.00Ni3.00/5.00 3、铸铁焊条简明表牌号型号GB堆焊金属化学成分(%)特点与用途C Mn Si Ni Fe S P 其余THZ116 EZV 0.25 1.50 0.07 --- 余量0.040 0.040 V8/13 用于铸铁件缺陷的补焊,如汽车缸体等,也可焊补高强度铸铁及球墨铸铁件,焊件可不预热THZ208 EZC 2.00/4.00 0.75 2.5/6.5 - 余量0.10 0.15 -- 用于灰口铸铁件缺陷的补焊THZ238 EZCQ 3.20/4.20 0.80 3.20/4.00 -- 余量0.10 0.15球化剂0.04/0.15用于球墨铸铁件的补焊THZ308 EZNi-1 2.00 1.00 2.50 90 8 0.30 -- 1.00 重要灰口铸铁薄壁件和加工面补焊THZ408 EZNiFe-1 2.00 1.80 2.50 45/60 余量0.030 -- 1.00 高强度灰口铸铁及球墨铸铁的补焊THZ508 EZNICu-1 1.00 2.50 0.80 60/70 6 0.025 -- Cu24/35 强度要求不高灰口铸铁补焊4、低合金高强度焊条熔敷金属主要成分/ 熔敷金属力学性能/ 主要用途牌号型号GB熔敷金属化学成分(%)C Mn Si S P 其余THJ502WCu E5003-G 0.12 0.30/0.90 0.40 0.030 0.035 Cu0.20/0.50 W0.20/0.50 THJ50 2NiCu E5003-G 0.12 0.30/0.90 0.35 0.030 0.035 Cu0.20/0.50 Ni0.20/0.50 ThJ506NiCu E5016-G 0.12 0.30/0.90 0.70 0.030 0.035 Cu0.20/0.50 Ni0.20/0.50 THJ506R E5016-G 0.10 1.00 0.40 0.030 0.035 Ni ≥ 0.50 THJ507R E5015-G 0.10 1.00 0.75 0.035 0.035 N ≥ 0.40THJ507CuP E5015-G 0.12 1.00 0.50 0.035 0.06/ 0.12 Cu0.20/0.50THJ507 MoNb E5015-G 0.12 0.60/1.20 0.65 0.035 0.036 Mo0.30/0.60 Nb0.03/0.15THJ507Mo WNbB E5015-G 0.10 0.85 0.45 0.035 0.035Nb0.01/0.04 B0.005/0.0015Mo0.40/0.60 W0.10/0.20THJ556R E5516-G 0.11 1.00 0.60 0.030 0.035 Ni ≥ 0.40 Ti0.02/0.05 B0.0018/0.0026THJ606 E6016-D1 0.12 1.25/1.75 0.60 0.035 0.035 Mo0.25/0.45THJ607 E6015-D1 0.12 1.25/1.75 0.60 0.035 0.035 Mo0.25/0.45THJ707 E7015-D2 0.15 1.65/2.00 0.60 0.035 0.035 Mo0.25/0.45THJ807 E8015-G 0.20 1.20/1.80 0.80 0.035 0.035 Mo0.60/1.00THJ807A E8015-G 0.09 2.00 0.40 0.030 0.030 Mo0.80/1.0THJ907 E9015-G 0.20 1.40/2.60 0.40/0.80 0.035 0.035 Mo0.80/1.20THJ907Cr E9015-G 0.12 1.40/2.00 0.5 0.035 0.035Cr0.70/1.10Mo 0.50/1.00 V0.05/0.15 THJ107 E1005-G 0.20 1.50/2.30 0.40/0.80 0.035 0.035 Mo0.08/1.40THJ107Cr E1005-G 0.15 1.40/2.00 0.50 0.035 0.035Cr1.5/2.2 Mo0.4/0.8 V0.08/0.16V840 E9015-G 0.085 0.09/1.50 0.45 0.030 0.030 Mo0.60 Ni2.80 Cr1.00THJ557R E5515-G 0.11 1.00/1.40 0.60 0.030 0.035 Ni0.40/0.80 5、低温钢焊条耐热钢焊条熔敷金属化学成分熔敷金属力学性能特点与用途牌号型号GB熔敷金属化学成分(% )C Mn Si S P 其余THR107 E50515-A1 0.12 0.90 0.60 0.035 0.035 Mo0.40/0.65THR207 E5515-B1 0.05/0.12 0.90 0.60 0.035 0.035 M.o0.40./0.65 Cr0.40/0.65 THR307 E5515-B2 0.05/0.12 0.90 0.60 0.035 0.035 Mo0.40/0.65 Cr0.80/1.50 THR317 E5515-B2-V 0.05/0.12 0.90 0.60 0.035 0.035Mo0.40/0.65 Cr0.80/1.50V0.10/035THR317B20 E6015-G 0.08/0.15 1.00 0.60 0.035 0.035Mo0.90/1.30 Cr0.90/1.30Ni=0.40 V0.20/0.35THR337 E5515-B2-VNb 0.05/0.12 0.90 0.60 0.035 0.035Mo0.70/1.00 Cr0.80/1.50Nb0.10/0.25 V0.15/0.40 THR347 E5515-B3-VWB 0.05/0.12 1.00 0.60 0.035 0.035Mo0.30/0.80 Cr1.50/2.50W0.20/0.60 B0.001/0.003 THR407 E6015-B53 0.05/0.12 0.90 0.60 0.035 0.035 Cr2.00/2.50 Mo0.90/1.20 THR507 E5MoV-15 0.12 0.50/0.90 0.50 0.035 0.035Cr4.50/6.00 Mo0.40/0.70V0.10/0.35THW707NIi E5515-C1 0.12 1.25 0.60 0.035 0.035 Ni2.00/2.75THW107NIi - 0.08 0.5 0.30 0.020 0.020 Ni4.0/5.5 Mo0.30 Cu0.50 6、特殊用途焊条简明表牌号焊条名称药皮类型焊接电源特点与用途THT202 水下焊条钛钙型直流一般结构的水下焊接THT304 水下割条氧化铁型直流用于水下切割THT404 开槽焊条氧化铁型交直流铸铁焊补前开坡口用704 切割条切割条氧化铁型交直流用于厚钢板切割7、碳钢焊条简明表熔敷金属化学成分力学性能/特点与用途牌号型号GB熔敷金属化学成分(%) 熔敷金属力学性能C Mn Si S P 其余σs/σ0.2MPaσb MPaδ5 % A KV JJ421 E4313 0.10 0.32/0.55 0.30 0.035 0.04 - 330 420 17 0℃27 THJ421X E4313 0.10 0.32/0.55 0.30 0.035 0.040 - 330 420 17 0℃27 THJ422 E4303 0.10 0.32/0.55 0.25 0.035 0.040 - 330 420 22 0℃27 THJ422GM E4303 0.10 0.32/0.55 0.25 0.035 0.040 - 330 420 22 0℃27 THJ423 E4301 0.10 0.32/0.55 0.30 0.035 0.040 - 330 420 22 -20℃27 THJ425X E4310 0.20 30/0.60 0.30 0.035 0.040 - 330 420 22 -30 ℃27 THJ426 E4316 0.10 1.25 0.90 0.035 0.040 - 330 420 22 -30 ℃27 THJ427 E4315 0.10 1.25 0.90 0.035 0.040 - 330 420 22 -30 ℃27Mo0.30THJ50IFe15 E5024 0.12 0.80/1.40 0.90 0.035 0.040400 490 17 0 ℃27V0.08Mo0.30400 490 17 0 ℃27 ThJ50IFe18 E5024 0.10 1.25 0.65 0.035 0.040V0.08THJ502 E5003 0.10 0.50/1.25 0.30 0.035 0.040 - 400 490 20 0 ℃27 THJ505X E5010 0.20 50/1.00 0.30 0.035 0.040 - 400 490 20 -30 ℃27 THJ506 E5016 0.10 1.60 0.75 0.035 0.040 - 400 490 22 -30 ℃27 THJ506-1 E5016-1 0.10 0.85/1.40 . 65 0.030 0.030 Ni0.3.0 400 490 22 -46 ℃27 THJ506Fe-1 E5018-1 0.10 1.60 0.75 0.030 0.035 - 400 490 22 -46 ℃27 THJ506D E5016 0.10 1.60 0.75 0.035 0.040 - 400 490 22 -30 ℃27 THJ506X E5016 0.12 1.60 0.75 0.035 0.040 400 490 22 -30 ℃27 THJ506Fe E5018 0.10 1.60 0.75 0.035 0.040 - 400 490 22 -30 ℃27 ThJ506Fe13 E5028 0.10 1.60 0.90 0.035 0.040 - 400 490 22 -20 ℃27 THJ506Fe16 E5028 0.10 1.60 0.035 0.035 0.040 - 400 490 -20 ℃27 THJ507 E5015 0.10 1.60 0.75 0.035 0.040 - 400 490 22 -30℃27。
焊条规格的表示方法
焊条规格的表示方法通常由数字和字母组成。
以下是常见的表示方法:
1. 数字表示焊条直径,单位为毫米。
例如,焊条直径为
2.5毫米的焊条表示为“2.5”。
2. 第一个字母表示焊条材料类型。
例如,“E”表示焊接用电极。
3. 第二个字母表示焊接位置,如下所示:
a. “1”表示所有位置焊接;
b. “2”表示横向和水平位置焊接;
c. “3”表示平面和竖直位置焊接;
d. “4”表示垂直和天花板位置焊接。
4. 第三个字母表示焊接的特殊要求,如下所示:
a. “H”表示高的抗氢性能;
b. “R”表示可逆性或可重复性;
c. “M”表示高的机械强度;
d. “T”表示焊接要求特殊温度。
5. 每个焊条标识上都应该有一个批次号码和焊接日期。
这些信息有助于追踪焊接的质量。
总的来说,焊条规格的表示方法是为了描述焊接使用的具体情况和需求。
了解这些规格有助于选择正确的焊条进行焊接,确保焊接质量和安全性。
一、电焊条(焊条构成、规格型号及重量)电焊条就是涂有药皮的供焊条电弧焊使用的熔化电极。
焊条电弧焊时,焊条即作为电极,在焊条熔化以后又作为填充金属直接过渡到熔池,与液态的母材熔合以后形成焊缝金属。
因此,焊条不但影响电弧的稳定性,而且直接影响到焊缝金属的力学性能。
1、电焊条的组成及作用焊条中被药皮包裹的金属芯称为焊芯。
焊芯一般是一根具有一定长度及直径的钢丝。
焊接时,焊芯有两个作用,一是传导焊接电流,产生电弧把电能转化成热能;二是焊芯本身熔化作为填充金属与液体母材金属熔合形成焊缝。
做焊芯用的钢丝都是经过特殊冶炼的,这种焊接专用钢丝,用来制作焊条,就是焊芯;如果用于埋弧焊、气体保护焊、气焊等熔焊方法作填充金属时,则称为焊丝。
①焊芯中各合金元素对焊接的影响碳是钢中的主要合金元素,当含碳量增加时,钢的强度、硬度明显提高,而塑性降低。
在焊接过程中,碳是一种良好的脱氧剂,在电弧高温作用下与氧发生化合作用,生成一氧化碳和二氧化碳气体,将电弧区和熔池周围气体排开,防止空气中的氧、氮等有害气体侵入熔池,减少焊缝金属中的氧、氮等的含量。
如果含碳量过高,还原作用剧烈,会引起较大的飞溅和气孔。
考虑到碳对钢的淬硬性及其裂纹敏感性增加的影响,低碳钢焊芯的含碳量一般低于0.1%。
b.锰(Mn)锰是钢中一种较好的合金剂,随着锰含量的增加,钢的强度和硬度会不断的增加。
在焊接过程中,锰也是一种较好的脱氧剂,能减少焊缝金属中氧的含量。
锰与硫发生反应,生成硫化锰浮于熔渣中,减少了焊缝金属的热裂倾向。
因此一般碳素结构钢中的含锰量为0.3-0.55%,焊接一些特殊钢材使用的钢丝,其含锰量可以高达1.7-2.1%。
c.硅(Si)硅是钢中一种较好的合金剂,在钢中加入适量的硅可以提高钢的强度、弹性和抗酸性能。
如果含量过高,则降低钢的塑性和韧性。
在焊接过程中,硅具有比锰还强的脱氧能力,与氧发生反应生成二氧化硅。
但二氧化硅会提高熔渣的粘度,焊缝金属容易产生非金属夹杂物。
常用的焊条长度
焊条长度通常以毫米(mm)为单位,常用的焊条长度有:
1. 25mm:适用于小型焊接作业,如焊接电子元器件、首饰等。
2. 3.2mm:适用于小型金属零件的焊接,如自行车链条、电器配件等。
3. 4mm:适用于中等大小的金属零件焊接,如家具、机械零件等。
4. 5mm:适用于较大型的金属零件焊接,如汽车、船舶等。
5. 6mm:适用于大型金属结构件的焊接,如建筑钢结构、桥梁等。
6. 8mm:适用于重型金属结构的焊接,如压力容器、锅炉等。
7. 10mm:适用于特殊环境下的焊接,如高空作业、水下作业等。
8. 12mm:适用于特殊材料的焊接,如高合金钢、不锈钢等。
9. 16mm:适用于大面积金属表面的堆焊修复。
10. 20mm:适用于大面积金属表面的堆焊修复,如矿山设备、钢铁厂设备等。
以上焊条长度仅为常见规格,实际应用中还有更多不同长度的焊条可供选择。
在选择焊条长度时,需要根据焊接工件的大小、形状和厚度等因素进行综合考虑。
h焊条规格型号与牌号含义焊条啊,就像焊接世界里的小魔法师,而焊条的规格型号与牌号呢,那可都是这小魔法师的身份标识。
咱先说说焊条的规格型号。
这规格型号就像是小魔法师的身高体重啥的基本信息。
比如说,焊条的直径那可重要着呢。
就好比筷子,粗筷子和细筷子用途不一样吧。
粗焊条呢,就像粗筷子夹大菜,它能承受更大的焊接电流,适合焊接比较厚的材料。
你想啊,要是焊接很厚的钢板,细焊条那不得累坏了,就像用细筷子去夹大个儿的红烧肉,夹起来费劲还容易掉。
而细焊条呢,就像细筷子适合夹花生米这种精细活儿,它适合焊接薄的材料,焊接的时候能更精细准确。
再说说焊条的长度,这就像魔法师的魔法棒的长度。
长一点的焊条在一些长焊缝的焊接里就比较好用,不用频繁换焊条,就像你扫地的时候,长扫帚一次能扫更大的面积,不用老是换工具。
而短焊条呢,在一些小空间或者精细焊接的地方就有优势,就好比在小角落里打扫,小扫帚反而更灵活。
接着聊聊焊条的牌号含义。
这牌号啊,就像是小魔法师来自哪个魔法家族一样。
不同的牌号表示焊条的不同特性。
比如说,E4303这个牌号,E就像是家族的大姓,表示焊条。
43呢,这个数字有点像魔法师的魔力等级,它表示的是熔敷金属的最小抗拉强度。
03就像是小魔法师的特长技能,这个数字表示焊条的药皮类型和焊接电源种类等信息。
这就好比一个魔法师家族里,名字里带着43的魔法师力气比较大,能承担一定强度的魔法任务,而03这个特长技能决定了他用什么魔法道具(焊接电源)和施展什么特别的魔法(药皮类型对应的焊接特性)。
还有些焊条牌号,像J422。
J就像是这个焊条在另一个魔法体系里的代号。
42呢,和前面类似,也是跟抗拉强度有关的数字。
2就像是这个焊条的特殊标识,告诉我们它在焊接时的一些特殊性能。
这就像在一群魔法师里,有的魔法师名字里带着特殊的数字,就表示他有特殊的能力。
有时候我们看到那些复杂的焊条规格型号和牌号,可别被吓着了。
这就跟我们认识新朋友一样,刚见面看他穿着打扮(焊条的外观),然后了解他的基本信息(规格型号),再深入了解他的家族背景和特长(牌号含义),慢慢就能熟悉起来。
J422焊条执行标准
J422焊条执行标准
一、化学成分
J422焊条的化学成分应符合GB/T 983-1995《不锈钢焊条》的标准要求。
其中,碳含量应小于0.25%,硅含量应小于0.75%,锰含量应在0.5%-1.0%之间,磷和硫含量均应小于0.035%。
二、力学性能
J422焊条的力学性能应符合以下要求:
1.抗拉强度:≥420MPa
2.屈服强度:≥330MPa
3.断后伸长率:≥22%
4.冲击功:≥27J(20℃)
三、焊接工艺
1.焊接前应将焊条烘干,烘干温度一般为150℃~250℃,烘干时间为1小时
~2小时。
2.焊接时,应根据母材的化学成分和结构类型选择合适的焊接工艺。
一般情
况下,J422焊条可采用手工电弧焊、埋弧焊、气体保护焊等方法进行焊接。
3.焊接时应采用较低的电流和较快的焊接速度,以减少热影响区的面积和焊
接应力。
对于厚度较大的工件,可采用多层焊或分段焊。
4.焊接后应进行热处理,以消除焊接应力。
热处理温度一般为600℃~650℃,
保温时间一般为15分钟~30分钟。
四、药皮材料
J422焊条的药皮材料主要由大理石、萤石、纤维素、有机物等组成。
药皮的作用是提高电弧燃烧的稳定性,保护熔池,改善焊缝质量。
五、焊缝质量
1.焊缝应饱满、平整,不得有夹渣、气孔、未熔合等缺陷。
2.焊缝高度应符合设计要求,一般应高出母材表面1mm~2mm。
3.焊缝表面应无裂纹、夹渣、气孔等缺陷。
4.焊缝成形应均匀一致,焊缝的宽度和余高应符合设计要求。