塔式起重机附墙安装方案
- 格式:docx
- 大小:28.76 KB
- 文档页数:10
塔吊附墙与顶升施工方案塔吊附墙与顶升施工方案一、编制依据本文档编制依据国家相关标准和规范,结合实际工程情况,对塔吊附墙与顶升的施工方案进行详细说明。
二、工程概况本工程为一座多层住宅楼的建设,其中涉及到塔吊的附墙及顶升工作。
建筑高度约为50米,塔吊高度约为60米。
三、人员机具准备1、附墙的安装工具及防护用品附墙安装需要使用的工具包括螺丝刀、扳手、钢丝绳等。
同时,为了确保安全,还需要准备好安全帽、安全绳等防护用品。
2、作业人员的分工安排附墙与顶升工作需要分配不同的作业人员,包括塔吊司机、附墙工、顶升工等。
每个人员的职责和任务需要明确分工,确保施工顺利进行。
四、塔吊附着位置确定1、塔吊附墙之间的距离及悬出段相关参数在确定塔吊附着位置时,需要考虑塔吊附墙之间的距离以及悬出段的长度。
这些参数需要根据实际情况进行测量和计算。
2、附着位置的确定在确定附着位置时,需要考虑到建筑物的结构和强度,以及塔吊的重量和稳定性等因素。
同时,还需要根据相关标准和规范进行计算和验证。
3、附着装置的组成附着装置需要包括支座、附着杆、预埋件等组成部分。
这些部分需要根据实际情况进行选择和设计。
4、附着点的载荷情况在进行附着点的设计和计算时,需要考虑到塔吊的载荷情况,以及附着点的承载能力等因素。
这些参数需要经过严格的计算和验证。
五、预埋件的安装预埋件的安装需要根据实际情况进行选择和设计。
同时,在安装过程中需要注意到预埋件的位置和数量,以及预埋件的固定方式等因素。
六、拉杆安装及技术要求拉杆的安装需要按照相关标准和规范进行。
同时,需要注意到拉杆的长度和数量,以及拉杆的固定方式等技术要求。
七、顶升加节步骤1、顶升前的准备在进行顶升前,需要对塔吊进行配平和检查,确保塔吊的稳定性和安全性。
2、顶升前塔机配平塔机的配平需要根据实际情况进行调整。
同时,在进行配平时需要注意到塔机的稳定性和安全性。
3、顶升作业在进行顶升作业时,需要按照相关标准和规范进行操作。
塔吊附墙施工方案一、施工前准备在进行塔吊附墙施工之前,必须做好充分的准备工作,包括但不限于以下几个方面:1.了解施工现场的情况,包括周围环境、地形地貌等情况;2.确定施工方案,明确施工过程中的各项工作任务;3.确认塔吊的选型与数量,保证塔吊的合理布局和安全操作;4.制定详细的施工计划,包括施工的时间节点、工序安排等;5.保证施工现场的安全,设置必要的安全防护设施;6.检查施工材料和设备的准备情况,确保施工所需物资齐全。
二、施工过程1. 地基处理在进行塔吊附墙施工之前,首先需要对地基进行处理,确保地基的坚固和稳定。
地基处理主要包括以下几个方面:•清理地面杂物,保证地基平整;•进行地基的加固,如夯实土地、加铺砖石等;•测量地基平整度,保证地基的平整度符合施工要求。
2. 塔吊安装在地基处理完成后,需要进行塔吊的安装工作。
塔吊的安装主要包括以下几个步骤:•将塔吊部件运送到施工现场,并进行组装;•对塔吊进行检查,确保各个部件安装正确、连接牢固;•将塔吊安装在地基上,并进行固定。
3. 施工作业塔吊附墙施工的主要作业为对建筑物的墙体进行施工。
在进行墙体施工时,需要注意以下几个方面:•确保施工现场的安全,设置必要的安全警示标识;•严格按照施工图纸要求进行施工,保证墙体的质量;•使用合适的施工工具和材料,确保施工效率和质量;•定期检查施工质量,及时发现并解决问题。
三、施工结束塔吊附墙施工结束后,需要进行以下几个工作:1.对施工现场进行清理,清除施工垃圾和杂物;2.对施工质量进行检查,确保施工质量符合要求;3.对塔吊进行拆卸,并进行检查和维护;4.归档施工资料,记录施工过程和施工结果。
四、安全注意事项在进行塔吊附墙施工过程中,需要注意以下安全事项:1.所有参与施工的人员需穿着符合安全要求的工作服和安全帽;2.严格按照施工计划进行作业,不得擅自更改施工方案;3.塔吊操作人员需持有相应的操作证件,严格按照操作规程操作塔吊;4.施工现场需设置安全防护设施,确保施工安全;5.施工现场需进行安全巡查,查看施工过程中存在的安全隐患。
塔式起重机附墙安装与拆除方案1.塔机在附着锚固前,应事先确定附着点位置,建筑物上的附着点强度应满足受力要求。
2.根据建筑施工总高度为34.4米,确定在21.5米设置附墙。
3.在安装附着框架和附着杆时,要通过调整群众运动着杆距离,保持塔身垂直。
调整结束后,要立即紧固附着杆。
4.附着框架应尽可能安装在塔身标准节的节点连接处,尽量避开标准节主弦杆节距正中。
附着框架必须与塔身标准节连接牢固,不得松动。
5.附着装置以上的塔身自由高度不能超过说明书规定。
6.每道附着装置的附着杆应尽量牌同一水平面上。
若附着装置某部位发生干涉,可适当升高或降低附着框架的高度。
7.当塔机附着撑杆的长度大于说明书的要流域,应对附着杆的强度重新设计计算。
8.附着撑杆上塔设的供人从建筑物上通过塔机的跳板,严禁在其上堆放重物。
9.附着朱杆与附着框架,锚固支座之间的连接和附着框架和塔身标准节的连接,必须牢固可靠。
10.附着点的锚固支座与建筑物的连接可采用预埋件,焊接和穿墙螺紧固等方式。
但无论采用哪种方式,建筑物上的附着点的强度都应满足受力要求。
11.附着装置的安装拆卸,检查及高速均应有专人负责,严格遵守操作规程和使用说明书的有关规定。
12.拆卸附着装置时,应随着塔身的降落过程拆卸相应的附着装置。
严禁附着装置提前拆除,只有待塔身标准节降落到附着节时,方可拆卸。
塔机操作使用安全注意事项1.塔机司机和指挥人员应经有关部门培训合格,持有效操作证上岗。
2.塔机安装结束投入使用一个星期内,应派专人从下至上对塔身所连接螺栓紧固一次。
以后每隔半个月全面检查一次,并检查所有销轴和骄开口销是否正常,发现螺栓松动应立即予以紧固。
3.塔机司机应认真做好交接班工作,对运转中存在的问题,交接班司机必须当面交代清楚,经妥善处理后方可工作,并做好交接班记录。
4.塔机司机在登记作业前,应随时检查塔机基础,底座有无异常。
合上底部总开关后,检查整机有无漏电现象,确认无误后,方可登机。
QTZ63(TC5610Z)塔式起重机附墙顶升、加节施工方案一、工程概况:工程名称:监理单位:工程地址:建筑面积:平方米,建筑物高度米,不在塔吊安装自由高度之内,需安装一道附墙满足施工要求。
以下是#塔吊的附墙、顶升加节方案。
二、编制依据:1、国家颁布的《建设工程安全生产管理条例》和其他现行工程建设方面的有关法律、法规,以及其他相关单位关于工程建设方面的规定;2、国家现行的有关钢筋混凝土施工及质量验收规范、规程和技术标准;3、塔吊的相关操作规程及安装、拆除规范要求和厂家说明书要求4、我公司相关的安全操作规程要求和类似工程的施工和管理经验。
(一)、塔吊安装附墙概况表:塔吊型号QTZ63建筑高度m安装位置附墙与建筑物距离m塔机安装高度m附墙道数一道附墙附墙道数附墙高度安装时间第一道m年月日三、预埋件的安装:附墙拉杆与建筑物固定点的预埋板预埋,预埋圆钢尺寸参照塔吊附墙件尺寸,待预埋点位置的砼硬度达到70%以上后方可进行塔吊附着安装。
四、附墙框与拉杆的选用:附墙框采用塔机原厂生产的附墙框和拉杆,附着装置由框梁和三根内撑杆组成,框梁由M24螺栓、螺母、垫圈紧固成附着框架,附着框架靠建筑物两顶点处有三根撑杆的端部有连接耳座与建筑物附着处铰接。
五、附墙的安装工具和防护用品见下表:序号名称规格型号单位数量1专用扳手扭力扳手套22活动扳手10、12寸把43大锤16磅把44奶子锤 2.5磅把45橇杆 1.2-1.5m根46替打大、中、小把37电工仪表万用表套18白棕绳50mφ16mm 根29千斤头15mφ17mm根410千斤头8mφ13.5mm根211安全帽顶2012安全帽根613绝缘套双2014手套双2015铁丝若干16垫木若干六、作业人员的分工安排:具体人员分工如下:组 长:安全员:技术负责:安装人员:地面辅助人员:人。
塔机必须由持有操作证的人员进行作业,作业前组长必须落实安装人员的工作,安排并组织全体人员学习安全知识,作好安全技术交底。
塔吊加节、附墙施工方案
在建筑施工中,塔吊加节和附墙施工一直是一个关键的环节。
本文将详细介绍
塔吊加节以及附墙施工的方案和步骤。
塔吊加节方案
定义塔吊加节
塔吊加节是指在原有的塔式起重机上增加一个或多个折叠式的节段,以增加其
起升高度,提高其起重能力。
这样可以满足高空作业需求,特别适用于高层建筑和大型工程的施工。
塔吊加节方案
1.调查测量:在确定需要加节的塔吊上进行测量,确认加节的数量及尺
寸。
2.确定材料:选择符合要求的加节材料,并进行加工。
3.加节施工:将加节安装到原有塔吊上,并确保加节的稳固性和安全性。
4.测试调试:对增高后的塔吊进行测试,确认其功能正常。
附墙施工方案
定义附墙施工
附墙施工是指在建筑物结构墙体上进行外挂结构,以增加建筑面积或承重能力。
这种施工方式广泛应用于建筑物扩建、改造和优化利用空间。
附墙施工方案
1.设计规划:根据建筑设计图纸确定附墙的位置、尺寸和结构形式。
2.资料准备:准备所需的建筑材料、工具和设备。
3.施工准备:清理施工现场,搭设脚手架和安全防护措施。
4.安装附墙:按照设计要求,将附墙结构安装到建筑物结构墙体上。
5.完工验收:结束施工后,进行附墙的验收和测试,确保其安全可靠。
在建筑施工中,塔吊加节和附墙施工都是重要的施工环节,需要根据实际情况
制定详细的方案和步骤,确保施工顺利进行。
希望本文所介绍的塔吊加节和附墙施工方案能为相关从业人员提供一定的参考和帮助。
塔吊附墙施工方案1. 引言塔吊附墙施工是一种常见的建筑施工方式,通过将塔吊安装在建筑物的外墙上,可以提高施工效率,节省施工时间和人力成本。
本文将介绍塔吊附墙施工的方案和步骤。
2. 塔吊附墙施工的步骤2.1 前期准备工作在进行塔吊附墙施工之前,需要进行一系列的前期准备工作,包括但不限于以下内容:•确定施工方案和施工计划•分析建筑物的结构和承重能力•预先评估施工风险,并采取相应的安全防护措施•准备好所需的材料和工具2.2 安装塔吊安装塔吊是塔吊附墙施工的核心步骤之一。
具体步骤如下:1.根据施工方案确定塔吊的位置和数量。
2.在建筑物的外墙上预留好安装孔洞。
3.将塔吊的主体组件通过吊车或其他设备,按照安装孔洞的位置和间距进行安装固定。
4.完成塔吊的电气和液压连接,并进行相应的测试和调试,确保塔吊能够正常运行。
2.3 确保塔吊的稳定性塔吊附墙施工过程中,必须保证塔吊的稳定性,以防止发生意外事故。
以下是保证塔吊稳定性的一些关键措施:•确保塔吊的基础牢固,能够承受塔吊的重量和施工荷载。
•在塔吊周围设置警示标识,以提示其他人员注意安全。
•定期检查塔吊的构件和连接件的状况,确保其不受损坏或松动。
2.4 进行施工作业在塔吊安装完成后,可以开始进行具体的施工作业。
根据施工需要,可以进行以下工作:•通过塔吊提升和悬挂设备、材料等进行建筑物的拆除、装修或其它施工工作。
•在施工过程中,需保持塔吊的平稳运行,避免塔吊与建筑物之间的碰撞和摩擦。
2.5 拆卸和清理塔吊附墙施工完成后,需要对塔吊进行拆卸,并进行相应的清理工作。
以下是相关步骤:1.停用塔吊,并断开其与建筑物的连接。
2.使用吊车等设备,将塔吊的主体组件逐个拆卸,并放置在安全地点。
3.清理施工区域的残留物和垃圾,恢复施工现场的整洁。
3. 安全注意事项在塔吊附墙施工过程中,需要特别注意以下安全事项:•操作人员必须具备专业的培训和操作证书,严禁无资格人员操作塔吊。
•在安装和拆卸塔吊时,需要进行严格的安全检查,确保所有连接件和构件的安全可靠。
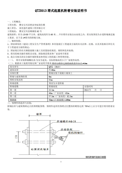
QTZ5013塔式起重机附着安装说明书一、工程概况:工程名称:雅安宝兴县财富坐标商住楼施工单位:南充强生建筑工程有限公司工程地址:雅安宝兴县顺城街62号建筑面积:约为13400平方米,建筑高度约为60米,,不在塔吊安装自由高度之内,需安装预设为3道附墙满足施工要求。
以下是1#塔吊的附墙方案。
二、编制依据:1、国家颁布的《建设工程安全生产管理条例》和其他现行工程建设方面的有关法律、法规,以及其他相关单位关于工程建设方面的规定;2、国家现行的有关钢筋混凝土施工及质量验收规范、规程和技术标准;3、塔吊的相关操作规程及安装、拆除规范要求和厂家说明书要求4、我公司相关的安全操作规程要求和类似工程的施工和管理经验。
(一)、塔吊安装附墙概况表:为安全起见,实际附墙高度小于厂家提供高度。
(二)、根据该工地使用情况和厂家说明书要求,塔吊与塔吊之间的高低差不小于4.5m。
塔吊型号QTZ(5013)建筑高度约60m安装位置附墙安装于混凝土墙身上附墙与建筑物距离6m塔机安装高度35m附墙道数预设为3道附墙附墙道数附墙高度安装时间第一道22.5m 2014年月日第二道40m(厂家高度)62m第三道57.5m(厂家高度)82.5m第四道75m(厂家高度)100m三、预埋件的选用与安装:附墙拉杆与建筑物固定点的预埋板预埋,预埋件选用待预埋点位置的砼硬度达到70%以上后方可进行塔吊附着安装。
塔机附墙杆连接示意图连接铁板图四、附墙架选用:附着架是由三个撑杆和一套环梁等组成,它主要是把塔机固定在建筑物砼墙体上,起着依附作用。
使用时环梁套在标准节上。
三根撑杆中,其中二根撑杆端部有大耳环与建筑物附着处铰接,三根撑杆应保持在同一水平内,本塔机附着架按塔机中心与建筑物距离为3.5m设计的,撑杆与建筑物的连接方式可以根据实际情况而定。
五、附墙的安装工具和防护用品见下表:序号名称规格型号单位数量1 专用扳手扭力扳手套 22 活动扳手10、12寸把 43 大锤16磅把 44 奶子锤 2.5磅把 45 橇杆 1.2-1.5m 根 46 替打大、中、小把 37 电工仪表万用表套 18 白棕绳50mφ16mm根 29 千斤头15mφ17mm 根 410 千斤头8mφ13.5mm 根 211 安全帽顶2012 安全帽根 613 绝缘套双2014 手套双2015 铁丝若干16 垫木若干六、塔吊附墙、安全技术要点及安全措施:1、塔式起重机的附墙、必须由取得专业队队伍进行,并应有技术和安全人员在场进行监督和监护。
QTZ40塔式起重机附墙方案编制:审核:、宁夏宇鑫重工机械制造有限公司二○一一年五月QTZ40塔式起重机附墙方案该QTZ40最大独立起升高度为29米(11节标准节)当施工中超过该高度时应加设附墙架,用附墙架把塔身与建筑物连接起来,保证塔机的稳定性和整机刚性,减少塔身的自由长度。
一、总体布置现场共三台塔机34、35、36号楼,每栋楼一台,经实际测量,34、35号楼附墙布置完全相同,塔机塔身中心与建筑物外墙垂直距离为3.7米,最大使用高度为48米,应架设三道附墙,填加10节标准节,建筑物预埋点间距为6米,相对塔身中心左右对称(详见附图一),第一层附着高度设在17米处,后两道间距为15米。
36号楼塔机塔身中心与建筑物外墙垂直距离为5米,最大使用高度为48米,应架设两道附墙架,填加7节标准节,建筑物预埋点间距为7米,相对塔身中心左右对称(详见附图二)。
二、部件介绍附着架由框架和三根撑杆及两组预埋件组成。
框架由∠125*125*10角钢对扣焊接而成,分两组对接,由M20高强度螺栓幅联接,其上四个直角内侧设压板将塔身主弦杆角钢与框架联接、压紧。
三组撑杆由¢108*8无缝钢管组焊成形。
三、安装过程:1、在附着点处架设平台,便于安装,注意平台架设应牢固、安全。
2、用塔机吊装两框架在附着高度处对接,用高强度螺栓,同时用压板将标准节主弦杆角钢与框架连接牢固。
3、分别吊装三根撑杆与框架及预埋点相应对接,穿销轴连接。
4、架设经纬仪,调节对开螺母,调整撑杆长度。
(必要时可采用吊重物配平的方法)使塔身垂直在全高上不超过4/1000。
最好控制在2/1000以内。
5、拧紧调节螺杆上的紧固螺母。
固定各撑杆长度,再次验证塔身垂直度。
6、确认所有螺母已拧紧,销轴连接牢固。
开口销规格及安装符合规范要求。
7、投入使用:注该方案只适用于贺兰望都太阳城B区三标34、35、36号楼施工塔机的附着计算。
塔吊附墙安装的方案一、准备工作1.首先,需要确定塔吊的型号和参数,包括起重量、幅度、高度等,以确保其能够满足施工需求。
同时,还需确定塔吊的布置位置,通常应选择在施工现场便于操作的位置。
2.确定塔吊紧靠墙体的位置,并通过钢板等材料加固墙体,以确保墙体能够承受塔吊的重量和作用力。
3.在墙体上安装预埋件和连接件,以便安装塔吊时能够方便地连接固定。
二、塔吊安装1.将塔吊的主体部分从运输车辆上卸下,并通过起重机械将其吊装到安装位置。
在吊装过程中,需要保证吊装过程平稳,并通过计算和检测来确保安装位置的准确性。
2.将塔吊的支腿伸展开,并根据需要进行调整,以确保塔吊能够稳定地立在地面上。
在支腿伸展过程中,需要注意检查和调整支腿的水平度。
3.将塔吊的上台盘部分安装在支腿上,并通过螺栓将其固定。
在固定过程中,需要注意调整上平台的水平度和垂直度,确保塔吊能够稳定地支撑在支腿上。
4.在塔吊的上台盘上安装起重臂,并通过螺栓将其固定。
在固定过程中,需要注意调整起重臂的水平度和垂直度,确保起重臂能够平稳地摆动。
5.安装塔吊的吊钩和起重绳索,调整其长度和张力,以便后续施工工作的进行。
三、安装附墙装置1.在墙体上安装吊杆,将其与塔吊的起重臂连接,通过螺栓将其固定。
在固定过程中,需要注意调整吊杆的水平度和垂直度,并确保其能够承受预期的荷载。
2.在吊杆上安装附墙装置,将其与吊杆的端部连接,通过螺栓将其固定。
在固定过程中,需要注意调整附墙装置的位置和角度,以确保其能够有效地支撑塔吊的工作。
四、检查和试运行1.在完成塔吊安装和附墙装置安装后,对其进行全面的检查和测试。
检查的内容包括各个部位的固定情况,连接件的紧密度,起重绳索的状态等。
通过试运行,检测塔吊的运行状态和起重能力,以保证施工安全。
2.根据检查和测试结果,对于存在问题的地方进行调整和改进,以确保塔吊附墙安装的质量和可靠性。
同时,还要对施工人员进行必要的安全培训和操作指导,以提高工作效率和安全性。
一、工程概况本工程位于XX市XX区,总建筑面积XX万平方米,主体结构为XX。
为确保塔吊安全、稳定地运行,根据工程实际情况,特制定本附墙专项施工方案。
二、编制依据1. 《建筑起重机械安全监督管理规定》(建设部166号令)2. 《塔式起重机安全规程》(GB51442012)3. 《建筑施工塔式机安装、使用、拆卸安全技术规程》4. 《建筑工程施工质量验收统一标准》5. 工程设计图纸及相关施工规范三、附墙布置及尺寸1. 附墙位置:塔吊附着于建筑物剪力墙上,具体位置根据塔吊基础施工图确定。
2. 附墙尺寸:根据塔吊型号及施工需求,确定附墙间距、高度及支撑结构。
四、塔吊附着计算1. 根据塔吊型号、荷载、高度等参数,进行附着计算,确保附着强度满足要求。
2. 计算附着支座与建筑物构件连接的受力情况,确保连接可靠。
五、附着支座与建筑物构件连接的计算1. 对附着支座与建筑物构件连接的受力进行分析,确保连接强度满足要求。
2. 选择合适的连接方式,如焊接、螺栓连接等。
六、附着设计与施工的注意事项1. 附着设计应考虑塔吊运行过程中的荷载变化,确保附着结构安全可靠。
2. 施工过程中,严格遵循施工规范,确保附着质量。
3. 施工过程中,加强现场安全管理,防止发生安全事故。
七、塔吊的附着安装1. 施工前,对施工人员进行技术交底,确保施工人员掌握附着安装技术要求。
2. 施工过程中,严格按照附着施工工艺进行操作,确保附着质量。
3. 施工完成后,进行附着验收,确保附着符合设计要求。
八、附墙安装安全措施1. 施工前,对施工现场进行安全检查,确保施工环境安全。
2. 施工过程中,加强现场安全管理,设置安全警示标志。
3. 施工人员应佩戴安全帽、安全带等防护用品,确保施工安全。
4. 施工过程中,加强施工人员的安全教育,提高安全意识。
九、施工进度安排1. 施工准备阶段:完成施工图纸会审、技术交底、材料设备准备等工作。
2. 施工阶段:按照施工进度计划,分阶段完成附着安装、验收等工作。
塔式起重机附墙安装与拆除方案1.塔机在附着锚固前,应事先确定附着点位置,建筑物上的附着点强度应满足受力要求。
2.根据建筑施工总高度为34.4米,确定在21.5米设置附墙。
3.在安装附着框架和附着杆时,要通过调整群众运动着杆距离,保持塔身垂直。
调整结束后,要立即紧固附着杆。
4.附着框架应尽可能安装在塔身标准节的节点连接处,尽量避开标准节主弦杆节距正中。
附着框架必须与塔身标准节连接牢固,不得松动。
5.附着装置以上的塔身自由高度不能超过说明书规定。
6.每道附着装置的附着杆应尽量牌同一水平面上。
若附着装置某部位发生干涉,可适当升高或降低附着框架的高度。
7.当塔机附着撑杆的长度大于说明书的要流域,应对附着杆的强度重新设计计算。
8.附着撑杆上塔设的供人从建筑物上通过塔机的跳板,严禁在其上堆放重物。
9.附着朱杆与附着框架,锚固支座之间的连接和附着框架和塔身标准节的连接,必须牢固可靠。
10.附着点的锚固支座与建筑物的连接可采用预埋件,焊接和穿墙螺紧固等方式。
但无论采用哪种方式,建筑物上的附着点的强度都应满足受力要求。
11.附着装置的安装拆卸,检查及高速均应有专人负责,严格遵守操作规程和使用说明书的有关规定。
12.拆卸附着装置时,应随着塔身的降落过程拆卸相应的附着装置。
严禁附着装置提前拆除,只有待塔身标准节降落到附着节时,方可拆卸。
塔机操作使用安全注意事项1.塔机司机和指挥人员应经有关部门培训合格,持有效操作证上岗。
2.塔机安装结束投入使用一个星期内,应派专人从下至上对塔身所连接螺栓紧固一次。
以后每隔半个月全面检查一次,并检查所有销轴和骄开口销是否正常,发现螺栓松动应立即予以紧固。
3.塔机司机应认真做好交接班工作,对运转中存在的问题,交接班司机必须当面交代清楚,经妥善处理后方可工作,并做好交接班记录。
4.塔机司机在登记作业前,应随时检查塔机基础,底座有无异常。
合上底部总开关后,检查整机有无漏电现象,确认无误后,方可登机。
本项目位于XX市XX区,为XX高层住宅楼,总建筑面积约XX万平方米。
为确保高层建筑施工的顺利进行,本方案特制定塔吊附墙安装平台施工方案。
二、编制依据1. 国家相关建筑安全法规和标准;2. 工程设计图纸及相关规范;3. 塔吊产品说明书及安装技术要求;4. 施工现场实际情况。
三、施工内容1. 塔吊附墙安装;2. 附墙平台搭建;3. 平台安全防护设施安装;4. 塔吊安装及调试。
四、施工工艺及措施1. 塔吊附墙安装(1)在建筑物剪力墙上确定塔吊附着点,并预留附墙孔洞;(2)按照设计要求,在附墙孔洞处设置附墙支撑,确保支撑牢固可靠;(3)安装附墙杆件,确保杆件与附墙支撑连接牢固;(4)检查附墙杆件垂直度,调整至符合要求;(5)安装附墙连接件,确保连接件与附墙杆件连接牢固。
2. 附墙平台搭建(1)在附墙杆件上搭建平台,平台宽度应满足施工要求;(2)平台应采用高强度钢模板,确保平台稳定性;(3)平台两侧设置安全防护栏杆,栏杆高度不小于1.2米;(4)平台底部设置排水沟,确保排水畅通。
3. 平台安全防护设施安装(1)在平台四周设置安全防护网,防护网高度不小于1.8米;(2)平台进出口设置安全门,门宽不小于1.2米;(3)在平台内设置安全警示标志,提醒施工人员注意安全。
4. 塔吊安装及调试(1)按照塔吊产品说明书及安装技术要求,进行塔吊安装;(2)安装完成后,进行塔吊调试,确保塔吊运行正常;(3)对塔吊进行安全检查,确保塔吊安全可靠。
五、施工质量控制1. 施工过程中,严格按照国家相关建筑安全法规和标准进行施工;2. 施工前,对施工人员进行安全技术交底,确保施工人员了解施工安全要求;3. 施工过程中,加强对施工质量的监督检查,确保施工质量符合要求;4. 施工完成后,对塔吊附墙安装平台进行验收,确保安装质量合格。
六、施工进度安排1. 塔吊附墙安装:5天;2. 附墙平台搭建:3天;3. 平台安全防护设施安装:2天;4. 塔吊安装及调试:3天。
塔吊附墙安装方案塔吊附墙安装方案主要是指将塔式起重机(简称塔吊)安装在建筑物墙体上的安装方案。
塔吊附墙安装方案是在建筑物施工期间使用的一种常见的起重设备安装方式,能够提高施工工效,并且节约了建筑物内部空间。
以下是一个塔吊附墙安装方案的详细介绍。
一、前期准备工作1.墙体结构设计:首先需要对建筑物的墙体进行设计评估,确保墙体结构能够承受塔吊的重量和风压等荷载。
需要结构设计师制定墙体计算书,包括塔吊的重量、风载、水平力等。
若墙体不适合安装塔吊,需要采取其他安装方式,如塔式起重机的地基安装等。
2.墙体加固措施:如果墙体的结构不满足安装要求,需要进行墙体加固。
加固措施包括增加墙体的厚度或者增设钢板加固等。
3.建筑许可证:安装塔吊需要申请建筑许可证,需要准备相关材料并提交建筑主管部门进行审批。
二、塔吊安装前准备1.塔吊选型:根据具体施工需求和场地条件选择合适的塔吊型号和规格。
需要考虑塔吊的最大起重量、起升高度和工作半径等参数。
2.塔吊基础施工:根据塔吊的基础尺寸进行挖掘和浇筑基础,确保基础的稳固和可靠。
基础施工需要遵循相关施工规范和要求。
3.塔吊部件组装:将塔吊的各个部件进行组装,包括主臂、塔桅、平衡臂、起重机、动力设备和控制系统等。
组装过程需要按照厂家提供的图纸和说明进行。
三、塔吊附墙安装1.塔吊安装:将组装好的塔吊吊装至预先准备好的基础上,利用起重机或者吊车进行吊装。
在吊装过程中,需要保证塔吊的各个部件安装正确、稳固,并且没有超出安全限度。
2.固定墙体:将塔桅固定在墙体上,可以使用膨胀螺栓、钢筋焊接或者拧紧螺栓等方式进行固定。
固定墙体应确保稳固可靠,同时需要遵循施工规范和要求。
3.测试校准:安装完毕后,需要对塔吊进行测试和校准,包括检查塔吊的垂直度、水平度和平衡度等。
确保塔吊各项参数符合安全要求。
四、安全措施1.安全警示标志:在安装区域设置明显的安全警示标志,提醒周围人员注意塔吊安装作业,避免伤害事故的发生。
施工组织设计(方案)报审表工程名称:6210工程温州家属点塔式起重机附墙安装施工方案施工单位:展宇建设集团有限公司监理单位:温州华申工程咨询监理有限公司工程名称:6210工程温州家属点塔机型号:QTZ80安装单位:温州市弘锦建筑设备有限公司编制人:审核人:审批人:时间:温州市弘锦建筑设备有限公司QTZ80塔式起重机附墙安装顶升、加节施工方案一、工程概况:工程名称:6210工程温州家属点施工单位:展宇建设集团有限公司监理单位:温州华申工程咨询监理有限公司安装单位:温州市弘锦建筑设备有限公司工程地址:温州市瓯海区娄桥镇玕西村D—08地块二、编制依据:1、国家颁布的《建设工程安全生产管理条例》和其他现行工程建设方面的有关法律、法规,以及其他相关单位关于工程建设方面的规定;2、国家现行的有关钢筋混凝土施工及质量验收规范、规程和技术标准;3、塔吊的相关操作规程及安装、拆除规范要求和厂家说明书要求4、我公司相关的安全操作规程要求和类似工程的施工和管理经验。
(一)、塔吊安装附墙概况表:三、预埋件的安装:附墙拉杆与建筑物固定点的预埋板预埋,预埋圆钢尺寸参照塔吊附墙件尺寸,待预埋点位置的砼硬度达到70%以上后方可进行塔吊附着安装。
四、附墙框与拉杆的选用:附墙框采用塔机原厂生产的附墙框和拉杆,附着装置由框梁和三根内撑杆组成,框梁由M24螺栓、螺母、垫圈紧固成附着框架,附着框架靠建筑物两顶点处有 2 根撑杆的端部有连接耳座与建筑物附着处铰接。
五、附墙的安装工具和防护用品见下表:六、作业人员的分工安排:具体人员分工如下:组长:肖正洲安全员:吴盛广安装人员:肖正洲、程新、郑学才、郑甲甲地面辅助人员:1 人。
塔机必须由持有操作证的人员进行作业,作业前组长必须落实安装人员的工作,安排并组织全体人员学习安全知识,作好安全技术交底。
1、组长负责塔机顶升前的组织\安排和协调、附墙安装过程中的安全检查、监督;2、安全员负责附墙安装前的安全技术交底、资料的收集整理;3、技术员在总负责人的领导下,具体组织作业人员按照安全操作规程、塔机说明书的要求进行附墙安装作业,并注意过程检查、协调指挥,发现问题立即停机报告;4、电工在队长的安排下,负责塔机的电器安装等;5、安装工在队长的领导下,负责塔机的附墙安装;七、塔吊附墙、顶升安全技术要点及安全措施:1、塔式起重机的附墙、顶升加节必须由取得专业队队伍进行,并应有技术和安全人员在场进行监督和监护。
一、工程概况本工程为超高层建筑,总建筑面积XX万平方米,建筑物高度XX米。
根据施工需要,拟安装一台QTZ80型超长塔吊,满足施工过程中的物料运输需求。
为确保塔吊安全、稳定地运行,特制定本施工方案。
二、编制依据1. 《塔式起重机设计规范》(GB/T13752-1992)2. 《建筑结构荷载规范》(GB50009-2012)3. 《建筑施工手册》4. 《钢结构设计规范》(GB50017-2003)5. 《QTZ80塔式起重机说明书》6. 《建筑施工塔式机安装、使用、拆卸安全技术规程》(JGJ196-2010)三、施工准备1. 施工人员:组织具备相关资质和经验的施工队伍,进行技术交底和安全教育。
2. 施工材料:准备好塔吊基础施工材料、附墙连接件、附着杆、吊钩、钢丝绳等。
3. 施工设备:准备吊车、电焊机、切割机、水平仪、卷扬机等施工设备。
四、施工步骤1. 塔吊基础施工(1)根据设计要求,确定塔吊基础位置,进行地质勘察,确保地基承载力满足要求。
(2)根据勘察结果,设计塔吊基础,进行混凝土浇筑,确保基础稳固。
2. 塔吊安装(1)按照说明书要求,组装塔吊各部件,确保安装质量。
(2)将塔吊安装到基础上,调整塔身垂直度,确保塔吊稳定。
3. 附墙施工(1)根据设计要求,确定附墙位置,进行锚固施工。
(2)安装附墙连接件,确保连接牢固。
(3)安装附着杆,调整附着杆长度,确保附着杆与建筑物垂直。
4. 塔吊附着调整(1)调整塔吊附着杆,确保附着杆与建筑物垂直。
(2)调整塔吊吊钩高度,确保吊钩位于物料上方。
五、施工注意事项1. 施工过程中,严格遵循操作规程,确保施工安全。
2. 定期检查塔吊基础、附墙连接件、附着杆等部位,发现问题及时处理。
3. 施工过程中,加强现场管理,确保施工环境整洁。
4. 塔吊运行时,严禁人员靠近塔吊下方,防止发生安全事故。
六、施工进度安排1. 塔吊基础施工:XX天2. 塔吊安装:XX天3. 附墙施工:XX天4. 塔吊附着调整:XX天总计:XX天本方案旨在确保超长塔吊安全、稳定地运行,为工程施工提供有力保障。
质量求生存信誉求发展塔式起重机附墙方案工程名称: XX农村商业银行大厦设备型号:编制单位:编制人:审核人:1XX农村商业银行大厦项目塔机附墙工程专项施工方案一、编制依据《塔式起重机安全规程》GB5144-2006《塔式起重机操作使用规程》JG/T100—1999《建筑施工安全检查标准》JGJ59-2011《关于进一步加强附着式升降脚手架监督管理的通知》渝建安发…2011‟3号。
《建筑施工塔式起重机安装、使用、拆卸安全技术规程》JGJ196-2010。
塔式起重机设计规范GB/T13752-1992升立塔机说明书XX农村商业银行大厦工程施工设计图纸XX农村商业银行大厦工程地勘报告二、工程概况(需现场完善)XX农村商业银行大厦工程位于 XX市江北城B17-1地块内,本工程由 XX建工集团股份有限公司施工,建筑物为 48 层,为满足施工需要,该塔机需安装高度为 220 m。
在距地面38米安装第一道附着,以后根据说明书安装每一道。
(具体安装高度与层数由施工方根据工程进度和需要确定)。
该塔机在施工现场主要用作起吊建筑材料等物料,该塔机司机 2 人,指挥 4 人。
三、设备概况本次塔机采用的是XX建工升立建设机械有限责任公司2012年生产的QTZ100(6012)(见下图),最大工作臂长为60米,本次安装工作臂长50米。
塔机独立高度45米,最大起升高度为220米。
2性能参数如下:3.主要技术参数:QTZ100(6012)塔式起重机性能参数参数项目单位数值最大起重力矩KN.m1020最大起重量t83最大起重量最大起重量时工作幅度tm8/13.5最大工作幅度最大工作幅度时起重量mt60/1.2起升高度独立式m45 附着式m220自重(不包括平衡重)t60工作环境温度℃-20~45整机工作级别A4 4.特性额定负荷 t 电动机功率kw容绳量m机构类型起升高度m/min a=2 80/40/26/13/7 4/4/4/2/1400双速电机+绕线涡流电机a=4 40/20/13/7.5/3.5 8/8/8/4/2变幅速度m/min 42/21 8/ 2.2/3.7双速电机+摆线针轮减速器回转速度r/min 0.18/0.36/0.48/0.46 2×3.7液力偶合+绕线平衡重19.6(t)电源~380v.50Hz 供电容量>150KVA456六、塔机附着安装6.1 附着装置的要求:当塔吊顶升高度达45米时,还不能满足建筑物最大高度,应在规定位置安装附着装置。
!目录一、工程概况................................. 错误!未定义书签。
二、编制依据................................. 错误!未定义书签。
三、附墙布置及尺寸........................... 错误!未定义书签。
四、支座力计算............................... 错误!未定义书签。
五、附着杆内力计算........................... 错误!未定义书签。
六、附着杆强度验算........................... 错误!未定义书签。
{七、附着支座与建筑物构件连接的计算 ........... 错误!未定义书签。
八、附着设计与施工的注意事项 ................. 错误!未定义书签。
九、塔吊的附着的安装......................... 错误!未定义书签。
#一、工程概况仁恒滨海半岛花园(D3地块)住宅工程坐落于珠海市唐家湾新城东部,情侣北路南段,总建筑面积约20.7万平方米(整体地下室、11栋高层及配套),A组团负责19、20、26、27、28、29号楼,B组团负责21、22、23、24、25号楼;建筑楼层地下1层,地上21-37层;建筑物高度-112.675米。
工程桩采用直径为500mm预应力高强度混凝土管桩及800~1200mm冲孔灌注桩;基础为承台基础。
各栋号±相对于绝对标高5.800m。
根据工程需要,安装的QTZ80塔式起重机必须安装附墙才能满足施工高度的要求。
二、编制依据本计算书主要依据施工图纸及以下规范及参考文献编制:.《塔式起重机设计规范》(GB/T13752-1992)《建筑结构荷载规范》(GB50009-2012)《建筑施工手册》、《钢结构设计规范》(GB50017-2003)《QTZ80塔式起重机说明书》三、附墙布置及尺寸根据工程需要,安装五道附墙装置。
施工组织设计(方案)报审表
工程名称:6210工程温州家属点
致:展宇建设集团有限公司施工单位
温州华申工程咨询监理有限公司监理单位
我方已根据施工合同的有关规定完成了塔式起重机附墙安装、顶升、加节方案施工组织设计(方案)的编制,并经我单位上级技术负责人审查批准,请给予审查
附:塔式起重机附墙安装、顶升、加节方案
安装单位(章)
安装单位负责人
日期
施工单位(章)
项目经理
日期
专业监理工程师审查意见:
专业监理工程师
日期
总监理工程师审核意见:
项目监理机构
总监理工程师
日期
塔式起重机附墙安装施工方案
施工单位:展宇建设集团有限公司
监理单位:温州华申工程咨询监理有限公司
工程名称:6210工程温州家属点
塔机型号:QTZ80
安装单位:温州市弘锦建筑设备有限公司
编制人:
审核人:
审批人:
时间:
温州市弘锦建筑设备有限公司
QTZ80塔式起重机附墙安装
顶升、加节施工方案
一、工程概况:
工程名称:6210工程温州家属点
施工单位:展宇建设集团有限公司
监理单位:温州华申工程咨询监理有限公司
安装单位:温州市弘锦建筑设备有限公司
工程地址:温州市瓯海区娄桥镇玕西村D-08地块
二、编制依据:
1、国家颁布的《建设工程安全生产管理条例》和其他现行工程建设方面的有关法律、法规,以及其他相关单位关于工程建设方面的规定;
2、国家现行的有关钢筋混凝土施工及质量验收规范、规程和技术标准;
3、塔吊的相关操作规程及安装、拆除规范要求和厂家说明书要求
4、我公司相关的安全操作规程要求和类似工程的施工和管理经验。
(一)、塔吊安装附墙概况表:
第1道14.6m2015年月日
三、预埋件的安装:
附墙拉杆与建筑物固定点的预埋板预埋,预埋圆钢尺寸参照塔吊附墙件尺寸,待预埋点位置的砼硬度达到70%以上后方可进行塔吊附着安装。
四、附墙框与拉杆的选用:
附墙框采用塔机原厂生产的附墙框和拉杆,附着装置由框梁和三根内撑杆组成,框梁由M24螺栓、螺母、垫圈紧固成附着框架,附着框架靠建筑物两顶点处有2根撑杆的端部有连接耳座与建筑物附着处铰接。
五、附墙的安装工具和防护用品见下表:
作
业
人员的分工安排:
具体人员分工如下:
组长:肖正洲
安全员:吴盛广
安装人员:肖正洲、程新、郑学才、郑甲甲
地面辅助人员:1人。
塔机必须由持有操作证的人员进行作业,作业前组长必须落实
安装人员的工作,安排并组织全体人员学习安全知识,作好安全技术
交底。
1、组长负责塔机顶升前的组织\安排和协调、附墙安装过程中的
安全检查、监督;
2、安全员负责附墙安装前的安全技术交底、资料的收集整理;
3、技术员在总负责人的领导下,具体组织作业人员按照安全操作规
程、塔机说明书的要求进行附墙安装作业,并注意过程检查、协调
指挥,发现问题立即停机报告;
4、电工在队长的安排下,负责塔机的电器安装等;
5、安装工在队长的领导下,负责塔机的附墙安装;
七、塔吊附墙、顶升安全技术要点及安全措施:
1、塔式起重机的附墙、顶升加节必须由取得专业队队伍进行,并
应有技术和安全人员在场进行监督和监护。
2、参加作业人员必须戴好安全帽、系好安全带、穿软底鞋,工具装入工具袋内。
使用前必须进行检查,不合格必须更换。
3、工作前应检查电气的完好性、液压系统是否正常、液压油是否能满足要求、液压油管的完好性。
液压工作压力是否正常。
4、工作前应检查顶升机构的钢结构的焊缝、连接螺栓、轴销的完好性。
检查钢丝绳及导架、导轮的机械性能。
5、检查发现的隐患必须经过处理合格后方能进行顶升。
6、顶升前应将变幅小车开至平衡处,锁定旋转机构。
7、顶升前应检查顶升横梁完全进入顶升踏步内,旋转机构与标准节的连接螺栓拆除后方能开动液压顶升系统将塔吊上部与标准节脱离。
8、顶升过程中应注意液压系统的状况及工作压力。
9、加节时应将新进入的标准节与原标准节完全连接牢固后,方能继续进行下一步的工作。
10、顶升或降塔工作结束前应检查各种安全限位和保险。
顶升后应检测塔吊的垂直度。
11、禁止向下抛掷材料及工具。
12、准备好灭火器。
13、同一道附着装置上的各拉杆安装在同一水平面内。
14、塔机的对着高度及附着的距离必须在规定的范围内。
15、附着以后,在无风状态下,塔身轴心对支撑面的侧垂直度应在
2‰以内。
16、工作时应设立警戒区派出转人监护。
设立安全告示。
八、附墙安装程序:
1,在第一附着点1m处搭设工作平台。
工作平台必须有栏杆,并围
好安全网。
2、将所需的工具、螺栓、销轴吊到工作平台上。
3、将附着的U形框吊到附着点的位置,按规定的位置将套到塔身上,并用铁线固定牢靠。
4、用附着的另一个U形框吊到附着点位置并套到与塔身上,用螺栓
将两块U形连接起来,调好附着框的水平度后,上紧螺栓,使其紧箍
在塔身上。
5、依次将三根拉杆吊到附着点位置,用销轴将其与附着框铰接。
6、调整塔身垂直度,塔身侧向垂直度必须在2‰以内。
7、用电焊依次将三根拉杆的另一端用相应预埋板烧焊连接,焊好底
面的焊缝后再加两块斜底铁板。
8、检查所有的连接销轴开口销是否牢固,连接螺栓是否上紧,焊缝
是否符合要求。
9、将平台上的工具及剩余部件调到地面,附墙安装完毕。
九、塔机的附着架与顶升:
(一)安装附着架
1、将环梁提升到附着点的位置包在塔身外,然后用32件M20的
螺栓连接成附着框架,调整附着框对角上的螺杆将附着框贴紧在塔
身上;并在三边打入;再吊装三个撑杆将附着框与墙面处铰接点连
接在一起。
2、用经纬仪检查塔机轴心的垂直度在全高上不超过4/1000,垂直度的调整可通过调整三根附着用撑杆与建筑物的附着位置而获得,
必要时用钢丝绳将附着架挂在塔身上。
3、附墙安装完毕后、塔吊的顶升、加节也是安装中的重要环节,
如不注意安全技术要求,就可能出危险。
因此作业中应特别注意。
4、在顶升做业中,必须有专人指挥,专人看管电源电缆、专人操
作液压顶升系统,专人照看顶升横梁,专人负责封塔螺栓的拆、安。
5、顶升加节作业时风力不得大于四级,如遇下雨、大雾、烟雾熏
呛的时候应停止作业。
6、在顶升前,应将吊臂旋转至套架开口方向,用小车或吊上重物,配平塔机,使顶升的上部荷载重心与顶升缸轴心线重合。
7、顶升作业前,液压系统要充分排气,油箱液位要达到规定标准。
液压油要清洁。
8、必须试顶升三~四次,检查塔机配平情况,油缸工作情况,油泵站压力表显示值,如果不正常,应停止作业。
待处理正常后,方可正式开始顶升作业。
(二)、顶升;
吊起一个标准节,将载重小车开至标准节引进平台处,在将标准节置于引进平台上,应将引进滚轮安装在标准节的四角,再将标准节安放
在引进平台上,调整滚轮位置处于引进平台的轨道上。
再吊起一节标准节调整小车位置,使得塔机的上部重心落在顶升油缸梁的位置上,(56米臂长,小车停在越14.5米幅度处;实际操作中,观察到爬升架四周8
个导轮基本上与塔身标准节主杆脱开时,即为理想位置)。
最后卸下塔身与下支座的8个M30的连接螺栓。
将顶升横梁挂在塔身的踏步上,一定要挂实。
开动液压系统使得活塞杆全部伸出,再稍缩活塞杆,使得爬
爪搁在塔身的踏步上。
然后,油缸全部缩回,重新使顶升横梁挂在塔身踏步上,再次全部伸出油缸,此时塔身上方恰好能有装入一个标准节的
空间,拉动挂在引进梁上的标准节,把标准节引至塔身的正上方,对准标
准节的螺栓连接孔,缩回油缸。
至上下标准节接触时,取下引进滚轮,用
8只M30高强度螺栓将上下标准节连接牢靠。
螺栓预紧力距为
1800N.M。
将下支座与塔身连接牢固即完成一节标准节的加节工作,若连续加几节标准节,则可按照以上步骤连续几次即可。
8、在顶升作业时,严禁转动塔吊.
十、塔吊升高完毕后检查、调整,验收工作:
1、检查各部机械、电器、绳轮系统是否符合说明书的要求。
2、检查个部螺栓、销子是否到位、紧固,开口销是否符合规定要求。
3、检查各部份的零部件、平台、栏杆是否齐全,牢固可靠。
主卷扬卷筒上至少还剩有三圈以上的钢丝绳。
4、设定吊钩上、下限位器并使之达到说明书规定的范围和要求。
并且动作灵敏可靠。
5、检查塔吊自由状态下,垂直度误差必须小于2/1000。
6、验收合格后,交付使用。