重点实验室仪器设备一览表
- 格式:doc
- 大小:56.50 KB
- 文档页数:3
仪器设备配置一览表
注解:
1.预算表中打/号表示已作预算,为重复号
2.加粗部分为常规基础检测项所需的主要大设备。
3.一个检测项目同时标有两检测方法或仪器的,可据贵公司情况选其一就可。
仪器设备配置一览表
第 2 页,共35页
实验室地址:长沙市人民中路6号
仪器设备配置一览表
第 3 页,共35页
仪器设备配置一览表
仪器设备配置一览表
仪器设备配置一览表
仪器设备配置一览表
仪器设备配置一览表
仪器设备配置一览表
仪器设备配置一览表
仪器设备配置一览表
附表5:
仪器设备配置一览表
仪器设备配置一览表
附表5:
仪器设备配置一览表
仪器设备配置一览表
附表5:
仪器设备配置一览表
附表5:
仪器设备配置一览表
附表5:
仪器设备配置一览表
仪器设备配置一览表
第 19页,共35页
仪器设备配置一览表
实验室地址:长沙市人民中路6号第 20 页,共35页。
21
欢迎您的下载,
资料仅供参考!
致力为企业和个人提供合同协议,策划案计划书,学习资料等等
打造全网一站式需求。
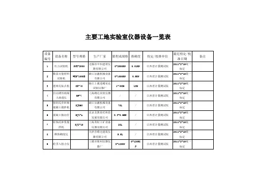
主要工地实验室仪器设备一览表设备编号设备名称型号规格生产厂家量程或规格准确度检定/校准单位最近检定/校准日期备注1 压力试验机SYE-2000 无锡市中科建材仪器有限公司0-2000KN 0.01KN 江西省计量测试院2011-2-15统一标定2 数显万能材料试验机WES-1000B浙江辰鑫机械设备有限公司0-1000KN 0.5KN 江西省计量测试院2011-2-15统一标定3 连续式标点机CB-40 浙江上虞道墟实达试验仪器厂1-40CM 1CM 江西省计量测试院2011-2-15统一标定4 自动调压混凝土渗透仪HP-4上海路达实验仪器有限公司/ / 江西省计量测试院2011-2-15统一标定5 强制式单卧轴混凝土搅拌机SJD60浙江辰鑫机械设备有限公司70L / 江西省计量测试院2011-2-15统一标定6 混凝土振动台HJZ-A 北京北奥世纪科技发展有限公司0.3-0.6MM / 江西省计量测试院2011-2-15统一标定7 卧轴式砂浆搅拌机SJZ-10上海英松工矿设备仪器有限公司28L / 江西省计量测试院2011-2-15统一标定8 维勃稠度仪天津市路达建筑仪器有限公司5.5L / 江西省计量测试院2011-2-15统一标定9 砼贯入阻力仪上虞市新科仪器仪器厂0-1200N0-120KGF江西省计量测试院2011-2-15统一标定设备编号设备名称型号规格生产厂家量程或规格准确度检定/校准单位最近检定/校准日期备注10 砂浆稠度仪SZ-145 北京北奥世纪科技发展有限公司0-17 0.1 江西省计量测试院2011-2-15统一标定11 改良法混凝土含气量测定仪SZ-145上海光地仪器设备有限公司/ / 江西省计量测试院2011-2-15统一标定12 混凝土塌落度仪/天津市路达建筑仪器有限公司/ / 江西省计量测试院2011-2-15统一标定13 净浆稠度仪/ 天津市路达建筑仪器有限公司/ / 江西省计量测试院2011-2-15统一标定14 砼抗折试模沧州东方建筑仪器制造有限公司150*150*450 、江西省计量测试院2011-2-15统一标定15 砼抗压试模沧州东方建筑仪器制造有限公司150*150*150 、江西省计量测试院2011-2-15统一标定16 砂浆试模沧州东方建筑仪器制造有限公司70.7*70.7*70.7江西省计量测试院2011-2-15统一标定17 气泵温岭市泽国卓越空压机厂江西省计量测试院2011-2-15统一标定18 电子计价台秤上海友声衡器有限公司10g-200kg 1g 江西省计量测试院2011-2-15统一标定19 恒温干燥箱101-3 上海光地仪器设备有限公司10-300℃1℃江西省计量测试院2011-2-15统一标定20 震击式两用振摆筛选机ZBSX-92A浙江上虞新光仪器设备厂江西省计量测试院2011-2-15统一标定21 容积筒浙江上虞新光仪器设备厂1-30L 江西省计量测试院2011-2-15统一标定22 压碎值仪JM-B10002 浙江上虞新光仪器设备厂江西省计量测试院2011-2-15统一标定23 电子计重称ACS-30A 上海友声衡器有限公司200G-30KG 10G 江西省计量测试院2011-2-15统一标定24 台秤TGT-100 上海浦东计量仪器厂1KG-80KG 0.5KG 江西省计量测试院2011-2-15统一标定25 玻璃量筒BOMEX 北京玻璃仪器厂0-1000L 1L 江西省计量测试院2011-2-15统一标定26 数控水泥砼标准养护箱SHBY-40B浙江辰鑫机械设备有限公司0-50℃0-100℃0.1℃1℃江西省计量测试院2011-2-15统一标定27 沸煮箱FZ-31A 上海宝磊仪器有限公司0-100℃1℃江西省计量测试院2011-2-15统一标定28 水泥净浆搅拌机NJ-160浙江辰鑫机械设备有限公司江西省计量测试院2011-2-15统一标定29 水泥胶砂搅拌机JJ-5无锡市中科建材仪器有限公司江西省计量测试院2011-2-15统一标定30 水泥电动抗折试验机DKZ-5000无锡中科建材仪器有限公司0-5000N 10N 江西省计量测试院2011-2-15统一标定31 ISO水泥胶砂振实台ZT-96上虞市东关建工仪器厂江西省计量测试院2011-2-15统一标定32 恒加载水泥压力压力机TSY-300浙江路达机械仪器有限公司0-300KN 0.01KN 江西省计量测试院2011-2-15统一标定33 水泥凝结测定仪上虞市探矿仪器厂江西省计量测试院2011-2-15统一标定34 勃氏透气比表面积仪DBT-127无锡市锡仪建材仪器厂江西省计量测试院2011-2-15统一标定35 雷氏夹测定仪无锡市锡仪建材仪器厂江西省计量测试院2011-2-15统一标定36 胶砂试模无锡建仪建筑仪器厂40*40*160 江西省计量测试院2011-2-15统一标定37 抗压夹具上虞市探矿仪器厂江西省计量测试院2011-2-15统一标定38 方孔石子筛上虞市道墟砂筛厂江西省计量测试院2011-2-15统一标定39 恒温干燥箱101-2 上海康路仪器设备有限公司10-299℃1℃江西省计量测试院2011-2-15统一标定40 电动脱模器LQ-T50D 浙江辰鑫机械设备有限公司江西省计量测试院2011-2-15统一标定41 路面材料强度试验仪TL127-Ⅱ北京宏达试验仪器制造厂江西省计量测试院2011-2-15统一标定42 数控标准电动击实仪DZY-Ⅲ浙江辰鑫机械设备有限公司江西省计量测试院2011-2-15统一标定43 数显土壤液塑限联合测定仪SY-100E浙江辰鑫机械设备有限公司0.1mm 江西省计量测试院2011-2-15统一标定44 电子天平30kg 长沙湘平科技发展有限公司0-30kg 1g 江西省计量测试院2011-2-15统一标定45 电子天平15kg 长沙湘平科技发展有限公司0-15kg 1g 江西省计量测试院2011-2-15统一标定46 电子天平10kg 长沙湘平科技发展有限公司0-10kg 1g 江西省计量测试院2011-2-15统一标定47 电子天平5kg 长沙湘平科技发展有限公司0-5kg 0.1g 江西省计量测试院2011-2-15统一标定37 自动式砂当量仪SD-2上海路达实验仪器有限公司江西省计量测试院2011-2-15统一标定38 电子天平ES-15K 长沙湘平科技发展有限公司0-5kg 0.1g 江西省计量测试院2011-2-15统一标定39 电子天平ES-5000H 长沙湘平科技发展有限公司0-2kg 0.01g 江西省计量测试院2011-2-15统一标定40 混凝土渗透仪HS-4上海英松工矿设备有限公司江西省计量测试院2011-2-15统一标定41 砂浆搅拌机UJZ-15 绍兴市公路仪器有限公司28L 江西省计量测试院2011-2-15统一标定42 强制式单卧轴砼搅拌机SJD60浙江辰鑫机械设备有限公司70L 江西省计量测试院2011-2-15统一标定43 液压式万能试验机WE-1000B金华市试验机总厂江西省计量测试院2011-2-15统一标定46 电动脱膜仪LQ-T1500 绍兴市公路仪器有限公司江西省计量测试院2011-2-15统一标定47 压力环0-7.5KN20-30KN北京路达宏业工贸有限公司0.01级江西省计量测试院2011-2-15统一标定48 百分表0-10mm 桂林量具刃具厂10mm 0.01mm 江西省计量测试院2011-2-15统一标定50 弯沉仪JZC-5400 南方建筑仪器厂江西省计量测试院2011-2-15统一标定51 灌砂筒上虞市公路仪器厂江西省计量测试院2011-2-15统一标定52 压碎值仪上虞市公路仪器厂江西省计量测试院2011-2-15统一标定53 摇筛机ZB3X 上虞市胜飞实验机械厂江西省计量测试院2011-2-15统一标定54 针片状规准仪上虞市公路仪器厂江西省计量测试院2011-2-15统一标定55 泥浆含砂率测定仪上虞市公路仪器厂江西省计量测试院2011-2-15统一标定56 泥浆比重计上虞市公路仪器厂江西省计量测试院2011-2-15统一标定57 泥浆含砂率测定计上虞市公路仪器厂江西省计量测试院2011-2-15统一标定59 水泥混凝土回弹仪2C3-A山东乐菱市回弹仪厂0-100MPa 2MPa 江西省计量测试院2011-2-15统一标定60 混凝土坍落度仪上虞市公路仪器厂江西省计量测试院2011-2-15统一标定61 砼标养室BYS-2 浙江辰鑫机械设备有限公司温度0-50℃湿度0-100℃温度0.1℃湿度1℃江西省计量测试院2011-2-15统一标定主要材料使用一览表说明:主要设备全部自有,主要材料通过业主公示的准入厂商采购。
2023年新增科研设备采购表随着科学技术的不断进步和发展,科研设备的更新换代已成为提升科研实力和水平的重要一环。
为了更好地支持科研工作的开展,我单位拟于2023年新增购置一批先进的科研设备,以满足科研人员在各领域的研究需求。
以下是2023年新增科研设备采购表:一、实验室设备1. 生化实验室设备- 高分辨率质谱仪:用于生物大分子质谱分析。
- 生物成像系统:包括共聚焦显微镜、荧光显微镜等。
2. 材料实验室设备- 电子显微镜:包括透射电子显微镜和扫描电子显微镜。
- X射线衍射仪:用于材料的晶体结构分析。
3. 医学实验室设备- 全自动生化分析仪:用于临床生化检测。
- 医学成像设备:包括超声诊断仪、核磁共振成像仪等。
二、测量仪器1. 光学测量仪器- 激光干涉仪:用于精密光学元件的测量。
- 光谱仪:包括紫外-可见分光光度计、红外光谱仪等。
2. 电子测量仪器- 示波器:用于信号的观测和分析。
- 多功能电源供应器:用于各种电路的供电和测试。
三、分析仪器1. 质谱仪- 气相色谱质谱联用仪:用于分析有机物的成分和结构。
- 高效液相色谱质谱联用仪:用于生物大分子的分析和鉴定。
2. 核磁共振仪- 高分辨率固体核磁共振仪:用于材料的结构表征。
- 高场核磁共振仪:用于化合物的谱图分析。
四、其他设备1. 数据处理设备- 高性能计算机:用于科学计算和数据处理。
- 大容量存储设备:用于长期数据备份和管理。
2. 实验室基础设施- 净化工作台:用于生物实验和样品处理。
- 实验室安全柜:用于储存化学品和有毒物质。
以上所列设备均为我单位科研工作所必须,新设备的购置将大大提升科研实验室的实力和水平,有助于科研项目的开展和成果的取得。
我们将按照相关政策和规定进行公开招标采购,确保采购过程的公开、公平和透明。
希望得到各方的关注和支持,让我们共同努力,为科学研究事业不断发展贡献力量。
根据上面的设备采购表,我们可以看出,2023年新增科研设备的采购范围涵盖了实验室设备、测量仪器、分析仪器以及其他设备,其中涉及生物化学、材料科学、医学、光学、电子等多个领域。
生科院平台实验室及大型贵重仪器(设备)一览表*
* 说明:
. 上述大型贵重仪器设备的属性分为通用平台实验室设备和专用实验设备;通用平台实验室设备属于公共设备,由学院分派专门人员管理。
专用实验设备属于特殊实验设备,目前暂由教授所在实验室代管。
以上设备均为学院教师科研及研究生培养的共享设备。
. 平台实验室由专人管理,负责实验室内大型贵重仪器设备及其他设备、配件的运行、安全和卫生等。
. 对上述大型贵重仪器设备的效益评估,根据《天津师范大学贵重仪器设备使用效益考核办法》中的规定执行。
初中化学实验室仪器设备一览表在初中化学实验过程中,使用不同的仪器设备是非常重要的。
这些仪器设备不仅可以帮助我们进行实验,还可以提供准确的数据和结果。
下面是一份初中化学实验室仪器设备的一览表。
1. 显微镜显微镜是一种用于观察微小物体的仪器。
在化学实验中,我们可以使用显微镜观察化合物的晶体结构、固体颗粒的形状和颗粒的大小等。
显微镜可以帮助我们更好地了解物质的微观结构。
2. 试管架试管架是一个用于支撑试管的装置。
试管是化学实验中最常用的工具之一,我们可以使用试管进行混合、加热和反应等操作。
试管架可以将试管固定在一个位置上,使我们更方便地进行实验操作。
3. 烧杯烧杯是一种用于加热和混合液体的容器。
它通常由玻璃制成,具有较大的底部和长而窄的口。
烧杯可以在实验过程中承受高温,并且可以方便地倒出液体。
4. 示波器示波器是一种测量电信号的设备。
在化学实验中,我们可能需要测量电流、电压等电性质。
示波器可以显示电信号的波形,帮助我们更好地了解和分析电信号。
5. 酒精灯酒精灯是一种用于提供火焰的器具。
在化学实验中,我们经常需要用到火焰来加热试管、烧杯等。
酒精灯可以提供稳定的火焰,并且可以方便地调节火焰的大小。
6. 钳子钳子是一种用于夹取物体的工具。
在化学实验中,我们有时需要夹取烧杯、试管等物体。
钳子可以帮助我们更方便地夹取和移动物体,同时也可以保护我们的手部免受高温或尖锐物体的伤害。
7. 温度计温度计是一种用于测量温度的设备。
在化学实验中,我们需要测量反应体系的温度。
温度计可以提供准确的温度读数,帮助我们控制和调节实验条件。
8. PH试纸PH试纸可以用来测量溶液的酸碱性。
在化学实验中,我们经常需要确定溶液的酸碱性以便进行后续操作。
PH试纸可以通过改变颜色来指示溶液的酸碱性,一般可以分为酸性、中性和碱性。
9. 磁力搅拌器磁力搅拌器是一种用于搅拌溶液的设备。
它通常包括一个用于搅拌的磁子和一个产生磁场的电动机。
在化学实验中,我们经常需要将溶液进行充分搅拌以确保反应均匀。
附件:
医疗器械检测仪器一览表
一、通用检验实验室
1、物理检验实验室
2、化学检验实验室
3、生物学评价检验实验室
4、电气安全检验实验室
5、电磁兼容检验实验室
6、环境试验检验实验室
二、专业检验实验室
1、有源植入医疗器械检验实验室
2、麻醉和呼吸医疗器械检验实验室
3、牙科医疗器械检验实验室
4、机电医疗器械检验实验室
5、医院硬件设备检验实验室
6、体外诊断医疗器械检验实验室
7、无源植入医疗器械检测实验室
8、眼科和光学医疗器械检测实验室
9、可重复使用医疗器械检验实验室
10、计划生育检验实验室
11、一次性使用医疗器械检验实验室
12、残障人康复辅具检验实验室
13、诊断和治疗用辐射医疗器械检验实验室。