混凝土拱形骨架护坡施工技术交底
- 格式:doc
- 大小:9.66 MB
- 文档页数:12
技术交底土浇筑。
四、施工工艺拱形骨架护坡采用挖槽法施工,施工工艺如下:1、坡面修整按照坡面坡度基础高程等数据设固定样板挂线,清刷表面浮土,填补坑凹并拍实使坡面平整,按照设计尺寸开挖基槽,坡面整修经验收合格后,方可进行下道工序施工。
2、测量放样按设计图纸对拱形骨架轮廓进行放样,并用刚尺对基槽开挖位置准确定位。
3、拱形骨架基槽开挖基槽主要采用人工开挖的方法,无电缆地段采用机械开挖,基槽开挖时应注意几何尺寸位置的准确,护脚条形基础开槽深度为1m,骨架开槽深度为0.6m,采用C 25混凝土现场浇注。
4、护脚施工基槽开挖完毕后,施工人员对护脚位置进行准确放样撒线,护脚深度为1m,宽度为0.8m,采用C25混凝土现场浇注。
护脚上方自侧沟平台向上1m范围骨架内也采用C25混凝土砌筑,厚0.6m。
5、浇筑拱圈拱圈0.5m深采用C25混凝土现场浇注筑,混凝土强度满足施工要求。
骨架采用挖槽法施工,拱圈半径1.5m,镶边石10cm厚,拱圈宽度40cm,每层拱圈高度3 m,先砌筑骨架的衔接处,再砌筑骨架的其他部位,当不为整拱时,应自上而下布置骨架。
6、截水槽镶边石及外露部分拼装镶边石采用C25混凝土在集中场地统一预制,现场安装,并用M1O水泥砂浆砌筑与勾缝,直镶边石的尺寸为30*25*10cm,弧形镶边石长宽厚尺寸与直镶边石相同,半径(内径)1.5m。
外露0.1m厚的结构部分采用现场浇注预制,而后拼装7、检查踏步检查踏步采用C25混凝土现场浇注筑,间隔约100m,宽60cm,台阶宽30cm,高20 cm,台阶下设置30cm厚铺砌,两侧设置10cm厚C25预制混凝土块襟边。
8、换填种植土和种紫穗槐换填种植土(客土)厚度为15cm,换填后骨架内种植紫穗槐,梅花形布置,间距0.6m,每坑两棵。
施工安全注意事项施工安全教育培训的重要性随着项目工程的施工生产局面逐步打开,施工机械增多,劳动力增加,危险源也随之而来。
更显示出强化安全教育和培训的紧迫感、必要性、重要性。
拱形骨架护坡施工技术交底书单位工程名称:XXXX路项目 2020年4月2日施工程序及操作要点三、施工方法1、工作程序施工工艺如下:测量放线—沟槽开挖—3:7灰土回填—C20混凝土垫层浇筑—C20拱形骨架基础混凝土浇筑—刷坡—人工挖拱形基础—模板安装—拱形骨架混凝土浇筑—混凝土养护—种植土回填—植草。
2、施工方法2.1、施工准备⑴、施工前按设计要求进行坡面1:1.5清刷坡面浮土,填补坑凹,使坡面大体平整。
⑵、骨架混凝土浇筑前应按设计形式、尺寸挂线放样,开挖沟槽,沟槽尺寸根据骨架尺寸而定。
⑶、原材料的要求:拱形骨架采用商品混凝土。
材料进场前需各种原材料的品质进行试验,合格后方可进场,在材料进场后还要对砼的原材料进行抽检,其各项指标均要符合设计的要求。
⑷、施工设备:施工机械(必须有环评标志符合非机动车辆上路要求)小型运输设备、拱形骨架模板等。
⑸、施工场地:对路堤边坡清理完毕后,将场地清理平整,合理解决原材料的堆放、电力、水源的问题。
2.2、施工技术要求(1)、路堤高度大于3米的地方进行施工混凝土拱形骨架护坡施工。
(2)、3:7灰土垫层宽度1m,厚度30cm。
施工程序及操作要点(3)、C20混凝土垫层,宽度50cm,高度30cm。
(4)、基础C20混凝土浇筑;长度:50cm,厚度:40cm。
(5)、拱型骨架护坡的骨架宽度为0.4m,厚度为0.4m,挡水沿尺寸为5cmX5cm。
骨架护坡的起点滴边设0.5m宽的镶边,顶部1.152m宽的镶边,混凝土厚度统一40cm。
骨架、镶边、基础、均采用C20混凝土浇筑;线条应平顺,表观平滑。
(6)、混凝土骨架应从衔接处开始,自下而上浇筑,两骨架衔接处应处于同一高度。
骨架应与坡面密贴,骨架流水面应与种植土表面平顺。
骨架与下部基础混凝土连接时,应整体浇筑不留缝隙。
(7)、为防止不均匀沉降,沿线路方向每隔10.2m设伸缩缝一道,缝宽0.02m,缝内填塞沥青麻絮或者沥青木板填塞。
拱形骨架技术交底书沟槽断面示意图一工作总结怎么写:医院个人工作总结范文一年的时间很快过去了,在一年里,我在院领导、科室领导及同事们的关心与帮助下圆满的完成了各项工作,在思想觉悟方面有了更进一步的提高,本年度的工作总结主要有以下几项:1、工作质量成绩、效益和贡献。
在开展工作之前做好个人工作计划,有主次的先后及时的完成各项工作,达到预期的效果,保质保量的完成工作,工作效率高,同时在工作中学习了很多东西,也锻炼了自己,经过不懈的努力,使工作水平有了长足的进步,开创了工作的新局面,为医院及部门工作做出了应有的贡献。
2、思想政治表现、品德素质修养及职业道德。
能够认真贯彻党的基本路线方针政策,认真学习马列主义、毛泽东思想、医学教,育网邓小平理论和“三个代表”的重要思想。
坚持“以病人中心”的临床服务理念,发扬救死扶伤的革命人道主义精神,立足本职岗位,踏踏实实做好医疗服务工作。
向各位局领导以及全体教职工进行述职,请予批评指正。
一、工作目标完成情况我校一年来,秉承“质量是生命,师德是灵魂,公平是民心,安全是保障”的教育理念,以全面提升教育教学质量为核心,以标准化学校建设为突破口,以“让教育接地气,创建新学校”为学校发展目标,团结一心,攻坚克难,大打翻身仗,学校办学条件和办学效益实现了“质”的飞越。
在全体教职工的努力下,我们基本完成了《XX年目标管理责任状》中的德育管理、教学管理、两基、师训、标准化学校建设、特色学校建设、艺体卫、财务管理、捐资助学、组织工作、信访监督、工会及团队、行风建设、安全、政务等xx项工作任务。
3、专业知识、工作能力和具体工作。
能严格遵守医院的各项规章制度,刻苦严谨,视病人为上帝,始终把他们的利益放在第一位。
能及时准确的完成病历、病程录的书写,对一些常见疾病能独立诊断、治疗。
较好的完成了自己的本职工作。
遇到问题能在查阅相关书籍仍不能解决的情况下,虚心的向上级医生请教,自觉的做到感性认识和理性认识相结合,从而提高了自己发现问题、分析问题、解决问题的能力。
编号: JHS-1-2-工程名称新建吉林至珲春客运专线工程施工单位吉图珲一标二工区JHS-1 标段工程部位C25混凝土拱形截水骨架护坡施工交底时间交底内容:1、作业准备(1)内业技术准备技术交底编制后,在动工前组织架子队技术人员仔细学习,阅读、审查施工图纸,澄清相关技术问题,熟习规范和技术标准。
(2)现场准备施工现场三通一平工作要达成,进入工作面等施工辅道已经修建完成;混凝土拌合站砂、石原资料已经试验抽检合格;各施工机具已进场并知足施工生产要求;各作业人员已进场并进行技术交底培训;路堑边坡开挖达成后,人工修整边坡至设计坡率,施工边坡上、下两级平台处排水设备及C25混凝土平台,在拱形骨架护坡下方边坡平台基础施工达成后,紧跟截水骨架护坡施作。
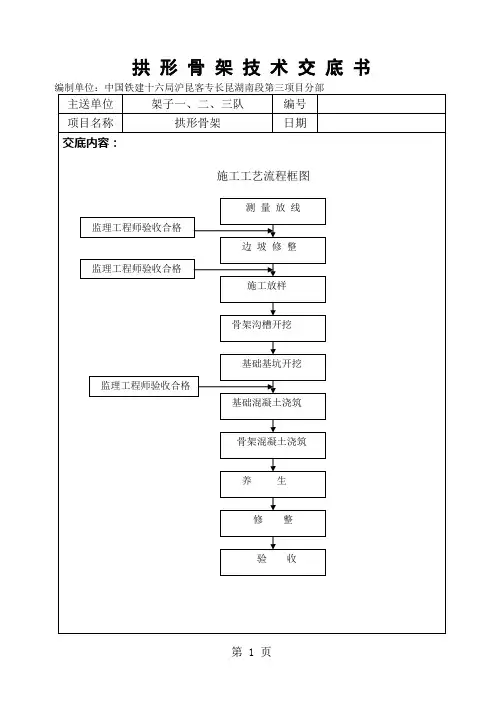
2、 C25混凝土拱形截水骨架护坡施工工艺流程施工准备→丈量放样→基槽开挖→基底检查→设置泄水孔→浇筑镶边、骨架→混凝土保养→伸缩缝设置→骨架内铺设空心砖→空心砖内客土→撒播植草→种植灌木→查收。
详细见第二页“ C25混凝土拱形截水骨架护坡施工工艺流程图”。
3、 C25混凝土拱形截水骨架护坡施工过程(1)施工准备a、原资料准备混凝土采纳中铁四局吉图珲客专JHSⅠ标项目经理部2#搅拌站集中拌合,截水骨架模板采纳定型钢模及镶边及踏步模板采纳竹胶板。
交底人/ 时间审查人/ 时间接收人/ 时间编号: JHS-1-2-工程名称新建吉林至珲春客运专线工程施工单位吉图珲一标二工区JHS-1 标段工程部位C25混凝土拱形截水骨架护坡施工交底时间交底内容:拱形骨架护坡施工工艺流程图施工准备坡面修整丈量放样基槽开挖基底检查设置泄水孔模板安装浇筑镶边及骨架混凝土保养伸缩缝设置空心砖铺设空心砖内客土撒播植草、种植灌木验收交底人/ 时间审查人/ 时间接收人/ 时间编号: JHS-1-2-工程名称新建吉林至珲春客运专线工程施工单位吉图珲一标二工区JHS-1 标段工程部位C25混凝土拱形截水骨架护坡施工交底时间交底内容:b、施工现场准备施工现场做好暂时防排水系统、安排好暂时用电、装备混凝土施工、养生设备。
拱形护坡施工技术交底一、施工前准备工作拱形护坡作为一种常见的施工工艺,在施工前需要进行一系列的准备工作,以保证施工的顺利进行。
首先,需要对拱形护坡的施工区域进行勘测,确定地形状况和施工难度。
在勘测过程中,要注意对施工区域的土壤质量、坡度和坡度变化等进行详细记录,并进行分析。
其次,需要制定详细的设计方案,确定施工的具体操作步骤和材料需求。
最后,需要组织人员进行技术交底,确保施工人员对拱形护坡施工技术的了解和掌握。
二、施工材料准备拱形护坡的施工需要准备一系列的材料,包括但不限于护坡砖、胶水、水泥、砂浆等。
在准备施工材料时,要注意选择质量稳定的产品,并统一进行验收和编号,以防止混乱和损耗。
三、施工工艺及步骤1. 清理施工区域:施工前要对施工区域进行清理,清除杂草、石块等,确保施工区域的平整度。
2. 土壤处理:对施工区域的土壤进行处理,去除松动土和浮土,并进行均匀压实,以提供一个稳定的基础。
3. 设计并铺设定位线:根据设计方案确定拱形护坡的开挖范围和施工高度,使用绳子或木条等材料进行定位并标示。
4. 开挖土坑:按照设计方案要求,在定位线内进行开挖土坑,土坑深度一般为护坡砖的高度加一定厚度的基础。
5. 坡面处理:对土坑的坡面进行处理,保持较平整的斜坡,以便后续施工。
6. 砌筑护坡砖:用胶水和砂浆将护坡砖一块一块地砌筑到坡面上,注意砖与砖之间的垂直度和水平度要保持一致。
7. 粘贴防护层:将防护层材料粘贴在护坡砖的表面,以保护护坡砖不易受损。
8. 灌注砼:将水泥、砂浆等材料按照一定的比例混合均匀,并倒入预留的开槽中,填满土坑。
9. 表面处理:用抹光工具将灌注的砼表面进行抹平,使其更加平整。
10. 养护:对施工完成后的拱形护坡进行养护,使用水进行湿润保养,并进行适当的覆盖保护,以确保施工质量。
四、施工注意事项1. 施工人员要按照工艺要求进行操作,注意安全,避免发生意外事故。
2. 施工区域要保持整洁,清理施工垃圾和废料,避免对周边环境造成污染。
中国建筑项目管理表格分项工程交底卡表格编号DT2HXXZ-工程名称南宁市轨道交通2号线工程(安吉车俩段与综合基地)分项工程名称拱形骨架护坡施工技术交底工程量分包单位广西泰宁劳务有限公司负责人交底内容1.施工准备施工开始前应认真作好以下各项工作:(1)拱形骨架护坡浆砌片石防护的材料主要是砂、片石、水泥。
材料进场前需对各种原材料进行原材检验,合格后方可进场;对砌筑砂浆进行配合比试验,确定材料的使用配比;施工过程对砌筑砂浆进行随机抽检,做成砂浆试块送试验检测机构进行砂浆强度检验,确保砂浆的强度符合要求。
(2)施工机械进场后及时进行调试,由机械工程师组织机械验收。
(如钩机、搅拌机)(3)对现场的临时运输道路进行修复,施工场地硬化,现在水电供应满足施工需求,就近区域选择合适的种植土,经试验检测合格后备用。
(4)劳务公司需准备如下人员,工人进入工地必须进行可视化教育,方可施工。
序号专业工种人数备注1 技术员2 管理人员2 测量员 2 管理人员3 材料员 1 管理人员4 电工 2 边坡施工人员5 混凝土浇筑工 4 边坡施工人员6 砌筑工32 边坡施工人员7 机械司机工 4 边坡施工人员(5)准备好需要的机械工具。
2.拱形骨架护坡施工要求(1)坡顶天沟砌筑①天沟施工顺序为:清理地表植被及其它废料→地面平整→沟槽开挖→天沟施工。
②清表、地面平整、沟槽开挖工作应同步进行,组织挖掘机进行土方施工,清出的废料由自卸车运出场地,地面平整范围为边坡坡顶至天沟外侧边,平整时由测量工程师对地表标高跟踪测量,保证地面标高、天沟底标高符合图纸要求。
③天沟施工一般要求a.沟底土面平整结实,如遇到软弱土面应换填或进行加固处理;b.砌筑前,应在砌体外将石料上的泥垢冲洗干净,砌筑时保持砌石表面湿润;c.应采用坐浆法分层砌筑,铺浆厚宜2.5cm,随铺浆随砌石,严禁先堆砌石块再用砂浆灌缝;d.上下层砌石应错缝砌筑;e.砌筑因故停顿,砂浆已超过初凝时间,应待砂浆强度达到2.5MPa后才可继续施工;在继续砌筑前,应将原砌体表面的浮渣清除;砌筑时应避免振动下层砌体;f.每隔30m或转角处设置沉降缝,缝宽10mm,后期使用沥青填补。
施工技术交底项目单位名称:中建股份有限公司怀邵衡铁路一分部年月日编号:工(2016)- 单位工程名称路基边坡防护里程/桩号DK216+008-DK230+013设计文件图号路基工程设计和施工参考图集附册施工部位混凝土拱形骨架交底主要内容:一、适用范围适用于中国建筑股份有限公司怀邵衡铁路HSHZQ-7标一分部管段内DK216+008-DK230+013区间段混凝土拱形骨架施工。
二、施工方案、工艺及要点2.1 施工工艺流程报检合格混凝土拱形骨架施工流程图2.2 施工总体工况说明DK216+008-DK230+013区间路基路堑边坡防护变更,路堑边坡空心砖拟调整为现浇C25混凝土骨架,路堑边坡浆砌片石(骨架及镶边、锚索、锚杆框架梁边坡平台及镶边、浆砌片石植草窗护坡等)浆砌片石均变更为C25混凝土,主骨架净距为2.5m,拱间净距为2.5m,主骨架厚度为60cm,支骨架厚度为40cm;2.3、施工准备1、技术准备组织工程部、试验室、测量队、作业队等有关人员进行熟悉边坡混凝土拱形骨架设计图纸以及施工技术规范要求,并细致组织学习施工方案及工艺要求,质量检测标准及质量操作要点,材料质量要求及检测方式频率等。
2、混凝土协作比设计准备选购材料进场前,应先通过试验鉴定,合格后才可以接受。
提前做好砼协作比设计。
3、劳动和料具准备依据挡土墙的工程数量及进度要求,恰当组织好劳动力。
拱形骨架施工所需砂、水泥等要能满足施工须要。
2.4、施工方法混凝土拱形骨架内正视图(1)测量放样测量队依据设计图纸要求分段放样,确定路基边坡坡率、边坡上、下线,留意边测量放样刷坡开挖混凝土拱形骨架基础模板拼装加固浇筑C25混凝土混凝土养护平安环保措施:一、平安措施1、在施工作业场地设置明显标记,施工重地,闲人免进,进入施工现场,必需戴平安帽。
2、平安用电,配电盘应严加爱惜,设置漏电爱惜装置,防止漏电。
所用电线不得私自乱拉乱扯,经常检查电路系统是否有破皮、漏电、短路等潜在问题。
拱形骨架护坡施工监督交底
项目概述
本文档详细介绍了拱形骨架护坡的施工监督交底事项。
工序介绍
- 地基准备:包括场地清理与整平等工作。
- 拱形骨架安装:构建拱形框架。
- 钢筋绑扎:将钢筋焊接绑扎到拱形骨架上。
- 网格布设置:将网格布固定到钢筋上。
- 灌注混凝土:混凝土灌注至拱形骨架与网格布之间。
- 养护管理:对混凝土进行养护管理。
监督交底
1. 施工前,监理工程师应向项目施工人员讲解工程监督交底内容。
2. 工程质量监督员应对施工现场进行全程监督,确保每项工作符合监理工程师交底的要求。
3. 就施工过程中发现的问题应及时通知有关人员进行整改,直至问题解决为止。
4. 记录每一次施工后的质量、安全、卫生检查情况,以供日后
查找。
安全注意事项
- 禁止操作人员在高处嬉戏和乱扔物品,以免拉伤或砸伤人员。
- 确保使用的机械设备符合国家安全标准,并经过检修合格后
方可使用。
- 操作人员必须接受安全培训,并配备必要的安全防护用品。
结语
本文档所述内容为拱形骨架护坡施工监督交底的基本事项,是
项目质量与安全的重要保障。
监理工程师与工程质量监督员应认真
执行相关规定,确保施工过程质量安全、顺利进行。
拱形骨架护坡施工安全技术交底拱形骨架护坡施工安全技术交底一、工程概况我部承担的DK199+106~DK199+930两侧路基边坡采用M7.5浆砌片石拱形骨架防护,骨架内栽植紫穗槐防护,栽植间距0.4m,等边三角形布置。
拱形骨架主要设置在路基填土高度大于8米的土质路基边坡上,边坡坡率为1:1.5。
二、施工准备施工前首先进行施工放样,并应挂线施工,以保证线形和表面平整度。
如果砌体底基面或坡面土层松软,还应对基面的松散土层、浮土进行夯实处理。
对于反开挖的路基边沟,土基的压实度应与同层路基土压实度相同,以免下沉而使砌体产生裂缝,影响砌体的整体稳定性。
(一)材料(1)浆砌防护的材料主要是砂、片石、水泥。
材料进场前需各种原材料的品质进行试验,合格后方可进场,在材料进场后还要对砼的原材料进行抽检,其各项指标均要符合设计的要求。
试验室提供施工的砂浆的配合比。
(2)片石质量要求。
石料应选用不易风化的硬石、密实、无裂缝、无水锈痕,不得使用风化严重、无工作面、含有泥土的片石,片石在使用前应用水冲洗并将尖锐部分凿除。
片石的抗压强度不小于30mp。
由于浆砌片石设计厚度在40cm左右,所以片石厚度应在30~35cm之间(太大太小均不宜控制砂浆饱满度和砌体表面平整度),要求不能使用卵石及薄片石,片石进场后要经过细心筛选,必要时要加工处理,使得片石至少有一个面为平面且色泽一致。
(3)细集料。
浆砌片石施工中使用的砂宜为中粗砂,若采用细砂,需加水泥的用量大。
砂的最大粒径不宜超过5mm。
(二)施工设备小型运输设备、砂浆拌合机。
(三)施工场地对路堤边坡清理完毕后,将场地清理平整,合理解决原材料的堆放、电力、水源的问题。
三、施工工艺流程拱型骨架护坡工艺流程图四、施工技术要求(一)技术指标。
一、交底目的为确保混凝土拱形骨架护坡施工过程中的安全,预防事故发生,特进行安全技术交底。
二、适用范围本交底适用于混凝土拱形骨架护坡的施工过程。
三、交底内容1. 施工人员安全教育(1)施工人员必须接受公司一级安全规章制度教育和现场施工管理人员安全技术交底,经考核合格后方可上岗作业。
(2)施工人员应熟悉本工程的安全操作规程,严格遵守各项安全规定。
2. 施工现场安全管理(1)施工现场应设置明显的安全警示标志,施工人员必须佩戴安全帽、安全带等个人防护用品。
(2)施工现场应保持整洁,通道畅通,严禁乱堆乱放材料、工具等。
(3)施工现场应设置安全防护设施,如围栏、警戒线、警示灯等,确保施工安全。
3. 施工过程安全措施(1)模板工程1)模板安装前,应对模板进行验收,确保其符合设计要求。
2)模板安装时,应按设计要求进行,确保模板安装牢固。
3)模板拆除时,应按顺序进行,防止模板倾倒伤人。
(2)混凝土工程1)混凝土浇筑前,应检查模板、钢筋等,确保其符合设计要求。
2)混凝土浇筑时,应按设计要求进行,防止混凝土流淌、渗漏。
3)混凝土振捣时,应采用插入式振捣器,并确保振捣密实。
(3)焊接工程1)焊接作业前,应检查焊接设备,确保其安全可靠。
2)焊接作业时,应穿戴防护用品,防止触电、烫伤。
3)焊接作业完成后,应及时清理现场,防止火灾事故。
4. 应急措施(1)施工现场应配备必要的安全防护设施和应急救援器材。
(2)施工人员应熟悉应急救援措施,一旦发生事故,应立即采取应急措施,并及时上报。
四、交底要求1. 施工单位应将本交底内容纳入施工组织设计,并作为施工过程中的重要依据。
2. 施工单位应定期对施工人员进行安全技术培训,提高施工人员的安全意识。
3. 施工单位应加强施工现场安全管理,确保施工安全。
五、交底时间本交底自发布之日起实施。
六、交底单位(单位名称)(单位盖章)(日期)。
拱形骨架护坡施工要点交底1. 背景介绍拱形骨架护坡是一种常用的土木工程施工技术,用于保护山体和土坡,降低土壤侵蚀和滑坡等灾害风险。
本文档将介绍该施工技术的要点,以确保施工过程顺利进行。
2. 施工材料准备在进行拱形骨架护坡施工前,必须准备以下材料:- 钢筋骨架:选择合适的规格和质量的钢筋,确保骨架的稳固性和可靠性。
- 土壤和石料:根据设计要求,选择合适的土壤和石料,以达到护坡的稳定性要求。
3. 施工步骤拱形骨架护坡施工的步骤如下:1. 基坑开挖:根据设计要求,进行基坑的开挖工作,并清理底部的杂物。
2. 钢筋骨架安装:按照设计图纸,将预制好的钢筋骨架安装到基坑中,并保证骨架的稳固性。
3. 填筑土壤:使用合适的土壤将基坑中的空隙填满,并通过压实操作确保土壤的密实性。
4. 石料覆盖:在土壤填筑完成后,将石料覆盖在土壤表面,以增加护坡的稳定性。
5. 坡面整平:使用挖掘机或机械设备将整个护坡坡面进行整平,确保坡面的平整度和平稳度。
4. 施工注意事项在进行拱形骨架护坡施工时,需要注意以下事项:- 施工人员必须严格按照设计图纸和工艺规范进行操作,确保施工质量和安全性。
- 施工现场应设置警示标志和安全防护设施,防止人员误入施工区域。
- 施工过程中要注意环境保护,合理利用和处理废弃物,减少对周围生态的影响。
5. 安全措施为确保施工过程的安全性,需要采取以下措施:- 施工人员必须佩戴符合要求的安全防护用品,如安全帽、手套、安全鞋等。
- 施工现场应设置合理的临时围栏和警示标志,提醒人员注意施工区域的危险性。
- 设立专人负责施工现场的安全管理,并进行定期安全检查和隐患排查。
以上是拱形骨架护坡施工要点的交底内容,希望施工人员能够严格按照要求进行操作,并确保施工质量和安全性。
现浇混凝土拱形骨架技术交底现浇混凝土骨架技术交底一、编制依据1.1《高速铁路路基工程施工质量环评标准》(tb10751-2021)1.2《铁路混凝土工程施工质量环评标准》(tb10424-2021)1.3《施工图设计文件》1.4总体施工非政府设计二、适用范围新建高速铁路以及客运专线路基段拱形骨架施工。
三、交底内容1、施工准备(1)、施工前要清刷坡面浮土,弥补坑凹陷并拍摄实使坡面平坦。
(2)、骨架浇筑前应按设计形式尺寸挂线放样,开挖沟槽,开挖时采用小型挖掘机配合人工作业,开挖过程中控制好尺寸、坡率及标高,施工中不允许出现超挖现象,如出现超挖现象应用粘土进行回填,夯实。
2、工艺流程施工放样――坡面挖方施工――模板施工――混凝土施工。
3、材质建议1)、砂子:所用细砂必须洁净,不得含有草根、泥块等杂物,砂的含泥量不应超过3%。
2)、水泥:使用p.o.42.5普通硅酸盐水泥。
3)、碎石:碎石的选择应符合设计(配合比报告)及规范要求。
4)、模板:所用模板必须光滑、平整。
4、施工工艺拱形护坡使用人工挖方,支架模板法先下级后上级逐级施工的次序。
(1)、施工放样依据设计文件放样横、竖梁的位置,与设计文件有出入的地方要合理布置,特别注意边坡边角处的放样。
保证横、竖梁的顺畅性及整体线型的圆顺性。
测量放样过程中及时做好护桩工作,以便后期准确使用。
测量放样后,经测量监理工程师认可后方可进行坡面挖方施工。
(2)、坡面挖方施工施工前先清刷坡面浮土,填补坑凹,使坡面大体平整。
对相邻级边坡间的平台要做整平夯实处理,同时要保证一定的单向纵坡,以保证平台水沟的稳定性及排水顺畅性。
根据放样后的横、竖梁位置,采用小型机具配合人工挖方。
对不稳定的挖方槽底及坡面要做换填夯实处理。
同一级边坡挖方顺序是:由上至下,一步到位,槽底密实平顺,禁止超挖。
(3)、模板施工模板安装前,先安装钢管架的稳固架。
稳固架采用钢管临时锚固坡面内的方法。
然后安装模板的支架,再进行模板安装。
拱形骨架护堤施工技术交底
介绍
拱形骨架护堤施工技术是一种用于堤防修建的先进技术。
本文档旨在对该技术进行交底,确保施工人员了解并能正确应用。
施工过程
1. 土地准备:在施工区域进行清理和平整,确保土地表面平稳可靠。
2. 基础处理:根据设计要求进行基础处理,包括挡土墙和打桩等工作。
3. 骨架组装:根据设计图纸和施工方案,按照拱形骨架的形状进行骨架组装。
确保组装牢固可靠,并采取措施防止骨架移动或倾斜。
4. 填充材料:使用设计要求的填充材料,将其均匀地填充到拱形骨架之间和周围。
确保填充材料的密实性和稳定性。
5. 排水系统:安装有效的排水系统,确保堤防上的水能迅速排出,减少压力。
6. 周边环境保护:在施工过程中,要注意保护周边环境,不要将废弃物或污染物排入水源或土壤中。
7. 安全措施:施工过程中,必须进行必要的安全措施,包括佩
戴安全帽、防护用具等,确保施工人员的安全。
注意事项
- 在施工前,要详细查阅设计图纸和施工方案,确保施工按照
要求进行。
- 施工过程中,要严格遵守相关法律法规和安全操作规程。
- 如遇到问题或困难,及时与相关技术人员或负责人协商解决。
以上是拱形骨架护堤施工技术交底的内容,请施工人员按照要
求进行施工,并确保施工质量和安全。
单位:第3页共 12 页
工程名称路基工程交底至单位
工程部位C25混凝土拱形截水骨架护坡施工交底时间2015.3.16
交底内容:
b、施工现场准备
施工现场做好临时防排水系统、安排好临时用电、配备混凝土施工、养生设备。
(2)测量放样
根据设计边坡与线路中心线的相对位置,放出边坡坡顶、坡脚线,边坡平台位置线,施工人员随后挂线进行边坡及平台的平整,清刷浮土、填补坑凹、并夯实坡面,坡面要平整、圆顺,然后根据设计形式、尺寸挂线放样(主骨架宽0.6m,净距B=2m,拱间净距2m,具体见下图“拱形骨架护坡正视图”)要求放出骨架起终点侧边,底部和顶部镶边线、主骨架及拱骨架线,并洒白灰线标示。
编制复核签收
单位:第4页共12 页
工程名称路基工程交底至单位
工程部位C25混凝土拱形截水骨架护坡施工交底时间2015.3.16 交底内容:
编制复核签收
单位:第5页共12 页
工程名称路基工程交底至单位
工程部位C25混凝土拱形截水骨架护坡施工交底时间2015.3.16
交底内容:
(3)基槽开挖
基槽采用人工开挖(主骨架宽0.6m,厚0.6m,净距2m;拱骨架宽0.5m,厚0.6m,拱间净距2m;骨架起终点侧边镶边宽0.6m,厚0.6m;顶部镶边宽0.5m,厚0.6m,底部襟边宽1m,厚0.6m),开挖时从上到下进行开挖,并修筑方便施工人员上下的台阶。
基槽开挖沿线路方向长度不能太长,能保证两个伸缩缝间混凝土施工循环就可以,在基槽开挖完后应立即进行模板支设、混凝土施工,以防止基槽暴露时间过长造成边坡坍塌,从而破坏路基实体质量。
基槽挂线开挖,以确保基槽尺寸符合设计要求。
护坡底部襟边与路堑顶连接见下图。
编制复核签收
技术交底书
技术交底书
技术交底书
技术交底书
技术交底书。