水轮机的选型设计说明
- 格式:doc
- 大小:1.42 MB
- 文档页数:14
水电站水轮机选型设计总体思路和基本方法水轮机选型是水电站设计中的一项重要任务。
水轮机的型式与参数的选择是否合理,对于水电站的动能经济指标及运行稳定性、可靠性都有重要的影响。
水轮机选型过程中,一般是根据水电站的开发方式、动能参数、水工建筑物的布置等,并考虑国内外已经生产的水轮机的参数及制造厂的生产水平,拟选若干个方案进行技术经济的综合比较,最终确定水轮机的最佳型式与参数。
一 已知参数1 电站规模:总装机容量:32.6MW 。
2 电站海拔:水轮机安装高程:▽=850m3 水轮机工作水头:max H =8.18m ,min H =8.3m ,r H =14.5m 。
二 机组台数的选择对于一个确定了总装机容量的水电站,机组台数的多少将直接影响到电厂的动能经济指标与运行的灵活性、可靠性,还将影响到电厂建设的投资等。
因此,确定机组台数时,必须考虑以下有关因素,经过充分的技术经济论证。
1机组台数对工程建设费用的影响。
2机组台数对电站运行效率的影响。
3机组台数对电厂运行维护的影响。
4机组台数对设备制造、运输及安装的影响。
5机组台数对电力系统的影响。
6机组台数对电厂主接线的影响。
综合以上几种因素,兼顾电站运行的可靠性和设备运输安装的因素,本电站选定机组为:4×8.15MW 。
三 水轮机型号选择 1 水轮机比转速s n 的选择水轮机的比转速s n 包括了水轮机的转速、出力与水头三个基本工作参数,它综合地反映了水轮机的特征,正确的选择水轮机的比转速,可以保证所选择的水轮机在实际运行中有良好的能量指标与空化性能。
各类水轮机的比转速不仅与水轮机的型式与结构有关,也与设计、制造的水平以及通流部件的材质等因素有关。
目前,世界各国根据各自的实际水平,划定了各类水轮机的比转速的界限与范围,并根据已生产的水轮机转轮的参数,用数理统计法得出了关于水轮机比转速的统计曲线或经验公式。
当已知水电站的水头时,可以用这些曲线或公式选择水轮机的比转速。
浅析水轮机的选型设计作者:张强来源:《科学与财富》2019年第16期摘要:水轮发电机时指以水轮机为原动机将水能转化为电能的发电机。
水流经过水轮机时,将水能转换成机械能,水轮机的转轴又带动发电机的转子,将机械能转换成电能而输出。
本文以对X水电站调节系统设计与分析为例。
从初步选择,对各项指标进行综合比较,到选定最优方案,确定水轮机型号HLA511-LJ-410、选择4台机组,来介绍水轮机选型方法。
一、水轮机类型的确定由所给出的原始数据克制水轮机的运行水头范围为52-76米,则可供选择的水轮机型式有混流式、斜流式以及轴流转浆式三种。
斜流式水轮机适用于水头变幅大的电站,转轮叶片可以转动而实现双重调节,处于高效率区的流量和出力范围大,效率曲线比较平坦。
但目前由于其制造工艺复杂,技术要求高,故很少使用。
而混流式水轮机具有结构紧凑、运行可靠、效率高,能适应很宽的水头范围等特点,技术十分成熟,是目前国际国内应用最广泛的水轮机机型,安装检修均具有强有力的技术保障,且由于本次设计的电站水头变化范围较小,且负荷变化较大,故决定采用混流式水轮机。
根据原始资料中的最高水头76米,查《混流式水轮机转轮型谱参数表》,经过初步比较判断选择6个型号的转轮,其详细参数见下表经过对这几个机型的参数的初步比较,可以看出A511-35型、HL220.46型及A248-35型模型水轮机在最优工况下的单位转速、单位流量、最高效率以及限制工况点的单位流量均比较高,且高效率区较宽,可使原型机获得较高的转速和较大的通过流量,从而在相同出力的情况下缩小机组的尺寸,同时模型机的气蚀系数较小,有利于电站的稳定运行,故选取上述三个水轮机机型进行计算.二、机组台数的确定由原始资料可知,该水电站的装机容量为280MW,根据实践经验,在合理要求的情况下,可采用3 台、4台、5 台机组的设计方案进行计算比较。
三、水轮及装置方式的确定设计电站的最大水头是76米,且装机容量属于大机组,故应按立式布置方式。
目录绪论 (1)第一章水轮机型号选择 (3)第一节选择机组台数、水轮机型号及装置方式 (3)第二节确定转轮直径、同步转速 (6)第三节运转综合特性曲线的计算和绘制 (14)第四节计算水轮机最大吸出高度和安装高程 (19)第五节待选方案的综合比较 (26)第二章蜗壳计算 (31)第一节形式、进口断面参数选择 (31)第二节蜗壳各断面参数计算 (35)参考文献 (40)总结 (41)绪论一、 设计目的:水轮机课程设计是水轮机课程教学中的一个重要实践环节,在学完水轮机有关章节的理论知识后,经过课程设计的实践,以达到巩固和加深所学理论知识的目的,并培养学生独立思考、工作的能力。
通过这一课程设计的实践,进一步掌握选型设计的内容、程序和步骤,应该考虑合比较的种种因素,培养查阅并利用资料、手册的能力。
为今后的毕业设计打下基础。
二、 设计任务:根据所给的原始资料,对指定原始参数进行水轮机选型设计,包括:1.选择机组台数、水轮机型号及装置方式2.确定转轮直径、同步转速3.运转综合特性曲线的计算和绘制4.计算水轮机最大吸出高度和安装高程5.待选方案的综合比较6.蜗壳的水力计算(1)确定蜗壳各断面尺寸(2)绘制蜗壳平面单线图三、 设计成果:1.设计计算说明书:设计说明书需说明设计思想、方案比较及最终结果设计计算书应包括设计计算过程、计算公式、参数选取的依据和计算结果2.用坐标纸绘制出的图纸四、 原始资料:电站名:CEH-1水电站该水电站为引水式开发的电站电力系统容量60万千瓦最大水头H max:320m设计水头H r:290m最小水头H min:250m装机容量:12万千瓦年利用小时数:4360h下游平均尾水位:1729.0m下游最低尾水位:1726.0m下游最高尾水位:1733.0m第一章 水轮机型号选择第一节 选择机组台数、水轮机型号及装置方式一、 机组台数及水轮机型号确定:1. 水轮机型号确定:由所给出的原始数据判断,水轮机的运行水头范围为:250m~320m,故可供选择的水轮机形式有混流式和冲击式两种。
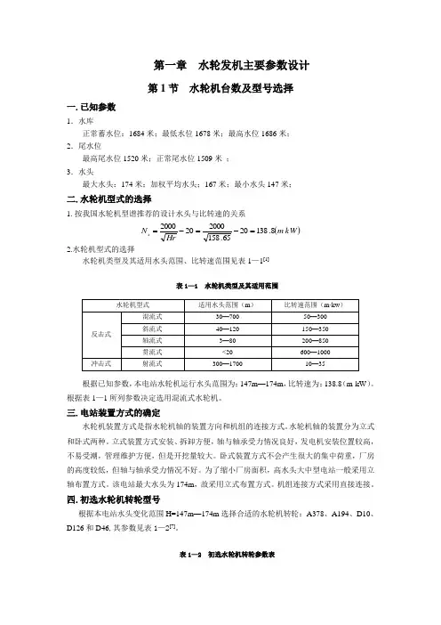
第一章 水轮发机主要参数设计第1节 水轮机台数及型号选择一.已知参数1.水库正常蓄水位:1684米;最低水位1678米;最高水位1686米; 2.尾水位最高尾水位1520米;正常尾水位1509米 ; 3.水头最大水头:174米;加权平均水头;167米;最小水头147米;二.水轮机型式的选择1.按我国水轮机型谱推荐的设计水头与比转速的关系()kW m Hr N s ·8.1382065.1582000202000=-=-=2.水轮机型式的选择水轮机类型及其适用水头范围、比转速范围见表1—1[1]表1—1 水轮机类型及其适用范围根据已知参数,本电站水轮机运行水头范围为:147m —174m ,比转速为:138.8(m·kW )。
根据表1—1所列参数决定选用混流式水轮机。
三.电站装置方式的确定水轮机装置方式是指水轮机轴的装置方向和机组的连接方式。
水轮机轴的装置分为立式和卧式两种。
立式装置方式安装、拆卸方便,轴与轴承受力情况良好,发电机安装位置较高,不易受潮,管理维护方便,但是开挖量较大。
卧式装置方式不会产生很大的集中荷重,厂房的高度较低,但轴与轴承受力情况不好。
为了缩小厂房面积,高水头大中型电站一般采用立轴布置方式。
该电站最大水头为174m ,故采用立式布置方式。
机组连接方式采用直接连接。
四.初选水轮机转轮型号根据本电站水头变化范围H=147m —174m 选择合适的水轮机转轮:A378、A194、D10、D126和D46,其参数见表1—2[7]。
表1—2 初选水轮机转轮参数表五.拟定机组台数并确定单机容量总装机容量N =65MW ,保证出力:N b =30MW ,年利用小时数:4560h ,取同步发电机效率ηg =97%;通过试算HLA194、HLD46出力不满足要求,最终确定选用HLA378、HLD10和HLD126三个方案。
方案列表如下:表1—3 水轮机组选型及台数汇总表第2节 各方案参数的计算一.HLA378各参数的计算1.计算转轮直径水轮机额定出力为:()kW 3350597.032500===ggr N P η 取最优单位转速n 110=69(r/min )与出力限制线交点的单位流量为设计工况点的单位流量Q 110=0.72(m 3/s),对应的模型效率ηm =0.888,暂取效率修正值Δη=2%,则设计工况下原型机效率η=ηm +Δη=0.888+0.02=0.908。
院校:河北工程大学水电学院专业班级:水利水电建筑工程01班姓名:苏华学号: 093520101指导老师:简新平水电站水轮机的选型设计摘要本说明书共七个章节,主要介绍了大江水电站水轮机选型,水轮机运转综合特性曲线的绘制,蜗壳、尾水管的设计方案和工作原理以及调速设备和油压装置的选择。
主要内容包括水电站水轮机、排水装置、油压装置所满足的设计方案及控制要求和设计所需求的相关辅助图和设计图。
系统的阐明了水电站相关应用设备和辅助设备的设计方案的步骤和图形绘制的方法。
关键词:水轮机、综合运转特性曲线图、蜗壳、尾水管、调速器、油压装置。
【abstract】Curriculum project of hydrostation is a important course and practical process in curriculum provision of water-power engineering major . There are more contents and specialized knowledge in the curriculum project , which make students not to adapt themselves quickly to complete the design . In this paper , characteristic of the curriculum project is analyzed , causes of inadaptation to the curriculum project in students are found , rational guarding method are proposed , and a example of applying the guarding method is given . The results show that using provided method to guard student design is a good method , when teaching mode and time chart are given , students are guarded from mode of thinking and methodology , and design step are discussed and given . After the curriculum project of hydrostation , the capability of students to solve practical engineering problems is improved , and the confidence to engage in design is strengthened .【Keyword】Curriculum project of hydrostation ; guarding method ; mode of thinking ; methodology; design step.水电站水轮机选型设计第一节基本资料 (4)1.1基本资料1.2设计内容第二节机组台数与单机容量的选择 (4)2.1 机组台数与机电设备制造的关系2.2 机组台数与水电站投资的关系2.3 机组台数与水电站运行效率的关系2.4 机组台数与水电站运行维护工作的关系2.5 单位容量的选择第三节水轮机型号、装置方式、转轮直径、转速、及吸出高度与安装高程的确定 (5)3.1 HL240型水轮机3.2 ZZ440型水轮机3.3 两种方案的比较分析第四节水轮机运转特性曲线的绘制 (13)4.1 基本资料4.2 等效率曲线的计算与绘制4.3 出力限制线的绘制4.4 等吸出高度线的绘制第五节蜗壳设计 (15)5.1 蜗壳型式选择5.2 主要参数确定5.3 蜗壳的水力计算及单线图,断面图的绘制第六节尾水管设计 (18)6.1 尾水管型式的选择6.2 尺寸确定及绘制平面剖面单线图第七节调速设备的选择 (19)8.1 调速器的计算8.2 接力器的选择8.3 调速器的选择8.4 油压装置的选择参考资料 (21)大江水电站水轮机选型设计第一节基本资料1.1基本资料大江水电站,最大净水头H max=35.87m,最小净水头H min=24.72m,设计水头H p=28.5m,电站总装机容量N装=68000KW,尾水处海拔高程▽=24.0m,要求吸出高Hs> -4m。
水轮机的选型设计
首先,选型设计需要考虑水资源情况。
包括水流量、水头、流速等因素。
确定的水资源情况可以通过多年的水文资料、水文观测和实地调查等
方式获得。
水资源情况的精确测定对于选型设计的准确性具有重要意义。
其次,选型设计需要考虑工程项目的要求。
包括发电容量、发电效率、机组可靠性、运行稳定性、启闭机构、自动调节装置等方面的要求。
在满
足工程项目要求的基础上,尽量提高水轮机的效率和可靠性,减少发电设
备的故障率和停机时间,提高水轮机的经济性。
然后,选型设计需要考虑水轮机的技术指标。
包括水轮机的额定功率、转速、轮径、转矩、效率等参数。
这些指标与水资源情况和工程项目要求
有密切关系。
在确定水轮机的技术指标时,需要平衡各项指标之间的关系,并综合考虑各个方面因素的影响。
最后,选型设计需要进行经济性考虑。
在满足水资源情况、工程项目
要求和技术指标的基础上,要综合考虑水轮机的造价、运维成本、发电收
益等因素,以达到经济合理的选型。
选型设计不仅要考虑现有的水轮机型号和参数,还要根据工程要求和
技术进步的需要,进行改造和创新。
通过采用新材料、新工艺、新技术等
手段,进一步提高水轮机的效率和可靠性,降低水轮机的运维成本,提高
水轮机的经济性。
总之,水轮机的选型设计是一个复杂而重要的工作。
需要综合考虑水
资源情况、工程项目要求、技术指标和经济性等因素,并进行相应的设计
和改进。
只有经过科学合理的选型设计,才能获得满足工程需求和经济效
益的水轮机。
第六节 水轮机的选型水轮机选型设计是水电站设计中的一项重要工作。
它不仅包括水轮机型号的选择和有关参数的确定,还应认真分析与选型设计有关的各种因素,如水轮发电机的制造、安装、运输、运行维护,电力用户的要求以及水电站枢纽布置、土建施工、工期安排等。
因此,在选型设计过程中应广泛征集水工、机电和施工等多方面的意见,列出可能的待选方案,进行各方案之间的动能经济比较和综合分析,力求选出技术上先进可靠、经济上合理的水轮机。
一、水轮机选型设计的内容及基本资料1.水轮机选型设计的内容 (1)确定单机容量及机组台数; (2)确定机型和装置形式;(3)确定水轮机的功率、转轮直径、同步转速、吸出高度及安装高程,轴向水推力,飞逸转速等参数。
对于冲击式水轮机,还包括确定射流直径与喷嘴数等;(4)绘制水轮机的运转综合特性曲线; (5)确定蜗壳和尾水管的型式及尺寸; (6)估算水轮机的外形尺寸、重量和价格;(7)提出在特性或结构上的某些特殊要求进行设备投资总概算等。
2.水轮机选型设计所必需的基本资料。
水轮机的型式及参数的选择是否合理,是否与电站建成后的实际相吻合,在很大程度上取决于以原始资料的调查、汇集和校核。
初步设计时,通常应具备上述的基本资料。
(1)枢纽资料:包括河流的水能总体规划、流域的水文地质、水能开发方式、水库的调节性能、水利枢纽布置、电站类型及厂房条件、上下游综合利用的要求,工程的施工方式和规划等情况。
还应包括经过严格分析与核准的水能基本参数,诸如电站的最大水头max H ,最小水头min H ,加权平均水头a H ,设计水头r H ,各种特征流量a Q Q Q 、、max min ,典型年(设计平水年、丰水年、枯水年)的水头,流量过程线。
此外还应有电站的总装机容量、保证出力以及水电站下游水位流量关系曲线。
(2)电力系统资料:包括电力系统负荷组成,设计平水年负荷图、典型日负荷图,远景负荷;设计电厂在系统中的作用与地位,例如调峰、基荷、调相、事故备用的要求以及与其他电站并列调配运行方式等。
第一章 水轮机的选型设计第一节 水轮机型号选定一.水轮机型式的选择根据原始资料,该水电站的水头范围为,查[《水电站机电设计手册—水力机械》表1-4]适合此水头范围水轮机的类型有斜流式和混流式。
又根据混流式水轮机的优点:(1) 比转速范围广,适用水头范围广;、(2) 结构简单,价格低;(3) 装有尾水管,可减少转轮出口水流损失;因此,选择混流式水轮机。
二.比转速的选择水轮机的设计水头估算为m H H p r 8.695.7395.095.0≈⨯==适合此水头范围的有HL260/D74和HL240/D41.[根据本电站水头变化范围(H=64-85m)查《水电站机电设计手册—水力机械》表1-4]三.单机容量 台数单机容量(万千瓦) 216 332/3 48 5第二节 原型水轮机主要参数的选择根据电站建成后,在电力系统的作用和供电方式,初步拟定为2台,3台,4台,5台,四种方案进行比较。
首先进行HL260/D74水轮机的选择一.二台1、计算转轮直径水轮机额定出力:kw N P G Gr 3.16326598.010164=⨯==η 上式中: G η-----发电机效率,取G N -----机组的单机容量(KW )由型谱可知,与出力限制线交点的单位流量为设计工况点单位流量,则Q 11r =s,对应的模型效率ηm =894%,暂取效率修正值 Δη=,η=+=。
模型最高效率为924%。
)(98.4924.08.69247.181.93.16326581.95.15.1111m H Q P D r r =⨯⨯⨯==η 按我国规定的转轮直径系列(见《水轮机》课本),计算值处于标准值和5m 之间,且接近5m ,暂取D 1=。
2、计算原型水轮机的效率955.00.535.0)924.01(1)1(155110max =--=--=D D M M ηη 3、Δη=ηmax -ηM0=同步转速的选择min /5.13555.73791110r D H n n p=⨯== 此值介于125r/min 和 r/min 之间,且接近min ,所以取n=min 。
第一章 水轮机的选型设计第一节 水轮机型号选定一.水轮机型式的选择根据原始资料,该水电站的水头范围为65-84.5m ,查[《水电站机电设计手册—水力机械》表1-4]适合此水头范围水轮机的类型有斜流式和混流式。
又根据混流式水轮机的优点:(1) 比转速范围广,适用水头范围广;、(2) 结构简单,价格低;(3) 装有尾水管,可减少转轮出口水流损失;因此,选择混流式水轮机。
二.比转速的选择水轮机的设计水头估算为m H H p r 8.695.7395.095.0≈⨯==适合此水头范围的有HL260/D74和HL240/D41.[根据本电站水头变化范围(H=64-85m)查《水电站机电设计手册—水力机械》表1-4]三.单机容量第二节 原型水轮机主要参数的选择根据电站建成后,在电力系统的作用和供电方式,初步拟定为2台,3台,4台,5台,四种方案进行比较。
首先进行HL260/D74水轮机的选择一.二台1、计算转轮直径水轮机额定出力:kw N P G Gr 3.16326598.010164=⨯==η 上式中: G η-----发电机效率,取0.98G N -----机组的单机容量(KW )由型谱可知,与出力限制线交点的单位流量为设计工况点单位流量,则Q 11r =1.247m 3/s,对应的模型效率ηm =894%,暂取效率修正值 Δη=0.03,η=0.894+0.03=0.924。
模型最高效率为924%。
)(98.4924.08.69247.181.93.16326581.95.15.1111m H Q P D r r =⨯⨯⨯==η 按我国规定的转轮直径系列(见《水轮机》课本),计算值处于标准值4.5m 和5m 之间,且接近5m ,暂取D 1=5.0m 。
2、计算原型水轮机的效率955.00.535.0)924.01(1)1(155110max =--=--=D D M M ηη Δη=ηmax -ηM0=0.955-0.924=0.031η=ηm +Δη=0.894+0.031=0.9253、同步转速的选择min /5.13555.73791110r D H n n p=⨯== 此值介于125r/min 和136.4 r/min 之间,且接近136.4r/min ,所以取n=136.4r/min 。
水轮机的选型设计水轮机选型时水电站设计的一项重要任务。
水轮机的型式与参数的选择是否合理,对于水电站的功能经济指标及运行稳定性,可靠性都有重要影响。
水轮机选型过程中,一般是根据水电站的开发方式,功能参数,水工建筑物的布置等,并考虑国内外已生产的水轮机的参数及制造厂的生产水平,拟选若干个方案进行技术经济的综合比较,最终确定水轮机的最佳型式与参数。
一:水轮机选型的内容,要求和所需资料1:水轮机选择的内容(1)确定单机容量及机组台数。
(2)确定机型和装置型式。
(3)确定水轮机的功率,转轮直径,同步转速,吸出高度及安装高程,轴向水推力,飞逸转速等参数。
对于冲击式水轮机,还包括确定射流直径与喷嘴数等。
(4)绘制水轮机的运转综合特性曲线。
(5)估算水轮机的外形尺寸,重量及价格。
wertyp9ed\结合水轮机在结构、材质、运行等方面的要求,向制造厂提出制造任务书。
2.水轮机选择的基本要求水轮机选择必须要考虑水电站的特点,包括水能、水文地质、工程地质以及电力系统构成、枢纽布置等方面对水轮机的要求。
在几个可能的方案中详细地进行以下几方面比较,从中选择出技术经济综合指标最优的方案。
(1)保证在设计水头下水轮机能发生额定出力,在低于设计水头时机组的受阻容量尽可能小。
(2)根据水电站水头的变化,及电站的运行方式,选择适合的水轮机型式及参数,使电站运行中平均效率尽可能高。
(3)水轮机性能及结构要能够适应电站水质的要求,运行稳定、灵活、可靠,有良好的抗空化性能。
在多泥沙河流上的电站,水轮机的参数及过流部件的材质要保证水轮机具有良好的抗磨损,抗空蚀性能。
(4)机组的结构先进、合理,易损部件应能互换并易于更换,便于操作及安装维护。
(5)机组制造供货应落实,提出的技术要求要符合制造厂的设计、试验与制造水平。
(6)机组的最大部件及最重要部件要考虑运输方式及运输可行性。
3.水轮机选型所需要的原始技术材料水轮机的型式与参数的选择是否合理、是否与水电站建成后的实际情况相吻合,在很大程度上取决于对原始资料的调查、汇集和校核。
埃塞俄比亚GD-3电站水轮机选型说明1.水轮机参数水轮机模型参数表HLA550-LJ-250 转速428.6r/min水轮机运转特性曲线HLA892-LJ-245 转速428.6r/min水轮机运转特性曲线2.选型分析①能量特性水轮机能量特性通常用水轮机的效率来评定,在转轮的选择上,我公司着重考虑:<1>在额定工况具有较高效率;<2>在整个运行范围内其加权平均效率较高;<3>最佳的运行范围。
从上面的效率表和能量特性表可以看出:从上面比较可以看出,HLA550-LJ-250额定点效率较高,而HLA892-LJ-245最高效率较高。
从上面提供的水轮机运转特性曲线可以看出:HLA550-LJ-250的额定点在第一圈效率线以内;而HLA892-LJ-245的额定点在第二圈与第三圈效率线之间,故HLA892-LJ-245的整个运行范围更右边一些。
这点来看,HLA892-LJ-245具有更高的加权效率(由于没有加权因子,只能定性分析)。
②空蚀特性水轮机的空蚀性能好坏直接影响电站的开挖深度以及今后电站的稳定运行,水轮机空蚀性能差将不仅破坏机组,引起噪声、振动和效率的下降,而且还影响水轮机的寿命,严重时将使机组无法安全运行。
从上面的水轮机主要参数表可以看出:对于本电站水轮机,HLA550-LJ-250的额定点吸出高度为-8.66m,而HLA892-LJ-245的额定点吸出高度为-2.65m。
HLA892-LJ-245具有更好的汽蚀性能。
③运行稳定性效率、空化和稳定性是水轮机的三个最重要的指标。
效率关系到水能的利用程度,空化关系到机组的寿命,而水轮机稳定性的重要性在于机组能否安全正常运行。
我们通过上面的水轮机运转特性曲线可以看出,对于本电站,HLA550-LJ-250只包含有很一部分最优区,而HLA892-LJ-245包含了绝大部分最优区。
故从机组的运行稳定性上来说,HLA892-LJ-245具有更好的机组运行稳定性。
水轮机课程设计任务书水电站初步设计(水力机械)学校:武汉大学学院:动力与机械学院专业:能源动力系统及自动化(B方向)学号:200732650081姓名:田文刚指导老师:余波时间:2010-7-1目录水轮机选型课程设计 (3)一、ZX水电站水轮机选型计算 (4)1.ZX水电站基本资料 (4)2.选型计算过程 (4)3.确定水轮机的安装高程 (6)二、绘制水轮机运转综合特性曲线图 (6)1.绘制等效率曲线: (7)2.绘制功率限制线: (10)3.绘制等吸出高度线: (11)4.绘制运转综合特性曲线: (11)三、蜗壳水力设计 (12)四、水轮机尾水管设计 (17)五、附录 (17)六、参考文献 (17)【摘要】实际运用水轮机选型和设计的基本原理和过程,查阅相关设计资料,对扎西水电站的蜗壳,水轮机参数,尾水管等进行了设计,并绘制了原型水轮机的运转综合特性曲线图。
设计过程中利用了autocad,matlab,office 和photoshop等实用工具软件,利用各个软件的优势自动处理数据和作图,增强了数据的精确度和效率。
【关键字】水电站混流式水轮机蜗壳尾水管特性曲线【abstract】Practical application of hydraulic turbine type design and basic principle and process, related to design data, the spiral, turbine hydropower ZX, parameters, etc, and draw the prototype design of turbine performance curve. The design process, using autocad, office and matlab tools, such practical photoshop using various software automatic data processing and mapping, enhance the accuracy and efficiency of the data.【key word】Hydropower station mixed-flow turbinevolute draft tube characteristic curve水轮机选型课程设计一、ZX水电站水轮机选型计算1.ZX水电站基本资料2.选型计算过程1)机组选择总装机容量为450MW,暂定机组台数为4台,则单机容量为112.5MW。
水轮发电机组主要参数设计第一节水轮机型号的选择一、选择水轮机机型及电站装置方式1.水轮机机型的选择:由所给出的原始数据判断,水轮机的运行水头范围为:68-95m,故可供选择的水轮机形式有混流式、斜流式。
混流式水轮机具有结构紧凑、运行可靠、效率高,能适应很高的水头范围等特点,应用最广泛的水轮机机型,斜流式虽然效率高,但运行经验少且使用的厂家也少,同时由于本次设计的电站水头变化范围较宽,且负荷较为稳定,故决定采用混流式(HL)水轮机。
2.水轮机型号的选择:根据该电站的最大水头为95m,查《混流式水轮机转轮型谱参数表》,经过初步比较,同时考虑到单位转速高、单位流量大、转轮直径小、效率高、空蚀系数小等判断选择的九个型号见下表:表1-1-1 初选模型机转轮型谱参数表经过对各机型参数的初步比较,可以看出HL A285-46、HL A248-35及HLD74 -35在最优工况下的效率比较高,且单位流量n10、单位转速Q10以及限制工况点的单位流量Q11均比较高,可使原型机获得较高的转速和较大的通过流量,从而在相同出力的情况下缩小机组的尺寸,同时模型机的气蚀系数бm较小,有利于电站的稳定运行。
故选取上述三个水轮机进行计算,其具体参数如下表:表1-1-2 初选三个水轮机型号参数表3.机组台数的选择:由原始资料可知, 系统总装机容量150.7万kw ,本水电站的装机容量为58.7万kw ,根据规定电站的单机容量不允许超过系统总容量的10%,否则在电站机组发生故障时,会将整个系统拖垮甚至瓦解,故采用4台、5台机组的设计方案进行计算比较。
4.电站装置方式的确定水轮机的装置方式可分为卧轴和立轴两种。
卧轴布置方式布置简单,不需向下开挖但占地面积较大,一般用于小型电站或水头较低的贯流式水电站。
立轴布置方式具有占地面积小的特点,但需向下进行较大的土石开挖,增加土建投资成本。
为缩小厂房面积,高水头大型电站一般均采用立轴布置方式。
水轮机的选型设计水轮机选型时水电站设计的一项重要任务。
水轮机的型式与参数的选择是否合理,对于水电站的功能经济指标及运行稳定性,可靠性都有重要影响。
水轮机选型过程中,一般是根据水电站的开发方式,功能参数,水工建筑物的布置等,并考虑国内外已生产的水轮机的参数及制造厂的生产水平,拟选若干个方案进行技术经济的综合比较,最终确定水轮机的最佳型式与参数。
一:水轮机选型的内容,要求和所需资料1:水轮机选择的内容(1)确定单机容量及机组台数。
(2)确定机型和装置型式。
(3)确定水轮机的功率,转轮直径,同步转速,吸出高度及安装高程,轴向水推力,飞逸转速等参数。
对于冲击式水轮机,还包括确定射流直径与喷嘴数等。
(4)绘制水轮机的运转综合特性曲线。
(5)估算水轮机的外形尺寸,重量及价格。
wertyp9ed\结合水轮机在结构、材质、运行等方面的要求,向制造厂提出制造任务书。
2.水轮机选择的基本要求水轮机选择必须要考虑水电站的特点,包括水能、水文地质、工程地质以及电力系统构成、枢纽布置等方面对水轮机的要求。
在几个可能的方案中详细地进行以下几方面比较,从中选择出技术经济综合指标最优的方案。
(1)保证在设计水头下水轮机能发生额定出力,在低于设计水头时机组的受阻容量尽可能小。
(2)根据水电站水头的变化,及电站的运行方式,选择适合的水轮机型式及参数,使电站运行中平均效率尽可能高。
(3)水轮机性能及结构要能够适应电站水质的要求,运行稳定、灵活、可靠,有良好的抗空化性能。
在多泥沙河流上的电站,水轮机的参数及过流部件的材质要保证水轮机具有良好的抗磨损,抗空蚀性能。
(4)机组的结构先进、合理,易损部件应能互换并易于更换,便于操作及安装维护。
(5)机组制造供货应落实,提出的技术要求要符合制造厂的设计、试验与制造水平。
(6)机组的最大部件及最重要部件要考虑运输方式及运输可行性。
3.水轮机选型所需要的原始技术材料水轮机的型式与参数的选择是否合理、是否与水电站建成后的实际情况相吻合,在很大程度上取决于对原始资料的调查、汇集和校核。
根据初步设计的深度和广度的要求,通常应具备下述的基本技术资料:(1)枢纽资料:包括河流的水能总体规划,流域的水文地质,水能开发方式,水库的调节性能,水利枢纽布置,电站类型及厂房条件,上下游综合利用的要求,工程的施工方式和规划等情况。
还应包括严格分析与核准的水能基本参数,诸如电站的最大水头Hmax、最小水头Hmin,加权平均水头Ha,设计水头Hr,各种特征流量Qmin、Qmax、Qa,典型年(设计水平年,丰水年,枯水年)的水头、流量过程。
此外还应有电站的总装机容量,保证出力以及水电站下游水位流量关系曲线。
(2)电力系统资料:包括电力系统负荷组成,设计水平年负荷图,典型日负荷图,远景负荷;设计电厂在系统中的作用与地位,例如调峰、基荷、调相、事故设备的要求以及与其他电站并列调配运行方式等。
(3)水轮机设备产品技术资料:包括国内外水轮机型谱、产品规范及其特性;同类水电站的水轮参数与运行的经验,问题点等。
(4)运输及安装条件:应了解通向水电站的水陆交通情况,例如公路,水路,及港口的运载能力(吨位及尺寸);设备现场装配条件,大型专用加工设备在现场临时建造的可能性及经济性;大型部件整件出厂与分块运输现场装配的比价等。
除上述资料外,对于水电站的水质应有详细地资料,包括水质的化学成分,含气量,泥沙含量等。
二:水轮机选型的基本方法目前世界上各国在设计水电站中选择水轮机的方法不尽相同,其主要方法可以概括为以下几种。
1:应用统计资料选择水轮机这种方法以已建水电站的统计资料为基础,,通过汇集、统计国内外已建水电站的水轮机的基本参数,再把他们按水轮机型式,应用水头,单机容量等参数进行分析归类。
在此基础上,用数学统计法作出水轮机的比转速、单位参数与应用水头的关系曲线,ns=f(H)、n11=f(H)、Q11=f(H)以及电站空化系数与比转速的关系曲线qf=f(ns)等,或者数值逼近法得出关于这些参数的经验公式。
当确定了水电站的水头与装机容量等基本参数后,可根据统计曲线或经验公式确定水轮机的型式与基本参数。
按照选定的水轮机参数向水轮机生产厂提出制造任务书,由制造厂生产出符合用户要求的水轮机。
这种方法在国外被广泛采用。
2:按水轮机系列型谱选择水轮机在一些国家,对水轮机设备进行了系列化,通用化与标准化,制定了水轮机型谱,为每一水头段配置了一种或两种水轮机转轮,并通过模拟实验获得了各型号水轮机的基本参数与模型综合特性曲线。
这样设计者就可以根据水轮机型谱与模型综合特性曲线选择水轮机的型号与参数。
我国与原苏联都曾颁布过水轮机型谱。
水轮机型谱可为水轮机的选型设计提供了便利,可使选型工作简化与标准化。
但要注意不能局限于已制定的水轮机型谱,当型谱中的转轮性能不能满足设计电站的要求时,要通过认真分析研究提出新的水轮机方案,与生产厂商协商设计、制造出符合要求的水轮机。
同时,要不断完善、更新水轮机型谱。
3:要套用法选择水轮机这种方法是直接套用与拟建电站的基本参数(水头、容量)相近的已建水电站的水轮机型号与参数。
这种方法多用于小型水电站的设计,它可以使设计工作大为简化。
但要注意必须合理套用,要对拟建电站与已建电站的参数进行详细的分析与比较,还要考虑不同年代水轮机的设计于制造水平的差异,90年代设计的电站若直接套用60年代电站的水轮机,往往会使水轮机的参数偏低。
因此必要时对已建电站的水轮机参数作适当修正后再套用。
我国过去应用较多的方法是按照水轮机型谱来选择水轮机,但随着水电开发的进展,旧的水轮机型谱已不能满足目前水电站的设计的要求,设计者常采用不同的选型方法相互结合、相互验证,以保证水轮机选型的科学性与合理性。
三:机组台数选择对于一个确定了总装机容量的水电站,机组台数对的多少将直接影响到电厂的动能经济指标与运行的灵活性,可靠性,还影响到电厂建设的投资等,因此确定机组台数时必须考虑以下有关因素,经过充分的技术经济论证。
1:机组台数对工程建设费用的影响机组台式的多少直接影响单机容量的大小,单机容量不同时机组的单位千瓦造价不同,一般小机组的单位千瓦造价高于大机组,一方面,小机组的单位千瓦金属消耗大于大机组,另外单位重量的加工费也较大。
除主要机电设备外机组台数的增加,要求增加配套设备的台数,主副厂的平面尺寸也需增加,因次在同样的装机容量条件下,水电站的土建工程及动力厂房的成本也随机组的增加而增加。
2:机组台数对电站运行效率的影响当采用不同的机组台数时,电站的平均效率是不同的。
较大单机容量达的机组,其单机效率较高,这对于预计经常满负荷运行的水电站获得的效益较显著。
但是对于变动负荷的水电站,若采用过少的机组台数,,虽单机效率高,但在部分负荷时由于负荷不便在机组之间调节,因而不能避开低效率区,这会使电站的平均效率降低。
电站的最佳装机台数要通过电厂的经济运行分析来决定。
此外,机组类型不同时,台数对电站的运行效率的影响不同。
对于固定叶片式水轮机,尤其是轴流定桨式水轮机,其效率曲线比较陡峭,当出力变化时,效率变化剧烈。
若机组台数多一些,则可通过调整开机台数,而避开低负荷运行,从而使电站的运行效率明显提高。
但是对于转桨式水轮机或多喷嘴的水斗式水轮机,由于可以通过改变叶片角度或增减使用喷嘴的数目而使水轮机保持高效率运行,因此机组台数对电站运行效率的影响较小。
3:机组台数对电厂运行维护的影响机组台数较多时,其优点是运行方式灵活,发生事故时对电站及所在系统的影响较小,检修也容易安排。
但台数较多时运行人员增加,运行用的材料、消耗品增加,因而运行费用高。
同时,较多的设备与较频繁的开停机会使整个电站的事故发生率上升。
4:机组台数对设备制造、运输及安装的影响机组台数增加时,水轮机和发电机的单机容量减小,则机组的尺寸,制造、运输及现场安装都较容易。
反之,台数减少则机组尺寸增大,机组的制造、运输及安装的难度也相应增大。
因此最大单机容量的选择要考虑制造厂家的加工水平,及设备的运输,安装条件。
此外从发电机转子的机械强度方面考虑,发电机转子的直径必须限制在转子最大线速度的允许值之内,机组的最大容量有时也会因此受到限制。
5:机组台数对电力系统的影响对于占电力系统容量比重大的水电厂及大型机组,发生事故时对电力系统的影响较大,考虑到电力系统中备用容量的设置及电力系统的安全性,在确定台数时,单机容量不应大于系统的备用容量,即使在容量较小的电网中,单机容量也不宜超过系统容量的1/3。
6:记住台数对电厂主接线的影响由于水电厂水轮发电机组常采用扩大单元主接线方式,超大型机组除外,故机组台数多采用偶数。
同时为了运行方式的机动灵活及保证机组检修时的厂用电可靠,除了特殊情况和农村小电站外,一般都装两台以上机组。
对于装置大型机组的水电厂,由于主变压器的最大容量受到限制,常采用单元接线方式,因此机组台数的选择不必受偶数的限制。
以上与机组台数有关的诸因素,许多是既相互联系又相互矛盾的,在选择时应针对主要因素,进行综合技术经济比较,选择出合理地机组台数。
四、水轮机型式的选择根据水电站的实际情况正确地选择水轮机型式是水轮机选型设计中的一个重要环节。
虽然各类水轮机有明确的适用水头范围,但由于他们的适用范围存在着交叉水头段,因此,必须根据水电站的具体条件对可供选择的水轮机进行分析比较,才能选择出最合适的机型。
(一)各类水轮机的适用范围大中型水轮机的类型及其适用的水头范围如图所示各类水轮机的适用范围除了与使用水头有关外,还与水轮机的容量有关,同一类型同一比转速的水轮机,在小容量时使用水头较低,在容量较大时使用水头较高.为了便于选择水轮机的型式,制定了水轮机从表中可以看出各类水轮机的应用水头范围是交叉的,其中存在着交界水头段。
在水轮机选择时若同一水头段有多种机型可供选择,则需要认真分析各类水轮机的特性并进行技术经济比较以确定最适合的机型。
不同类型的水轮机具有不同的适用范围与特点,各类水轮机的特点可概括如下:1:冲击式水轮机(以切击式为代表)(1)ns较低,适用于250m以上的水头,最高可达1700m.(2)转轮周围的水流是无压的,不存在密封问题。
(3)出力变化时效率的变化平缓,对负荷变化适应性强。
(4)装置多喷嘴时通过调整喷嘴适用数目可获高效运行。
(5)可使用折向器防止飞逸,减少紧急关机时引水管道中水击压力的上升(仅上升15%左右)。
若使用制动喷嘴可使水轮机迅速刹车。
(6)易磨损部件更换容易。
2:混流式水轮机(1)比转速范围广,适用水头范围广,可适用30-1700m.(2)结构简单,价格低。
(3)装有尾水管,可减少转轮出口水流损失。
3:轴流式水轮机(1)ns较高,具有较大的过流能力,适用于30-80m水头范围。