城镇道路项目沟槽开挖隐蔽工程检查验收记录
- 格式:doc
- 大小:33.00 KB
- 文档页数:1
沟槽隐蔽工程验收记录沟槽隐蔽工程验收记录为确保沟槽隐蔽工程质量,促使工程建设规范进行,特进行沟槽隐蔽工程验收,并记录如下:工程概况:该沟槽隐蔽工程位于XX市某道路工程,主要目的是解决道路排水问题。
该工程总长度XX米,包括X段具体位置。
本次验收工程由XX 公司承接,并于XXXX年XX月XX日至XXXX年XX月XX日进行施工。
施工过程:1. 基坑开挖:根据设计施工方案,XX公司按照相关标准进行基坑开挖工作。
开挖过程中,XX公司严格控制挖掘深度和坡度,确保基坑壁面垂直度和坡度符合要求。
2. 沟槽混凝土浇筑:工程要求沟槽底部宽度为X米,深度为X米,底部平整度达到X 级。
XX公司在浇筑过程中,采用合适的模板,按照设计要求进行混凝土浇筑。
同时,控制好混凝土的水灰比和拌合时间,确保浇筑出的混凝土均匀、牢固。
3. 沟槽砌筑:根据设计要求,XX公司采用X种材料进行砌筑工作。
砌筑过程中,XX公司严格按照设计方案进行布置和固定,确保沟槽砌筑的牢固性和稳定性。
4. 隐蔽工程验收:根据相关标准和验收要求,经过专业人员的现场检查和测量,对沟槽隐蔽工程进行了全面的验收。
主要验收内容包括沟槽尺寸、坡度、平整度、砌筑质量等。
验收结果:经过验收,该沟槽隐蔽工程验收结果如下:1. 沟槽尺寸符合设计要求,底部宽度为X米,深度为X米,每段沟槽长度为X米;2. 沟槽坡度符合设计要求,坡度为X%;3. 沟槽底部平整度符合要求,达到X级;4. 砌筑质量良好,无明显开裂、倾斜等现象。
综上,该沟槽隐蔽工程具备较好的施工质量和可靠性,符合设计要求和相关标准。
建议与意见:为进一步提升工程质量,对日后类似工程进行指导,结合本次验收,提出以下建议与意见:1. 加强施工人员的技术培训,提高工程质量的责任意识;2. 定期对施工现场进行监督检查,确保施工过程符合标准;3. 配备适当的施工设备和工具,提高施工效率和质量;4. 加强与设计院、监理单位的沟通协作,及时解决工程中的问题。
市政基础设施工程市政质检—16承包单位:施 工 部 位检 查挡土墙 开挖、砂石回填、 C15 混凝土垫层项 目1、按设计要求,开挖挡土墙沟槽:第一段 47.m ,从旗杆台至篮球场周边;第二段 61.40m ,从景观长廊阶梯处至绿化区周边;2、采用打夯机机夯实基底;3、按相关图集技术要求为石砾、粗石粉基础:厚 30cm ;4、按图纸要求在基底做 120℃标号 C15 混凝土基础:按国家标准图集 95S516/5 施工;5、排水坡度 5‰;6、MU20 毛石M5 混合砂浆砌筑挡土墙, M5 水泥砂浆砌筑承 包 单 位 自 检 意见经过施工现场测量和检测结果,符合设计要求及施工规范。
项目负责人: 年 月 日建设 单位 意见甲方代表: 年 月 日监理 意见监理工程师: 年 月 日技术负责人: 质检员: 填表人: 年 月 日工程名称:检查内容及 检 查 情 况352市政基础设施工程挡土墙市政质检—17承包单位:施工部位 挡土墙附图名称挡土墙标准剖面图b 300计 设 1H10 0 0 0 200B200技术负责人: 制图人: 年 月 日工程名称:5 0 0 0 0 0 0 0 5 0市政质检—16承包单位:施 工 部 位挡土墙(挨近帝景苑○1~ ○2标段)检 查 项 目开挖、砂石回填、 C15 混凝土垫层1、按设计要求,开挖挡土墙沟槽:挨近帝景苑处,从东往西开挖挡土墙基础145 米(具体工程量以现场签证为准);2、采用打夯机机夯实基底;3、按相关图集技术要求为石砾、粗石粉基础:厚 30cm ;4、按图纸要求在基底做 120℃标号 C15 混凝土基础:按国家标准图集 95S516/5 施工;5、排水坡度 5‰;6、MU20 毛石M5 混合砂浆砌筑挡土墙, M5 水泥砂浆砌筑承 包 单 位 自 检 意见经过施工现场测量和检测结果,符合设计要求及施工规范。
项目负责人: 年 月 日建设 单位 意见甲方代表: 年 月 日监理 意见监理工程师: 年 月 日技术负责人: 质检员: 填表人: 年 月 日工程名称:检查内容及 检 查 情 况设市政基础设施工程挡土墙市政质检—17承包单位:施工部位 挡土墙(挨近帝景苑○1~ ○2标段)附图名称挡土墙标准剖面图b300计H200B200技术负责人: 制图人: 年 月 日工程名称:市政质检—16承包单位:施 工 部 位挡土墙( ○2~○5标段)检 查项 目开挖、 砂石回填、 C15 混凝土垫层、 石砌体1、按设计要求,开挖挡土墙沟槽:挨近新平路处,从南往北开挖挡土墙基础151.50 米(具体工程量以现场签证为准);2、采用打夯机机夯实基底;3、按相关图集技术要求为石砾、粗石粉基础:厚 30cm ;4、按图纸要求在基底做 120℃标号 C15 混凝土基础:按国家标准图集 95S516/5 施工;5、排水坡度 5‰;6、MU20 毛石M5 混合砂浆砌筑挡土墙, M5 水泥砂浆砌筑承 包 单 位 自 检 意见经过施工现场测量和检测结果,符合设计要求及施工规范。
沟槽开挖隐蔽验收记录一、背景介绍沟槽开挖是建筑工程中常见的施工过程,用于布置管道、电缆等设施。
为了保证施工质量,确保沟槽开挖符合设计要求并达到预期效果,进行隐蔽验收是必不可少的环节。
沟槽开挖隐蔽验收记录起到记录、检查和核实施工质量的作用,为后续工程的顺利进行提供重要依据。
二、隐蔽验收记录的内容1. 工程基本信息在隐蔽验收记录中,首先需要明确工程的基本信息,包括工程名称、项目编号、施工单位、监理单位、验收日期等。
这些信息有助于对施工过程进行准确的记录和追溯。
2. 施工准备记录施工方在进行沟槽开挖前的准备工作,包括人员配备、材料准备、施工设备检查等。
这些准备工作的合理安排和准确执行对于保证施工质量至关重要。
3. 施工过程记录在隐蔽验收记录中,需要详细记录沟槽开挖的具体施工过程。
包括施工单位负责人的指导和监督、施工人员的具体操作、施工设备的使用情况等。
同时,还需要记录施工过程中的注意事项和安全措施,确保施工过程符合相关规范和标准。
4. 沟槽开挖质量验收隐蔽验收记录的重点是对沟槽开挖的质量进行验收。
需要记录沟槽的尺寸、形状、平整度等相关要求,并进行实际测量和评估。
同时,还要对沟槽的土壤排除情况、支护措施的实施情况进行记录和评价。
这些数据和评估结果对于后续工程的安装和使用具有重要影响。
5. 隐蔽工程验收除了对沟槽开挖质量的验收外,隐蔽验收记录还需要对相关设施和管道进行验收。
这包括对管道的材料、安装质量、连接方式等进行检查和评估,确保隐蔽工程符合设计要求和技术标准。
6. 发现问题的处理和整改措施在隐蔽验收过程中,可能会发现一些施工质量问题或不符合要求的情况。
在记录中,需要详细说明发现的问题,并提出相应的整改措施和处理意见。
这些措施的落实和执行对于保证工程的质量和安全具有重要意义。
7. 隐蔽验收记录的签署和归档隐蔽验收记录需要由施工单位、监理单位和业主单位的代表进行签署,确保记录的真实性和有效性。
随后,验收记录需要按照规定的要求进行归档,为后续工程的管理和维护提供参考。
沟槽开挖隐蔽工程验收记录表摘要:1.隐蔽工程验收的定义与重要性2.沟槽开挖隐蔽工程验收记录表的作用3.沟槽开挖隐蔽工程验收记录表的内容4.沟槽开挖隐蔽工程验收的流程与注意事项5.沟槽开挖隐蔽工程验收对工程质量的影响正文:一、隐蔽工程验收的定义与重要性隐蔽工程验收是指对项目建成后无法进行复查的工程部位所作的验收。
在施工过程中,会出现一些后一工序的工作结果掩盖了前一工序的工作结果的隐蔽工程,如地下基础的承载能力等。
隐蔽工程验收的重要性在于确保工程质量、预防安全隐患以及维护建设单位的合法权益。
二、沟槽开挖隐蔽工程验收记录表的作用沟槽开挖隐蔽工程验收记录表是记录沟槽开挖工程过程中,验收人员对隐蔽工程质量进行检查和评定的表格。
它有助于确保施工质量,为后续工程提供依据,同时也是工程竣工验收和质量保证的重要文件。
三、沟槽开挖隐蔽工程验收记录表的内容沟槽开挖隐蔽工程验收记录表主要包括以下内容:1.工程概况:包括工程名称、工程地点、建设单位、设计单位、施工单位等基本信息。
2.验收范围:指明本次验收所涉及的工程部位和内容。
3.验收标准:列明验收工程所依据的国家标准、行业标准或地方标准。
4.验收人员:包括验收组长、验收员、监督员等,并附上各自的职责。
5.验收记录:对隐蔽工程的各项质量指标进行检查和记录,包括沟槽开挖深度、宽度、平整度、坡度、排水设施等。
6.验收结论:根据验收记录,对工程质量进行总体评价,提出合格与否的结论。
7.验收日期及签名:验收人员在验收完成后,应在表格上签字并注明验收日期。
四、沟槽开挖隐蔽工程验收的流程与注意事项1.流程:首先,施工单位应完成沟槽开挖施工,并向验收组提交相关资料;其次,验收组根据验收标准和要求,对沟槽开挖工程进行现场检查;最后,验收组填写沟槽开挖隐蔽工程验收记录表,给出验收结论。
2.注意事项:验收人员应认真核查施工资料,确保施工过程符合规定;验收时应严格按照验收标准和要求进行,保证验收质量;验收结论应客观公正,如有不合格之处,应要求施工单位整改。
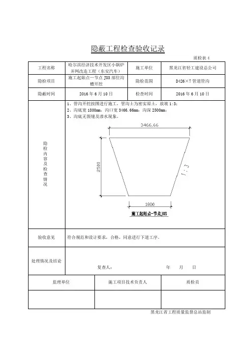
隐蔽工程检查验收记录质检表4工程名称哈尔滨经济技术开发区小锅炉并网改造工程(东安汽车)施工单位黑龙江省轻工建设总公司隐检项目施工起始点—节点J03部位沟槽开挖隐检范围D426×7管道管沟隐蔽时间2016年6月10日检查时间2016年6月10日隐检内容及检查情况1、管沟开挖按图进行施工,管沟土为密实原土,放坡1:3;2、沟底宽1800mm,沟口宽3466.66mm,沟深2500mm;3、沟底无裂缝及渗水现象。
验收意见符合规范和设计要求,合格,同意进行下道工序。
处理情况及结论复查人:年月日监理单位施工项目技术负责人质检员黑龙江省工程质量监督总站监制质检表4工程名称哈尔滨经济技术开发区小锅炉并网改造工程(东安汽车)施工单位黑龙江省轻工建设总公司隐检项目J01检查井部位沟槽开挖隐检范围J01检查井沟槽隐蔽时间2016年6月2日检查时间2016年6月2日隐检内容及检查情况1、检查井沟槽开挖按图进行施工,管沟土为密实原土,放坡1:3;2、轴向沟底宽5000mm,沟口宽7293.34mm,沟深3440mm;纵向沟底宽5500mm,沟口宽7793.34mm,沟深3440mm;3、沟底无裂缝及渗水现象。
验收意见符合规范和设计要求,合格,同意进行下道工序。
处理情况及结论复查人:年月日监理单位施工项目技术负责人质检员黑龙江省工程质量监督总站监制质检表4工程名称哈尔滨经济技术开发区小锅炉并网改造工程(东安汽车)施工单位黑龙江省轻工建设总公司隐检项目J02检查井部位沟槽开挖隐检范围J02检查井沟槽隐蔽时间2016年6月6日检查时间2016年6月6日隐检内容及检查情况1、检查井沟槽开挖按图进行施工,管沟土为密实原土,放坡1:3;2、轴向沟底宽8600mm,沟口宽10893.34mm,沟深3440mm;纵向沟底宽6000mm,沟口宽8293.34mm,沟深3440mm;3、沟底无裂缝及渗水现象。
验收意见符合规范和设计要求,合格,同意进行下道工序。
基槽开挖隐蔽工程检查记录
一、前言
本文档记录了在基槽开挖隐蔽工程中进行的检查工作,目的是确保工程质量,保证施工过程安全顺利进行。
二、检查记录
1. 检查时间:2021年10月15日
•工作内容:对基槽开挖过程进行现场检查
•检查人员:工程监理、施工单位负责人
•检查结果:开挖过程符合设计要求,未发现安全隐患
2. 检查时间:2021年10月20日
•工作内容:检查基槽支护工程
•检查人员:工程监理、安全员
•检查结果:支护工程施工质量良好,未发现质量问题3. 检查时间:2021年10月25日
•工作内容:检查基槽排水系统
•检查人员:工程监理、设计单位负责人
•检查结果:排水系统完好,保证基槽内水流畅通
4. 检查时间:2021年10月30日
•工作内容:检查基槽开挖完工情况
•检查人员:工程监理、业主代表
•检查结果:基槽开挖工程全部完成,符合验收标准
三、总结
经过一系列检查,基槽开挖隐蔽工程达到了预期的验收标准,各项工作完成良好。
下一步将继续监督工程施工,确保整个工程质量安全。
以上为本次基槽开挖隐蔽工程检查记录。
希望以上内容符合您的需求。
如果需要更多细节或修改,请随时告诉我。
4、沟槽隐蔽工程验收记录(总28页)
--本页仅作为文档封面,使用时请直接删除即可--
--内页可以根据需求调整合适字体及大小--
本表由施工单位填写,建设单位、施工单位、监理单位各保存一份。
基础部分勘察单位要参加,基础主体
隐蔽工程验收记录
隐蔽工程验收记录
隐蔽工程验收记录
隐蔽工程验收记录
隐蔽工程验收记录
隐蔽工程验收记录
隐蔽工程验收记录
隐蔽工程验收记录
隐蔽工程验收记录
隐蔽工程验收记录
隐蔽工程验收记录
隐蔽工程验收记录
隐蔽工程验收记录
隐蔽工程验收记录
隐蔽工程验收记录
隐蔽工程验收记录
隐蔽工程验收记录
隐蔽工程验收记录
隐蔽工程验收记录
隐蔽工程验收记录
隐蔽工程验收记录
隐蔽工程验收记录
隐蔽工程验收记录
隐蔽工程验收记录
隐蔽工程验收记录
隐蔽工程验收记录
隐蔽工程验收记录。