配电变压器安装质量验收评定表
- 格式:doc
- 大小:92.50 KB
- 文档页数:2
主变压器安装分部工程质量验收评定表(精)1. 前言本文档旨在对主变压器安装分部工程的质量验收进行评定,以确保工程质量符合标准要求。
2. 技术要求•主变压器的安装必须符合国家和行业标准,且符合专业规范。
•主变压器的基础、支架、传动系统等应符合设计要求。
•主变压器的各项参数应符合安装及使用要求,并经过检测合格。
3. 质量要求3.1 安装质量•主变压器基础应平整、牢固,符合施工图纸要求。
•主变压器的支架应稳定,无明显变形、脱落现象。
•主变压器与传动系统间的连接应牢固、紧密,无松动。
3.2 电气参数•主变压器的额定容量、额定电压、额定电流等参数应符合施工图纸和有关规定。
•主变压器的绝缘电阻、绝缘强度、接地电阻等参数应符合有关规定,并经过检测合格。
3.3 安全要求•主变压器在运行过程中应稳定可靠,无异常声响、振动等现象。
•主变压器周围应安装防护措施,设有警示标识,确保人员与设备的安全。
4. 检查方法验收单位应按照以下方法进行质量验收评定:1.对主变压器基础、支架、传动系统等部分的安装情况进行检查,检查内容包括位置、尺寸、形状、平整度等。
2.对主变压器的电气参数进行检查,检查内容包括额定容量、额定电压、额定电流、绝缘电阻、绝缘强度等。
3.对主变压器在运行过程中的声响、振动等情况进行检查。
4.对主变压器周围的安全措施进行检查,检查内容包括防护措施、标识等。
5. 验收标准经过检查,主变压器安装分部工程符合下列标准之一者,即为合格:1.主变压器的安装质量符合国家和行业标准、专业规范,并符合设计和施工要求。
2.主变压器的电气参数符合施工图纸和有关规定,并经过检测合格。
3.主变压器在运行过程中无明显异常声响、振动等现象。
4.主变压器周围的安全措施符合有关规定。
6.本文档对主变压器安装分部工程的质量验收评定标准进行了详细的介绍,并阐述了验收的具体方法和要求。
希望参与此工程的所有验收单位都能认真遵循标准和规范,确保工程质量符合要求,从而保障经济效益和社会效益的实现。
123451234567变压器、箱式变电所安装检验批质量验收记录表
GB50303-2002
单位(子单位)工程名称
分部(子分部)工程名称
施工单位
分包单位
施工执行标准名称及编号
施工质量验收规范规定
有载调压开关检查绝缘件和测温仪表检查装有软件的变压器固定变压器的器身检查箱式变电所内外涂层和通风口检查箱式变电所柜内接线和线路标记主
控
项 目一 般
项
目第5.2.5条
第5.2.6条第5.1.2条第5.1.3条变压器的交接试验箱式变电所及落地配电箱的固定、箱体的接地或接零箱式变电所的交接试验第5.2.2条验收部位项目经理第5.1.1条变压器安装及外观检查、箱式变电所N和PE母线的接地连接及支第5.2.3条施工单位检查评定
第5.2.4条装有气体继电器的变压器的坡度第5.2.7条
专业工长(施工员)第5.1.4条第5.1.5条
第5.2.1条分包项目经理
监理(建设)单位验收结论项目专业质量检查员:
施工单位检查评定结果
监理工程师
(建设单位项目专业技术负责人):
表
施工班组长部位经理查评定记录经理060102060201监理(建设)单位验收记录
年 月 日年 月 日。
表7.3.1 (单位工程名称)单位工程质量验收评定表
表7.3.2 (分部工程名称)分部工程质量验收评定表
表7.3.3 (分项工程名称)分项工程质量验收评定表
表7.3.4 单位工程质量验收评定表
表7.3.5(单位工程名称)单位工程设计变更及材料代用通知单登记表
表7.3.6 (单位工程名称)单位工程设备、材料出厂试验报告及合格
证登记表
表7.3.7 施工用量具、测量仪表登记表
表7.3.8 设备缺陷通知单
表7.3.9 设备缺陷处理验收报告单
表7.3.10 电气装置安装质量验收签证、记录项目
高压成套柜、低压配电盘柜、控制及保护平台基础制作安装
真空断路器(接触器)安装与调整
电压、电流(干式)互感器安装(检查)
二次回路检查接线
手车式高压成套配电柜、固定式盘柜安装
(配电装置名称)kV段厂用高压配电装置带电试运行签证
PC、MCC、保安段低压盘柜安装
PC、MCC、保安段低压盘柜安装
35kV及以下干式变压器的安装及检查
(配电装置名称)段厂用低压配电装置带电试运行签证
就地动力控制设备箱体的安装
控制器、按钮及限位开关的安装
(主设备名称编号)电动机带电试运签证
不间断电源(UPS)检查及试运
型钢滑接线支架制作及安装
型钢滑接线安装
滑动软电缆安装
滑线器及撞杆安装
起重机电气装置带电试运
电源箱及控制设备安装
照明管路敷设
照明管路敷设
管内配线及接线检查
照明灯具安装
(分项工程名称)照明回路通电检查签证
电缆支架(桥架)制作及安装
脱硫岛隧道、沟道及管路内电缆敷设
电力(控制)电缆终端头制作安装
电缆防火与阻燃检查。
目录金属切削机床安装工程质量检查评定表(机表01)起重机轨道安装分项工程质量检验评定表(机表02)天车轨道测量记录表(机表02付)电动桥式起重机、龙门起重机、电葫芦安装工程质量检验评定表(机表03)整体活塞式气体压缩机、立式、V式、W式制冷压缩机安装分项工程质量检验评定表(机表04)离心式、轴济式、罗茨式、叶氏鼓风机安装分项工程质量检验评定表(机表05)离心泵、轴流泵安装分项工程质量检验评定表(机表06)固定式胶带输送机安装分项工程质量检验评定表(机表07)斗式提升机安装分项工程质量检验评定表(机表08)板式、链式、螺旋输送机安装分项工程质量检验评定表(机表09)箱槽安装分项工程质量检验评定表(机表10)小型圆形容器安装分项工程质量检验评定表(机表11)碳素钢管道安装分项工程质量检验评定表(机表12-1)碳素钢管道安装分项工程质量检验评定表(续)(机表12-2)铸铁管道安装分项工程质量检验评定表(机表13)钢结构安装分项工程质量检验评定表(机表14)采暖管道安装分项工程质量检验评定表(机表15-1)采暖散热器安装分项工程质量检验评定表(机表15-2)剪切机、弯曲校正机安装分项工程质量检验评定表(机表16)锻锤安装分项工程质量检验评定表(机表17)透平鼓风机安装分项工程质量检验评定表(机表18)机械压力机安装分项工程质量检验评定表(机表19)液压机安装分项工程质量检验评定表(机表20)解体组装活塞式空气压缩机安装分项工程质量检验评定表(机表21)解体卧式氨制冷压缩机安装分项工程质量检验评定表(机表22)卫生器具及给水配件安装分项工程质量检验评定表(机表23)玻璃钢冷却塔安装分项工程质量检验评定表(机表24)塔类安装分项工程质量检验评定表(机表25)拱顶罐安装分项工程质量检验评定表(机表26)浮顶罐安装分项工程质量检验评定表(机表27)隔热安装分项工程质量检验评定表(机表28)空气处理设备及消声器安装分项工程质量检验评定表(机表29)金属风管及部件制作工程质量检验评定表(机表30)风管及部件安装分项工程质量检验评定表(一)(机表31-1)风管及部件安装分项工程质量检验评定表(二)(机表31-2)通风机安装分项工程质量检验评定表(机表33)单轨、悬挂输送机安装分项工程质量检验评定表(机表34)不锈钢管道安装分项工程质量检验评定表(机表35-1)不锈钢管道安装分项工程质量检验评定表(机表35-2)钢结构制作分项工程质量检验评定表(机表37)搽顶、浮顶、无力矩罐制作分项工程质量检验评定表(机表38)贮气罐制作分项工程质量检验评定表(机表39)贮气罐安装分项工程质量检验评定表(机表40)箱、槽制作分项工程质量检验评定表(机表41)管道系统吹洗脱脂记录(机表42)架空线路和杆上电器设备安装分项工程质量检验评定表(电01)电缆线路分项工程质量检验评定表(电02)配管及管内穿线工程质量检验评定表(电03)瓷夹、瓷柱(珠)瓷瓶配线工程质量检验评定表(电04)护套线配线工程质量检验评定表(电05)槽板配线工程质量检验评定表(电06)配线用钢索工程质量检验评定表(电07)硬母线安装工程质量检验评定表(电08)滑接线和移动式软电缆安装工程质量检验评定表(电09)电力变压器安装工程质量检验评定表(电10)高压开关安装工程质量检验评定表(电11)成套配电柜(盘)及动力开关柜安装工程质量检验评定表(电12)低压力电器安装工程质量检验评定表(电13)电机的电气检查和接线工程质量检验评定表(电14)蓄电池安装工程质量检验评定表(电15)电气照明器具及其配电箱(盘)安装工程质量检验评定表(电16)避雷针(网)及接地装置安装工程质量检验评定表(电17)仪表盘、仪表箱、操纵台安装质量检验评定表(自表01)温度仪表安装质量检验评定表(自表02)压力仪表安装质量检验评定表(自表03)节流元件安装质量检验评定表(自表04)流量及差压仪表安装质量检验评定表(自表05)物位仪表安装质量检验评定表(自表06)分析仪表安装质量检验评定表(自表07)调节阀和执行机构安装质量检验评定表(自表08)仪表连接管路敷设质量检验评定表(自表09)电气线路敷设质量检验评定表(自表10)信号、联锁及保护装置安装质量检验评定表(自表11)仪表高度质量检验评定表(自表12)单位工程质量综合评定表(通用01)单位工程施工质量评定表(通用02)工程质量保证资料核查表(通用03)单位工程观感质量评定表(通用04)分部工程质量评定表(通用表05)分项工程质量检验评定表(通表06)安装施工检验记录(通用)调整试验记录(试表01)交流耐压试验报告(试表02)变压器试验记录(试表03-1)变压器试验记录(续页)(试表03-2)金属切削机床试运转记录表(试表04)风机试运转记录表(试表05)离心泵、中小型轴流泵、往复泵试运转记录表(试表06)起重机试运转记录表(试表07)压缩机试运转记录表(试表08)机械压力机试运转记录表(试表09)试运转记录表(试表10)电气工程绝缘测试记录(试表11)压力试验检查记录表(试表12)图纸资料验收记录(管表01)图纸资料审查记录(管表02)技术交底记录(管表03)土建条件检查记录(管表04)设备基础复查记录表(管表05)工程(产品)质量征询意见表(管表06)用户回访质量问题处理意见(管表07)开(竣)工报告(管表08)工作联系单(管表09)技术变更核定(洽商)单(管表10)停工报告(管表11)质量整修通知单(管表12)工程质量检查申报表(管表13)工序交接质量检验记录单(管表14)分部、分项工程吸细表(管表15)工程质量检验评定表移交清单(管表16)交工资料明细表(管表17)另星委托签证单(其它04)设备开箱检查记录(其它05)主要施工人员登记表(其它06)交工验收证明书(其它07)隐蔽工程检查记录(其它08)直接埋地电缆隐蔽检查记录(记录表01)电气安装施工记录(记录表02)架空线路和杆上电器设备安装分项工程质量检验评定表电01电缆线路分项工程质量检验评定表电02年月日配管及管内穿线工程质量检验评定表电03年月日瓷夹、瓷柱(珠)及瓷瓶配线工程质量检验评定表电04护套线配线工程质量检验评定表电05槽板配线工程质量检验评定表电06年月日配线用钢索工程质量检验评定表电07硬母线安装工程质量检验评定表电08滑接线和移动式软电缆安装工程质量检验评定表电09电力变压器安装工程质量检验评定表电10高压开关安装工程质量检验评定表电11成套配电柜(盘)及动力开关柜安装工程质量检验评定表电12低压电器安装工程质量检验评定表电13电气的电气检查和接线工程质量检验评定表电14年月日蓄电池安装工程质量检验评定表电15年月日电气照明器具及其配电箱(盘)安装工程质量检验评定表电16避雷针(网)及接地装置安装工程质量检验评定表电17仪表盘、仪表箱、操纵台安装质量检验评定表自表01年月日(主要操作者)温度仪表安装质量检验评定表自表02年月日(主要操作者)压力仪表安装质量检验评定表自表03年月日(主要操作者)节流元件安装质量检验评定表自表04项目技术负责人:质量检查员:班组长:制表人:年月日(主要操作者)流量及差压仪表安装质量检验评定表自表05项目技术负责人:质量检查员:班组长:制表人:年月日(主要操作者)物位仪表安装质量检验评定表自表06年月日(主要操作者)分析仪表安装质量检验评定表自表07年月日(主要操作者)调节阀和执行机构安装质量检验评定表自表08项目技术负责人:质量检查员:班组长:制表人:年月日(主要操作者)仪表连接管路敷设质量检验评定表自表09项目技术负责人:质量检查员:班组长:制表人:年月日电气线路敷设质量检验评定表自表10项目技术负责人:质量检查员:班组长:制表人:年月日(主要操作者)信号、联锁及保护装置安装质量检验评定表自表11项目技术负责人:质量检查员:班组长:制表人:年月日仪表调试质量检验评定表自表12年月日主要操作者单位工程质量综合评定表通表01单位工程施工质量评定表通用02 建设单位施工单位单位工程名称工程质量保证资料核查表通表03单位工程观感质量评定表通04检查人员:注:1、表中某项目含有若干分项时,其标准分值可根据比重大小先行分配,然后评定等级;2、检查数量:室外全部检查;室内按有代表性部分抽查10%;3、评定等级标准:被检查的点全部符合相应评定标准合格规定的,评为四级:其中有20%~49%的点达到标准优良规定者,评为三级;有50%~79%的点达到标准优良规定者,评为二级;有80%及其以上的点,达到标准优良规定者,评为一级。
变压器安装检验批质量验收记录一、项目概述根据合同要求,我公司承担了XX大厦变压器的安装工程,现已完成所有安装工作,为确保工程质量符合要求,特进行质量验收。
二、验收人员验收单位:XX检测公司验收人员:A、B、C三、检验依据1.《变压器安装技术规范》2.合同要求3.设计图纸和规范文件四、检验内容1.变压器运输、搬运、吊装工作是否符合规范要求;2.变压器支架、隔离装置是否固定可靠;3.变压器引线和接线端子是否牢固,接地装置是否良好;4.变压器润滑系统、冷却系统是否正常;5.变压器连接线和配电系统接头是否正确;6.变压器绝缘及防护装置是否正常;7.变压器防火、防爆措施是否到位;8.变压器仪器设备是否安装正确,是否符合要求;9.变压器标识、铭牌是否齐全、准确。
五、检验方法1.现场实地检查:对变压器的安装情况进行现场检查,对照设计图纸和技术规范,核对安装是否正确;2.测试仪器检测:使用合适的测试仪器对变压器的电气性能、绝缘性能、冷却系统等进行检测。
六、检验结果经过检验,变压器安装质量验收结果如下:1.变压器运输、搬运、吊装工作符合规范要求;2.变压器支架、隔离装置固定可靠;3.变压器引线和接线端子牢固,接地装置良好;4.变压器润滑系统、冷却系统正常;5.变压器连接线和配电系统接头正确;6.变压器绝缘及防护装置正常;7.变压器防火、防爆措施到位;8.变压器仪器设备安装正确,符合要求;9.变压器标识、铭牌齐全、准确。
七、不合格项处理在检验过程中未发现不合格项。
八、检验结论经过质量验收,变压器安装质量符合设计规范和合同要求。
九、资料整理与归档检验报告、检验记录等相关资料将进行整理并归档,便于日后查阅。
供电系统工程5.1 工程概况供电系统的主要作用在于向地铁电动车辆和各种机电设备提供安全、可靠的电源,满足系统中各类机电设备不同的用电需求,主要包括主变电所、中压网络、牵引供电系统(牵引变电所、牵引网)、动力照明供电系统、电力监控(SCADA)系统及杂散电流腐蚀防护系统。
根据供电系统的特点,其单位工程划分基本原则为:每个主变电所为一个独立的单位工程、牵引网(即接触网)为一个单位工程,中压网络(35KV环网电缆)、牵引变电所(混合变电所)、电力监控(SCADA)系统及杂散电流腐蚀防护系统为一个单位工程(简称为35KV供电系统),动力照明供电纳入车站、区间安装工程。
1、主变电所根据专业分为3个子单位工程。
其中,电器设备安装工程验收和分部分项划分主要参照《电气装置安装工程质量检验及评定规程》(DL/T 5161.1~17-2002),主变电所土建工程的验收和分部分项划分主要参照建设部下发的一系列建筑规范,送电工程中电缆沟管基础工程参照建筑规范,电缆铺设工程、架空线路工程参照《电气装置安装工程质量检验及评定规程》(DL/T 5161.5-2002)。
2、接触网系统划分和验收标准主要参照《铁路电力牵引供电工程施工质量验收标准》(TB10421-2003 J291-2004)。
3、35KV供电系统的中压网络(35KV环网电缆)、牵引变电所(混合变电所)工程划分和验收标准主要参照《铁路电力工程施工质量验收标准》(TB10420-2003 J290-2004),局部参考《铁路电力牵引供电工程施工质量验收标准》(TB10421-2003 J291-2004)。
由于地铁供电系统调式的特殊性,车站牵引变电所(混合变电所)分部工程验收由业主主持,按子单位工程验收相关要求执行。
5.2 分部、分项工程划分主变电所工程划分表单位工程分部工程分项工程变、配电所安装工程变、配电所基础、构架及遮栏基础构架及遮栏变、配电所变配电装置电力变压器互感器高压断路器隔离开关、负荷开关及高压熔断器避雷器电容器、电抗器配电盘(柜)及二次回路母线装置电源装置箱式变电装置电缆线路直埋电缆敷设厂房、电缆沟内电缆敷设电缆头制作与安装变、配电所综合自动化系统配电盘(柜)及二次回路综合自动化系统安装综合自动化系统调试变、配电所受电启动及送电开通受电启动及送电开通接地装置接地装置敷设接地干线敷设避雷针(线、带、网)接地接触网工程划分表子单位工程分部工程分项工程接触网基础及埋入杆支柱基础、拉线基础、刚性埋入杆件、底座填充支柱、横梁、拉线、接地极支柱、横梁、拉线、接地极支持结构横梁固定索、支柱装配、定位器及定位装置、刚性支持悬挂装置承力索、接触线及地线架设承力索架设、接触线架设、地线架设、馈线架设接触悬挂柔性中心锚结、柔性吊弦及吊索、柔性接触悬挂、补偿装置、柔性锚段关节,汇流排安装、刚性接触悬挂、刚性中心锚节、刚性锚段关节、刚柔过渡设备电连接线、线岔、隔离开关、柔性分段绝缘器、刚性分段绝缘器、避雷器、地电位均衡器、均流箱安装和电缆敷设、回流箱安装和电缆敷设号码、标志支柱号码安装、标志牌安装冷滑试验及送电开通冷滑试验、送电开通35KV供电系统工程划分表子单位工程分部工程子分部工程分项工程变电所安装车站/停车场/车辆段混合变电所或牵引变电所变、配电所基础、构架及遮拦基础、构架及遮拦变、配电所变配电装置电力变压器、组合电器、配电盘(柜)及二次回路、母线装置、电源装置电力电缆及控制电缆电力电缆及控制电缆变、配电所综合自动化系统配电盘(柜)及二次回路、综合自动化系统安装、综合自动化系统调试变、配电所受电启动及送电开通受电启动及送电开关接地装置接地装置的敷设、接地干线敷设电力监控工程电力调度系统或复示系统保护管、线缆敷设保护管、线缆敷设设备安装调试设备安装、设备调试35KV环网电缆工程供电分区环网电缆工程直埋电缆的敷设、电缆沟内电缆的敷设、管道内电缆敷设、隧道内电缆敷设、桥架上电缆敷设、电缆头制作与安装杂散电流防护工程车站牵引降压混合变电所参考电极安装、柜箱安装、数据采集处理装置/工控机安装、电缆敷设车辆段或停车场参考电极安装、柜箱安装、数据采集处理装置/工控机安装、电缆敷设5.3 主变电所工程验收资料主变电所工程资料目录序号表格名称表号一单位工程验收资料1主变电所单位工程质量竣工验收记录统表一2主变电所单位工程质量控制资料核查记录统表二3主变电所单位工程安全和功能检验资料核查记录及主要功能抽查记录统表三4主变电所单位工程观感质量检查记录统表四二质量控制资料1 隐蔽验收资料变压器器身检查隐蔽验收配电装置母线隐蔽验收直埋电缆隐蔽验收2 施工、检验及安装调试记录变压器运输冲击记录变压器破氮前氮气压力检查记录绝缘油试验(新到油每批取样,油处理后注油前、后,变压器投运前、后取样)记录气体继电器检验记录事故排油系统检查(土建检验项目复印归档)验评冷却器密封试验签证真空注油及密封试验签证电容器组安装签证组合式油浸电容器安装签证封闭式组合电器安装及调整记录封闭式组合电器隔气室气体密封试验记录封闭式组合电器隔气室气体湿度检测记录35kV及以上电缆敷设记录三分部、分项质量验收记录1 基础检验批质量验收记录ZB1.12 构架及遮栏检验批质量验收记录ZB1.23 电力变压器检验批质量验收记录检验ZB1.34 互感器批质量验收记录检验ZB1.45 高压断路器检验批质量验收记录ZB1.56 高压断路器检验批质量验收记录ZB1.5 续7 隔离开关、负荷开关及高压熔断器检验批质量验收记录ZB1.78 避雷器检验批质量验收记录ZB1.89 电容器、电抗器检验批质量验收记录表ZB1.8 续10 电容器、电抗器检验批质量验收记录表续表1ZB2.011 电缆头制作与安装检验批质量验收记录ZB2.112 配电柜及二次回路检验批质量验收记录ZB2.213 配电柜及二次回路检验批质量验收记录ZB2.3 续14 母线装置检验批质量验收记录ZB2.415 母线装置检验批质量验收记录ZB2.4续16 母线装置检验批质量验收记录ZB2.4续17 电源装置检验批质量验收记录ZB2.718 箱式变电装置检验批质量验收记录表ZB2.819 直埋电缆敷设检验批质量验收记录ZB2.920 直埋电缆敷设检验批质量验收记录ZB2.9续21 厂房、电缆沟内电缆敷设检验批质量验收记录ZB3.022 厂房、电缆沟内电缆敷设检验批质量验收记录ZB3.0续23 电缆头制作与安装检验批质量验收记录ZB3.224 综合自动化系统安装检验批质量验收记录ZB3.325 综合系统化调试检验批质量验收记录ZB3.426 综合系统化调试检验批质量验收记录ZB3.4续27 受电启动及送电开通检验批质量验收记录表ZB3.628 接地装置敷设检验批质量验收记录ZB3.729 接地干线敷设检验批质量验收记录ZB3.830 避雷针(线、带、网)接地检验批质量验收记录表ZB3.931 现浇铁塔基础检查及评级记录32 自立式铁塔组立检查及评级记录33 导、地线展放施工检查及评级记录表34 紧线施工检查及评级记录35 附件安装施工检查及评级记录36 交叉跨越检查及评级记录37 变压器带电试运质量检验评定(签证)表38 组合电器带电试运分部工程质量检验评定(签证)表39 高压配电装置带电试运分部工程质量检验评定表40 低压配电装置带电试运分部工程质量检验评定表41 路径复测记录表42 分项工程质量验收记录注:土建表格参照土建、装修、安装等用表。
表 1 工程编号填写示例表 3.0.2 发电工程施工质量验收范围划分表工程编号 工程项目名称性质 验收单位及范围 质量验评及签证表编号 程 施工单 位 监理单 位 建设单位发电机电 气与引出线安装 √ √ √ DL/T5161.1-表 5.0.3 发电机电 气与出线 √ √√ DL/T 5161.1-表 设备安装 5.0.2 1 发电机本体检查 主控 √ √√ DL/T 5161.7-表 1.0.22 发电机附件安装 主控 √√ DL/T 5161.7-表 1.0.3励磁设备检查安装DL/T 5161.7-表 3 √ √2.1.2 DL/T 5161.3-表 1.0.2 4 互感器检查安装 √ √ DL/T5161.3-表 2.0.2箱、柜 (盘)安装 DL/T 5161.8-表 1.0.2 DL/T 5161.2-表 5 √ √3.0.2 DL/T 5161.8-表 3.0.2 DL/T 5161.13-表 2.0.4 6 接地变压 器(电阻 √√ DL/T 5161.3-表 器)安装 1.0.3DL/T5161.4-表 1.0.3×××kV 配电装置带电试运主控 √ √ √ DL/T5161.1-表 6.0.4 ×××kV 气体绝缘金属封闭开关设备安装√ √ √ DL/T5161.1-表5.0.3网控室设备安装 √ √√ DL/T 5161.1-表 5.0.2控制及保护屏台安 装 DL/T5161.8-表 1 √ √ 1.0.2 DL/T 5161.8-表4.0.2直流屏安 装DL/T 5161.8-表 2 √ √1.0.2 DL/T 5161.13-表2.0.23 二次回路检查及接线 √√ DL/T 5161.8-表 5.0.2蓄电池安 装DL/T 5161.9-表 4 √ √1.0.2 DL/T 5161.9-表2.0.2充放电及容量测定主控 DL/T 5161.9-表 5 √ √ 3.0.2 DL/T 5161.9-表 3.0.3DL/T5161.12-表 1.0.23 母线安装主控 √ √DL/T 5161.4-表3.0.2 4 二次回路检查及接线 √√DL/T5161.8-表5.0.2汽机间电气设备安装 √ √√ DL/T 5161.1-表5.0.2MCC (电动机控制中心)盘安 装 DL/T 5161.8-表 1.0.2DL/T5161.8-表 1√ √2.0.3 DL/T5161.12-表1.0.2 DL/T 5161.4-表3.0.2就地动力控制设备安装 DL/T5161.8-表 2√ √1.0.2 DL/T5161.8-表3.0.23 二次回路检查及接线√√ DL/T 5161.8-表 5.0.24电动机检 查√ √DL/T5161.7-表2.2.2电动机带电试运主控DL/T 5161.7-表 5 √√√3.0.9 DL/T 5161.7-表3.0.11DL/T 5161.3-表 1.0.5MCC (电动机控制中心)盘安 装 DL/T 5161.8-表 1.0.2DL/T5161.8-表 2√√2.0.3 DL/T5161.12-表1.0.2 DL/T 5161.4-表3.0.2控制盘安 装 DL/T 5161.8-表1.0.2 3√√ DL/T5161.8-表4.0.2 DL/T 5161.12-表4.0.2 4电动机检 查√√ DL/T5161.7-表2.2.2 5 二次回路检查及接线 √√ DL/T5161.8-表5.0.2堆取料装置电气设备安装 √√√ DL/T 5161.1-表5.0.2变压器安 装DL/T 5161.3-表 1√√1.0.2 DL/T5161.3-表1.0.52MCC (电动机控制中心)盘安 装√√DL/T 5161.8-表1.0.2电气设备安装1基础型钢安装√√ DL/T 5161.8-表1.0.2 2整流变压器安装√√DL/T 5161.3-表1.0.5配电盘安 装DL/T 5161.2-表 3√ √3.0.2DL/T 5161.2-表3.0.3 4母线安装√√DL/T 5161.4-表3.0.2 5 二次回路检查及接线 √√DL/T 5161.8-表5.0.2除尘系统低压电气√ √√ DL/T 5161.1-表 设备安装 5.0.2变压器安 装DL/T 5161.3-表 1√ √1.0.2 DL/T5161.3-表1.0.5MCC (电动机控制中心)盘安装DL/T 5161.8-表 1.0.2 DL/T 5161.8-表 2√ √2.0.3 DL/T5161.12-表 1.0.2DL/T 5161.4-表3.0.2DL/T 5161.12-表 2.0.25 二次回路检查及接线 √√DL/T 5161.8-表5.0.2 中继泵房 室内电气√ √√ DL/T5161.1-表设备安装5.0.2变压器安 装DL/T5161.3-表 1√√1.0.2DL/T 5161.3-表1.0.5MCC (电动机控制中心)盘安 装 DL/T 5161.8-表 1.0.2DL/T5161.8-表 2√√2.0.3DL/T5161.12-表1.0.2 DL/T 5161.4-表3.0.2 3电动机检 查√√DL/T 5161.7-表2.2.2就地动力控制设备安装 DL/T 5161.8-表1.0.2 4√√DL/T 5161.8-表3.0.2DL/T5161.12-表4.0.2 5 二次回路检查及接线 √√DL/T 5161.8-表5.0.2DL/T 5161.12-表 1.0.23 母线安装主控 √ √DL/T 5161.4-表3.0.2MCC (电动机控制中心)盘安 装 DL/T 5161.8-表 1.0.2DL/T5161.8-表 4√√2.0.3DL/T5161.12-表1.0.2 DL/T 5161.4-表3.0.2控制盘安 装 DL/T 5161.8-表1.0.2 5√√DL/T 5161.8-表4.0.2 DL/T5161.12-表4.0.2 6电动机检 查√√DL/T 5161.7-表2.2.2 7 二次回路检查及接线√√DL/T 5161.8-表5.0.2启动锅炉房电气设备带电试 运主控 √√√ DL/T5161.1-表6.0.6 燃油泵房电气设备安装 √ √√ DL/T 5161.1-表 5.0.21MCC (电动机控制中√√ DL/T 5161.8-表1.0.25161.12-表 1.0.2 DL/T 5161.4-表 3.0.2控制盘安 装 DL/T 5161.8-表1.0.2 2√√DL/T 5161.8-表4.0.2 DL/T5161.12-表4.0.2 3电动机检 查√√DL/T 5161.7-表2.2.2 4 二次回路检查及接线 √√ DL/T 5161.8-表5.0.2消防泵房 电气设备 主控√ √ √ DL/T 5161.1-表 带电试运 6.0.6氢站电气设备安装主控 √ √ √ DL/T5161.1-表 5.0.2MCC (电动机控制中心)盘安 装 DL/T 5161.8-表 1.0.2 DL/T5161.8-表 1 √ √ 2.0.3 DL/T5161.12-表 1.0.2DL/T 5161.4-表 3.0.2 2 控制盘安 装 √ √ DL/T5161.8-表 1.0.25161.12-表 4.0.23电动机检 查√√DL/T 5161.7-表2.2.2 4 二次回路检查及接线√√DL/T 5161.8-表5.0.2空压站电 气设备带电试运主控√ √√ DL/T 5161.1-表 6.0.6油处理站电气设备安装 √ √√ DL/T 5161.1-表 5.0.2MCC (电动机控制中心)盘安 装 DL/T 5161.8-表 1.0.2DL/T5161.8-表 1 √ √2.0.3 DL/T5161.12-表1.0.2DL/T 5161.4-表3.0.2控制盘安 装 DL/T 5161.8-表1.0.22√√ DL/T 5161.8-表4.0.2 DL/T 5161.12-表4.0.23就地电气设备安装√ √ DL/T5161.15-表3.0.24电动机检 查√√ DL/T 5161.7-表2.2.2。
分部工程质量评定表
工程名称:神木汇森凉水井矿业有限责任公司2#风井场地35/10kv变电所配电设备安装调试工程
分部工程名称:35/10kv变电所配电设备安装分部工程性质:主要
年月日注:分部工程性质是指该分部工程为主要分部工程或一般分部工程。
分项工程验收报审表
高压开关柜安装分项工程质量检验评定表
年月日注:打×为不合格,打√为合格,打○为优良。
分部工程性质是指该分部工程为主要分部工程或一般分部工程。
分项工程验收报审表
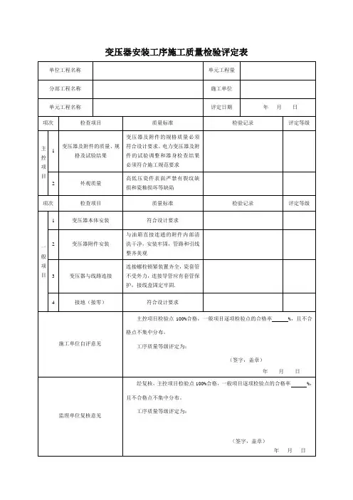
主变压器安装分部工程质量验收评定表
主变压器器身检查分项工程质量检验评定表
主变压器器身检查分项工程质量检验评定表续
主变压器附件安装分项工程质量检验评定表
主变压器附件安装分项工程质量检验评定表续1
主变压器附件安装分项工程质量检验评定表
主变压器注油及密封试验分项工程质量检验评定表
主变压器整体检查分项工程质量检验评定表
分项工程验收报审表
无功补偿装置安装工程质量自检验收评定表
电抗器安装分部工程质量验收评定表
电抗器安装 分项工程质量检验评定表续
电抗器引下线及跳线安装分项工程质量检验评定表
电抗器引下线及跳线安装分项工程质量检验评定表续
电容器组安装分部工程质量验收评定表
电容器组安装分项工程质量检验评定表
放电线圈安装分项工程质量检验评定表
续。
变电站电气安装质量验收及评定表(2017年新编模板)2017年01月01日继续执行目录质量验收及评定表 (272)1 质量验收及评定表编制说明 (273)2 质量验收及评定范围划分表 (275)3 主变压器系统安装单位工程竣工资料 (287)4 控制及直流设备安装单位工程竣工资料 (341)5 ×××kV配电装置安装单位工程竣工资料 (368)6 1000kVGIS 、HGIS 配电装置安装单位工程竣工资料 (422)7 500kV 及以下GIS、HGIS 配电装置安装单位工程竣工资料 (506)8 站用配电装置安装单位工程竣工资料 (535)9 无功补偿装置安装单位工程竣工资料 (598)10 全站电缆施工单位工程竣工资料 (621)11 全站防雷及接地装置安装单位工程竣工资料 (654)12 全站电气照明装置单位工程竣工资料 (671)13 通信系统安装单位工程竣工资料 (692)1 质量验收及评定表编制说明(1)1000kV 变电站验评范围的划分应根据《1000kV 变电站电气设备施工质量检验及评定规程》Q/GDW189-2008 及《电气装置安装工程质量检验及评定规程》(DL/T5161-2002)的规定进行编制。
(2)编制《1000kV 变电站电气设备施工质量检验及评定范围划分表》时不应更改单位工程的顺序和编号,不具有的单位工程应空置,本次工程如需要增加的单位工程可最后一个单位工程之后进行增编。
(3)1000kV 变电站安装工程应根据《1000kV 变电站电气设备施工质量检验及评定范围划分表》编制相应的质量检验评定表。
质量检验评定表的工程编号应与验评范围划分表的编号对应。
(4)单位工程和分部工程质量验收评定表为格式化表格,除名称外不应进行任何改动。
(5)分项工程质量验收评定表中检验项目如与现场设备不符,应根据现场设备实际情况进行改动,改动部分应符合设计、相应规程、产品技术条件和说明书的要求,并经监理确认。
电力变压器安装工程检验批质量验收记录一、验收内容根据《电力变压器安装工程验收规范》(以下简称《规范》),对电力变压器安装工程进行质量验收,确保其符合相关的技术规范和标准要求。
本次质量验收记录包括以下内容:1. 变压器的基础安装情况:包括基础的混凝土浇筑质量、尺寸和水平度等。
2. 变压器的机械安装情况:包括变压器的固定方式、支撑结构的牢固性和合适性等。
3. 变压器的接线安装情况:包括变压器的绝缘电阻测试、接地电阻测试、接线是否正确等。
4. 变压器的冷却设备安装情况:包括冷却设备的安装位置、管道连接情况、冷却系统的正常运行等。
5. 变压器的防护与绝缘措施:包括变压器的绝缘层是否完好、地线的铺设情况、防护罩的安装等。
6. 变压器的附属设备安装情况:包括附属设备的选择是否合理、安装位置是否符合要求等。
7. 变压器的运行试验情况:包括电压稳定性、负载容量、温升等试验项目的检测结果。
8. 变压器的测量与测试情况:包括变压器的绝缘电阻、接地电阻、电流、电压等的测量结果。
二、验收过程1. 开展前期准备工作:验收人员应仔细研究变压器的技术规范和标准要求,了解变压器的安装要求,在验收前对变压器进行检查和测试。
2. 制定验收方案:验收人员根据变压器的安装要求,制定详细的验收方案,明确每个环节的验收标准和要求。
3. 进行现场实地验收:验收人员按照验收方案,前往变压器安装现场进行实地验收。
对每个验收环节,仔细观察、检测和测试,记录下相应的结果。
4. 汇总验收结果:验收结束后,验收人员将各项验收结果进行汇总,形成质量验收记录。
记录中应包括每个环节的验收情况、存在的问题及解决办法等。
5. 编制验收报告:根据质量验收记录,编制详细的验收报告。
报告中应包含变压器的基本信息、验收结果、问题及解决办法、整体评价等内容。
三、验收标准根据《规范》,变压器安装工程的验收应符合以下标准:1. 基础安装:基础混凝土浇筑要坚实牢固,无裂缝;基础尺寸和水平度应符合设计要求。
附录A: 单位工程资料核查表架空线路工程资料核查表表号:Q/CSG表1电缆线路工程资料核查表表号:Q/CSG表2资料核查表表号:Q/CSG表3箱式变电站工程资料核查表表号:Q/CSG表4台架式变压器/低压台区工程资料核查表表号:Q/CSG表5通信及配网自动化安装工程资料核查表表号:Q/CSG表6附录B: 单位工程质量验收与评定记录表架空线路工程单位工程质量验收与评定记录表“优良〞或“合格〞;3.单位工程质量验收是由业主工程部组织监理、设计、施工单位等单位参加的验收,验收合格后,移交给启委会验收组组织相关单位进行投产前的启动验收。
电缆线路工程单位工程质量验收与评定记录表备注:1.检查意见栏填写要求:符合要求的检查项打“√〞,不符合要求的检查项打“×〞,未检查项打“/〞;2.验收结论栏填写“优良〞或“合格〞;3.单位工程质量验收是由业主工程部组织监理、设计、施工单位等单位参加的验收,验收合格后,移交给启委会验收组组织相关单位进行投产前的启动验收。
10kV开关站及10kV/0.4kV变电站工程单位工程质量验收与评定记录表备注:1.检查意见栏填写要求:符合要求的检查项打“√〞,不符合要求的检查项打“×〞,未检查项打“/〞;“优良〞或“合格〞;3.单位工程质量验收是由业主工程部组织监理、设计、施工单位等单位参加的验收,验收合格后,移交给启委会验收组组织相关单位进行投产前的启动验收。
箱式变电站工程单位工程质量验收与评定记录表备注:1.检查意见栏填写要求:符合要求的检查项打“√〞,不符合要求的检查项打“×〞,未检查项打“/〞;“优良〞或“合格〞;3.单位工程质量验收是由业主工程部组织监理、设计、施工单位等单位参加的验收,验收合格后,移交给启委会验收组组织相关单位进行投产前的启动验收。
台架式变压器/低压台区工程单位工程质量验收与评定记录表备注:1.检查意见栏填写要求:符合要求的检查项打“√〞,不符合要求的检查项打“×〞,未检查项打“/〞;“优良〞或“合格〞;3.单位工程质量验收是由业主工程部组织监理、设计、施工单位等单位参加的验收,验收合格后,移交给启委会验收组组织相关单位进行投产前的启动验收。