表1.0.1----干式变压器的安装--分项工程质量检验评定表
- 格式:doc
- 大小:253.50 KB
- 文档页数:10
主变压器安装分部工程质量验收评定表(精)1. 前言本文档旨在对主变压器安装分部工程的质量验收进行评定,以确保工程质量符合标准要求。
2. 技术要求•主变压器的安装必须符合国家和行业标准,且符合专业规范。
•主变压器的基础、支架、传动系统等应符合设计要求。
•主变压器的各项参数应符合安装及使用要求,并经过检测合格。
3. 质量要求3.1 安装质量•主变压器基础应平整、牢固,符合施工图纸要求。
•主变压器的支架应稳定,无明显变形、脱落现象。
•主变压器与传动系统间的连接应牢固、紧密,无松动。
3.2 电气参数•主变压器的额定容量、额定电压、额定电流等参数应符合施工图纸和有关规定。
•主变压器的绝缘电阻、绝缘强度、接地电阻等参数应符合有关规定,并经过检测合格。
3.3 安全要求•主变压器在运行过程中应稳定可靠,无异常声响、振动等现象。
•主变压器周围应安装防护措施,设有警示标识,确保人员与设备的安全。
4. 检查方法验收单位应按照以下方法进行质量验收评定:1.对主变压器基础、支架、传动系统等部分的安装情况进行检查,检查内容包括位置、尺寸、形状、平整度等。
2.对主变压器的电气参数进行检查,检查内容包括额定容量、额定电压、额定电流、绝缘电阻、绝缘强度等。
3.对主变压器在运行过程中的声响、振动等情况进行检查。
4.对主变压器周围的安全措施进行检查,检查内容包括防护措施、标识等。
5. 验收标准经过检查,主变压器安装分部工程符合下列标准之一者,即为合格:1.主变压器的安装质量符合国家和行业标准、专业规范,并符合设计和施工要求。
2.主变压器的电气参数符合施工图纸和有关规定,并经过检测合格。
3.主变压器在运行过程中无明显异常声响、振动等现象。
4.主变压器周围的安全措施符合有关规定。
6.本文档对主变压器安装分部工程的质量验收评定标准进行了详细的介绍,并阐述了验收的具体方法和要求。
希望参与此工程的所有验收单位都能认真遵循标准和规范,确保工程质量符合要求,从而保障经济效益和社会效益的实现。
主变压器安装分部工程质量验收评定表
主变压器本体安装分项工程质量检验评定表
工程编号:1—1—1 Q/CSG表1。
1。
1
主变压器器身检查分项工程质量检验评定表
工程编号:1—1-2Q/CSG表1。
1。
2
主变压器附件安装分项工程质量检验评定表
工程编号:1—1-3Q/CSG表1.1.3
Q/CSG表1.1.3(续)2
主变压器注油及密封试验分项工程质量检验评定表
工程编号: 1-1—4 Q/CSG表1。
1.4
主变压器整体检查分项工程质量检验评定表
1号主变压器系
统附属设备安装分部工程质量验收评定表
工程编号:1-2 Q/CSG表1.2
中性点隔离开关安装分项工程质量检验评定表
工程编号:1—2—1Q/CSG表1.2。
1
中性点电流互感器安装分项工程质量检验评定表
工程编号:1—2—2 Q/CSG表1.2。
2
中性点避雷器安装分项工程质量检验评定表
工程编号:1-2-3Q/LD表1。
2.3
中性点避雷器安装分项工程质量检验评定表
工程编号:1-2-3Q/LD表1。
2。
3—01
中性点软母线安装分项工程质量检验评定表
控制柜及端子箱安装分项工程质量检验评定表
二次回路检查及接线分项工程质量检验评定表
Q/CSG表1.2.8(续)
二次回路检查及接线分项工程质量检验评定表
Q/CSG表1.2.8(续)。
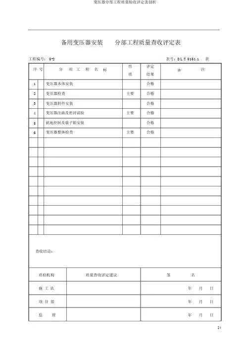
备用变压器安装分部工程质量查收评定表工程编号: 5-2表号:DL/T 5161.1表序号分项工程名性评定注称备质结果1变压器本体安装合格2变压器检查主要合格3变压器附件安装合格4变压器注油及密封试验主要合格5就地控制及端子箱安装合格6变压器整体检查主要合格查收结论:质检机构质量查收评定建议签名施工队年月日项目部年月日监理年月日变压器本体安装分项工程质量查验评定表工程编号:表号: DL/T 5161.3表工序查验项目性单质量标准单项质位质量查验结果评定基预埋件按设计规定合格础基础水平偏差mm< 5合格安装轨道间距偏差mm< 5合格密充气运输气体压力MPa0.01 ~ 0.03合格就性位封前能带油运输不渗油,顶盖螺栓紧固合格检查油绝缘性能标准规定值合格套管与关闭母线中心线主要一致合格滚滚轮安装能灵巧转动合格本装轮体配制动器安装坚固,可拆合格就支墩与变压器及预埋件连结坚固合格位本体接地主要坚固,导通优秀合格冲击值和次数按制造厂规定值合格其余油箱顶部定位装置无变形,无开裂合格查收结论:质检机构质量查验评定建议签名班组年月日施工队年月日变压器检查分项工程质量查验评定表工程编号:表号: DL/T 5161.3表工查验项目性单质量标准质量查验结果单项序质位评定器身各部位主要无挪动合格器各零件外观主要无烧伤、破坏及变形合格身各部位绑扎举措齐备,紧固合格外齐备,无破坏,且防松绝缘螺栓及垫块主要合格观举措靠谱绕组及引出线绝缘层主要完好,包缠坚固密切合格铁铁芯接地主要 1 点,连结靠谱合格芯铁芯绝缘主要用兆欧表加压 1 分钟不闪络合格裸外观无毛刺、尖角、断股、合格断片、拧弯导体焊接满焊、无脱焊合格绕高压应力锥完满合格油路(有围屏者除外)无异物、畅达合格均压障蔽罩完满、无损害合格(500kV 高压侧)组线圈固定检查主要固定坚固合格绕组绝缘主要不低于出厂值的 70%合格连结靠谱合格电开洁净度、弹力无锈蚀、油污、且弹性优秀合格关接触主要靠谱,塞尺塞不进合格压触头对应地点正确、一致合格切零件装置齐备,正确合格换分无操作杆长度三相一致合格接励开装磁转动器动作灵巧、密封优秀合格关置分有开关动作次序主要正确,切换时无开路合格接载开调切换开关密封优秀合格关压变压器检查分项工程质量查验评定表工程编号:表号: DL/T 5161.3表续工查验项目性单质量标准质量查验结果单项序质位评定强油循环管与下优秀合格其轭绝缘接口密封他各部位清理主要无杂物、污迹、屑末合格阀门动作开闭灵巧,指示正确合格回法兰连结紧固,螺栓受力平均;合格联合面无渗油罩器身裸露在空气中主要切合规范 GBJ 147-90合格的时间规定查收结论:质检机构质量查验评定建议签名班组年月日施工队年月日项目部年月日监理年月日变压器附件安装分项工程质量查验评定表工程编号:工查验项目序套管及电流互感器试验升外检接线端子观查高放气塞高座安装地点安绝缘筒装置装压法兰连结套套管检查套法兰连结螺栓管穿线安管引220kV 应力锥出均压球安线装500kV安等电位装装铜片引线与套管连结管低套管检查安压装套法兰连结电开分无传动连杆励关接压磁指示器切换压有分接头地点与装指示器指示置开载关调油室密封内部检查储胶囊或隔阂油柜胶囊或隔阂气密性安装胶囊口密封油位计检查化表号: DL/T 5161.3表性单质量查验结果单项质质量标准评定位主要合格合格坚固,无渗漏油合格高升座最高处合格正确合格正确、不影响套管穿入合格密切合格洁净,无损害,油位正常合格主要齐备,紧固合格顺直、不歪曲合格在均压罩内,深度适合合格在均压障蔽罩内间距 15mm合格左右连结靠谱合格主要连结螺栓紧固,密封优秀合格洁净,无损害合格主要连结螺栓紧固合格回装正确,转动无卡阻合格密封优秀合格主要对应,且连锁、限位正确合格优秀合格洁净、无杂物合格无变形、损害,且洁净合格主要无泄露合格无泄露,呼吸畅达合格反应真切油位合格变压器附件安装分项工程质量查验评定表工程编号:表号: DL/T 5161.3表续 1工查验项目性单质量标准质量查验结果单项序质位评定吸连通管无拥塞、洁净合格湿器油封油位在油面线处合格安装吸湿剂颜色正常合格内部检查无杂物、污迹合格隔阂完满合格压安隔阂与法兰连结主要严实,不与大气相通合格力全释气隔阂地点接点动作正确,绝缘优秀合格放道阀安安装释地点正确合格装及放阀盖及弹簧主要无改动合格器压力电接点检查动作正确,绝缘优秀合格安气校验主要合格合格体继继电器安装地点正确,无渗漏合格电装器连通管高升坡度主要便于气体排向气体继电器合格温温度计校验制造厂已校验合格度插座内介质及密封与箱内油一致,密封优秀计安无压偏、死弯,曲折合格装测温包毛细导管半径> 50mm外观检查无变形 , 法兰端面平坦合格密封性试验主要按制造厂规定合格冷支座及拉杆调整主要法兰面平行、密封垫居中不偏爱受压却合格潜油泵联合面严实器流速、差压继电器按制造厂规定合格安装电扇坚固,叶片无变形合格阀门动作操作灵巧,开闭地点正确合格外接收路内壁洁净,流向标记正确合格变压器附件安装分项工程质量查验评定表工程编号:表号: DL/T 5161.3表续 2工检验项性单质量标准质量查验结果单项序目位评定质内部检查洁净,无杂物、污迹合格安净油滤网检查主要完满合格装器吸湿剂白色不透明合格其耐油绝缘导线摆列齐整,保护举措齐备合格接线箱盒坚固,密封优秀合格他控制箱安装坚固合格查收结论:质检机构质量查验评定建议签名班组年月日施工队年月日变压器注油及密封试验分项工程质量查验评定表工程编号:表号: DL/T 5161.3表工查验项目性单质量标准质量查验结果单项序质位评定绝缘油试验主要合格合格油温( 220kV 及以上变压器)高于器身温度合格器身温度℃> 20合格真空度主要按制造厂规定合格变注油前真空保持时间按制造厂规定合格注油(循环)速度L/min按制造厂规定合格压注油过程检查按制造厂规定合格( 220kV 及以上变压器)器注油后真空保持时间按制造厂规定合格注油油标指示正确合格位油标指示与油枕油面检主要按制造厂规定合格油查高度500kV净油设备出口油温按制造厂规定合格变℃热油箱内温度按制造厂规定合格油循循环时间h按制造厂规定合格环器热油循环后油质试验主要合格合格试整试验压力MPa按制造厂规定合格体试验时间h按制造厂规定合格密验封主要无渗漏合格全部焊缝及联合面密封查收结论:质检机构质量查验评定建议签名班组年月日施工队年月日项目部年月日监理年月日接地控制及端子箱安装分项工程质量查验评定表工程编号:表号: DL/T 5161.8表工查验项目性单质量标准质量查验结果单项序质位评定安装地点按设计规定合格落地箱底座超出地面尺寸㎜按设计规定(无设计规准时合格宜为 10)悬挂箱中心至地面高度m 按设计规定,一般为 1.2 ~合格1.5箱安装垂直度偏差㎜< 1.5合格户外箱体的密封主要优秀,防水、防潮、防尘合格体紧固件表面办理镀锌合格紧固件检查主要齐备、完满、紧固合格安箱架接地连结主要靠谱合格震动场所的防震举措按设计规定合格装装有电气可开启屏门的接地用软铜导线靠谱接地合格箱面标记齐备合格电器元件安装合格按设计规定熔断器、熔丝配置合格查收结论:质检机构质量查验评定建议签名班组年月日施工队年月日变压器整体检查分项工程质量查验评定表工程编号:表号: DL/T 5161.3表工查验项目性单质量查验结果单项序质质量标准评定位铭牌及接线图标记齐备,清楚合格全部附件安装正确,坚固合格油系统阀门翻开,且指示正确合格变压器外观洁净,顶盖无遗留物合格分接开关地点及指示切合运转要求地点合格指示正确油位主要正常合格变测温装置指示正确合格压气体继电器主要模拟试验优秀合格器冷却装置试运优秀,联动靠谱合格整事故排油消防设备主要完满,投运靠谱合格体试验项目主要合格,无漏项合格检整体密封主要无渗油合格相色标记齐备,正确合格查铁芯和夹件接合格地引出套管坚固,导通优秀接高压套管末屏合格电流互感器备短路后靠谱接地合格用二次端子地本体及基础坚固,导通优秀合格引线与主接地坚固,导通优秀合格网连结孔洞封堵严实合格查收结论:质检机构质量查验评定建议签名班组年月日施工队年月日项目部年月日监理年月日。
备用变压器安装分部工程质量验收评定表变压器本体安装 分项工程质量检验评定表工程编号: 表 1.031表号:DL/T 5161.3工程编号:表号:DL/T 5161.3 表1.0.3-2 续验收结论:质检机构质量检验评定意见施工队项目部变压器附件安装分项工程质量检验评定表工程编号: 表号:DL/T 5161.3 表 1.0.3-3 续 2年 月 日施工队 年 月 日质检机构质量检验评定意见工 序检验项目性 质单 位质量标准 质量检验结果单项 评定安净 油 装器内部检查清洁,无杂物、污迹合格滤网检查 主要完好 合格吸湿剂白色不透明合格苴 丿、他耐油绝缘导线排列整齐,保护措施齐全合格接线箱盒牢固,密封良好合格控制箱安装牢固合格验收结论:变压器注油及密封试验分项工程质量检验评定表工程编号: 表号:DL/T 5161.3 表 1.0.3-4年月日年月日变压器注油及密封试验 分项工程质量检验评定表工程编号:表号:DL/T 5161.3 表 1.0.3-4年 月 日年 月 日试验时间h按制造厂规定合格所有焊缝及结合面密封主要无渗漏合格验收结论:质检机构 质量检验评定意见施工队项目部接地控制及端子箱安装 分项工程质量检验评定表工程编号: 表号:DL/T 5161.8 表 4.0.2年 月 日年 月 日 工序检验项目性 质单 位质量标准 质量检验结果单项 评定安装位置按设计规定合格落地箱底座高出地面尺寸mm 按设计规定(无设计规定时 宜为10)合格悬挂箱中心至地面咼度m按设计规定,一般为 1.2〜1.5合格箱安装垂直度误差V 1.5合格户外箱体的密封 主要良好,防水、防潮、防尘 合格体紧固件表面处理镀锌 合格紧固件检查 主要齐全、完好、紧固 合格安箱架接地连接 主要可靠 合格震动场所的防震措施按设计规定 合格装装有电气可开启屏门的接地用软铜导线可靠接地 合格箱面标志齐全 合格电器元件安装按设计规定合格熔断器、熔丝配置合格验收结论:质检机构 质量检验评定意见施工队变压器整体检查分项工程质量检验评定表工程编号:表号:DL/T 5161.3 表 1.035年 月日年 月日检验项目性质单 位质量标准 质量检验结果单项 评定铭牌及接线图标志齐全,清晰合格所有附件安装正确,牢固 合格油系统阀门打开,且指示正确合格变压器外观清洁,顶盖无遗留物 合格分接开关位置及指示符合运行要求位置 指示正确合格油位主要正常 合格测温装置指示正确合格气体继电器主要模拟试验良好 合格冷却装置试运良好,联动可靠合格事故排油消防设施主要完好,投运可靠 合格试验项目 主要合格,无漏项合格整体密封主要无渗油 合格相色标志齐全,正确合格接铁芯和夹件接 地引出套管牢固,导通良好合格咼压套管末屏合格电流互感器备 用二次端子短路后可靠接地合格地本体及基础牢固,导通良好合格引线与主接地 网连接牢固,导通良好合格孔洞圭寸堵严密 合格变 压 器 整 体 检工 序查质检机构 质量检验评定意见施工队项目部。
主变压器安装分部工程质量验收评定表
工程编号:1-1 Q/CSG表1.1
主变压器本体安装分项工程质量检验评定表
工程编号:1-1-2 Q/CSG表1.1.2
Q/CSG表1.1.2(续)
主变压器附件安装分项工程质量检验评定表
工程编号:1-1-3 Q/CSG表1.1.3
Q/CSG 表1.1.3(续)1
Q/CSG表1.1.3(续)2
主变压器注油及密封试验分项工程质量检验评定表
工程编号: 1-1-4 Q/CSG表1.1.4
主变压器整体检查分项工程质量检验评定表
工程编号:1-1-5 Q/CSG表1.1.5
1号主变压器系
统附属设备安装分部工程质量验收评定表
工程编号:1-2 Q/CSG表1.2
中性点隔离开关安装分项工程质量检验评定表
工程编号:1-2-1 Q/CSG表1.2.1
中性点电流互感器安装分项工程质量检验评定表
工程编号:1-2-2 Q/CSG表1.2.2
工程编号:1-2-3 Q/LD表1.2.3
工程编号:1-2-3 Q/LD表1.2.3-01
中性点软母线安装分项工程质量检验评定表
Q/CSG表1.2.5-2(续)
控制柜及端子箱安装分项工程质量检验评定表
二次回路检查及接线分项工程质量检验评定表
Q/CSG表1.2.8(续)
二次回路检查及接线分项工程质量检验评定表
Q/CSG表1.2.8(续)。
主变压器安装分部工程质量验收评定表
主变压器本体安装分项工程质量检验评定表
主变压器器身检查分项工程质量检验评定表
工程编号:1-1—2Q/CSG表1。
1。
2
主变压器附件安装分项工程质量检验评定表
工程编号:1-1-3Q/CSG表1.1。
3
Q/CSG表1.1。
3(续)2
主变压器注油及密封试验分项工程质量检验评定表
工程编号: 1-1—4 Q/CSG表1。
1。
4
主变压器整体检查分项工程质量检验评定表
1号主变压器系
统附属设备安装分部工程质量验收评定表
工程编号:1—2 Q/CSG表1.2
中性点隔离开关安装分项工程质量检验评定表
工程编号:1—2—1Q/CSG表1。
2.1
中性点电流互感器安装分项工程质量检验评定表
工程编号:1—2—2 Q/CSG表1.2.2
中性点避雷器安装分项工程质量检验评定表
工程编号:1—2—3Q/LD表1。
2.3
中性点避雷器安装分项工程质量检验评定表
工程编号:1-2—3Q/LD表1。
2.3-01
中性点软母线安装分项工程质量检验评定表
控制柜及端子箱安装分项工程质量检验评定表
二次回路检查及接线分项工程质量检验评定表
Q/CSG表1。
2。
8(续)
二次回路检查及接线分项工程质量检验评定表
Q/CSG表1。
2。
8(续)。
主变压器安装分部工程质量验收评定表表号:DL/T 5161.1 表 4.0.2 工程名称:黄陵建北煤矿风井场地35kV变电站工程主变压器本体安装分项工程质量检验评定表表号:DL/T 5161.3 表 1.0.3-1 工程名称:黄陵建北煤矿风井场地35kV变电站工程主变压器器身检查分项工程质量检验评定表表号:DL/T 5161.3 表 1.0.3-2 工程名称:黄陵建北煤矿风井场地35kV变电站工程主变压器器身检查分项工程质量检验评定表表号:DL/T 5161.3 表续黄陵建北煤矿风井场地35kV变电站工程主变压器附件安装分项工程质量检验评定表表号:DL/T 5161.3 表 1.0.3-3 工程名称:黄陵建北煤矿风井场地35kV变电站工程主变压器附件安装分项工程质量检验评定表表号:DL/T 5161.3 表 1.0.3-3 续1 工程名称:黄陵建北煤矿风井场地35kV变电站工程主变压器附件安装分项工程质量检验评定表表号:DL/T 5161.3 表 1.0.3-3 续2 黄陵建北煤矿风井场地35kV变电站工程主变压器注油及密封试验分项工程质量检验评定表表号:DL/T 5161.3 表 1.0.3-4 工程名称:黄陵建北煤矿风井场地35kV变电站工程主变压器整体检…分项工程质量检验评定表表号:DL/T 5161.3 表 1.0.3-5工程名称:黄陵建北煤矿风井场地35kV变电站工程工序检验项目性质单位质量标准质量检验结果单项评定变铭牌及接线图标志齐全,清晰齐全,清晰合格压所有附件安装正确,牢固正确,牢固合格器油系统阀门打开,且指示正确打开,且指示正确合格整变压器外观清洁,顶盖无遗留物清洁,顶盖无遗留物合格热油循环器油箱内温度按制造厂规定/循环时间h按制造厂规定/热油循环后油质试验主要合格/试验试验压力MPa大于0.01小于0.0450.03合格整试验时间h2424合格所有焊缝及结合面密封主要无渗漏无渗漏合格验收结质检机构质量检验评定意见施工班组施工单位监理单位验收结论: 主变压器带电试运 质量检验评定(签证)表分接开关位置及指示符合运行要求位 置指示正确符合运行要求位 置指示正确 合格 油位主要正常 正常 合格 测温装置扌曰示正确 扌曰示正确 合格 气体继电器主要模拟试验良好 模拟试验良好 合格 冷却装置试运良好,联动 可靠试运良好,联动 可靠合格事故排油消防设施主要已验收试验项目 主要合格,无漏项 合格,无漏项合格 整体密封 主要无渗油 无渗油 合格 相色标志齐全,正确齐全,正确 合格 接 地铁芯和夹件接 地引出套管牢固,导通良好牢固,导通良好合格咼压套管末屏电流互感器备 用二次端子短路后可靠接地短路后可靠接地 合格 本体及基础牢固,导通良好 牢固,导通良好 合格 引线与主接地网连接牢固,导通良好牢固,导通良好合格 孔洞圭寸堵严密严密合格体 检查质检机构 质量检验评定意见施工班组 施工单位 监理单位2号主变压器带电试运质量检验评定(签证)表。
主变压器安装分部工程质量验收评定表表号:DL/T 5161.1 表4.0.2 工程名称:黄陵建北煤矿风井场地35kV变电站工程主变压器本体安装分项工程质量检验评定表表号:DL/T 5161.3 表1.0.3-1 工程名称:黄陵建北煤矿风井场地35kV变电站工程主变压器器身检查分项工程质量检验评定表表号:DL/T 5161.3 表1.0.3-2 工程名称:黄陵建北煤矿风井场地35kV变电站工程主变压器器身检查分项工程质量检验评定表表号:DL/T 5161.3 表续工程名称:黄陵建北煤矿风井场地35kV变电站工程主变压器附件安装分项工程质量检验评定表表号:DL/T 5161.3 表1.0.3-3 工程名称:黄陵建北煤矿风井场地35kV变电站工程主变压器附件安装分项工程质量检验评定表表号:DL/T 5161.3 表1.0.3-3续1 工程名称:黄陵建北煤矿风井场地35kV变电站工程主变压器附件安装分项工程质量检验评定表表号:DL/T 5161.3 表1.0.3-3续2工程名称:黄陵建北煤矿风井场地35kV变电站工程主变压器注油及密封试验分项工程质量检验评定表表号:DL/T 5161.3 表1.0.3-4 工程名称:黄陵建北煤矿风井场地35kV变电站工程主变压器整体检查分项工程质量检验评定表表号:DL/T 5161.3 表1.0.3-5 工程名称:黄陵建北煤矿风井场地35kV变电站工程主变压器带电试运质量检验评定表号:DL/T 5161.3 表4.0.9 工程名称:黄陵建北煤矿风井场地35kV变电站工程2号主变压器带电试运质量检验评定表号:DL/T 5161.3 表4.0.9 工程名称:黄陵建北煤矿风井场地35kV变电站工程。
干式变压器的安装分项工程质量检验评定表
工程编号:分项名称:表号:
低压盘柜基础制作及安装分项工程质量检验评定表
工程编号:分项名称:表号
交直流母线安装检查分项工程质量检验评定表
工程编号:分项名称:表号
电气就地设备安装分项工程质量检验评定
工程编号:分项名称:表号
鼠笼式电动机检查分项工程质量检验评定
工程编号:分项名称:表号
电缆桥架及支架制作安装分项工程质量检验评定
工程编号:分项名称:表号
电缆管配制及敷设分项工程质量检验评定
工程编号:分项名称:表号。