恒大地产集团防渗漏施工工艺版
- 格式:pdf
- 大小:3.19 MB
- 文档页数:38
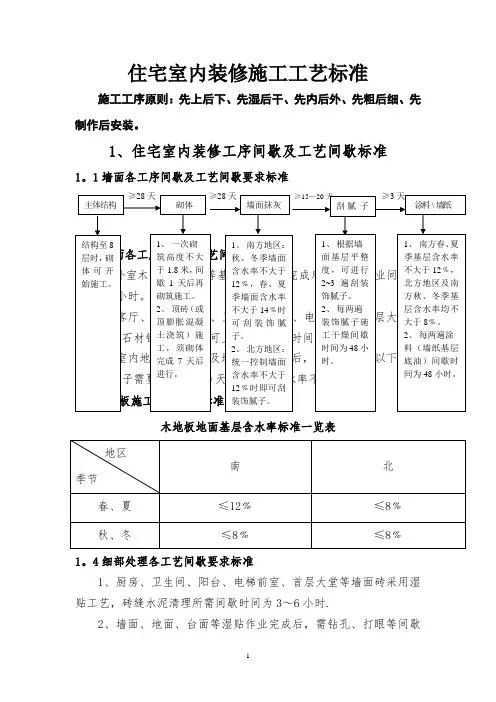
住宅室内装修施工工艺标准施工工序原则:先上后下、先湿后干、先内后外、先粗后细、先制作后安装。
1、住宅室内装修工序间歇及工艺间歇标准1。
1墙面各工序间歇及工艺间歇要求标准木地板地面基层含水率标准一览表1。
4细部处理各工艺间歇要求标准1、厨房、卫生间、阳台、电梯前室、首层大堂等墙面砖采用湿贴工艺,砖缝水泥清理所需间歇时间为3~6小时.2、墙面、地面、台面等湿贴作业完成后,需钻孔、打眼等间歇时间不小于14天。
3、各交界面细部处理打胶后,与卫生清理间歇时间不小于1天。
4、入户门、户内门门框安装后,门扇安装所需间歇时间不小于1天。
1。
5其它装修前置要求1、结构施工至8层,砌体开始施工时,装修施工单位定标、装修管理人员到位.2、电梯机房结构完工,电梯设备进场、电梯安装队伍到位。
3、外立面装饰完成10层,外脚手架拆除上面5层,且卫生清理完毕,进行场地移交,装修施工人员全部到位.4、每5层为一个移交和施工单元,流水施工作业,总工期为120天。
2、住宅室内装修工艺流程标准:3。
1.1室内场地移交1.8mm ,梁底两端墙面为混合砂浆)完成,基层无空鼓、开裂、起灰等质量缺陷,阳角部位需按图纸要求做1。
8米高1:2水泥砂浆护角,垂直度、平整度不大于3mm。
4、铝合金门、窗框安装到位,窗台两端尺寸误差不大于10mm,阴阳角偏差不大于4mm,窗框塞缝完毕且无窗框渗漏水。
5、厨房、卫生间、阳台等给排水管线预埋及给水管试压合格.6、厨房烟道安装并挂网批荡,挂网与墙体搭接150mm,防水封堵和止回阀安装完毕.7、强弱电预埋管线、底盒位置准确,管线畅通。
8、卧室空调孔底位置距结构楼板底不小于400mm。
9、地面标高误差不大于20mm,阳台排水立管封堵和蓄水试验完成,无渗漏水.10、户内门洞尺寸满足设计要求,门套两侧及顶部墙体砌筑材料严禁为空心砌块,且厚度误差不大于10mm。
11、北方地区地暖管施工、保护完毕.12、卫生间沉箱回填施工完毕,给排水管口预埋定位准确.13、飘窗铝合金边框与墙体收口需凹入墙体10-20mm。
防水工程施工指引恒大地产集团管理中心汇编2011年4月第一章编制说明及其原则一、为了加强防水施工管理,规范防水施工做法,提高防水施工质量,参照设计和相关规范要求,编制“卫生间、阳台、外窗、外墙、样板房、屋面、地下室防水施工指引”技术文件。
二、防水工程的设计及施工应遵循“防、排、截、堵相结合,刚柔相济、因地制宜,综合治理的原则”,做到先排后防。
首先不能有积水,要将积水在短时间内顺畅地排出;其次必须强化结构自防水功能,每一处节点均要对结构本身的防水功能给予充分的重视。
因此,防水工程应综合治理,着重抓好三关:第一是结构自防水,包括混凝土墙、柱、板、墙体材料及砌筑、抹灰层、塞缝等,这是整个防水体系的基础。
基础工作不过关,防水体系就无法保证;第二是在各饰面层、防水层施工前后的淋水和蓄水试验,是对前面工序防水能力的真实检验。
只有通过淋(蓄)水试验的防水才是有保障的;第三是防水材料(聚氨酯、卷材等)的应用,这是防水工程的最后一道关口。
三、目前,工程师可能存在只重视最后一关——防水材料的应用及其质量,忽视前两项对防水设防的重要性。
在防水材料出现轻微失效的情况下,建筑物或构筑物也轻易地出现了渗漏。
因此,我们要强调三关并重,缺一不可。
四、原则上要求参照本防水指引进行施工。
因防水工程做法多样,节点各异,请地区公司根据实际情况,要求施工单位在此指引的基础上进行细化与优化,并将细化后的做法标示于工程图纸以指导施工。
第二章卫生间防水施工指引一、卫生间防水施工工序(以非地面热辐射采暖卫生间为例)二、施工要点1.必须严格按卫生间防水施工大样图施工,保证防水构造满足设计及规范要求。
2.穿过地面及楼面的立管、套管安装完成,并须固定牢固。
管周围缝隙用微膨胀混凝土填塞密实(楼板底需吊模板)。
3.基层清理须到位,尤其是管根、墙根等部位要仔细清理,基层凹陷处要用水泥补平。
管根部位要抹成半径为100mm平整光滑的小圆角,凡是靠墙的管根处宜抹出5%坡度,以避免此处留下积水隐患。
恒大地产集团住宅室内装修施工工艺和质量标准施工工序顺序:先上后下、先湿后干、先内后外、先粗后细、先制作后安装。
先上后下一般要求先从天花吊顶往墙面再往地面这样施工,这样可以避免后续工作对前序工作的污染损坏。
先湿作业后干作业,即先完成找平铺贴、厨房卫生间这些沾水的湿区,后施工墙纸硬包、客厅房间干作业去区。
先内后外一般是先施工内部,后施工外部,以便材料运输堆放转运。
先粗后细一般是先做大面,后细部施工收口。
先制作后安装要求先将一些成品制作好比方说橱柜镜柜、硬包等制作好后直接安装,提前准备不占用施工工期。
住宅室内装修工序间歇时间及工艺间歇时间一、墙面各工序间歇及工艺间歇要求标准注:1、这里用的老版本砌筑规范,新规范要求顶砖14d以上2、主体十二层开始砌筑,砌筑十层后开始抹灰,抹灰完成后15-20天开始装修,跟公司的工期标准是吻合的二、地面各工序间歇及工艺间歇要求标准1、卧室木地板、地毯等基层地面找平完成后,可上人作业间歇时间不小于48小时;2、客厅、餐厅、厨房、卫生间、阳台、电梯前室、首层大堂等地面砖、石材铺贴完成后,可上人作业间歇时间为不小于48小时;3、室内陆面砖、石材及地面找平完成后,墙面1米线以下墙体刮装饰腻子需要间歇不小于15-20天,其要求含水率不大于14%;4、细部处理间歇时间4.1、厨房、卫生间、阳台、电梯前室、首层大堂等墙面砖采用湿贴工艺,砖缝水泥清理所需间歇时间为3-6小时;4.2、墙面、地面、台面等湿贴作业完成后,需钻孔、打眼等间歇时间不小于14天;4.3、各交界面细部处理打胶后,与卫生清理间歇时间不小于24小时;4.4、入户门门框安装后,门扇安装所需间歇时间不小于72小时;户内门门框安装后,门扇安装所需间歇时间不小于24小时;三、其他装修施工要求1、外立面装饰完成10层,外脚手架拆除上面5层,且卫生清理完毕,进行场地移交,装修施工人员全部到位。
2、小高层分2批移交,每批5层,移交间歇时间15天,中高层、高层分三批移交,第1批5层,第二三批10层左右,流水作业施工。
恒大恒大万科防水工程标准做法WEIHUA system office room 【WEIHUA 16H-WEIHUA WEIHUA8Q8-1、目的:明确防水工程节点标准做法。
2、适用范围:适用于佛山公司所有在建及新建项目。
3、防水基本原理:疏防结合,结构自防水优先,结构找坡定义:除特殊注明外,均为结构面层找坡,底面平,结构面不得积水。
4、防水标准做法A5:住人地下室防水做法1、采用1:2的微膨胀水泥砂浆填实补平;2、日式三段螺杆中间设置70mmx70mm 、厚2mm 的止水片。
A6:外墙止水螺杆做法1、20mm 厚1:水泥砂浆保护层;2、4mm 厚SBS 改性沥青防水卷材;3、500mm 宽1.5mm 厚溶剂型沥青防水涂料,中间加300mm 宽玻纤网格布;4、墙体施工缝中间加3mm 厚、300宽的止水钢板;A7:地下室外墙施工缝做法1、20mm 厚1:水泥砂浆保护层;(反过来)2、建筑油膏封堵;3、4mm 厚SBS 改性沥青防卷材;4、500mm 宽1.5mm 厚溶剂型橡胶沥青防水涂料,中间加300mm 宽玻纤网格布;5、套管与管道间用防水油膏麻丝填缝;6、外墙预埋止水套管,突出墙面不少于250mm ;防水套管500宽溶剂型沥青涂料防水油膏封堵泡沫条防水油膏麻丝填缝中间加300宽玻纤网格布4mm厚SBS改性沥青防水卷材屋面防水做法外墙防水节点强制条文4.6.1:入户花园、阳台结构有效降板50~80mm,阳台、入户花园降板需满足1%的找坡要求,找坡最高点低于厅房结构面,建筑完成面低于室内客厅完成面不少于50MM;4.6.2:室内一般卫生间结构有效降板50~80mm(大降板除外),室内结构降板周边要求梁部位设置降板缺口梁,不应出现错台,以保证降板有效高度。
4.6.3:露台降板或一次性浇筑反梁,严禁设置反坎,反梁或降板高度根据屋面构造进行计算确定,降板需满足1%的找坡要求,找坡最高点低于反梁或结构板不少于50mm;4.6.4:厨房地面完成面应比相邻厅/房完成面(有门槛石时,以门槛石顶标高位基准)低10-20mm;4.6.5:卫生间地面完成面应比相邻/厅房完成面(有门槛石时,以门槛石顶标高位基准)低20mm;4.6.6:空调板、雨蓬板、凸窗上部、挑檐与外墙面的交接面等突出墙面的现浇或预制线条及构筑物须设置砼反坎,厚度同墙厚,高度不小于200mm;4.6.7:烟道采用砼结构;4.6.8:靠外墙侧的凸窗侧墙采用砼浇筑。
恒大地产集团工程施工工艺指引【7.15第一批】管理及监察中心编制二0一五年七月十五日恒大地产集团工程施工工艺指引目录(7.15第一批)编写说明 (2)第一部分:主体结构类一、外窗塞缝施工工艺 (3)二、内墙抹灰防空鼓开裂施工工艺 (7)三、阳台排水立管、厨房烟道根部防渗漏施工工艺 (10)第二部分:建筑装饰装修类一、地下室耐磨地面施工工艺(一)、金刚砂地面 (13)(二)、环氧树脂地坪漆地面 (15)二、墙面玻化砖铺贴工艺 (18)三、坡屋面水泥瓦钢挂瓦条挂瓦工艺 (24)编写说明【编写目的】根据建筑施工规范并借鉴多年来各地区公司住宅开发建设的施工经验,制定相关的施工工艺指引,规范和指引各地区公司工程施工的开展。
【实施原则】《恒大地产集团工程施工工艺指引》自下发之日起实施。
【使用说明】1、《恒大地产集团工程施工工艺指引》必须在满足国家、地方施工规范及设计要求的前提下,结合地区公司工程项目的实际情况有选择性的采用(非强制要求)。
2、实施过程中如有疑问、建议,或地区公司现有可行实用的工艺,可函告管理及监察中心,我们将采纳有益的建议,在必要的时候进行补充、完善、更新,向全国进行推广,共享经验。
【编制部门】恒大集团管理及监察中心管理及监察中心2015年7月15日第一部分:主体结构类一、外窗塞缝施工工艺1、施工条件1.1 外门窗洞口的定位、预留洞口尺寸应符合规范要求,窗框与洞口边的间隙,应符合施工标准要求。
如洞口出现偏差,当小于10mm(每边)或大于35mm(每边)时,应进行洞口处理,大于35mm的洞口(每边)应采用细石混凝土回补。
1.2 铝合金窗框已完成安装固定,窗框的水平、垂直及对角线长度等符合质量标准。
2、工艺流程(以水泥砂浆塞缝为例)3、施工方法及工艺要求3.1塞缝材料做法一:门窗框与墙体四边缝隙采用干硬性防水水泥砂浆塞缝;做法二:门窗框底边及两侧边上翻150mm高范围采用干硬性防水水泥砂浆塞缝(严寒地区部分项目底边也采用发泡胶),上边及两侧边剩余部分采用打发泡胶塞缝。
恒大城首一期防水工程施工方案一、工程概况本工程位于安徽省合肥市临泉东路以北、吴敬梓路以东。
建筑面积约13万平方米,框剪结构,其中12#~21#楼18层、22#~29#楼11层。
本工程抗震设防烈度为7度,抗震等级为三级,耐火等级为二级。
屋面防水等级为二级,二道设防。
本工程防水工程施工范围主要有:屋面工程、厨房、卫生间。
屋面采用1.5厚APF405高分子复合自粘防水卷材,厨房、卫生间地面采用1.5厚威固单组份湿固化聚氨酯防水涂料。
二、施工准备1、在施工前,应认真熟悉设计图纸,熟悉相关构造及材料要求。
2、防水材料应有检验报告及合格证,在进场后应按照要求进行复试,合格后才能使用。
3、防水层施工前必须将基层上的尘土、沙粒、碎石、杂物和突起物清理干净。
4、防水层基层必须平整牢固,无空鼓起砂现象,表面应清洁干燥,转角处应按要求做半径为50mm的圆弧角。
三、施工工艺及要求A、APF405高分子复合自粘防水卷材施工1、工艺流程:基层处理涂刷配套的基层处理剂节点部位粘贴定位、弹基准线铺贴防水卷材辊压、排气收头处理及搭接验收保护层施工。
2、施工要求:(1)、卷材总体铺贴顺序为:先高跨后低跨,同等高度先远后近。
(2)、基层清理干净后,将专用基层处理剂均匀涂刷在基层表面,涂刷时按一个方向进行,薄厚均匀,不漏底、不堆积,凉放至指触不粘。
(3)、弹线、试铺:在底涂上按实际搭接面积弹出粘贴控制线,严格按控制线试铺及实际铺贴卷材,以确保卷材搭接宽度满足要求(8cm)。
卷材应先试铺就位,按需要形状正确剪裁后,方可开始实际粘铺。
(4)、节点处理:女儿墙部位收口处及出屋面的关口部位,用水泥砂浆将墙与屋面、管交接处阴阳角抹成半径约50mm的小圆角,以便于自粘卷材的施工。
在施工时增设防水附加层一道,确保全面达到防水下效果。
(5)、大面积粘贴自粘卷材主要有拉铺法和滚铺法两种:a、拉铺法:将卷材对准基线全幅铺开,从一头将卷材揭起,沿卷材幅长中线对折,用裁纸刀将隔离纸边轻轻划开,注意不要划伤卷材,将隔离纸从卷材背面撕开500mm长,两人合力揭下隔离纸,对准基线铺贴定位。
各大地产窗边防水节点摘自《中海地产质量技术要求(铝合金门窗工程)》处理门窗框与墙体缝隙:铝合金门窗固定好后,应及时处理门窗框与墙体缝隙。
如设计未规定填塞材料品种时,应采用聚氨酯发泡密封胶填塞缝隙,门窗洞口应干净干燥后打发泡剂,发泡剂应连续施打、一次成型、充填饱满,溢出门窗框外的发泡剂应在结膜前塞入缝隙中,严禁切割,防止发泡剂外膜破损,打发泡胶填缝前,应将窗框临时固定木块全部拆除。
外表面留5~8mm深槽口填嵌嵌缝膏,建议最好采用水泥砂浆填塞。
在门窗框两侧进行防腐处理后,可填嵌设计指定的保温材料和密封材料。
待铝合金窗和窗台板安装后,将窗框四周的缝隙同时填嵌聚合物防水水泥砂浆,填嵌时用力不应过大,防止窗框受力后变形。
投标人应根据设计节点大样同时根据外墙贴石材、贴面砖、刷涂料、外保温等各种情况绘制节点深化大样图,并附设计施工说明。
深化设计须得到业主及监理的批准。
施工样板得到业主及监理验收通过后方可大面积施工。
门窗下框塞缝采用聚合物防水水泥砂浆摘自《金地——防渗漏工程质量控制程序》(3)门窗周边采用发泡剂+聚合物防水砂浆塞缝.发泡剂打前左右上框要求先刮糙保证框离刮糙面20mm,发泡剂门窗框内外侧各收进10mm,发泡膨胀超出部分在打后15min内未硬化前嵌平,发泡剂左右框下部100mm不打,同发泡剂外部一样用1:3干硬性防水砂浆填塞饱满,防水砂浆所用材料参量(重量比)为防水粉10%和膨胀剂4%,要求干硬性砂浆拌制成干性砂浆,手握成团,落地开花。
(4)普通墙体应先将窗下框与洞口间缝隙用防水水泥砂浆填实,填实后撤掉临时固定用木楔或垫块,其空隙也应用防水水泥砂浆填实。
当外侧抹灰时,应采用片材将抹灰层与窗框临时隔开,宽度与深度宜为5-8mm,抹灰面应超出窗框,其厚度应不影响窗扇的开启,并不得盖住排水孔。
待外侧抹灰层硬化后,应撤去片材,然后将密封胶挤入缝隙内填实抹平。
打胶前应将窗框表面清理干净,打胶部位两侧的窗框及墙面均应用遮蔽条遮盖严密,密封胶的打注应饱满,表面应平整光滑,刮胶缝的余胶不得重复使用。
恒大地产集团工程施工工艺指引【第二批】管理及监察中心编制年月日恒大地产集团工程施工工艺指引目录(第二批)编写说明,,,,,,,,,,,,,,,,,,,,,,,,,2第一部分:水电暖通类一、低温热水地板辐射采暖系统施工工艺,,,,,,,,,,,,,,,,3第二部分:园林园建类一、人工湖防渗漏施工工艺,,,,,,,,,,,,,,,,,,,,,,9编写说明【编写目的】根据建筑施工规范并借鉴多年来各地区公司住宅开发建设的施工经验,制定相关的施工工艺指引,规范和指引各地区公司工程施工的开展。
【实施原则】《恒大地产集团工程施工工艺指引》自下发之日起实施。
【使用说明】1、《恒大地产集团工程施工工艺指引》必须在满足国家、地方施工规范及设计要求的前提下,结合地区公司工程项目的实际情况有选择性的采用(非强制要求)。
2、实施过程中如有疑问、建议,或地区公司现有可行实用的工艺,可函告管理及监察中心,我们将采纳有益的建议,在必要的时候进行补充、完善、更新,向全国进行推广,共享经验。
【编制部门】恒大集团管理及监察中心管理及监察中心年月日第一部分:水电暖通类1低温热水地板辐射采暖系统施工工艺1.1施工条件(1)设计图纸及其它技术文件齐全,图纸已进行会审,施工方案已通过审批,并已进行技术交底。
(2)结构施工基本结束,具备室内采暖系统安装作业面,建筑已提供准确的各楼层地面标高线,主要作业条件满足施工要求。
(3)现场施工用水、用电、材料采购、主要施工机具等能满足施工需要。
1.2工艺流程材料进场、报验→检查作业面→固定分、集水器→铺设绝热层苯板→铺设地暖反射膜→敷设地暖管→连接分水器→试压(第一次试压)→带压回填混凝土→试压(第二次试压)→地面层施工1.3施工方法与工艺要求一、材料进场验收根据集团住宅设计标准要求“采暖水管管材,采暖热表至户内分集水器采用PPR 管,管材等级4级,管系列S4,热熔连接;低温地板辐射采暖盘管采用PE-RT管”。
集团审核版,Word可编辑目录1.目的 (5)2.适用范围 (5)3.防水材料选用原则 (5)4.各部位混凝土结构设置要求 (7)5.防渗漏通用管控重点 (9)5.1防水收头细部节点构造 (9)(1)节点详图 (9)(2)做法与要求 (9)(3)质量控制点 (9)5.2防水基层处理 (10)5.3基层处理剂 (10)5.4缝隙处理 (10)6.地下工程防渗漏管控重点 (10)6.1地下室各主要部位防水做法 (10)(1)桩头防水(做法仅供参考) (10)(2)地下室底板防水做法 (10)(3)地下室侧墙防水做法 (12)(4)地下室顶板防水做法 (13)6.2地下室导墙水平施工缝及后浇带部位处理 (15)(1)材料要求 (15)(2)节点做法 (16)(3)现场管控要求 (18)6.3地下室外墙止水螺杆 (18)(1)材料要求 (18)(2)节点做法 (18)(3)现场管控要求 (19)6.4电梯井道底坑、集水井坑底 (19)(1)现场管控要求 (19)6.5地下室外墙给排水管、强电管出墙孔防水处理 (19)(1)材料要求 (19)(2)现场管控要求 (20)(3)侧墙穿墙防水做法 (20)6.6出地下室顶板采光井、通风井、地下出口等构筑物,砼翻边及防水收口要求 (21)(1)节点做法图 (21)(2)现场管控要求 (21)6.7地下室外墙防水收口 (22)(1)节点做法图 (22)(2)现场管控要求 (22)6.8基坑回填土土质以及回填施工要求 (23)(1)现场管控要求 (23)6.9地下室顶板堆载要求 (23)(1)现场管控要求 (23)6.10覆土地下室顶板 (23)(1)现场管控要求 (23)7.外墙防渗漏管控重点 (24)7.1混凝土外墙穿墙螺栓孔封堵 (24)(1)节点做法 (24)(2)现场管控要求 (24)集团审核版,Word可编辑7.2外墙砌筑 (25)(1)现场管控要求 (25)7.3构造柱顶部施工工艺 (27)(1)节点做法 (27)(2)现场管控要求 (28)7.4外墙施工脚手眼、外悬挑型钢封堵 (28)(1)节点做法 (28)(2)现场管控要求 (28)7.5外立面孔洞(空调孔、透气孔、燃气管道孔) (28)(1)节点做法 (29)(2)现场管控要求 (29)7.6外立面构件(外悬挑空调板、雨棚、线条、敞开式阳台、露台)墙体根部 (29)(1)节点做法 (29)(2)现场管控要求 (30)7.7开敞阳台、露台 (30)(1)露台部位防水设计做法 (30)(2)开敞阳台部位防水设计做法 (30)(3)露台或阳台门槛部位节点做法 (30)(4)现场管控要求 (31)8.外窗防渗漏管控重点 (31)8.1窗台压顶 (31)(1)节点做法 (31)(2)现场管控要求 (32)8.2窗楣 (32)(1)节点做法 (32)(2)现场管控要求 (33)8.3附框、窗框与墙体洞口间塞缝处 (33)(1)附框与墙体洞口间塞缝处做法 (33)(2)窗框与墙体精洞口安装做法 (34)9.门窗淋水试验 (34)9.1淋水试验实施时间 (35)9.2门窗淋水试验要求 (35)10.屋面防渗漏重点 (36)10.1屋面防水做法 (36)(1)平屋面防水做法 (36)(2)坡屋面防水做法 (37)10.2出屋面构筑物墙体根部 (38)(1)节点做法 (38)(2)现场管控要求 (38)10.3上人屋面门口处 (39)(1)节点做法 (39)(2)现场管控要求 (39)10.4女儿墙、机房、井道等出屋面构筑物及屋面变形缝处 (39)(1)节点做法 (39)(2)现场管控要求 (40)10.5出屋面管道根部 (41)(1)节点做法 (41)(2)现场管控要求 (41)10.6天沟、雨水口处 (41)集团审核版,Word可编辑(1)节点做法 (41)(2)现场管控要求 (43)11.厨卫防渗漏管控重点 (43)11.1卫生间墙面、地面防水做法 (43)(1)卫生间墙面、地面无地暖防水做法 (43)(2)卫生间墙面、地面有地暖防水做法 (44)11.2厨卫间周边墙体、风道周边 (44)(1)节点做法 (44)(2)现场管控要求 (45)11.3厨卫间门口 (45)(1)节点做法 (45)11.4卫生间管道根部 (45)(1)节点做法 (45)12.全屋养水管控重点 (46)12.1目的 (46)12.2全屋养水范围及时间 (46)12.3全屋养水实施办法 (46)12.4全屋养水管理要求 (46)13.其他防渗漏管控重点 (47)13.1水暖井 (47)13.2庭院地面标高与室内楼地面标高 (47)(1)节点做法 (47)(2)现场管控要求 (47)13.3无顶盖采光井、楼梯间楼地面标高 (47)(1)节点做法 (47)(2)现场管控要求 (48)14.其他 (48)集团审核版,Word可编辑1.目的为提升恒大中国东南区域集团项目产品品质,减少因工程渗漏引起的质量投诉,提高客户满意度,特制定此办法。
远洋地产楼地面防渗漏工艺标准〔试行〕1适用范围1.1本标准适用于远洋地产住宅开发类项目2编制目的2.1梳理楼地面防渗漏做法要点及过程质量关键点。
2.2指导楼地面防渗漏过程管控,降低渗漏风险。
3编制依据3.1《建筑地面工程施工质量验收标准》〔GB50209-2012〕;3.2《混凝土结构工程施工质量验收标准》〔GB50204-2002〕;3.3《住宅装饰装修工程施工标准》〔GB50327-2001〕;3.4《建筑装饰装修工程质量验收标准》〔GB50210-2001〕;3.5《建筑给水排水及暖通工程施工质量验收标准》〔GB50242-2002〕;3.6《建筑室内防水工程技术规程》〔CECS196-2006〕;3.7《建筑构造通用图集》〔08BJ1-1〕;4建筑做法及构造节点楼地面防渗漏做法包括厕浴间、开敞阳台、洗衣机位、管道井、烟风道、穿楼板管道、地漏等部位。
4.1材料及构造要求4.1.1防水材料A.防水材料优先选用涂膜防水形式,如聚合物水泥基防水涂料〔JS〕,或选用卷材形式,如聚乙烯丙纶卷材。
B.当卫生间采用地热采暖时,防水层不宜采用聚氨酯等可挥发性防水材料。
4.1.2反坎构造以下部位应现浇宽同墙厚,高度不低于150mm〔高出成活地面〕的C20素混凝土反坎,宜与楼板同时浇筑。
A.厕浴间周围后砌墙体根部;B.开敞阳台、露台砌体外墙、露台门〔连窗〕下坎根部;C.外挑花池、空调板根部;D.烟风道、管道井根部反坎见节点做法。
4.1.3结构降板A.卫生间地面完成面〔含毛坯房交付成活面〕应比相邻房间地面完成面低20mm。
〔图1〕相邻房间卫生间图1B.同层排水的卫生间,结构降板高度宜为300~350mm,不低于200mm,依据卫生间与相邻房间地面做法厚度,确定卫生间结构板面降低高度。
C.非同层排水的卫生间,应依据卫生间与相邻房间地面做法厚度,确定卫生间结构板面降低高度d〔图2〕。
D.开敞阳台地面如有降板,应依据阳台与相邻房间地面做法厚度,确定阳台结构板面降低高度。
恒大地产施工工艺标准系列防漏预埋座施工工艺标准(试行)恒大地产集团住宅产业化中心二〇一七年九月防漏预埋座施工工艺标准说明【编写目的】为整体提升工程质量,根据国家相关政策法规的要求并借鉴多年来各地区公司住宅开发建设的施工经验,编制了《恒大地产集团防漏预埋座施工工艺标准(试行)》,规范和指引各地区公司防漏预埋座施工的开展。
【实施原则】《恒大地产集团防漏预埋座施工工艺标准(试行)》自2017年月日起下发实施,各新开工项目、标段遵照执行。
【使用说明】1、《恒大地产集团防漏预埋座施工工艺标准(试行)》仅适用于恒大地产项目。
2、《恒大地产集团防漏预埋座施工工艺标准(试行)》必须在满足国家和地方规范、规程、标准及设计要求的前提下,结合地区公司工程项目的实际情况参照执行。
3、实施过程中如有疑问、建议,或地区公司现有可行实用的做法,可告知住宅产业化中心,我们将采纳有益的建议,进行补充、完善、更新,向全国进行推广,共享经验。
防漏预埋座施工工艺标准目录目录前言 (1)一、适用范围 (2)二、主要材料 (3)三、安装施工工艺流程 (5)四、检查验收 (8)五、质量保证措施 (10)防漏预埋座施工工艺标准前言传统排水立管(含支管)穿楼板安装,需要经留洞、穿管、吊模二次浇筑补洞等复杂工序,且容易出现由于补洞混凝土不密实、收缩等原因引起管根渗漏水。
防漏预埋座用于排水管安装前直接预埋在新建楼层,安装方便快捷,省工、省料,不需预留立管孔洞,彻底解决了排水管传统安装必留洞补洞施工繁琐的问题。
防漏预埋座周边设有止水翼缘板,跟主体同步完成施工,无需二次浇筑,大大降低管根漏水隐患。
防漏预埋座施工工艺标准一、适用范围适用◆住宅、公寓及公建隔层排水卫生间、阳台、露台、厨房等部位。
◆同层排水卫生间根据地区公司实际情况参考使用。
卫生间立管防漏预埋座隔层排水卫生间马桶、地漏防漏预埋座m阳台立管防漏预埋座厨房立管防漏预埋座防漏预埋座施工工艺标准二、主要材料◆防漏预埋座(二次排水型)◆防漏预埋座(套管型)名称:防漏预埋座(二次排水型)规格:D110、D75等用途:卫生间排污立管名称:防漏预埋座(套管型)规格:D110、D75等用途:卫生间通气立管防漏预埋座施工工艺标准二、主要材料◆防漏预埋座(套管型)◆防漏预埋地漏名称:防漏预埋座(套管型)规格:D110、D75等用途:阳台排水立管、厨房排水立管名称:防漏预埋地漏规格:D50、D75用途:卫生间、阳台、露台地漏防漏预埋座施工工艺标准三、安装施工工艺流程(一)工艺流程说明◆本工艺流程以隔层排水卫生间防漏预埋座安装为例,阳台、露台、厨房防漏预埋座安装参照设计标准及本工艺流程相关内容执行。
会议通知目录第一章住宅室内装修工序间歇及工艺间歇标准 (3)1.1墙面各工序间歇及工艺间歇要求标准................................... .. (3)1.2地面各工序间歇及工艺间歇要求标准 (3)1.3木地板施工基层要求标准 (4)1.4细部处理各工艺间歇要求标准 (4)1.5其它装修施工要求 (4)第二章住宅室内装修工艺流程标准 (5)第三章住宅室内装修施工工艺和质量标准............................. .. (6)3.1场地移交 (6)3.2弹线 (10)3.3电线穿管..................... . (14)3.4卧室地面找平 (15)3.5墙面砖铺装 (17)3.6墙面石材铺装 (23)3.7天花吊顶、石膏线安装 (28)3.8入户门安装 (31)3.9地面砖、石材铺贴 (34)3.10窗台石铺贴 (40)3.11天花墙面扇灰、涂饰乳胶漆 (42)3.12墙面造型制作、安装 (47)3.13橱柜、卫浴安装 (51)3.14户内门安装 (57)3.15木地板安装 (63)3.16墙面玻璃镜面安装 (70)3.17墙面木饰面造型油漆 (70)3.18墙纸贴铺 (73)3.19阳台护栏安装 (77)3.20低窗护栏安装 (78)3.21墙面软包制作安装 (80)页脚内容会议通知3.22灯具、插座开关面板安装 (82)3.23卫生洁具安装 (97)3.24卫浴五金安装 (104)3.25淋浴隔断安装 (105)3.26细部处理 (106)3.27石材镜面处理 (114)3.28卫生清理 (116)恒大地产集团住宅室内装修施工工艺和质量标准(试行)施工工序原则:先上后下、先湿后干、先内后外、先粗后细、先制作后安装。
页脚内容会议通知第一章住宅室内装修工序间歇及工艺间歇标准1.1墙面各工序间歇及工艺间歇要求标准1.2地面各工序间歇及工艺间歇要求标准1、卧室木地板、地毯等基层地面找平完成后,可上人作业间歇时间为不小于48小时。
恒大中国东南区域集团-防渗漏管理制度V.集团审核版,Word可编辑目录1.目的 (5)2.适用范围 (5)3.防水材料选用原则 (5)4.各部位混凝土结构设置要求 (7)5.防渗漏通用管控重点 (9)5.1防水收头细部节点构造 (9)(1)节点详图 (9)(2)做法与要求 (9)(3)质量控制点 (9)5.2防水基层处理 (10)5.3基层处理剂 (10)5.4缝隙处理 (10)6.地下工程防渗漏管控重点 (10)6.1地下室各主要部位防水做法 (10)(1)桩头防水(做法仅供参考) (10)(2)地下室底板防水做法 (10)(3)地下室侧墙防水做法 (12)(4)地下室顶板防水做法 (13)6.2地下室导墙水平施工缝及后浇带部位处理 (15) (1)材料要求 (15)(2)节点做法 (16)(3)现场管控要求 (18)6.3地下室外墙止水螺杆 (18)(1)材料要求 (18)(3)现场管控要求 (19)6.4电梯井道底坑、集水井坑底 (19)(1)现场管控要求 (19)6.5地下室外墙给排水管、强电管出墙孔防水处理 (19)(1)材料要求 (19)(2)现场管控要求 (20)(3)侧墙穿墙防水做法 (20)6.6出地下室顶板采光井、通风井、地下出口等构筑物,砼翻边及防水收口要求 (21)(1)节点做法图 (21)(2)现场管控要求 (21)6.7地下室外墙防水收口 (22)(1)节点做法图 (22)(2)现场管控要求 (22)6.8基坑回填土土质以及回填施工要求 (23)(1)现场管控要求 (23)6.9地下室顶板堆载要求 (23)(1)现场管控要求 (23)6.10覆土地下室顶板 (23)(1)现场管控要求 (23)7.外墙防渗漏管控重点 (24)7.1混凝土外墙穿墙螺栓孔封堵 (24)(1)节点做法 (24)(2)现场管控要求 (24)集团审核版,Word可编辑7.2外墙砌筑 (25)(1)现场管控要求 (25)7.3构造柱顶部施工工艺 (27)(2)现场管控要求 (28)7.4外墙施工脚手眼、外悬挑型钢封堵 (28)(1)节点做法 (28)(2)现场管控要求 (28)7.5外立面孔洞(空调孔、透气孔、燃气管道孔) (28)(1)节点做法 (29)(2)现场管控要求 (29)7.6外立面构件(外悬挑空调板、雨棚、线条、敞开式阳台、露台)墙体根部 (29)(1)节点做法 (29)(2)现场管控要求 (30)7.7开敞阳台、露台 (30)(1)露台部位防水设计做法 (30)(2)开敞阳台部位防水设计做法 (30)(3)露台或阳台门槛部位节点做法 (30)(4)现场管控要求 (31)8.外窗防渗漏管控重点 (31)8.1窗台压顶 (31)(1)节点做法 (31)(2)现场管控要求 (32)8.2窗楣 (32)(1)节点做法 (32)(2)现场管控要求 (33)8.3附框、窗框与墙体洞口间塞缝处 (33)(1)附框与墙体洞口间塞缝处做法 (33)(2)窗框与墙体精洞口安装做法 (34)9.门窗淋水试验 (34)9.1淋水试验实施时间 (35)9.2门窗淋水试验要求 (35)10.屋面防渗漏重点 (36)10.1屋面防水做法 (36)(1)平屋面防水做法 (36)(2)坡屋面防水做法 (37)10.2出屋面构筑物墙体根部 (38)(1)节点做法 (38)(2)现场管控要求 (38)10.3上人屋面门口处 (39)(1)节点做法 (39)(2)现场管控要求 (39)10.4女儿墙、机房、井道等出屋面构筑物及屋面变形缝处 (39) (1)节点做法 (39)(2)现场管控要求 (40)10.5出屋面管道根部 (41)(1)节点做法 (41)(2)现场管控要求 (41)10.6天沟、雨水口处 (41)集团审核版,Word可编辑(1)节点做法 (41)(2)现场管控要求 (43)11.厨卫防渗漏管控重点 (43)11.1卫生间墙面、地面防水做法 (43)(1)卫生间墙面、地面无地暖防水做法 (43)(2)卫生间墙面、地面有地暖防水做法 (44)11.2厨卫间周边墙体、风道周边 (44)(1)节点做法 (44)(2)现场管控要求 (45)11.3厨卫间门口 (45)(1)节点做法 (45)11.4卫生间管道根部 (45)(1)节点做法 (45)12.全屋养水管控重点 (46)12.1目的 (46)12.2全屋养水范围及时间 (46)12.3全屋养水实施办法 (46)12.4全屋养水管理要求 (46)13.其他防渗漏管控重点 (47)13.1水暖井 (47)13.2庭院地面标高与室内楼地面标高 (47)(1)节点做法 (47)(2)现场管控要求 (47)13.3无顶盖采光井、楼梯间楼地面标高 (47)(1)节点做法 (47)(2)现场管控要求 (48)14.其他 (48)集团审核版,Word可编辑1.目的为提升恒大中国东南区域集团项目产品品质,减少因工程渗漏引起的质量投诉,提高客户满意度,特制定此办法。
防渗漏施工指引(2014版)恒大地产集团管理及监察中心汇编2014年8月第一章编制说明及其原则一、为了减少建筑物渗漏水质量问题,规范防水施工做法,减少由此引起的交楼风险,参照设计和相关规范要求,编制“防渗施工工艺标准”技术文件。
二、防水工程的设计及施工应遵循“防、排、截、堵相结合,刚柔相济、因地制宜,综合治理的原则”,做到先排后防。
首先不能有积水,要将积水在短时间内顺畅地排出;其次必须强化结构自防水功能,每一处节点均要对结构本身的防水功能给予充分的重视。
因此,防水工程应综合治理,着重抓好三关:第一是结构自防水,包括混凝土墙、柱、板、墙体材料及砌筑、抹灰层、塞缝等,这是整个防水体系的基础。
基础工作不过关,防水体系就无法保证;第二是在各饰面层、防水层施工前后的淋水和蓄水试验,是对前面工序防水能力的真实检验。
只有通过淋(蓄)水试验的防水才是有保障的;第三是防水材料(聚氨酯、卷材等)的应用,这是防水工程的最后一道关口。
三、建筑物渗漏水问题集中体现在:结构缺陷,如结构板高差不足、楼板通缝开裂等;隐蔽验收流于形式,如没有按照规范及图纸要求对给排水管道进行通水通球、试压检测,没有做好蓄水、淋水检查工作等;防水细部施工质量差,如穿墙管道防水收口、后浇带和伸缩缝等结构预留缝防水处理等。
根据以上发现的问题,只有在施工的全过程推行一套完善的防渗施工工艺标准,才能有效地确保建筑物防水施工质量,降低渗漏水隐患。
四、因防水工程做法多样,节点各异,请地区公司参照本指引根据实际情况,进行细化与优化,用以指导施工。
第二章卫生间防渗漏施工指引一、卫生间防水施工工序(以非地面热辐射采暖卫生间为例)二、质量控制要点1、必须严格按卫生间防水施工大样图施工,保证防水构造满足设计及规范要求。
2、穿过地面及楼面的立管、套管安装完成,并须固定牢固。
立管穿楼板处用微膨胀混凝土分两次堵洞,洞孔须封堵严密。
3、基层清理须到位,尤其是管根、墙根等部位要仔细清理,基层凹陷处要用水泥补平。
管根部位要抹成半径为100mm平整光滑的小圆角,凡是靠墙的管根处宜抹出5%坡度,以避免此处留下积水隐患。
墙面按设计要求有防水的部位,墙面基层抹灰要压光,须平整,无空鼓、裂缝、起砂等缺陷。
地面向地漏方向找坡,门口附近坡度较小,地漏处较大。
4、细部附加层涂料施工要分两次涂刷,每次涂刷厚度宜为0.6mm,不得漏涂。
第二道涂膜防水涂料实干后(24小时)才可进行大面积涂膜防水层施工,方向与第一次相垂直,先墙面后地面,从内向外顺序进行。
5、卫生间沉箱底板用防水砂浆向侧排地漏找坡(坡度不小于2%)。
沉箱预埋排水管道应在隐蔽前做好蓄水检查工作。
6、防水涂膜材料为合成高分子防水涂料,厚度为1.5mm,施工时须分三遍进行涂膜施工,墙面四周防水涂料沿装修完成面上翻高度不小于150mm,遇门口时水平扫出门口200mm;有淋浴的墙面应做水泥基防水层高度为1800mm。
7、蓄水试验(最高处)蓄水深度不小于30mm,蓄水时间不少于24h,蓄水试验结果须填写蓄水检查记录。
8、地漏在防水施工前,应采取保护措施,确保排水畅通。
蓄水合格后应将地漏清理干净。
9、涂膜防水层每层施工完毕后,要严格加以保护,在卫生间门口要设醒目的禁入标志,在保护层施工之前,任何人不得进入,也不得在上面堆放杂物,以免损坏防水层。
防水保护层施工时,不得在防水层上拌砂浆,铺砂浆时铁锹不得触及防水层,要精工细做,不得损坏防水层。
10、卫生间地面砖及门槛石必须采用湿贴法,严禁干铺,门槛石结合层采用防水砂浆。
11、回填1:8陶粒混凝土时,应在侧排地漏周边200 范围内填鹅卵石(粒径15-20mm),以保证地漏口通畅。
三、卫生间防水施工节点大样图(以集团标准图集为例,施工时以施工图为准)(一)非地面热辐射采暖的做法(二)地面热辐射采暖的做法(三)沉箱内侧排地漏安装示意图第三章外窗防渗漏施工指引一、外窗防水施工工序(以水泥砂浆塞缝为例)二、质量控制要点1、必须严格按外窗防水施工节点大样图施工,保证细部防水构造满足设计及规范要求。
2、第一次收口须确保外窗框与洞口之间的间隙为25mm±5mm。
3、铝合金外窗塞缝应采用防水密封材料填塞密实,防止窗边渗漏水;北方地区应采用柔性低热导防水材料进行封堵,防止冷桥和温差变形开裂现象。
4、二次塞缝前应先对洞口基底进行清理并洒水湿润。
5、窗框凹槽塞缝完成后应在24小时内安装外窗框并立即进行第二次塞缝工序施工。
6、外窗框与墙体接缝处密闭材料为中性硅酮密封胶,密封胶应饱满、匀称。
7、应确保外窗窗台、滴水完成面的坡度≥20%。
严格控制室内、外窗台高差,确保室内窗台高于室外窗台20-40mm,防止造成渗水。
8、窗口侧壁保温应用反包网固定牢固。
三、外窗防水施工节点大样图(以集团标准图集为例,施工时以施工图为准)第四章 阳台防渗漏施工指引一、阳台防水施工工序刚性防水做法 柔性防水做法二、质量控制要点1、必须严格按阳台防水施工大样图满做防水,保证防水构造满足设计及规范要求。
2、结构施工时按设计要求降板。
3、确保阳台地漏标高及地面排水坡度满足设计要求。
4、穿过地面及楼面的套管、立管安装完成,排水立管及排水地漏穿楼板处用微膨胀混凝土分两次堵洞。
5、基层清理须到位,尤其是铝合金底框处、管根、地漏等部位要仔细清理,基层凹陷处要用水泥补平,管根部位要抹成平整光滑的小圆角,工程师验收合格后才能进行塞缝施工。
6、阳台铝合金推拉门底框与洞口之间缝隙用防水砂浆(1:2水泥砂浆掺3%防水粉)填塞密实,不允许使用发泡剂及其它材料。
7、防水层每层施工后,要严格加以保护,在阳台门口要设醒目的禁入标志,在保护层施工之前,任何人不得进入,也不得在上面堆放杂物,以免损坏防水层。
8、阳台做完防水后,须做蓄水试验,由工程师逐一验收,合格后方可移交工作面。
蓄水试验作为工作面移交的必须步骤。
9、阳台地砖必须采用湿贴法,严禁干铺。
三、阳台防水施工节点大样图(以集团标准图集为例,施工时以施工图为准)(一)阳台刚性防水做法(二)阳台柔性防水做法第五章 外墙防渗漏施工指引一、外墙施工工序无外墙保温板的外墙做法 有外墙保温板的外墙做法二、质量控制要点1、保持墙面平整,凸起处铲平;凹进处、孔洞应用水泥砂浆分层修补、镶嵌密实。
2、钢筋混凝土外墙对拉螺栓孔洞应先用冲击钻在外墙面将孔内50mm 范围内pvc套管清除,然后用聚乙烯发泡剂满孔封堵。
灌注发泡剂时,应将抢嘴伸至墙内壁处才开始打发泡剂,边打边退灌注至外墙孔洞,保证发泡剂灌注饱满密实。
3、抹灰前应对基层表面进行处理,刷一道界面剂,并做拉毛处理。
4、外抹灰应四周吊线,打灰饼控制抹灰层厚度。
底层拉毛不宜太厚,做到厚度均匀、表面平整。
5、抹灰砂浆应有适当的稠度和良好的保水性。
6、水平线条的上表面向外做找坡,下口做鹰嘴式滴水线。
7、按设计和规范要求镶贴面砖,严控水泥砂浆和勾缝施工质量。
8、空调排水管应明装在外墙外,不得覆盖隐蔽。
空调冷凝水支管管口标高比空调室外板面标高低20mm。
9、外墙空调板(尤其是飘窗上方的空调外机位底板)用防水砂浆向外找坡(采用铁艺栏杆,向地漏方向排水),安装铝合金格栅时应注意在底部留有排水的空隙,防止飘板积水。
10、外墙施工完成后应组织进行淋水试验,对检查出来的渗漏水部位应进行返工处理,整改后应对该部位再次进行淋水试验,确保达到防水要求。
第六章屋面防渗漏施工指引一、施工工艺以平屋面一道柔性防水为例以斜屋面无保温层为例二、质量控制要点1、屋面工程施工前,施工单位应进行图纸会审,并应编制屋面工程施工方案或技术措施。
2、屋面的保温层和防水层严禁在雨天、雪天和五级风及其以上时施工。
屋面防水层施工工法和适用区域要求如下表:序号项目施工工法适用区域1自粘聚合物改性沥青防水卷材(无胎体)干铺法和湿铺法全国2SBS高聚物改性沥青防水卷材热熔满粘法和空铺法在北方温差较大地区及冬季5度以下区域施工时使用3聚乙烯丙纶复合防水卷材湿铺法全国4合成高分子防水涂料涂膜单组分的适用:全国双组分的适用:在温度低于5度,湿度低于8%时使用3、基层突出屋面结构(女儿墙、山墙、天窗壁、变形缝、烟囱等)的交接处和基层的转角处,找平层均应做成圆弧,圆弧半径应符合表的要求。
内部排水的水落口周围,找平层应做成略低的凹坑,做附加层。
转角处圆弧半径卷材种类圆弧半径( mm)沥青防水卷材100~150高聚物改性能沥青防水卷材50合成高分子防水卷材204、找平层宜设分格缝,井嵌填密封材料。
分格缝应留设在板端缝处,其纵横缝的最大间距:水泥砂浆或细石混凝土找平层,不宜大于6m;沥青砂浆找平层,不宜大于4m。
5、卷材防水层长边及短边的搭接缝宽度均不得小于100㎜。
为确保搭接缝的宽度,可先在找平层上弹出墨线,进行卷材试铺,无问题后方可进行正式铺贴。
卷材铺贴用压辊向两侧、向前滚压排气粘牢。
6、屋面四周要设置排水明沟。
7、天沟、檐沟、檐口、泛水和立面卷材收头的端部应裁齐,塞人预留凹槽内,用金属压条钉压固定,最大钉距不应大于900mn,并用密封材料嵌填封严。
8、24小时渗水试验或2小时淋水试验不渗、不漏。
9、及时做好保护层防止二次破坏。
三、屋面防水大样图(以集团标准图集为例,施工时以施工图为准)(一)女儿墙不做保温地区的做法1、屋面防水做法一(非倒置式,Ⅱ级,适用: 设一道柔性防水多层建筑平屋面)2、屋面防水做法二(优先选用倒置式,Ι级两道柔性防水,适用:高层建筑平屋面)3、屋面防水做法三(非倒置式,Ⅱ级,适用: 设一道柔性防水多层建筑平屋面)4、屋面防水做法四(优先选用倒置式,Ι级两道柔性防水,适用:高层建筑平屋面)1、屋面防水做法一(非倒置式,Ⅱ级,适用:设一道柔性防水层的多层建筑平屋面)2、屋面防水做法二(优先选用倒置式,Ι级两道柔性防水,适用:高层建筑平屋面)3、屋面防水做法三(非倒置式,Ⅱ级,适用: 设一道柔性防水多层建筑平屋面)4、屋面防水做法四(优先选用倒置式,Ⅰ级两道柔性防水;适用:高层建筑平屋面,在北方温差较大地区及冬季5度以下施工时使用)5、屋面防水做法五(非倒置式,Ⅱ级,适用: 设一道柔性防水多层建筑平屋面)6、屋面防水做法六(优先选用倒置式,Ⅰ级两道柔性防水,适用:高层建筑平屋面)第七章 地下室防渗漏施工指引一、地下室防水施工工序地下室顶板防水 地下室侧壁防水 地下室底板防水(湿铺法) (湿铺法) 二、质量控制要点1、地下防水工程的施工,应建立各道工序的自检、交接检和专职人员检查的“三检”制度,并有完整的检查记录。
未通过上道工序验收,不得进行下道工序的施工。
2、地下防水工程施工期间,明挖法的基坑以及暗挖法的竖井、洞口,必须保持地下水位稳定在基底0.5m以下,必要时应采取降水措施。
3、地下防水工程的防水层,严禁在雨天、雪天和五级风及其以上时施工。