双梁桥式起重机价格测算表
- 格式:doc
- 大小:80.00 KB
- 文档页数:1
双梁桥式起重机安装1、工程概况及编制依据1.1工程概况:桥式抓斗吊是重******工段的主要设备,其安装高度轨顶标高13.5米,轨距43.5米,轮距7.000米,抓斗起重量11吨,设备总重89.312吨,其中大车桥架69.15吨,主梁单片总重30.315吨,端梁3.032吨/个,其外形尺寸长×宽×高为44.18×8.795×6.245米。
其中主梁外形尺寸为44.00×1.36×2.300米,其分两节制造运输至现场,其中一节31.5米,另一节12.8米,为外包箍式螺栓连接方式。
根据设备生产厂家起重设备随机资料,其他主要技术数据见下表桥式起重机主要技术参数表1.2编制依据:1.2.1施工合同1.2.2建筑及结构图1.2.3抓斗吊随机说明书1.2.4吊车轨道连接标准图集G 2351.2.5《机械设备安装工程施工及验收规范》TJ231-781.2.6起重机械安装技术检验手册中国劳动出版社九二版1.2.7《化工工程起重施工规范》HGJ201-831.2.8施工组织设计2、施工方法及施工程序确定2.1施工方法确定::由于重量较大,考虑现场条件和现有机具条件,本方案采用大型吊车分段组装法施工,先将单根主梁整体连接后,用二台吊车起吊就位于已在固定在轨道上的两个端梁上后,再用两台吊车抬吊另一根主梁,然后就位小车及其他围护结构。
2.2桥吊安装施工程序基础验收→设备验收及进场→设备清洗→拼装单片主梁及端梁安装→吊装拼成梁→吊另一片主梁→小车吊装就位→大车运行机构安装→操纵室及围护栏杆安装→电气设备调试→抓斗安装及串绕钢丝绳→全面检查调整→空载试车→负荷试车3、施工准备3.1设备进场及验收:熟悉施工图及技术资料,并对设备进行认真检查,核对尺寸及实物,填写图纸审查记录及设备验收记录。
零部件现场放置应防雨。
3.2设备清洗3.2.1清洗设备所有零、部件(包括大小行走轮、减速机等),进行清洗加油。
特种设备检验检测收费项目及标准(贵州省物价局、贵州省财政厅黔价费(2008)4号)一、压力容器、压力管道产品质量监督检验收费标准(一)锅炉注:1、D为锅炉蒸发量(小型和常压热水锅炉也按蒸发量折算)。
2、热水锅炉以每0.7兆瓦(60×104卡/时)折算为蒸发量1吨/时。
3、锅炉整机指不包括鼓、引风机、给水泵、除尘器以及水处理设备。
4、销售价含材料费和安全附件。
(二)压力容器注:1、容器类别按《压力容器安全技术监察规程》规定进行分类。
一、二、三类压力容器产品销售价含材料费和安全附件,不包括填充物料。
2、汽(火)车槽车按罐体(含安全附件)的销售价计算收费。
3、散装、组装大型容器(包括球罐)的现场监检,按设备总价的1。
5%或安装工程总费用的3%收取。
4、不锈钢及有色金属容器制作的设备按上述标准的50%收取.5、医用氧舱安装监检费按产品销售安装价的1.5%收取。
(三)压力管道1、凡新、改、扩建压力管道的安装监检,按其工程总造价(含材料费)的2~3 % 收取:其中:(1)工程总造价在100万元以下(含100万元),按3%收取,且不低于1000元。
、(2) 工程总造价在100万元至300万元(含300万元),按2.5%收取。
(3)工程总造价在300万元以上,按2%收取2、压力管道元件制作按其销售价收取,A、B级分别收取3%和4%。
(四)气瓶注:各类钢瓶、实行批量性监督检验时,按该批产品总数销售价计收。
二、锅炉安装、修理改造质量监督检验收费注:安装(含修理改造)工程费为安装合同确定的总费用(含材料费)。
二、在用锅炉、压力容器、压力管道定期检验收费标准(一)在用锅炉a、锅炉定期检验注:1、D为锅炉蒸发量2、表中为蒸汽锅炉,热水锅炉按0。
7兆瓦(60×104大卡/时)折算为1吨/时。
3、余热锅炉以受热面积每30米2折算为1吨/时,非定型余热锅炉,其检验费加收50%。
外部检验、水压试验按内外部检验的50%收取;强度校核按内外部检验的50%b、锅炉水处理检验收费标准(二)在用压力容器注:1、表中为检验一类压力容器时检验收费标准,V表示容积。
一台双梁桥式起重机最大最小轮压的计算过程一、已知:起重量:Q起=20吨跨度:L=22.5米大车车轮数:4个起重机总重(包括小车):G总=32.5吨小车重:G小车=7.5吨吊具重:0.5吨吊钩中心线到端梁中心线的最小距离L1=1.5米(大钩极限位置)二、计算过程1、大车最大轮压(满载)P满max=(32500-7500)/4+(20000+500+7500)*(22.5-1.5)/2*22.5=19317kg2、大车最小轮压(满载)P满min=(32500-7500)/4+(20000+500+7500)*1.5/2*22.5=7183kg3、大车最大轮压(空载)P空max=(32500-7500)/4+(500+7500)*(22.5-1.5)/2*22.5=9983kg4、大车最小轮压(空载)P空min=(32500-7500)/4+(500+7500)*1.5/2*22.5=6517kg所以最大轮压Pmax=19317 ,最小轮压Pmin=6517kg1、起重机总重包含小车重,不含被吊物件重。
2、“起重量”是国家标准,“最大、小轮压”由起重机设计者提供。
3、单个车轮4、空载,如上帖解释。
5、不一定,轨顶标高由厂房设计者定,吊钩的最大起吊高度由用户定。
但轨顶标高一般大于起吊高度,但不多。
6、你指的是厂房的还是吊车主梁的横向?这些尺寸在吊车的产品样本中都应该有。
但是吊车的设计应遵守《通用桥式起重机界限尺寸》(GB/T7592-1987)的规定。
7、厂家有的提供大、小电机的型号,有的不提供,你可以索取。
功率因数、电机效率、启动电流等参数可以根据电机型号查有关资料。
8、具体资料可参考有关资料,或直接向厂家索取,另外,可利用上网搜索,比如,登陆南京起重机械总厂网站,或中国起重网。
本论坛搞工民建专业的朋友很多,关于厂房结构方面的帖子最多,特别是吊车梁,在进行吊车梁及厂房设计时,吊车轮压是主要的计算条件之一,但是吊车的轮压是如何确定的,恐怕不一定知道的很清楚,现我把桥式起重机轮压计算的公式给大家,供搞厂房设计的朋友参考。
双梁桥式起重机技术协议甲方:乙方:时间:年月双方就本项目所需行车进行充分协商讨论,签订如下技术协议:1、供货范围供货包含:机械、电气成套设备,随机备品备件、专用工具、图纸及技术文件。
2、随机资料(1) 主要外购机电设备,主要构件材料的技术资料;(2) 产品出厂质量检测记录及合格证;(3) 安装使用维修说明书及维修图纸;(4) 吊钩合格证、钢丝绳合格证;(5) 主要构件材质证书;(6) 设计与制造材料:(7) 使用保养维修说明书;(8) 全套竣工图(电气原理图、接线图、电器布置图、总装配图、部件装配图、易损件图等);(9) 有关齿轮、车轮、制动轮、轴等的热处理报告;(10) 受弯作用的轴和重要零件(如吊钩等)的探伤报告;(11) 主要焊缝的探伤报告;(12) 主要结构件的除锈质量和涂装漆膜厚度检测记录;(13) 减速机厂检查与试验记录及合格证;(14) 外购设备和零部件明细表;(15) 标准件明细表;(16) 整机检查与试验记录表;(17) 起重机质量合格证。
3、桥式起重机各部分内容及要求小车小车由小车架、起升机构、运行机构、限位开关等组成,并考虑检修空间,拆装方便。
小车导电形式:滑车拖动电缆导电。
小车架小车架是由钢板、型钢焊接而成的刚性结构件,车架四周设有平台、栏杆,上下设斜梯或直梯,两侧下部设有安全尺,前后装有缓冲器。
小车架上的各部件确保组装质量。
起升机构起升机构主要由电机通过联轴节浮动轴将动力传递至减速机,减速机驱动卷筒缠绕钢丝绳提升吊钩滑轮组起升重物。
起升重物至极限位置限位开关自动动作,及时切断控制电路,杜绝误动作。
小车运行机构小车运行机构采用集中驱动,包括车轮组、联轴器、减速机、液压推杆制动器、电机等。
大车运行机构大车运行机构由电机、齿轮联轴器、减速机、制动器、浮动轴、车轮、缓冲器等部件组成。
大车运行至端部,限位开关及时动作。
大车端部设有弹簧缓冲器能有效减轻冲击。
结构起重机具有足够的刚性,其静上拱度保证在范围内,动静载试验按国家标准,动载倍、静载倍。
江汉大学毕业论文开题报告题目:双梁桥式起重机——起升机构的设计学院: 机电与建筑工程学院专业: 机械设计制造及其自动化学号: 200806101335学生姓名: 吴明煌指导教师: 易建钢日期: 2012-2-28课题名称:双梁桥式起重机的设计(起升机构的设计)1 前言随着世界经济及工业技术的不断发展,特别是电动葫芦及其驱动装置“三合一”(电动机,减速器,制动器三合为一)部件的技术发展,以电动葫芦为起升机构的葫芦试起重机,以其高度的标准化、系列化和通用化程度为前期在世界主要工业发达国家不断更新发展,并逐步替代在主要性能参数相近的通用桥式起重机产品。
近年来,我们对本国的桥式和梁式起重机的生产及其使用情况进行了调查和分析,对国外的起重机产品进行研究,从起重机的使用性能、安全可靠性及主要配套适合我国国情入手,克服旧型葫芦起重机专业化标准化,协作化程度不高的缺点。
为此,新型葫芦双梁桥式起重机(LHG型),在主要性能参数、工作级别、外形尺寸及厂房的轮压值等方面,符合国内最新的起重机设计规范,并与国外起重机标准接轨。
随着现代工业的迅速发展,电子计算机的广泛应用,系统工程、优化工程、创造性工程、人机工程等现代化理论的发展,大大加快了现代工业的发展进程,使社会生产力又跃上了一个新水平。
当今世界工业生产,由于市场竞争的需要,生产方式由单一品种的大批量向着多品种的变批量方向发展。
30年代以来,物料搬运技术仅指的是各类起重运输设备,而90年代的物料搬运系统逐渐增加了许多自动化内容,包括自动识别、自动导向、自动计数、自动称重等。
为了使生产和流动能够紧密配合,构成更大、更高效的物流系统,计算机技术得到了广泛的应用,起重机的很多工作将被机器人和其它机器所取代。
目前世界销售市场对起重机械的需量正在不断增加,从而使国外各种制造起重机企业在生产中更多地采用优化设计、机械自动化和自动化设备去提高劳动生产率,这对世界销售市场、制造商和用户都产生了巨大的影响。
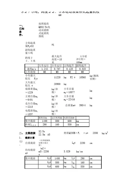
QD16/5t-14.5m 电动双梁桥式起重机计算书1 主起升机构计起重量 160kN起升速度 7.8m/min起升高度 14m工作级别 M31.1 钢丝绳的选择起升载荷Q=160+3.2=163.2kN(包括吊钩重量)滑轮倍率α=3 滑轮组效率η≈0.98钢丝绳安全系数n=5.5钢丝绳最大静拉力S查表,中级工作类型(工作级别M5)时,安全系数n=5.5钢丝绳直径dC-钢丝绳选择系数,取0.100取d=17.5mm查表,钢丝公称抗拉强度1550MPa ,钢丝绳直径d=17.5mm ,钢丝绳最小破断拉力 (S b )168.9KN 。
1.2 电动机选择1.2.1 计算电动机静功率Pj起升载荷Q=163.2×103N=16.32×103Kg起升速度V=7.8 m/min机构总效率η=0.85电动机计算功率:Pe ≥KdPj=0.8×24.47=19.57KW1.2.2 选择电动机KN m Q S 75.2798.0322.163max =⨯⨯==αηKW QV Pj 47.2485.061208.71032.1661203=⨯⨯⨯==ηKNS S 6.15275.275.5n man b =⨯=⨯=mm6.1627750100.0C d 2/12/1man =⨯=⨯=S选用YZR225M1-8电机,标称功率26kW50Hz 时同步转速708r/min1.3 减速器传动比计算起升速度V=7.8m/min卷筒直径Do=Φ500 倍率α=3钢丝绳直径do=~17.5电动机转速n 电=708r/min钢丝绳平均中径(计算直径)D=517.5mm 19.498.737085175.0=⨯⨯⨯=⋅⋅⋅=ππv m n D i 电选择减速机为ZQ650-3CA i=48.571.4 选择制动器1.4.1 制动器选择起升载荷Q=163.2kN(减速器传动比I=48.57)卷筒计算直径D=0.5175m钢丝绳直径do=17.5mm滑轮倍率 m=3机构总效率η=0.85制动器数量 n=1制动安全系数K=1.5制动力矩TENm i m Q K T E 28957.48325175.0102.1632d 30=⨯⨯⨯⨯=⋅⋅⋅⋅= 选择制动器选用YWZ400/90制动器 ,制动力矩1600Nm2 小车运行机构计算起升运行载荷64.27×103N运行速度7.8m/min运行距离11.5m车轮直径Do=350mm滚动摩擦系数f=0.02车轮轴承摩擦力臂μ=0.6mm与轴承相配处车轮轴径d=100mm附加摩擦阻力系数β=1.8坡度阻力系数0.002小车自重G=64270N工作级别M52.1 摩擦阻力Fm,坡度阻力Fp 计算N Dofd G Q Fm 4328350)12502.06.02()1027.64102.163(8.1)2)((33=⨯+⨯⨯⨯+⨯⨯=++=μβFp=(Q+G)Kp=(163.2×103+64.27×103)×0.002=454.9NF 总=3727+454.9=4783N2.2 选择电动机2.2.1 电动机静功率Pj小车运行阻力F 总=4783N小车运行速度V=26.5m/min机械传动效率η=0.85电动机数量m=1kW V F P j 4.260185.010005.264783m 1000=⨯⨯⨯⨯=⋅⨯=η总 2.2.2 选用电动机选用YZR132M 1-6,功率2.5kW 900r/min2.3 计算减速器传动比小车运行速度V=26.5m/min车轮直径Do=350电动机转速n=900 r/min3.375.2690035.0=⨯⨯=⋅⋅=ππV nD i选择减速机为ZSC-400-II-1 i=37.332.4 制动器选择2.4.1 满载运行时最小摩擦阻力计算Fmin起升载荷163.2×103N小车自重G=64.27×103N车轮直径Do=350mm滚动摩擦力臂μ=0.6(mm)车轮轴承摩擦系数f=0.02坡度阻力系数0.002车轮轴与轴承相配处车轮轴径d=125mmND d f G Q F o6.2404350)12502.06.02()1027.64102.163()2)((33min =⨯+⨯⨯⨯+⨯=++=μ Fp=(Q+G)×0.002=(163.2×103+64.27×103)×0.002=455N2.4.2 制动转矩Tz 和制动加(减)速度αz 的计算制动器个数m ’=1电动机个数m=1制动时间tz=1~6s车轮直径Do=350mm效率η=0.85传动比I=37.33起升载荷163.2×103N小车自重G=64.27×103N运行速度V=26.5m/min电动机转速n=900r/min其它传动件转动惯量影响系数K=1.2电动机的转动惯量Jd=0.07kgm 2制动轮联轴器的转动惯量Je=0.46kgm 2tztz m n Je Jd k n V G Q tz m m i D F F T o P z /89.5076.7]55.91900)38.007.0(2.190085.0)605.26)(1027.64102.163(975.0[11133.371000285.0350)6.2404455(55.9)()(975.0[ 110002)(2332min +-=⨯⨯+⨯+⨯⨯+⨯⨯+⨯⨯⨯⨯-=⋅⋅+++⨯⋅'+⨯⨯⨯⋅⨯-=ηη对于小车运行机构制动时间tz ≤3-4s ,所以取tz=3s 。
吊车重量和轮压换算表
桥式起重机采用的四点支承式结构是超静定的,支承反力的分配不仅与荷载有关,还与车架的结构刚度、基础刚度、车架结构的制造和安装精度、及轨道的弹性和平整度等因素有关,然而要计算这些因素对支承反力的影响是相当费时的,且对轨道不平度难以估计。
因此,超静定结构下轮压的计算一般采用近似解法,而近似解法与精确解法的误差究竟差多少目前还未有研究。
举例分析:已知:起重量:Q=20吨,跨度:L=22.5米,大车车轮数:4个,起重机总重(包括小车)总=32.5吨:小车重:G=7.5吨,吊具重:0.5吨,吊钩中心线到端梁中心线的最小距离L1=1.5米(大钩极限位置)
大车最大轮压(满载)Pmax=(32500-7500)/4+(20000+500+7500)*(22.5-1.5)/2*22.5=19317kg 大车最小轮压(满载)Pmin=(32500-7500)/4+(20000+500+7500)*1.5/2*22.5=7183kg
大车最大轮压(空载)Pmax=(32500-7500)/4+(500+7500)*(22.5-1.5)/2*22.5?=9983kg 大车最小轮压(空载)Pmin=(32500-7500)/4+(500+7500)*1.5/2*22.5=6517kg
所以最大轮压Pmax=19317,最小轮压Pmin=6517kg。
项目名称:中原特钢股份有限公司综合技术改造一期工程项目招标编号:NKMZB10036/02上述项目于 2010年08月03日开标,经评标委员会推荐,招标人确定河南省新乡市矿山起重机有限公司为中标人。
1.中标产品名称:10吨电动双梁桥式起重机两台中标金额:人民币603,600.00元2.中标产品名称:20/5吨(A6)壹台中标金额:人民币530,000.00元3.中标产品名称:50/10吨(A5)壹台中标金额:人民币677,890.00元4.中标产品名称:50/10吨起重机(A6)壹台中标金额:人民币850,000.00元5.中标产品名称:75/20吨起重机(A6)壹台中标金额:人民币1,352,000.00元6.中标产品名称:20/5吨电动双梁桥式起重机两台中标金额:人民币668,000.00元7.中标产品名称:32/5吨电动双梁桥式起重机壹台中标金额:人民币550,000.00元8.中标产品名称:75/20吨起重机(A6)壹台中标金额:人民币1,352,000.00元招标项目名称:唐山港京唐港区两仓项目一期工程起重设备采购招标项目编号: HBCT-09250803所属行业:机械电子电器所属地区:唐山招标内容: QD型双梁桥式起重机,起重量32T/16T,跨度28.5米,数量4台套中标单位:江苏象王起重机有限公司中标金额: 636万元投标单位:河南省矿山起重机有限公司,中原圣起有限公司,山东神州机械有限公司,河南省恒远起重机械集团有限公司,河南卫华重型机械股份有限公司,河南省新乡市矿山起重机有限公司,河南起重机器有限公司,江苏象王起重机有限公司,山起重型机械股份公司公示时间: 2010-09-16开标时间: 2010-09-15 黑龙江省招标公司受齐齐哈尔腾翔重型铸锻造有限责任公司委托,就其所需起重机进行国内公开竞争性招标,并已完成评标工作,现将中标结果公示如下:招标编号:HTC-102150-1A招标内容:QE100t+32t桥式起重机(28m跨)中标单位:山东龙马重工集团有限公司中标金额:壹佰玖拾万零陆仟叁佰元人民币(1,906,300.00元) 招标编号:HTC-102150-1B招标内容:QD100t/20t桥式起重机(28m跨)中标单位:山东龙马重工集团有限公司中标金额:壹佰陆拾叁万肆仟元人民币(1,634,000.00元)招标编号:HTC-102150-2招标内容:QDY74t/20t铸造桥式起重机(26.5m跨)中标单位:河南省矿山起重机有限公司中标金额:叁佰贰拾柒万捌仟陆佰元人民币(3,278,600.00元) 招标编号:HTC-102150-3招标内容:QD50t/10t桥式起重机(26.5m跨)中标单位:河南省矿山起重机有限公司中标金额:壹佰柒拾肆万陆仟元人民币(1,746,000.00元)招标编号:HTC-102150-4招标内容:QD32t/5t桥式起重机(26.5m跨)中标单位:河南省矿山起重机有限公司中标金额:壹佰肆拾伍万壹仟壹佰元人民币(1,451,100.00元)招标编号:HTC-102150-5招标内容:QDY74t/20t铸造桥式起重机(28.5m跨)中标单位:河南省矿山起重机有限公司中标金额:壹佰柒拾万零柒仟贰佰元人民币(1,707,200.00元)招标编号:HTC-102150-5A招标内容:QDYE74t+32t铸造桥式起重机(28.5m跨)中标单位:河南省矿山起重机有限公司中标金额:壹佰玖拾叁万伍仟贰佰元人民币(1,935,200.00元)招标编号:HTC-102150-6招标内容:QD50t/10t桥式起重(28.5m跨)中标单位:河南省矿山起重机有限公司中标金额:壹佰柒拾捌万肆仟捌佰元人民币(1,784,800.00元)间:2010-9-14 关键词:黑龙江省招标公司受齐齐哈尔腾翔重型铸锻造有限责任公司委托,就其所需起重机进行国内公开竞争性招标,并已完成评标工作,现将中标结果(HTC-102150-15 ~24)公示如下:招标编号:HTC-102150-15招标内容:MB10t半龙门式起重机(13m跨)中标单位:河南新起腾升起重设备有限公司中标金额:陆拾陆万元人民币(660,000.00元)招标编号:HTC-102150-17招标内容:QD50t/10t桥式起重机(22.5m跨)中标单位:河南省矿山起重机有限公司中标金额:壹佰伍拾叁万零柒佰元人民币(1,530,700.00元)招标编号:HTC-102150-18招标内容:QD32t/5t桥式起重机(22.5m跨)中标单位:河南豫中起重集团有限公司中标金额:伍拾捌万伍仟壹佰元人民币(585,100.00元)招标编号:HTC-102150-19招标内容:QD20t/5t桥式起重机(22.5m跨)。
QD型电动双梁桥式起重机技术参数32/10t×12.6m H=12m A5级空操一、运行速度主钩起升速度:6.2米/分副钩起升速度:7.6米/分大车运行速度:64.3米/分小车运行速度:42.3米/分二、电机:无锡主钩:YZR280S-10/42KW 1台副钩: YZR180L-8/13KW 1台大车运行: YZR160M1-6/6.3KW 2台小车运行: YZR160M1-6/6.3KW(双出轴)1台三、减速机:江苏泰兴主钩:ZQ850-3CA 1台副钩: ZQ500-3CA 1台大车运行: ZQ400-1/2 2台小车运行:ZSC600-1 1台四、车轮:自产大车轮:φ700 4个小车轮:φ400 4个五、制动器:焦作主钩:YWZ-400/90 2台精选文档副钩: YWZ-300/45 1台大车运行: YWZ-200/25 2台小车运行: YWZ-200/25 1台六、电器: 正泰七、联动台:山东鱼台八、电缆: 泰安鹏飞(起重机专用扁电缆)九、限制器:上海乔正十、钢丝绳:江苏南通十一、轴承:哈、瓦、洛十二、钢板:山东济钢、莱钢山东天源重工集团有限公司2014年3月14号QD型电动双梁桥式起重机技术参数25/10t×12.6m H=12m A5级空操一、运行速度主钩起升速度:7.2米/分副钩起升速度:7.6米/分大车运行速度:84.7米/分小车运行速度:44.6米/分二、电机:无锡主钩:YZR250M1-8/30KW 1台副钩: YZR180L-8/13KW 1台大车运行: YZR160M1-6/6.3KW 2台小车运行: YZR132M2-6/4KW(双出轴)1台三、减速机:江苏泰兴主钩:ZQ650-3CA 1台副钩: ZQ500-3CA 1台大车运行: ZQ350-1/2 2台小车运行:ZSC400-2 1台四、车轮:自产大车轮:φ600 4个小车轮:φ350 4个五、制动器:焦作主钩:YWZ-400/125 1台副钩: YWZ-300/45 1台大车运行: YWZ-200/25 2台小车运行: YWZ-200/25 1台六、电器: 正泰七、联动台:山东鱼台八、电缆: 泰安鹏飞(起重机专用扁电缆)九、限制器:上海乔正十、钢丝绳:江苏南通十一、轴承:哈、瓦、洛十二、钢板:山东济钢、山东莱钢山东天源重工集团有限公司2014年3月14号。
5吨通用桥式起重机双梁小车设计绪论桥式起重机是桥架在高架轨道上运行的一种桥架型起重机,又称天车。
桥式起重机的桥架沿铺设在两侧高架上的轨道纵向运行,起重小车沿铺设在桥架上的轨道横向运行,设置在小车上的起升机构实现货物垂直升降。
三个机构的综合,构成一立方体形的工作范围,这样就可以充分利用桥架下面的空间吊运物料,不受地面设备的阻碍。
桥式起重机广泛地应用在室内外仓库、厂房、码头和露天贮料场等处。
桥式起重机可分为普通桥式起重机、简易梁桥式起重机和冶金专用桥式起重机三种。
各类桥式起重机的特点如下1.普通桥式起重机主要采用电力驱动,一般是在司机室内操纵,也有远距离控制的。
起重量可达五百吨,跨度可达60米。
2.简易梁桥式起重机又称梁式起重机,其结构组成与普通桥式起重机类似,起重量、跨度和工作速度均较小。
桥架主梁是由工字钢或其它型钢和板钢组成的简单截面梁,用手拉葫芦或电动葫芦配上简易小车作为起重小车,小车一般在工字梁的下翼缘上运行。
桥架可以沿高架上的轨道运行,也可沿悬吊在高架下面的轨道运行,这种起重机称为悬挂梁式起重机。
3.冶金专用桥式起重机在钢铁生产过程中可参与特定的工艺操作,其基本结构与普通桥式起重机相似,但在起重小车上还装有特殊的工作机构或装置。
这种起重机的工作特点是使用频繁、条件恶劣,工作级别较高。
主要有五种类型。
4.铸造起重机:供吊运铁水注入混铁炉、炼钢炉和吊运钢水注入连续铸锭设备或钢锭模等用。
主小车吊运盛桶,副小车进行翻转盛桶等辅助工作。
5.夹钳起重机:利用夹钳将高温钢锭垂直地吊运到深坑均热炉中,或把它取出放到运锭车上。
6.脱锭起重机:用以把钢锭从钢锭模中强制脱出。
小车上有专门的脱锭装置,脱锭方式根据锭模的形状而定:有的脱锭起重机用项杆压住钢锭,用大钳提起锭模;有的用大钳压住锭模,用小钳提起钢锭。
7.加料起重机:用以将炉料加到平炉中。
主小车的立柱下端装有挑杆,用以挑动料箱并将它送入炉内。
主柱可绕垂直轴回转,挑杆可上下摆动和回转。
目录内容摘要 (1)关键词 (1)Abstract. (1)Key words (1)1.绪论 (2)1.1桥式起重机的介绍 (3)1.2桥式起重机设计的总体方案 (3)1.3主梁和桥架的设计 (3)1.4端梁的设计 (4)2.选型计算部分 (4)2.1主起升机构的设计 (4)2.2副起升机构的设计 (8)2.3小车运行机构 (11)2.4大车运行机构的设计 (16)3.结构计算部分 (20)3.1桥架尺寸的确定 (20)3.2主梁尺寸 (21)3.3主端梁界面 (22)3.4端梁截面尺寸的确定 (23)3.5主.端梁截面几何性质 (24)3.6载荷 (25)3.7扭转载荷 (28)3.8主梁的计算 (28)3.9端梁的计算 (38)3.10稳定性 (39)3.11总功率 (41)总结 (42)参考文献 (43)致谢 (44)内容摘要:这次毕业设计是针对毕业实习中桥式起重机所做的具体到吨位级别的设计。
随着我国制造业的发展,桥式起重机越来越多的应用到工业生产当中。
在工厂中搬运重物,机床上下件,装运工作吊装零部件,流水线上的定点工作等都要用到起重机。
起重机中种数量最多,在大小工厂之中均有应用的就是小吨位的起重机,小吨位的桥式起重机广泛的用于轻量工件的吊运,在我国机械工业中占有十分重要的地位。
但是,我国现在应用的各大起重机还是仿造国外落后技术制造出来的,而且已经在工厂内应用了多年,有些甚至还是七八十年代的产品,无论在质量上还是在功能上都满足不了日益增长的工业需求。
如何设计使其成本最低化,布置合理化,功能现代化是我们研究的课题。
本次设计就是对小吨位的桥式起重机进行设计,主要设计内容是50t/10t桥式起重机的结构及运行机构,其中包括桥架结构的布置计算及校核,主梁结构的计算及校核,端梁结构的计算及校核,主端梁连接以及大车运行机构零部件的选择及校核。
关键词:起重机大车运行机构桥架主端梁小吨位Abstract:The graduation project is a bridge crane for the graduation field work done by the tonnage level specific to the design. As China's manufacturing industry, more and more applications crane to which industrial production. Carry a heavy load in the factory, machine parts up and down, the work of lifting parts of shipment, assembly line work should be fixed on the crane is used. The largest number of species of cranes, both in the size of the factory into the application is small tonnage cranes, bridge cranes small tonnage of lightweight parts for a wide range of lifting, in China's machinery industry plays a very important position. However, our current application, or copy large crane behind the technology produced abroad, and has been applied in the factory for many years, and some 70 to 80 years of products, both in quality or functionality are not growing to meet the industrial demand. How to design it the lowest cost, rationalize the layout, function modernization is the subject of our study. This design is for small tonnage bridge crane design, the main design elements are 50t/10t crane structure and operation of institutions, including the bridge structure, calculation and checking the layout, the main beam structure calculation and checking , end beams calculation and checking, the main end beam connect and run the cart and checking body parts of choice.Key words:Crane The moving mainframe Bridge Main beam and end beam Small tonnage!!所有下载了本文的注意:本论文附有CAD图纸和完整版word版说明书,凡下载了本文的读者请留下你的联系方式(QQ邮箱),或加QQ 83753222,最后,希望此文能够帮到你1.绪论1.1桥式起重机的介绍桥式起重机是桥架在高架轨道上运行的一种桥架型起重机,又称天车。