USON QMR_调试步骤
- 格式:doc
- 大小:1.26 MB
- 文档页数:6
伺服调试软件(SERVO GUIDE)调试步骤一.设定:1.打开伺服调整软件后,出现以下菜单画面:图1:主菜单2.点击图1的“通信设定”,出现以下菜单。
NC的IP地址检查如下:图3:CNC的IP地址设定电脑的IP地址检查:图4:PC的IP地址设定如果以上设定正确,在测试后还没有显示OK,请检查网线连接是否正确。
图5:NC-PC正确连接对于现在的新笔记本电脑,内置网卡可能自动识别网络信号,如果是这样的,则图5中的耦合器和交叉网线不需要,直接连接就可以了。
二.参数画面:1.点击主菜单(图1)上面的“参数”,如下:图6:参数初始画面点击“在线”,如果正确(NC出于MDI方式,POS画面),则出现下述参数画面,注意,图6下方的CNC型号选择,必须和你正在调试的系统一致,否则所显示的参数号可能和实际的有差别。
2.参数初始画面及系统设定图7:参数系统设定画面参数画面打开后进入“系统设定”画面,该画面的内容不能改动,可以检查该系统的高速高精度功能和加减速功能都有哪些,后面的调整可以针对这些功能修改。
3.轴设定图8:轴设定画面检查一下几项:电机代码是否按HRV3初始化(电机代码大于250)。
电机型号与实际安装的电机是否一致。
放大器(安培数)是否与实际的一致。
检查系统的诊断700#1是否为1(HRV3 OK),如果不为1,则重新初始化伺服参数并检查2013#0=1(所有轴)注:图8的右边的“分离型检测器”对于全闭环系统时候需要设定。
4.加减速一般控制设定如下图所示,设定各个轴在一般控制时候的加减速时间常数和快速移动时间常数。
图9:一般控制的时间常数注意:各个轴的时间常数要设定为相同的数值,使用直线型。
而快速时间常数为铃型,(即图9的T1,T2都需要设定,如果只设定了直线部分T1,则在快速移动时候会产生较大的冲击)。
相关参数(表1) :参数号意义标准值调整方法1610 插补后直线型加减速 1走直线1622 插补后时间常数 50-100走直线1620 快速移动时间常数T1 100-500走直线1621 快速移动时间常数T2 50-2005.AICC/AIAPC控制的时间常数:如果系统有AICC功能(可通过图2检查是否具备)则按照AICC的菜单调整,如果没有AICC功能,则可以通过“AI先行控制”菜单项来调整,参数号及画面基本相同,在这里合在一起介绍(蓝色字体表示AIAPC没有),在实际调试过程中需要注意区别。
射频环形器的调试说明|射频调试基本技巧射频环形器的调试说明环形器、同轴环形器、带线环形器、宽带环形器、双节环形器、微带环形器、表贴环形器、波导环形器、射频环形器、微波环形器、高功率环形器在调试射频隔离器环形器前,首先预热XX络分析仪,约半小时。
初始界面BF设为0900MHz,EF设为0930MHz,即设置波形的起止频段:△F设为1MHz,即频率移动的单位。
起止频率和单位频率可依据需要设置。
1、测环形器驻波:驻波:在不匹配的状况下,馈线上同时存在入射波与反射波。
在入射波与反射波相位相同的地方,电压振幅相加为大电压振幅V mx;而在相位相反的地方电压相减为小电压振幅V min,两者的比值即为电压驻波比SWR。
B:SWR是一个大于或等于1 的实数,通常用它表示匹配程度。
当SWR=1时,为全匹配,线上只载行波;当∞SWR1时,线上载行驻波;S越大,行波成分越小,驻波成分越大;S=∞时,线上的波为纯驻波。
在某些状况下〔如天线和微波器件、环形器、隔离器等〕,输入端的驻波比应尽可能的接近于1,以便提高传输线效率及削减击穿的危险。
C:用短接板校正,开路,测环形器的回损,SWR≥100即校准胜利。
D:测试接法:Ⅰ端接测试设备的信号测试端,Ⅱ接标准负载,Ⅲ端接水负载〔水负载需通满30℃左右的水,无气泡〕2、测环形器插损:插损:即为插入损耗,指微波元件或器件〔环形器或隔离器等〕未接入线路前,负载汲取的功率与插入该元件或器件〔环形器或隔离器等〕后负载汲取的功率之比。
常以接收信号电平的对应分贝来表示。
B:插入损耗是由该元件或器件〔环形器或隔离器等〕对电磁波的汲取和反射所致。
C:用同轴负载校正,直通,测插损,IL=0db为好D:测试接法:Ⅰ端接测试设备的信号测试端,Ⅱ端接同轴负载,Ⅲ端接标准负载。
E:环形器插损为负,负的越小越好,说明损耗越小;插损为-3db时,环形器功率损耗一半。
F:同轴线接XX络分析仪输入T端。
3、测环形器的隔离度:隔离度:对一些微波元件〔如双T接头、正交波导定向耦合器、铁氧体环形器等〕,通常将某一段的输入功率Psr与隔离端〔即理想状况下没有输出的一端〕的输出功率Psc之比成为隔离度R,并用分贝表示。
巡检管理系统单机版Ver A1.0+操作使用说明书USB驱动安装一、驱动安装第一次安装完软件后,请将巡检器用USB传输线与电脑连接好,系统自动出现如下画面:选择第一个选项(是,仅此一次),单击下一步,出现:选择第二个选项(从列表或指定位置安装),单击下一步,出现:选择在搜索中包括这个位置,点击浏览,选择USB驱动所在的文件夹,单击下一步,出现:单击完成,则USB驱动安装成功。
二、查看设备安装完USB驱动后,您可以在设备管理器中查看所用的串口号,选择我的电脑按右键选择属性,在属性中选择硬件,点击设备管理器,在管理器中选择端口(COM和LPT),出现CP2101 USB to UART Bridge Controller (COM3),则您在软件中应用的串口号则为COM3。
具体过程如下图所示:然后在软件的系统设置里面更改串口号为“com3”,如图:使用说明一、系统设置及使用1.启动系统软件安装完成后,即可在开始|程序|巡检管理系统A1.0 中,单击"巡检管理系统A1.0"项,系统启动,并出现登录窗口。
如果是第一次使用本系统,请选择管理员登录系统,口令为"333",这样您将以管理员的身份登录到本系统。
系统启动后出现如上图示各菜单操作,第一次使用本系统进行日常工作之前,应建立必要的基础数据,如果需要,应修改系统参数。
二、资源设置1.人员钮设置此选项用来对巡检人员进行设置,以便用于日后对巡检情况的查询。
设置人员之前,可先将巡检器清空(把巡检器和电脑传输一次即可),然后将要设置的人员钮按顺序依次读入到巡检器中,把巡检器和电脑连接好,选择"资源设置->人员钮设置"点击采集数据,如下图所示。
电话与地址可以根据需要进行填写,也可以不填。
修改完毕退出即可。
还可以点击"打印数据"将巡检人员设置情况进行打印。
也可以以EXCEL表格的形式将人员设置导出,以备查看。
物联网设备调试流程1.确保设备接口连接正确,供电正常。
Ensure that the device interface is connected correctly and the power supply is normal.2.检查设备的网络连接是否畅通。
Check if the device's network connection is smooth.3.验证设备的传感器和执行器能否正常工作。
Verify that the device's sensors and actuators can work properly.4.确保设备的固件版本是最新的。
Ensure that the device's firmware version is up-to-date.5.检查设备的数据上传是否准确和稳定。
Check if the device's data upload is accurate and stable.6.对设备的远程控制功能进行测试。
Test the remote control function of the device.7.确保设备与云平台的通讯正常。
Ensure that the device communicates normally with the cloud platform.8.对设备的安全功能进行测试。
Test the security function of the device.9.检查设备的电磁兼容性。
Check the device's electromagnetic compatibility.10.验证设备的低功耗模式是否正常工作。
Verify that the device's low power mode works properly.11.检查设备的温度和湿度传感器准确性。
Check the accuracy of the device's temperature and humidity sensors.12.对设备的远程升级功能进行测试。
2700/1700面板操作一.屏幕显示说明:SELECT——确认键SCROLL ------- 选择键LED ---- 状态指示灯二。
显示器密码:如果需要密码,CODE的字样就会出现在密码屏幕的顶部.输入密码时候,通过使用SCROLL来选择数字,并用SELECT移到下一个字符,一次只好输入一个字符。
如果你面对显示器密码屏幕,却不知道密码,在60秒内不按下任何显示器光敏开关。
则此密码屏幕将自动退回到初始屏幕。
调零步骤:四。
显示器回路测试:TEST <>K。
则试成功》ISe-lectI1-0-CtI ScrollTEST FAIL《测困失例、五. Set MA01Set MA024 mA12 mA20 mASe eelScroll3e eel正码?二>SelectScrollOFF-LINE SIMSelectScrollScroll1 KMzIDKHzSclent读取接受设餐的输出HPYesSst D01Set D02SelectScrollOHOFP阱I M]读取接克设备的箍出致T回路测试成功女%,人出?狂.停止历具ScrollExh检登回率接线排除输出故慎显示器查看报警:LED指示灯状态及报警查看状态指示灯的状态报警优先级魄色无报警-正常运行模式鼻电闪姆”已改正但尚未信认的状态黄色已偏认的低强度报警黄色闪探⑴未稳认的做强度报警虹笆己碉认的高强度指警红色闪峭'未询认的高强虚报警11)如果报警菜单被禁止,则无沫箱认报警,在这种情况下.状态指示LEim不再闪保工报警按照报警队列中的优先级排列,要查看队列中某指定报警:L同时按下配Ml和Select按钮,当屏幕上出现"EE ALARM'」札松开按钮“ 参阅图7-1.2 .按Select按钮,3 .如果屏幕上交替出现“AGK ALL”时,则按配FQ11按钮,4 .如果屏幕上出现"0 ALARN” ,则到第6步,5,按配ell按钮查看队列中的每个技警.要了解显示帚显示的报警代码的含义请参阅翦1QJ1幸节,6,按Scroll按钮直到解幕上出现“EXIT” ”7.按Select按祗六.管理累积量和库存量:(完整word 版)罗斯蒙特质量流量计操作说明宫动/停止所有累租值和质存量⑵进行酬重副可定翻值出现空位七:测量单位设置:SELECT+SCROLL 按 4 秒 ----- ► SEE ALARM ---- ► [SCROLL] ---- ►OFFLINE MAINTAIN -------- ► [SELECT]- ..... > [SCROLL] ----- ►CONFIG ----- ► [SELECT] ---- ► MASS ------- [SELECT] ------- ►SELECTI 如果有需求.输入密码SELECTSELECT如果有需求,输入密码SELECTSELECT复位!特定累积值⑴深部翻屏直到特定累积值可以按SCROLL选择你要的单位> 选定后按SELECT按SCROLL 直到出现EXIT ----- ► [SELECT]体积单位和密度单位设置和上述步骤相同八量程设置(LRV URV)[SELECT+SCROLL] 按 4 矛秒/ SEE ALARM ------- ► [SCROLL] --- ►OFFLINE MAINTAIN --------- ► [SELECT^ ------ ►继续按SCROLL 直到出现MAO1[SELECT] ----------------------------- k SRC MAO1 ------ k [SELECT]MFLOW ---- ► [SELECT]----- SRC MAO1 ——[SCROLL]4 MAO1 ----- ►输入最小量程------ ►[SCROL L+SELEC T] 4 MAO1 ------- ► [SCROLL] ------ ►——20HMAO1 ----------- ►[SELECT] 输入最大量程------ ►[SELECT+SCROLL]--------------- > 20 MAO1>[SCROLL]EXIT ---- ^ 按SELECT 退出.其他量程设置和上述步骤相同。
展讯硬件调试流程:
新板子-下载软件。
软件下载好了后。
校准,校准完后看参对达没有达标,没达标的调整,并把调整好的数据存到手机里面,然后用nveditor工具把参数读出来。
同批次的其他手机板子可用这个读出来的文件做校准。
下载软件设置
读手机NV数据前时修改release版为debug版并保存save image.保存的结果存放在
Nvitem_p3目录下的这个文件里面.
用下载工具把这个NV文件下载进手机里面。
其中NV这项选择前面保存的NV文件.
下载完后。
可用USB线连上手机,在开机后手机屏上会显示usb log,点确认健。
这时可用nveditor工具读出手机里面的校准数据。
端口设置,如上图。
FDL选择软件下载文件里面对应的FDL文件。
设置好后点file –load from phone(normal model)读出来的数据再保存下。
保存的校准数据还是保存在Nvitem_p3目录下的这个文件里面.。
Uboot调试参考指南一、调试目的Uboot的调试旨在通过观察uboot运行时状态来测试硬件问题。
二、调试步骤1.修改代码在uboot代码路径下,编辑uboot代码,需要做以下修改;a.修改config.mk文件,添加以下两行内容:AFLAGS += -Wa,-gdwarf2CFLAGS += -g2 -gdwarf-2b.修改. /arch/powerpc/lib/board.c文件debug("Now running in RAM - U-Boot at: %08lx\n", dest_addr);printf("Now running in RAM - U-Boot at: %08lx\n", dest_addr);将debug改为printf,如上所示。
2.编译uboot执行make BSC9131RDB_SYSCLK100_NAND,编译uboot3.将编译好的u-boot-nand.bin(uboot image格式)及u-boot(elf格式文件)文件拷贝出来4.烧录uboot将步骤3中保存的u-boot-nand.bin烧录到目标板中,烧录过程略。
5.建立工程a.在cw界面,点击file->import, 选择code warrior -> Power architecture ELFexecutable,如图1所示:图1 建立elf工程b.选择步骤3中保存的u-boot(elf格式文件),toolchain选择bareboard application,target OS选择none,工程名字请根据需要设置,比如我的机器上设置为example,点击next,如图2所示:图2 载入elf文件c.选择处理器,9131,如图3所示图3 选择处理器d.选择调试链接使用硬件,如图4所示图4 选择调试链接使用硬件e.配置硬件连接特性,图5所示图5 配置工程连接特性f.完成工程创建6.匹配源代码Uboot调试工程创建完成后,通过在修改uboot代码编译的uboot elf文件中已经包含符号表信息,其对应的源代码信息已经包含着elf文件中,因为我们的uboot编译是在linux服务器上执行,而cw的调试是在Windows机器上,因此,需要将uboot elf中的代码信息链接到windows的代码中。
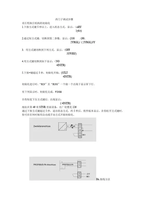
西门子调试步骤
直行程执行机构的初始化
1.下按方式键5秒以上,进入组态方式。
显示:(ARY
1yfct)
2.通过短方式键,切换到第二参数。
显示;(330 /(90。
2YRGL)/ ( 2YRGL)3Y
3.用方式键切换到下列方式。
显示;(OFF
3YWRY)
4.用方式键切换到如下显示;(NO
4INITR)
5.下按+键超过5秒,初始化开始;(STLT
4INITR)
初始化进行时,“RUN”至“RUN5”一个接一个出现于显示屏下行。
有下列显示时,初始化完成。
FINSH
在你短促下压方式键后,出现显示;
( 4INITR)
地址在第49项STNR里面设备,出厂设置是126
通过下按方式键超过5秒,退出组态方式。
约5秒后,软件版本显示,在你松开方式键时,你可在任何时候用自动或手动方式开始初始化。
PA接线方法。
标准的-定量Q-PCR仪器的具体使用步骤和操作方法Q-PCR仪器使用具体步骤1.首先将Mx3000P电源打开,大约1min,将会听到启动的声音。
然后打开桌面上的“Mx3000P软件”,确定软件界面右下面的联机标志呈绿色。
如果不是绿色而是红色,软件会提示Instrument to PC communications have failed ,这时只需稍等片刻,待仪器自检完成,会自动连接计算机;2.在“Mx3000P软件”的“New Experiment type”弹出框中选择需要的实验类型:通常选择“SYBR? Green(with dissociationcurve),点击“OK键”;3.确定“Mx3000P软件”界面上面(Selection命令下)的卤钨灯已经打开。
绿色说明已经打开,黄色说明正在预热,红色说明没有打开;4.最好在仪器与光源预热20min后开始实验;5.在“Plate Setup”里,对96孔板的各空进行设定。
设定Standard(标准品)、NTC(阴性对照)、Unknown(样品)等,并选择正确的通道(FAM,HEX,ROX,Cy5).对于标准品,设定其模板浓度,还需要对不同的样品进行编号。
或者点击“Import”,导入以前使用的96孔板设定。
具体为:●首先选择Welltype中的Unknown,然后选择下方的ROX、SYBR;●选择Reference dye的ROX●用Replicate symbol对每个样品进行标记(1,2,3,XXX等)1.2.在“Selection new Experiment type”对话框中选择“Comparative Quantitation(Calibrator)命令,将文件转化成分析结果的模式,点击OK键;3.弹出“Mx3000P软件”界面,在“Plate Setup”界面中“首先选择Welltype中的Unknown,然后选择下方的ROX、SYBR;选择Reference dye的ROX4.将96孔板中的Actin样品选中,然后在Nomalizing assay 中选择SYBR;5.然后对相同模板的样品标记相同的字母,对相同引物的样品标记相同的数字;6.最后任意(通常选最左侧的)选择一列,在Well type中选择“Calibrator”,然后可以进行所含特异引物的样品的选择,选择后,点击“Analysis”命令,在点击“Results”即可对结果进行可视化的各项分析。
艾默生变频器调试方案一,在启用一台新变频器时,首先应按照以下操作步骤对变频器及电机进行初始化准备工作。
第一步,对电机的基本数据进行变频器登陆:进入参数目录F1,分别输入:机械传动比 F1.00(严格按照实际减速比输入)额定功率 F1.01电机额定电压 F1.02电机额定电流 F1.03电机额定频率 F1.04电机额定转速 F1.05然后,进行电机调谐,选择允许调谐(F1.09设为[1]),进行并启动调谐(F1.10设为[1]),按‘ENTER’确认后,提示‘RUN’调谐,这时,按下‘RUN’等待一分钟,(期间可看到,电机自动运行并停止的一个过程,其主要完成的是参数F1.11—F1.16的设置),当操作面板上显示‘调谐结束’这时既表示调谐成功可进行下一步操作。
第二步,根据实际设置变频器的用途、基本参数及功能设置:1.外部开关量端子功能设置:卷径复位(X1) F5.01 [12--卷径复位1]卷径复位后卷径值为初始卷径1(F8.12)所设定,2.外部模拟量端子设置:AI1电压输入选择 F6.00 (张力设定)AI2电压电流输入选择 F6.01 (速度设定)AI3电压输入选择 F6.02 (反馈输入,这里反馈信号范围最小应为5V变化,若变化幅度较小,变频器则不能有效识别,则不利于调试。
)(注:要严格检查所输入信号,确保信号准确,稳定,损耗最小,无干扰现象。
)3.收放卷模式设置:收卷 F8.00 [0]放卷 F8.00 [1]4.基本参数:根据实际(机械设计要求)设置以下参数:最大卷径 F8.09空芯卷径 F8.10初始卷径 F8.11 [0]--初始卷径1(F8.12—[100])线速度输入选择 FC.00 (根据实际,假设AI2为线速度输入,其值设为2)最大线速度 FC.03 (根据实际,机械设计线速度)最小线速度 FC.04 (根据实际,一般为最大线速度1/5--1/4,)二,几种控制模式的选择和主要参数组态设置A,张力闭环控制方案1(线速度模式)闭环矢量 F0.02 [1]张力控制选择 F3.06 [1](闭环张力控制模式1)反馈量选择 F7.02 [2](AI3)比例增益1 F7.03 [10—20]积分时间1 F7.04 [0.5--1.5]微分时间1 F7.05 [0](无)比例增益1 F7.06 [10—20]积分时间1 F7.07 [0.5--1.5]微分时间1 F7.08 [0](无)采样周期 F7.09 [0]PID参数调整依据 F7.10 [0]卷径计算 F8.08 [1](为了方便调试,在未调整好PID参数前,先不要加入此卷径计算。
NEOS Q 驱首脉冲调节方法说明1,针对如何通过NEOS Q 驱来抑制首脉冲,主要是对NEOS Q 驱上的FPS Solpe, FPS Start, FPS Window 三个电位器来调节,下图为三个参数对应Q 驱面板的位置以及解释。
图1.NEOS Q 驱参数说明注释:下面所谓的顺、逆时针参考方向,主要将Q 驱正立放置来进行。
各电位器意义:FPS Slope :调节FPS 触发后RF 脉冲恢复到原来设定值的快慢,即调节首脉冲的斜率。
FPS Start :调节首脉冲的初始能量值。
FPS Window :调节FPS 抑制脉冲的周期长度。
2,首脉冲的理想波形以及各个电位器所调节的波形位置。
StartSlope3,示波器参数选定下面主要是针对200M 的示波器进行如何抓图解释,在使用示波器之前必须使用两个通道,一个用来捕捉RF-OUT 信号,一个用来捕捉FPS 输入信号;示波器调节原理:使用输入信号FPS 信号为触发信号来捕捉RF-OUT 信号,以调节首重点抑制情况。
示波器参数设置:如图3所示:电平按钮,一般设置在FPS首脉冲矩形信号最大值到最小值之间;用户可以适当调节以提高示波器对信号捕捉灵敏度 TRIG MEAU 设置示波器类型、触发方式等耦合:选择【直流】方式触发方式:从自动及正常方式中选择【正常】;类型:边沿类型;调节时间参数M ,主要使捕捉的波形能更好的显示。
图3.示波器操作说明图4.实际操作说明注释:接入RF-OUT 信号的电压档位一般在50V 档位,而FPS 档位在5V 档位。
4,实际调节电位器对RF-OUT 波形及首脉冲的影响。
下面都是在调节好首脉冲后再去调节电位器,及对应调节的效果图及波形图。
下图5是调节好首脉冲打出的样图及波形。
Window 为110us图5①:调节 FPS Start电位器,对首脉冲波形及打标效果的影响;图6为打标效果只针对逆时针方向的打标效果及波形进行诠释。
讯美门禁调试手册1 按键说明2 数字键:按下数字键可输入相应的数字。
3取消:在数据输入时,按“取消”键可以清除新键入的数据;在进行系统设置、功能操作过程中,按“取消”键则退出当前操作,返回到上一级状态;在进行呼叫或通话业务时,按“取消”键则取消呼叫或结束通话。
4确认:按“确认”键,可确认、存储当前数据输入或当前选项设置。
5呼叫:输入住户号码,按“呼叫”键,呼叫室内分机。
6密码:输入住户号码,按“密码”键,输入住户开门密码,按“确认”键,进行住户密码开门;按“密码”键,输入“公用密码”,按“确认”键,进行公用密码开门。
7保安:按“保安”键,呼叫管理中心机。
8设置:按“设置”键,进行功能设置。
刷卡说明将卡放在IC卡型室外主机的读卡窗前,读卡控制器感应到后发出“嘀”的提示声,表示读卡成功。
工作原理室外主机与室外主机、层间分配器、室内分机、联网器、管理中心机和小区门口机(可选)等设备构成可视对讲系统。
在单元内通过H总线相连,单元外通过CAN总线相连,单元内与单元外通过联网器相连。
音视频线也分两路,一路将室外主机、层间分配器、室内分机及联网器连接起来;另一路将联网器、管理中心机和小区门口机连接起来。
室外主机呼叫室内分机时,室外主机通过H总线将呼叫命令发送至室内分机,室内分机摘机后便可以与室外主机进行对话,通话过程中室内分机可以开单元门锁。
室外主机通过联网器与单元外CAN总线相连,呼叫管理中心机时,室外主机接到管理中心机的应答后,即可与管理中心机进行通话,并可执行管理中心机的开锁命令。
IC卡室外主机内嵌读卡控制器,实现刷卡开门和刷卡巡更功能。
1 安装步骤(嵌入式)1 按表所示在门上开孔。
2把传送线连接在端子和线排上,插接在室外主机上。
3把室外主机和嵌入后备盒放置在门板的两侧,用螺丝固定牢固。
4盖上室外主机上、下方的小盖。
霍尼韦尔调节仪调试步骤
一、接线
1、连接三线制热电阻
热电阻一端的引线连接调节仪的25端子,另一端的两根引线分别接在26、27端子
2、连接智能喷射器
调节仪的19端子连接智能喷射器的信号+,21端子连接智能喷射器的信号-
3、连接电源
调节仪的2端子连接电源的L,3端子连接电源的N
二、修改参数
1、按SET UP进入主菜单,上排显示SET,下排显示TUNING
2、主菜单内包含第二项的所有功能,如果在这11项功能之间切换,可以按SET UP,
也可以按向上或向下的箭头
3、如果浏览选中的一项的子菜单,则按FUNCTION;修改子菜单的参数,则按向上或
向下箭头,输入错误时可以按RESET,不保存它
4、确定输入后按FUNCTION,然后按LOWER DISPLAY返回
三、下排显示参数说明
OU **.* 输出
SP **** 设定值
DE **** 偏差
NoTUNE 没有进行Accutune
DoSLOW 在Accutune中处于慢调
DoFAST 在Accutune中处于快调
四、自整定
1、组态设定值LSP1
2、切换到自动模式
3、按LOWER DISPLAY显示自整定提示NoTUNE
4、按向上的按键选择:DoSLOW 或DoFAST
5、操作中调节FUNCTION
可在任何时候通过将下排显示改回到“NoTUNE”或把控制器改为手动模式都可以终止Accutune过程。
五、功能。
U-Boot命令命令命令命令U-Boot命令刘通平Homepage: /doc/fc2093964.html,/~tonyliu/U-Boot运行稳定后,可以用它的内部命令来查看目标系统的信息,设置环境变量等。
U-Boot 在硬件初始化完成后将进入main_loop()函数,main_loop()函数将进入一个无限循环,当用户输入命令后,首先将调用run_command()函数进行处理。
在run_command()函数中,将调用find_cmd()函数把用户从终端输入的命令进行比较,当find_cmd()返回值不为0时证明系统支持用户输入的命令,在对命令进行检验后最后将调用命令处理函数。
find_cmd()函数将从系统默认的命令表中查询一个匹配的命令,查看源代码发现,find_cmd()将把__u_boot_cmd_start开始到__u_boot_cmd_end结束的所有命令一一和用户输入的命令进行比较。
而关于__u_boot_cmd_start和__u_boot_cmd_end的定义是在板级相关的链接文件中定义的,比如对于fads的板子,在board/fads/u-boot.lds中有以下定义:__u_boot_cmd_start = .;.u_boot_cmd : { *(.u_boot_cmd) }__u_boot_cmd_end = .;从以上定义可知,.u_boot_cmd是真正的命令部分,而.u_boot_cmd的定义在command.h中,#define Struct_Section __attribute__ ((unused,section (".u_boot_cmd")))#define U_BOOT_CMD(name,maxargs,rep,cmd,usage,help) \ cmd_tbl_t __u_boot_cmd_##name Struct_Section = {#name, maxargs, rep, cmd, usage}因此,即U_BOOT_CMD可以把一个命令加入到全局的命令表中,查询U_BOOT_CMD可知,common目录下的所有cmd_***文件和command.c文件都包含有U_BOOT_CMD宏定义。
QMR 仪器调试步骤说明:此为实用的调试步骤,只要根据步骤一步步操作就可以调试好QMR。
如果要了解详细资料请结合QMR的操作手册。
如果操作中有任何疑问,及时联系uson上海代表处。
请按照如下步骤调试:1.开机前操作开启气源,打开调压阀门,将进气压力调整到仪器测试压力以上,气源要求干燥无湿气。
必须加3套件的油水分离器。
Uson Equipment Air Quality Requirement――气源洁净度要求:(Ambient Air Temp: 10 to 30 Degrees C (50 to 86 deg F) --------适宜温度:10-30摄氏度Ambient Humidity: Not exceeding 75% relative humidity.――--------相对湿度低于75%Pressure of Supply Air: Not exceeding the maximum regulator input for thespecific model of the tester purchased. Must be at le15 psi higher than the test pressure. ――- 一般气源压力比测试压力高1BAR(压差法气源不低于4bar)Solid particulate of Supply Air: Not exceeding 5 microns in size.――供气固体颗粒不超过5微米Water vapor of supply air: Not exceeding 1 fluid ounce per 200 cubic feet of airvolume (30 milliliters per 5.66 cubic meters).――--------水汽要求低于每5.66立方米30毫升Oil vapor of supply air: Not exceeding 1 fluid ounce per 400 cubic feet of airvolume (30 milliliters per 11.32 cubic meters) .――------油汽要求低于每11.32立方米30毫升Warm-up Time: 1 minutes minimum.------------------热机时间至少一分种2.开机:将设备后面板的电源开关拨到开的位置,开机后系统启动需要2分钟左右时间。
(注意:钥匙在水平位置,开机后类似电脑启动过程,接下来只有一个“X”符号在屏幕上出现几十秒,此为正常状态,一直到启动结束)退出菜单键钥匙 USB接口标准漏口启动键停止键系统启动结束后,出现界面如左上图所示。
注意:屏幕是触摸屏,设定修改参数都是手动触摸点击操作。
(注:用手点击就能进入菜单,退出菜单就按屏幕右侧4个按钮键最上面一个)。
在按照以下3,4,5,6,7,8各阶段一步步操作中,如果不慎误操作了就按退出菜单键退出当前界面,如果按了却不能退出当前界面时就选界面中的cancle对话框!!就可以退出界面了。
3.设定参数(测试压力,充气,稳压)等操作3.1设定充气,稳压,平衡,测试阶段的时间,上下限值参数操作:先将钥匙调整到垂直位置,界面如下图:调整仪器的测试压力,充气时间,稳压时间,测试时间,排气时间合格值不合格值都在这个编辑模式下设定。
这个界面有5个子菜单test setup(参数编辑),service(服务),option(可选功能),hardware setup(硬件设置),factory setup(工厂出厂设置)其中不能随便动的菜单有hardware setup, factory setup.设定参数都在test setup(参数编辑),点击后出现如下图:test setup 这个界面顶部有7个子菜单:specification(参数描述),coupling(控制夹具等待时间和动作),setps(各个阶段的参数设定),regulator(压力调节),linking(程序跳转),calibration(补偿校准参数),digitial I/O(PLC控制机器动作接口定义)以压力降方法测试参数设定(客户要求测试结果读压力降)先选择Specification界面的measure type下拉菜单来设定压力降模式pressure change 还是泄漏率显示模式。
(注意:如果要求显示泄漏率一定要设定到leak rate,以下说明按照压力降模式,泄漏率模式参考3.3的操作)其余test volume, leak threshold ,test pressure, test tolerance等都可以大概设定一下,这里只是显示一下,不是影响测试中的压力,参数的设定。
具体参数设定在steps界面中:在这个界面中,fill/evac1-充气阶段,duration(s)充气时间, targets测试压力设定值,limits min-充气阶段压力设定值的允许波动范围下限。
Limits max充气阶段压力设定值的允许波动范围上限。
(压力单位如果要修改要在hardware setup中sensor 界面。
)fill/evac2 一般不用。
Stabilize–稳压阶段duration(s)稳压时间,targets测试压力设定值,limits min-稳压阶段压力设定值的允许波动范围下限。
Limits max稳压阶段压力设定值的允许波动范围上限。
注意:如果压力单位不是客户需要的压力单位到 Hardware setup 中,sensor中的sensor1 units 下拉菜单中选择需要的单位,选定后,出现菜单提醒:“delete all audit log entires and reset all test counts for all programs”(删除所有log文件和重新设定所由程序测试的次数)要点击cancel。
特别注意:sensro 1 calibration 和sensor2 calibraion菜单不能动!!这个是传感器校准,只有uson工程师才能动!Equalize-平衡阶段duration(s)这个阶段一般固定时间为0.5秒。
Limits min设定-500,limit max设定500paMeasure- 测试阶段duration(s)测试时间用户自己设定。
limits min是测试阶段下限值,测试阶段上限值。
(如果是要求显示泄漏率这里设定泄漏率的下限和上限,单位显示的是sccm)Vent-排气阶段。
设定排气时间为多少秒。
3.2调整仪器测试压力设定好了以上参数后,需要把测试压力调整到设定的值,如下操作:选择点击test set up 右边菜单regulator界面如下(左下图):点击activate听到阀“帕塔”动作声音,此时出现界面(右上图):在这个界面有sensor reading(传感器读数),调整机器后面的手动调压阀,sensor reading 跟着变化,调整到需要的压力,点击detective 听到阀“帕塔”一声压力调节就结束了。
如果只是显示压力降的测试,此时将钥匙转到水平位置。
进入界面(左下图):点击dashboard后,可以进入界面如右上图,或者点击detail进入右上图的另外界面(测试时间,压力等参数都能看到)如果客户只要求压力降显示的设定操作就结束了。
如果需要显示泄漏率的客户继续下面操作3.3显示泄漏率的补偿和校准操作:如果需要显示泄漏率,要做补偿和校准。
先在Specification界面的measure type下拉菜单来设定到leak rate,如左下图。
以下说明按照泄漏率模式拍的图片。
再在左上图中secification右边找到菜单calibration菜单,如右上图:右上图中,comp methods (补偿模式)选normal(正常),calibration methods(校准模式)选取manual(手动),calibrate leak rate (校准泄漏率)设定为客户需要的泄漏率(和标准漏口对应)。
如需修改,点击这个calibrate leak rate菜单就能修改泄漏率值了。
Leak rate units(泄漏率单位)这个一般都是ccm也就是毫升每分钟.leak rate format(泄漏率显示小数点位数),这个位数可以根据要求修改。
小数点位数一般设定为2位就可以了。
注意:其余菜单cal value等不要修改。
设定好上述菜单后,进行补偿和校准的操作。
补偿:将标准工件和夹具接好,要求密封好。
进入左下图中的界面,点击calibrate(此时这个选项是点亮的):点击calibrate后,有右上图所示,此时no leak compensation (补偿)界面自动点亮,按测漏仪开始按钮,仪器进行补偿的操作。
等运行结束后,no leak compensation界面中的current pressure drop等自动记录补偿值。
补偿结束后,松开和标准工件连接的夹具,让工件排气。
然后再装上夹具。
校准:在测漏仪前面的标准漏口接头处接上标准漏口。
选择leak master calibration一栏,此时这一栏点亮。
按测漏仪开始按钮,仪器进行校准操作。
校准结束后,一定要按done确认,仪器会跳出一个对话框,提示是否要保存,点ok就可以了。
此时退出到运行界面,如左下图。
点击dashboard界面如中间图所示,或者点击detail如右上图所示,就可以准备仪器运行了。
检查补偿校准是否作的成功,连接好测试工件,到运行界面,如果插漏口,启动仪器结束后,test result结果为漏口泄漏率值附近,公差为正负10%的泄漏率,如果不插漏口,test result 结果为0附近,也是要求公差为正负10%的泄漏率。
4.曲线显示:如果客户需要显示运行中的曲线,在钥匙转到水平位置运行状态,点击dashboard后如左边图所示,点击右下角sensor input profile后,如中间图示,在中间图的横轴坐标下方空白处点击后,如右边图示手动可以修改坐标轴的限值maximum sensor value 和minium sensor value修改好后,按DONE就可以保存了。
回到中间图界面就可以了。
5 PLC控制MR接口部分设定PLC控制MR启动停止的接线参考另外一份接线资料。
MR也需要设定相关参数配合。
如下:在system options 菜单中,选择tester control如上图所示,有program selection source (程序选择来源)下拉菜单有front panel(通过面板选择程序)/remote (通过plc选择程序),根据需要选取。