两线制三线制四线制变送器工作原理接线图解
- 格式:docx
- 大小:88.02 KB
- 文档页数:6
今天仪控君与大家讨论的两线制、三线制、四线制,就是指各种输出为模拟直流电流信号的变送器,其工作原理与结构上的区别,而并非只指变送器的接线形式。
首先,我们先瞧一下它们的定义两线制:两根线及传输电源又传输信号,也就就是传感器输出的负载与电源就是串联在一起的,电源就是从外部引入的,与负载串联在一起来驱动负载。
三线制:三线制传感器就就是电源正端与信号输出的正端分离,但它们共用一个COM端。
四线制:电源两根线,信号两根线。
电源与信号就是分开工作的。
几线制的称谓,就是在两线制变送器诞生后才有的。
这就是电子放大器在仪表中广泛应用的结果,放大的本质就就是一种能量转换过程,这就离不开供电。
因此最先出现的就是四线制的变送器;即两根线负责电源的供应,另外两根线负责输出被转换放大的信号(如电压、电流、等)。
但目前,很多变送器采用二线制。
下面,我们就来具体瞧瞧不同线制变送器的差异有哪些?不同线制变送器的差异一、两线制要实现两线制变送器,必须要同时满足以下条件:1、V≤Emin-ImaxRLmax变送器的输出端电压V等于规定的最低电源电压减去电流在负载电阻与传输导线电阻上的压降。
2、I≤Imin变送器的正常工作电流I必须小于或等于变送器的输出电流。
3、P<Imin(Emin-IminRLmax)变送器的最小消耗功率P不能超过上式,通常<90mW。
式中:Emin=最低电源电压,对多数仪表而言Emin=24(1-5%)=22、8V,5%为24V电源允许的负向变化量;Imax=20mA;Imin=4mA;RLmax=250Ω+传输导线电阻。
如果变送器在设计上满足了上述的三个条件,就可实现两线制传输。
所谓两线制即电源、负载串联在一起,有一公共点,而现场变送器与控制室仪表之间的信号联络及供电仅用两根电线,这两根电线既就是电源线又就是信号线。
两线制变送器由于信号起点电流为4mA DC,为变送器提供了静态工作电流,同时仪表电气零点为4mA DC,不与机械零点重合,这种“活零点”有利于识别断电与断线等故障。
压力变送器接线图1 二线制压力变送器接线图实物---------------------------------------------------------------------------------------------2 二线制压力变送器接线图---------------------------------------------------------------------------------------------3 三线制压力变送器接线图----------------------------------------------------------------------------------------------卸下变送器接线端的旋盖,可以看到如图所示的接线端子。
-----------------------------------------------------------------------------------------------4 四线制压力变送器接线图若选配了现场显示表头,则接线端子在现场显示器的后端,接线时请先将现场显示器卸下(注意要小心,以免将显示器的连线拉断)即可露出如图 1 所示的接线端子。
其中为现场显示表头。
-----------------------------------------------------------------------------------------------------5 调零和调满的使用压力变送器的安装位置会对变送器的零点输出产生影响,可在变送器安装结束后,对零点输出进行调整,在没有标准压力源的情况下禁止调节满程电位器,否则会严重影响变送器的精度。
---------------------------------------------------------------------------------------------出师表两汉:诸葛亮先帝创业未半而中道崩殂,今天下三分,益州疲弊,此诚危急存亡之秋也。
一篇看懂仪表二线制、三线制、四线制的区别2018-01-29仪控君仪控工程网仪控工程网今天仪控君和大家讨论的两线制、三线制、四线制,是指各种输出为模拟直流电流信号的变送器,其工作原理和结构上的区别,而并非只指变送器的接线形式。
首先,我们先看一下它们的定义两线制:两根线及传输电源又传输信号,也就是传感器输出的负载和电源是串联在一起的,电源是从外部引入的,和负载串联在一起来驱动负载。
三线制:三线制传感器就是电源正端和信号输出的正端分离,但它们共用一个COM端。
四线制:电源两根线,信号两根线。
电源和信号是分开工作的。
几线制的称谓,是在两线制变送器诞生后才有的。
这是电子放大器在仪表中广泛应用的结果,放大的本质就是一种能量转换过程,这就离不开供电。
因此最先出现的是四线制的变送器;即两根线负责电源的供应,另外两根线负责输出被转换放大的信号(如电压、电流、等)。
但目前,很多变送器采用二线制。
下面,我们就来具体看看不同线制变送器的差异有哪些?不同线制变送器的差异一、两线制要实现两线制变送器,必须要同时满足以下条件:1. V≤E min-I max RL max变送器的输出端电压V等于规定的最低电源电压减去电流在负载电阻和传输导线电阻上的压降。
2. I≤I min变送器的正常工作电流I必须小于或等于变送器的输出电流。
3. P<I min(E min-I min RL max)变送器的最小消耗功率P不能超过上式,通常<90mW。
式中:E min=最低电源电压,对多数仪表而言E min=24(1-5%)=22.8V,5%为24V电源允许的负向变化量;I max=20mA;I min=4mA;RL max=250Ω+传输导线电阻。
如果变送器在设计上满足了上述的三个条件,就可实现两线制传输。
所谓两线制即电源、负载串联在一起,有一公共点,而现场变送器与控制室仪表之间的信号联络及供电仅用两根电线,这两根电线既是电源线又是信号线。
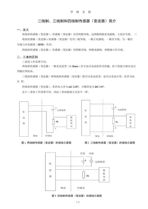
二线制、三线制和四线制传感器(变送器)简介一、定义两线制传感器(变送器):传感器(变送器)仅用两根导线,这两根线既是电源线,又是信号线。
三线制传感器(变送器):传感器(变送器)仅用三根导线,一根正电源线,一根信号线,另一根信号线与负电源线(GND)共用。
四线制传感器(变送器):传感器(变送器)用四根导线,两根电源线,两根独立信号线。
二、三者的区别三者的工作原理不同。
两线制传感器(变送器)一般是电流型(4-20mA),信号是以电流的形式传输,抗干扰能力相比电压型输出型较高。
三线制传感器(变送器)和四线制传感器(变送器)既可以是电流型,也可以是电压型,但多为电压型。
四线制传感器(变送器),其供电大多为AC 220V,少数供电为DC 24V。
由于三者的工作原理不同,因此三者的接线方式各不一样。
图1 两线制传感器(变送器)的接线示意图图2 三线制传感器(变送器)的接线示意图图3 四线制传感器(变送器)的接线示意图三、总结1.电压型传感器(变送器)输出信号是电压信号,电压信号容易受电磁干扰。
特别是传输的距离较远时,信号失真度较大。
2.电流型传感器(变送器)输出信号是电流信号,而电流信号抗干扰能力较电压信号强。
3.两线制电流变送器具有低失调电压(<30μV)、低电压漂移(<0。
7μV/C°)、超低非线性度(<0.01%)的特点。
测量信号和电源在双绞线上同时传送,既省去了昂贵的传输电缆,而且信号是以电流的形式传输。
4.两线制4-20mA电流输出型传感器(变送器)的信号线断线时,用万用表的电压档测量电压为DC 24V.其负载为250Ω时:被测量为最小值时,电压为DC 23V;被测量为最大值时,电压为DC 19V.5.三线制4—20mA电流输出型传感器(变送器)的信号线断线时,用万用表的电压档测量电压为DC 24V.其负载为250Ω时:被测量为最小值时,电压为DC 1V;被测量为最大值时,电压为DC 5V。
两线制三线制四线制变送器工作原理接线图解
————————————————————————————————作者:————————————————————————————————日期:
两线制三线制四线制变送器工作原理接线图解
几线制的称谓,是在两线制变送器诞生后才有的。
这是电子放大器在仪表中广泛应用的结果,放大的本质就是一种能量转换过程,这就离不开供电。
因此最先出现的是四线制的变送器;即两根线负责电源的供应,另外两根线负责输出被转换放大的信号(如电压、电流、等)。
两线制变送器接线示意图。
两线制变送器如图一所示,其供电为24V.DC,输出信号为4-20mA.DC,负载电阻为250Ω,24V电源的负线电位最低,它就是信号公共线。
三线制变送器接线示意图。
所谓三线制就是电源正端用一根线,信号输出正端用一根线,电源负端和信号负端共用一根线。
其供电大多为24V.DC,输出信号有 4-20mA.DC,负载电阻为250Ω或者0-10mA.DC,负载电阻为0-1.5KΩ;有的还有mA和mV信号,但负载电阻或输入电阻,因输出电路形式不同而数值有所不同。
四线制变送器接线示意图。
其供电大多为220V.AC,也有供电为24V.DC的。
输出信号有4-20mA.DC,负载电阻为250Ω,或者0-10mA.DC,负载电阻为0-1.5KΩ。
浅析二线制和四线制温度变送器接线方法
温度变送器按照供电方式可分为二线制温度变送器和四线制温度变送器。
二线制温度变送器输出端输出信号和电源共用一根两芯电缆;四线制温变送器电源用一根两芯电缆、输出端输出信号用一根两芯电缆。
温度变送器校验依据国家标准为《温度变送器校准规范JJF 1183-2007》。
1、二线制热电偶温度变送器具有参考端温度自动补偿时接线输入信号为热电偶时,校验智能温度变送器按照此图接线。
其他厂家生产的温度变送器接线也相同。
1.2 上图中热电偶补偿导线采用与测量热电偶对应的补偿导线;用mV信号发生器模拟热电偶信号;冰筒容器内为冰、水混合态,保持冷端温度为0℃。
1.3 温度变送器精密测量方法:根据热电偶分度表上对应的电势值,直接由毫伏信号发生器模拟热电偶输出信号,测量温度变送器输出的4-20mA信号,计算出变送器的测量精度。
这种测量方法可以消除测量过程中冷端温度变化引起的测量误差,但补偿线本身引起的测量误差还是无法消除。
这种方法一般在实验室测量和温度变送器生产厂出厂校验时使用。
电磁流量计两线制,三线制,四线制的区别电磁流量计的两线制、三线制、四线制,是指各种输出为模仿直流电流信号的变送器,其作业原理和布局上的差异,而并非只指变送器的接线方式。
先看一下它们的定义。
两线制:两根线及传输电源又称传输信号,也就是传感器输出的负载和电源是串联在一起的,电源是从外部引入的,和负载串联在一起来驱动负载。
三线制:三线制传感器就是电源正端和信号输出的正端分离,但它们共用一个COM端。
四线制:电源两根线,信号两根线。
电源和信号是分开工作的。
不同线制的差异一、两线制因为要完成两线制变送器有必要一起满意以下条件:1.V≤Emin-ImaxRLmax变送器的输出端电压V等于规则的最低电源电压减去电流在负载电阻和传输导线电阻上的压降。
2. I≤Imin变送器的正常作业电流I有必要小于或等于变送器的输出电流。
3. P<Imin(Emin-IminRLmax)变送器的最小耗费功率P不能超过上式,一般<90mW。
式中:Emin=最低电源电压,对大都外表而言Emin=24(1-5%)=22.8V,5%为24V电源答应的负向改变量;Imax=20mA;Imin=4mA;RLmax=250Ω+传输导线电阻。
若是变送器在规划上满意了上述的三个条件,就可完成两线制传输。
所谓两线制即电源、负载串联在一起,有一公共点,而现场变送器与控制室外表之间的信号联络及供电仅用两根电线,这两根电线既是电源线又是信号线。
两线制变送器因为信号起点电流为4mA.DC,为变送器供给了静态作业电流,一起外表电气零点为4mA.DC,不与机械零点重合,这种“活零点”有利于辨认断电和断线等毛病。
并且两线制还便于运用安全栅,利于安全防爆。
如图所示,两线制变送器供电为24V.DC,输出信号为4-20mA.DC,负载电阻为250Ω,24V电源的负线电位最低,它即是信号公共线,关于智能变送器还可在4-20mA.DC信号上加载HART协议的FSK键控信号。
二线制、三线制、四线制
俩线制,三线制,四线制都是工业现场数据采集设备(又可称为传感器)常用的信号传输手段。
我们使用单片机或处理器处理传感器的测量的信号时,就会根据‘线制“的不同设计相应的采集方案。
首先需要明确一点:不管是几线制,一个传感器正常工作需要俩个部分:“供电”和“信号”。
这俩大部分缺一不可。
这是所有传感器的“根”,把握住这个根以后,在区分一下它们的之间区别就很好联系了。
再来说”三线制“,三线制就是:三根线”,即用三根线进行数据采集的方式,这是最常见的大部分传感的器采用的方式,所用的三根线即:“电源正”,“电源负”,“信号线”。
只需要通过正负电源线给传感器供电,传感器采集到的值就会通过信号线源源不断的发送出来。
我们读取信号的值即可。
俩线制:顾名思义,即只有“俩根线”的意思,当然,即便是用了俩跟线,同三线制一样,能够获取到传感器的采集数据需要的俩大部分:”供电“和”信号“必不可少,只不过俩线制相比三线制而言,它的“电源和信号共用了一根线”。
常用的俩线制信号采集过程如下所示:
四线制:顾名思义,即有“四根线”的意思,当然,即便是用了俩跟线,与三线制不同的是“四线制”的信号线由一根变成了俩跟。
细心的同学可能注意到了,选用哪种“线制”的传输方式与传感器的输出信号类型是有很大关系的。
图1 上面写的内容是“电流输出接线图(俩线制)”,而图2 上面写的是“电压输出接线图(三线制)”,图3上面写的是“RS485(数字信号)输出接线图(四线制)”。
因此,线制与这个传感器的输出信号类型是有关系的。
两线制、三线制、四线制的原理及其区别所谓的两线制、三线制、四线制,是指各种输出为模拟直流电流信号的变送器,其工作原理和结构上的区别,而并非只指变送器的接线形式。
几线制的称谓,是在两线制变送器诞生后才有的。
这是电子放大器在仪表中广泛应用的结果,放大的本质就是一种能量转换过程,这就离不开供电。
因此最先出现的是四线制的变送器;即两根线负责电源的供应,另外两根线负责输出被转换放大的信号(如电压、电流、等)。
ddz-ⅱ型电动单元组合仪表的出现,供电为220v.AC,输出信号为0—10Ma.DC的四线制变送器得到了广泛的应用,目前在有些工厂还可见到它的身影。
七十年代我国开始生产ddz-ⅲ型电动单元组合仪表,并采用国际电工委员会(iec)的:过程控制系统用模拟信号标准。
即仪表传输信号采用4-20ma.dc,联络信号采用1-5v.dc,即采用电流传输、电压接收的信号系统。
采用4-20ma.dc信号,现场仪表就可实现两线制。
但限于条件,当时两线制仅在压力、差压变送器上采用,温度变送器等仍采用四线制。
现在国内两线制变送器的产品范围也大大扩展了,应用领域也越来越多。
同时从国外进来的变送器也是两线制的居多。
因为要实现两线制变送器必须同时满足以下条件:1.V≤Emin-ImaxRLmax变送器的输出端电压v等于规定的最低电源电压减去电流在负载电阻和传输导线电阻上的压降。
2. I≤Imin变送器的正常工作电流i必须小于或等于变送器的输出电流。
3. P<Imin(Emin-IminRLmax)变送器的最小消耗功率P不能超过上式,通常<90mW。
式中:Emin=最低电源电压,对多数仪表而言Emin=24(1-5%)=22.8V,5%为24V电源允许的负向变化量;Imax=20mA;Imin=4mA;RLmax=250Ω+传输导线电阻。
如果变送器在设计上满足了上述的三个条件,就可实现两线制传输。
所谓两线制即电源、负载串联在一起,有一公共点,而现场变送器与控制室仪表之间的信号联络及供电仅用两根电线,这两根电线既是电源线又是信号线。
“线制”是指仪表供电和标准信号传输采用的导线数。
几线制的称谓,是在两线制变送器诞生后才有的。
这是电子放大器在仪表中广泛应用的结果,放大的本质就是一种能量转换过程,这就离不开供电。
因此最先出现的是四线制的变送器,即两根线负责电源的供应,另外两根线负责输出被转换放大的信号(如电压、电流、等)。
220VAC供电的仪表一定是四线制。
四线制信号的仪表是指:供电回路和信号回路各自独立,采用隔离电路分开,用于隔离的4~20mA标准信号。
所以信号一定是隔离的,通常不接地。
电源可以是24VDC,也可以是220VAC。
当用两线制提供的功率不足以给仪表供电时,采用三线制方式,信号为4~20mA标准信号。
三线制的三根线是:一根为电源线(通常为24VDC+),一根为信号线,一根为电源与信号的公共线,用于电压参考点和电流回路。
非4~20mA标准信号不称为两线制。
二线制是两根导线供电的同时传输4~20mA标准信号。
非此标准信号不称为两线制。
两线制最少供电能力为:4mA×24V-接收仪表功耗-线路损耗。
那么在实际现场操作中,四线制,三线制,二线制主要供电方式是?四线制供电大多为220V.AC,也有供电为24V.DC的。
四线制变送器如下图所示,其供电大多为220V.AC,也有供电为24V.DC的。
输出信号有4-20mA.DC,负载电阻为250Ω,或者0-10mA.DC,负载电阻为0-1.5KΩ;有的还有mA和mV 信号,但负载电阻或输入电阻,因输出电路形式不同而数值有所不同。
三线制供电大多为24V.DC。
三线制变送器如下图所示,所谓三线制就是电源正端用一根线,信号输出正端用一根线,电源负端和信号负端共用一根线。
其供电大多为24V.DC,输出信号有4-20mA.DC,负载电阻为250Ω或者0-10mA.DC,负载电阻为0-1.5KΩ;有的还有mA和mV信号,但负载电阻或输入电阻,因输出电路形式不同而数值有所不同。
二线制供电为24V.DC。
两线制三线制四线制的原理及其区别Modified by JEEP on December 26th, 2020.两线制、三线制、四线制的原理及其区别所谓的两线制、三线制、四线制,是指各种输出为模拟直流电流信号的变送器,其工作原理和结构上的区别,而并非只指变送器的接线形式。
几线制的称谓,是在两线制变送器诞生后才有的。
这是电子放大器在仪表中广泛应用的结果,放大的本质就是一种能量转换过程,这就离不开供电。
因此最先出现的是四线制的变送器;即两根线负责电源的供应,另外两根线负责输出被转换放大的信号(如电压、电流、等)。
ddz-ⅱ型电动单元组合仪表的出现,供电为,输出信号为0—的四线制变送器得到了广泛的应用,目前在有些工厂还可见到它的身影。
七十年代我国开始生产ddz-ⅲ型电动单元组合仪表,并采用国际电工委员会(iec)的:过程控制系统用模拟信号标准。
即仪表传输信号采用,联络信号采用,即采用电流传输、电压接收的信号系统。
采用信号,现场仪表就可实现两线制。
但限于条件,当时两线制仅在压力、差压变送器上采用,温度变送器等仍采用四线制。
现在国内两线制变送器的产品范围也大大扩展了,应用领域也越来越多。
同时从国外进来的变送器也是两线制的居多。
因为要实现两线制变送器必须同时满足以下条件:1.V≤Emin-ImaxRLmax变送器的输出端电压v等于规定的最低电源电压减去电流在负载电阻和传输导线电阻上的压降。
2. I≤Imin变送器的正常工作电流i必须小于或等于变送器的输出电流。
3. P<Imin(Emin-IminRLmax)变送器的最小消耗功率P不能超过上式,通常<90mW。
式中:Emin=最低电源电压,对多数仪表而言Emin=24(1-5%)=,5%为24V电源允许的负向变化量;Imax=20mA;Imin=4mA;RLmax=250Ω+传输导线电阻。
如果变送器在设计上满足了上述的三个条件,就可实现两线制传输。
所谓两线制即电源、负载串联在一起,有一公共点,而现场变送器与控制室仪表之间的信号联络及供电仅用两根电线,这两根电线既是电源线又是信号线。
Pt100热电阻两线制、三线制和四线制接线对测温精度的影响1、Pt100热电阻的三种接线方式在原理上的不同:二线制和三线制是用电桥法测量,最后给出的是温度值与模拟量输出值的关系。
四线没有电桥,完全只是用恒流源发送,电压计测量,最后给出测量电阻值。
2、Pt100热电阻的三种接线方式对测量精度的影响连接导线的电阻和接触电阻会对Pt100铂电阻测温精度产生较大影响,铂电阻三线制或者四线制接线方式能有效消除这种影响。
与热电阻连接的检测设备(温控仪、PLC输入等)都有四个接线端子:I+、I-、V+、V-。
其中,I+、I-端是为了给热电阻提供恒定的电流,V+、V-是用来监测热电阻的电压变化,依次检测温度变化。
请参阅下图:(1)四线制就是从热电阻两端引出4线,接线时电路回路和电压测量回路独立分开接线,测量精度高,需要导线多。
(2)三线制就是引出三线,Pt100B铂电阻接线时电流回路的参端和电压测量回路的参考为一条线(即检测设备的I-端子和V-端子短接)。
精度稍好。
(3)两线制就使引出两线,Pt100B铂电阻接线时接线时电流回路和电压测量回路合二为一(即检测设备的I-端子和V-端子短接、I+端子和V+短接短接)。
测量精度差。
模块中A、B两个端子是用来接收电压信号的,一般是毫伏级电压信号。
C端是一个电流输出端子,工作时由采集模块输出一个恒定的电流信号。
这样在热电阻C、B端会流过一个恒定的电流,当温度变化时,热电阻的阻值变化,这样,A、B端的电压信号就随着温度的变化而线性变化。
达到测温的目的。
其实有两线制、三线制、四线制三种,如上图中,A\B\C三点好比另个图中的3、2、1三点及另个图中的兰、绿、黄这样子,简单的接线把蓝绿黄对应A、B、C或3、2、1接起来就OK了,当然如果你的变送器只有两个接线端子,你只需要把蓝绿线接进去就行了。
两线制在测量精度不是很高的情况下使用三线制应用较广泛四线制用于精度高的场合。
热电阻温度测量原理及常用接线方式热电阻(如Pt100)是利用其电阻值随温度的变化而变化这一原理制成的将温度量转换成电阻量的温度传感器。
两线制、三线制、四线制其工作原理和结构上的区别畅谈两线制、三线制、四线制,是指各种输出为模拟直流电流信号的变送器,其工作原理和结构上的区别,而并非只指变送器的接线形式。
因此最先出现的是四线制的变送器;即两根线负责电源的供应,另外两根线负责输出被转换放大的信号(如电压、电流、等) 。
但目前,很多变送器采用二线制。
上图所示为两线制变送器接线示意图。
两线制变送器如上图所示,其供电为24VDC,输出信号为DC4-20mA,负载电阻为250Ω,24V电源的负线电位最低,它就是信号公共线。
四线制变送器相关问答一、电流输出型与电压输出型有哪些优劣比较?在单片机控制的许多应用场合,都要使用变送器来将单片机不能直接测量的信号转换成单片机可以处理的电模拟信号,如电流变送器,压力变送器、温度变送器、流量变送器等。
早期的变送器大多为电压输出型,即将测量信号转换为0-5v电压输出,这是运放直接输出,信号功率<0.05w,通过模拟/数字转换电路转换数字信号供单片机读取、控制。
但在信号需要远距离传输或使用环境中电网干扰较大的场合,电压输出型传感器的使用受到了极大限制,暴露了抗干扰能力较差,线路损耗破坏了精度等等等缺点,而两线制电流输出型变送器以其具有极高的抗干扰能力得到了广泛应用。
电压输出型变送器抗干扰能力极差,线路损耗的破坏,谈不上精度有多高,有时输出的直流电压上还叠加有交流成分,使单片机产生误判断,控制出现错误,严重时还会损坏设备,输出0-5v绝对不能远传,远传后线路压降大,精确度大打折扣。
现在很多的adc,plc,dcs的输入信号端口都作成两线制电流输出型变送器4-20ma的,证明了电压输出型变送器被淘汰的必然趋势。
二、什么是两线制电流变送器的6大全面保护功能:(1)、输入过载保护;(2)、输出过流限制保护;(3)、输出电流长时间短路保护;(4)、两线制端口瞬态感应雷与浪涌电流tvs抑制保护;(5)、工作电源过压极限保护≤35v;(6)、工作电源反接保护。
二线制、三线制和四线制传感器(变送器)简介一、定义两线制传感器(变送器):传感器(变送器)仅用两根导线,这两根线既是电源线,又是信号线。
三线制传感器(变送器):传感器(变送器)仅用三根导线,一根正电源线,一根信号线,另一根信号线与负电源线(GND)共用。
四线制传感器(变送器):传感器(变送器)用四根导线,两根电源线,两根独立信号线。
二、三者的区别三者的工作原理不同。
两线制传感器(变送器)一般是电流型(4-20mA),信号是以电流的形式传输,抗干扰能力相比电压型输出型较高。
三线制传感器(变送器)和四线制传感器(变送器)既可以是电流型,也可以是电压型,但多为电压型。
四线制传感器(变送器),其供电大多为AC 220V,少数供电为DC 24V。
由于三者的工作原理不同,因此三者的接线方式各不一样。
图1 两线制传感器(变送器)的接线示意图图2 三线制传感器(变送器)的接线示意图图3 四线制传感器(变送器)的接线示意图三、总结1.电压型传感器(变送器)输出信号是电压信号,电压信号容易受电磁干扰。
特别是传输的距离较远时,信号失真度较大。
2.电流型传感器(变送器)输出信号是电流信号,而电流信号抗干扰能力较电压信号强。
3.两线制电流变送器具有低失调电压(<30μV)、低电压漂移(<0。
7μV/C°)、超低非线性度(<0.01%)的特点。
测量信号和电源在双绞线上同时传送,既省去了昂贵的传输电缆,而且信号是以电流的形式传输。
4.两线制4-20mA电流输出型传感器(变送器)的信号线断线时,用万用表的电压档测量电压为DC 24V.其负载为250Ω时:被测量为最小值时,电压为DC 23V;被测量为最大值时,电压为DC 19V.5.三线制4—20mA电流输出型传感器(变送器)的信号线断线时,用万用表的电压档测量电压为DC 24V.其负载为250Ω时:被测量为最小值时,电压为DC 1V;被测量为最大值时,电压为DC 5V。
二线制、三线制和四线制传感器(变送器)简介一、定义两线制传感器(变送器):传感器(变送器)仅用两根导线,这两根线既是电源线,又是信号线。
三线制传感器(变送器):传感器(变送器)仅用三根导线,一根正电源线,一根信号线,另一根信号线与负电源线(GND)共用。
四线制传感器(变送器):传感器(变送器)用四根导线,两根电源线,两根独立信号线。
二、三者的区别三者的工作原理不同。
两线制传感器(变送器)一般是电流型(4-20mA),信号是以电流的形式传输,抗干扰能力相比电压型输出型较高。
三线制传感器(变送器)和四线制传感器(变送器)既可以是电流型,也可以是电压型,但多为电压型。
四线制传感器(变送器),其供电大多为AC 220V,少数供电为DC 24V。
由于三者的工作原理不同,因此三者的接线方式各不一样。
图1 两线制传感器(变送器)的接线示意图图2 三线制传感器(变送器)的接线示意图图3 四线制传感器(变送器)的接线示意图三、总结1.电压型传感器(变送器)输出信号是电压信号,电压信号容易受电磁干扰。
特别是传输的距离较远时,信号失真度较大。
2.电流型传感器(变送器)输出信号是电流信号,而电流信号抗干扰能力较电压信号强。
3.两线制电流变送器具有低失调电压(<30μV)、低电压漂移(<0.7μV/C°)、超低非线性度(<0.01%)的特点。
测量信号和电源在双绞线上同时传送,既省去了昂贵的传输电缆,而且信号是以电流的形式传输。
4.两线制4-20mA电流输出型传感器(变送器)的信号线断线时,用万用表的电压档测量电压为DC 24V。
其负载为250Ω时:被测量为最小值时,电压为DC 23V;被测量为最大值时,电压为DC 19V。
5.三线制4-20mA电流输出型传感器(变送器)的信号线断线时,用万用表的电压档测量电压为DC 24V。
其负载为250Ω时:被测量为最小值时,电压为DC 1V;被测量为最大值时,电压为DC 5V。
两线制三线制四线制变送器工作原理接线图解
作者:
日期: 2
两线制三线制四线制变送器工作原理接线图解
n
几线制的称谓,是在两线制变送器诞生后才有的。
这是电子放大器在仪表中广泛应用的结果,放大的本质就是一种能量转换过程,这就离不开供电。
因此最先出现的是四线制的变送器;即两根线负责电源的供应,另外两根线负责输出被转换放大的信号(如电压、电流、等)。
电源装胃
现场)控制室 d i a ngofi- co!!!
两线制变送器接线示意图。
两线制变送器如图一所示,其供电为
24V.DC,输出信号为4-20mA.DC负载电阻为250Q, 24V电源的负线电位最低,它就是信号公共线。
三线制变送器接线示意图。
所谓三线制就是电源正端用一根线,信号输出正端用一根线,电源负端和信号负端共用一根线。
其供电大多为
24V.DC,输出信号有4-20mA.DC,负载电阻为250Q或者0-10mA.DC
负载电阻为0- 1.5K Q;有的还有mA和mV信号,但负载电阻或输入电阻,因输出电路形式不同而数值有所不同。
24V.DC 的。
输出信号有 4-20mA.DC,负载电阻为 250Q ,或者 0-10mA.DC 负载电阻为 0-1.5K Q 。
现场 控制室
四线制变送器接线示意图。
其供电大多为
220V.AC,也有供电为
ll 渝空流
送
器 接 收 仪
表。