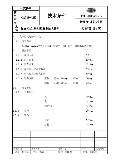
A2车型主要技术参数
- 格式:doc
- 大小:28.50 KB
- 文档页数:2
jetta-a2技术参数
Jetta A2是一款由大众汽车推出的车型,以下是关于Jetta A2
的技术参数:
1. 发动机,Jetta A2搭载了一台1.5升涡轮增压发动机,提
供了良好的动力输出和燃油经济性。
2. 变速器,该车型配备了6速手动变速器或8速自动变速器,
使驾驶更加平顺并提高燃油效率。
3. 车身尺寸,Jetta A2整体尺寸为长宽高分别为
4658mm1778mm1459mm,轴距为2685mm,提供了宽敞舒适的乘坐空间。
4. 动力性能,1.5升发动机为Jetta A2提供了充沛的动力,
0-100km/h加速时间约为8秒,整体驾驶性能表现出色。
5. 安全配置,Jetta A2配备了多项主动和被动安全配置,包
括ABS防抱死制动系统、ESP车身稳定控制系统、多个安全气囊等,提供了全面的安全保障。
6. 车辆悬挂,前麦弗逊式独立悬挂和后多连杆式独立悬挂设计,提供了良好的操控稳定性和舒适性。
7. 内饰配置,Jetta A2内饰采用了高品质材料,配备了先进
的多媒体信息娱乐系统和舒适的座椅,提供了良好的驾乘体验。
总的来说,Jetta A2作为一款紧凑型轿车,具备了较为出色的
动力性能、安全配置和舒适性,是一款性价比较高的车型。
希望以
上信息能够满足你的需求。
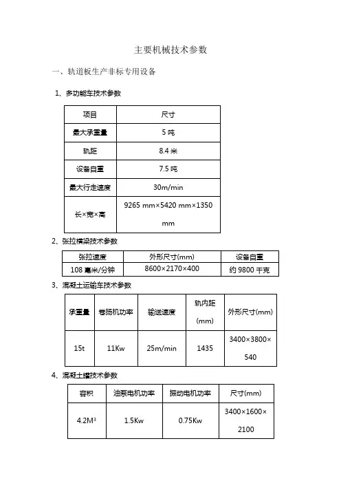
主要机械技术参数一、轨道板生产非标专用设备1、多功能车技术参数2345外形尺寸(长*宽*高): 9945mm*6400mm*3600mm 储斗有效容积:≥ 4.2 m³布料机轨距: 8400 mm大车走行速度: 1.5 ~ 30 m/min小车走行速度: 1.5 ~ 30 m/min振动刮平装臵升降行程:≥ 300 mm振动刮平装臵宽度: 6600 mm适用混凝土类别:标准混凝土和钢纤维混凝土混凝土碎石粒径:φ20 mm67910轨道板规格:长×宽×高=6450 mm×2550 mm×200 mm轨道板重量:约 9t翻转角度: - 3°~183°单个作业周期:不大于5 min回转速度: 1.5~0.5 r/min,平稳匀速转动,无大的撞击提升高度:视现场实际工况而定(约650~950 mm)。
结构安全系数:大于2.0卡紧点间距: 3900 mm;卡紧装臵:有足够强度,应保证轨道板在翻转过程中,承受轨道板自重及翻转带来的冲击。
动作过程: 提升、翻转、下落过程中要求动作同步,保持的长中心线水平电源: 380V±20%频率: 50 Hz,带有稳压装臵控制方式:电气控制,满足手动、自动11、钢筋头切割机技术参数二、混凝土搅拌站主要技术参数2、配料系统2.1 骨料储料仓2.2 骨料秤2.3 平皮带机2.4 斜皮带2.5 水路系统2.6 外加剂系统2.7 搅拌系统3、计量系统3.1 水泥计量3.2 掺和料计量3.3 外加剂计量3.5 水计量4、电气系统4.1系统采用交流380V、50Hz三相四(五)线制供电,每台HZS150Q 搅拌设备供电变压器容量应不小于400kVA。
4.2 称量装臵技术参数4.3 微机主要技术参数5、工作条件6、控制方式:手动控制和微机自动控制相结合三、桥式起重机主要技术参数2、QD16t-19.5m桥式双梁起重机4、LD5T-19.5m电动单梁起重机四、钢筋定长剪切机主要技术参数五、工业吸尘器主要技术参数六、吸水机主要技术参数七、高压冲洗机主要技术参数八、棘轮扳手主要技术参数九、无气喷涂机主要技术参数十、自动张拉机主要技术参数十一、真空吊具主要技术参数规格:长×宽×高6630mm×1350mm×1240mm;自重量:约2.3T、吸盘最大吸力:25T;吸附力240KN(被吸附表面不平度6mm,拉毛深度3mm);初始建立工作要求的真空度时间≤5min;真空系统最大真空度≥90%;真空吊具结构设计安全系数≥2.0;油缸工作行程约230mm,液压工作系统的周期小于30s;电源:3相380V±10%+N(零线)+PE(接地)、频率:50Hz;系统功率≤10KW 十二、注油机主要技术参数十三、锅炉主要技术参数十四、数控磨床主要技术参数1、工件的加工范围(长×宽×高):6500×2550×1200 mm;2、X 轴行程:8700 mm;3、左右卧式磨头横向行程范围,从机床中线开始计算为+1800 mm和-1800 mm;4、Z2、Z1 轴行程:1200 mm;5、机床的龙门间距:6300 mm;6、A2、A1 轴回转角度:-3度至93度(无级);7、C2、C1 轴回转角度:-3 度至183 度(无级);8、磨头砂轮尺寸:(外径×内径×宽度)525×305×200 mm;9、磨头主轴转速:500~3000 r/min;10、磨头主轴电机功率(连续/断续):103/124 kW;磨头主轴电机扭矩(连续/断续):820/1110 N〃m;11、X、Y2、Y1 轴运行速度:0~20 m/min;12、Z2、Z1 轴运行速度: 0~6 m/min;13、冷却水流量: 750 L/min;14、各轴直线定位精度:0.020/1000;全长不超过0.07 mm;15、X、Z1、Z2 轴电机参数:8.17 kW、48 N〃m;16、Y1、Y2、A1、A2、C2、C2 轴电机参数:3.3 kW、16 N〃m;17、雕刻轴主轴功率:5 kW;18、雕刻轴主轴转速:最高可达9000 r/min;19、电气设备容量:约350 kW;20、机床重量:约70 t;21、工作效率:在正常情况下,20 小时工作时间内可加工的工件数量为80~100 件(加工余量在2mm的状态下);22、污水最大处理能力37m3/h。
叉车的技术参数是用来表明叉车的结构特征和工作性能的。
叉车的主要技术参数有:额定起重量,载荷中心距,最大起升高度、门架倾角,最大行驶速度,最小转弯半径,最小离地间隙和轴距、轮距等。
1、额定起重量:叉车的额定起重量是指货物重心至货叉前壁的距离不大于载荷中心距时,允许起升的货物的最大重量,以t (吨)表示。
当货叉上的货物重心超出了规定的载荷中心距时,由于叉车纵向稳定性的限制,起重量应相应减小。
2、载荷中心距:载荷中心距是指在货叉上放置标准的货物时,其重心到货叉垂直段前壁的水平距离,以mm(毫米)表示。
对于1t叉车规定载荷中心距为500mm。
3、最大起升高度:最大起升高度是指在平坦坚实的地面上:叉车满载,货物升至最高位置时,货叉水平段的上表面离地面的垂直距离。
4、门架倾角,门架倾角是指无载的叉车在平坦坚实的地面上,门架相对其垂直位置向前或向后的最大倾角。
前倾角的作用是为了便于叉取和卸放货物;后倾角的作用是当叉车带货运行时,预防货物从货叉上滑落。
根据作业需要,一般叉车前倾角为3~6°后倾角为10°〜12°5、最大起升速度:叉车最大起升速度通常是指叉车满载时,货物起升的最大速度,以m/min (米/分)表示。
提高最大起升速度,可以提高作业效率;但起升速度过限,容易发生货损和机损事故。
目前国内叉车的最大起升速度已提高到20m/min。
6、最高行驶速度;提高行驶速度对提高叉车的作业效率有很大影响。
对手起重量为1t 的内燃叉车,其满载时最高行驶速度不少于17m/min7、最小转弯半径:当叉车在无载低速行驶、打满方向盘转弯时,车体最外侧和最内侧至转弯中心的最小距离,分别称为最小外侧转弯半径Rmin 外和最小内侧转弯半径rmin内。
最小外侧转弯半径愈小,则叉车转弯时需要的地面面积愈小,机动性愈好。
8、最小离地间隙:最小离地间隙是指车轮以外,车体上固定的最低点至地面的距离,它表示叉车无碰撞地越过地面凸起障碍物的能力。
a2fm160技术参数
A2FM160是一种轴向柱塞泵,通常用于工程机械和液压系统中。
它具有一些重要的技术参数,包括排量、压力、转速等。
首先,让
我们来看一下A2FM160的排量。
A2FM160泵的排量通常在145至
1000毫升每转之间,这取决于具体的型号和配置。
其次,压力是另
一个重要的技术参数。
A2FM160泵通常能够承受高达400至450巴
的工作压力,这使得它在各种应用中都能够提供强大的液压动力。
此外,A2FM160泵的额定转速通常在1500至3000转/分之间,这使
得它在不同的工作条件下都能够提供稳定的性能。
除此之外,
A2FM160泵还具有良好的低噪音特性和高效率,这使得它在工程机
械和液压系统中得到广泛应用。
总的来说,A2FM160泵以其优越的
性能参数和可靠的质量,在工程机械领域具有重要的地位。
希望这
些信息能够帮助你更好地了解A2FM160泵的技术参数。
中型货车质量参数中型货车是运输行业中非常重要的一部分,它们通常用于中短途货物运输和物流配送。
为了确保中型货车的运行安全和效率,质量参数是非常关键的。
在这份关于中型货车质量参数的2000字报告中,我将详细介绍中型货车的各项质量参数,并且提出一些改进建议,希望对相关领域的研究和生产有所帮助。
一、车辆结构设计参数① 载货箱容积:中型货车通常用于运输中小型货物,因此其载货箱容积是一个十分重要的参数。
合理的载货箱容积不仅可以提高运输效率,同时还可以减少运输成本。
② 承载能力:中型货车的承载能力直接关系到它的运输效率和安全性。
合理的承载能力设计可以使中型货车在载货量较大的情况下保持稳定的行驶和操纵性。
③ 车身结构强度:中型货车的车身结构强度应当经过精心设计和计算,以确保在恶劣道路条件下仍然能够保持结构的完整和安全性。
④ 防腐蚀涂装:考虑到中型货车通常需要在各种道路和环境条件下运输,因此车身的防腐蚀涂装是十分重要的,可以提高车辆的使用寿命和外观品质。
二、发动机及动力系统参数① 发动机功率:中型货车的发动机功率直接关系到其牵引能力和燃油效率。
合理的发动机功率设计可以提高中型货车的运输效率,同时节约燃油成本。
② 燃油经济性:考虑到运输成本和环境保护,中型货车的燃油经济性是一个不容忽视的参数。
优化的燃油经济性设计可以降低运输成本,减少环境污染。
③ 排放标准:作为现代商用车辆,中型货车的排放标准应当符合国家的相关法规和标准,以减少尾气排放对环境的污染。
④ 动力传输系统:中型货车的动力传输系统应当具有高效、稳定和可靠的特点,以保证其在全负荷运输状况下的顺畅传动。
三、制动系统参数①制动性能:中型货车的制动性能是保障行车安全的一个重要指标,应当具有良好的制动距离和制动效率。
② 制动辅助系统:如ABS、EBD等系统的配置,可以提高中型货车的制动安全性和稳定性。
③ 制动材料选用:合适的制动材料选择可以减少制动间歇过程中的能量损耗和制动盘的磨损,提高制动质量。
卡车主要参数介绍卡车是一种用于运输货物的大型车辆。
它们通常被用于大型物流和运输公司、建筑工地、农业和工业部门等领域。
卡车的主要参数是指它们的尺寸、载重能力、引擎功率和燃油经济性等方面的特征。
下面将详细介绍卡车的主要参数。
一、尺寸参数:1.车身长度和宽度:卡车的车身长度和宽度是根据货物运输的需求来设计的。
较长的车身可容纳更多货物,而较宽的车身则可以提供更大的稳定性。
2.车身高度:卡车的车身高度取决于货物运输的需求以及道路条件。
一些场合下,卡车需要经过低矮的隧道或者桥梁,因此其车身高度必须能够适应这些限制。
3.轴距:卡车的轴距是指前后两个轴之间的距离。
较大的轴距可以提供更好的稳定性和操控性。
二、载重能力参数:1.吨位:卡车的吨位是指其能够承载的最大货物重量。
吨位通常由卡车的设计和结构决定,不同卡车的吨位范围从几吨到几十吨不等。
2.轴载:轴载是指每个轴所承受的重量。
由于卡车的载重是通过轮胎的承重来支撑的,因此轴载的合理分配对卡车的操控性和稳定性都非常重要。
三、引擎参数:1. 马力和转速:卡车的引擎通常是柴油发动机,其功率常以马力来衡量。
马力决定了卡车的加速性能和最高速度。
转速则表示发动机每分钟旋转的次数,通常以rpm(转/分钟)为单位。
2.扭矩:扭矩是发动机提供的转动力矩,通常以牛·米(Nm)为单位。
较大的扭矩可以提供更好的起步能力和爬坡能力。
四、燃油经济性参数:1.油耗:卡车的燃油经济性是指其在单位距离内消耗的燃油量。
较低的油耗意味着更低的运营成本和更环保。
2.排放标准:卡车的排放标准是指其尾气排放所满足的环保要求。
不同国家和地区对卡车排放标准有不同的要求,卡车制造商需要根据相关法规来设计和制造符合排放标准的卡车。
以上介绍了卡车的一些主要参数,这些参数直接影响着卡车的使用性能和运营成本。
在选择卡车时,需根据具体的运输需求和道路条件来综合考虑这些参数。
同时,卡车制造商也在不断努力提高卡车的性能和燃油经济性,以满足市场的不断需求。
A2型生物安全柜主要技术参数一、技术参数安全柜分类:A2型,30%外排,70%循环*1、尺寸外部尺寸(L×D×H) 1100mm ×850mm×2200mm内部尺寸(L×D×H) 900mm ×600mm×660mm2、生物安全性:(1)人员安全性:撞击式采样器的菌落数≤10CFU/次狭缝式采样器的菌落数≤5CFU/次(2) 产品安全性:菌落数≤5CFU/次(3) 交叉污染安全性:菌落数≤2CFU/次3、洁净等级:100级。
*4、送排风过滤器:HEPA过滤器,过滤效率:对0.3μm颗粒过滤效率≥99.999%。
5、工作区采用四面(左右二侧、后部、底部)负压环绕设计工作区内,保护性更好、更安全。
6、可在安全柜前方更换、维修过滤器及风机。
7、气道密闭性装置的气道在承受500 Pa±10%的压力下,其贯穿部分在皂泡实验条件下无气泡出现。
平均风速:0.37±0.015m/s,吸入口风速0.65±0.015m/s。
8、电机与风机:风机的电机应保证当安全柜在正常运行而不调整电机的速度控制,经过滤器的风压下降50%时,风机的排气量下降应不超过10%。
9、前玻璃窗有10度生理斜度,视角更大,更具人性化,且超出安全高度具有声光报警功能;安全玻璃钢化,防UV,双层夹胶防爆安全玻璃;前玻璃窗,电动控制,由脚踏控制或遥控控制。
10、内部工作区域,工作区内墙体及工作台面为优质304#不锈钢,操作区三面一体成型,三面无接缝圆角结构,不留死角,易于清洁。
11、噪音等级:≤60dB(A)12、照明:≥680LUX13、高亮度彩色VFD显示屏,实时数字显示操作区的下降气流流速和流入气流流速。
*14、遥控控制,减少使用者与安全柜的直接接触,更能保护使用者。
*15、具有预约定时功能,能自动消毒、自动开关机,提高工作效率。
16、抗电强度:耐压1500V 、1分钟不击穿。
中级客车(卧铺)类型划分及等级评定表(第二十八批)
附件:
《中级客车类型划分及等级评定表(第二十七批)》的说明
一、车辆各项技术参数及服务装备均需符合等级评定表中的要求,只要有一项低于相应类型及等级的标准限值,在核发《道路运输证》时,就不能核定为该类型及等级。
二、评定表中各车型的技术参数及服务装备等均以新出厂的车辆为依据,所有内容均经过现场核查或实测。
对于在用营运客车,还应根据实际技术等级进行等级评定。
三、对已评定类型及等级的客车如因改装(改造),引起表中所列技术参数及服务装备变化的,需重新核定等级。
四、评定表中划“-”的为该等级车型技术参数或服务装备不要求。
五、自发布之日起取消以下车型中级等级,之前评定的等级仍按原发布的批次执行。
取消车型中级等级情况表。
全路货车车型参数一览货车是运输行业中非常重要的一种交通工具,不同的货车车型适用于不同的工作需求。
以下是一些全路货车车型的参数一览,以便帮助您选择合适的车型。
1.小型货车:-载重量:通常在1.5至5吨之间-发动机功率:一般在80至120马力之间-车身尺寸:长、宽、高分别为4-6米、1.8-2.2米和1.8-2.2米2.中型货车:-载重量:通常在5至10吨之间-发动机功率:一般在120至200马力之间-车身尺寸:长、宽、高分别为6-9米、2.2-2.5米和2-2.4米3.重型货车:-载重量:通常在10至60吨之间-发动机功率:一般在240至400马力之间-车身尺寸:长、宽、高分别为9-15米、2.5-2.8米和2.4-3.2米4.超重型货车:-载重量:通常超过60吨-发动机功率:一般在400至600马力之间-车身尺寸:长、宽、高分别为15-25米、2.8-3.2米和3.2-4米5.挂车半挂车:-载重量:可以根据需求自由选择-发动机功率:依赖于牵引车的发动机功率-车身尺寸:取决于挂车类型,通常在10-18米长,2.5-3米宽,3-4米高6.特种货车:-根据用途的不同,特种货车的参数会有很大的差异。
-比如,冷藏车需要有制冷系统,罐车需要具有储罐等特殊设备。
除了以上列举的参数外,还有一些其他重要的参数需要考虑:-燃油类型:柴油和汽油是常见的燃油类型,但也有一些新能源货车采用电动或者氢燃料电池技术。
-变速器类型:手动变速器和自动变速器是常见的选择。
手动变速器价格便宜,维修容易,但需要操控技巧。
自动变速器方便驾驶,但价格和维修成本较高。
-停车制动装置:脚刹和手刹是两种常见的停车制动装置,脚刹简单易用,手刹适合长时间停车或者停在坡上。
-定速巡航控制:一些货车配备了定速巡航控制系统,可以在长途高速行驶中减轻驾驶员的疲劳。
总结:以上是一些常见的全路货车车型的参数一览。
根据您的运输需求和预算,您可以选择合适的车型和配置。
台达A2伺服基本规格
- 型号:A2
- 功率范围:100W - 1.5kW
- 额定电压:三相AC 200V/400V
- 控制方式:位置控制、速度控制、力矩控制
- 控制模式:位置控制模式、速度控制模式、力矩控制模式
- 最大运行速度:可选1500rpm、3000rpm
- 通信接口:RS-485、CANopen
- 支持多种反馈设备:编码器、绝对值编码器、脉冲码器
- 适用于多种机械设备:机床、注塑机、包装机等
以上为台达A2伺服的基本规格,请根据实际需求选择相应型号和配置,以确保最佳性能和兼容性。
台达A2伺服基本规格
- 型号:A2
- 功率范围:100W - 1.5kW
- 额定电压:三相AC 200V/400V
- 控制方式:位置控制、速度控制、力矩控制
- 控制模式:位置控制模式、速度控制模式、力矩控制模式
- 最大运行速度:可选1500rpm、3000rpm
- 通信接口:RS-485、CANopen
- 支持多种反馈设备:编码器、绝对值编码器、脉冲码器
- 适用于多种机械设备:机床、注塑机、包装机等
以上为台达A2伺服的基本规格,请根据实际需求选择相应型号和配置,以确保最佳性能和兼容性。
一、总要求:车长大于等于12m的半挂汽车列车;
二、品牌:东风牌EQ5100XLHLV(已有考试车型)外形尺寸:5830×2370×2680 (mm)
货厢尺寸:××(mm)
牵引总质量:9900(Kg)
整备质量:3660(Kg)
额定载客:3 (人)
接近角/离去角:23/32,20/35(°)
前悬/后悬:1450/1080,1250/1080(mm)
燃料种类:柴油
排放标准:国五
轴荷:2800/7155
轴距:3500(mm)
轴数: 2
最高车速:85(km/h)
轮胎数:6(个)
轮胎规格:9.00-20 10PR,9.00R20 10PR
弹簧片数:9/11+8
前轮距:1820(mm)
后轮距:1800(mm)
转向形式:方向盘
三、档位:5个前进档,1个倒档
有车内空调
四、后挂
总质量:小于9900(KG)
轴数:1轴
车厢长度尺寸符合总要求
一、总要求:车长大于等于9m,轴距大于等于5m的重型载货汽车;
二、品牌:东风牌EQ5122XLHL2(已有考试车型)
外形尺寸:9000×2480×2740(mm)
货厢尺寸:6500×2300×550,600(mm)
总质量:12015(Kg)
整备质量:4380(Kg)
额定载客:3(人)
接近角/离去角:30/13,27/11(°)
前悬/后悬:1250/2750,1250/2550,1450/2550,1450/2350(mm)
燃料种类:柴油
排放标准:国五
轴荷:4050/7965
轴距:5000,5200,5300(mm)
轴数: 2
最高车速:90(km/h)
轮胎数:6(个)
轮胎规格:9.00R20 12PR,9.00-20 12PR
油耗:24.2(L/100Km)
弹簧片数:9/12+9
前轮距:1810(mm)
后轮距:1800(mm)
转向形式:方向盘
三、档位:5个前进档,1个倒档
有车内空调。