栓钉焊接工艺
- 格式:docx
- 大小:30.74 KB
- 文档页数:6
栓钉焊接方案栓钉焊接分两种:栓钉直接焊在工作件上的为普通栓钉焊;栓钉在引弧后先熔穿具有一定厚度的压型钢板,然后再与构件熔成一体的为穿透栓钉焊。
穿透焊对瓷环及热冲击性能要求较高,禁止使用受潮瓷环,当受潮后在250℃温度下焙烘1h后使用,瓷环中心钉孔的直径和圆度,瓷环质量的好坏是直接影响栓焊的质量。
第一节焊接前对材料的检查和验收一、栓钉和瓷环到货后,应按规格分类堆放,并对以下几点进行检查和验收1、产品合格证;2、材质合格证;3、外观检查应无皱纹、毛刺、发裂、扭歪、弯曲等缺陷;4、规格;5、瓷环规格材质与栓钉配套;6、瓷环尺寸符合要求;7、瓷环受潮按规定烘干。
二、瓷环的储运与保管瓷环的作用是集中电弧热量,隔离外部空气,保护电弧和熔融金属免受氮、氧的进入,同时防止熔融金属的飞溅。
工程中使用的瓷环应保持干燥及完整,在瓷环的储运过程中应注意以下几点:1、瓷环应有制造厂按批配套供应,每个包装箱内应带有产品的合格证和质量保证书;包装箱外注明批号、规格及数量。
2、在运输、保管及使用过程中应轻装轻卸,并防止受潮。
3、瓷环应成箱在室内仓库保管,地面应有防潮措施,并按批号、规格分类堆放,保管使用中不得混批。
包装箱底层应架空,距离地面大于300mm,码高不大于3层。
4、使用前尽可能不要开箱,以免破坏包装的密封性,开箱取出部分瓷环后应原封包装好,以免受潮。
5、栓钉及瓷环在安装使用时,工地应按当天计划使用的规格数量领取,当天安装剩余的瓷环应送回仓库保管。
6、严禁使用受潮的瓷环,受潮的瓷环在烘箱内经250℃烘干1—2小时。
第二节栓钉焊接一、焊枪操作与栓焊过程1、工件上焊接点处应去除氧化层、油污、油漆等;2、根据所焊栓钉直径,将电流调节板上的三相联接铜片改接到相应档次上;3、将“时间调节”到指定档次上;4、按下“启动”按钮,此时红色电源指示灯亮,电压表指示空载电压,起动电源0.5分钟以上进行以下操作。
5、将“功能旋钮”打在“试枪”位置和“单工”位置,焊枪装好焊钉并接触工件,然后按动焊枪上的开关,观察焊枪的工作情况,包括拉弧情况,提升高度等。
1.1.1栓钉施工(1)概况栓钉焊接分两种:栓钉直接焊在工作件上的为普通栓钉焊;栓钉在引弧后先熔穿具有一定厚度的压型钢板,然后再与构件熔成一体的为穿透栓钉焊。
穿透焊对瓷环强度及热冲击性能要求较高,禁止使用受潮瓷环,当受潮后在250℃温度下焙烘1h后使用,二是瓷环中心钉孔的直径和圆度。
而瓷环质量的好坏是直接影响栓焊的质量。
(2)施工前准备1、栓钉和瓷环到货后,应按规格分类堆放,并对以下几点进行检查和验收:2、瓷环的储运与保管瓷环的作用是集中电弧热量,隔离外部空气,保护电弧和熔融金属免受氮、氧的进入,同时防止熔融金属的飞溅。
工程中使用的瓷环应保持干燥及完整,在瓷环的储运过程中的注意点如下:(3)施工工艺1、施工工艺流程栓钉焊接流程图2、栓钉施工方法自承式钢筋桁架楼承板栓钉焊接完成图3、注意事项(4)施工质量检查栓钉检查示意图(5)焊接栓钉质量保证措施1.1.2栓钉施工(1)概况栓钉焊接分两种:栓钉直接焊在工作件上的为普通栓钉焊;栓钉在引弧后先熔穿具有一定厚度的压型钢板,然后再与构件熔成一体的为穿透栓钉焊。
穿透焊对瓷环强度及热冲击性能要求较高,禁止使用受潮瓷环,当受潮后在250℃温度下焙烘1h后使用,二是瓷环中心钉孔的直径和圆度。
而瓷环质量的好坏是直接影响栓焊的质量。
(2)施工前准备1、栓钉和瓷环到货后,应按规格分类堆放,并对以下几点进行检查和验收:2、瓷环的储运与保管瓷环的作用是集中电弧热量,隔离外部空气,保护电弧和熔融金属免受氮、氧的进入,同时防止熔融金属的飞溅。
工程中使用的瓷环应保持干燥及完整,在瓷环的储运过程中的注意点如下:(3)施工工艺1、施工工艺流程栓钉焊接流程图2、栓钉施工方法自承式钢筋桁架楼承板栓钉焊接完成图3、注意事项(4)施工质量检查栓钉检查示意图(5)焊接栓钉质量保证措施。
栓钉焊接工艺内部编号:(YUUT-TBBY-MMUT-URRUY-UOOY-DBUYI-0128)栓钉焊接工艺一、栓钉焊的基本原理和技术条件将金属螺柱焊到工件平面上去的方法叫做螺柱焊。
在建筑工程中称栓钉焊。
它属于熔态压力焊范畴。
栓钉焊又有2种:普通栓钉焊和穿透栓钉焊,普通栓钉焊亦称非穿透栓钉焊。
穿透栓钉焊用于组合楼板和组合梁,焊接时,将压型钢板焊透。
使栓钉、压型板、和钢构件三者焊接在一起。
压型钢板厚0.5、0.8、1.0、1.2、1.6mm,镀锌。
施工中,压型钢板起到底模的作用。
栓钉焊机有两种,电弧栓焊机和储能栓钉焊机,储能焊机适用于直径较小的栓钉焊(8mm以下),在建筑工程中栓钉直径较大(25mm)以下。
因此栓钉焊时均采用电弧栓钉焊机。
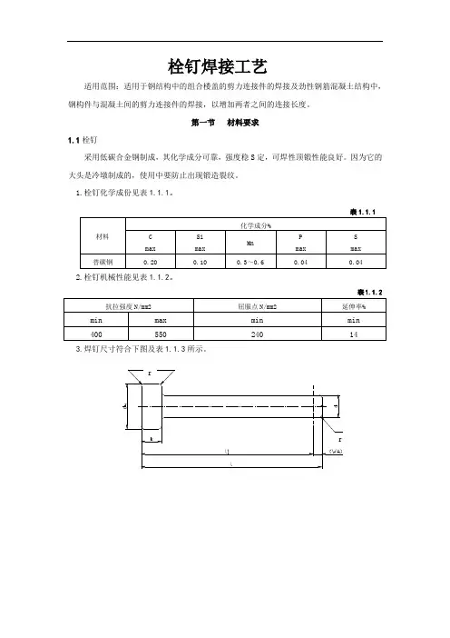
二、栓钉1)栓钉材料的机械性能及化学张性能:力学性能见表:栓钉用钢牌号及力学性能化学成份见表:栓钉用钢牌号及化学成份2)栓钉的形状尺寸见图:焊钉的形状尺寸D------栓钉直径 Dk-------栓钉头直径 k-------栓钉头高度r-------倒角半径WA------熔化长度1)------由制造者选择制成凹穴型式2)-----引弧结由制造者确定栓钉的尺寸3) 栓钉表面质量栓钉不必经表面处理。
其表面应平滑、洁净,不得有锈蚀、氧化皮、油脂和毛刺等;其杆部表面不允许有影响使用的裂缝,但头部裂-d)mm。
缝的深度(径向)不得超过0.25(dk2 瓷环1) 焊接瓷环型式尺寸焊接瓷环型式和尺寸应符合图和表的规定。
其中,B1型适用于普通平焊,也适用于13mm和16mm栓钉的穿透平焊;B2型仅适用于19mm栓钉的穿透平焊。
焊接瓷环型式焊接瓷环尺寸(mm)2)表面质量焊接瓷环不得有露水和雨水痕迹。
三、施工准备1 技术准备1 施工单位应按JGJ81规定进行焊接工艺评定,其结果应符合设计要求和GB50205标准规定。
2 根据工艺评定、设计和图纸深化的结果,编制施工作业指导书,做好施工技术交底。
栓钉焊接是一种常用的连接工艺,用于将金属材料的零件通过焊接与螺柱或螺母连接起来。
以下是一般的栓钉焊接工艺步骤:
1. 准备工作:确定需要连接的金属材料和栓钉的规格和型号,并准备好所需的焊接设备、工具和辅助材料。
2. 清洁表面:使用合适的清洁剂或砂轮等工具清洁连接部位的金属表面,确保其干净、无油污、氧化物等。
3. 定位和固定:将栓钉放置在连接部位上,并使用夹具或临时固定装置将其牢固地定位在正确的位置上。
4. 焊接操作:使用适当的焊接设备(如电弧焊机、气体保护焊机等)对栓钉进行焊接。
具体的焊接方法可以根据材料和栓钉的类型选择,如电弧焊、气体保护焊、阻焊等。
5. 检查和测试:焊接完成后,对焊接接头进行外观检查,确保焊缝质量符合要求。
如果需要,还可以进行非破坏性检测(如X射线检测、超声波检测等)来验证焊缝的质量。
6. 后处理:栓钉焊接完成后,可以对焊接接头进行后处理,
如去除焊渣、打磨、防腐处理等,以保证连接的强度和耐久性。
需要注意的是,栓钉焊接的具体工艺步骤和参数可能会因不同的材料、栓钉型号和焊接设备而有所不同。
在进行栓钉焊接前,建议参考相关标准和规范,并遵循焊接设备制造商提供的操作指南。
此外,专业的焊接技术人员应该参与栓钉焊接过程,确保焊接质量和安全性。
cecs226栓钉焊接技术规程
CECS 226 栓钉焊接技术规程是中国工程建设标准化协会制定的
标准,用于指导栓钉焊接技术的实施和管理。
栓钉焊接是一种特殊
的焊接方法,常用于连接钢结构中的螺栓和钢板等部件。
栓钉焊接
技术规程主要包括以下几个方面的内容:
1. 标准适用范围,规定了该技术规程适用的范围,包括适用的
材料、结构形式、焊接位置等。
2. 术语和定义,对栓钉焊接中涉及的专业术语和定义进行了解
释和界定,以便于标准的理解和实施。
3. 材料和设备,规定了栓钉焊接所需的材料和设备的选择标准,包括栓钉焊接机、焊接材料、保护气体等。
4. 工艺要求,包括栓钉焊接的工艺参数、工艺流程、操作规范
等方面的要求,确保焊接质量和安全。
5. 质量控制,规定了栓钉焊接过程中的质量控制要求,包括焊
接接头的检测、焊接质量评定标准等。
6. 安全与环保,对栓钉焊接过程中的安全操作和环境保护要求进行了规定,确保人员和设备的安全,减少对环境的影响。
CECS 226 栓钉焊接技术规程的制定和实施,有利于规范栓钉焊接工艺,提高焊接质量,保障工程建设的安全和可靠性。
同时,也促进了栓钉焊接技术的推广和应用,为工程建设提供了可靠的技术支持。
21.5 钢结构栓钉焊接施工工艺标准21.5.1 材料要求21.5.1.1 根据栓钉的焊接位置,熔焊栓钉适用的瓷环可分为穿透型的瓷环和普通瓷环。
直接在压型钢板上安装的栓钉应使用穿透型的瓷环,在钢梁上安装的栓钉应使用普通的瓷环。
根据作业条件施工前应进行除湿。
21.5.1.2 栓钉,采用低碳合金钢制成,其化学成分可靠,强度稳定,可焊性、顶锻性能良好。
使用要防止出现锻造裂纹。
21.5.1.2.1 栓钉化学成分见表21.5.1-1表21.5.1-121.5.1.2.2 栓钉机械性能见表21.5.1-2表21.5.1-221.5.1.2.3 栓钉尺寸符合表21.5.1-3及图21.5.1-4表21.5.1-321.5.1.3.2 使融化金属与空气隔绝,防止融化金属被氧化。
21.5.1.3.3 集中电弧热量,并使成型焊缝缓慢冷却。
21.5.1.3.4 释放焊接过程中的有害气体。
21.5.1.3.5 屏蔽电弧光与飞溅物。
21.5.1.3.6 充当临时支架。
构成焊枪操作系统的一部分。
采用栓钉直接焊在工件上的普通栓钉焊,使用普通瓷环。
栓钉在引弧后先要熔穿一定厚度的薄钢板(一般厚度在0.8~1.6mm),然后再与工件熔成一体,穿透焊需要的瓷环壁厚要大于普通瓷环,下部排气孔总面积亦是普通瓷环的1.3倍。
瓷环的尺寸关键是控制支撑焊枪平台的高度和瓷环中心栓钉孔的直径。
由于瓷环生产工艺得差异,其产品尺寸的精确程度和稳定性将直接影响栓钉焊的质量。
21.5.2 主要施工机具21.5.2.1栓钉焊机。
直流电源,国产有QZL-2000A。
日本大阪栓焊机为降压供电式电源:KRNK-2000电源+制卸装置NC21。
MRN-2000+焊枪GS201或NS101松下栓焊机:YD-2000LS-2型栓焊机+焊枪YS-223G。
其暂载率为15%。
根据现场条件、供电要求、施焊数量确定台数、一次线长度、稳压电源、把线长度。
因焊接电源耗用电流大,故应考虑专路供电。
栓钉焊工艺在压型钢板上现浇钢筋混凝土楼面结构中,压型钢板是混凝土楼板的永久性模板,栓钉是混凝土楼板与钢柱、钢梁在承受抗剪应力时的连接件。
除外包混凝土钢柱上的栓钉为直接焊接外,在压型钢板上,栓钉焊皆为穿透焊接,穿透层次有一层、二层,最多可达到四层。
电弧栓钉焊是将特制的栓钉的全面积焊到工件上,其焊接效率高,质量可靠,应力分布合理,是一种优质、高效和低耗的接触弧焊工艺。
本工程楼面抗剪栓钉规格暂时不详。
但各种规格的施工工艺要求基本相同。
1.栓钉焊接前的准备工作1)焊接前应检查栓钉质量。
栓钉应无皱纹、毛刺、开裂、扭歪、弯曲等缺陷,栓钉应防止锈蚀和油污。
2)瓷环的尺寸精度与栓钉焊接成型关系很大,对焊接工艺有直接影响,因此采购瓷环时一定要控制尺寸与说明书一致,栓钉和磁环的规格需匹配。
3)栓钉在施工焊前必须经过严格的工艺参数试验。
对于不同厂家、不同批号、不同材质及不同焊接设备的栓钉焊接工艺,均应进行试验,确定工艺参数。
栓钉焊工艺参数包括:焊接型式、焊接电压、电流、栓焊时间、栓钉伸出长度、栓钉回弹高度、阻尼调整位置。
在穿透焊中还包括压型钢板的厚度、间隙及层次。
4)栓钉焊工艺试件经过静力拉伸、反复弯曲及打弯试验合格后,现场操作时还需要根据电缆线的长度、施工季节、风力等因素进行调整。
(1)通过静力拉伸试验观察拉力试件的拉断位置和试件的强度、延伸率、屈服强度的数值。
拉伸中栓钉不能断在焊接处,只许断在栓钉杆上,同时试件的力学性能三项指标应符合表5.6-19的规定。
5.6-19栓钉力学性能指标表(2)反复弯曲试验:将试件固定在某一位置,然后用特制的扳手夹往试件的栓钉大头部,在一个纵向平面内反复弯曲三周,弯曲角度为45°以上。
试件经检查不能出现任何断裂现象,焊缝不能出现断裂缺陷,栓钉应在栓杆上断裂。
(3)打弯试验:用6-12mm厚的钢板,面积为240mm×300mm做试件,将试件底板固定在某一位置,然后划出栓焊位置线,栓焊栓钉数量为30颗,其中10颗做静力拉伸试验,10颗做反复弯曲试验,10颗做铁锤打弯900试验。
栓钉焊接工艺适用范围:适用于钢结构中的组合楼盖的剪力连接件的焊接及劲性钢筋混凝土结构中,钢构件与混凝土间的剪力连接件的焊接,以增加两者之间的连接长度。
第一节材料要求1.1栓钉采用低碳合金钢制成,其化学成分可靠,强度稳S定,可焊性顶锻性能良好。
因为它的大头是冷墩制成的,使用中要防止出现锻造裂纹。
1.栓钉化学成份见表1.1.1。
表1.1.12.栓钉机械性能见表1.1.2。
表1.1.21.2焊接瓷环焊接瓷环是服务于栓钉焊的一次性辅助焊接材料,其主要作用有以下几点:1.使融化金属成型,不外溢,起到铸膜的作用。
2.使融化金属与空气隔绝,防止融化金属被氧化。
3.集中电弧热量,并使成型焊缝缓慢冷却。
4.释放焊接过程中的有害气体。
5.屏蔽电弧光与飞溅物。
6.充当临时支架。
构成焊枪操作系统的一部分。
采用栓钉直接焊在工件上的普通栓钉焊,使用普通瓷环。
栓钉在引弧后先要熔穿具有一定厚度的薄钢板(一般厚度在0.8~1.6mm),然后再与工件熔成一体,穿透焊需要的瓷环壁厚要大于普通瓷环,下部排气孔总面积亦是普通瓷环的1.3倍。
瓷环的尺寸关键是控制支撑焊枪平台的高度和瓷环中心栓钉孔的直径。
由于瓷环生产工艺的差异,其产品尺寸的精确程度和稳定性将直接影响栓钉焊的质量。
瓷环检查内容如下:(1)中心孔的内外直径、椭圆度、薄壁均匀。
(2)禁止使用已经破裂和有缺损的瓷环。
(3)受潮瓷环要经过250℃,1h的烘焙,中间放潮气5min。
瓷环见图1.2.1。
2.1栓钉焊机直流电源,国产有QZL—2000A。
日本大坂栓焊机为降压供电式电源:FRNK—2000电源+制卸装置NC21。
MRN—2000+焊枪GS201或NS101松下栓焊机:YD—2000LS—2型栓焊机+焊枪YS—223G。
其暂载率为15%。
根据现场条件、供电要求、施焊数量确定台数、一次线长度、稳压电源、把线长度。
因焊接电源耗用电流大,故应考虑专路供电。
正确接入初级电压后接地要牢靠。
栓钉焊接技术规程1. 引言栓钉焊接是一种常用的焊接技术,广泛应用于建筑、船舶、桥梁等领域。
本规程旨在规范栓钉焊接的操作步骤、工艺参数和质量要求,确保焊接质量和安全性。
2. 适用范围本规程适用于栓钉焊接工艺,包括材料选择、设备准备、操作步骤和质量检测等方面。
3. 材料选择3.1 栓钉材料应符合设计要求,并具有良好的焊接性能。
3.2 焊接材料应与栓钉材料相匹配,确保焊缝的强度和密封性。
3.3 焊接电极应选用合适的直径和型号,以满足焊缝的要求。
4. 设备准备4.1 焊接设备应经过检查和维护,确保正常工作。
4.2 焊接设备应设置在稳定的工作台上,并与地线连接良好。
4.3 防护设备如面罩、手套等应配备完善,并处于良好状态。
4.4 焊接区域应保持整洁,避免杂物干扰焊接操作。
5. 操作步骤5.1 栓钉的安装位置和数量应根据设计要求确定,并进行标记。
5.2 清理栓钉安装位置的表面,确保无油污、锈蚀等杂质。
5.3 将栓钉插入预先打孔的位置,并用夹具固定。
5.4 根据焊接工艺要求,调整焊接设备的电流和时间参数。
5.5 在焊接前,检查焊缝是否符合要求,并清理焊缝表面。
5.6 进行栓钉焊接操作,确保焊缝充满并与基材紧密结合。
6. 质量检测6.1 每个焊接点应进行外观检查,确保焊缝无裂纹、气孔等缺陷。
6.2 对部分焊接点进行拉力测试,以验证焊缝的强度和可靠性。
6.3 对需要防水或密封的焊缝,进行水压试验或气密性测试。
6.4 记录每个焊接点的质量检测结果,并做好档案管理。
7. 安全注意事项7.1 操作人员应穿戴合适的防护装备,避免电击和烧伤。
7.2 操作人员应熟悉焊接设备的操作方法和安全规定。
7.3 在焊接过程中,注意周围环境的安全,避免火灾和爆炸事故。
7.4 操作人员应定期进行体检,确保身体健康状态。
8. 总结栓钉焊接技术规程是保证焊接质量和安全性的重要文件。
通过严格执行本规程,可以确保栓钉焊接工艺的稳定性和可靠性。
操作人员应时刻关注安全注意事项,确保自身安全和周围环境的安全。
栓钉焊接施焊工艺1. 工艺的确认在焊接操作前,首先在每块试验板上焊上二个栓钉,使其由原来坐标轴弯曲45 度,检验栓钉的抗拉强度,如果在二个栓钉中的任何一个在焊接部位出现横裂,就需要调整焊接工艺后,重新做上述检验。
如果第二次的二个螺栓又一次失败了,要继续做试验,直到连续二次检验均获得合格后,才可进行钢构件上栓钉的施焊。
在每次焊接工艺有改变时,均需进行上述检验。
如果发现焊层有不够强度的现象,应作处记号并告知有关人员,查明原因,并调查焊接工艺后,才可焊接其它栓钉。
2. 外观检查焊接完毕后,用尖头手锤轻轻敲击每个栓钉的焊接处,进行焊层外观检查栓钉四周是否有焊层。
弯曲试验:对焊层不完善的栓钉;用手锤敲击发出空隙回声的栓钉;对焊接后的长度超过 1.6 毫米规定值的栓钉。
上述栓钉均需用手锤敲击,使其从原来的坐标弯曲15 度。
将焊层不完善的栓钉弯曲15 度,其弯曲方向应使焊层不完善处受到最大的拉力,如果被检钉没有出现裂缝或断裂,这根柱上的已焊栓钉被认为合格。
凡栓钉外观不合格者,一律打掉重焊:外观有缺陷时,进行打弯检查。
外观检查合格者,进行1%的抽样打弯检查。
弯15 度左右,检查焊肉有开裂者为不合格,一律打掉重焊。
欲施焊栓钉部位必须先放线,以保证栓钉位置的准确。
其相邻的二只栓钉需用以上方法进行检查。
栓焊工应经过专门技术培训和试焊训练,方可现场施焊。
3. 操作注意事项1)电源开关是否闭合;2)当扳动焊枪开关时,微动开关是否发出“咔嚓”声;3)焊接药座与母材之间是否紧合;是否有绝缘杂质;4)如果发生焊接电缆和操作装置紧拉的,禁止拖拉焊枪。
5)焊接环境要求:翼缘潮湿或油污处不能进行焊接;雨、雪天不能进行焊接;油漆及镀锌处不能焊接。
4. 设备使用每班焊接完毕,一定要将时间控制器、焊枪及电缆接头收齐,放入室内。
防止接头被雨水泡湿。
焊接中要将焊机散热,并将遮盖物全部揭去,用后再盖好。
连接电缆的延伸,在焊接时,不允许电缆打圈、缠结,否则电流值将被降低。
栓钉焊接工艺-标准化文件发布号:(9456-EUATWK-MWUB-WUNN-INNUL-DDQTY-KII栓钉焊接工艺一、栓钉焊的基本原理和技术条件将金属螺柱焊到工件平面上去的方法叫做螺柱焊。
在建筑工程中称栓钉焊。
它属于熔态压力焊范畴。
栓钉焊又有2种:普通栓钉焊和穿透栓钉焊,普通栓钉焊亦称非穿透栓钉焊。
穿透栓钉焊用于组合楼板和组合梁,焊接时,将压型钢板焊透。
使栓钉、压型板、和钢构件三者焊接在一起。
压型钢板厚0.5、0.8、1.0、1.2、1.6mm,镀锌。
施工中,压型钢板起到底模的作用。
栓钉焊机有两种,电弧栓焊机和储能栓钉焊机,储能焊机适用于直径较小的栓钉焊(ø8mm以下),在建筑工程中栓钉直径较大(ø25mm)以下。
因此栓钉焊时均采用电弧栓钉焊机。
二、栓钉1)栓钉材料的机械性能及化学张性能:力学性能见表:化学成份见表:栓钉用钢牌号及化学成份牌号化学成份%C Si Mn P S Ah ML15A 0.13~0.18 ≤0.100.3~0.6 ≤0.35≤0.035≥0.020 ML15 0.13~0.18 0.15~0.35 0.3~0.6 ≤0.35≤0.035--------2)栓钉的形状尺寸见图:焊钉的形状尺寸D------栓钉直径 Dk-------栓钉头直径 k-------栓钉头高度r-------倒角半径WA------熔化长度1)------由制造者选择制成凹穴型式2)-----引弧结由制造者确定栓钉的尺寸3)栓钉表面质量栓钉不必经表面处理。
其表面应平滑、洁净,不得有锈蚀、氧化皮、油脂和毛刺等;其杆部表面不允许有影响使用的裂缝,但头部裂缝的深度(径向)不得超过0.25(d k-d)mm。
2 瓷环1) 焊接瓷环型式尺寸焊接瓷环型式和尺寸应符合图和表的规定。
其中,B1型适用于普通平焊,也适用于13mm和16mm栓钉的穿透平焊;B2型仅适用于19mm栓钉的穿透平焊。
栓钉焊接工艺流程栓钉焊接这事儿啊,就像一场精心编排的小舞蹈,每个步骤都有它的妙处。
栓钉焊接嘛,得先把要焊接的地方给准备好。
这就好比我们盖房子打地基一样,基础不牢,地动山摇啊。
那焊接的表面得干净,不能有那些乱七八糟的油污啊、铁锈啊啥的。
你想啊,如果这表面脏脏的,就像两个人要牵手,结果手上全是泥巴,能牵得稳吗?肯定不行啊。
这时候呢,就得用砂纸或者专门的工具把那些脏东西给清理掉,让焊接的表面像镜子一样光亮光亮的,这样栓钉才能和它完美结合。
接下来就是栓钉的事儿了。
栓钉得选对呀,就像我们挑鞋子一样,尺码得合适。
不同的工程要求可能需要不同规格的栓钉。
这栓钉的质量也得过关啊,要是质量不好,就像盖房子用的砖头是劣质的,那整个工程能牢固吗?不可能的。
栓钉的头部啊,形状要完整,不能有破损。
这栓钉就像一个个小战士,头部要是受伤了,还怎么在焊接的战场上冲锋陷阵呢?然后就是焊接设备了。
这焊接设备就像是厨师的锅铲,没有好的锅铲,再好的食材也做不出美味的菜肴。
焊接设备得调整好参数,电压啊、电流啊这些都得合适。
要是电压太高了,就像跑步的时候用力过猛,容易摔倒,焊接的时候就可能把栓钉或者焊接面给弄坏了。
电流小了呢,又像是干活的时候没力气,焊接得就不牢固,就像缝衣服,线太松了,衣服穿几次就开线了。
焊接的时候啊,那操作可讲究了。
焊工就像一个艺术家,拿着焊枪就像拿着画笔一样。
要把栓钉准确地放在预定的位置,这位置偏差一点都不行。
就好比我们钉钉子挂画,如果钉子钉歪了,画能挂正吗?不可能的。
焊枪和栓钉还有焊接面之间的角度也很重要,这角度得合适,就像拍照找角度一样,角度不对,拍出来的照片就不好看。
在焊接的过程中,速度也要均匀,不能忽快忽慢的。
快了呢,就像跑步抄近道,看着是快了,但是质量没保证啊;慢了呢,又浪费时间,还可能让焊接的地方过热变形。
焊接完了之后啊,可不能就这么算了。
得检查检查啊。
这检查就像我们做完试卷之后要检查一样。
看看栓钉焊接得牢不牢固,有没有裂缝啊,有没有虚焊的地方。
栓钉焊工艺在压型钢板上现浇钢筋混凝土楼面结构中,压型钢板是混凝土楼板的永久性模板,栓钉是混凝土楼板与钢柱、钢梁在承受抗剪应力时的连接件。
除外包混凝土钢柱上的栓钉为直接焊接外,在压型钢板上,栓钉焊皆为穿透焊接,穿透层次有一层、二层,最多可达到四层。
电弧栓钉焊是将特制的栓钉的全面积焊到工件上,其焊接效率高,质量可靠,应力分布合理,是一种优质、高效和低耗的接触弧焊工艺。
本工程楼面抗剪栓钉规格暂时不详。
但各种规格的施工工艺要求基本相同。
1.栓钉焊接前的准备工作1)焊接前应检查栓钉质量。
栓钉应无皱纹、毛刺、开裂、扭歪、弯曲等缺陷,栓钉应防止锈蚀和油污。
2)瓷环的尺寸精度与栓钉焊接成型关系很大,对焊接工艺有直接影响,因此采购瓷环时一定要控制尺寸与说明书一致,栓钉和磁环的规格需匹配。
3)栓钉在施工焊前必须经过严格的工艺参数试验。
对于不同厂家、不同批号、不同材质及不同焊接设备的栓钉焊接工艺,均应进行试验,确定工艺参数。
栓钉焊工艺参数包括:焊接型式、焊接电压、电流、栓焊时间、栓钉伸出长度、栓钉回弹高度、阻尼调整位置。
在穿透焊中还包括压型钢板的厚度、间隙及层次。
4)栓钉焊工艺试件经过静力拉伸、反复弯曲及打弯试验合格后,现场操作时还需要根据电缆线的长度、施工季节、风力等因素进行调整。
(1)通过静力拉伸试验观察拉力试件的拉断位置和试件的强度、延伸率、屈服强度的数值。
拉伸中栓钉不能断在焊接处,只许断在栓钉杆上,同时试件的力学性能三项指标应符合表5.6-19的规定。
5.6-19栓钉力学性能指标表(2)反复弯曲试验:将试件固定在某一位置,然后用特制的扳手夹往试件的栓钉大头部,在一个纵向平面内反复弯曲三周,弯曲角度为45°以上。
试件经检查不能出现任何断裂现象,焊缝不能出现断裂缺陷,栓钉应在栓杆上断裂。
(3)打弯试验:用6-12mm厚的钢板,面积为240mm×300mm做试件,将试件底板固定在某一位置,然后划出栓焊位置线,栓焊栓钉数量为30颗,其中10颗做静力拉伸试验,10颗做反复弯曲试验,10颗做铁锤打弯900试验。
栓钉焊接施工工艺
嘿,朋友!咱今天来聊聊栓钉焊接施工工艺这回事儿。
栓钉焊接,这可是个技术活,就像大厨炒菜,每个步骤都得拿捏得
恰到好处。
先来说说这焊接前的准备工作。
那得像战士上战场前检查装备一样
仔细,得把焊接面清理得干干净净,不能有一点儿杂质、油污啥的,
要不然这焊接出来的效果可就大打折扣啦!你想想,要是炒菜锅没洗
干净就倒油炒菜,那能好吃吗?
选栓钉也很重要啊!得根据施工的具体要求,选对规格、型号,这
就好比选鞋子,得合脚才行。
尺寸不对,那麻烦可就大了,不是松松
垮垮,就是紧得要命。
接下来就是焊接设备啦,这可是关键的“武器”。
设备得调试好,电流、电压都得精准设置,这就像给汽车加油,油的品质和量都得合适,不然车子能跑得顺溜吗?
正式焊接的时候,那可得稳住心神。
起弧要稳,焊接过程要匀速,
就跟跑步一样,一会儿快一会儿慢,能行吗?而且要保证焊接的角度
正确,这角度要是歪了,那不就像房子盖歪了一样危险?
焊接完了也不能掉以轻心,得检查检查。
看看焊缝是不是饱满,有没有气孔、夹渣这些毛病。
这就跟考试完了要检查卷子一样,可不能粗心大意。
要是焊接的时候不小心出了问题,那可别慌,得冷静处理。
就像在路上遇到小沟小坎,不能一下子就乱了阵脚。
总之,栓钉焊接施工工艺这事儿,容不得半点马虎。
每一个环节都得认真对待,就像精心呵护一棵小树苗,从播种到长大,都得用心。
只有这样,才能保证焊接的质量,让工程稳稳当当,坚如磐石。
您说是不是这个理儿?。
cecs226-2007栓钉焊接技术规程栓钉焊接技术是一种常见的金属连接方法,广泛应用于船舶、桥梁、建筑等工程中。
为了确保焊接质量和安全性,制定了CECS226-2007栓钉焊接技术规程。
本文将结合实际案例,详细介绍栓钉焊接技术规程的内容和要点。
一、栓钉焊接技术规程的背景和作用栓钉焊接技术规程是为了指导栓钉焊接操作人员,确保焊接过程中的质量和安全。
该规程对焊接设备、材料、工艺、验收等方面做出了详细的要求,旨在提高焊接质量和效率。
二、栓钉焊接技术规程的主要内容1.焊接设备和材料的要求:规定焊接设备必须符合国家标准,焊接材料必须经过质量检验,保证焊接质量稳定可靠。
2.焊接操作人员的要求:要求焊工持有相应的证书,具备一定的焊接经验和技能,做到熟悉规程内容并严格按照操作规程进行操作。
3.焊接工艺流程:详细介绍了栓钉焊接的工艺流程,包括焊接前的准备工作、焊接参数的设定、焊接操作的步骤等,确保焊接过程稳定可靠。
4.焊接质量验收:规定了焊接质量验收标准和方法,包括焊接接头的外观质量、焊缝的牢固程度等指标,保证焊接质量符合要求。
三、实际案例分析以某桥梁工程为例,栓钉焊接技术规程的严格执行和专业操作,保证了桥梁的连接质量和安全性。
焊接操作人员按照规程要求进行操作,通过严格的焊接参数控制和检验,确保了焊接质量的稳定和可靠性。
最终,该桥梁工程通过验收,并获得了相关部门的认可和好评。
四、总结栓钉焊接技术规程的制定和执行,对于提高焊接质量和安全性具有重要意义。
通过规范的工艺流程和严格的质量验收,能够有效避免焊接过程中出现的质量问题,保证工程的安全性和可靠性。
因此,焊接操作人员应认真遵守技术规程,确保每一次焊接操作都符合标准要求,为工程质量和安全保驾护航。
8 钢结构焊钉焊接施工工艺8。
1.1 实用范围本标准适用于各类钢结构工程中,公称直径为10~25mm的焊钉(圆柱头焊钉、熔焊栓钉、剪力钉等)的焊接施工。
8.1.2参考标准与规范冷镦和挤压用钢 GB/T6478—2001电弧螺柱焊用圆柱头焊钉 GB/T10433—2002建筑工程施工质量验收统一标准 GB50300—2001钢结构工程施工质量验收规范 GB50205—2001建筑钢结构焊接技术规程 JGJ81—20028。
1。
3材料1 焊钉1)焊钉材料的机械性能应符合表8。
1。
3—1规定.表8.1。
3-1 焊钉材料及机械相性能2) 焊钉的形状尺寸应符合图8.1。
3—1及表8.1.3-2的规定图8。
1。
3-1 焊钉的形状尺寸注:图中1)表示由制造者选择可制成凹穴形式.表8.1。
3-2 焊钉的形状尺寸(mm)3) 焊钉表面质量焊钉必不经表面处理。
其表面应平滑、洁净,不得有锈蚀、氧化皮、油脂和毛刺等;其杆部表面不允许有影响使用的裂缝,但头部裂缝的深度(径向)不得超过0。
25(d k—d)mm。
2 瓷环1)焊接瓷环型式尺寸焊接瓷环型式和尺寸应符合图8.1。
3—2和表8.1.3-3的规定。
其中,B1型适用于普通平焊,也适用于13mm和16mm焊钉的穿透平焊;B2型仅适用于19mm焊钉的穿透平焊。
12图8。
1。
3—2 焊接瓷环型式和尺寸表8。
1.3—3 焊接瓷环尺寸(mm )2) 表面质量 焊接瓷环不得有露水和雨水痕迹。
8.2 施工准备8。
2。
1 技术准备1 施工单位应按JGJ81规定进行焊接工艺评定,其结果应符合设计要求和GB50205标准规定。
2 根据工艺评定、设计和图纸深化的结果,编制施工作业指导书,做好施工技术交底. 8.2.2 材料准备根据设计要求,选用合格的焊钉。
根据焊钉的安装位置按下述要求使用配套瓷环: 1 若直接在压型钢板上安装焊钉,应使用穿透型(B2型)的配套瓷环。
2 若直接在钢梁钢柱上安装焊钉,应使用普通型(B1型)的配套瓷环。
栓钉焊接工艺
一、栓钉焊的基本原理和技术条件
将金属螺柱焊到工件平面上去的方法叫做螺柱焊。
在建筑工程中称栓钉焊。
它属于熔态压力焊范畴。
栓钉焊又有2种:普通栓钉焊和穿透栓钉焊,普通栓钉焊亦称非穿透栓钉焊。
穿透栓钉焊用于组合楼板和组合梁,焊接时,将压型钢板焊透。
使栓钉、压型板、和钢构件三者焊接在一起。
压型钢板厚、、、、,镀锌。
施工中,压型钢板起到底模的作用。
栓钉焊机有两种,电弧栓焊机和储能栓钉焊机,储能焊机适用于直径较小的栓钉焊(?8mm以下),在建筑工程中栓钉直径较大(?25mm)以下。
因此栓钉焊时均采用电弧栓钉焊机。
二、栓钉
1)栓钉材料的机械性能及化学张性能:
力学性能见表:
2)栓钉的形状尺寸见图:
焊钉的形状尺寸
D------栓钉直径Dk-------栓钉头直径k-------栓钉头高度
r-------倒角半径WA------熔化长度
1)------由制造者选择制成凹穴型式
2)-----引弧结由制造者确定
栓钉的尺寸
3)栓钉表面质量栓钉不必经表面处理。
其表面应平滑、洁净,不得有锈蚀、氧化皮、油脂和毛刺等;其杆部表面不允许有影响使用的裂缝,但头部裂缝的深度(径向)不得超过(d k-d)mm。
2 瓷环
1) 焊接瓷环型式尺寸焊接瓷环型式和尺寸应符合图和表的规定。
其中,B1型适用于普通平焊,也适用于13mm和16mm栓钉的穿透平焊;B2型仅适用于19mm栓钉的穿透平焊。
焊接瓷环型式
焊接瓷环尺寸(mm)
2) 表面质量 焊接瓷环不得有露水和雨水痕迹。
三、施工准备
1 技术准备
1 施工单位应按JGJ81规定进行焊接工艺评定,其结果应符合设计要求和GB50205标准规定。
2 根据工艺评定、设计和图纸深化的结果,编制施工作业指导书,做好施工技术交底。
2 材料准备
根据设计要求,选用合格的栓钉。
根据焊钉的安装位置按下述要求使用配套瓷环: 1 若直接在压型钢板上安装栓钉,应使用穿透型(B2型)的配套瓷环。
2 若直接在钢梁钢柱上安装栓钉,应使用普通型(B1型)的配套瓷环。
3 机具准备
1 熔焊栓钉机专用设备。
使用设备必须是焊接工艺评定试件制作的设备,且工艺评定结果合格。
2 角向磨光机。
配合施工的工具,用于安装栓钉时去除钢梁上的非导电型油漆。
3 焊机(交流、直流均可)。
熔焊时必须配套安排中型焊机用于栓钉补焊。
4 烘箱或其它烘烤设备。
必要时用于栓钉和配套使用瓷环的烘烤除湿。
4
作业条件
1 钢结构构件表面熔焊部位,不允许有油漆、锈、水、油污及其它影响焊缝质量的污渍。
2 作业场地空气环境相对湿度不大于85%。
四、施工工艺
1 工艺流程
2 操作
1) 植钉枪的操作:
植钉枪的操作如图所示。
栓钉枪
的操作图
3 要求:
每项工程的每种规格栓钉在正式施焊前,必须试焊一个焊钉,用榔头敲击(或使用套管压)使栓钉弯曲30°,进行弯曲试验,检查是否满足质量要求;若不能满足要求,则应修改施工工艺,调整工艺参数再试,直到满足要求为止。
使用套管进行试验时,套管下端距离焊肉上端的距离不得小于1d。
4 焊接
1 操作
1) 栓钉枪的操作:。
2) 熔焊操作过程:
(1)焊接准备
将栓钉放在焊枪的夹持装置中,把相应直径的保护瓷环置于母材上,把栓钉插入瓷环内并与母材接触,如图所示。
焊接准备(焊钉端部与母材接触)
(2)引弧
按动电源开关,栓钉自动提升,激发电弧,如图所示。
引弧(按动开关,引导焊钉产生引导电弧)
(3)焊接
焊接电流增大,使栓钉端部和母材局部表面熔化,如图所示。
焊接(强电流使焊钉端与一部分母材熔化)
(4)加压
设定的电弧燃烧时间达到后,将栓钉自动压入母材,如图所示。
5)断电
切断电源,熔化金属凝固,并使焊枪保持不动,如图所示。
(6)冷却
让焊缝冷却,栓钉端部表面形成均匀的环状焊缝余高,然后敲碎并清除瓷环,焊接完成,如图所示。
3 要求
1)每班焊接完成的栓钉均要从中抽取两个焊钉,用榔头敲击(或使用套管压)使栓钉弯曲30°,进行弯曲试验,检查是否合格,否则应修改施工工艺,调整焊接参数。
使用套管进行试验时,套管下端距离焊肉上端的距离不得小于1d。
2)焊接过程中如果有不饱满或者经过修补的栓钉,每个栓钉均应作弯曲15°试验。
榔头敲击方向应从焊缝不饱满的一侧进行。
d)试验样品的处理
经弯曲试验的栓钉,如果合格可保留弯曲状态;如果不合格可以修补或在该焊钉近处重新补焊一棵栓钉。
5 焊接工艺参数
焊接电压、电流、及时间(栓钉枪提起和插下)等参数,受设备和栓钉的影响较大,按下表根据所使用的熔焊栓钉机使用说明和焊接工艺评定来确定。
焊钉焊接电压、电流、时间
四、安全环保
1 焊接操作工人应佩戴防护眼罩,穿防护服。
2 单独进行施工电源布设。
3 熔焊栓钉机和栓钉枪要接地可靠。
4 焊接时防止飞溅的熔渣引起火灾。
五、质量检验
1材料检验
1 主控项目
1) 焊钉和焊接瓷环的材质、品种、规格、性能等应符合GB10433规定和设计要求。
检查数量:全数检查。
检验方法:检查栓钉和焊接瓷环的质量合格证明文件、中文标志及检验报告等。
2)重要钢结构采用的栓钉应抽样进行机械性能复验,复验结果应符合设计要求。
抽样规则:相同材质、同一生产厂家、相同工艺生产的不同规格尺寸的栓钉,可以按数量在每2万棵及其以下,组成一个检验批,只抽取其中一种栓钉做一组机械性能复验。
检验方法:检查复验报告。
2一般项目
1) 栓钉和焊接瓷环的规格、尺寸及偏差应符合GB/T10433规定。
检查数量:按量抽查1%,且不少于10套。
检验方法:用钢尺和游标卡尺测量。
2 焊钉焊接检验
1 主控项目
1) 施工单位对其采用的栓钉和钢材焊接应进行焊接工艺评定,其结果应符合设计要求和GB50205、JGJ81标准规定。
瓷环应按其产品说明书进行烘焙。
检查数量:全数检查。
检验方法:检查焊接工艺评定报告和烘焙记录。
2) 栓钉焊接后应进行弯曲试验,其焊缝和热影响区不应有肉眼可见的裂纹。
检查数量:每批同类构件抽查10%,且不应少于10件;被抽查构件中,每件检查焊钉数量的1%,但不应少于1个。
检查方法:用榔头敲击(或使用套管压)使栓钉弯曲30°后用角尺检查和观察检查。
使用套管进行试验时,套管下端距离焊肉上端的距离不得小于1d。
样品处理:经弯曲试验合格的焊钉,乃保持弯曲状态交货或转序。
2 一般项目
焊缝无气孔、无夹渣,焊脚应均匀;如果存在下列情况之一,应用手工电弧焊进行修补:
1) 焊脚立面的未熔合或不足360°;
2) 焊缝高度≤1mm;
3) 焊缝宽度≤;
4) 焊缝咬肉深度≥。
检查数量:按总栓钉数量抽查1%,且不应少于10个。
检验方法:用焊接检验尺和观察检查。
六、质量记录
1图纸会审、设计变更、洽商记录;
2原材料出厂合格证书及进场检(试)验报告;
3施工试验报告及见证检测报告;
4隐蔽工程验收记录;
5施工记录;
6验收批质量验收记录;
7分项工程质量验收记录;。