12mm板厚Q345A(16Mn)CO2焊对接横焊焊接工艺参数 (2)
- 格式:doc
- 大小:194.00 KB
- 文档页数:6
Q345(16mn)钢板对接焊条电弧焊仰焊单面焊双面成形
1.考件图样(见图1—1)_
2. 焊前准备
1)设备:ZX5—400型焊机1台
2)工具:钢丝钳,锤子,钢丝刷,常用锉刀,活扳手,钢丝钳各1把。
焊条保温桶,台虎钳,台式砂轮,角向磨光机各1台。
3)焊条:焊条焊前进行烘干,烘干温度为350~400度,烘干时间为1~2h.。
烘干后将焊条放在保温桶内,随用随拿。
4)考件:考件两端不得安装引弧板,引出板。
焊后仔细清楚焊后焊渣,并保持原始状态。
每个焊件在平行坡口50mm处,用划针划出测量焊缝基准线。
3.考核内容
(1)考核要求
1)焊前准备:考核条件清理程度,定位焊点准确与否;焊接参数选择正确与否。
2)焊缝外观质量:考核焊缝余高,余高差,焊缝宽度差,直线度,角变形,错边,咬边,背面凹坑深度等。
3)焊缝内部质量:射线探伤后,按JB/T4730.2—2005《承压设备无损检测》标准的要求检查焊缝内部的质量。
(2)时间定额:准备时间30min,正式操作时间60min(时间超过10min此次考试无效) (3)安全文明生产:考核现场劳动用品的穿戴情况;焊接过程是否正确执行安全操作规程;焊完后场地是否清理干净,工具,焊件是否摆放整齐。
4.配分,评分标准(参见表1—1)。
12 mmQ235A钢板对接CO2平焊单面焊双面成形工艺记录作者:焊接0501 黄献聪一、焊接设备采用唐山松下KRII—350二氧化碳焊机。
二、焊接材料采用宁波隆兴电焊机制造有限公司生产的隆兴牌实芯二氧化碳焊丝,焊丝直径为1.0mm,型号为ER50-6(执行标准为GB/T8110-1995)。
要求焊丝表面光洁,无锈蚀,无弯折现象。
二氧化碳气体纯度不低于99.5%三、焊前准备1、坡口采用V形坡口,具体如右图所示,坡口采用CG1-30半自动火焰切割机加工完成。
2、将钢板坡口面及其两侧20~30 mm范围内的油、锈、氧化皮等杂质清理干净至露出金属光泽。
3、用锉刀锉钝边,钝边约为0.5~1mm。
4、点焊组对两钢板,装配间隙2~3.5 mm,组装时后焊端的间隙应比起焊端的间隙大约1 mm,错装配错边量≤0.5 mm。
在钢板两端头进行点焊,焊点长度8~10 mm,点焊参数具体见焊接工艺参数。
5、点焊好后对钢板预置反变形,反变形量约为2~4°。
四、焊接工艺参数焊接层次焊接电流(A)电弧电压(V)焊丝型号焊丝直径(mm)气体流量(L/min)电源种类/极性点焊100 20 ER50-6 1.0 7.5 直流反接打底层 100 20 ER50-6 1.07.5 直流反接填充层 120 20 ER50-6 1.07.5 直流反接盖面层 120 19 ER50-6 1.010 直流反接五、操作技术及注意事项1、单面焊双面成形技术对钢板坡口钝边、装配间隙及装配错边量要求极高,因此焊前应认真做好钝边打磨,严格控制装配间隙与装配错边量,不可马虎。
2、电流应事先在试弧板上调整好,不可直接在试板上调整试焊。
焊接时采用左焊法。
3、CO2焊焊接电流密度大,电弧穿透力强,无熔渣,易实现单面焊双面成形。
CO2焊对焊接电流和电弧电压间的匹配敏感,在试弧板上调稳定的焊接参数在实际焊接操作过程中未必稳定。
如遇到此情况可先通过调整焊丝伸长量使电弧稳定,如用此法仍未能使电弧稳定,应立即停止焊接,待焊接参数调稳定后再进行焊接。
板材拼接埋弧焊焊接工艺参数参照表(适用Q235和Q345级别的母材,无预热和后热要求)无衬垫双面埋弧焊的焊接参数焊接工艺参数下面是赠送的励志的100句经典话,需要的朋友可以学习下,不需要的朋友可以下载后编辑删除!!谢谢!!【励志的话】平凡却无私的人啊千万不要抱怨命运的不公。
也许,命运只是用另一种方式偏爱着你那是因为善良的她想让你尽快长大感知人间悲喜,聆听世间哀乐。
虽然有时跌倒,有时失败但请记住跌倒不是失败,失败不是否定。
平凡却无私的人啊千万不要抱怨命运的不公也许,命运只是用透明的方式倾向与你那是因为,慈爱的她想让你尽早成熟看尽人间繁华,尝便世间甘苦。
虽然有时哭泣,有时逃避但请记住哭泣不是永久逃避不是永恒平凡却无私的人啊千万不要抱怨命运的不公也许,命运只是施舍于被它偏爱的人那是因为严厉的她不想让你溺爱长大,感受人们欢呼,享受世界鼓舞虽然有时悲愤,有时无助。
但请记住悲愤不是瑕疵,无助只是一时平凡却无私的人啊千万不要抱怨命运的不公也许,命运一直把你视为人生主角那是因为,善辩的她认为你有主宰人生的天赋赢得万千赞扬,胜的万千赞赏虽然没有鲜花,没有掌声。
但请记住鲜花无处不在,掌声就在耳畔平凡却无私的人啊千万不要抱怨命运的不公也许,命运一直用纯洁无瑕疵的爱包容着你那是因为,吝啬的她想让你拥有更多享受阳光沐浴,感受雨露滋养虽然没有甜言,更无蜜语。
但请记住甜言只是修饰,蜜语一无是处平凡却无私的人啊奋起你不是命运的傀儡,她同样爱你平凡却无私的人啊雄起,你没有被命运束缚,他同样宠你平凡却无私的人啊千万不要抱怨命运的不公尝试去征服命运,如果成功了全世界都会为你喝彩【励志的话】每个人都是自己命运的设计师和建筑师,要想有所作为,就不能等待幸运降临。
世界上什么事都可以发生,就是不会发生不劳而获的事。
好的计划会左右运气,甚至能成功地创造运气。
要想让自己好运连连,就必须要精心策划运气。
设计运气,就是设计人生。
所以,以其等待运气来敲门,不如主动出门去找他。
CO2横焊注意事项1)坡口切割使用AK-72切割机切割,确实没有办法使用切割机的,在使用手工切割时,必须使用切割靠模,保证坡口切割质量,坡口切割咬口要磨掉。
2)要做好坡口清理工作,打磨坡口,清理坡口的氧化镆,坡口附近30mm 区域的油污、水分、氧化皮及铁锈等清理干净。
2、定位焊缝不宜过短,一般强度钢不小于30mm,高强度钢不小于50mm。
3、引熄弧板采用100*100的规格,板厚与母材一致。
4、焊接参数表5、焊接过程及要求1)焊接部位应清除水分、铁锈、氧化皮、油污等杂物才能焊接。
2)使用横焊衬垫。
3)检查确认焊机及其附属设备以及供气系统都能正常工作。
4)喷嘴必须经常清理,导电嘴若有损坏及时更换。
焊接过程要避免焊枪软管过度弯曲。
5)焊接过程做好防风措施。
6)多层多道焊必须清除干净每一道焊缝的焊渣和飞溅。
7)注意控制每道焊缝的高度和焊缝成型,避免夹渣的出现。
8)打底焊时熄弧后从新起弧的连接速度要快,避免缩孔和弧坑裂纹的产生。
6、焊接过程注意事项:横对接焊最容易出现的焊缝内部缺陷是夹渣。
表面缺陷有正反面焊道上咬边。
盖面时注意后一道焊缝要盖在前一道焊缝的最高点。
最后一道焊要注意控制温度,温度太高容易造成咬边,控制咬边还要注意使用适当的焊接电流,焊接电流太大容易咬边。
衬垫粘贴注意浅槽向下。
盖面前打底焊到坡口边预留2mm左右图1夹角太深、太窄容易夹渣焊道起龟背容易夹渣焊道分布不当、焊道之间搭接夹角太深容易夹渣图2注意焊接时的运枪方法,和焊枪角度。
熄弧后起弧间隔时间太长,造成弧坑缩孔。
规范掌握不当,焊穿处理不好,没有认真清渣气体保护不好、焊丝受潮或坡口清洁不好造成补焊不认真,造成密集性气孔,条状夹渣是图2所示问题造成。
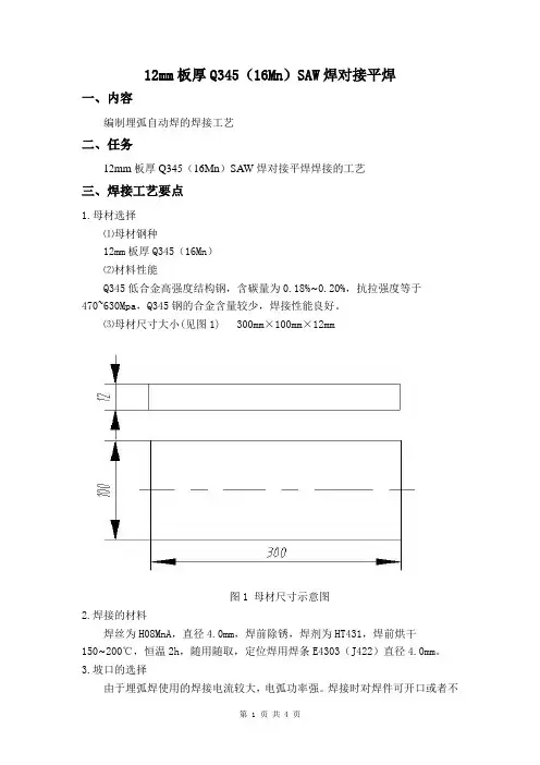
12mm板厚Q345(16Mn)SAW焊对接平焊一、内容编制埋弧自动焊的焊接工艺二、任务12mm板厚Q345(16Mn)SAW焊对接平焊焊接的工艺三、焊接工艺要点1.母材选择⑴母材钢种12mm板厚Q345(16Mn)⑵材料性能Q345低合金高强度结构钢,含碳量为0.18%~0.20%,抗拉强度等于470~630Mpa,Q345钢的合金含量较少,焊接性能良好。
⑶母材尺寸大小(见图1) 300mm×100mm×12mm图1 母材尺寸示意图2.焊接的材料焊丝为H08MnA,直径4.0mm,焊前除锈,焊剂为HT431,焊前烘干150~200℃,恒温2h,随用随取,定位焊用焊条E4303(J422)直径4.0mm。
3.坡口的选择由于埋弧焊使用的焊接电流较大,电弧功率强。
焊接时对焊件可开口或者不开口,一般情况下厚度小于14mm时,可以开坡口,I形坡口,坡口如图所示:I 形坡口对接平焊时要求为双面焊。
(见图2)图2 坡口形式及焊缝截面图4.焊接设备MZ—1000型埋弧焊焊机。
(交流或直流电源)5.试件装配⑴清理焊件清除工件坡口面及坡口正反两侧各30mm范围内的油污,锈蚀,水分及其他污物,直至有金属光泽。
⑵装配间隙试件始端为2.5mm,终端为3.2mm,放大终端的间隙是考虑到焊接过程中的横面收缩量,以保证熔透所需要的间隙,错边量≤1.2mm。
⑶定位焊在试板两端分别焊接引弧板和引出板,并作出定位焊(见图3), 引弧板与引出板的尺寸大小为100mm×100mm×12mm,焊后将用其气割割掉,千万不能用锤子敲掉。
图3 定位焊装配示意图⑷反变形量试件的反变形量为3.6.焊接工艺的确定。
(焊接工艺参数见表1)表1接参数⑴背面焊道的操作要求①施焊钱先垫上焊剂垫,一般是在坡口下面安放一根合适规格的槽钢,并撒满焊剂,将焊剂在纵向堆成呈直线形状的尖顶。
焊件安放时坡口要对准焊剂整的尖顶线,并锤击钢板是焊剂垫结实。
12mm板厚Q345(16Mn)SAW焊对接平焊焊接工艺设计一、相关工艺知识由于埋弧焊使用的焊接电流大,电弧功率强,焊接时焊件可开或不开坡口,一般情况下板厚小于14mm时可开或不开坡口,板厚1422mm时开V形坡口,板厚2250mm时开双V(X)形坡口,对质量要求较高的焊件一般采用UV形坡口。
而本次设计的钢板厚度为12mm,所以该板不需要开坡口的那种即I形破口。
二、材料分析Q345(16Mn)是我国低合金高强度钢中用了量最多,产量最大的钢种。
使用20%30%,耐大气腐蚀性能高20%38%。
1、牌号分析:“Q345”意为“屈服点为345MPa的低合金高强度结构钢”2、成分分析(1)低碳(2)以Mn元素为主的合金元素(3)加入一些少量的合金元素,如铌、钛、铜、钒等元素来改善组织,提高性能3、性能分析(1)高强度:一般屈服强度在300MPa以上就属于高强度(2)高韧性(3)良好的焊接性能和冷成形性能(4)低的冷脆转变温度(5)良好的耐蚀性三、工艺准备1、试件的材料及规格:Q345(16Mn)的尺寸大小为 300mm×100mm×12mmI形坡口如下图(1)图1 I型坡口尺寸图2、焊接要求:I形坡口对接平焊时要求为双面焊,不清根,保证焊透。
3、焊接材料:采用H08MnA焊丝,直径为4mm,焊前除锈,使用HJ431焊剂,因HJ431焊剂属于酸性焊剂,所以按规定其烘干温度为150200℃,并保温2h,随用随取。
4、焊接设备:MZ—1000型埋弧焊机(交流或直流电源)5、试件装配:⑴清理焊件,清理试件坡口面及坡口正反面两侧各30mm范围内的油污、锈蚀、水分及其他污物,直至露出金属光泽。
⑵装配间隙,试件始端为 2.5mm,终端为3.2mm,放大终端的间隙是考虑到焊接过程中横向收缩力量,以保证焊透所需的间隙,错边量≤1.2mm。
⑶定位焊,在焊件坡口的两端,在距离最近端的一侧的内部大约10mm左右固定两端,并且在试板两端分别焊接引弧板与引出板,并作定位焊如图(2)所示,引弧板与引出板的尺寸100mm×50mm×12mm板材为Q345(16Mn),与母材的成分相同,焊后将其用气割割掉,而不能用锤子敲掉。
焊接方法与设备课程设计一、设计题目12mm板厚Q345(16Mn)CO2焊对接横焊焊接工艺设计二、原始材料1、工件材质:16Mn是Q345过去的叫法,其主要特征是综合性能好,冷冲压性能、焊接性能和可切削性能好。
其化学成分如表1所示。
表1 16Mn的化学成分2、母材数量:2块3、试件尺寸:300mm×100mm×12mm4、焊接要求:单面焊双面成形三、焊接材料的选择及技术要求1、焊丝直径:φ16mm(根据板厚选择)2、焊丝型号及类型:H08Mn2SiA(要求与母材等强匹配)3、CO2气体纯度:99.5%四、焊接设备与工具焊接设备:CO2气体保护焊半自动焊机(NBC-200)工具:手套、防护鞋、面罩、工作服、钢丝刷、敲渣锤、角向打磨机等。
五、焊前准备1、坡口形式及加工方式:用火焰气割开60oV形坡口,如下图1-1所示:2、焊接位置:横焊3、坡口及坡口正反两侧20mm范围内的油、锈、水及其他污染物的清理,至露出金属光泽,并清除毛刺4、清理焊丝上的油、锈、水等污物5、焊接装配技术的要求(1)、装配要求:如下表2所示。
表2 横焊定位装配要求技术要求1、横位单面焊双面成形2、α≤60°±5°; b=3.0~4.0 ; p=0~0.53、控制焊后变形量≤3°4、焊缝表面平直,无缺陷图1-1 V形坡口横焊试件图(2)、定位焊:在试件反面距两端20mm之内进行定位焊,焊缝长度为10-15mm六、焊接工艺参数选择1、试板对接横焊参数,如表3所示。
表3 板对接横焊工艺参数名称焊接层次焊丝直径/mm焊接电流/A电弧电压/ACO2气体流量/(L/min)第二打底焊1.690-100 18-2010-15 填充焊110-120 20-22组盖面焊110-120 20-222﹑焊接速度:熟练焊工在半自动焊时通常焊速在30-60(cm/min)3、焊丝伸出长度:大约等于焊丝直径的10倍,也就是16mm左右4﹑电源特性:直流反极性七、焊接操作横焊时,熔池虽有下面托着较易操作,但是焊道表面不易对称,所以焊接时必须使熔池尽量小,另外采用多道焊的方法来调整焊道外表面形状,最后获得较对称的焊缝外表。
焊接方法与设备使用课程设计说明书系(部):机械工程系班级:焊接0000姓名:www指导教师:www201 0 ~ 201 1 学年第 2 学期焊接方法与设备使用课程设计指导书机械工程系焊接教研室一、目的:《焊接方法与设备使用》是三年制高职焊接技术及自动化专业的一门专业主干课程。
其任务主要是讲述常用的各种焊接方法的过程本质、质量控制、相应焊接设备的构成、工作原理、焊接参数的合理选择及具体的操作技术要领。
为了巩固所学常用焊接方法与设备的知识,熟悉有关资料,掌握焊接工艺参数的选择和焊接设备的操作技术,安排了为期一周的课程设计。
通过本次焊接工艺设计,锻炼学生们的分析问题与解决问题的能力,提高焊接操作技能。
二、内容:编制半自动CO2焊、焊条电弧焊、埋弧自动焊以及钨极氩弧焊四种焊接方法的焊接工艺。
三、任务:(按学号选题)1、制定12mm板厚16Mn CO2焊对接向上立焊焊接工艺。
(学号为1-12号)2、制定12mm板厚Q235A SMAW焊对接立焊焊接工艺。
(学号为13-24号)3、制定20mm板厚16Mn SAW焊对接平焊焊接工艺。
(学号为25-36号)4、制定3mm板厚Q235A TIG焊对接平焊焊接工艺。
(学号为37-52号)附:试件材料 16Mn或Q235A试件尺寸 300mm×200mm×12mm、300mm×200mm×20mm、300mm×200mm×3mm焊接要求单面焊双面成形(埋弧焊为双面焊)焊接位置立焊或平焊四、编制焊接工艺要点提示1、母材技术状况(钢种、厚度、交货状态等)。
2、焊接材料选择及技术状况(焊丝、焊条、焊剂牌号、规格、焊接材料等级、制造厂、气体等)。
3、焊前准备(坡口形式及加工方式、接头形式、焊接位置、工件尺寸、坡口区域油、水、锈的处理、焊条、焊丝、焊剂的烘干及保温、气体纯度的保证等)。
4、焊接设备与工具(设备与工具名称、型号、特性、制造厂等)。
12mm板厚Q345真空电子束焊接工艺一、母材技术状况1、母材的选择:母材选用尺寸为300mm×100mm×12mm的Q345试件二块。
其交货状态为热轧。
2、Q345是一种低合金高强度结构钢。
Q345综合力学性能良好,低温性能尚可,塑性和焊接性良好,用做中低压容器、油罐、车辆、起重机、矿山机械、电站、桥梁等承受动载荷的结构、机械零件、建筑结构、一般金属结构件,热轧或正火状态使用,可用于-40℃以下寒冷地区的各种结构。
Q345化学成分见表1。
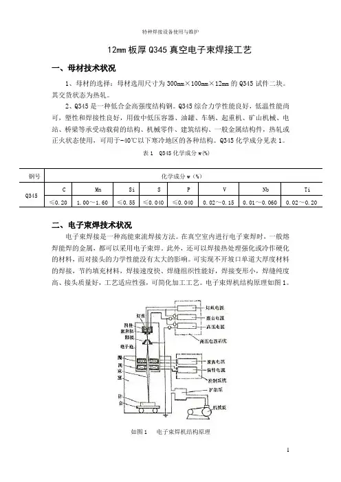
表1 Q345化学成分w(%)二、电子束焊技术状况电子束焊接是一种高能束流焊接方法。
在真空室内进行电子束焊时,一般熔焊能焊的金属,都可以采用电子束焊。
此外,还可以焊接热处理强化或冷作硬化的材料,而对接头的力学性能没有太大的影响。
可实现不开坡口单道大厚度材料的焊接,节约填充材料,焊接速度快、焊缝组织性能好,焊接变形小,焊缝纯度高、接头质量好,工艺适应性强,可简化加工工艺。
电子束焊机结构原理如图1。
如图1 电子束焊机结构原理三、焊前准备1、试件材料:Q3452、试件尺寸:300mm×100 mm×12mm3、焊接位置:平焊4、结合面的加工与清理电子束焊接头金属紧密配合无坡口对接形式,一般不加填充金属,仅在焊接异种金属或合金,又确有必要时才使用填充金属。
要求结合面经机械加工,表面粗糙度一般为 1.5~25μm。
宽焊缝比窄焊缝对结合面要求可放宽,搭接接头也不必过严。
焊前必须对焊件表面进行严格清理,否则易产生焊缝缺陷,力学性能变坏,还影响抽气时间。
清理完毕后不能再用手或工具触及接头区,以免污染。
5、接头装配(1)电子束焊接头要紧密结合,不留间隙,尽量使结合面平行,以便窄小的电子束能均匀融化接头两边的母材。
装配公差取决于焊件厚度、接头形状和焊接工艺要求,装配间隙宜小不宜大。
焊薄工件时装配间隙要小于0.13mm,随着焊件厚度的增加,可用稍大一些的间隙。
CO2气体保护焊横焊CO2气体保护焊横对焊一、焊前准备1.试件材料Q345D钢板2.试件尺寸300×125×12mm,V形坡口3.焊接要求单面焊双面成形4.焊接材料焊丝H08Mn2SiA,直径5.焊机NBC1-300型,直流反接二、试件装配—1mm,无毛刺。
2.焊前清理清理坡口及坡口正反面两侧各20mm 范围内的油污、锈蚀、水分及其他污物,直至露出金属光泽。
为便于去除飞溅物和防止堵塞喷嘴,可在焊件外表涂上一层飞溅防粘剂,在喷嘴上涂一层喷嘴防堵剂。
始端,终端;错边量≤。
4.定位焊在试件坡口内定位焊,焊缝长度约10—15mm。
5.反变形量预置反变形量为5°-6°。
三、焊接工艺参数焊接层次焊丝直径mm焊接电流A电弧电压V焊接速度m/h气体流量L/min打底焊100-1120-2220-2215-20填充焊130-1520-22盖面焊130-1520-24四、操作要点及本卷须知横焊时,熔池虽有下面母材支撑而较易操作,但焊道外表不易对称,所以焊接时,必须使熔池尽量小。
同时采用多道焊的方法来调整焊道外表形状,最后获得较对称的焊缝外形。
横焊时采用左向焊法,三层六道,焊道分布如图1所示。
将试板垂直固定在焊接夹具上,焊缝处于水平位置,间隙小的一端放于右侧。
调试好焊接工艺参数后,从右向左进行焊接。
在试件定位焊缝上引弧,以小幅度锯齿形或斜圆圈形运丝摆动,自右向左焊接,并保持熔孔边缘超过坡口上下棱边0.5-1mm。
焊接过程中要仔细观察熔池和熔孔,根据间隙调整焊接速度及焊枪摆幅,尽可能地维持熔孔直径不变,焊至左端收弧。
假设打底焊过程中电弧中断,那么应按下述步骤接头:将接头处焊道打磨成斜坡。
在斜坡的高处引弧,并以小幅度锯齿形运丝摆动,当接头区前端形成熔孔后,继续焊完打底焊道。
-2mm,且不得熔化坡口棱边。
〔1〕填充焊道2时,焊枪成0°-10°俯角,电弧以打底焊道的下缘为中心作横向斜圆圈形摆动,保证下坡口熔合好。
16MnR钢(板厚12mm)焊条电弧焊焊接工艺评定及焊接工艺一、母材材质及技术情况16MnR即为Q345C,常作为在锅炉压力容器用钢。
即在Q235钢的基础上加了1﹪的锰使屈服强度提高35﹪。
16MnR属于低碳锰钢。
C E=0.34﹪-0.49﹪。
焊接性能良好。
1.材质性能分析(1)化学性能分析:表1表116MnR钢化学成分(%)(2)力学性能分析:表2表216MnR 力学成分16MnR含碳量<2.5%.碳当量C E=0.34﹪-0.49﹪,焊接性能良好,焊接时一般不需要预热,但环境温度较低(<-10℃)要进行适当的预热。
焊后根据具体情况进行焊后热处理。
二、焊接材料及技术情况JB/T4709-2007中规定焊接材料包括:焊条,焊丝,焊带,气体,电极等。
由于焊接方法为SMAW。
因此只需要选择焊条即可。
根据母材的成分,力学性能等选择焊接材料。
由于16MnR 的σb≥510σs ≥345,可选择焊条J422(E4013),J507(E5015)。
因为选择焊条一方面要与母材等强度如表3所示,另一方面还要考虑焊接工艺性如:引弧的难易,脱渣性,成形性,稳弧性,及除氧,除氢,去硫,去磷等能力。
综合考虑后选择J507(E5015)焊条。
此焊条由大桥焊条厂生产。
表3 E5015焊条熔敷金属的力学成分三、焊前准备1.坡口的选择与制备(1)坡口的选择:由于板厚为12mm,焊接方法为SMAW等焊接条件.选择V形坡口。
(2)坡口制备方法:应根据工件尺寸,形状,加工条件综合考虑。
目前有剪切,气割,刨边,车削,碳弧气刨等方法制备坡口。
考虑到坡口形式,加工质量和成本,选择气割加工坡口。
焊接坡口要求:间隙b=2-3mm,钝边P=2/mm,坡口角度60°+22.焊接区域的清理(1)焊前对坡口及附近10mm的油,锈,水等污物清理干净。
E5015焊接时清理要彻底。
否则极易产生气孔和裂纹。
(2)清理方法:①机械清理 a.钢丝刷 b.砂轮磨 c.喷丸处理②化学法 a.汽油除油 b。
12mm板厚Q235A手工电弧焊立焊焊接工艺设计一、板对接立焊连弧焊法的基本特点板对接立焊单面焊双面成形时,液态熔池和熔滴受重力影响极易下坠,操作不当时易产生金属下淌和焊瘤等缺陷。
同时,由于碱性熔渣的熔点低,流动性强,极易脱离熔池,使熔池的保护效果变差,产生气孔等缺陷。
立焊时焊条的角度一般与试件下端夹角小于90 度,因此使电弧的保护效果相对减弱,如操作不当,就会产生气孔。
但立焊时的熔孔效果较好,焊接过程中可通过观察熔孔尺寸掌握背面焊缝成形情况,只要焊条角度、运条方法控制得当,就可以获得理想的背面焊缝成形。
二、板对接立焊操作工艺1.焊前准备(1)试件的加工采用板厚为12mm的Q235(16Mn)或16MnR低合金钢板,试件加工尺寸如图1 所示,试件加工尺寸为300mm×100mm×12mm,加工坡口时,不留钝边。
图1 试件加工尺寸示意图a)试件尺寸b)试件坡口尺寸2)试件的清理试件组对前将坡口周围正反两面20mm范围内的铁锈、油污等清理干净,使之呈现金属光泽。
试件如有变形时,要进行修复(3)焊接电源和焊接材料的选择 焊接电源可采用 ZX5-250 型整流弧焊机或 ZX7-400型 逆变焊机,直流反极性接线方法。
选用焊条型号为 E5015。
焊前焊条需经 350-400 ℃烘干,保温 2h ,焊条烘干后放入保温桶内以便使用。
使用前需检查焊条表面有无药皮开裂、脱落、焊 芯生锈和偏心等现象。
( 4)试件的组对与定位焊 为防止试件错边和方便对接,试件可以从反侧进行定位焊, 定位焊缝在试件两端头,定位焊缝长度为 10-15mm ,为消除因焊缝收缩作用的影响,使后焊 焊缝间隙变窄,终焊端预留间隙应大于始焊端 0.5-1mm ,定位焊缝要牢靠。
试件组对尺寸见表 1。
试件组对形式如图 2 所示。
表1 试件组对尺寸坡口角度 组队间隙 /mm钝边 /mm 反变形角度 错变量 /mm始焊端 终焊端 60o ±1o 3 4 03o-3.5 o ≤0.5图 试件组对形式示意图a ) 预留间隙示意图b ) 反变形角度示意图 5)焊缝参数的选择 板对接立焊各项参数见表 2表 2 板对接立焊焊接参数的选择焊接层次 焊接直径 /mm 焊接电流 /A 焊接速度/(cm/min )层间温度/℃ 13.2 80-90 7-8 ― 23.2 100-110 10-12 60-100 33.2 105-115 9-11 60-100 4 3.2105-115 8-10 60-1002. 焊接 将组对好的试件垂直固定在焊接工位架上,间隙较小的一端为下部,间隙较大的一端为 上部,采用由下向上立焊,连弧焊法施焊。
焊接方法与设备课程设计
一、设计题目
12mm板厚Q345(16Mn)CO2焊对接横焊焊接工艺设计
二、原始材料
1、工件材质:16Mn是Q345过去的叫法,其主要特征是综合性能好,冷冲压性能、焊接性能和可切削性能好。
其化学成分如表1所示。
表1 16Mn的化学成分
2、母材数量:2块
3、试件尺寸:300mm×100mm×12mm
4、焊接要求:单面焊双面成形
三、焊接材料的选择及技术要求
1、焊丝直径:φ16mm(根据板厚选择)
2、焊丝型号及类型:H08Mn2SiA(要求与母材等强匹配)
3、CO2气体纯度:99.5%
四、焊接设备与工具
焊接设备:CO2气体保护焊半自动焊机(NBC-200)
工具:手套、防护鞋、面罩、工作服、钢丝刷、敲渣锤、角向打磨机等。
五、焊前准备
1、坡口形式及加工方式:用火焰气割开60ºV形坡口,如下图1-1所示:
2、焊接位置:横焊
3、坡口及坡口正反两侧20mm范围内的油、锈、水及其他污染物的清理,至露出金属光泽,并清除毛刺
4、清理焊丝上的油、锈、水等污物
5、焊接装配技术的要求
(1)、装配要求:如下表2所示。
表2 横焊定位装配要求
技术要求
1、横位单面焊双面成形
2、α≤60°±5°; b=3.0~4.0 ; p=0~0.5
3、控制焊后变形量≤3°
4、焊缝表面平直,无缺陷
图1-1 V形坡口横焊试件图
(2)、定位焊:在试件反面距两端20mm之内进行定位焊,焊缝长度为10-15mm
六、焊接工艺参数选择
1、试板对接横焊参数,如表3所示。
表3 板对接横焊工艺参数
2﹑焊接速度:熟练焊工在半自动焊时通常焊速在30-60(cm/min)
3、焊丝伸出长度:大约等于焊丝直径的10倍,也就是16mm左右
4﹑电源特性:直流反极性
七、焊接操作
横焊时,熔池虽有下面托着较易操作,但是焊道表面不易对称,所以焊接时必须使熔池尽量小,另外采用多道焊的方法来调整焊道外表面形状,最后获得较对称的焊缝外表。
横焊时,试件角变形较大,它除了与焊接参数有关外,又与焊缝层数,每道焊道数目及焊道间的间隙时间有关。
通常熔池大,焊道间歇时间短,层间温度高时角变形则大,反之则小。
横焊采用左焊法,三层六道,按1-6顺序焊接,焊道分布如下图1-2所示。
将试板装在夹具上,焊缝处于水平位置,间歇小的一端放于左侧。
图1-2
1、打底焊:调试好焊接参数后,按图1-3-a所示焊枪角度,从右向左进行焊接,在试件中定位焊缝上引弧,以小幅度锯齿形摆动,自右向左焊接,当预焊点左侧形成熔孔后,保持熔孔和边缘超过坡口上、下棱边0.5-1mm,焊接过程中要仔细观察熔池和熔孔,根据间隙调整焊接速度和焊枪摆幅,尽可能地维持熔孔直径不变,焊至左端收弧。
若打底过程中断,则应按下述步骤接头:
(1)、将接头处焊缝打磨成斜坡。
(2)、在打磨的焊道最高处引弧,并以最小幅度锯齿形摆动,当接头区前端形成熔孔后,继续焊完打底焊道。
焊完打底焊道后,要清除熔渣,然后用角向磨光机将局部凸起的焊道磨平。
2、填充焊:调试好填充参数,按图1-3-b所示的焊枪对准位置及角度进行焊道2-3的焊接。
整个填充层厚度应低于母材1.5-2mm,且不得熔化坡口棱边。
(1)、焊填充焊道2时,焊枪成0°-10°俯角,电弧以打底焊的下缘为中心做横向摆动,保证下坡熔合好。
(2)、焊填充焊道3时,焊枪成0°-10°仰角,电弧以打底焊的下缘为中心做横向摆动,保证下坡熔合好。
(3)、消除填充焊道的表面渣及飞溅,并用角向打磨机打磨局部凸起处。
3、盖面焊:调试好盖面焊参数,按图1-3-c所示的焊枪角度对中位置进行盖面焊接,操作要领基本同填充焊。
收弧时,必须填满弧坑,并使弧坑尽量短。
图1-3-a
图1-3-b
图1-3-c
八、CO2气体保护平板对接横焊的评分标准,如表4所示。
表4 CO2气体保护平板对接横焊的评分标准
九、参考资料
1、雷世明主编.焊接方法与设备.北京:机械工业出版社,2013
2、许志安主编.焊接实训.北京:机械工业出版社,2008
3、杨跃主编.典型焊接接头电弧焊实作.北京:机械工业出版社,2009。