6~35KV变压器检修、试验方案
- 格式:doc
- 大小:146.50 KB
- 文档页数:11
35kv变压器的维护和检修摘要:在我国市场经济的建设和各项制度的不断完善中,我国国民经济迅猛发展,供电网络占据了极为重要的位置。
现代化建设得以顺利进行的必要前提是确保电网健康安全运行,变压器检修工作已经成为不可缺少的重要环节。
本文主要介绍了变压器检修的流程,并对如何进行变压器检修进行了详细的阐述。
关键词:变压器检修维护引言:在上世纪80年代之前,“到期必修,修必修好”是变压器检修工作的指导思想,进入90年代之后,随着各项技术的不断修正和观念的转变,状态检修逐渐被引发出来。
变压器的检修可以动态地、全面地掌握运行中变压器的健康状况,避免意外事件的发生。
对变压器的正常运行、提高可用率、延长使用寿命等方面,有着明显的作用。
除了常规的预防性试验、目测巡视,油在线检测装置、线圈变形测试仪、套管带点测试、局部放电超声波定位、电容型套管带电测试等装置都在推广并应用,给检修状态评估提供了更加合理的技术手段。
1.变压器检修的周期和内容1.1变压器检修周期变压器检修的时间间隔并不是一样的,是与变压器使用环境有一定的关系,变压器在恶劣的工作环境下使用时,变压器的检修周期需要缩短,有两种变压器的检修周期,分别为大周期和小周期,大周期的检修时间需要一定的条件限制,而小周期的检修时间一般为一年一检修,大周期的检修条件如下:第一,刚投入使用的变压器经过一年的使用后需要一次大检修,在大修以后,则需要根据变压器的使用情况再定下一次检修的时间,一般的间隔时间为五至十年。
第二,35KV以下的变压器在规定的使用期间时没有特殊情况,大修的时间间隔一般定在十年一检修。
如果出现特殊情况影响变压器的正常运行,则应当提前进行大修的检修时间,具体情况看问题严重性来确定。
第三,如果变压器能再一个良好的工作环境下运行,且在运行的过程中没有出现任何故障,这说明了变压器能够正常运行下去,因而进行相关的批准申请后,可根据实际情况延后大修的周期时间。
1.2变压器检修内容第一要对变压器的使用寿命进行一个技术评估,主要评估参考有变压器内部运行状况和使用情况等。
变压器一、电气试验项目的方法及标准(一)绝缘电阻测定●试验所需仪器:数字型绝缘电阻测试仪(绝缘摇表)●试验方法:1、高—低及地:高压侧短接,低压侧短接并且接地。
读取60秒时的电阻值记录(吸收比是指60秒绝缘电阻值比15秒绝缘电阻值)。
2、低—高及地:高压侧短接并且接地,低压侧短接。
读取60秒时的电阻值记录(吸收比是指60秒绝缘电阻值比15秒绝缘电阻值)。
3、铁心对地:绝缘电阻测试仪正级接到铁芯上,负极接地。
●相关标准:1 绝缘电阻值不低于产品出厂试验值的70%。
2 变压器电压等级为35kV 及以上,且容量在4000kVA 及以上时,应测量吸收比。
吸收比与产品出厂值相比应无明显差别,在常温下应不小于 1.3;当R60s大于3000MΩ时,吸收比可不做考核要求。
3变压器电压等级为220kV 及以上且容量为120MVA 及以上时,宜用5000V兆欧表测量极化指数。
测得值与产品出厂值相比应无明显差别,在常温下不小于1.3;当R60s大于10000MΩ时,极化指数可不做考核要求。
●注意事项:1、采用2500V或5000V兆欧表。
2、测量前被试绕组应充分放电。
3、吸收比不进行温度换算。
(二)绕组直流电阻测试●试验所需仪器:直流电阻测试仪●试验方法:1、低压侧直流电阻(平衡变):分别测试ab、bc、ca的绕组直流电阻。
2、高压侧直流电阻(平衡变):分别测试1—5档位的Ao、Bo、Co绕组直流电阻。
●相关标准:1 测量应在各分接头的所有位置上进行;2 1600kVA 及以下电压等级三相变压器,各相测得值的相互差值应小于平均值的4%,线间测得值的相互差值应小于平均值的2%;1600kVA 以上三相变压器,各相测得值的相互差值应小于平均值的2%;线间测得值的相互差值应小于平均值的1%;3 变压器的直流电阻,与同温下产品出厂实测数值比较,相应变化不应大于2%;不同温度下电阻值按照式换算:R2=R1(T+t2)/( T+t1)式中R1、R2——分别为温度在t1、t2时的电阻值;T——计算用常数,铜导线取235,铝导线取225。
35kV变压器油温检修方案一、背景介绍35kV变压器是电力系统中重要的电力设备之一,其正常运行对电网的稳定性和可靠性具有重要影响。
变压器油温是评估变压器运行状态的重要指标之一。
为了确保变压器的安全运行和延长其使用寿命,需要定期进行油温检修。
二、检修目的1. 检测变压器油温,了解其运行状态,及时发现异常情况并采取相应措施,以确保变压器的正常运行;2. 对变压器油温监控系统进行校准和检修,确保数据准确可靠。
三、检修内容1. 检测变压器油温- 使用温度计等温度测量设备,对变压器油温进行定期检测;- 检测过程中应按照规定的方法和标准操作,避免操作错误导致不准确的测量结果;- 检测结果与变压器油温报警值比较,判断油温是否正常。
2. 异常情况处理- 如果检测结果发现变压器油温超过报警值,应立即采取措施降低油温,可以通过增加散热设备、降低负载等方式进行;- 如果变压器油温持续升高或超过极限值,应及时停机检修,排除故障。
3. 油温监控系统校准和检修- 检查油温监控仪表的仪器状态和显示准确性;- 对油温监控系统进行校准,保证数据准确可靠;- 定期维护保养油温监控系统,确保其正常运行。
四、检修周期根据实际情况,建议对35kV变压器进行每月一次的油温检修。
在特殊情况下,如高温季节或重要检修期间,可适当增加检修频率,并根据检测结果调整后续检修计划。
五、检修记录和报告每次检修后,应记录检修日期、检测结果和异常处理情况,并编制检修报告。
检修报告应包括油温检测数据、异常情况处理过程以及对油温监控系统的校准情况等内容。
检修报告应及时提交相关部门和负责人。
六、检修人员要求1. 油温检修工作应由具备相应资质的电气技术人员或专业技术队伍执行;2. 检修人员应熟悉变压器油温检测操作规程,并具备相应的操作技能和安全意识;3. 检修人员应定期参加相关培训和技术交流,不断提升专业水平。
以上是35kV变压器油温检修方案的主要内容,希望能对您的工作有所帮助。
35KV输电线路检修方案
概述
本文档旨在设计一份完整的35KV输电线路检修方案,保障输
电线路正常运行,减少不必要的停电时间。
检修周期
每年至少进行一次定期检修,遇到特殊情况需要进行临时检修。
检修内容
1. 航拍扫描:采用先进的航拍扫描技术进行线路全面巡检,发
现输电线路及设备异常及时上报。
2. 清洗除锈:清洗输电线路及设备,清除杂草、浮尘、鸟巢等
污垢,防止因绝缘子表面污秽导致的击穿故障。
3. 接地检查:对电缆接头与接地网的接触导电性进行检查和测试,若发现异常及时更换。
4. 绝缘检查:对线路绝缘子和避雷器的表面状态进行检查和评估,若发现损坏及时更换。
5. 修补更换:对检修中发现的缺陷或按照规定更换的线路材料
及设备进行修补或更换。
风险控制
1. 检修期间应加强安全防护,落实各种安全措施,保障安全作业。
2. 根据检修范围和时间进度制定检修计划,保证检修进展顺利。
3. 严格按照操作要求进行检修作业,确保检修质量。
结论
本检修方案对35KV输电线路的检修范围、周期和内容进行了
详细规定,通过合理的检修计划和操作流程,可以有效预防故障的
发生,降低停电率和事故率,保障供电的连续性和可靠性。
35kV变压器油位检修方案1. 引言35kV变压器是电力传输系统中的关键设备之一,其正常运行对于保障输电稳定性和供电可靠性至关重要。
而变压器油位的合理维护和检修对于保证设备正常工作起着重要的作用。
本文档旨在提供一份35kV变压器油位检修方案,以确保变压器的安全运行。
2. 检修目标本方案的主要目标是保持35kV变压器的油位在正常范围内,确保设备的正常运行,避免因油位异常导致的电气故障和设备损坏。
3. 检修内容3.1 定期巡检每月对35kV变压器的油位进行定期巡检,主要包括以下内容:- 检查变压器油位表,确保表盘清晰可读;- 检查变压器油位,判断是否在正常范围内;- 检查变压器油位信号线连接情况,确保信号传输畅通。
3.2 不定期检修不定期对35kV变压器进行更详细的检修,主要包括以下内容:- 清洁变压器油位表和油位传感器,确保表面干净,不影响读数准确性;- 检查油位表和油位传感器的连接线路,确保连接良好,并修复松动或老化的连接线;- 检查变压器油位变送器的工作状态,确保准确传输油位信号;- 检查油位报警装置和自动补油装置的工作状态,确保正常工作。
4. 措施与建议4.1 措施- 在变压器油位巡检过程中,及时记录变压器油位数据,建立记录档案;- 对于油位异常的情况,及时通知相关维修人员进行修复;- 定期更换变压器油,保证油位的稳定性;- 配备专业的变压器油位检测仪器,提高检测准确性。
4.2 建议- 建立变压器油位巡检计划,明确巡检周期和责任人;- 增加变压器油位检修的培训与研究,提高检修人员的技能水平;- 定期开展变压器油位检修的经验交流会议,总结经验,优化方案。
5. 总结35kV变压器油位的合理检修对于设备的正常运行至关重要。
通过定期巡检和不定期检修,能够及时发现并解决油位异常问题,确保变压器的稳定运行。
合理的措施和建议能够提高油位检修的效率和准确性,对于保障输电系统的安全运行起到重要作用。
以上是35kV变压器油位检修方案的详细内容,希望能够对相关工作人员在变压器油位检修方面提供帮助。
变压器检验作业指导书标题:变压器检验作业指导书引言概述:变压器是电力系统中重要的电气设备,对其进行定期检验是保证电力系统正常运行和延长设备寿命的重要措施。
本文将详细介绍变压器检验作业指导书的内容和要点。
一、检验前准备1.1 确认检验周期:根据变压器的使用情况和厂家要求,确定检验周期。
1.2 准备检验设备:准备好检验所需的仪器设备,确保设备正常运行。
1.3 确认检验人员:确定参与检验的人员,确保其具备相关专业知识和经验。
二、检验内容2.1 外观检查:检查变压器外观是否有损坏、漏油等情况。
2.2 绝缘电阻测试:使用绝缘电阻测试仪对变压器绝缘进行测试。
2.3 油质检测:取样检测变压器绝缘油的质量和污染程度。
三、检验方法3.1 视觉检查:通过目视检查变压器外观情况,包括外壳、冷却器等。
3.2 仪器检测:使用专业仪器对变压器绝缘电阻、局部放电等进行检测。
3.3 取样检测:按照标准要求取样检测变压器绝缘油的质量。
四、检验记录4.1 检验报告:对检验结果进行记录和整理,形成检验报告。
4.2 检验数据:将检验所得数据进行归档保存,备查。
4.3 故障分析:对检验中发现的问题进行分析和处理,及时修复。
五、检验后处理5.1 维护保养:根据检验结果进行维护保养,确保变压器正常运行。
5.2 记录归档:将检验记录和报告进行归档保存,方便日后查阅。
5.3 定期复检:根据检验周期要求,定期对变压器进行复检,确保设备安全可靠。
结论:通过本文的介绍,读者可以了解变压器检验作业指导书的主要内容和要点,希望对变压器检验工作有所帮助。
变压器是电力系统中重要的设备,定期检验对保障电力系统安全稳定运行具有重要意义。
35kV油浸式站用变压器小修作业指导书1.目的1.1规范我局变压器专业现场检修作业行为,规范现场人员检修作业方式、方法和安全措施,提高现场检修作业安全水平,保证现场检修工作质量,提高工作效率。
1.2进一步加强变压器专业现场检修作业的指导、管理、监督,做到检修试验工作规范化、标准化。
2.范围本指导书适用于我局35kV油浸式站用变压器的小修现场作业。
3.职责3.1工作负责人3.1.1监护现场作业人员的安全;3.1.2对该检修作业结果进行审核、负责;3.1.3工作票的开工、终结办理;3.1.4施工结束后检修记录填写完整;3.1.5检修作业后检修报告的撰写。
3.2现场作业人员3.2.1自觉遵守《安规》及现场安全规定,互相关心作业安全。
3.2.2负责设备的拆接线,并认真核对。
3.2.3认真按相关规程的要求进行检定,对检测试验中发现的问题及时向工作负责人反馈,并协助工作负责人进行分析、判断。
3.3数据记录人3.3.1负责现场检修数据的记录。
3.3.2对现场检修数据的真实性负责。
4. 工作程序4.1施工前作业准备及条件要求4.1.4作业施工环境条件要求4.1.4.1天气情况要求无雨。
4.1.4.2室外湿度要求90%以下。
4.2作业配备要求4.2.1绝缘梯要求有防滑装置。
4.2.2安全带要求有双保险配置。
5.现场作业的安全、防护措施5.1作业需求的设备停电具体范围5.1.1变压器本体转检修:断开变压器两侧的开关、刀闸、对应的操作电源并取下二次侧熔丝。
5.1.2变压器本体包括各侧引线视为停电具体范围。
5.2设备接地措施具体要求5.2.1要求在变压器各侧引线装设接地线,并要求接触良好。
5.2.2要求设备外壳必须可靠接地。
5.3作业现场的临时遮栏、围网设备要求5.3.1要求相邻间隔带电部分一律用临时遮栏或围网围起来。
5.3.2要求在用临时遮栏或围网时,要有指定检修作业人员出入的口径及通道,若影响检修作业人员进出的话,工作负责人应向工作许可人提出,并作调整,方可作业。
变压器检验作业指导书标题:变压器检验作业指导书引言概述:变压器是电力系统中重要的电气设备之一,其正常运行对电力系统的稳定性和可靠性具有重要影响。
为了确保变压器的安全运行,需要进行定期的检验工作。
本文将详细介绍变压器检验的作业指导书,以匡助工作人员正确进行变压器检验。
一、检验前准备工作:1.1 确定检验目的与范围:在进行变压器检验前,需要明确检验的目的和范围,例如是否是例行检验还是故障检修检验。
1.2 确定检验时间与地点:根据变压器的运行情况和工作安排,确定检验的时间和地点,以便安排好相关人员和设备。
1.3 准备检验工具与设备:根据检验的要求,准备好相应的检验工具和设备,如检测仪器、测量仪表等。
二、外观检查:2.1 外观检查变压器本体:对变压器的外观进行检查,包括外壳、冷却装置、连接件等的完好性和泄漏情况。
2.2 外观检查绝缘子与引线:检查变压器绝缘子和引线的外观情况,包括是否有破损、污秽、腐蚀等问题。
2.3 外观检查附属设备:对变压器的附属设备进行外观检查,如油箱、开关、保护装置等,确保其正常运行。
三、电气性能检查:3.1 绝缘电阻测量:使用绝缘电阻测量仪对变压器的绝缘电阻进行测量,以判断绝缘性能是否符合要求。
3.2 变比测量:使用变比测试仪对变压器的变比进行测量,以检查是否存在变比异常或者误差。
3.3 负载损耗测量:通过测量变压器的负载损耗,判断变压器的负载能力和效率是否正常。
四、油质检查:4.1 油质外观检查:对变压器的绝缘油进行外观检查,包括颜色、浑浊度、气味等的观察。
4.2 油质分析检测:通过取样分析变压器绝缘油的物理性质和化学指标,判断油质是否正常。
4.3 油位与油温检测:检查变压器的油位和油温是否在正常范围内,以确保变压器正常运行。
五、运行试验:5.1 空载试验:在变压器无负载情况下进行试验,观察和测量变压器的空载电流、空载损耗等参数。
5.2 负载试验:在变压器负载情况下进行试验,观察和测量变压器的负载电流、负载损耗等参数。
35kV变压器油箱检修方案1. 背景本方案旨在详细介绍35kV变压器油箱检修的步骤和注意事项,确保安全可靠地进行变压器油箱的检修。
2. 检修步骤2.1 确认安全措施在进行检修之前,必须确保以下安全措施已经采取:- 断开变压器的电源,并拉开相应的隔离开关;- 安装好防护设施,如防爆灯、防火毯等;- 检查工作区域是否有可能存在危险物品,并做好相应的清理。
2.2 油箱排空在进行油箱检修之前,需要先将油箱排空。
具体步骤如下:1. 断开变压器与油箱之间的连接管路;2. 打开油箱排油阀,将变压器油全部排空;3. 清理油箱内的污物和杂质。
2.3 油箱维修油箱维修主要包括以下几个方面:1. 检查油箱内部的涂层是否存在损坏,如有损坏应及时修复;2. 检查油箱壁厚是否符合要求,如不符合应进行相应的加固措施;3. 检查油箱密封性是否良好,如有漏油现象应及时修复;4. 检查油箱周边的支架和固定件是否稳固,如不稳固应进行调整。
2.4 油箱充油在完成油箱维修之后,需要将变压器油重新充入油箱中。
具体步骤如下:1. 准备好合适的变压器油,确保其质量符合要求;2. 打开油箱注油接口,将变压器油缓慢倒入油箱中;3. 填充变压器油至规定的油位,注意不要超出规定范围;4. 关闭油箱注油接口,并检查是否存在漏油现象。
3. 注意事项在进行35kV变压器油箱检修的过程中,需要注意以下事项:- 操作人员必须具备相应的电气安全知识和油箱维修经验;- 操作过程中应严格遵守安全操作规程,确保人身和设备的安全;- 所使用的工具和设备必须符合相关标准,保证操作的可靠性;- 操作完成后,必须对油箱及周边区域进行清理和整理。
4. 总结本方案详细介绍了35kV变压器油箱检修的步骤和注意事项,确保油箱的安全可靠运行。
在实施过程中,应严格按照步骤进行操作,并注意安全事项,以确保检修工作的顺利完成。
35KV变电站停电检修方案
在冬季来临之际,为确保35KV拜众高压线路在冬季期间的供电安全,拜城县电业局对拜众35KV线路进行正常维护和检修。
在此停电期间我车间决定对35KV变电所室内外高压部分及35KV主变压器进行维护和检修,为确保检修工作的顺利进行特制定如下检修方案:
一、检修工作负责人安排如下:
工作负责人:刘宏新
检修负责人:杨斌、王昌彦、李鹏飞
安全、技术监护负责人:陈世玉
检修期间协调负责人:赵刚
总负责人:王立刚。
二、安全措施
对高压检修的设备,停电后用2支不同的高压验电器进行验电操作,确认后合接地刀,挂停电检修工作牌,监护人进行现场监护,不得离开。
三、35KV变电所检修内容:
1、检修前再次清点检修所需工器具及备品备件;
2、指定专人穿戴齐全高压绝缘防护用具进行检修前的验电、挂接地线、挂“有人工作,禁止合闸”标识牌;
3、根据工作安排两人以上对35KV高压室1#进线柜、1#出线柜、2#出线柜、10KVPT柜的二次回路、断路器、地刀开
关及电缆头进行保养维护和紧固;
4、配合变压器厂家对35KV主变压器10KV侧C相瓷瓶渗油进行处理;
5、更换35KV主变压器高压侧真空断路器远程操作控制开关;
6、检查35KV变电所所用变排油口渗油现象;
7、核对35KV变电所室外跌落保险、35KV和10KV电压互感器的熔断器的型号及规格、及高压电气设备部件型号统计;
8、检修完毕后,检修人员要清理现场并清点工器具;
9、检修完毕后检修负责人要对检修电气进行检查验收。
电修车间
2010年10月31日。
永锦公司吕沟煤矿35kv变电所设备测试、保护定检方案“三措〞计划按照设备预试、保护定检周期规定和年度工作方案,吕沟煤矿变电所已到预试、保护定检周期,根据我矿工作安排,定于6月27~30日,由禹州市电业局检修公司对我矿变电所作预防性试验,为确保变电所设备预试、保护定检工作保质保量,平安顺利完成,特制定“三措〞方案如下。
一、吕沟煤矿变电站设备预试、保护定检工程概况。
二、施工组织措施1、由禹州市电业局检修公司负责,变电所的设备预试、保护定检和平安监视工作。
2、变电所设备的预试、保护定检工作,有我矿机电车间主任负责,并抽出专人,分工明确,责任到人,配合禹州市电业局检修公司完成变电所的设备预试、保护定检工作,并按照?预防性试验?和继电保护及平安自动装置进展检验,变电所设备的预试、保护定检工作完成后,有永锦公司、吕沟煤矿、禹州市电业局检修公司共同进展验收,如发现问题及时进展整改,直至工作全部完工验收合格,并符合规程要求。
3、变电所值班人员在设备预试、保护定检期间,把每天校验的结果和存在的问题,做好纪录。
三、施工技术措施1、吕沟变电所35kv开关、35kv互感器、35kvPT、35kv站变及6kv开关电容器组、互感器等设备在预试、保护定检及站内接地电阻测试时,要严格参照设备出厂技术资料和上次试验报告及预防性试验规程,?继电保护及平安自动装置检验条例?为标准,在试验时保证试验人员和被试设备的平安,使试验数据真实可靠。
2、设备预试、保护定检前首先组织检修人员熟悉与该站设备有关的预防性试验规程及保护定检标准,工作开场时,要对一次设备、二次设备及二次端子排认真检查清擦,然后进展设备预试、保护定检。
定检后,要对设备各接触点逐个复查,确保接触点接触良好,严禁电流回路开路,对于运行中设备存在的缺陷,在这次工作中要认真排查消除,到达试验数据真实可靠的效果。
3、主变压器预试、定检时,严禁将梯子放在套管上,以免碰伤套管。
试验时,试验数据准确无误,试验后,试验数据换算至同一温度,并与出厂交接的数值进展比拟,比拟的结果均不得有明显的降低或较大的差异。
35kv油浸式变压器(电抗器)状态检修导则35kV油浸式变压器是电力系统中常见的一种设备,对其进行定期的状态检修是保证其正常运行和延长使用寿命的重要措施。
以下是35kV油浸式变压器状态检修的导则。
一、检修前的准备工作1.安全措施:检修前需要确保变压器停电,并采取必要的安全防护措施,如设置可靠的隔离开关和接地装置,佩戴防护用品等。
2.检修工具和设备:准备好各种检修所需的工具和设备,如绝缘手套、绝缘靴、工作台、测量仪器等。
3.环境准备:清理变压器周围的杂物,确保检修的工作环境整洁、安全。
二、检修过程1.外观检查:检查变压器外壳、绝缘子、连接器、泄漏油管路等部件的完好性。
如发现异常情况,及时进行处理。
2.油浸部分检修:检查变压器油位,如低于标准要求,应添加适量的变压器油。
同时,检查油色、气味和漏油情况,如发现油色变混浊、气味异常或漏油现象,需要进行相应的处理。
3.绝缘检测:使用绝缘电阻仪等测试仪器进行绝缘电阻测试,检查绝缘状况。
测试结果应符合相关标准要求。
4.内部检查:拆卸检查变压器内部各部件的状态,检查铁芯、绕组、冷却器等的连接和固定情况,同时检查绕组的温度和绝缘状况,如发现异常情况,需要进行修复或更换。
5.附件检修:对变压器的附件,如仪表、阀门、泄漏油收集器等进行检查,确保其正常运行。
三、检修后的工作1.整理工作:完成检修后,整理好变压器及周围的工作环境,清理工具和设备,确保工作区域整洁。
2.记录和报告:对检修过程中的各项数据和检查结果进行详细记录,并编写检修报告,反馈给相关部门。
3.试验和验收:根据需求进行变压器的试验,如绕组的耐压试验、油样检测等。
确保变压器经过检修后可以正常投入使用。
通过以上的状态检修导则,可以及时发现并处理35kV油浸式变压器的问题,保障其正常运行和延长使用寿命。
同时也需要注意安全措施的落实,确保检修过程中的操作安全可靠。
35kVxx变电站预试定检施工方案批准:审核:编制:目录一、编制依据 (2)二、工程概况 (2)三、现场组织 (3)四、施工计划 (4)五、施工准备 (7)六、危险点分析与措施 (10)七、文明施工及环境保护 (11)八、现场应急处置方案 (12)一、编制依据二、工程概况2.1工程简述xx变电站是大姚35kV电网连络中的重要组成部分,变电站建成投运后,采用远方监控的运行模式。
35kV配电装置采用屋外软母线普通型单列布置,现采用双线双变接线方式。
由35kV北桂线、天桂线供电,10kV配电装置采用户外单列布置,单母线分段接线方式。
现有4回出线,主要供xx乡工、农业用电。
为保证设备的安全运行,按电力系统的有关规定,需进行定期对变电站的一、二次设备做的预防性试验及检修工作。
2.2工程任务三、现场组织3.1、施工现场组织机构本次施工人员主要为大姚供电有限公司输变电管理所变电检修班。
3.2各级人员职责3.2.1项目负责人负责组建35kVxx变电站工作组,组织审核“施工方案”并实施,对施工质量、施工安全负直接责任。
3.2.2技术负责人负责施工现场的技术组织、协调,贯彻实施工艺文件、技术标准和施工方案,负责施工质量监控,对危险源辨识及控制措施有效实施部署安排,对整个工程安全、技术工艺质量全过程管理和监督负责。
3.2.3工作现场负责人负责组织召开班前、班后会,对工作班成员仔细交待现场安全措施、危险点控制措施及安全注意事项,并认真履行安全监护职责。
对班组成员安全行为负责,督促班组成员严格遵守《电业安全工作规程》及本方案的实施。
3.2.4安全负责人负责贯彻实施安全保证措施;对安全用具、施工过程、材料库房、设备等安全事项进行检查,制定符合现场实际情况的安全措施。
督促各安全措施的执行,监督现场的安全工作,对不符安全要求的行为进行制止,负责施工人员的安全教育工作;对施工现场的安全管理和安全生产监督负责。
四、施工计划五、施工准备5.1、技术资料的准备:工作负责人组织有关人员收集有关设备技术资料,提供检修记录表格,准备相关质量标准、规程、规范。
XX工程35kV施工变压器检修方案批准:审核:编写:编制时间:目录1 工程概况 (1)1.1 编写目的 (1)1.2 变压器基本情况 (1)2 编制依据 (1)3 施工部署 (2)3.1作业准备 (2)3.2 主要施工方法 (3)3.3 施工进度 (4)4 质量控制措施 (5)4.1 拆装环境要求 (5)4.2 拆装工艺要求 (5)5 安全保证措施 (6)5.1 一般安全要求 (6)5.2 变压器拆装危险点分析及预防措施 (6)1 工程概况1.1 编写目的35kV施工变压器高压侧B相插拔头根部出现漏油现象。
经分析,初步判定为插拔头密封垫破损,需进行更换。
为保证现场更换工作能够顺利进行,确保现场施工安全,使工作人员明确拆装、更换的工艺流程、质量要求及相关注意事项,特编制本方案。
1.2 变压器基本情况施工变压器为油浸式、三相双绕组、自然油循环自冷、低损耗节能型电力变压器。
基本参数如下:生产厂家:XX电力设备有限公司安装位置:户外产品型号:S11-35000/35额定容量:35MVA额定变比: 38.5±4x2.5%/10.5kV额定频率:50Hz阻抗电压: Ud= 7%冷却方式:自然油循环自冷(ONAN)连接组标号:D,d0端子的连接方式:高压侧采用电缆插拔头方式连接;低压侧为共箱封闭母线连接2 编制依据1.施工变压器技术协议2.施工电源35kV及10kV配电施工图3.《电气装置安装工程电力变压器、油浸电抗器、互感器施工及验收规范(GB50148—2010)》。
变压器检验作业指导书标题:变压器检验作业指导书引言概述:变压器是电力系统中常见的电气设备,负责将电能从一个电路传输到另一个电路。
为了确保变压器的正常运行和安全性,进行变压器检验是必不可少的。
本文将详细介绍变压器检验的作业指导书,包括检验前的准备工作、检验过程中的注意事项以及检验后的处理措施。
一、检验前的准备工作:1.1 确认检验的目的和范围:在进行变压器检验之前,首先需要明确检验的目的和范围。
例如,是为了评估变压器的运行状况,还是为了发现潜在的故障隐患。
1.2 准备检验所需的设备和仪器:根据检验的目的和范围,准备好相应的检验设备和仪器。
这些设备和仪器可能包括电流表、电压表、温度计、绝缘电阻测试仪等。
1.3 检查变压器的外部条件:在进行检验之前,需要检查变压器的外部条件,包括外观是否完好、绝缘材料是否破损以及冷却系统是否正常运行等。
如果发现异常情况,应及时采取修复措施。
二、检验过程中的注意事项:2.1 确保安全:在进行变压器检验时,安全是最重要的。
检验人员应穿戴好防护装备,如绝缘手套、绝缘鞋等,并遵循相关的安全操作规程。
2.2 检查变压器的接线情况:在进行检验之前,需要检查变压器的接线情况,确保连接正确无误。
特别是对于高压侧和低压侧的接线,应仔细检查,避免接错导致的安全问题。
2.3 检测变压器的电气参数:在检验过程中,需要测量和记录变压器的电气参数,如电流、电压、功率因数等。
通过对这些参数的检测,可以评估变压器的运行状况和性能。
三、检验后的处理措施:3.1 分析检验结果:在完成变压器检验后,需要对检验结果进行分析。
根据检验结果,评估变压器的运行状况和性能,并判断是否存在故障隐患。
3.2 制定维修计划:如果在检验中发现变压器存在故障隐患,需要制定相应的维修计划。
维修计划应包括维修内容、维修时间和所需的人力和物力资源等。
3.3 定期进行检验:变压器是长期运行的设备,为了确保其正常运行和安全性,应定期进行检验。
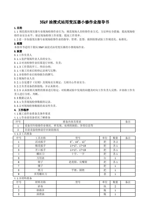
35kV油浸式站用变压器小修作业指导书1.目的1.1规范我局变压器专业现场检修作业行为,规范现场人员检修作业方式、方法和安全措施,提高现场检修作业安全水平,保证现场检修工作质量,提高工作效率。
1.2进一步加强变压器专业现场检修作业的指导、管理、监督,做到检修试验工作规范化、标准化。
2.范围本指导书适用于我局35kV油浸式站用变压器的小修现场作业。
3.职责3.1工作负责人3.1.1监护现场作业人员的安全;3.1.2对该检修作业结果进行审核、负责;3.1.3工作票的开工、终结办理;3.1.4施工结束后检修记录填写完整;3.1.5检修作业后检修报告的撰写。
3.2现场作业人员3.2.1自觉遵守《安规》及现场安全规定,互相关心作业安全。
3.2.2负责设备的拆接线,并认真核对。
3.2.3认真按相关规程的要求进行检定,对检测试验中发现的问题及时向工作负责人反馈,并协助工作负责人进行分析、判断。
3.3数据记录人3.3.1负责现场检修数据的记录。
3.3.2对现场检修数据的真实性负责。
4.工作程序4.1施工前作业准备及条件要求4.1.1作业前设备状况了解准备工具准备4.1.3材料准备作业施工环境条件要求4.1.4.1天气情况要求无雨。
4.1.4.2室外湿度要求90%以下。
4.2作业配备要求4.2.1绝缘梯要求有防滑装置。
4.2.2安全带要求有双保险配置。
4.3现场作业流程5.现场作业的安全、防护措施5.2作业需求的设备停电具体范围5.2.1变压器本体转检修:断开变压器两侧的开关、刀闸、对应的操作电源并取下二次侧熔丝。
5.2.2变压器本体包括各侧引线视为停电具体范围。
5.3设备接地措施具体要求5.3.1要求在变压器各侧引线装设接地线,并要求接触良好。
5.3.2要求设备外壳必须可靠接地。
5.4作业现场的临时遮栏、围网设备要求5.4.1要求相邻间隔带电部分一律用临时遮栏或围网围起来。
5.4.2要求在用临时遮栏或围网时,要有指定检修作业人员出入的口径及通道,若影响检修作业人员进出的话,工作负责人应向工作许可人提出,并作调整,方可作业。
简析35kV变电站检修内容及规程摘要:随着电力系统规模的扩大,电压等级的升高,大容量变压器的应用日趋增多,对变压器安全运行提出了更高的要求。
而变压器检修这项工作是保证变电站安全、可靠运行的关键环节。
本文将按照变压器检修的流程,从施工安排、检修流程、相关的工艺标准以及需要达到的效果等方面详细阐述如何进行变压器检修这一工作。
关键词:35kV;变电站;检修内容;规程一、变压器保护的研究现状和发展1.1变压器保护的研究发展近年来,新器件、新技术的应用为变压器保护的研究与发展提供了一个广阔的天地。
数字信号处理器DSP的出现,不但可以提高微机保护数据采样与计算的速度和精度,甚至可能改变往常微机保护装置的设计思想。
目前变压器主保护的研究重点在于如何提高保护的整体性能上,尤其是微机保护被大量使用后,如何充分利用微机的各种资源和特性来改善变压器保护的性能成为了研究领域的一个重要方向。
1.2母线保护的研究发展母线保护的发展经历了电磁型、晶体管型、集成电路型到微机型几个发展阶段。
近年来发展迅速的微机型母线保护,相对于其他类型的母线保护,它有着不可比拟的优势。
母线保护和其他类型的元件保护一样,采用微机型的保护是大势所趋和发展方向。
二、35kV变电站检修工作准备2.1变压器检查项目①声音是否正常;②变压器的油温和温度计应正常,油枕的油位应与温度相对应,油色透明,本体及附件无渗漏油现象;③套管油位正常,套管外部无破裂、无严重油污、无放电痕迹及其它异常现象;④引线接头紧固、无松动,电缆和母线无过热现象;⑤压力释放阀或安全气道及防爆膜应完好无损;⑥瓦斯继电器内应充满油;⑦呼吸器畅通,硅胶应干燥;⑧冷却系统运行正常;⑨变压器的电源控制箱门及照明应完好,无漏水,温度正常。
2.2工作准备①检修前,将所有材料、备件、工具、保险带准备好,并备足停电牌,接地牌,禁止攀登牌等。
②提前一天向供电局提申请,开好停电票,倒闸票,经领导审批后,交电台值班员。
广西石化公司2013年大检修变压器检修技术方案
编制:桂文吉
审核:
批准:
动力部电气装置
目录
一工程概况
二检修项目
三编制依据
四检修组织
五检修工艺及技术要求
六安全措施
一工程概况
广西石化全厂共有108台变压器,由ABB公司220KV变压器、江苏华鹏35KV变压器、广州维奥依林6KV变压器、顺特6KV干式变压器组成。
开工运行平稳,没有出现过变压器事故,在本次大检修当中重点进行常规检修、维护保养、变压器试验。
二检修项目
2.1 油变检修项目
2.1.1检查并拧紧套管引出线的接头;
2.1.2放出储油柜中的污泥,检查油位计;
2.1.3净油器及放油阀的检查;
2.1.4冷却器、储油柜、安全气道及其保护膜的检检查;
2.1.5套管密封、顶部连接帽密封衬垫的检查,瓷绝缘的检查、清扫;
2.1.6检查各种保护装置、测量装置及操作控制箱,并进行试验;
2.1.7检查有载或无载分接开关;
2.1.8充油套管及本体补充变压器油;
2.1.9检查接地装置;
2.1.10油箱及附件检查防腐;
2.1.11检查并消除已发现而就地能消除的缺陷;、
2.1.12 全面清扫
2.1.13进行规定的测量和试验。
三检修依据
3.1《石油化工设备维护检修规程(第六册)(SHS06002-2004)
3.2《电业安全工作规程》DL408-91
3.3《电力变压器检修导则》;DL/T573-95
3.4《电力变压器运行规程》;DL/T572-95
3.5《电力设备预防性试验规程》;DL/T596-1996
四检修组织
检修负责人
技术负责人
安全员
检修班组
班长
五检修工艺及技术要求
5.1油变部分
5.1冷却系统检修
5.1.1冷却风机应清洁、牢固、转动灵活、叶片完好;试运转时应无振动、过热或碰擦等情况、转向应正确;电动机操作回路、开关等绝缘良好。
5.1.2强迫油循环系统的油、水管路应完好无渗漏;管路中的阀门应操作灵活,开闭位置正确;阀门及法兰连接处应密封良好
5.1.3强迫油循环泵转向应正确,转动时应无异音、振动和过热现象;其密封应良好,无渗油或进气现象。
5.1.4差压继电器、流动继电器应经校验合格,且密封良好,动作可
靠
5.2外壳及附件的检修
5.2.1油箱及顶盖应清洁,无锈蚀、油垢、渗油。
5.2.2储油柜应清洁无渗漏,储油柜中胶囊应完整无破损、无裂纹和渗漏现象;胶囊沿长度方向与储油柜的长轴保持平行,不应扭偏;胶囊口密封应良好,呼吸应畅通。
5.2.3油位计指示应正确,玻璃完好透明无裂纹或渗油现象,油面监视线清楚。
5.2.4安全气道内壁清洁,隔膜应完好,密封良好。
5.2.5吸湿器与储油柜间的连接管密封良好;吸湿剂应干燥,油封油位应在油面线上。
5.2.6净油器内部应清洁,无锈蚀及油垢,吸湿剂应干燥,其滤网的安装位置应正确
5.2.7气体继电器应水平于顶盖安装,顶盖上标志的箭头应指向储油柜,其与连通管的连接应密封良好,连接管应以变压器顶盖为准保持有2%~4%的升高坡度,不得有急剧的弯曲和相反的斜度。
室外变压器的气体继电器防雨设施良好。
5.2.8温控器指示正确,信号接点应动作正确、导通良好,表面无裂纹、玻璃清洁透明,密封严密,接线端子牢固,引线绝缘良好。
5.2.9各种阀门操作灵活,关闭严密,无渗漏油现象。
5.2.10变压器名牌及编号牌表面清洁平整,参数齐全,字迹清楚。
5.3变压器密封及注油
5.3.1所有法兰连接面应用耐油橡胶密封垫密封;密封垫应无扭曲、变形、裂纹、毛刺;密封垫应与法兰面的尺寸配合
5.3.2法兰连接面应平整整洁;密封垫应擦拭干净无油迹,安装位置应准确;其搭接处的厚度应与原厚度相同,压缩量不超过其厚度的1/3
5.3.3变压器油必须经试验合格后,方可注入变压器中。
注入变压器的油的温度应该等于或低于线圈的温度,以免绝缘受潮。
注油后需静置,并不断打开放气塞排气,35KV以下电压等级变压器静置时间为24小时;63~110KV电压等级变压器静置时间为36小时。
静置后需调整油面至相应环境温度的油面。
5.4试验
其试验标准参变压器检修试验指导书
5.5试运
5.5.1变压器在检修结束试运前,应进行全面检查,其项目如下:5.5.1.1变压器本体、冷却装置及所有附件均无缺陷、且不渗油;5.5.1.2轮子的制动装置应牢固
5.5.1.3油漆完整,相色标志正确,接地可靠;
5.5.1.4变压器顶盖上无遗留杂物
5.5.1.5事故排油设施完好,消防设施完好
5.5.1.6储油柜、冷却装置、净油器等油系统上的阀门均应打开,阀门指示正确。
5.5.1.7高压套管的接地小套管应予接地,套管顶部结构的密封良好5.5.1.8储油柜和充油套管的油位应正常
5.5.1.9电压切换装置的位置应符合要求;有载调压切换装置远方操作应动作可靠,指示位置正确;消弧线圈分接头位置应符合整定要求;
5.5.1.10变压器的相位及接线组别应符合并列运行要求
5.5.1.11温控器指示正确,整定值符合要求
5.5.1.12冷却装置试运行正常,联动正确,水冷装置的油压应大于水压,强迫油循环的变压器应启动全部冷却装置,进行较长时间循环后,放完残留空气。
5.5.1.13保护装置整定值符合要求,操作及联动试验正确。
5.5.2变压器试运行时应按规定进行下列检查:
5.5.2.1变压器并列前应先核对相位,相位应正确;
5.5.2.2第一次受电后,持续时间不少于10min,变压器应无异常情况;
5.5.2.3变压器应进行3次全电压冲击合闸,应无异常情况;励磁涌流不应引起保护装置的误动;
5.5.2.4带电后,检查变压器及冷却装置所有焊缝和连接面,不应有渗油现象。
5.6维护与故障处理
5.6.1 检查周期
5.6.1.1发电厂和经常有人值班的变电所内的变压器每班至少检查2次,无人值班的变电所内的变压器应每天检查1次;
5.6.1.2在气候突变,雷雨天气应进行特殊巡检,当瓦斯继电器发出信号时,应进行外部检查,并放气;
5.6.1.3根据现场情况(尘土、污秽、大雾、结冰等)应相应增加检查次数,并写入现场规程内。
5.6.2 检查项目与标准
5.6.2.1运行的电压、电流正常;
5.6.2.2储油柜和充油套管的油位、油色均应正常,且不渗漏油;
5.6.2.3套管外部应清洁、无破损裂纹、无放电痕迹及其他异常现象;
5.6.2.4变压器声音正常,本体无渗油、漏油,吸湿器应完好,呼吸畅通,吸湿剂应有效;
5.6.2.5运行中的各冷却器温度应相近,油温正常,管道阀门开闭正确,风扇、油泵、水泵转动均应正常;
5.6.2.6水冷却器的油压应大于水压,从旋塞放水检查应无油迹;
5.6.2.7引线接头、电缆、母线应无发热现象;
5.6.2.8安全气道及保护膜应完好无损;
5.6.2.9瓦斯继电器内应无气体,继电器与储油柜间连接阀门应打开;
5.6.2.10变压器室的门窗应完整,房屋应无漏水、渗水,空气温度应适宜,照明和通风设施良好;
5.6.2.11净油器及其他油保护装置的工作状况应正常;
5.6.2.12有载分接开关位置指示应正确;
5.6.2.13消防设施齐全完好,事故排油设施完好;
5.6.2.14根据变压器的结构特点,还应在现场规程中补充需检查的项目。
六安全措施
6.2安全保证体系图:
6.3现场所有检修人员,必须穿戴好劳保护品
6.4检修人员必须严格执行《电业安全工作规程》,检修前,必须认真组织学习
6.5所有检修必须先办理工作票,严格执行甲方的安全管理规定
6.6进入检修现场必须符合业主的HSE要求及国家电力安全规范要求6.6在检修前,应做好工区域的安全防护措施,并做好现场检修前5分钟安全隐患排查
6.7检修期间所有人员要服从管理,严禁进入变电所等非检修区域6.8检修时必须加强成品保护,避免设备,配件受到损坏,确保检修正点完成。
保证检修四不伤害
6.9使用的电动工具需有合格证并应做好工具的接地
6.10检修现场要备有灭火器,动火作业和接临时电源必须办理动火票和用电票
6.11收工前检查现场,清点工具,切断电源
6.12及时处理现场的油污,检修垃圾做到日清理毕
附表2 工具具机具一栏表
附表3 消耗材料一览表
附表4
变压器试验记录
装置名
设备位号
称
温度℃湿度% 试验日期。