蒸煮岗位标准操作规程
- 格式:doc
- 大小:12.50 KB
- 文档页数:3
蒸煮机安全操作规程模版一、引言蒸煮机是一种广泛应用于食品生产过程中的设备,为了确保操作人员的安全,避免事故发生,制定本安全操作规程。
本规程适用于所有使用蒸煮机的操作人员,旨在规范操作流程,防范潜在的风险。
二、安全设施与装备1.操作人员必须佩戴合格的防护服和防滑鞋,严禁穿着悬挂物品的衣物;2.操作人员必须正常佩戴安全帽,保护头部安全;3.工作区域必须配备有效的通风设施,保证空气流通;4.急救箱必须放置在便捷的位置,操作人员必须掌握急救知识。
三、操作前准备1.操作人员必须参与相关技术培训并取得合格证书后方可上岗;2.检查蒸煮机是否处于正常工作状态,如有异常情况应及时报修;3.查看工作区域是否整洁,防止杂物堆积影响工作;4.准备所需原料与工具,确保工作连贯进行。
四、操作流程1.在正式操作前,启动蒸煮机进行预热,确保内部温度适宜;2.将待蒸煮的食品放入蒸煮机,注意中间件的摆放,确保均匀加热;3.关上蒸煮机的门,启动蒸汽发生器,注意不要将手伸入机器内部;4.设定蒸煮时间与温度,注意根据不同食品的蒸煮标准进行调整;5.蒸煮过程中不得随意打开蒸煮机的门,以免导致蒸汽烫伤;6.操作人员必须全程监控蒸煮过程,确保安全运行;7.蒸煮结束后,关闭蒸汽发生器,等待蒸汽排出完毕;8.在蒸煮机内无蒸汽时,可打开蒸煮机的门,将食品取出。
五、事故处理1.发现蒸煮机异常情况,应立即停机检查,并及时报修;2.如发生蒸机煮内部温度过高、发生漏电等异常情况,需立即报警并切断电源;3.发生食品煮糊、烧焦等情况时,应及时切断电源,防止火灾发生;4.操作人员必须熟悉蒸煮机的紧急停机装置,能够迅速采取相应措施。
六、例行检查与维护1.定期对蒸煮机进行全面的清洁,确保内部无残留物;2.检查蒸汽发生器的工作状态和压力,确保安全使用;3.检查蒸煮机的门密封性能,并及时更换损坏的密封垫;4.定期对蒸煮机进行润滑,保证设备正常运行。
七、操作人员培训与考核1.新进操作人员必须参加必要的培训并通过考核方可操作蒸煮机;2.定期组织操作人员进行技术学习和安全知识培训;3.建立操作人员的安全责任制度,确保操作人员时刻关注安全问题;4.定期进行操作人员的安全意识考核,落实安全教育。
一、目的:建立蒸煮岗位标准操作程序,确保药材蒸煮后质量达炮制规范要求。
二、范围:适用于蒸煮岗位操作全过程。
三、责任者:操作工、班长、质量检查员四、程序:1.准备:1.1检查现场状态标志应符合规定;1.2领取本岗位批生产记录1.3检查蒸煮锅及工具是否按规定清洁;1.4领取各种记录、凭证、并替换状态标志。
2.操作:2.1按“在生产”指令领取需蒸煮的药材,核对品名、批号、数量。
2.2将加工物料放至蒸煮间准备蒸煮处理,并根据生产工艺要求准备辅料,选择下列相应的蒸制、煮制、掸制方法。
2.2.1蒸制:按照工艺规程取净药材(清蒸),或取净药材加辅料(酒、醋等)置容器内,拌匀,放入蒸煮锅蒸架网上。
检查蒸煮锅放空口,温度表及底部的排液口有无堵塞,确保各进出管道无堵塞,在蒸煮锅中加入适量的饮用水,盖上锅盖进行加热,当锅内温度达到100℃时开始计时,达到产品工艺要求蒸制时间或抽检已达到规定程度,放尽锅内余气,再打开排液口,排完水汽。
确认锅内已无余压,再打开上锅盖,取出蒸制后的物料,置洁净容器内,待干燥,启动电动机,将锅内余水慢慢倾倒出来,结束蒸煮。
2.2.2煮制:取净药材,按照工艺规程加入液体辅料或固体辅料(预先捣碎)及适量的饮用水置蒸煮锅中,检查蒸煮锅放空口,温度表及底部的排液口有SOP—T—004—1 第 2 页共 2 页无堵塞,确保各进出管道无堵塞,盖上锅盖进行加热,当锅内温度达到100℃时开始计时,煮至辅料汁吸尽或达到规定程度时,放尽锅内余气,再打开排液口,排完水汽。
确认锅内已无余压,再打开上锅盖,取出煮制后的物料,置洁净容器中,待干燥。
启动电动机,将锅内余水慢慢倾倒出来,结束蒸煮,物料转入下道工序。
2.2.3、掸制:检查蒸煮锅放空口、温度表及底部的排液口有无堵塞确保各进出管道无堵塞,在蒸煮锅中加入适量饮用水盖上锅盖进行加热,至锅内水沸腾时,投入需掸制的药材,翻动片刻,捞出,或将种子类药材掸至种皮由皱缩至舒展能搓去时捞出,放入冷水中浸泡,除去皮,置洁净容器中,待干燥,转入下道工序。
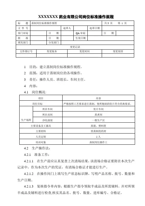
XXXXXXX药业有限公司岗位标准操作规程1 目的:建立蒸制岗位标准操作规程。
2 范围:适用于蒸制岗位的各项操作。
3 责任:操作人员、班组长、车间主任。
4 内容:4.2 生产操作法:4.2.1 准备工作:4.2.1.1 在生产前应认真复查上次清场结果,该清场合格证要附在本次生产记录中,作为本次生产的凭证,有清场合格证才能进行生产。
4.2.1.2 在操作间门上填写生产状态标识牌,写明产品名称、批号、数量和生产日期。
4.2.1.3 复核指令单内容,根据生产指令领取半成品及所需辅料。
并对所领半成品及辅料进行检查,核实其品名、批号、数量、进库编号、合格证。
4.2.1.4 检查所用蒸药箱及其他工具是否齐备,所用物料筐是否能满足本次生产需要。
4.2.1.5 检查吸尘罩是否能正常工作。
4.2.2 生产操作方法:4.2.2.1取待炮炙品,大小分档,按各品种炮制项下的规定,加清水或液体辅料拌匀、润透,置蒸药箱内,用蒸汽加热至规定程度,取出,稍晾,拌回蒸液,再晾至六成干,切片或段,干燥。
4.2.2.2 待放晾后,方可进行包装,若药材未晾,不得进行包装。
4.2.3 重点操作的复核与复查。
由操作工对所领取半成品及辅料的品名、真伪、数量进行检查,班长复核,在蒸制过程中,要注意温度。
4.2.4 结束工作:4.2.4.1 填写生产记录,擦去生产状态标识牌上填写的内容。
4.2.4.2 清场:4.2.4.2.1 炮制完一种药材后,将蒸药箱清洗后,用抹布将其抹至见本色。
4.2.4.2.2 用扫把将地面的灰尘、残渣扫于垃圾桶内。
4.2.4.2.3 将所用塑料筐用饮用水清洗至见本色后放于清洁器具存放间。
4.2.4.2.4 将清扫后的地面用拖把拖至无污物、无灰尘。
4.2.4.2.5 填写清场记录,获得清场合格证后,在操作间门上挂上“已清场”标识牌。
5 半成品质量标准及控制:符合相应饮片的半成品质量标准。
6 安全劳动和保护:炮制操作间须有降温、除尘等设施。
蒸煮机安全操作规程模版第一章总则第一条为了保障蒸煮机的安全运行,防止意外事故发生,制定本安全操作规程。
第二条本规程适用于蒸煮机的操作人员。
第三条操作人员必须严格遵守本规程的各项要求,加强安全意识和责任心,提高安全技能,确保蒸煮机的安全运行。
第四条有效的安全措施、作业程序、个人防护装备、紧急救援和急救培训必须采取以减少蒸煮机操作人员受伤害和健康损害的风险。
第二章蒸煮机的基本安全规定第五条蒸煮机周围必须保持清洁,无杂物存放,防止堆积垃圾和易燃物。
第六条只有经过培训、熟悉蒸煮机操作规程并取得操作资格证明的人员才能进行蒸煮机的操作。
第七条操作开始前,需要对蒸煮机的运行部位进行检查,排除故障。
第八条客户只有正式签署安全责任书后,方可进行操作和检修,履行各项安全义务。
第九条操作人员操作蒸煮机时,必须集中注意力,不得分散注意力进行其他工作。
第十条操作人员不得将蒸煮机用于除相关业务以外的其他用途。
第十一条在蒸煮机运行过程中,不得随便调整和更改蒸汽压力和温度。
第十二条蒸煮机需定期维护检修,操作人员需定期接受培训,提高安全意识和技能。
第十三条一旦蒸煮机出现故障,在未排除故障前,操作人员禁止进行操作,必须立即通知维修人员。
第三章蒸煮机的操作规程第十四条操作人员在操作蒸煮机前,必须穿上防护服,并戴好安全帽和耳塞。
第十五条操作人员在操作蒸煮机前,需检查蒸煮机的各个部位是否牢固,防护装置是否完好。
第十六条操作人员在操作蒸煮机前,需检查废水口和蒸汽排口是否通畅。
第十七条操作人员在操作蒸煮机时,需先将蒸煮机的开关调至“关”位,然后接通电源。
第十八条操作人员在操作蒸煮机时,需按照要求将食品放入蒸煮机内。
第十九条操作人员在操作蒸煮机时,需设置蒸汽压力和温度,按照食品特点进行调整。
第二十条操作人员在操作蒸煮机时,需及时观察蒸煮过程中的各项指标,确保食品煮熟。
第二十一条操作人员在操作蒸煮机时,需保持周围环境整洁,防止食品残渣堆积。
第四章蒸煮机的紧急处理措施第二十二条操作人员在发现蒸煮机存在危险时,应立即停止操作,通知相关部门,并采取适当的紧急处理措施。
1 主题内容及运用范围本规程规定了中药材蒸煮岗位的标准操作程序。
本规程适用于中药饮片生产过程中的中药材蒸煮工序。
2 引用标准《中华人民共和国药典》2010年版一部《山东省中药炮制规范》2002年版3 职责操作员:严格按标准操作规程操作。
质量员:确保整个生产过程符合工艺质量要求。
车间主任:负责全过程的监督管理。
4 操作标准4.1 蒸煮前准备4.1.1 蒸煮前须作好烫制车间内外,机器设备、工具的清场检查工作,在有效期内的“已清洁”、“完好”状态标识。
4.1.2 穿洁净卫生统一的工作服,戴工作帽;毒剧药材应有防毒面具及胶皮手套。
4.1.3 准备好蒸煮工具,按《蒸煮锅标准操作规程》调试好蒸煮锅。
4.1.4 将“已清洁”标识取下换上填有相关内容的“生产状态标识”。
4.2 操作过程4.2.1 按生产指令接上工序转来的原料,按规定领取定量的辅料。
检查原料的品名、规格、批号、数量、质量、产地,并填写原料标示卡及生产工艺流程卡。
4.2.2 根据生产指令,分别采用清蒸、酒蒸、醋蒸、清水和辅料煮、酒炖、醋煮、燀法(水烫)、提净法、姜炙法、姜煮法等适当的方法进行蒸煮。
4.2.2.1 清蒸法将净药材放在蒸煮锅内,通入蒸汽,蒸至透或规定程度时,取出,干燥。
4.2.2.2 酒蒸法将净药材用定量黄酒拌匀,闷润至黄酒被吸尽,放在蒸煮锅内,通入蒸汽,等圆气后再蒸4~8小时,焖4~8小时,至蒸透或规定的程度时(如不符合程度要求可再复蒸一次)取出,摊晾至外皮微干时,再将蒸时所得原汁的浓缩液拌入,吸尽干燥,或切片后干燥。
4.2.2.3 醋蒸将净药材用定量米醋拌匀,闷润至吸透,放在蒸煮锅内,通入蒸汽,等圆气后蒸4~8小时,至蒸透或规定的程度时(如不符合程度要求可再复蒸一次),取出,干燥。
4.2.2.4 清水和辅料煮将净药材放在蒸煮锅内,加入适量清水或定量辅料,用文火煮至液体完全被吸尽或将药材切开检视无白心时,取出,干燥。
如需切片的,应闷润至药材内外柔软适中时,切片,干燥。
蒸煮机安全操作规程范本第一章总则第一条为了确保蒸煮机的安全运行,预防事故发生,特制定本规程。
第二条本规程适用于所有使用蒸煮机的人员。
第三条使用蒸煮机人员必须具备相关操作技能,严格遵守本规程,确保操作安全。
第四条对于不按照规定操作蒸煮机导致事故的,应追究相应责任。
第五条蒸煮机的维护和保养必须按照规定进行,确保设备的正常运行。
第六条外来人员进入蒸煮机作业区域必须经过安全培训,并有具备相关证书。
第七条工作单位应制定相应的紧急救援预案,并定期组织演练。
第二章设备安全规定第八条设备选择和设置1. 选择具有合格证书的蒸煮机设备。
2. 设置在平坦,坚固的地面上,保证设备的稳定性。
3. 安装时要考虑通风、排气和防火。
第九条电气安全1. 设备必须接地,确保电气安全。
2. 严禁用湿手操作电源开关。
3. 发现电气故障应立即停止使用,及时安排维修。
第十条管道安全1. 确保供气管道畅通无漏气现象。
2. 压力表必须保持清洁、准确。
3. 严禁私拉电线或乱接电线接口。
第十一条过热保护1. 蒸煮机必须安装过热保护装置。
2. 出现过热情况应停机检修,排除故障后方可继续使用。
第十二条废气排放1. 废气排放管道必须与室外管道相连。
2. 废气排放口不能堵塞,以防安全事故。
第十三条设备维护1. 设备维护由专门人员进行,确保设备处于安全状态。
2. 定期检查设备的电气连接、密封状况,及时调整、更换。
第三章操作安全规定第十四条准备工作1. 操作前应检查蒸煮机的外观是否完好,是否有异常情况。
2. 确认操作人员已经得到培训和指导。
3. 检查所用器具的完好性和合适性。
第十五条操作步骤1. 必须按照蒸煮机的使用说明进行操作。
2. 严禁擅自调整蒸煮机的设置参数。
3. 操作过程中应注意安全,不得随意触摸蒸煮机的各个部位。
第十六条操作中的注意事项1. 蒸煮机内部温度非常高,不得将身体部位伸入。
2. 操作人员必须穿着合适的工作服,避免被热蒸汽伤害。
3. 操作人员必须经常观察蒸煮机的动作,及时发现异常情况。
汽蒸煮练机安全操作规程模版一、总则本安全操作规程是为了保障汽蒸煮练机的安全运行,预防事故发生,保护人身安全和设备财产安全。
所有操作人员必须严格按照本规程执行操作。
二、操作人员要求1. 操作人员必须接受相关培训并取得相应的操作证书方可上岗操作;2. 操作人员必须了解汽蒸煮练机的基本结构、工作原理和操作流程;3. 操作人员必须熟悉每个操作步骤的安全规定和控制措施;4. 操作人员必须严格遵守操作规程,严禁擅自更改设备设置和参数;5. 操作人员必须熟悉各类紧急停机装置和应急措施。
三、操作前的准备工作1. 操作人员必须进行设备安全检查,确保设备正常;2. 操作人员必须检查进出蒸煮室管道、阀门等设备是否正常;3. 操作人员必须检查汽蒸煮练机的上下限位开关是否正常,是否能够准确停止;4. 操作人员必须检查电源和控制系统是否正常工作;5. 操作人员必须穿戴好劳动防护用具,包括防护服、手套、安全帽等;6. 操作人员必须确保工作场所整洁,没有杂物阻碍操作。
四、操作流程1. 操作人员必须按照所学培训内容和操作手册进行操作;2. 操作人员必须严格按照操作顺序进行操作,不得跳过任何步骤;3. 操作人员在操作之前必须确认好所有的控制开关和操作按钮的功能和作用;4. 操作人员必须按照操作手册要求正确设置各项参数,包括时间、温度、压力等;5. 操作人员必须确保设备的运行状态正常,不得擅自停止运行或改变运行模式;6. 操作人员必须密切观察设备运行状态,如发现异常情况必须及时停机检修;7. 操作人员在操作过程中必须保持专注,不得进行与操作无关的其他活动;8. 操作人员在操作结束后必须按照操作要求进行设备停机和清洁。
五、应急措施1. 在设备故障、异常情况或发生意外事故时,操作人员必须立即停止设备运行;2. 操作人员必须迅速向相关责任人报告紧急情况,并按照应急预案执行相应的措施;3. 操作人员必须熟悉各类紧急停机装置的使用方法,并能够独立操作;4. 操作人员必须熟悉各类灭火器材的使用方法,并能够正确使用;5. 操作人员必须知道灭火器材的存放位置,并保持通道畅通,以确保救援人员能够迅速到达。
蒸汽安全操作规程
1. 操作要求:
要求操作员熟悉本操作程序,了解各注意事项及安全措施
2. 操作说明
2.1打开电源
2.2设置所需温度
2.3启动循环风机,检查风机工作是否正常
2.4只有在达到所需温度后才能进行蒸煮
2.5缝纫头衬里确保布料进入布料时表面平整
2.6操作已完成,关掉电源,开门降温
3、安全注意事项:
3.1、用手理布,切勿用手靠近旋转的橡胶辊。
3.2、在接触到保险粉、片碱、冰醋酸和其他高腐蚀性化学品,必
须配戴好口罩、手套、防护眼镜等劳动保护用品,否则不得从事作业。
3.3、在处理橡胶辊和螺杆布之间的褶皱时,严禁用去理,以防手
带入轧伤。
1 主题内容及运用范围本规程规定了中药材蒸煮岗位的标准操作程序。
本规程适用于中药饮片生产过程中的中药材蒸煮工序。
2 引用标准《中华人民共和国药典》2010年版一部《山东省中药炮制规范》2002年版3 职责操作员:严格按标准操作规程操作。
质量员:确保整个生产过程符合工艺质量要求。
车间主任:负责全过程的监督管理。
4 操作标准4.1 蒸煮前准备4.1.1 蒸煮前须作好烫制车间内外,机器设备、工具的清场检查工作,在有效期内的“已清洁”、“完好”状态标识。
4.1.2 穿洁净卫生统一的工作服,戴工作帽;毒剧药材应有防毒面具及胶皮手套。
4.1.3 准备好蒸煮工具,按《蒸煮锅标准操作规程》调试好蒸煮锅。
4.1.4 将“已清洁”标识取下换上填有相关内容的“生产状态标识”。
4.2 操作过程4.2.1 按生产指令接上工序转来的原料,按规定领取定量的辅料。
检查原料的品名、规格、批号、数量、质量、产地,并填写原料标示卡及生产工艺流程卡。
4.2.2 根据生产指令,分别采用清蒸、酒蒸、醋蒸、清水和辅料煮、酒炖、醋煮、燀法(水烫)、提净法、姜炙法、姜煮法等适当的方法进行蒸煮。
4.2.2.1 清蒸法将净药材放在蒸煮锅内,通入蒸汽,蒸至透或规定程度时,取出,干燥。
4.2.2.2 酒蒸法将净药材用定量黄酒拌匀,闷润至黄酒被吸尽,放在蒸煮锅内,通入蒸汽,等圆气后再蒸4~8小时,焖4~8小时,至蒸透或规定的程度时(如不符合程度要求可再复蒸一次)取出,摊晾至外皮微干时,再将蒸时所得原汁的浓缩液拌入,吸尽干燥,或切片后干燥。
4.2.2.3 醋蒸将净药材用定量米醋拌匀,闷润至吸透,放在蒸煮锅内,通入蒸汽,等圆气后蒸4~8小时,至蒸透或规定的程度时(如不符合程度要求可再复蒸一次),取出,干燥。
4.2.2.4 清水和辅料煮将净药材放在蒸煮锅内,加入适量清水或定量辅料,用文火煮至液体完全被吸尽或将药材切开检视无白心时,取出,干燥。
如需切片的,应闷润至药材内外柔软适中时,切片,干燥。
标准操作规程目的:建立一个车间蒸煮岗位操作规程,使其操作符合工艺规程要求。
范围:适用于车间蒸煮岗位。
责任者:车间管理人员、班组长、QA检查员有权监督操作人员执行。
规程:1.准备工作1.1 检查车间蒸煮间卫生是否符合该区域清洁卫生要求,生产和更换批号、品种时,必须取得清场合格证方可进行操作。
1.2 检查“蒸煮锅”是否性能完好,有“设备完好”标牌,按清洁规程进行处理。
另外还需检查附属设备(泵、仪器、仪表等)是否符合要求。
如紧固件应无松动,零部件齐全完好,润滑点已加油润滑,且无泄露,密封件无泄露,开关灵敏正常,系统清洁、通畅。
1.3 检查生产用具、要求清洁干燥,符合要求。
1.4 接称量净制的药材。
2.操作法:2.1蒸煮分清蒸法、加辅料蒸法、煮法。
根据生产指令要求进行生产。
2.1.1清蒸法:将净药材倒入蒸煮锅,根据生产工艺蒸炙一定时间,取出后切片,干燥。
过筛,定额包装。
如:黄芩、川楝子。
2.1.2加辅料蒸法:取净药材,照各该品种炮制项下的规定,加入液体辅料拌匀(清蒸除外),置适宜的容器内,加热蒸透或至规定的程度时,取出,干燥。
2.1.3煮法:取净药材加水或液体辅料共煮,辅料用量照各该品炮制项下的规定,煮至液体完全被吸尽,或切开内无白心时,取出,干燥。
2.2 蒸煮完毕,关闭蒸汽阀门,记录时间、数量等。
2.3 操作人员填写中间体交接单递交下工序。
3. 填写工序批记录。
标准操作规程4. 设备清洁或清场4.1. 按设备“清洁规程”对设备进行清洁;按车间清场SOP进行认真清场。
4.2. 填写设备清洁记录或清场记录,经QA检查员检查合格并签字后在设备上挂上“已清洁”状态标志、在门上挂上清场合格证。
蒸煮工艺操作要点及工作标准蒸煮工艺操作要点:在夹层锅内放入一定数量的水打开气阀2个压左右,烧开两分钟后放入分割成型的肉块,放入的肉块离锅口应不低于20公分的距离,以防止淤锅大火煮15—20分钟后转入小火再煮30分钟左右出锅,通过物料通道输送到切块车间。
CZG-1多功能炒煮锅操作指南1、开启本机前,应检查蒸汽管道上装有的减压装置及安全阀是否完好,确定安全方可开启。
2、每次开机前应先把筒内的冷凝水放净,然后再缓慢截止阀,观察焊接或接头处是否有漏气现象,如正常则可加料运行,一般蒸汽工作压力不得高于0.3MPa,正常使用为0.2MPa。
3、内胆的内壁在使用前应涂少量食用油,以防止收汤时肉片和筒内壁粘结。
4、注意事项:A、设备安装时必须要有可靠的外壳接地,确保安全用电。
B、减速器及后部轴承处应定期添加润滑油。
C、在条件许可的情况下,本机不使用时也应通少量蒸汽,这样可适当延长设备的使用寿命。
蒸煮工作标准及要求:1. 根据工作任务要求和安全生产的相关规定在指定时间内按操作要点完成蒸煮任务。
2.将煮好的孰肉依据放到不锈钢架子上冷却,确保肉块不能洒落地面,如有落地现象应及时捡起并于清洗后放置到冷却架。
3.煮出的肉有有利于切粒、切片、成丝、条状等,有利于提高产品的出品率。
4.及时了解后序工艺的反馈情况,及时调整改正指出的工艺缺陷,确保后工段的满意率。
5.严格把好质量关,工作过程中通过感官、嗅觉准确做出判断,确保无变质肉块流入下一工段。
6.依据不同季节、不同肉质、不同肉块等灵活做出判断选择蒸煮方法,确保无人为操作失误造成变质和出品率下降。
7.及时清理煮锅内的油污,并按照要求进行撇油精炼,在结束前将生产过程产生的生产垃圾,按照公司规定的卫生要求确保生产场地、工器具、更衣室及相应设施的卫生达标并认真做好交接及相关记录。
8.完成上级交给的其它工作任务。
113蒸煮岗位标准操作规程文件编号:LT0300800山西振东道地药材部门:题目:蒸煮岗位标准操作规程第1 页共2 页起草人:日期:审核人:日期:批准人:日期:生效日期:颁发部门:分发部门:变更记载:修订号:修订日期:批准日期:变更原因及目的:目的:建立蒸煮岗位标准操作程序,确保药材蒸煮后质量达炮制规范要求。
范围:适用于蒸煮岗位操作全过程。
责任者:操作工.班长.质量检查员内容:1.准备:1.1 检查现场状态标志应符合规定;1.2 领取本岗位批生产记录1.3 检查蒸煮锅及工具是否按规定清洁;1.4 领取各种记录.凭证.并替换状态标志。
2.操作:2.1 按“在生产”指令领取需蒸煮的药材,核对品名.批号.数量。
2.2 将加工物料放至蒸煮间准备蒸煮处理,并根据生产工艺要求准备辅料,选择下列相应的蒸制.煮制.掸制方法。
2.2.1 蒸制:按照工艺规程取净药材(清蒸),或取净药材加辅料(酒.醋等)置容器内,拌匀,放入蒸煮锅蒸架网上。
检查蒸煮锅放空口,温度表及底部的排液口有无堵塞,确保各进出管道无堵塞,在蒸煮锅中加入适量的饮用水,盖上锅盖进行加热,当锅内温度达到100℃时开始计时,达到产品工艺要求蒸制时间或抽检已达到规定程度,放尽锅内余气,再打开排液口,排完水汽。
确认锅内已无余压,再打开上锅盖,取出蒸制后的物料,置洁净容器内,待干燥,启动电动机,将锅内余水慢慢倾倒出来,结束蒸煮。
2.2.2 煮制:取净药材,按照工艺规程加入液体辅料或固体辅料(预先捣碎)及适量的文件编号:LT0300800部门:题目:蒸煮岗位标准操作规程第2 页共2 页饮用水置蒸煮锅中,检查蒸煮锅放空口,温度表及底部的排液口有无堵塞,确保各进出管道无堵塞,盖上锅盖进行加热,当锅内温度达到100℃时开始计时,煮至辅料汁吸尽或达到规定程度时,放尽锅内余气,再打开排液口,排完水汽。
确认锅内已无余压,再打开上锅盖,取出煮制后的物料,置洁净容器中,待干燥。
蒸煮岗位管理制度第一章总则第一条为加强蒸煮岗位管理,规范蒸煮操作流程,提高工作效率和产品质量,特制定本制度。
第二条本制度适用于所有蒸煮岗位工作人员,包括蒸煮操作工、蒸煮班长等。
第三条蒸煮岗位管理应遵循安全、高效、规范的原则,确保生产过程安全可靠。
第四条所有蒸煮岗位工作人员应严格遵守本制度规定,加强学习培训,提升技能水平。
第五条蒸煮岗位管理应与生产管理和质量管理相结合,共同推动企业发展。
第二章蒸煮岗位职责第六条蒸煮操作工应掌握蒸煮设备的操作方法和技巧,负责蒸煮过程的操作和监控。
第七条蒸煮班长应协调蒸煮岗位工作人员的工作,负责蒸煮生产计划的制定和执行。
第八条蒸煮岗位工作人员应按照生产计划,保证蒸煮设备的正常运行,保证产品质量。
第九条蒸煮岗位工作人员应定期清洁和维护蒸煮设备,确保设备处于良好状态。
第十条蒸煮岗位工作人员应加强安全意识,严格遵守作业规程,防范事故发生。
第三章蒸煮岗位操作流程第十一条蒸煮操作工在蒸煮过程中应按照操作要求,控制蒸煮参数,保证产品质量。
第十二条蒸煮班长在蒸煮过程中应密切监控蒸煮设备运行情况,及时调整产量和工艺。
第十三条蒸煮岗位工作人员应及时记录蒸煮过程中的关键参数,做好数据统计和分析。
第十四条各蒸煮岗位工作人员应密切配合,保证蒸煮生产过程的顺利进行。
第十五条蒸煮岗位工作人员应根据生产需要,合理安排蒸煮设备的使用和维护。
第四章蒸煮岗位考核评价第十六条蒸煮岗位工作人员的工作绩效应按照公司相关规定进行考核评价。
第十七条蒸煮岗位工作人员应定期参加培训学习,不断提升技能水平和工作能力。
第十八条蒸煮岗位工作人员应积极配合公司安排的考核评价工作,接受监督和管理。
第十九条蒸煮岗位工作人员的考核结果将作为岗位晋升和奖惩的依据。
第五章附则第二十条本制度自发布之日起正式执行,如有异议,请及时向公司人力资源部门反馈。
第二十一条具体蒸煮岗位管理事宜,可根据实际情况进行调整和补充。
第二十二条本制度最终解释权归公司所有,未尽事宜请咨询公司相关部门。
车间蒸煮工岗位职责车间蒸煮工是指在食品加工生产车间从事蔬菜、肉类等食材的蒸煮工作的人员。
他们是保障食品安全和质量的重要一环,负责掌握和操作蒸煮设备,以确保食材煮熟并符合卫生标准。
本文将详细介绍车间蒸煮工的岗位职责。
一、规范操作流程作为车间蒸煮工,首先需要熟悉并掌握食品蒸煮的操作流程。
在蒸煮前,需要对食材进行准备工作,如清洗、切割等。
然后根据产品工艺要求,将食材放入蒸煮锅中,并按照设定的时间和温度进行蒸煮。
蒸煮过程中需要根据实际情况调整火力,保证食材的煮熟程度。
同时,还需要对锅内的沉淀物进行及时清理和处理,确保设备的卫生和安全。
二、严格执行卫生标准在进行食品蒸煮作业时,车间蒸煮工需要严格执行卫生标准,确保所制作的食品符合安全与卫生要求。
他们需要按照相关的操作规程进行操作,特别是在处理肉类等易变质食材时,要加强个人防护,避免交叉污染。
此外,蒸煮设备的清洁也是非常重要的,车间蒸煮工需要及时对设备进行清洗消毒,并记录清洗情况。
三、负责设备维护车间蒸煮工需要掌握蒸煮设备的使用方法,并对设备进行定期维护保养。
他们需要检查设备的工作状态,确保各项指标符合要求。
如果发现设备出现异常,需要及时报告维修部门进行处理。
同时,还需要做好设备的清洁工作,保持设备的整洁和良好的工作环境。
四、加强团队协作作为车间蒸煮工,与其他职位的人员之间需要密切配合,形成良好的团队协作氛围。
他们需要积极与调配员、采购员等人员沟通,及时了解各类食材的库存情况和产量需求。
此外,还需要与检验员等人员紧密合作,共同把控食品的品质和安全。
五、严格执行安全规定在车间蒸煮工作过程中,安全意识是非常重要的。
他们需要穿戴符合卫生和安全规定的工作服和工作鞋,并佩戴相关个人防护用品。
在操作蒸煮设备时,要遵守相关操作规程,避免发生事故。
此外,还要积极参加相关的安全培训,不断提高自身的安全意识和应变能力。
六、记录和汇报工作情况车间蒸煮工需要做好工作记录和汇报,以供管理层进行分析和决策。
永和初中蒸煮间工作规范
1、严格遵守岗位操作规程,确保安全。
2、工作人员工作服、帽等应穿戴整齐,头发不得外露,工作服应完全盖住内衣。
3、工作人员上岗前用75%酒精对手套进行清洗、消毒。
4、员工进入蒸煮间前,衣帽必须进行消毒处理。
5、工作人员出车间时,不得将正在使用的工作服、帽等带出更衣室。
工作服、帽等每天使用后应进行消毒。
6、手、面部有化脓性感染和有腹泻的人员,必须立即调离岗位,防止细菌毒素和致病菌污染食品。
7、加工前应认真检查待加工食品,发现有腐败变质迹象或者其他感官性状异常的,不得加工和使用。
禽蛋在使用前应对外壳进行清洗,必要时消毒处理。
8、米、豆类及其它原材料必须拣洗干净,方可入锅。
9、生豆浆含有一种有害化学物质,烧煮时将上涌泡沫除净(假沸现象),煮沸后再维持煮沸5-10分钟才能食用。
10、加工后的食品要放入清洁容器内,尽量缩短在常温下的存放时间,在规定时间内及时送达包装车间包装。
11、加工后的成品应与半成品、原料分开存放,需要冷藏的熟制品,应尽快冷却后再冷藏。
12、加工用的工具、容器、设备必须经常清洗,保持清洁,直接接触食品的加工用具、容器必须彻底消毒。
蒸煮机安全操作规程范本第一章总则一、根据国家相关法律法规和标准,制定本安全操作规程,旨在确保蒸煮机的正常运行,保护工作人员的人身安全以及防止设备损坏。
二、蒸煮机的操作应严格按照本规程进行,保持机器整洁、干燥,并进行定期保养与维护。
三、本规程适用于所有使用蒸煮机及相关设备的工作人员。
第二章设备前的准备一、工作人员进入蒸煮机操作区域前,应佩戴防护帽、防护口罩、工作服和安全鞋等个人防护装备。
二、蒸煮机及周围应保持清洁,无杂物阻挡。
三、使用蒸煮机前,应检查电源及线缆是否完好并接地可靠,避免电气故障造成的安全事故。
四、蒸煮机运行前,应检查水位是否在正常范围内,防止缺水导致机器过热。
第三章操作规程一、打开蒸煮机前,应确保操作区域无人,防止工作人员因不慎触及运转部件而发生危险。
二、严禁将手或其他物体伸入蒸煮机内,以免被夹伤或烫伤。
三、操控蒸煮机时,应依次按下启动按钮,务必遵循正确的启动顺序。
四、当发生异常情况时(如机器有异常噪音、异味等),应立即停止使用蒸煮机,并及时通知维修人员进行检修。
五、操作人员不得擅自修理蒸煮机,如出现故障应立即报告维修人员。
六、操作结束后,应将蒸煮机断开电源并切断气源,确保安全。
第四章紧急故障处理一、在蒸煮机发生紧急故障时,应立即切断电源,并迅速将带电部件与水隔离,防止电流通过水传导导致触电事故。
二、如发生机器过热现象,应立即切断电源,并启动紧急停止按钮,待机器降温后方可重新启动。
三、如遇煤气泄漏,应立即切断气源,并通知专业人员进行排除。
第五章日常维护与保养一、定期维护蒸煮机,包括清洗机器内外部污渍、检查电路及连接部位、修正并更换磨损配件等。
二、清洗设备前,应断开电源并切断气源,以防止电击和燃气泄漏。
三、定期擦拭蒸煮机外壳,保持机器的整洁干净。
四、定期检查蒸煮机设备的松动情况,如有松动应及时紧固,保证安全运行。
第六章废弃及事故报告一、废弃蒸煮机时,应将机器切断电源及气源,并委托专业人员进行处理,不可随意丢弃。
蒸煮岗位标准操作规程
文件编号:LT0300600山西振东道地药材部门:生产部题目:蒸煮岗位标准操作规程第1 页共2 页起草人:日期:审核人:日期:批准人:日期:生效日期:颁发部门:分发部门:变更记载:修订号:修订日期:批准日期:变更原因及目的:
1.目的:建立文件使切制工序的整个生产过程标准化.规范化。
严格控制中药饮片生产过程中中药材的蒸煮的操作。
2. 范围:本文件适用于蒸煮岗位生产操作。
3. 职责:岗位操作人员按本规程进行操作;车间管理人员负责对本规程的监督实施;QA 现场监控员负责监督和检查工序的操作是否规范标准。
4. 内容
4.1 检查
4.1.1 检查现场的清场情况是否符合规定;生产指令要求物料是否符合规定;生产工艺规定个操作条件及生产工具.设备是否符合要求。
4.1.2 操作人员将需加工的药材按定置管理要求放在筛选间的规定位置。
4.1.3 检查电源.设备的空载运行是否正常。
4.1.4 填写生产记录.核对有关记录参数包括物料的名称.规格.批号等;同时将设备“未运行”状态标记换成“运行中”的状态标记。
4.2 煮的操作取净药材,按照工艺规程加入液体辅料或固体辅料(预先捣碎)及适量的饮用水置蒸煮锅中,检查蒸煮锅放空口,温度表及底部的排液口有无堵塞,确保各进出管道无堵塞,盖上锅盖进行加热,当锅内温度达到100℃时开始计时,煮至辅料汁吸尽或达到规定程度时,放尽锅内余气,再打开排液口,排完水汽。
确认锅内已无余压,再打开上锅盖,取出煮制后的物料,置洁净容器中,待干燥。
启动电动机,将锅内余水慢慢倾倒出来,结束蒸煮,物料转入下道工序。
文件编号:LT0300600部门:生产部题目:蒸煮岗位标准操作规程
第2 页共2 页
4.3 蒸的操作按照工艺规程取净药材(清蒸),或取净药材加辅料(酒.醋等)置容器内,拌匀,放入蒸煮锅蒸架网上。
检查蒸煮锅放空口,温度表及底部的排液口有无堵塞,确保各进出管道无堵塞,在蒸煮锅中加入适量的饮用水,盖上锅盖进行加热,当锅内温度达到100℃时开始计时,达到产品工艺要求蒸制时间或抽检已达到规定程度,放尽锅内余气,再打开排液口,排完水汽。
确认锅内已无余压,再打开上锅盖,取出蒸制后的物料,置洁净容器内,待干燥,启动电动机,将锅内余水慢慢倾倒出来,结束蒸煮。
4.4 废弃物处理
4.4.1 操作人员把剩余的废料称量后,按照《生产废弃物管理规程》处理。
4.5 清场
4.5.1 岗位操作人员按《清场管理标准》清场。
4.5.2 清场结束通知 QA 现场检查;将有关状态标志根据要求进行更换。
4.5.3 填写记录,将生产指令与生产记录交下工序。
4.6 岗位质量检查要求
4.6.1 核查物料的品名.规格.数量.批号是否与领料单及生产指令一致,检查物料是否有检验合格证。
4.6.2 核查润药的情况和切制的效果。