SCS电子汽车衡使用说明书
- 格式:doc
- 大小:66.17 KB
- 文档页数:8
电子汽车衡使用说明方案电子汽车衡是一种高精度电子称量设备,主要用于汽车称重和车辆进厂出厂的重量检测。
它使用了先进的电子称重技术,能够精确测量车辆的重量,并通过显示屏和计算机软件进行数据记录和处理。
本文将详细介绍电子汽车衡的使用说明方案。
一、安全使用1.使用前,请确保电子汽车衡放置在平坦稳固的地面上,并保持水平状态。
2.车辆驶入和离开电子汽车衡时,请保持缓慢平稳的行驶,并避免急刹车和加速。
3.车辆进入电子汽车衡之前,请确保车辆的重心平衡,并将车辆驶入衡台中央。
4.不要在电子汽车衡上停留过久,以免对设备造成损坏。
二、使用步骤1.打开电子汽车衡的电源开关,并等待设备自检完成。
2.确保电子汽车衡显示屏上显示的重量为零。
3.驶入要称重的车辆,确保车辆中心轮胎位于衡台上,并停稳。
4.电子汽车衡会自动测量车辆的重量,并在显示屏上显示结果。
5.如需记录重量数据,可通过连接设备的计算机软件进行数据处理和储存。
三、维护保养1.定期检查电子汽车衡的电源线和连接线是否破损,如有破损应及时更换。
2.定期清洁电子汽车衡的衡台和传感器,避免灰尘和污渍对测量精度的影响。
四、常见问题解答1.为什么电子汽车衡显示的重量与实际重量有差异?答:电子汽车衡是通过称重传感器测量车辆重量的,有时会受到车辆不平衡、地面倾斜等因素的影响,导致测量结果与实际重量有差异。
建议在使用前进行校准,并确保使用时车辆平衡并放置在平坦地面上。
2.为什么电子汽车衡无法正常工作?3.如何保证电子汽车衡的测量精度?答:电子汽车衡在正常使用的情况下,能够保证较高的测量精度。
但需要注意保持设备的清洁和平稳使用,避免在不平衡的地面上使用,以确保测量结果的准确性。
同时,定期进行校准也是保证精度的重要手段。
总结:电子汽车衡是一款高精度的电子称量设备,能够准确测量车辆的重量,并通过显示屏和计算机软件进行数据记录和处理。
使用该设备时需要注意安全使用、正确的操作步骤以及定期的维护保养。
SCS电子汽车衡使用说明书
SCS系列全电子汽车衡
使用说明书
河南天和电子衡器有限公司
目录
一、概述 (1)
二、技术参数 (1)
三、基本功能 (2)
四、结构特点 (2)
五、工作原理 (3)
六、安装注意事项 (3)
七、使用与保养 (4)
八、一般故障排除 (6)
九、其它 (6)
一、概述
SCS系列无基坑电子汽车衡,系全电子式汽车衡,该秤无机械杠杆,不需基坑,能够露天使用,安装方便,基建费用低,并具有数字显示,直观,速度快,精度高等优点,可广泛用于工厂、矿山、码头、车站、仓库等,适用于载重汽车、半挂车、载重拖车、集装箱的计量。
是现代建设中不可缺少的计量器具之一。
我公司最新开发生产的动态汽车衡,性能更优,由于采样速度快、称重、存贮、打印自动完成,既提高工作效率,又为自动化管理提供有利保证,特别适用于集中称量过程中快速、准确称量的要求、规格型号见表:
SCS系列电子汽车衡台面尺寸可根据用户特殊要求制伏。
电子汽车衡操作规程(最新版)The safety operation procedure is a very detailed operation description of the work content in the form of work flow, and each action is described in words.( 安全管理 )单位:______________________姓名:______________________日期:______________________编号:AQ-SN-0992电子汽车衡操作规程(最新版)本规程适用于SCS-120电子汽车衡的操作规程。
职责:负责内调、地销煤的称重,计量、统计工作岗前:1、按规定穿戴劳动保护,持证上岗。
司磅人员需通过专门培训才能从事操作。
2、秤台四周间隙内不得卡有石子,煤块等异物。
3、检查限位间隙是否合理、限位螺栓与秤体不应碰撞接触。
4、清扫秤台台面,保持清洁。
开机1、打开稳压电源开关。
2、打开多用电源插座开关。
3、打开打印机电源,上好打印纸。
4、打开仪表电源。
预热15分钟,仪表不能在带负载时接通电源,停机时必须切断电源。
5、确认称体正常且空载时按仪表置零键(ZERO)6、仪表显示是否正常,发现问题及时处理。
过衡1、车辆上衡后要直线行驶,车速不得超过5km/h,行至衡中央缓慢刹车,车辆停稳且显示仪表稳定灯亮后方可计量。
2、称量空车皮重并存储。
3、上重车称量并输入有关信息。
4、打印票据,加盖过磅专用章。
5、将信息存入微机硬盘或做好相关记录。
6、每次过衡后显示仪表必须清到零位。
7、严禁任何闲杂车辆和行人从磅上通过。
停机:1、遇到停电时应关闭所有电源开关,来电后再按顺序开机。
2、当数据显示跳动无法正常读数时,要立即将车辆退出衡器,切断仪器仪表电源,随之检查上报站领导。
岗后:1、切断仪器仪表电源,关掉稳压器电源开关。
2、清理磅房卫生,汇总检查、过衡记录。
SCS-DC、ZCS-DC系列是全电子数字式模块化汽车衡1概述SCS-DC、ZCS-DC系列是全电子数字式模块化汽车衡,该产品选用METTLER TOLEDO集团公司的专利产品一数字式传感器(DigiTOL~PowerCells)。
其内部采用放大器、A/D转换器、微处理器、输入输出接口、程序存贮器等电子器件及相应的数据处理技术,因此对偏载、温度漂移、蠕变、非线性等有很好的补偿作用,并直接输出数字信号,提高了抗干扰性能;外壳采用不锈钢全密封结构,防湿、防腐性能好。
与数字式传感器配套的称重显示仪是多功能、智能化仪表,它可以根据不同的需要通过人机对话选择不同的称重和打印功能;如开机自动清零功能、自动和人工偏载调节功能,多个皮重存贮及编号功能,可部分和累加及总和累加,可分段自动量程选择,有较强的故障自诊断功能,或配计算机、打印机组成称重管理系统。
整个系统称量迅速准确、工作稳定可靠、操作使用方便、安装维护简单,适用于冶金、矿山、机械、化工、港口等厂矿企业以及物资仓库的各类载重汽车的称重计量,是具有当代国际水平的计量设备。
2 产品适用的工作条件和工作环境· 工作环境湿度:≤95T0· 工作电源:220VAC(一15%~+10%),50Hz±2%· 工作环境温度:传感器:-30℃—+65℃仪表:-10℃—P45℃ · 用于某些有防爆环境要求的场合,可订复合型防爆汽车衡3主要规格及技术参数3.1 型号规则例:SCS-60Dc-oc-25汽车衡:数字式电子汽车衡,最大称量60t,允许轴载25t,无基坑。
4产品的系统及主要结构4.1 产品的系统配置电子汽车衡系统标准配置由称重部分(秤体)和显示部分(仪表和信号电缆)两大单元组成,根据用户的不同需要可选购其它外接设备以组成各种配置,包括:计算机、打印机、大屏幕显示器、电源浪涌保护器、稳压电源及多功能电源插座。
详见图2。
50吨电子汽车衡/50吨汽车衡%密山↖50t电子汽车衡‘红蜘蛛’50吨∕移动式电子汽车衡上海君鹰衡器有限公司(原上海衡器总厂)产品名称:50吨电子汽车衡产品型号:SCS产品简介:50吨电子汽车衡高精度传感器外表美观气派、过载能力特强模块化秤台、多单元组合,自动复位传力机构数字显示毛重、净重、皮重动态、欠载和超载等状态显示车号、皮重存贮、分项、总项累计。
>>>>>>>50吨电子汽车衡.....50吨汽车衡.....50t电子汽车衡.....移动式电子汽车衡<<<<<<< 主要技术参数:* 称重范围: 30~60T;* 称重精度:OIML III;* 额定功率:<5W;* 显示模式:6位LED显示,字高30.5mm;* 环境湿度:<90% RH,但不应结露水;* 环境温度:①传感器:-20℃~ +40℃;②称重仪表:0 ℃~ +40℃;* 移动地磅电源电压:AC220V 50Hz DC6V4Ah;* 移动地磅秤台材料:全Q235碳钢铸造,花纹钢面可选;>>>>>>>50吨电子汽车衡.....50吨汽车衡.....50t电子汽车衡.....移动式电子汽车衡<<<<<<汽车衡构造:高强度结构秤台:尽可能适应超载情况和地面平整程度。
可移动汽车衡地磅引坡引用军用浮桥技术,保持与称台的紧密结合,可移动地磅秤体移动时可翻转至台面之上,便于移动。
秤台与引坡一体化设计,科学的爬坡角度,车辆可轻松上秤称重;称重显示仪表:交直流两用,充电完成后可工作1~3天;移动式汽车衡地磅配有微型打印机,可打印称重清单、日报表,内容包括时间、日期、净重、毛重、皮重。
并配有可充电蓄电池,自动关机保护电池;超载130%F.S时仪表自动锁定超载值;可存储500辆车号、皮重数据,及1000个称重记录;>>>>>>>50吨电子汽车衡.....50吨汽车衡.....50t电子汽车衡.....移动式电子汽车衡<<<<<<<主要特点.....高精度传感器。
电子汽车衡使用说明书太原先元科技有限公司目录一、电子汽车衡型号介绍SCS系列电子汽车衡,第一个S指衡器的类别为地上衡,C指传力机构为电阻应变式传感器,第二个S指示值形式为数字显示。
二、电子汽车衡系统组成系统标准配置由秤台、称重传感器和称重显示部分三大基本单元组成;其中称重显示部分包括称重显示仪表、接线盒和信号电缆。
根据用户的不同需要可选购其它外接设备以组成各种配置,包括:计算机、打印机、大屏幕显示器、电源浪涌保护器、稳压电源及多功能电源插座。
三、电子汽车衡工作原理1、模拟式:货物进入秤台,在物体重力作用下,使称重传感器弹性体产生弹性形变,粘贴于弹性体上的应变计桥路阻抗失去平衡,输出与重量数值成比例的电信号,经称重仪表的放大器、A/D转换器等将模拟信号转换成数字信号,再经仪表的微处理器(CPU)对重量信号进行处理后直接显示出重量等数据。
如果显示仪表与计算机、打印机连接,仪表可同时把重量信号输给计算机等设备,组成称重管理系统。
2、数字式:货物进入秤台,在物体重力作用下,使称重传感器弹性体产生形变,粘贴于弹性体上的应变计桥路阻抗失去平衡,输出与重量数值成比例的电信号,经传感器内部的放大器、A/D转换器、微处理器等电子元器件进行相应的数据处理,输出数字信号,各传感器数字信号经接线盒进入称重显示仪表直接显示出重量等数据。
如果显示仪表与计算机、打印机连接,仪表可同时把重量信号输给计算机等设备,组成称重管理系统。
四、系统安装1、基础施工要求电子汽车衡的基础结构形式一般有两种。
一种是电子汽车衡安装在地平面之上的无基坑;另一种时安装在地平面之下的浅基坑。
用户可参考衡器厂家提供的基础图样,结合现场地质条件进行施工,施工中必须特别注意下列几个问题:1)、基础下素土承载力(地耐力)要求不低于117.6kPa(12t/m2),如现场地质条件为湿陷性黄土、膨胀土、冻土层、回填土时,则基础必须另加措施处理。
基础开挖必须挖至当地冻土线以下。
SCS系列电子汽车衡使用说明书上海香川电子衡器有限公司目录一、电子汽车衡型号介绍 (3)二、电子汽车衡系统组成 (3)三、电子汽车衡工作原理 (3)四、系统安装 (4)五、系统接线与接地 (6)六、电子汽车衡的正确使用 (7)七、注意事项 (8)八、使用称重传感器注意事项 (12)九、电子汽车衡的正确使用、维护和保养 (13)十、其它一、电子汽车衡型号介绍S C S系列电子汽车衡,第一个S指衡器的类别为地上衡,C指传力机构为电阻应变式传感器,第二个S指示值形式为数字显示。
二、电子汽车衡系统组成系统标准配置由秤台、称重传感器和称重显示部分三大基本单元组成;其中称重显示部分包括称重显示仪表、接线盒和信号电缆。
根据用户的不同需要可选购其它外接设备以组成各种配置,包括:计算机、打印机、大屏幕显示器、电源浪涌保护器、稳压电源及多功能电源插座。
三、电子汽车衡工作原理1、模拟式:货物进入秤台,在物体重力作用下,使称重传感器弹性体产生弹性形变,粘贴于弹性体上的应变计桥路阻抗失去平衡,输出与重量数值成比例的电信号,经称重仪表的放大器、A/D转换器等将模拟信号转换成数字信号,再经仪表的微处理器(CPU)对重量信号进行处理后直接显示出重量等数据。
如果显示仪表与计算机、打印机连接,仪表可同时把重量信号输给计算机等设备,组成称重管理系统。
2、数字式:货物进入秤台,在物体重力作用下,使称重传感器弹性体产生形变,粘贴于弹性体上的应变计桥路阻抗失去平衡,输出与重量数值成比例的电信号,经传感器内部的放大器、A/D转换器、微处理器等电子元器件进行相应的数据处理,输出数字信号,各传感器数字信号经接线盒进入称重显示仪表直接显示出重量等数据。
如果显示仪表与计算机、打印机连接,仪表可同时把重量信号输给计算机等设备,组成称重管理系统。
四、系统安装1、基础施工要求电子汽车衡的基础结构形式一般有两种。
一种是电子汽车衡安装在地平面之上的无基坑;另一种时安装在地平面之下的浅基坑。
SCS系列全电子汽车衡使用说明书河南天和电子衡器有限公司目录一、概述 (1)二、技术参数 (1)三、基本功能 (2)四、结构特点 (2)五、工作原理 (3)六、安装注意事项 (3)七、使用与保养 (4)八、一般故障排除 (6)九、其它 (6)一、概述SCS系列无基坑电子汽车衡,系全电子式汽车衡,该秤无机械杠杆,不需基坑,可以露天使用,安装方便,基建费用低,并具有数字显示,直观,速度快,精度高等优点,可广泛用于工厂、矿山、码头、车站、仓库等,适用于载重汽车、半挂车、载重拖车、集装箱的计量。
是现代建设中不可缺少的计量器具之一。
我公司最新开发生产的动态汽车衡,性能更优,由于采样速度快、称重、存贮、打印自动完成,既提高工作效率,又为自动化管理提供有利保证,特别适用于集中称量过程中快速、准确称量的要求、规格型号见表:SCS系列电子汽车衡台面尺寸可根据用户特殊要求制伏。
二、SCS系列技术参数:1、称量精度:静态III级。
动态0.2—0.5级2、动态时速:3公里/小时——10公里/小时3、额定载荷:15——300吨4、仪表使用温度:0℃——+50℃5、汽车衡使用温度:-20℃——+50℃6、电源电压:220V AC+10%——15%7、供桥电源:15V DC8、电源频率:50Hz±2%9、相对湿度:<90%10、远传特性:百米内不影响精度11、消耗功能:<20W三、基本功能:1、具有清零;去皮;自动零点跟踪。
2、具有RS—232C异步串行口,且根据需要设定波特率3.有大屏幕输出接口4.并行打印接口5.日期,时间可显示6.动态称重、静态称重可砖汉(升级后)7.超载报警四、结构特点:本汽车衡是多传感器式结构,承重台的重量通过压头直接作用到传感器上,传感器的输出经微处理器数据处理后显示结果,本秤的主梁分布在台板下方,从而最大限度降低了承重台的表面高度,使台板低矮并缩短坡道的长度,承重台还设有纵横限位装置,防止汽车上下冲击和保证台板摆动后复位,从而提高了计量精度。
SCS系列全电子汽车衡使用说明书河南天和电子衡器有限公司目录一、概述 (1)二、技术参数 (1)三、基本功能 (2)四、结构特点 (2)五、工作原理 (3)六、安装注意事项 (3)七、使用与保养 (4)八、一般故障排除 (6)九、其它 (6)一、概述SCS系列无基坑电子汽车衡,系全电子式汽车衡,该秤无机械杠杆,不需基坑,可以露天使用,安装方便,基建费用低,并具有数字显示,直观,速度快,精度高等优点,可广泛用于工厂、矿山、码头、车站、仓库等,适用于载重汽车、半挂车、载重拖车、集装箱的计量。
是现代建设中不可缺少的计量器具之一。
我公司最新开发生产的动态汽车衡,性能更优,由于采样速度快、称重、存贮、打印自动完成,既提高工作效率,又为自动化管理提供有利保证,特别适用于集中称量过程中快速、准确称量的要求、规格型号见表:SCS系列电子汽车衡台面尺寸可根据用户特殊要求制伏。
二、SCS系列技术参数:1、称量精度:静态III级。
动态0.2—0.5级2、动态时速:3公里/小时——10公里/小时3、额定载荷:15——300吨4、仪表使用温度:0℃——+50℃5、汽车衡使用温度:-20℃——+50℃6、电源电压:220V AC+10%——15%7、供桥电源:15V DC8、电源频率:50Hz±2%9、相对湿度:<90%10、远传特性:百米内不影响精度11、消耗功能:<20W三、基本功能:1、具有清零;去皮;自动零点跟踪。
2、具有RS—232C异步串行口,且根据需要设定波特率3.有大屏幕输出接口4.并行打印接口5.日期,时间可显示6.动态称重、静态称重可砖汉(升级后)7.超载报警四、结构特点:本汽车衡是多传感器式结构,承重台的重量通过压头直接作用到传感器上,传感器的输出经微处理器数据处理后显示结果,本秤的主梁分布在台板下方,从而最大限度降低了承重台的表面高度,使台板低矮并缩短坡道的长度,承重台还设有纵横限位装置,防止汽车上下冲击和保证台板摆动后复位,从而提高了计量精度。
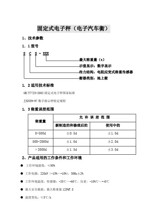
固定式电子秤(电子汽车衡)1、技术参数1.1型号t)1. 2适用技术标准GB/T7723-2002固定式电子秤国家标准JJG539-97数字指示秤检定规程1. 3称重误差范围2、产品适用的工作条件和工作环境●工作环境湿度:≤95%●工作电源:220AV(-15%~+10%),50Hz±2%●工作环境温度:传感器:-20℃~+60℃,仪表: -10%℃~+40℃●最大安全载荷:最大称重量125%F.S●温度变化:≤5℃/h●用于某些特殊环境时,根据用户需要确定。
3、产品系统及主要结构介绍3.1产品配置电子汽车衡系统标准配置由称重部分(秤体)和显示部分(仪表)两大部分组成,根据用户不同需要可选其它外接设备以组成各种配置,包括:计算机、打印机、大屏幕显示器、稳压电源等。
3.2工作原理被称重物或载重汽车置于秤台上时,在重力作用下,秤台将重力传递至称重传感器,使传感器弹性体产生形变,贴附于弹性体变梁上的应变计电阻值发生变化,由应变电阻接成的电桥失去平衡,电桥输出与重量数值成比例的电信号,经线性放大器将信号放大,再经A/D转换为数字信号,由微处理机(CPU)对重量信号进行处理后直接显示出重量数值。
如果显示仪表与计算机、打印机连接,仪表可同时把重量信号给计算机等设备组成的称重管理系统。
系统配置图3.3基本功能(具体阅读仪表使用说明书)汽车衡可选配多种形式的称重管理机(仪表),如HT9800,XK3190等。
A、HT9800称重管理机主要功能:(1)面板式数字调校及工作参数设置(2)独创的称重系统检测功能,可在标定之前检测传感器传力机构的工作状态,及线性误差,使调校更方便;(3)可长期存贮600个皮重,按车号进行处理,并可通过打印机输出皮重记录;(4)可长期存贮2000条称重记录,累计总毛重及总净重。
可按车号,货号、称重时间等10种打印格式的统计报表;(5)手动累计功能,累计数可达10000次;(6)可进行一般称重、去皮称重、累计称重等功能。
SCS电子汽车衡仪表手册--安装联接一、传感器与仪表的连接1.传感器的连接采用9芯RS232插头座。
图2-3标注了各引脚的意义。
2.如果使用四芯屏蔽电缆必须将+E与+S、-E与-S短接。
3.▲!传感器与仪表的联接必须可靠,传感器的屏蔽线必须可靠接地。
联接线不允许在仪表通电的状态下进行插拔,防止静电损坏仪表或传感器。
4.▲!传感器与仪表都是静电敏感设备,在使用中必须切实采取防静电措施,严禁在秤台上进行电焊操作或其他强电操作,在雷雨季节,必须落实可靠的避雷措施,防止因雷击造成传感器和仪表的损坏,确保操作人员的人身安全和称重设备及相关设备的安全运行。
打印须知▲!打印功能必须在设置后,方可投入正常使用▲!仪表打印端口输出引线与打印机联接必须准确无误,须使用专用的打印联接线。
倘若联接错误,将损坏仪表输出端口或打印机输入端口,甚至损坏仪表和打印机。
▲!在使用打印机时,必须先将联接线准确联接,再接通仪表电源,最后开启打印机电源;结束使用时,必须先关闭打印机电源,再切断仪表电源,最后取下联接线。
倘若顺序颠倒,可能损坏仪表和打印机。
敬请注意!再注意!!▲!由于打印机品种繁多,性能不完全相同,与仪表兼容性不一,敬请选用推荐型号的打印机。
▲!打印机的信号地严禁与电源地联接!否则将损坏仪表和打印机。
二、大屏幕与仪表的连接使用▲!仪表大屏幕输出引线与大屏幕显示器联接必须准确无误,倘若联接错误,将损坏仪表输出端口或损坏大屏幕显示器输出端口,甚至可能严重损坏仪表和大屏幕显示器,要求使用配套的专用联接线。
1.大屏幕显示接口采用15芯RS232插头座(与串行通讯口共用一只插座)。
(此方式为电流环输出方式,产品出厂时联接线的标准接法)2.大屏幕信号为20mA恒流的电流环信号,以二进制码串行输出,波特率为600。
每一帧数据有11个位,1个超始位(0)、8个数据位(低位在前)、1个标志位、1个停止位(1)。
3.每隔100ms发送一组数据,每组数据包含3帧数据。
SCS系列电子汽车衡产品说明书SCS系列电子汽车衡产品说明书目录:1.概述2.结构组成和工作原理3.主要技术参数4.安装4.1础施工要求4.2安装5.调试和设定6.操作说明7.维护保养8.故障检查9.随机资料目录10.备件易损件明细表11.用户意见书1.概述1.1产品特点和主要用途设计制造的SCS系列全电子汽车衡是具有九十年代国际先进水平的计量称重设备:称量迅速准确、数字显示、直观易读、稳定可靠、维护容易,深得广大用户信赖。
整个汽车衡系统配有稳定可靠的高准确度称重传感器和智能化称重显示仪表,仪表具有高度灵敏、高分辨力,软件功能丰富,工作稳定可靠。
称重数据经仪表标准输出接口可供打印记录。
也可与计算机连接,组成称重管理系统。
汽车衡秤台结构设计合理,超薄型钢结构平台秤体自重量小,可以采用无基坑或浅基坑安装形成,安装调试和维护简便。
基础建设投资费用少,深受使用者欢迎。
SCS系列全电子汽车衡适用于港口、机场、矿山、冶金、物资仓库以及工厂企业的大宗载重货物车辆的称重计1.2型号规格(1)型号意义S(Z)C S—□□□汽车衡最大称量(t)数字显示传力机构——传感器衡器分类——地上衡、地中衡(2)本公司生产的汽车衡型号规格、技术参数型号SCS-10ZCS-10SCS-20ZCS-20SCS-30ZCS-30SCS-50ZCS-50SCS-60ZCS-60SCS-80ZCS-80SCS-100ZCS-100最大秤量MAX(t) 10 20 30 50 60 80 100 分度值d(kg) 5 10 10 20 20 20 20 传感器容量(t) 5 10 20 20 20 30 30 台面尺寸:宽(m)×长(m)优选规格3×7 * *3×8 * *3×9 * *3×10 * *3×12 3.4×12 * * *3×14 3.4×14 * * *3×15 3.4×15 * * * * * 3×16 3.4×16 * * * * 3×18 3.4×18 * * * *1.3基本功能可显示毛重、净重、皮重及按键去皮重或数字去皮重。
SCS型全电子汽车衡说明书【作者/来自】网站管理员【发表时间】2006-3-2 【点击次数】109SCS型全电子汽车衡使用说明书安庆市亚星电子信息产业有限公司目录一、概述----------------------------------------------------------2二、技术指导------------------------------------------------------2三、注意事项---------------------------------------------------2~3四、结构原理---------------------------------------------------3~4五、安装方法---------------------------------------------------4~5六、维护保养------------------------------------------------------5七、常见故障及维修------------------------------------------------5八、三包规定------------------------------------------------------5九、其它----------------------------------------------------------6一、概述SCS型电子汽车衡(以下简称汽车衡)是一种数字显示的电子衡器,它集中了当代电子称重及计算机之精华,使称重显示控制器与计算机系统一体化,具有称重、显示、打印等多种功能,其特点是准确度高,可靠性好,操作方便,适应能力强。
汽车衡可广泛应用于国民经济各行各业所有需称重计量的场所。
二、技术指导2、准确度等级:中精确度(Ⅲ)4、工作条件:(1)工作温度:称重显示控制器0~+40℃称重部分 -20℃~+60℃(2)相对温度:20%~85% (但须无结露)+10%(3)电源:AC220V 50z±2%-15%(4)示值响应时间不大于5s(5)消耗功率不大于500W三、注意事项1、汽车衡使用前请务必仔细阅读本说明书及有关的技术文件,按要求认真操作和维护。
电子汽车衡使用说明方案一、产品概述二、产品安装1.环境要求安装电子汽车衡的环境应为室内干燥、温度适宜的地方。
避免长时间暴露在阳光直射下或过高温度的环境中。
2.安装步骤(1)选择一个平整稳固的地面作为安装位置。
(2)将电子汽车衡放置在安装位置上,并用螺丝固定好。
(3)接通电源,并确认电子汽车衡正常开机。
三、产品使用1.上车称重(1)在电子汽车衡的显示屏上按下“归零”键,确保电子汽车衡重量显示为零。
(2)驾驶车辆缓慢驶入电子汽车衡上,直到轮胎全部落在衡器上。
(3)等待几秒钟,直到电子汽车衡稳定显示出车辆的重量。
重量显示会自动锁定,并保持在屏幕上。
2.计费管理(1)根据车辆的重量来进行计费。
可以根据车型设置不同的计费标准。
(2)在电子汽车衡的显示屏上输入计费标准,并按下确认键。
衡器将自动根据车辆的重量计算出费用。
(3)可使用打印机将计费信息打印出来,方便用户进行结算。
3.车辆过磅(1)在电子汽车衡的显示屏上按下“归零”键,确保电子汽车衡重量显示为零。
(2)驾驶车辆缓慢驶入电子汽车衡上,直到轮胎全部落在衡器上。
(3)等待几秒钟,直到电子汽车衡稳定显示出车辆的重量,该重量即为车辆的实际重量。
四、产品维护1.定期清洁(1)定期使用干净、柔软的布擦拭电子汽车衡的外壳,保持其干净整洁。
(2)避免使用含有腐蚀性化学物质的清洁剂,以免损坏产品表面。
2.测试和校准(1)定期进行电子汽车衡的测试和校准,以确保其准确度和稳定性。
(2)可以通过操作菜单进行自动校准,或者使用校准块进行手动校准。
3.故障排除(1)如果电子汽车衡出现故障,应首先检查电源是否正常连接,以及衡器是否稳固安装。
五、注意事项1.严禁携带超重的车辆上电子汽车衡,以免对衡器产生超负荷压力。
2.请勿在电子汽车衡上进行其他操作,以免对衡器产生损害。
3.若要移动电子汽车衡,请先断开电源并小心操作,避免碰撞和损坏。
4.请勿使用湿手触碰电子汽车衡的显示屏和控制按钮,以免损坏电子元件。
SCS-150T电子汽车衡使用规定
一、设备使用单位:
SCS-150T电子汽车衡的使用单位须安排专人操作,采购部由姚健或宋明溪操作,营销部由吕东桥操作,设备使用者每次使用前须通知品质部张庆良现场监督复核。
二、设备称重要求:
1、汽车衡使用前应开机预热10分钟,并检查称重台是否有卡死现象,如有异物卡死台面应及时清除。
2、车辆进入称重台时应按规定的速度(<5千米/小时)行驶,并应轻轻刹车。
3、车辆驶上汽车衡时须空车上秤,任何人不许留在车上。
4、注意安全,在汽车上、下汽车衡时,要有专人指挥,防止发生事故。
5、称重时应观察汽车是否停在称台中央,车上是否有附加物,任何人不得触碰称重平台。
6、在称量时应经常观察仪表是否在零位,如有变化应按归零键,归零后方可进行称重。
7、载货称重时,车辆上不许留人。
8、当车停稳后,电子秤在稳定后方可进行打印。
三、设备操作方法:
1、打开电源,等屏幕开机显示归零后,工作人员指挥空车辆上秤。
2、车辆驶上汽车衡,屏幕显示重量后按储存2键。
3、输入车牌号。
4、按输入键(即空车重量已经保存)。
5、装车后上秤,显示重量后按储存2键。
6、按输入键,自动打印称量单(称量单显示总重和空车车辆重量)。
四、考核:
1、外来称重人员不听劝阻,造成称重结果失实,罚款100-500元。
2、操作者严格把关,不准弄虚作假,发现一次处理一次。
3、操作者与外来人员串通,违规操作,给公司造成损失的,给予开除处分。
辽宁通用重机公司
2018年1月9日。
SCS系列全电子汽车衡使用说明书
河南天和电子衡器有限公司
目录
一、概述 (1)
二、技术参数 (1)
三、基本功能 (2)
四、结构特点 (2)
五、工作原理 (3)
六、安装注意事项 (3)
七、使用与保养 (4)
八、一般故障排除 (6)
九、其它 (6)
一、概述
SCS系列无基坑电子汽车衡,系全电子式汽车衡,该秤无机械杠杆,不需基坑,可以露天使用,安装方便,基建费用低,并具有数字显示,直观,速度快,精度高等优点,可广泛用于工厂、矿山、码头、车站、仓库等,适用于载重汽车、半挂车、载重拖车、集装箱的计量。
是现代建设中不可缺少的计量器具之一。
我公司最新开发生产的动态汽车衡,性能更优,由于采样速度快、称重、存贮、打印自动完成,既提高工作效率,又为自动化管理提供有利保证,特别适用于集中称量过程中快速、准确称量的要求、规格型号见表:
SCS系列电子汽车衡台面尺寸可根据用户特殊要求制伏。
二、SCS系列技术参数:
1、称量精度:静态III级。
动态0.2—0.5级
2、动态时速:3公里/小时——10公里/小时
3、额定载荷:15——300吨
4、仪表使用温度:0℃——+50℃
5、汽车衡使用温度:-20℃——+50℃
6、电源电压:220V AC+10%——15%
7、供桥电源:15V DC
8、电源频率:50Hz±2%
9、相对湿度:<90%
10、远传特性:百米内不影响精度
11、消耗功能:<20W
三、基本功能:
1、具有清零;去皮;自动零点跟踪。
2、具有RS—232C异步串行口,且根据需要设定波特率
3.有大屏幕输出接口
4.并行打印接口
5.日期,时间可显示
6.动态称重、静态称重可砖汉(升级后)
7.超载报警
四、结构特点:
本汽车衡是多传感器式结构,承重台的重量通过压头直接作用到传感器上,传感器的输出经微处理器数据处理后显示结果,本秤的主梁分布在台板下方,从而最大限度降低了承重台的表面高度,使台板低矮并缩短坡道的长度,承重台还设有纵横限位装置,防止汽车上下冲击和保证台板摆动后复位,从而提高了计量精度。
五、工作原理:
当汽车衡受力后,其传感器发生变形,将压力转换为电压信号送给称重仪表,仪表将信号放大,虑波后进行模拟量与数字量的转换,微处理机将转换的数字信号进行处理,译码驱动后将其显示和打印,从而完成了整个称量过程。
六、安装注意事项:
1、安装前需按基础图修建基础,施工中应注意下列几点:
1)根据安装地点的土质,按基础图标明的垂直负荷的大小设计基础。
2)安装传感器底座的基础表面要做的光滑。
3)接地装置应在打水泥基础前埋好,深度必须保证2米,接地电阻不大于4欧姆。
4)护边角钢应在汽车衡安装后,按图纸所示调整好间隙后浇灌固定,也可在做基础时一次完成。
2、称体安装,原则上由本厂派技术人员指导安装,安装顺序如下:
1)开箱:尽量在安装现场用工具开箱,开箱时要注意不损坏箱
内的零部件。
2)清点:按装箱单清点零件,开箱后不立即安装,应将所有零部件汇集在一起保管,防止丢失。
3)检查基础尺寸是否符合基础规定的尺寸
4)按图纸测绘出基础中心线及有关位置线。
5)用尺子检查各传感器的安装位置,保证对角线允差大不大于3mm,长度和宽度允差不大于2mm。
6)把垫板垫入传感器底座和限位托架底板下面,调整高度和水平。
A、各传感器底座上平面的高度差不大于1mm
B、传感器底板上平面的水平误差不大于0.1%
7)限位器和传感器的地脚螺栓要灌入水泥混凝土奖,充实螺栓孔和底板下面的空间。
8)待养生期后,拧紧各地脚螺栓的螺帽。
9)按编号吊装台板,并用强力螺栓把台板牢固连接。
10)安装传感器并调整好传感器的垂直度用吊线检查使垂直度不大于1mm
11)调整纵向和横向限位螺栓头部与挡板间隙2——4mm
七、使用与保养:
1、显示仪表用交流220V电压供电,接通仪表前要检查其电压是否符合要求,再将电源插头接上,然后接通电源开关。
2、接通电源,预热15——20分钟
3、若空秤显示值不为零,按置零键清零
4、可以设定皮重值,用皮重设定键和数字键来完成。
5、计量时应注意观察各指示灯的状态,并判定操作是否正确。
6.使用完之后,要关断电源
7.该机不使用时存放温度范围:-10℃——45℃
8.电子汽车衡要有专人管理和维护,维修后必须用四等标准砝码检定,仪表在使用中严禁调校。
9.如果发现有异常现象,应立即关闭总电源,通知我厂派人修复,绝对不允许非专业人员乱拆乱修。
10.称体要定期保养,每年清锈一次并上油漆,打印机色带要经常上色带油或更换色带。
11.建议用户安装避雷设施,以减少不必要的经济损失。
八、一般故障排除:
1、开机后无任何显示:
1)保险丝损坏
2)电源插头接触不良
3)交流电源输入电压不正常。
2、开机后自检正常,显示读书不稳:
1)秤台下有异物
2)限位间隙不正常有擦靠
3)接线盒内受潮
4)导线接触不良
5)传感器有故障
6)仪表故障
3、显示称重数据突然超差很多:
1)秤台下有异物卡主
2)限位装置失效
3)传感器有故障
九、其它:
1.凡我厂生产的电子汽车衡,保修期为一年,在一年内如果出现质量问题,我厂将免费维修,但如果用户人为损坏维修费用全部由用户承担。
2.我厂产品终身维修,代培操作人员,开设咨询服务。
3.根据用户需要可选配微机管理系统打印机和大屏幕显示器
4.随机配备:
1)装箱单 1份
2)使用说明书 1份
3)出厂检定合格证 1份
4)保险管 1只。