基础钢板止水带工程技术交底-
- 格式:docx
- 大小:8.37 KB
- 文档页数:4
一、交底目的为确保止水带施工过程中的安全,防止安全事故发生,提高施工质量,特进行止水带安全技术交底。
二、交底内容1. 工程概况1.1 工程名称:________________________1.2 工程地点:________________________1.3 施工单位:________________________1.4 施工部位:________________________2. 止水带材料及设备2.1 材料要求:- 止水带应符合国家相关标准和规范要求。
- 钢板止水带厚度应满足设计要求,表面应平整,无裂纹、气泡等缺陷。
- 橡胶止水带应具有良好的弹性、耐久性和抗老化性能。
2.2 设备要求:- 施工过程中应使用符合要求的电焊机、切割机、卷尺等设备。
- 施工人员应熟悉设备的使用方法和操作规程。
3. 施工准备3.1 施工人员:- 施工人员应经过专业培训,掌握止水带施工技术。
- 施工人员应了解施工现场的安全防护措施。
3.2 施工材料:- 根据施工进度和设计要求,提前准备止水带、钢筋、焊条等材料。
- 材料进场时应进行检验,确保符合要求。
3.3 施工工具:- 准备好电焊机、切割机、卷尺、水平尺等施工工具。
4. 施工工艺4.1 施工流程:- 施工前,对施工人员进行技术交底,确保施工人员了解施工要求。
- 根据设计图纸和施工方案,进行止水带安装。
- 止水带安装后,进行焊接,确保焊接质量。
- 施工完成后,进行验收。
4.2 施工要点:- 止水带安装前,应清除基面杂物,确保基面平整、干净。
- 止水带安装应紧贴基面,不得出现扭曲、错位等情况。
- 焊接时,应使用合适的焊接工艺,确保焊接质量。
- 焊接完成后,应进行外观检查,确保焊接缝平整、光滑。
5. 安全措施5.1 施工人员应佩戴安全帽、安全带等个人防护用品。
5.2 施工现场应设置安全警示标志,提醒施工人员注意安全。
5.3 施工过程中,应避免发生物体打击、触电、火灾等事故。
工程名称成都大盛电子商务物流集散中心建设单位成都大盛物流有些公司监理单位四川康立项目管理有限公司施工单位四川方基建设股份有限公司交底部位消防水池、泵房剪力墙止水钢板安装交底日期交底人签字接收人签字交底内容:一、工程概况:1、本工程室内标高±0.000相当于绝对标高490.500m。
2、消防水池底板顶标高为负4.35m、集水坑底板顶标高为负(-5.35m),水泵房底板顶标高为负(-4.95m)、集水坑底板顶标高为负(-5.65m)。
3、消防水池、泵房以外的基础采用柱下独立桩承台,混凝土采用C30现浇,有桩的承台、底板钢筋的混凝土保护层厚度为100mm、其余面40mm、承台上的混凝土柱钢筋保护层厚度为25mm。
4、消防水池、泵房基础采用筏板基础,钢筋混凝土墙体、梁、柱及筏板均采用C30抗渗混凝土,抗渗等级P8,钢筋保护层厚度为水池及泵房筏板底面为100mm,筏板侧面和顶面为40mm,水池及泵房侧墙背水面、迎水面及顶板为25mm,在迎水面一侧需刷25mm厚M7.5水泥砂浆。
5、钢筋锚固按照16G101-1第60~62页施工,管桩顶填芯混凝土的高度H不得小于管桩外直径的3倍,且不小于1.5m。
6、钢筋大小间距按照消防水池、水泵房蓝图设置与绑扎。
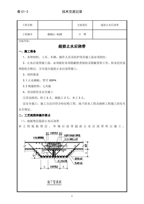
二、、施工准备1、材料及主要机具:钢板300*3(宽:300mm,厚3mm;上下两端作成燕尾形状,折角为45度(135度),燕尾宽度为50mm。
2、电焊机3、支架钢筋φ12的钢筋二、止水钢板安装方法1、底板后浇带处止水钢板的安装做法止水带设置在底板1/2厚度(400㎜)处采用φ12钢筋做止水带的支撑骨架,支撑骨架做成L型,短边焊于止水钢板和底板下部钢筋上,支撑骨架间距300mm--500mm。
2、剪力墙竖向后浇带止水钢板的安装(1)、止水钢板安装采用钢筋固定,在结构钢筋上焊接钢板支撑架,支撑架采用φ12的钢筋切割及焊接,(如有剩余短钢筋则优先考虑短钢筋)一般L形,支撑架按500mm的间距进行布置,支撑架与主筋焊接,钢板与支撑架焊接,焊接所有的焊条规格及材料性能应符合设计要求。
止水钢板安装技术交底
交底内容:
一、施工准备
1、作业条件:结构顶板、底板、侧墙、后浇带钢筋安装过程中。
2、材料准备
3mm 厚止水钢板(≥200mm,燕尾150°,50mm )
焊条:焊条必须有出厂合格证,焊条的牌号应符合规范要求。
3、主要机具:
电焊机、切割机、钢丝刷。
4、技术准备
(1)焊工必须有焊工证书。
(2)电源应符合要求。
(3)作业场地应有安全防护设施,以及防火和必要的通风措施,防止放生烧伤、触电、中毒及火灾等事故。
二、质量要求
要求质量一次验收合格率达到100%。
主控项目
拼接钢板平顺、位置准确、与主体钢筋连接稳固。
一般项目
(1)焊接过程中,电弧应燃烧稳定,药皮熔化均匀,无成块脱落现象。
单位工程 名 称
施工单位 日期 施工部位
施工内容 止水钢板安装
顶板施工缝防水示意图底板施工缝防水示意图
墙体水平方向施工缝构造示意图
2、后浇带部位防水处理
地下周边防水混凝土墙体防水后浇带施工节点处理及基础底板后浇带施工节点处理、顶板后浇带施工节点处理详图1-1、1-2。
(注:图中后浇带宽度仅为示意,具体以图纸为准,此处只对做法、构造做描述)。
图1-1基础底板后浇带节点示意图
图1-2地下一层顶板后浇带节点示意图。
施工单位工程技术交底编号:工程名称衢时代未来大厦项目分部(分项)工程名称防水工程施工单位北京建工集团有限责任公司交底日期2020.04.15 交底提要止水钢板施工技术交底交底内容:一、施工准备1.材料及主要机具:(1)进场的止水钢板必须符合设计要求,并有出厂合格证。
(2)主要机具;切割机,电焊机等。
2.作业条件:(1)机械设备已调试完毕。
(2)现场具备止水钢板安装条件。
3.设计要求:单块镀锌止水钢板材质为Q235B,长度为2000mm,3mm厚、宽度300mm、折边部位为50mm。
二、止水钢板施工1.同方向连接的两块止水钢板采用搭接焊,搭接50mm并双面满焊,水平和竖向连接的两块止水钢板采用对接焊,四周满焊,焊缝饱满,无夹渣,焊缝高度不小于3mm。
2.止水钢板设置方向①地下室底板与周边外墙导墙300mm高部位钢板止水带方向②底板后浇带部位钢板止水带设置方向②地下室外墙后浇带部位钢板止水设置方向③地下室顶板楼板钢板止水带设置方向3.止水钢板摆放部位的节点做法要求:①遇到转角处a、通过转角部位的时候不能直接转角处拼接,必须用整块止水钢板弯折连续通过阴阳角后才允许进行搭接焊。
b、搭接焊的部位至少应离开阴阳角300mm以上。
c、搭接部位上下、左右均需满焊,应量好尺寸后焊接成型了再安装过去,避免安装好后无法进行紧密的焊接,尽量减少安装后再焊接的数量。
②遇到柱、梁a、止水钢板通过柱子的时候应贯通设置,将箍筋做出开口箍形状。
b、开口箍筋需制作成两侧带脚的,以便于止水钢板进行焊接。
c、单面焊接时不低于10d,焊接时不能将止水钢板焊穿或者焊透。
d、必须设置牢靠的支撑点,避免引起柱子偏位。
三、质量验收1.止水钢板的朝向是否准确,翘边应朝向有水一侧(包括塔吊基础施工缝处)。
2.检查止水钢板是否有翘曲,弯折、变形、锈蚀等问题。
3.检查止水钢板是否居中设置,钢板中心位置与标高是否准确无误。
4.固定止水钢板的钢筋骨架是否牢固可靠,焊接质量是否达标。
止水带安装技术交底为了确保隧道施工止水带安装位置准确,特交底如下:一、纵向止水带安装1、测量放样出止水带安装中线及高程;2、用角钢沿纵向固定止水带,角钢一侧可固定于已浇筑段矮边墙上,另一端固定于端模上,如图1所示;3、在角钢上每50cm对称打孔,止水带埋入深度15cm,外露宽度15cm,并用U型钢筋卡从角钢孔中穿过固定止水带,使止水带在砼浇筑过程中保持居中,如图2所示;4、止水带安装好后,用固定卡具将固定角钢卡死。
图1 纵向止水带安装平面图二、仰拱止水带安装1、待仰拱初支或基底处理完成后,安装仰拱定型模板;2、将止水带卡入上下仰拱模板中间,并保证待浇筑侧止水带宽度15cm,并在模板上每50cm对称打孔,用U型钢筋卡固定止水带,使止水带在砼浇筑过程中保持居中;3、加固仰拱模板后,浇筑仰拱混凝土;4、止水带安装示意图如图3所示。
三、二次衬砌止水带安装1、按台车轮廓线尺寸加工定型模板,模板一侧沿衬砌台车端头轮廓用螺栓固定在台车上,模板厚度20cm;端头模板另一半采用可折叠式模板,用推拉式固定卡具与固定与台车端模板和台车间固定,如图4所示;3、端模宽度15cm,以方便止水带直接安装成型,并在端模上每50cm对称打孔,如图4所示;4、将止水带装入后,将折叠侧端模拉平使止水带卡紧,从预留孔中穿入U型卡钢筋固定止水带,使止水带在砼浇筑过程中保持居中,然后用固定卡具将折叠端模板锁死,以防砼施工时跑模,如图5所示;5、对于超挖较大处,可用木模加长端头模。
6、附二衬端头模板设置和效果图图4 二次衬砌端头模板断面图图5 二次衬砌中埋止水带安装示意图二衬端头模板设置和效果图止水带固定卡具局部图二衬浇筑前端模,止水带布设到位。
1 施工准备1.1 材料及主要机具:1.1.1 止水钢板:止水钢板的宽度、厚度必须符合设计要求,钢板止水带300mm宽,左右各30mm,上下扳成60度,成型良好。
1.1.2 焊条:焊条的牌号应符合规范要求。
1.1.2.2 焊接过程中,电弧应燃烧稳定,药皮熔化均匀,无成块脱落现象。
1.1.2.3 焊条必须有出厂合格证。
1.2 作业条件:1.2.1 焊工必须持有有效的证书。
1.2.2 电源应符合要求。
1.2.3 作业场地应有安全防护设施,以及防火和必要的通风措施,防止发生烧伤、触电、中毒及火灾等事故。
1.2.4 熟悉图纸,做好技术交底。
2 操作工艺地下室混凝土外墙水平施工缝、地下室底板后浇带、外墙后浇带、地下室顶板后浇带部位采用300x3mm钢板止水带。
钢板止水带搭接长度为50mm,采用双面焊接,两端均应满焊(见附图)。
2.1 工艺流程:止水钢板定位→固定→接头焊接→检查验收。
2.1.1止水钢板定位:止水钢板应放置在外墙中间,两端弯折处应朝向迎水面。
外墙后浇带施工缝止水钢板放在混凝土外墙中间沿竖向设置和每道水平止水钢板交圈焊接严密。
水平钢板止水带确定水平标高后,应根据建筑物的标高控制点在钢板止水带上口拉通线,以保持其上口平直。
2.1.2采用钢筋焊接固定钢板,不许直接焊接在结构筋上,需在墙水平筋内侧竖向绑扎250mm长附加筋,将止水钢板与此附加筋用短钢筋焊接固定。
短钢筋长度应以混凝土板墙钢筋网片厚度为准,不能超过钢筋网片厚度,以防沿短钢筋形成渗水通道。
短钢筋中心位置应绑扎止水条,以阻断渗水路线。
短钢筋一般间隔1000mm左右设置1个,间距过小则增加成本和工作量,间距过大则钢板止水带易弯曲,浇筑混凝土时受振动易变形。
2.1.3对于钢板止水带穿过柱处,与柱箍筋产生交叉,需做细部处理。
一般作法是将钢板止水带范围内的柱箍筋折断,打90度弯钩。
弯钩长度满足双面焊5d,单面焊10d的要求,并与钢板止水带焊接。
在钢板止水带上下部进行箍筋加密。
交底内容:1 施工准备 1.1 材料及主要机具:1.1.1 止水钢板:3mm厚止水钢板,有出厂证明书及复试报告单。
钢板止水带300mm宽,上下各50mm左右扳成145度,成型良好。
1.1.2 焊条:焊条的牌号应符合规范要求,有出厂合格证,焊接过程中,电弧应燃烧稳定,药皮熔化均匀,无成块脱落现象。
1.2 作业条件: 1.2.1 焊工必须持有特种人员操作证。
1.2.2 应由专业电工接通电源。
1.2.3 作业场地应有安全防护设施,以及防火和必要的通风措施,防止发生烧伤、触电、中毒及火灾等事故。
1.2.4 熟悉图纸,做好技术交底。
2 操作工艺筏板后浇带、外墙后浇带、外墙施工缝采用300x3mm钢板止水带。
钢板止水带搭接长度为50mm,采用双面焊接,两端均应满焊。
2.1 工艺流程:止水钢板定位→接头焊接→固定→检查验收。
2.1.1止水钢板定位:止水钢板在墙体、底板上居中布置,埋入和外露部分均等,钢板的凹面应朝向迎水面。
水平钢板止水带确定水平标高后,应根据建筑物的标高控制点在钢板止水带上口拉通线,以保持其上口平直。
2.1.2 钢板的接头采用搭接焊,两块钢板的搭接长度不小于50mm,两端均应满焊。
焊缝高度不低于钢板厚度。
焊接之前应进行试焊,调试好电流参数:电流过大易烧伤甚至烧穿钢板;电流过小又起弧困难,焊接不牢固。
接头必须避开剪力墙转角处。
钢板止水带穿过L型、矩形、转角柱与柱箍筋发生交叉时,柱箍筋切断采用U型箍,与止水钢板焊接牢固。
2.1.3固定止水钢板的钢筋应从两个侧面焊接连接,悬挂固定,固定钢筋与止水钢板的焊接点距钢板边缘不小于40mm,不得从钢板上下贯通混凝土截面。
2.1.4 检查验收:施工完毕后,报项目部、监理部验收。
3 质量要求3.1 钢板表面应清洁,无锈蚀、麻点或划痕等缺陷。
3.2 焊缝的焊波应均匀,不得有裂缝、夹渣、咬边、烧穿等缺陷。
4 应注意的质量问题4.1钢板止水带在安装前应尽量接长,以减少就位后的焊接工作量,钢板止水带就位后为立焊,焊接难度较大,此时应安排熟练焊工进行操作,并应加强跟踪检查。
技术交底记录编号工程名称交底日期施工单位分项工程名称地下室止水钢板交底提要地下室止水钢板安装交底内容:一、概况:本工程地下部分地下室砼墙施工缝止水钢板,防水采用3mm厚300mm宽的止水钢板止水带。
二、施工准备:2.1机具准备: 电焊机、无齿锯等。
2.3止水钢板不得有裂缝、锈蚀、斑痕、变形,其断面尺寸和机械性能符合设计要求。
2.3材料准备: 按规格加工好的钢板止水带、直径为φ12,长度同墙厚钢筋。
2.4焊条:焊条的性能应符合现行国家标准《碳钢焊条》GB/T5117或《低合金钢焊条》GB/T5118的规定,必须有出厂合格证。
焊接过程中,电弧应燃烧稳定,药皮熔化均匀,无成块脱落现象。
三、作业条件:3.1焊工必须持有有效的上岗证。
3.2电源应符合要求,接地线、焊接连接安全,双线到位。
3.3焊前止水钢板表面必须去除油污、水分、铁锈和氧化皮。
3.4已经清楚所需设置止水钢板的位置。
3.5基础底板底铁钢筋绑扎完毕,外墙钢筋绑扎完成,经过验收合格。
四、操作方法4.1砼墙板预埋止水钢板在砼墙中间上下垂直焊接在暗柱箍筋上。
4.2把暗柱箍筋做成开口箍筋,分别焊在止水钢板上焊接固定。
(如图)4.3在没有暗柱的地方用直径为φ10@300,两侧对称设置,长度同墙厚的钢筋焊接固定。
(如图)4.4转角部位其中一侧的伸出长度不小于50mm。
4.5止水钢板搭接长度为100mm。
搭接位置四周满焊,且焊缝饱满无气孔、夹渣等。
钢板焊接应分两遍成活,接缝处应留 2mm 焊缝,第一遍施焊时,首先在中间、两端点焊固定,然后从中间向上施焊直到上端,然后再从下端向中间施焊,第一遍完成后立即将药皮用焊锤敲掉,检查有无砂眼、漏焊处,如有应进行补焊。
第二遍应从下端开始施焊。
五、质量标准5.1钢板的品种和质量,焊条的牌号、性能均必须符合设计要求。
检验方法:检查出厂证明书和试验报告单。
5.2电弧焊接头的强度检验必须合格。
5.3电弧焊接头清渣后逐个进行外观检查,其检查结果应符合下列要求:5.3.1焊缝表面应平整,不得有凹陷或焊瘤。
1、本表由施工单位填写,交底单位与接受交底单位各保存一份。
编号
表C2-1
工程名称小区交底日期2018年10月10日施工单位建筑工程有限公司分项工程名称地下刚性防水工程
交底提要钢板止水板施工技术交底
交底内容:
止水钢板制作成每块3米左右,采用平接形式焊接、质量要求满焊
四、成品保护
后浇带止水钢板安装完后,立即用模板覆盖防止垃圾掉入。
附:止水带止水钢板基本做法图
(止水钢板搭接图一)
(止水钢板搭接图二)
(支架与止水钢板连接图)
(转角处止水钢板连接图)
图 一
图 二焊缝止水带
止水带
焊缝
箍筋柱焊接
图 三柱
止水带
2、当做分项工程施工技术交底时,应填写“分项工程名称”栏,其他技术交底可不填写。
止水钢板穿框架柱做法3、钢板接头:钢板接头采用双面焊,两块钢板的搭接长度不小于50mm,两端均匀应满焊,如下图所示,焊接高度不低于钢板的厚度,焊条应采用符合设计要求。
焊接之前应进行试焊,调好,调好电流参数:电流过大易烧伤甚至穿钢板;电流过小起弧困难,焊接不牢固。
钢板接头示意图:5、钢丝网绑扎:止水钢板焊接好后采用扎丝绑扎双层密目钢丝网。
钢丝网上下及梁四周必须设置到位,防止混凝土砂浆渗漏;钢筋穿过钢丝网部位采用扎丝绑扎封口。
6、检查验收:施工完毕后,报质检、监理、甲方验收。
五、质量标准1、钢板表面应清洁,无锈蚀、麻点或划痕等缺陷。
2、焊缝的焊接应均匀,不得有裂缝、夹渣、咬边、烧穿等缺陷。
3、钢丝网绑扎牢固,不得出现松动脱落现象,混凝土浇筑过程中不得出现穿孔漏混凝土现象。
六、施工注意事项1、焊接过程中,电弧应燃烧稳定,药皮熔化均匀,无成块脱落现象。
2、对于钢板穿过柱处,与柱箍筋产生交叉,需做细部处理,一般做法就是将止水钢板范围内的柱箍筋折断,与钢板止水带焊接。
七、成品保护1、注意对已焊接好的钢板止水带的保护,不乱踩乱拆、不粘油污。
在施工中出现的钢板止水带位置偏移认真修复,保证钢板止水带位置正确。
2、焊接过程中注意保护结构钢筋,不得损伤结构钢筋。
八、安全文明施工1、进入施工现场必须佩带安全帽并遵守安全生产各项制度及纪律;2、焊接时,焊接与配合人员必须采取防止触电、高空坠落、火灾等事故的安全措施;3、接地线及手把线都不得搭设在易燃与带有热源的物品上接地线不得接在管道、钢筋、设备与建筑物金属构架或轨道上;4、现场使用的电焊机应设有可防雨、防潮防晒的机棚,并备有消防用品;5、施焊人员必须持证上岗,严禁无证上岗。
必须遵守安全技术操作,严禁违规施焊。
6、雨天不得露天电焊,在潮湿地带作业时,操作人员应站在铺有绝缘物品的地方,并穿好绝缘鞋。
表C2-1工程名称交底日期Xx施工单位分项工程名称交底提要钢板止水带施工技术交底交底内容:地块洋房±0.000以下迎水(土)面墙与柱施工缝±0.000以下迎水(土)面墙与柱、出车库坡道挡土墙、出车库楼梯挡土墙、车库顶板变标高室外部分施工缝注:1、上表中的采光井、风井、出地面楼梯间的外墙柱如处于迎水(土)面或其他处于迎水(土)面构件的外墙柱施工缝须加钢板止水带2、上述所有因施工需要须留设施工缝部分,必须向项目部工长、技术报备,经同意后方可留设施工缝并加钢板止水带4、施工工艺4.1 施工流程:钢板止水带定位→固定接头焊接→外柱箍筋焊接→检查验收4.1.1止水钢板定位:止水钢板应放置在外墙中间,标高在板顶以上300mm。
外墙后浇带施工缝止水钢板放在混凝土外墙中间,沿竖向设置和每道水平止水钢板交圈焊接严密。
4.1.2 钢板固定:止水钢板位置确定好后,用墙体拉钩筋临时上下夹紧固定,然后进行钢板接缝焊接。
采用钢筋废料头与止水钢板进行焊接固定。
4.1.3 钢板接缝焊接:搭接长度应为50mm,双面满焊接。
止水钢板固定满焊做法样板止水钢板焊接50mm实例4.1.4外柱箍筋切断焊接:止水钢板穿过柱箍筋时,止水钢板接缝好后,可以将所穿过的箍筋断开,制作成开口箍,电焊在钢板上,焊接长度不小于10d。
表C2-1工程名称交底日期Xx施工单位分项工程名称交底提要钢板止水带施工技术交底交底内容:止水钢板放置在剪力墙中间位置4.1.5检查验收:止水钢板焊好后,应进行自检,检查有无沙眼、断焊、漏焊或焊缝不饱满之处,不符合要求的进行返工处理。
检查合格后,报监理工程师检查验收。
4.2施工注意事项4.2.1 止水钢板的“开口”朝向迎水面;4.2.2 外墙位置的止水钢板设置在底板或楼板往上300mm处,应尽力保证止水钢板在墙体中线上;人防区外墙位置的止水钢板设置在底板或楼板往上500mm处,应尽力保证止水钢板在墙体中线上。