台达变频器通讯协议
- 格式:doc
- 大小:34.50 KB
- 文档页数:2
台达PLC通讯协议协议名称:台达PLC通讯协议1. 引言本协议旨在规定台达PLC(Programmable Logic Controller)通讯协议的标准格式,以确保不同设备之间的通讯能够高效、准确地进行。
本协议适合于台达PLC 及其相关设备的通讯过程。
2. 定义2.1 台达PLC:指由台达公司生产和销售的可编程逻辑控制器。
2.2 通讯协议:指台达PLC与其他设备之间进行数据交换的规范和约定。
3. 通讯协议规范3.1 通讯接口3.1.1 通讯接口应符合台达PLC产品规格书中所规定的接口类型和参数要求。
3.1.2 通讯接口应支持常见的通讯协议,如Modbus、Ethernet/IP等。
3.2 数据格式3.2.1 通讯数据应使用二进制格式进行传输。
3.2.2 数据帧应包括起始标识、数据内容和校验码等字段。
3.2.3 数据内容应按照台达PLC产品规格书中所定义的数据类型和格式进行编码。
3.3 通讯速率3.3.1 通讯速率应根据实际需求进行设置,但不得超过台达PLC产品规格书中所规定的最大通讯速率。
3.3.2 通讯速率的设置应考虑到通讯距离、数据量和实时性等因素。
3.4 通讯协议命令3.4.1 通讯协议命令应包括读取数据、写入数据和控制命令等功能。
3.4.2 读取数据命令应支持单个数据点和多个数据点的读取。
3.4.3 写入数据命令应支持单个数据点和多个数据点的写入。
3.4.4 控制命令应支持台达PLC产品规格书中所定义的控制功能。
3.5 异常处理3.5.1 在通讯过程中,如发生通讯错误或者数据传输错误,应及时进行异常处理。
3.5.2 异常处理应包括错误代码的返回、错误信息的记录和错误恢复等措施。
4. 通讯测试与验证4.1 在使用台达PLC通讯协议之前,应进行通讯测试与验证。
4.2 通讯测试与验证应包括通讯接口的测试、数据传输的测试和功能验证等。
4.3 通讯测试与验证的结果应记录并进行评估,确保通讯协议的可靠性和稳定性。
1.需要在变频器上设置的参数,P-92中的8:8个数据位,E:偶校验,1:
一个停止位。
2.H表示十六进制数,2#010010:bit6~15保留,即为0,可忽略不写,
顺序位左边bit5,右边bit0。
3.新建DB数据块
4.定义MODBUS通讯,REQ为沿脉冲激活,只需导通一次即可,也可以
写在“stsrtup”组织块中。
5.REQ为沿脉冲激活用上图的初始化完成脉冲和最后一个指令的完成为
脉冲光激活(实现轮徇)。
48193:台达启动地址,见第一个图。
MB-ADDR:变频器地址。
MODE:0为读,1为写。
6.48194:台达变频器频率给定地址。
7.48452为变频器的频率反馈
8.48455为反馈电压
9.48453为反馈电流
10.赋值,将二进制2#010010传送到定义的DB数据中的运转命令,即为
正向启动。
将2#100010传送到定义的DB数据中的运转命令,即为反向启动。
将2#01传送到定义的DB数据中的运转命令,即为停止。
11.数据转换台达变频器0~6000对应0~60HZ,在HMI中显示,所以进行
相应的计算。
12.因为台达输出电压,电流为小数一位,所以除以10。
竭诚为您提供优质文档/双击可除台达变频器通信协议篇一:s7-200与台达变频通信使用200自带的modbus主站库与台达变频器通讯的例子程序段。
篇二:台达变频器和单片机的通讯介绍(软件部分)台达变频器和单片机通讯介绍(软件部分)本文摘要:台达VFd全系列变频器均能够通过通讯进行参数的读写和控制,随着单片机功能的越来越强大,在嵌入控制中的应用更加的广泛。
如何实现单片机和变频器之间的通讯是本文的介绍重点。
同时本文给出了单片机和变频器通讯的硬件电路图和通讯源程序c51,从而更加方便读者更加深入的了解通讯的内容。
关键词:变频器c51单片机引言:在《台达变频器和单片机通讯介绍(硬件部分)》中我们把单片机和变频器通讯的硬件电路搭建起来,并且讲述了单片机通讯结构,也就是单片机的通讯方式。
在本文中我们将根据各自的通讯方式和通讯协议来进行编写通讯软件。
本文中的软件开发环境使用了keilc,编程语言采用了c51.台达变频器通讯协议介绍台达变频器通讯字符格式有ascii和Rtu格式。
如下图:对于台达变频器的通讯格式,我们在作工程中或者是dcs系统中,我们只是需要把相关的设置设置正确就可以进行通讯。
但在单片机通讯中我们必须更加深入的了解资料格式的含义,熟悉bit流在整个通讯通道中是如何发送和接受的。
这样才能实现真正的报文握手正确。
单片机通讯格式的设定在本程序中采用了每一帧数据发送10位bit,波特率为9600的协议。
函数init_serial()主要完成了单片机串行通讯相关寄存器的初始化。
函数ascii()实现了台达变频器通讯协议转环卫ascii 协议格式功能。
软件调试:单片机程序通过在keil环境下开发编译的,调试界面如下:通讯效果:该电路稳定可靠和台达变频器通讯。
篇三:海为plc与台达变频器modbus通讯。
台达PLC通讯协议协议名称:台达PLC通讯协议一、引言本协议旨在规定台达PLC(Programmable Logic Controller)设备之间的通讯规范,以确保设备之间的数据传输和交互的稳定性和可靠性。
本协议适用于所有使用台达PLC设备进行通讯的相关方。
二、定义1. 台达PLC设备:指由台达公司生产的可编程逻辑控制器设备,包括但不限于PLC控制器、PLC扩展模块等。
2. 通讯协议:指台达PLC设备之间进行数据传输和交互所遵循的规范和约定。
三、通讯方式台达PLC设备之间的通讯可以采用以下方式之一:1. 串口通讯:通过RS232或RS485等串行接口进行通讯。
2. 以太网通讯:通过以太网接口进行通讯。
3. 其他通讯方式:根据实际需求,可以采用其他通讯方式。
四、通讯协议规范1. 数据格式:通讯数据采用二进制格式进行传输,每个数据包由起始位、数据位、校验位和结束位组成。
2. 通讯速率:通讯速率应根据实际情况进行设置,确保数据传输的稳定性和实时性。
3. 数据包格式:每个数据包应包含设备地址、功能码、数据长度、数据内容等信息,具体格式如下:- 设备地址:用于标识通讯中的发送方和接收方设备。
- 功能码:用于标识通讯中的具体功能,如读取数据、写入数据等。
- 数据长度:指示数据内容的长度。
- 数据内容:实际传输的数据内容。
4. 错误处理:在通讯过程中,如发生错误应及时进行处理,并给予错误提示或重传等操作,以确保数据的完整性和准确性。
五、通讯流程1. 建立连接:通讯双方在进行数据传输之前,需要先建立连接,确保双方设备之间的通讯通道畅通。
2. 数据传输:通讯双方根据协议规定的数据格式,进行数据的读取、写入等操作。
3. 数据确认:接收方设备在接收到数据后,应发送确认信号给发送方设备,以确保数据的正确传输。
4. 连接断开:通讯结束后,通讯双方可以断开连接,释放通讯资源。
六、安全性和保密性1. 通讯数据的安全性和保密性是通讯双方的共同责任,双方应采取必要的措施,防止未经授权的访问和数据泄露。
台达变频器通讯协议(ASCII模式)1.基本资料格式注释:(1)资料位按每字节计算。
(2)STX:起始字符“3A”,ADD H:数据地址高位, ADD L:数据地址低位,FUN H:功能码高位,FUN L:功能码低位,DT H:数据位高位,DT L 数据位低位,LRC H:检查码高位,LRC L:检查码低位,END H:结束码高位,END L:结束码低位。
(3)通讯地址:00H:对所有驱动器广播,01H:对01地址驱动器广播,0FH:对15地址驱动器广播。
功能码与资料内容:03H:读出资料内容,06H:写一笔资料至寄存器,06H:回路侦测,10H:写入多笔资料至寄存器。
2.读寄存器内容:例:对01H读出两个连续于寄存器内的资料内容如下表示:变频器应答:3.写一笔资料至寄存器。
对驱动器地址01H写入6000(1770H)至驱动器内部0100H变频器应答:4.通讯回路测试,驱动器将所受资料原封不动送回给主控设备。
变频器应答:5.参数字地址定义:(1)对驱动器的命令:2000HBIT0~1:00 无功能,01 停止,10 启动, 11 JOG启动BIT2~3:保留BIT4~5:00 无功能,01 正方向指令,10 反方向指令,11 改变方向指令BIT6~7:00 第一段加减速,01 第二段加减速,10 第三段加减速,11 第四段加减速BIT8~11:0000 主速,0001 第一加减速,0010第二段加减速,0011 第三段加减速0100第四段加减速,0101 第五段加减速,0110 第六段加减速,0111 第七段加减速1000 第八段加减速,1001 第九段加减速,1010第十段加减速,1011第十一段加减速1100 第十二段加减速 1101第十三段加减速 1110第十四段加减速 11第十五段加减速BIT12:选择BIT6~11功能BIT13~15 保留(2)对频率的命令:2001H6.VFD的通讯参数设置。
3-11 台達變頻器通訊指令(MODBUS DATA READ)MODRD指令係針對MODBUS ASCII 模式的通訊週邊設備專用的驅動指令。
台達VFD變頻器內建的RS-485通訊接口皆符合MODBUS的通訊格式(除了VFD-A系列),因此可利用MODRD指令對台達變頻器進行通訊控制(資料讀取)。
在實際使用時,必須配合連線裝置使用說明書。
M1143=ON為RTU模式(PLC版本必須在V3.3以㆖)。
M1143=OFF為ASCII模式。
S1連線裝置位址。
K00000~K00254。
S2欲讀取資料的位址。
若位址對於被指定的裝置不合法,則會回應錯誤訊息,錯誤碼儲存於D1130,同時M1141會ON。
例如4000H對VFD-S不合法,則M1141 ON,D1130 = 2,錯誤碼請參考VFD-B使用手冊)。
n資料讀取長度,其㆗n≦6。
週邊裝置回傳的資料儲存於D1070~D1085。
接收完畢後,PLC會自動檢查所接收的資料是否有誤,若發生錯誤則M1140會ON。
由於回傳的資料均為ASCII字元,PLC會另外將回傳主要的資料轉為數值轉存於D1050~D1055。
當M1140 ON 或M1141 ON 之後,再傳送㆒筆正確資料給週邊裝置,若回傳的資料正確則 M1140,M1141 會被RESET。
DELTA VFD-B的參數設定:參數代號參數功能設定範圍出廠設定02-00 頻率指令來源設定 00:由鍵盤輸入0001:由外部0〜10V輸入(AVI)02:由外部4〜20mA輸入(ACI)03:由外部-10〜10V輸入(AUI)04:由通信RS485輸入02-01 運轉指令來源設定 00:由鍵盤操作0001:由外部端子操作鍵盤STOP鍵有效02:由外部端子操作鍵盤STOP鍵無效03:由RS-485通信界面操作鍵盤STOP鍵有效04: 由RS-485通信界面操作鍵盤STOP鍵無效3-124參數代號參數功能設定範圍出廠設定09-00 通訊位址 01〜254 0109-01 通訊傳送速度00: Baud rate 4800 0101: Baud rate 960002: Baud rate 1920003: Baud rate 3840009-04 通訊格式00: 7,N,2 for ASCII 0001: 7,E,1 for ASCII02: 7,O,1 for ASCII03: 8,N,2 for RTU04: 8,E,1 for RTU05: 8,O,1 for RTUDELTA VFD-B通信協定的參數位址定義:定義參數位址功能說明驅動器內部設定參數GGnnH GG表示參數群,nn表示參數號碼。
Schneider-施耐德LEC使用技巧文集[第4讲]——Twido和台达VFD_B变频器Modbus通讯的实现
在工业控制领域里,有很多第三方的设备都支持Modbus协议,台达VFD_B系列变频器就提供了对标准Modbus的读多个字和写多个字命令的支持。
以下对Twido PLC和VFD_B间的通讯进行说明。
VFD_B系列提供的485通讯口采用方式,其通讯接脚定义为:
Pin3:SG-,Pin4:SG+。
对应Twido的B和A脚(如果是使用端子接线方式的扩展通讯口时)。
为使VFD_B通过通讯控制起停和给定频率,需设定变频参数如下:
02-00 第一频率指令来源设定 设定值:05(表示主频率由RS-485 通讯给定,不记忆频率。
)
02-01 第一运转指令来源设定 设定值:03(表示运转指令由RS-485 通讯给定) 09-00 通讯地址 设定值:01(设定范围 01~254)
09-01 通讯传送速度 设定值:03(Bard rate 38400)
09-04 通讯资料格式 设定值:05(8,O,1 for RTU)
相应Twido PLC设置通讯口如下:
通过Twido的通讯指令EXCH2来进行通讯的发送和接收,例程如下:
附:VFD-B的通讯参数地址。
台达PLC与变频器485程序实例1. 引言在工业自动化领域中,PLC(可编程逻辑控制器)和变频器(频率变换器)是常用的设备,它们在控制和调节电气设备中起着重要的作用。
本文将介绍如何使用台达PLC与变频器的485通信进行程序编写的实例。
2. 什么是台达PLC与变频器485通信2.1 台达PLC台达PLC是一种可编程逻辑控制器,它具有处理输入和输出信号、执行逻辑运算和控制输出的能力。
台达PLC广泛应用于工业自动化领域,可以实现各种控制任务。
2.2 变频器变频器是一种能够调节电机转速和输出功率的设备。
它通过改变电机的输入电压和频率来实现对电机的控制,从而实现对电机转速的调节。
2.3 485通信485通信是一种常用的串行通信协议,它可以实现多个设备之间的数据传输。
通过485通信,台达PLC可以与变频器进行数据交换和控制命令发送。
3. 实例步骤3.1 准备工作在开始编写台达PLC与变频器485程序之前,需要进行一些准备工作:1.确保台达PLC和变频器的硬件连接正确,包括电源和通信线路的连接。
2.确保台达PLC和变频器的通信参数设置一致,包括波特率、数据位、停止位等。
3.2 编写PLC程序在台达PLC的编程软件中,编写以下程序:LD K1OUT M1该程序的作用是当K1信号为真时,将M1输出信号置为真。
3.3 编写变频器程序在变频器的参数设置中,将通信地址设置为与台达PLC一致。
3.4 配置PLC与变频器的485通信在台达PLC的编程软件中,进行以下配置:1.选择通信模块,配置通信参数,包括波特率、数据位、停止位等。
2.设置PLC与变频器的通信地址,确保与变频器的地址一致。
3.编写PLC的通信程序,实现与变频器的数据交换和控制命令发送。
LD M1MOV K1, D1该程序的作用是当M1信号为真时,将D1数据置为真。
3.5 测试与调试将台达PLC与变频器连接,进行测试与调试。
通过监测PLC和变频器的输入输出信号,验证通信和控制功能是否正常。
台达变频器通讯协议(ASCII模式)1.基本资料格式STXADDHADDLFUNHFUNLDTHDTLLRCHLRCLENDHENDL注释:(1)资料位按每字节计算。
(2)STX:起始字符“3A”,ADDH:数据地址高位,ADDL:数据地址低位,FUNH:功能码高位,FUNL:功能码低位,DTH:数据位高位,DTL数据位低位,LRCH:检查码高位,LRCL:检查码低位,ENDH:结束码高位,ENDL:结束码低位。
(3)通讯地址:00H:对所有驱动器广播,01H:对01地址驱动器广播,0FH:对15地址驱动器广播。
功能码与资料内容:03H:读出资料内容,06H:写一笔资料至寄存器,06H:回路侦测,10H:写入多笔资料至寄存器。
2.读寄存器内容:例:对01H读出两个连续于寄存器内的资料内容如下表示:STXADDHADDLFUNHFUNLADDHADDLDTHDTLLRCH,LENDH,L:010*********D7CRLF变频器应答:STXADDHADDLFUNHFUNLCOUNTBEYTADDHADDLDTHDTH:01030417700000LRCH,LEND71CR3.写一笔资料至寄存器。
对驱动器地址01H写入6000(1770H)至驱动器内部0100HSTXADDHADDLFUNHFUNLADDHADDLDTHDTLLRCH,LENDH,L:01060100177071CRLF变频器应答:STXADDHADDLFUNHFUNLADDHADDLDTHDTLLRCH,LENDH,L:01060100177071CRLF4.通讯回路测试,驱动器将所受资料原封不动送回给主控设备。
STXADDHADDLFUNHFUNL资料资料LRCH,LENDH,L:01080000177070CRLF变频器应答:STXADDHADDLFUNHFUNL资料资料LRCH,LENDH,L:01080000177070CRLF5.参数字地址定义:(1)对驱动器的命令:2000HBIT0~1:00无功能,01停止,10启动,11JOG启动BIT2~3:保留BIT4~5:00无功能,01正方向指令,10反方向指令,11改变方向指令BIT6~7:00第一段加减速,01第二段加减速,10第三段加减速,11第四段加减速BIT8~11:0000主速,0001第一加减速,0010第二段加减速,0011第三段加减速0100第四段加减速,0101第五段加减速,0110第六段加减速,0111第七段加减速1000第八段加减速,1001第九段加减速,1010第十段加减速,1011第十一段加减速1100第十二段加减速1101第十三段加减速1110第十四段加减速11第十五段加减速BIT12:选择BIT6~11功能BIT13~15保留(2)对频率的命令:2001H6.VFD的通讯参数设置。
台达vfd一ⅴe变频说明书一、MODBUS通信概述MODBUS协议分为串行链路上MODBUS协议和基于TCP/IP协议的MODBUS 协议。
串行链路上MODBUS协议有MODBUS ASCAII (字符串)和MODBUS RTU两种200SMART所提供的MODBUS协议库能够支持MODBUS RTU 通信MODBUS RTU 是以16进制的数值进行发送MODBUS ASCAII是以ASCAII码的方式进行发送,一个数据采用RTU方式发送只需要一个字节,而用ASACII码发送需要两个字节,发送时间PLC与变频器串口通信有很多通信方式,但常用的、首选的就是MODBUS通信方式,在实际的工业控制中应用非常广泛;这一期我们向大家一起分享变频器如何与PLC通过MODBUS RTU的方式进行控制二、MODBUS库指令详解库指令分两种,一个是主站库,一个是从站库主站是PLC作为MODBUS的主站主动去读取其他设备的数据;从站是PLC作为MODBUS的从站,其他设备来读取数据;本期我们分享的是PLC作主站,变频器做从站STEP7-MinWIN SMART软件自带MODBUS通信库指令初始化指令:控制指令:三、MODBUS RTU的通信格式(协议)通信协议有:站号、功能码、数据地址、数据内容、校验位、结束符组成校验:N=None无校验 E=Even偶校验 O=Odd奇校验判断数据位中为1的个数是奇数还是偶数(选择偶校验如16#03中如果为1 的个数是偶数时,校验位为1 ;如果为1 的个数是奇数时,校验位为0 。
选择奇校验时,为1的个数是偶数时,校验位为0 ;为1的个数是奇数时,校验位为1)功能码指定了对从站设备读操作还是写操作,同时也指定了MODBUS寄存器地址的类型,常用功能码有:四、PLC与变频器通信硬件的连接在变频器上面涉及通信的端子标记有A/B RS585+/RS485-或RJ11的网口;找到相关变频器的说明书查看通信端口的接线定义,以下是台达VFD-M系列的变频器通信口接线定义五、变频器通信参数的设置1、要实现变频器或仪表和PLC能正常通信,彼此的接口和协议需要一致,除此之外参数的设置也必须一致P00 设03(频率指令)P01 设03(运转指令)P88 设03 (通讯地址,0-254之间)P89 设02(波特率选择)P92 设04 (数据格式,200SMART不支持2个停止位,因此只能选04/05任意一个参数)P157 设01 (变频器默认的就是MODBUS模式)2、查看说明书的启停、频率给定、运行频率、电压电流等反馈参数的地址信息帧格式说明表示读2103 2104两个地址的数据放在17 70 和00 00的地址里通信协议的参数地址定义:运行命令地址2000H 频率命令地址2001H输出频率地址2103H 输出电流地址22104H输出电压地址2106H 变频器温度地址 210DH六、MODBUS通信程序的编写在程序的开始可以加一段初始化对所有的位进行复位。
台达变频器与PLC通讯功能的实现方法1.硬件连接:首先,需要将变频器和PLC进行硬件连接。
通常情况下,可以通过RS485或者RS232接口进行连接。
将PLC的通讯接口与变频器的同样的通讯接口进行连接。
确保连接正确且稳定。
2.设置通讯参数:在变频器和PLC之间进行通讯之前,需要设置通讯参数。
通讯参数包括通讯的波特率、数据位数、停止位数、校验位等设置。
这些参数需要根据具体的设备和通讯方式来进行设置,确保两个设备间能够正常通讯。
3. 使用通讯指令:变频器和PLC之间的通讯是通过发送和接收不同的通讯指令来进行的。
对于台达变频器和PLC通讯,主要使用Modbus协议。
在PLC的程序中,需要编写相应的指令,通过串口发送给变频器。
而变频器接收到指令后,会返回相应的数据给PLC。
这样就完成了变频器和PLC之间的通讯。
4.PLC程序编写:在PLC中,需要编写相应的程序来实现与变频器的通讯功能。
一般来说,可以使用PLC的通讯模块库来简化通讯指令的编写工作。
通过调用相应的函数,可以实现与变频器的通讯。
在PLC程序中,可以编写读取变频器的运行状态、设置变频器的参数等功能。
5. 变频器参数设置:除了在PLC程序中进行通讯指令的编写,还需要在变频器中进行相关的参数设置,以便于与PLC进行通讯。
一般来说,需要设置变频器的Modbus地址、通讯参数等。
这样才能确保变频器能够正确地接收和返回数据。
总结起来,实现台达变频器与PLC通讯功能的步骤包括:硬件连接、设置通讯参数、使用通讯指令进行通讯、PLC程序编写和变频器参数设置。
通过以上步骤的完成,就可以实现变频器与PLC之间的通讯功能,实现数据的读取和设置。
这样可以更好地实现对变频器的控制和监控。
S7-1200与台达变频器MODBUS通讯
1.在变频器上需要设置的参数是P-92中的8个数据位,E
为偶校验,1为一个停止位。
2.H表示十六进制数,2#表示保留了bit6~15,可以忽略
不写,顺序位左边是bit5,右边是bit0.
3.需要新建一个DB数据块。
4.定义MODBUS通讯,REQ为沿脉冲激活,只需导通一
次即可,也可以写在“startup”组织块中。
5.REQ为沿脉冲激活,用上图的初始化完成脉冲和最后一个指令的完成为脉冲光激活(实现轮循)。
是台达启动地址,见第一个图。
MB-ADDR是变频器地址。
MODE为0表示读,1表示写。
6.是台达变频器频率给定地址。
7.是变频器的频率反馈。
8.是反馈电压。
9.是反馈电流。
10.赋值,将二进制2#传送到定义的DB数据中的运转命令,即为正向启动。
将2#传送到定义的DB数据中的运转命
令,即为反向启动。
将2#01传送到定义的DB数据中的运转命令,即为停止。
11.数据转换,台达变频器0~6000对应0~60HZ,在HMI 中显示,需要进行相应的计算。
台达PLC通讯协议协议名称:台达PLC通讯协议一、引言本协议旨在规范台达PLC(可编程逻辑控制器)的通讯协议,确保不同设备之间的数据传输和通讯稳定可靠。
本协议适用于台达PLC设备及其相关通讯设备。
二、协议版本本协议的当前版本为1.0,适用于台达PLC通讯协议的基本规范。
三、协议范围本协议适用于台达PLC设备及其相关通讯设备之间的数据传输和通讯。
四、协议要求1. 通讯方式台达PLC通讯协议支持以下通讯方式:a. 串行通讯:支持RS232和RS485通讯接口。
b. 网络通讯:支持以太网通讯接口。
2. 数据传输格式a. 串行通讯:数据传输格式为ASCII码或二进制。
b. 网络通讯:数据传输格式为TCP/IP协议。
3. 数据传输速率a. 串行通讯:支持的数据传输速率为2400、4800、9600、19200、38400、57600和115200bps。
b. 网络通讯:支持的数据传输速率为10Mbps、100Mbps和1000Mbps。
5. 通讯协议a. 串行通讯:支持Modbus RTU协议。
b. 网络通讯:支持Modbus TCP/IP协议。
6. 数据格式a. 数据长度:数据长度为16位或32位。
b. 数据类型:支持整型、浮点型、布尔型等数据类型。
7. 通讯安全a. 串行通讯:支持数据校验和错误检测。
b. 网络通讯:支持数据加密和身份验证。
8. 异常处理a. 通讯异常:当通讯中断或出现错误时,设备应能够自动重连或报警。
b. 数据异常:当接收到异常数据时,设备应能够进行数据校验和错误处理。
9. 可扩展性a. 支持多设备通讯:设备应能够同时与多个台达PLC设备进行通讯。
b. 支持多协议通讯:设备应能够同时支持多种通讯协议。
10. 文档要求a. 设备必须附带详细的通讯协议文档,包括通讯方式、数据传输格式、数据格式、通讯协议、通讯安全、异常处理等内容。
b. 设备的通讯协议文档必须提供示例代码和详细的使用说明。
台达变频器与plc网口通讯在现代工业领域,台达变频器(Delta VFD)和PLC (Programmable Logic Controller)是两种常见的设备。
台达变频器用于控制电动机的转速和运行状态,而PLC则用于控制整个工业系统的自动化过程。
为了实现高效的工业自动化,台达变频器和PLC需要进行通讯,以便实时传输数据和指令。
本文将探讨台达变频器与PLC网口通讯的相关知识和应用。
1. 台达变频器与PLC的基本原理台达变频器与PLC之间的通讯是通过串行通讯协议实现的。
常见的串行通讯协议有Modbus、Profibus、以太网等。
其中,以太网通讯是最常用的一种方式。
台达变频器和PLC通过各自的网口连接到工业以太网交换机上,通过交换机进行数据传输。
2. 台达变频器与PLC网口通讯的应用台达变频器与PLC网口通讯在工业自动化系统中发挥着重要的作用。
通过通讯,PLC可以实时监测和控制台达变频器的状态,从而确保电动机的正常运行。
同时,PLC还可以向台达变频器发送控制指令,改变电动机的转速和运行模式,以适应不同的工作条件。
3. 台达变频器与PLC网口通讯的实现步骤实现台达变频器与PLC网口通讯的具体步骤如下:第一步,配置台达变频器和PLC的网络参数。
通过设置变频器和PLC的IP地址、子网掩码、网关等参数,使它们位于同一个局域网中。
第二步,编写PLC程序。
在PLC的程序中,需要添加相应的通讯模块,以实现与台达变频器的通讯。
可以使用PLC的编程软件,如Siemens Step 7或Rockwell Studio 5000等,进行编程。
第三步,配置变频器的通讯参数。
台达变频器通常有自己的通讯设置菜单,可以设置通讯协议、通讯速率、IP地址等参数,与PLC进行通讯。
第四步,测试通讯连接。
在进行实际应用之前,需要进行通讯连接的测试。
通过发送和接收数据,验证通讯是否正常。
4. 台达变频器与PLC网口通讯的优势与传统的串行通讯方式相比,台达变频器与PLC网口通讯具有以下优势:首先,以太网通讯速度快,能够快速传输大量数据,提高了系统的响应速度和实时性。
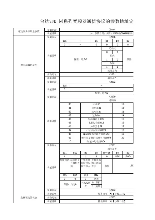
台达变频器通讯协议(ASCII模式)1.基本资料格式
注释:(1)资料位按每字节计算。
(2)STX:起始字符“3A”,ADD H:数据地址高位,ADD L:数据地址低位,FUN H:功能码高位,FUN L:功能码低位,DT H:数据位高位,DT L 数据位低
位,LRC H:检查码高位,LRC L:检查码低位,END H:结束码高位,END L:
结束码低位。
(3)通讯地址:00H:对所有驱动器广播,01H:对01地址驱动器广播,0FH:对15地址驱动器广播。
功能码与资料内容:03H:读出资料内容,06H:写一笔资料至寄存器,06H:
回路侦测,10H:写入多笔资料至寄存器。
2.读寄存器内容:
例:对01H读出两个连续于寄存器内的资料内容如下表示:
变频器应答:
3.写一笔资料至寄存器。
对驱动器地址01H写入6000(1770H)至驱动器内部0100H
变频器应答:
4.通讯回路测试,驱动器将所受资料原封不动送回给主控设备。
变频器应答:
5.参数字地址定义:
(1)对驱动器的命令:2000H
BIT0~1:00 无功能,01 停止,10 启动,11 JOG启动
BIT2~3:保留
BIT4~5:00 无功能,01 正方向指令,10 反方向指令,11 改变方向指令
BIT6~7:00 第一段加减速,01 第二段加减速,10 第三段加减速,11 第四段加减速BIT8~11:0000 主速,0001 第一加减速,0010第二段加减速,0011 第三段加减速0100第四段加减速,0101 第五段加减速,0110 第六段加减速,0111 第七段加减速1000 第八段加减速,1001 第九段加减速,1010第十段加减速,1011第十一段加减速1100 第十二段加减速1101第十三段加减速1110第十四段加减速11第十五段加减速
BIT12:选择BIT6~11功能
BIT13~15 保留
(2)对频率的命令:2001H
6.VFD的通讯参数设置。
09—00:通讯地址01H~254H
09—01:通讯传输速度:00 波特率4800,01波特率9600,02 波特率19200,03 波特率38400
09—02:传输超时错误处理00 警告并继续运转,01 警告并减速停车02 警告并自由停车03 不警告并继续运转
09—03:传输超时检出
09—04:通讯资料格式00:7,N,2 01:7,E,1 02:7,0,1 03:8,N,2 04:8,E,1 05:8,O,1。