电厂安全检查表(终)
- 格式:doc
- 大小:229.50 KB
- 文档页数:31
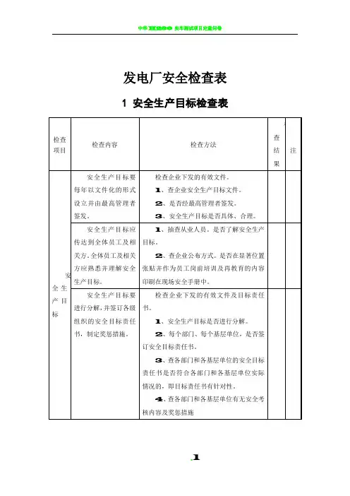
发电厂安全检查表1 安全生产目标检查表
2 安全生产管理机构与职责检查表
3 安全生产投入与安全生产设施“三同时”检查表
4 法律法规与安全管理制度检查表
5 教育培训考评检查表
6 特种设备、强制检测设备设施管理检查表
7 隐患排查和治理检查表
8 重大危险源监控检查表
9 作业安全检查表
10 应急管理检查表
11 事故管理检查表
12 锅炉设备及系统检查表
13 化学水处理及系统检查表
14 汽轮机设备及系统检查表
15 热工控制设备及系统检查表
16 消防设施及系统检查表
17 电气设备及系统检查表
18 特种设备设施检查表
19 其他设备设施检查表。
发电厂安全检查表1 安全生产目标检查表
2 安全生产管理机构与职责检查表
3 安全生产投入与安全生产设施“三同时”检查表
4 法律法规与安全管理制度检查表
备
备
备5 教育培训考评检查表
6 特种设备、强制检测设备设施管理检查表
7 隐患排查和治理检查表
8 重大危险源监控检查表
9 作业安全检查表
10 应急管理检查表
11 事故管理检查表
12 锅炉设备及系统检查表
13 化学水处理及系统检查表
14 汽轮机设备及系统检查表
15 热工控制设备及系统检查表
16 消防设施及系统检查表
17 电气设备及系统检查表
18 特种设备设施检查表
19 其他设备设施检查表。
电厂安全隐患检查表一、场地与设施安全1. 电厂的周边是否有足够的安全区域进行生产活动?2. 电厂的建筑物是否结构稳固、无倾斜或裂缝?3. 电厂的各个区域是否设置了明确的安全标识?4. 电厂的机械设备和工具是否经过定期维护和检查?5. 电厂是否建立了紧急疏散计划,并进行了演练?二、电气安全1. 电厂的电气设备是否符合相关标准,并经过定期检测和维护?2. 电厂的电线电缆是否正常绝缘,无裸露导体?3. 电厂的开关箱和电控设备是否完好,并设置了安全保护措施?4. 电厂的电力配电系统是否合理、安全可靠?5. 电厂的电气设备是否防雷、防爆,并进行了定期检查?三、消防安全1. 电厂的消防设施是否齐全,包括消防器材、消防通道、消防栓等?2. 电厂的消防设备是否经过定期维护和检查?3. 电厂的灭火器是否摆放在易于取用的位置,并定期更换?4. 电厂的消防标志是否清晰可见,易于辨认?5. 电厂的员工是否进行过消防安全培训?四、危险品安全1. 电厂的危险品存放区是否符合相关规定?2. 电厂的危险品存放区是否设置了明确的安全标识和警示标志?3. 电厂的危险品存放区是否与其他区域分隔开来,避免交叉污染和事故发生?4. 电厂的危险品是否储存妥善,防止泄漏、燃爆或其他危险事件?5. 电厂的员工是否经过相关培训,了解危险品的处理和应急措施?五、工艺操作安全1. 电厂的工艺操作人员是否具备相应的资质和培训证书?2. 电厂的工艺操作是否按照标准操作程序进行?3. 电厂的工艺操作是否存在违规行为,如超载、超时工作等?4. 电厂的工艺操作是否存在潜在的安全风险,如高温、高压操作等?5. 电厂的工艺设备是否正常运行,并定期进行检修和维护?以上为电厂安全隐患检查表的内容,通过对以上问题的检查和评估,可以及时发现和解决电厂安全问题,确保生产过程中的安全性和可靠性。
电厂检修现场安全检查表检查日期:________________检查地点:________________检查人员:________________一、现场基本情况1. 电厂名称:2. 检修现场所在位置:3. 检修时间:二、安全措施检查1. 检查现场是否设置了明显的安全警示标识,并保持清晰可见。
2. 检查现场是否设置了警戒线,并与周围环境进行合理隔离。
3. 检查现场是否设置了就近的消防器材,并确保其正常可用。
4. 检查现场是否设置了应急疏散通道,并保持畅通无阻。
5. 检查现场是否配备了足够的安全防护用具,并进行合理的使用。
6. 检查现场是否进行了安全交底和安全教育,人员是否理解相关的安全操作规程。
7. 检查现场是否存在可能引起事故的隐患,并及时采取措施进行处理。
三、设备安全检查1. 检查现场使用的设备是否存在损坏、老化等情况,是否存在漏电、跳闸等电气安全隐患。
2. 检查现场设备是否按照规定进行过维护和保养,并记录维护保养的情况。
3. 检查现场设备的接地是否符合标准要求,是否接通可靠。
4. 检查现场设备的运行状态是否正常,是否存在异常声音、异味等情况。
5. 检查现场设备是否配备了必要的安全保护装置,如过温保护、过载保护等。
四、作业安全检查1. 检查现场作业人员是否佩戴了必要的个人防护装备,如安全帽、防护眼镜、防护手套等。
2. 检查现场作业人员是否按照规定进行安全操作,是否存在违规行为。
3. 检查现场作业人员是否存在疲劳驾驶、情绪不稳定等可能影响安全的情况。
4. 检查现场作业人员是否针对特殊作业具备相应的专业技能和操作经验。
五、环境安全检查1. 检查现场是否存在可能引发火灾的可燃物,如油料、木材等,是否进行了妥善存放和管理。
2. 检查现场是否存在可能导致爆炸的危险物质,如气体、化学品等,是否采取了相应的防护措施。
3. 检查现场周边环境是否存在可能对安全产生影响的因素,如敏感设备、高温区域等,是否有相应的警示措施。
发电厂安全检查表
发电厂是一个重要的能源供应单位,为确保生产安全和人员安全,需要进行定期的安全检查。
下面是一份发电厂安全检查表。
1.安全检查人员:
2.检查时间:
3.检查区域:
4.检查项目:
(1)厂区围墙是否完好?
(2)消防设施是否完整并工作正常?
(3)厂区内是否有易燃易爆物品存放?
(4)厂区内是否有挖掘、焊接等作业?
(5)发电机组、输电线路、变电设备是否正常运行?
(6)用电设备安装是否符合规范?
(7)发电机房、变配电室是否有防爆措施?
(8)工作人员是否穿戴符合规范的个人防护器材?
(9)发电厂内是否有安全生产宣传标语和标志?
(10)已发现的安全隐患是否得到及时整改?
检查结果:
(1)合格:
(2)不合格:
(3)待整改:
检查人员姓名:
检查人员签名:
发电厂安全检查表需要根据实际情况进行修改和个性化定制。
除上述项目之外,还应考虑其他可能存在的安全隐患,例如高温、高压、高空、毒害等。
对于发现的问题,必须及时记录并督促相关人员整改。
检查表的存在可以提高工作人员的安全意识和责任心,有效预防事故的发生。
电厂检修工作安全检查表一、检查概况本次检查旨在确保电厂检修工作过程中的安全措施和操作符合相关规定,保障人员安全以及设备稳定运行。
以下是对相关检查项目的详细记录:二、现场安全措施1. 确保现场安全标识是否齐全清晰,包括安全警示标志、应急逃生标志等。
2. 检查是否设置了必要的隔离带、安全护栏,以确保工作区域与非工作人员之间的安全距离。
3. 检查应急设备和装置是否满足需求,包括消防器材、急救箱等。
三、设备安全1. 检查设备是否有明确的操作规程和操作手册,操作人员是否持有效证件。
2. 检查设备的运行状态和工作程序是否符合安全要求。
3. 检查设备的维修保养记录,包括定期检查和维护保养是否按时进行,并记录详细信息。
四、电气安全1. 检查是否设置了相应的电气安全保护装置,例如漏电保护器、过载保护器等。
2. 检查电气设备的接地是否符合规范,确保人员操作时的安全。
3. 检查电厂设备是否接受过合格的电器设备检验,并确保相关证明文件的有效性。
五、作业人员安全1. 检查作业人员是否具备相关技能和资质,是否参加过必要的培训。
2. 检查作业人员是否佩戴齐全的个人防护装备,包括安全帽、防护眼镜、防护手套等。
3. 检查作业人员是否遵守相关操作规程,严禁违规操作。
六、应急准备1. 检查应急疏散通道是否畅通,应急灯光是否正常工作。
2. 检查应急电话和报警装置是否可靠有效,能够及时报警并采取应急措施。
七、记录与整改1. 对每一项检查项目的结果进行详细记录,包括存在的问题和需要改进的建议。
2. 根据检查结果制定整改方案,并落实到实际操作中。
3. 定期跟踪检查的整改情况,确保问题得到及时解决。
以上是对电厂检修工作安全检查表的详细记录。
本次检查的目标在于确保电厂设备检修工作的安全,保障人员与设备的安全。
通过严格的检查与整改措施,我们将进一步提高电厂检修工作的安全水平,保障电力设备的稳定运行。
电厂安全检查表1. 安全生产目标检查表
2 安全生产管理机构与职责检查表
3 安全生产投入与安全生产设施“三同时"检查表
1。
4 法律法规与安全管理制度检查表
5 教育培训考评检查表
表6 特种设备、强制检测设备设施管理检查表
表7 隐患排查和治理检查表
表8 重大危险源监控检查表
表9 作业安全检查表
表10 应急管理检查表
表11 事故管理检查表
表14 锅炉设备及系统检查表
表15 化学水处理及系统检查表
表16 汽轮机设备及系统检查表
表17 热工控制设备及系统检查表
表18 消防设施及系统检查表
表19 电气设备及系统检查表
表20 特种设备设施检查表
表21 其他设备设施检查表。
发电厂安全检查表(总29页) -CAL-FENGHAI.-(YICAI)-Company One1
-CAL-本页仅作为文档封面,使用请直接删除
发电厂安全检查表1 安全生产目标检查表
2 安全生产管理机构与职责检查表
3 安全生产投入与安全生产设施“三同时”检查表
4 法律法规与安全管理制度检查表
5 教育培训考评检查表
6 特种设备、强制检测设备设施管理检查表
7 隐患排查和治理检查表
8 重大危险源监控检查表
9 作业安全检查表
10 应急管理检查表
11 事故管理检查表
12 锅炉设备及系统检查表
13 化学水处理及系统检查表
14 汽轮机设备及系统检查表
15 热工控制设备及系统检查表
16 消防设施及系统检查表
17 电气设备及系统检查表
18 特种设备设施检查表
19 其他设备设施检查表。
发电厂安全检查表1 安全生产目标检查表
2 安全生产管理机构与职责检查表
3 安全生产投入与安全生产设施“三同时”检查表
4 法律法规与安全管理制度检查表
5 教育培训考评检查表
6 特种设备、强制检测设备设施管理检查表
7 隐患排查和治理检查表
8 重大危险源监控检查表
9 作业安全检查表
10 应急管理检查表
11 事故管理检查表
12 锅炉设备及系统检查表
13 化学水处理及系统检查表
14 汽轮机设备及系统检查表
15 热工控制设备及系统检查表
16 消防设施及系统检查表
17 电气设备及系统检查表
18 特种设备设施检查表
19 其他设备设施检查表。
电厂安全检查表1. 安全生产目标检查表
2 安全生产管理机构与职责检查表
3 安全生产投入与安全生产设施“三同时”检查表
1.4 法律法规与安全管理制度检查表
5 教育培训考评检查表
表6 特种设备、强制检测设备设施管理检查表
表7 隐患排查和治理检查表
表8 重大危险源监控检查表
表9 作业安全检查表
表10 应急管理检查表
表11 事故管理检查表
表14 锅炉设备及系统检查表
表15 化学水处理及系统检查表
表16 汽轮机设备及系统检查表
表17 热工控制设备及系统检查表
表18 消防设施及系统检查表
表19 电气设备及系统检查表
表20 特种设备设施检查表
表21 其他设备设施检查表。