电力变压器安装工艺标准
- 格式:doc
- 大小:148.00 KB
- 文档页数:21
变压器安装施工工艺1变压器安装施工工艺 1.1 适用范围变电工程的220kV及以上变压器安装,(110kV变压器、35kV及以上油浸高压电抗器安装可参照执行)。
1.2 施工流程施工流程图见图1-1。
图1-1施工流程图1.3 流程说明及主要施工工艺质量控制要求1.3.1施工准备(1)现场布置:包括变压器油过滤及真空处理设施、附件和吊车等。
(2)技术准备:变压器试验合格证明书,包括电气试验、附件试验和变压器油;变压器安装说明书;变压器安装作业指导书;施工图纸;变压器保管记录,包括充干燥气体保管压力(气体保管压力一般为0.01~0.03MPa,750kV变压器充气运输的气体保管压力应保持为0.02~0.03MPa,气体的露点应低于-40℃)记录和运输过程冲击记录仪记录数据检查(三维冲击记录均必须小于3g)。
(3)人员组织:安装、试验负责人,技术负责人(含技术服务人员),安全、质量负责人,安装、试验人员。
(4)机具及材料:吊车、单车汽车,吊装机具(包括专用吊具),专用工具和专用材料(产品附带),抽真空和滤油设备等。
1.3.2变压器油品质要求(1)变压器本体油应取样进行简化分析、色谱分析,变压器油电气强度、微水、tgδ等参数必须满足产品技术要求和合同技术要求。
(2)到达现场的填充或补充变压器油均应有试验记录并取样进行简化分析,变压器油基本指标达到:电气强度≥40kV/2.5mm;微水≤20ppm(μL/L);tgδ:≤0.5%(90℃时)。
到货大罐油应每罐取样,小桶油应按表1-1数量取样。
表1-1 绝缘油取样数量每批油的桶数取样桶数每批油的桶数取样桶数 1 1 51~100 7 2~5 2 101~200 10 6~20 3 201~400 15 21~50 4 401及以上20 (3)注入变压器的油符合表1-2的标准要求表1-2 注入变压器的油标准变压器电压等级(kV)220 330 500 750 变压器油电气强度(kV)≥40 ≥50 ≥60 ≥70 变压器油含水量(μL/L)≤15 ≤15 ≤10 ≤8 颗粒度(1/100mL)(5μm以上颗粒) ≤900 tgδ(%)(90℃时) ≤0.5 ≤0.5 ≤0.5 ≤0.5 (4)施加电压前变压器本体的油符合表1-3的标准要求。
环氧树脂干式电力变压器安装技术要求2010-06-07 14:54:38来源:(1)前期准备1)变压器安装施工图手续齐全,并通过供电部门审批资料。
2)应了解设计选用的变压器性能、结构特点及相关技术参数等。
(2)设备及材料要求1)变压器规格、型号、容量应符合设计要求,其附件,备件齐全,并应有设备的相关技术资料文件,以及产品出厂合格证。
设备应装有铭牌,铭牌上应注明制造厂名、额定容量、一、二次额定电压、电流、阻抗、及接线组别等技术数据。
2)辅助材料:电焊条,防锈漆,调和漆等均应符合设计要求,并有产品合格证。
(3)作业条件1)变压器室内、墙面、屋顶、地面工程等应完毕,屋顶防水无渗漏,门窗及玻璃安装完好,地坪抹光工作结束,室外场地平整,设备基础按工艺配制图施工完毕。
受电后无法进行再装饰的工程以及影响运行安全的项目施工完毕。
2)预埋件、预留孔洞等均已清理并调整至符合设计要求。
3)保护性网门,栏杆等安全设施齐全,通风、消防设置安装完毕。
4)与电力变压器安装有关的建筑物、构筑物的建筑工程质量应符合现行建筑工程施工及验收规范的规定。
当设备及设计有特殊要求时,应符合其他要求。
(4)开箱检查1)变压器开箱检查人员应由建设单位、监理单位、施工安装单位、供货单位代表组成,共同对设备开箱检查,并做好记录。
2)开箱检查应根据施工图、设备技术资料文件、设备及附件清单,检查变压器及附件的规格型号,数量是否符合设计要求,部件是否齐全,有无损坏丢失。
3)按照随箱清单清点变压器的安装图纸、使用说明书、产品出厂试验报告、出厂合格证书、箱内设备及附件的数量等,与设备相关的技术资料文件均应齐全。
同时设备上应设置铭牌,并登记造册。
4)被检验的变压器及设备附件均应符合国家现行有关规范的规定。
变压器应无机械损伤,裂纹、变形等缺陷,油漆应完好无损。
变压器高压、低压绝缘瓷件应完整无损伤,无裂纹等。
5)变压器有无小车、轮距与轨道设计距离是否相等,如不相符应调整轨距。
变压器安装施工工艺一、引言变压器是电力系统中不可或缺的重要设备,它通过改变电压的大小,实现电能的传输和分配。
安装施工是确保变压器正常运行的关键环节之一。
本文将介绍变压器安装施工的工艺流程,包括前期准备、设备安装、接线连接等内容。
二、前期准备1. 资料准备在安装变压器之前,首先要做好相关资料的准备工作。
包括变压器的技术资料、施工图纸、工艺文件等。
2. 现场勘察在施工现场进行必要的勘察工作,确认变压器的安装位置、周围环境等情况,确保施工的顺利进行。
3. 安全措施安装变压器需要高度重视安全问题。
在施工前,要做好相关安全措施的准备工作,包括施工区域的划分、防护设施的设置等。
三、设备安装1. 设备运输在将变压器运输至施工现场前,需对其进行包装和固定,确保在过程中不发生损坏。
同时,要选择合适的运输工具和路线,确保变压器安全到达。
2. 安装底座根据变压器的尺寸和重量,选择合适的底座进行安装,确保底座的牢固和稳定。
3. 安装机器本体将变压器放置在安装好的底座上,并进行固定。
在放置过程中,应注意避免变压器与其他设备或物体发生碰撞,防止损坏。
四、接线连接1. 接地装置安装为确保变压器的安全运行,必须进行良好的接地装置安装工作。
按照相关规范要求,将接地装置与地网连接。
2. 高压侧接线将高压侧的线缆与变压器进行连接,确保接线牢固可靠。
在接线过程中,要仔细检查线缆的绝缘情况,避免导致漏电或短路等安全问题。
3. 低压侧接线对于低压侧的接线工作,同样要保证接线的牢固和可靠。
同时,要注意接线的正确性,确保连接正确、无误。
五、绝缘测试在完成接线后,对变压器进行必要的绝缘测试工作。
通过绝缘测试,可以检测变压器的绝缘质量,确保其安全运行。
六、验收和试运行1. 验收工作在完成变压器的安装施工后,进行相应的验收工作。
包括对安装质量的检查、设备是否符合相关标准等。
2. 试运行进行变压器的试运行前,要先进行特定的调试工作。
确保变压器的各项指标符合要求,无异常情况后,方可进行试运行。
环氧树脂干式电力变压器安装技术要求2021-06-07 14:54:38来源:〔1〕前期准备1〕变压器安装施工图手续齐全,并通过供电部门审批资料。
2〕应了解设计选用的变压器性能、结构特点及相关技术参数等。
〔2〕设备及材料要求1〕变压器规格、型号、容量应符合设计要求,其附件,备件齐全,并应有设备的相关技术资料文件,以及产品出厂合格证。
设备应装有铭牌,铭牌上应注明制造厂名、额定容量、一、二次额定电压、电流、阻抗、及接线组别等技术数据。
2〕辅助材料:电焊条,防锈漆,调和漆等均应符合设计要求,并有产品合格证。
〔3〕作业条件1〕变压器室内、墙面、屋顶、地面工程等应完毕,屋顶防水无渗漏,门窗及玻璃安装完好,地坪抹光工作结束,室外场地平整,设备根底按工艺配制图施工完毕。
受电后无法进行再装饰的工程以及影响运行平安的工程施工完毕。
2〕预埋件、预留孔洞等均已清理并调整至符合设计要求。
3〕保护性网门,栏杆等平安设施齐全,通风、消防设置安装完毕。
4〕与电力变压器安装有关的建筑物、构筑物的建筑工程质量应符合现行建筑工程施工及验收标准的规定。
当设备及设计有特殊要求时,应符合其他要求。
〔4〕开箱检查1〕变压器开箱检查人员应由建设单位、监理单位、施工安装单位、供货单位代表组成,共同对设备开箱检查,并做好记录。
2〕开箱检查应根据施工图、设备技术资料文件、设备及附件清单,检查变压器及附件的规格型号,数量是否符合设计要求,部件是否齐全,有无损坏丧失。
3〕按照随箱清单清点变压器的安装图纸、使用说明书、产品出厂试验报告、出厂合格证书、箱内设备及附件的数量等,与设备相关的技术资料文件均应齐全。
同时设备上应设置铭牌,并登记造册。
4〕被检验的变压器及设备附件均应符合国家现行有关标准的规定。
变压器应无机械损伤,裂纹、变形等缺陷,油漆应完好无损。
变压器高压、低压绝缘瓷件应完整无损伤,无裂纹等。
5〕变压器有无小车、轮距与轨道设计距离是否相等,如不相符应调整轨距。
电力变压器安装工艺要求Company Document number:WUUT-WUUY-WBBGB-BWYTT-1982GT电力变压器安装1范围本工艺标准适用于一般工业与民用建筑电气安装工程10kV及以下室内变压器安装。
2施工准备设备及材料要求:变压器应装有铭牌。
铭牌上应注明制造厂名、额定容量,一二次额定电压,电流,阻抗电压%及接线组别等技术数据。
变压器的容量,规格及型号必须符合设计要求。
附件、备件齐全,并有出厂合格证及技术文件。
干式变压器的局放试验PC值及噪音测试器dB(A)值应符合设计及标准要求。
带有防护罩的干式变压器,防护罩与变压器的距离应符合标准的规定,不小于表2-23的尺寸。
型钢:各种规格型钢应符合设计要求,并无明显锈蚀。
螺栓:除地脚螺栓及防震装置螺栓外,均应采用镀锌螺栓,并配相应的平垫圈和弹簧垫。
其它材料:蛇皮管,耐油塑料管,电焊条,防锈漆,调和漆及变压器油,均应符合设计要求,并有产品合格证。
主要机具:搬运吊装机具:汽车吊,汽车,卷扬机,吊镇,三步搭,道木,钢丝绳,带子绳,滚杠。
安装机具:台钻,砂轮,电焊机,气焊工具,电锤,台虎钳,活扳子、榔头,套丝板。
测试器具:钢卷尺,钢板尺,水平,线坠,摇表,万用表,电桥及试验仪器。
作业条件:施工图及技术资料齐全无误。
土建工程基本施工完毕,标高、尺寸、结构及预埋件焊件强度均符合设计要求。
变压器轨道安装完毕,并符合设计要求(注:此项工作应由上建作,安装单位配合)。
墙面、屋顶喷浆完毕,屋顶无漏水,门窗及玻璃安装完好。
室内地面工程结束,场地清理干净,道路畅通。
安装干式变压器室内应无灰尘,相对湿度宜保持在70%以下。
3操作工艺工艺流程:设备点件检查→变压器二次搬运→变压器稳装→附件安装→变压器吊芯检查及交接试验→送电前的检查→送电运行验收设备点件检查:设备点件检查应由安装单位、供货单位、会同建设单位代表共同进行,并作好记录。
按照设备清单,施工图纸及设备技术文件核对变压器本体及附件备件的规格型号是否符合设计图纸要求。
环氧树脂干式电力变压器安装技术要求2010-06-07 14:54:38来源:(1)前期准备1)变压器安装施工图手续齐全,并通过供电部门审批资料。
2)应了解设计选用的变压器性能、结构特点及相关技术参数等。
(2)设备及材料要求1)变压器规格、型号、容量应符合设计要求,其附件,备件齐全,并应有设备的相关技术资料文件,以及产品出厂合格证。
设备应装有铭牌,铭牌上应注明制造厂名、额定容量、一、二次额定电压、电流、阻抗、及接线组别等技术数据。
2)辅助材料:电焊条,防锈漆,调和漆等均应符合设计要求,并有产品合格证。
(3)作业条件1)变压器室内、墙面、屋顶、地面工程等应完毕,屋顶防水无渗漏,门窗及玻璃安装完好,地坪抹光工作结束,室外场地平整,设备基础按工艺配制图施工完毕。
受电后无法进行再装饰的工程以及影响运行安全的项目施工完毕。
2)预埋件、预留孔洞等均已清理并调整至符合设计要求。
3)保护性网门,栏杆等安全设施齐全,通风、消防设置安装完毕。
4)与电力变压器安装有关的建筑物、构筑物的建筑工程质量应符合现行建筑工程施工及验收规范的规定。
当设备及设计有特殊要求时,应符合其他要求。
(4)开箱检查1)变压器开箱检查人员应由建设单位、监理单位、施工安装单位、供货单位代表组成,共同对设备开箱检查,并做好记录。
2)开箱检查应根据施工图、设备技术资料文件、设备及附件清单,检查变压器及附件的规格型号,数量是否符合设计要求,部件是否齐全,有无损坏丢失。
3)按照随箱清单清点变压器的安装图纸、使用说明书、产品出厂试验报告、出厂合格证书、箱内设备及附件的数量等,与设备相关的技术资料文件均应齐全。
同时设备上应设置铭牌,并登记造册。
4)被检验的变压器及设备附件均应符合国家现行有关规范的规定。
变压器应无机械损伤,裂纹、变形等缺陷,油漆应完好无损。
变压器高压、低压绝缘瓷件应完整无损伤,无裂纹等。
5)变压器有无小车、轮距与轨道设计距离是否相等,如不相符应调整轨距。
电力变压器的安装注意事项电力变压器是电力系统十分重要的电气设备。
变压器安装的工作内容视变压器容量大小不同而有所区别。
整体运输的中小型变压器多为整体安装;解体运输的变压器,油箱和附件等分别进行安装。
变压器安装工艺流程一般可参照图1。
1.变压器的搬运变压器的搬运,一般均需采用起重运输机构。
在搬运过程中应注意下面几点,以确保安全。
①小型变压器一般均采用吊车装卸。
在起吊时应使用油箱壁上的吊耳,严禁使用油箱顶盖上的吊环。
吊钩应对准变压器中心,吊索与铅垂线的夹角不得大于30º,若不能满足,应采用专用横梁挂吊。
②当变压器吊起约30 mm时,应停车检查各部分是否有问题,变压器是否平衡等,若不平衡,应重新找正,确认各处无异常,方可继续起吊。
③变压器装到拖车上时,其底部应垫以方木,且应用绳索将变压器固定,防止运输过程中发生滑动或倾倒。
④在运输过程中车速不可太快,特别是上、下坡和转弯时,车速应放慢,一般为1~15 km/h,以防因剧烈冲击或严重振动而损坏变压器内部绝缘构件。
⑤变压器短距离搬运可利用底座滑动轮在搬运轨道上牵引,前进速度不应超过0.2Km/h。
牵引的着力点应在变压器重心以下。
图1电力变压器安装工艺流程图2.变压器器身检查当变压器运输到达安装场地后,应对其进行全面的器身检查。
进行器身检查的目的是检查变压器是否在长途运输和搬运时,由于剧烈振动或冲击使芯部螺栓松动等一些外观检查不出来的缺陷,以便及时处理,保证安装质量。
但是,变压器器身榆查工作是比较繁杂的,特别是大型变压器,进行器身检查需耗用大量人力和物力,因此,现场安装不检查器身。
当变压器符合下面条件之一时,可不对其进行器身检查。
制造厂规定可不作器身检查者;运输过程中无异常情况的容量为100 kV·A及以下变压器;由制造厂的器身总装,质量符合要求,短途运输的变压器,在运输过程中进行了有效的监督,未发生冲撞、剧烈振动、严重颠簸等异常情况者。
10 kV配电变压器身榆查均采用吊芯榆查。
变压器、箱式变电所安装工艺工法标准1.1 一般规定1.1.1 本章适用于油浸式电力变压器、树脂浇铸干式变压器及箱式变电所安装的施工操作和质量检验。
1.1.2 变压器、箱式变电所、高压电器及电磁制品应符合下列规定:1查验合格证和随带技术文件,变压器有出厂试验记录;2外观检查:有铭牌,附件齐全,绝缘件无缺损、裂纹,充油部分不渗漏,充气高压设备气压指示正常,涂层完整。
1.1.3变压器本体外观检查无损伤及变形,油漆完好无损伤。
箱式变电所内外涂层完整、无损伤,有通风口的风口防护网完好。
1.1.4 变压器及箱式变电所安装前应满足一定的作业条件,安装位置应正确无误。
1.1.5变压器基础的轨道应水平,轨距与轮距应配合,装有气体继电器的变压器顶盖,沿气体继电器的气流方向有1.0%~1.5%的升高坡度。
1.1.6变压器、箱式变电所在试运行前,应进行全面检查,确认其符合运行条件时,方可投入试运行。
1.1.7 变压器、箱式变电所安装应按以下程序进行:1 变压器、箱式变电所的基础验收合格,且对埋入基础的电线导管、电缆导管和变压器进、出线预留孔及相关预埋件进行检查,才能安装变压器、箱式变电所;2 杆上变压器的支架紧固检查后,才能吊装变压器且就位固定;3 变压器及接地装置交接试验合格,才能通电。
1.2 施工准备1.2.1技术准备1.2.1.1进行图纸会审,复核设计安装方式是否符合现行国家规范的要求。
1.2.1.2施工前应编制施工组织设计(施工方案),并报相应管理部门进行审批。
1.2.1.3 进行设计交底和技术交底。
1.2.2材料准备变压器、箱式变电所、型钢、紧固件、蛇皮管、耐油塑料管、变压器油。
1.2.3主要机具1.2.3.1搬运吊装机具设备:汽车吊、汽车、卷扬机、千斤顶、倒链、道木、钢丝绳、钢丝绳轧头、钢丝绳套环、麻绳、滚杠。
1.2.3.2安装机具设备:台钻、砂轮机、电焊机、气焊工具、电锤、冲击电钻、扳手、液压升降梯、套丝机。
电力变压器安装施工工艺及施工方法 1、安装施工工艺2、安装方法要点(1)变压器的型号、规格应符合设计要求,附件、备件应齐全,设备应无锈蚀、机械损伤的现象,绝缘套管应无损坏裂纹现象,检查完毕后方可验收。
(2)变压器的安装轨道应与土建施工队配合完成,以保证轨道的安装精度,确保轨距与轮距的配合。
(3)变压器在装卸、运输过程中,不应有冲击或严重振动等情况,其运输倾斜角不得超过150,以防止内部结构变形。
(4)由于本工程所用的变压器均为干式变压器,所以在安装前应将变压器置于干燥的室内,其冷却装置应密封,变压器本体应垫高、垫平,不得水淹。
(5)变压器在安装前应对其进行干燥,干燥时其绕组温度根据其绝缘等级而定。
干燥完毕后,应对变压器按照国家规范要求进行器身检查,所有螺栓压紧部分应无松动,绝缘表面应无过热等异常情况。
(6)在进行变压器的器身检查时,周围的场地必须清洁并有防尘措施。
调压装置吊出检查、调整时,暴露在空气中的时间必须符合规范要求。
(7)变压器的电气试验应按照国家规范进行,并做好记录。
(8)由于本工程所用的变压器都在室内安装,所以在由室外向室内牵引的速度应缓慢,其牵引点应在变压器重心以下。
(9)变压器在就位时与封闭母线连接的变压器套管中心线应与封闭母线中心线一致。
(10)当变压器位置确定后,用能拆卸的制动装置对滚轮加以固定。
变压器验收 土建基础及轨道验收 变压器调试 变压器安装 变压器受电试运行变压器器身检查及试验(11)安装变压器所采用的所有紧固件均应采用标准的镀锌制品。
(12)中性点接地的变压器将其中性点用铜质导线连同外壳一同可靠接地。
(13)变压器安装完毕后,其冷却装置的电机及叶片应安装牢固,转动灵活,无卡阻扭曲变形现象。
(14)并列运行的变压器,在并列前应对其相位进行核对。
(15)变压器应进行五次空载全电压冲击合闸,检查变压器应无异常现象。
第一次受电时间不应少于10min。
电力变压器安装施工工艺标准1、范围本工艺标准适用于一般工业与民用建筑电气安装工程10kV及以下室内变压器安装。
2、施工准备2.1设备及材料要求:2.1.1变压器应装有铭牌。
铭牌上应注明制造厂名、额定容量,一二次额定电压,电流,阻抗电压%及接线组别等技术数据。
2.1.2变压器的容量,规格及型号必须符合设计要求。
附件、备件齐全,并有出厂合格证及技术文件。
2.1.3干式变压器的局放试验PC值及噪音测试器dB(A)值应符合设计及标准要求。
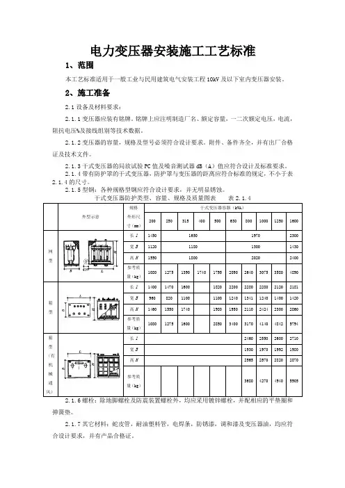
2.1.4带有防护罩的干式变压器,防护罩与变压器的距离应符合标准的规定,不小于表2.1.4的尺寸。
2.1.5型钢:各种规格型钢应符合设计要求,并无明显锈蚀。
干式变压器防护类型、容量、规格及质量图表表2.1.4弹簧垫。
2.1.7其它材料:蛇皮管,耐油塑料管,电焊条,防锈漆,调和漆及变压器油,均应符合设计要求,并有产品合格证。
2.2主要机具:2.2.1搬运吊装机具:汽车吊,汽车,卷扬机,吊链,三步搭,道木,钢丝绳,带子绳,滚杠。
2.2.2安装机具:台钻,砂轮,电焊机,气焊工具,电锤,台虎钳,活扳子、鎯头,套丝板。
2.2.3测试器具:钢卷尺,钢板尺,水平,线坠,摇表,万用表,电桥及试验仪器。
2.3作业条件:2.3.1施工图及技术资料齐全无误。
2.3.2土建工程基本施工完毕,标高、尺寸、结构及预埋件焊件强度均符合设计要求。
2.3.3变压器轨道安装完毕,并符合设计要求(注:此项工作应由土建作,安装单位配合)。
2.3.4墙面、屋顶喷浆完毕,屋顶无漏水,门窗及玻璃安装完好。
2.3.5室内地面工程结束,场地清理干净,道路畅道。
2.3.6安装干式变压器室内应无灰尘,相对湿度宜保持在70%以下。
3、操作工艺3.1工艺流程:设备点件检查→变压器二次搬运→变压器稳装→附件安装→变压器吊芯检查及交接试验→送电前的检查→送电运行验收。
3.2设备点件检查:3.2.1设备点件检查应由安装单位、供货单位、会同建设单位代表共同进行,并作好记录。
电力变压器安装标准作者:电力资料网文章来源:本站原创更新时间:2008年05月19日我要评论(0)内容预览1范围本工艺标准适用于一般工业与民用建筑电气安装工程10kV及以下室内变压器安装。
2施工准备2.1设备及材料要求:2.1.1变压器应装有铭牌。
铭牌上应注明制造厂名、额定容量,一二次额定电压,电流,阻抗电压%及接线组别等技术数据。
2.1.2变压器的容量,规格及型号必须符合设计要求。
附件、备件齐全,并有出厂合格证及技术文件。
2.1.3干式变压器的局放试验PC值及噪音测试器dB(A)值应符合设计及标准要求。
2.1.4带有防护罩的干式变压器,防护罩与变压器的距离应符合标准的规定,不小于表2-23的尺寸。
2.1.5型钢:各种规格型钢应符合设计要求,并无明显锈蚀。
2.1.6螺栓:除地脚螺栓及防震装置螺栓外,均应采用镀锌螺栓,并配相应的平垫圈和弹簧垫。
2.1.7其它材料:蛇皮管,耐油塑料管,电焊条,防锈漆,调和漆及变压器油,均应符合设计要求,并有产品合格证。
2.2主要机具:2.2.1搬运吊装机具:汽车吊,汽车,卷扬机,吊镇,三步搭,道木,钢丝绳,带子绳,滚杠。
2.2.2安装机具:台钻,砂轮,电焊机,气焊工具,电锤,台虎钳,活扳子、榔头,套丝板。
2.2.3测试器具:钢卷尺,钢板尺,水平,线坠,摇表,万用表,电桥及试验仪器。
2.3作业条件:2.3.1施工图及技术资料齐全无误。
2.3.2土建工程基本施工完毕,标高、尺寸、结构及预埋件焊件强度均符合设计要求。
2.3.3变压器轨道安装完毕,并符合设计要求(注:此项工作应由上建作,安装单位配合)。
2.3.4墙面、屋顶喷浆完毕,屋顶无漏水,门窗及玻璃安装完好。
2.3.5室内地面工程结束,场地清理干净,道路畅通。
2.3.6安装干式变压器室内应无灰尘,相对湿度宜保持在70%以下。
3操作工艺3.1工艺流程:设备点件检查→变压器二次搬运→变压器稳装→附件安装→变压器吊芯检查及交接试验→送电前的检查→送电运行验收3.2设备点件检查:3.2.1设备点件检查应由安装单位、供货单位、会同建设单位代表共同进行,并作好记录。
电力变压器安装工艺流程电力变压器是输电系统中的重要设备,其安装工艺流程十分关键。
下面将介绍电力变压器安装的工艺流程。
1. 确定安装位置首先需要确定电力变压器的安装位置,要求安装位置平整、通风良好,离地面、建筑物等障碍物有一定的距离。
2. 设计基础根据变压器的重量和尺寸,进行基础设计,确保基础承载能力满足要求。
3. 运输安装将变压器运输至现场,并进行起吊、安装。
起吊过程中需遵循严格的安全操作规程,确保操作过程中无人员伤亡和设备损坏。
4. 接地装置安装好变压器后,需要进行接地装置的检查及接地线的埋设,以确保安全。
5. 水平调整对安装好的变压器进行水平调整,确保其水平度符合要求。
6. 绝缘测试安装完成后进行绝缘测试,确保变压器正常使用。
7. 联接电缆将变压器与电缆进行联接,确保电力输送的可靠性和安全性。
8. 调试进行变压器的调试工作,包括检查系统连接、检测电压、检验保护装置等。
9. 验收完成安装后进行验收,确保所有的安装工作符合相关标准和规定,同时验收工作还包括设备的性能检测。
以上就是电力变压器安装的工艺流程,通过以上步骤的严格执行,可以确保电力变压器的安全、可靠地运行。
10. 安装监测系统安装监测系统可以帮助监测变压器的运行状态,包括温度、湿度、油温、油位等参数。
这些监测数据对于预防设备故障和提高设备的运行效率具有重要意义。
11. 防雷接地在安装过程中,需要确保变压器的防雷接地系统的正常工作。
通过合理的接地设计和可靠的接地装置,可以保护变压器免受雷击和静电的影响。
12. 进行运行试验安装完成后,进行运行试验,测试设备的负载性能、稳定性和安全性能。
在试运行期间,需要密切监测设备的运行情况,确保设备稳定运行。
13. 培训操作人员完成安装后,需要对操作人员进行设备操作和维护保养的培训。
培训内容包括设备的操作规程、安全注意事项和常见故障处理方法等。
14. 编制安装记录对整个安装过程进行详细记录,包括变压器的型号、规格、质量检测、安装验收报告等,以备将来的维护和管理。
变压器安装施工工艺一、引言变压器是电力系统中常见的重要电气设备,用于电压的变换和电能的传递。
在电力系统中,变压器安装施工的质量和工艺至关重要,直接关系到设备的正常运行和电力系统的稳定运行。
本文将介绍变压器安装施工的工艺流程和相关注意事项。
二、施工准备工作1. 设计准备在进行变压器安装施工之前,需要进行详细的设计准备工作。
根据变压器的容量、类型和使用环境等要求,进行变压器所需的电源线路、控制线路、附属设备等设计,并制定详细的施工方案。
确保安装施工符合设计要求和相关标准。
2. 材料准备在进行变压器安装施工之前,需要购买和准备所需的施工材料。
包括各种电缆、导线、接线盒、接头、绝缘材料等,确保施工过程所需材料的完备性。
3. 施工人员准备变压器安装施工需要经验丰富的电气工程师和电工人员参与。
确保施工人员具备相关技能,并对施工过程进行技术指导和监督。
三、施工工艺流程1. 设备检查和验收在进行变压器安装施工之前,需要对变压器设备本身进行检查和验收。
包括外观、铭牌标签、接线端子等的检查,确保设备无损坏和缺陷。
2. 运输和吊装根据安装现场的实际情况和设备的重量、大小等要求,采取合适的吊装设备和方式。
在吊装过程中,需要保证吊装稳定和操作安全,防止设备受损和人员伤害。
3. 定位和支撑将变压器准确地定位到安装位置,并进行支撑。
根据实际情况,使用适当的支撑和固定设备,确保变压器的稳定性和安全性。
4. 接地和绝缘进行变压器的接地和绝缘工作。
对于变压器的绝缘部分,需按照相关标准和要求进行绝缘处理,确保设备的绝缘性能符合要求。
同时,对设备进行可靠的接地,提高设备的安全性和稳定性。
5. 连接和接线依据变压器的连接图纸和设计要求,进行相应的连接和接线工作。
在进行接线过程中,需要注意接线的正确性和可靠性,确保设备的正常运行。
6. 维护和调试完成变压器的安装后,进行设备的维护和调试工作。
包括设备的清洁、连接的紧固、仪表表头的校准等,确保设备的正常运行和精确度。
内容预览一、概况1、本工艺标准适用于500kV及以下电压等级的电力变压器的安装。
2、引用的标准电气装臵安装工程电力变压器、油浸电抗器、互感器施工及验收规范《GBJ148—90》、电气装臵安装工程电气设备交接试验标准《GB50150—91》、变压器油《GB2536—90》。
二、施工工序流程图(如下图示)三、安装技术措施根据安装工序流程,每道工序除严格按规程、规范和厂家技术说明书要求施工外,安装过程中主要控制以下几道工序:开箱清点、附件检查、本体就位、变压器油处理、器身检查、真空注油、整体密封试验。
1、开箱清点及附件检查在清点附件时,主要进行下列外观检查:(1)本体内气体压力应为正压,压力在0.01~0.03MPa之间。
(2)根据装箱清单检查所到设备及附件的技术文件是否齐全,检查变压器外表有无机械损伤、温度计、导油管等预留孔是否齐全各种封盖螺丝是否齐全紧固,对分散包装运输的附件要按清单逐一清点。
(3)套管应无损伤、无裂纹、无渗漏油,散热器、油泵、导油管等应密封良好。
(4)检查冲击记录仪X、Y、Z三维均小于3g (根据合同要求,需要时才检查此项)。
2、本体就位变压器就位之前,在基础及变压器上标出纵横中心线,变压器按标识就位,变压器就位时要保证变压器中心线与基础中心线一致。
3、排氮一般变压器均采用充氮运输,变压器就位后首先进行排氮。
排氮有两种方法:注油排氮及抽真空排氮。
(1)注油排氮绝缘油从变压器下部阀门注入变压器内,氮气从顶部排出,将油注至油箱顶部,氮气排尽,最终油位高出铁芯100mm以上,然后静臵12小时以上。
注入变压器内的绝缘油应满足《GB2536-90》要求。
(2)抽真空排氮将排氮口装设在空气流通处,用真空泵抽真空。
充氮运输的变压器需器身吊罩检查时,先让器身在空气中暴露15分钟以上,待氮气充分扩散以后进行;如从人孔进入器身检查,则需打开变压器两个通气孔,让器身内的氮气与空气对流排出氮气,器身内含氧量达18%后可进入器身内检查,进行器身检查过程中要以0.7~3m3/min的流量向变压器内吹入干燥空气,防止器身受潮。
第一节设备安装一、电力变压器安装:变压器安装施工时应严格按照《电气装置安装工程高压电器施工及验收规范》(GBJ147—90)的规定进行、工艺流程:设备点件检查→变压器二次搬运→变压器稳装→附件安装→交接试验→送电前检查→验收送电运行。
具体施工方法:变压器就位可采用吊装或拖运的方式,吊运变压器的钢丝绳必须栓在变压器的专业吊钩环上。
变压器就位时,将底座滚轮装上,各附件按制造厂说明书的要求进行安装,变压器就位的方向和离墙尺寸应与图纸相符。
变压器的重复接地线应采用不小于60 X 6的铜母线,接口处应烫锡。
变压器的中性点接地回路中,靠近变压器处,宜做一个可拆卸的联结点。
变压器安装完毕后,必须进行交接试验,交接试验要由供电局高试部门进行,试验标准符合规范和供电部门的要求。
变压器试运行前应做全面检查,干式变压器护栏要安装完毕、各种标示牌以挂好,变压器室门以装锁。
确认符合试运行条件时方可投入运行。
变压器的试送电运行:变压器第一次投入时,可全压冲击合闸,冲击合闸是由高压侧投入。
变压器第一次受电后,持续时间不应少于10min,无异常情况。
变压器应进行3—5次全压冲击合闸,无异常情况,保护无误动作,对相序无误,方可带电运行。
变压器空载运行24h,无异常情况,方可投入负荷运行。
变压器从开始带电起,24h 无异常情况,可视为合格,并办理移交手续。
二、高、低压柜安装1、施工工艺流程高低压柜开箱检查→运输→底座制作→高低压柜安装→接地→二次接线。
2、施工准备材料工具齐全。
3、施工安装:开箱检查,填写检查记录,规格型号与设计相符合铭牌,编号齐全,柜内零件备用,出厂图纸及技术文件是否齐备。
根据箱体大小安排人力运输,防止磕碰损坏仪表、元件、油漆。
4、高低压柜底座防锈完好,底座水平、垂直度误差不超过1mm,接地良好,高低压柜与底座用镀锌螺栓连接,有防震垫圈、垫片,对于落地柜、柜后壁距离不小于600mm 巡视通道不小于1m,成排的柜相互之间用螺栓联接。
电力变压器安装质量管理
依据标准:
《建筑工程施工质量验收统一标准》GB50300-2001
《建筑电气工程施工质量验收规范》GB50303-2002
1、范围
本工艺标准适用于一般工业与民用建筑电气安装工程10kV及以下室内变压器安装。
2、施工准备
2.1设备及材料要求:
2.1.1变压器应装有铭牌。
铭牌上应注明制造厂名、额定容量,一二次额定电压,电流,阻抗电压%及接线组别等技术数据。
2.1.2变压器的容量,规格及型号必须符合设计要求。
附件、备件齐全,并有出厂合格证及技术文件。
2.1.3干式变压器的局放试验PC值及噪音测试器dB(A)值应符合设计及标准要求。
2.1.4带有防护罩的干式变压器,防护罩与变压器的距离应符合标准的规定,不小于表2.1.4的尺寸。
2.1.5型钢:各种规格型钢应符合设计要求,并无明显锈蚀。
2.1.6螺栓:除地脚螺栓及防震装置螺栓外,均应采用镀锌螺栓,并配相应的平垫圈和弹簧垫。
2.1.7其它材料:蛇皮管,耐油塑料管,电焊条,防锈漆,调和漆及变压器油,均应符合设计要求,并有产品合格证。
2.2主要机具:
2.2.1搬运吊装机具:汽车吊,汽车,卷扬机,吊链,三步搭,道木,
钢丝绳,带子绳,滚杠。
2.2.2安装机具:台钻,砂轮,电焊机,气焊工具,电锤,台虎钳,活扳子、鎯头,套丝板。
2.2.3测试器具:钢卷尺,钢板尺,水平,线坠,摇表,万用表,电桥及试验仪器。
2.3作业条件:
2.3.1施工图及技术资料齐全无误。
干式变压器防护类型、容量、规格及质量图表表2.1.4
外型示意规
格
外
形
尺
寸
(m
m)
干式变压器容器(kVA)
20
25
31
5
40
50
63
80
10
00
12
50
16
00
网型长
1
14
50
1650 1970
23
00 宽
B
11
20
1180 1300
14
30 高
H
15
50
1800 2020
24
00 参
考
质
量
(k
g)
10
80
12
75
13
90
17
40
17
95
20
90
26
40
30
75
35
80
48
90
箱型长
1
14
00
14
70
16
00
18
20
22
00
22
80
22
80
21
20
21
81 宽
B
96
82
11
00
11
00
12
40
13
41
12
40
14
00
14
20 高
H
14
60
15
50
17
40
19
80
19
50
21
10
24
24
23
00
28
60 参
考
质
量
(k
g)
10
80
12
75
16
00
28
50
34
00
31
70
41
40
48
42
57
94
箱型(有机械长
1
24
60
25
50
26
00
27
10 宽
B
19
30
19
70
19
92
19
80 高
H
25
65
25
70
28
20
28
70
均符合设计要求。
2.3.3变压器轨道安装完毕,并符合设计要求(注:此项工作应由土建作,安装单位配合)。
2.3.4墙面、屋顶喷浆完毕,屋顶无漏水,门窗及玻璃安装完好。
2.3.5室内地面工程结束,场地清理干净,道路畅道。
2.3.6安装干式变压器室内应无灰尘,相对湿度宜保持在70%以下。
3、操作工艺
3.1工艺流程:
设备点件检查→变压器二次搬运→变压器稳装→附件安装→变压器吊芯检查及交接试验→送电前的检查→送电运行验收
3.2设备点件检查:
3.2.1设备点件检查应由安装单位、供货单位、会同建设单位代表共同进行,并作好记录。
3.2.2按照设备清单,施工图纸及设备技术文件核对变压器本体及附件备件的规格型号是否符合设计图纸要求。
是否齐全,有无丢失及损坏。
3.2.3变压器本体外观检查无损伤及变形,油漆完好无损伤。
3.2.4油箱封闭是否良好,有无漏油、渗油现象,油标处油面是否正
常,发现问题应立即处理。
3.2.5绝缘瓷件及环氧树脂铸件有无损伤、缺陷及裂纹。
3.3变压器二次搬运:
3.3.1变压器二次搬运应由起重工作业,电工配合。
最好采用汽车吊吊装,也可采用吊链吊装,距离较长最好用汽车运输,运输时必须用钢丝绳固定牢固,并应行车平稳,尽量减少需动;距离较短且道路良好时,可用卷扬机、滚杠运输。
变压器重量及吊装点高度可参照表3.3.1.1及表3.3.1.2。
垄脂浇铸干式变压器重量表3.3.1.1
油浸式电力变压器重量表3.3.1.25
4 5 6
750~800
1000~1250
1600~1800
3.0~3.8
3.5~
4.6
5.2~
6.1
5.0
5.2
5.2~5.8
3.3.2变压器吊装时,索具必须检查合格,钢丝绳必须挂在油箱的吊钩上,上盘的吊环仅作吊芯用,不得用此吊环吊装整台变压器(图3.3.2)。
图3.3.2
3.3.3变压器搬运时,应注意保护瓷瓶,最好用木箱或纸箱将高低压瓷瓶罩住,使其不受损伤。
3.3.4变压器搬运过程中,不应有冲击或严重震动情况,利用机械牵引时,牵引的着力点应在变压器重心以下,以防倾斜,运输斜角不得超过15°,防止内部结构变形。
3.3.5用千斤顶顶升大型变压器时,应将千斤顶放置在油箱专门部位。
3.3.6大型变压器在搬运或装卸前,应核对高低压侧方向,以免安装时调换方向发生困难。
3.4变压器稳装:
3.4.1变压器就位可用汽车吊直接甩进变压器室内,或用道木搭设临时轨道,用三步搭、吊链吊至临时轨道上,然后用吊练拉入室内合适位置。
3.4.2变压器就位时,应注意其方位和距墙尺寸应与图纸相符,允许。