DDSZ-1型电机及电气技术实验指南(doc 13页)(正式版)
- 格式:doc
- 大小:934.00 KB
- 文档页数:9
DDSZ-1型电机及电气技术实验装置一、概述“DDSZ-1型电机及电气技术实验装置”是由本企业设计的新颖综合性的实验装置,它针对目前我国高等院校“电机学”、“电机与拖动”、“微特电机”、“电机控制”、“继电接触控制”、“可编程控制器技术”及“工厂电气控制”等课程实验大纲的要求,能开设上述课程的相关实验。
本实验装置特别适用于高等院校现有的电机、电气技术实验设备的更新改造,为中等专业学校、职业技术学院等新建或扩建实验室,迅速开设实验课提供了理想的实验设备,同时也为教师或研究生开发新的实验或进行科学研究提供了良好的硬件条件。
二、特点1.综合性强本装置综合了目前国内各类院校电机及电气类课程的全部实验项目。
2.适应性强能满足各类学校相应课程的实验教学,实验的深度与广度可根据需要作灵活调整,普及与提高可根据教学的进程作有机地结合。
装置采用组件式结构,更换便捷,如需要扩展功能或开发新实验,只需添加部件即可,永不淘汰。
3.整套性强从仪器仪表、专用电源、电机及其它实验部件到实验连接专用导线等均配套齐全,配套部件的性能、规格等均密切结合实验的需要进行配置。
4.直观性强各实验挂件采用分隔结构形式,组件面板示意、图线分明,各挂件任务明确,操作、维护方便。
5.科学性强装置占地面积少,节约实验用房,减少基建投资;配套的小电机均经特殊设计,可模拟中小型电机的特性和参数;小电机耗电少,节约能源;实验噪声小,整齐美观,改善实验环境;电气控制实验,内容丰富,设计合理,除了巩固与加深理论知识外,还为学生走向社会打下良好的基础;测量仪表采用指针式(带超量程告警等)、数模双显、数字式、智能化及人机对话等相结合,密切结合教学实验需要进行配置,使装置测量手段现代化;设有定时器兼报警记录仪,为学生实验技能的考核提供一个统一的标准。
6.开放性强控制屏供电隔离(浮地设计),并设有内、外电压型漏电保护装置和电流型漏电保护装置,确保操作者的安全;各电源输出均有监示及短路保护等功能,使用方便;各测量仪表均有保护功能,整套装置经过精心设计,加上可靠的元器件质量及精致的工艺,产品性能优良,所有这些均为开放性实验创造了条件,有利于提高学生分析和解决问题的能力。
TianhuangTeaching Apparatuses天煌教仪电机系列实验DDSZ-1型电机及电气技术实验装置Motor And Electric Technique Experimental Equipment实验指导书天煌教仪浙江天煌科技实业有限公司DDSZ-1型电机及电气技术实验装置受试电机铭牌数据一览表DDSZ-1型电机及电气技术实验装置交流及直流电源操作说明实验中开启及关闭电源都在控制屏上操作。
开启三相交流电源的步骤为:1)开启电源前。
要检查控制屏下面“直流电机电源”的“电枢电源”开关(右下角)及“励磁电源”开关(左下角)都须在“关”断的位置。
控制屏左侧端面上安装的调压器旋钮必须在零位,即必须将它向逆时针方向旋转到底。
2)检查无误后开启“电源总开关”,“关”按钮指示灯亮,表示实验装置的进线接到电源,但还不能输出电压。
此时在电源输出端进行实验电路接线操作是安全的。
3)按下“开”按钮,“开”按钮指示灯亮,表示三相交流调压电源输出插孔U、V、W及N上已接电。
实验电路所需的不同大小的交流电压,都可适当旋转调压器旋钮用导线从这三相四线制插孔中取得。
输出线电压为0-450V(可调)并可由控制屏上方的三只交流电压表指示。
当电压表下面左边的“指示切换”开关拨向“三相电网电压”时,它指示三相电网进线的线电压;当“指示切换”开关拨向“三相调压电压”时,它指示三相四线制插孔U、V、W和N输出端的线电压。
4)实验中如果需要改接线路,必须按下“关”按钮以切断交流电源,保证实验操作安全。
实验完毕,还需关断“电源总开关”,并将控制屏左侧端面上安装的调压器旋钮调回到零位。
将“直流电机电源”的“电枢电源”开关及“励磁电源”开关拨回到“关”断位置。
开启直流电机电源的操作:1)直流电源是由交流电源变换而来,开启“直流电机电源”,必须先完成开启交流电源,即开启“电源总开关”并按下“开”按钮。
2)在此之后,接通“励磁电源”开关,可获得约为220V、0.5A不可调的直流电压输出。
北京联合大学实验报告实验一课程(项目)名称:并励直流电动机的认识实验与特性测试学院:自动化学院专业:电气工程及其自动化班级:电气1501s组员姓名:林丁棣、周琪、杜浩文实验项目一并励直流电动机的认识实验与特性测试一.实验目的通过直流电机认识实验,了解实验中所用设备和仪表的使用及安全操作规程;学会并励直流电动机的接线和操作方法,掌握并励直流电动机的起动、调速和实现反转的方法;通过测取并励直流电动机工作特性和机械特性,掌握测试电机的基本技能和方法,树立工程意识,从运行的角度理解机电能量转换的原理,深入理解工作特性和机械特性的内涵,为熟练掌握和灵活运用电动机奠定基础。
二.实验任务1. 了解实验室概况,熟悉电源与实验设备布局,常用设备、仪表的使用及安全操作规程;2. 并励直流电动机的起动、调速与反转;3. 测取一台直流并励电动机的工作特性和机械特性。
保持U=UN 和If=IfN不变,测取n、T2、η=f(Ia)和n=f(T2)。
4. 明确电动机机械特性是指电动机的转速n与电磁转矩T的关系。
三.实验设备与装置1.DDSZ-1型电机及电气技术实验装置结合现代教育的特点和实验教学的发展趋势,实验室配备了DDSZ-1型电机及电气技术实验装置(联网型);该装置主要包括电源控制屏、电机导轨、涡流测功机、电动机、发电机、变压器、步进电机、交流伺服电机、直线电机实验部件、直流无刷电机及控制系统以及相应的智能电机特性测试仪、智能测试仪表等实验组件挂箱。
为培养学生试验分析、系统调试和解决实际工程技术问题的能力以及教师指导、管理实验进程逐步实现开放性实验创造了条件。
2.电源控制屏图3-1 DD01电源控制屏3.智能电机特性测试及控制系统智能电机特性测试系统由导轨、涡流测功机、光码盘测速系统(配日本欧姆龙1024光电码器)和智能电机特性测试控制系统组件构成,图3-2所示为智能电机特性测试系统组成图。
采用此测试方式与传统的直流发电机作校正电机的测功方式相比,更为方便、直观,转矩可直接读数,将大大提高实验效率和精度。
电工电子实验中心实验指导书电机与电力拖动基础实验教程二○○九年十月高等学校电工电子实验系列电机与电力拖动基础实验教程主编曹玉东潘慧梅攀枝花学院电气信息工程学院电工电子实验中心内容简介内容简介本书以DSZ-1型电机系统实验装置为主线,详细介绍了电机学,电机与拖动基础、电机与电力拖动等课程的实验及相关的实验原理、实验装置等。
本书可供电气工程及自动化、机电一体化、自动化及其他电气类、自动化类大中专学生作为“电机学”、“电机与拖动基础”、“电机与电力拖动基础”等课程的实验教学用书。
前言《电机与电力拖动实验》课是电气工程、自动化等专业教学中的一个重要教学环节。
《电机与电力拖动实验》教材是根据电机与电力拖动实验教学大纲,配合DSZ-1型电机系统实验装置而编写的。
DSZ-1型电机系统实验装置的最大优点是:整套装置保护系统齐全,操作方便,有利于放手让学生进行实验,真正做到每位学生都能既动手又动脑,充分调动每位学生的主观能动性和创新性,有利于培养学生分析和解决问题的能力。
本书共分两部分:第一部分为电机与电力拖动实验的基本要求和方法;第二部分为具体实验内容。
本书的编写意图注重启发式的实验教学方法,将理论知识、专业技术知识因势利导地传授给学生,使理论、专业技术知识和实验原理、方法有较强的可读性和可操作性。
通过实验让学生掌握电机及电力拖动的工作原理。
全书由攀枝花学院电气信息工程学院及电工电子省级实验示范中心曹玉东、潘慧梅老师主编。
由于作者水平有限,书中错误之处在所难免,恳请广大师生及读者提出宝贵意见及建议。
编者 2009年10月目录电机与电力拖动实验的基本要求和方法 (I)实验一直流电机认识实验....................................................................................... - 1 - 实验二直流发电机特性实验................................................................................... - 4 - 实验三直流并励电动机......................................................................................... - 10 - 实验四单相变压器实验......................................................................................... - 14 - 实验五三相变压器实验......................................................................................... - 21 - 实验六三相变压器的联接组和不对称短路(综合实验)................................. - 29 - 实验七三相鼠笼式异步电动机的工作特性......................................................... - 42 - 实验八三相异步电动机的起动和调速实验(综合实验)................................. - 50 - 实验九三相同步发电机的运行特性(综合实验)............................................. - 55 - 实验十三相同步发电机的并联运行..................................................................... - 62 - 实验十一系统供电的直流他励电动机的机械特性............................................. - 67 - 实验十二直流他励电动机的机械特性................................................................. - 70 - 实验十三三相异步电动机力矩与电压关系(设计实验)................................. - 75 - 参考文献. (77)附录 (78)电机与电力拖动实验的基本要求和方法一、电机与拖动实验的基本要求电机与电力拖动实验课的目的是通过实验环节来巩固和加深对电机与电力拖动理论的理解,是对学生进行实验基本方法和操作技能的训练。
DDSZ-1型电机及电气技术实验装置交流及直流操作说明一、实验中开启及关闭电源都在控制屏上操作。
开启三相交流电源的步骤为:1、开启电源前。
要检查控制屏下面“直流电机电源”的“电枢电源”开关(右下方)及“励磁电源”开关(左下方)都须在关断的位置。
控制屏左侧端面上安装的调压器旋钮必须在零位,即必须将它向逆时针方向旋转到底。
2、检查无误后开启“电源总开关”,“停止”按钮指示灯亮,表示实验装置的进线接到电源,但还不能输出电压。
此时在电源输出端进行实验电路接线操作是安全的。
3、按下“启动”按钮,“启动”按钮指示灯亮,表示三相交流调压电源输出插孔U、V、W及N上已接电。
实验电路所需的不同大小的交流电压,都可适当旋转调压器旋钮用导线从三相四线制插孔中取得。
输出线电压为0~450V(可调)并由控制屏上方的三只交流电压表指示。
当电压表下面左边的“指示切换”开关拨向“三相电网电压”时,它指示三相电网进线的线电压;当“指示切换”开关拨向“三相调压电压”时,它指示三相四线制插孔U、V、W和N的输出端的线电压。
4、实验中如果需要改接线路,必须按下“停止”按钮以切断交流电源,保证实验操作安全。
实验完毕,还需关断“电源总开关”,并将控制屏左侧端面上安装的调压器旋钮调回到零位。
将“直流机电源”的“电枢电源”开关及“励磁电源”开关拨回到关断位置。
二、开启直流机电源的操作1、直流电源是由交流电源变换而来,开启“直流电机电源”,必须先完成开启交流电源,即开启“电源总开关”并按下“启动”按钮。
2、在此之后,接通“励磁电源”开关,可获得约为220V、0.5A不可调的直流电压输出。
接通“电枢电源”开关,40~230V、3A可调节的直流电压输出。
励磁电源电压及电枢电源电压都可由控制屏下方的1只直流电压表指示。
当该电压表下方的“指示切换”开关拨向“电枢电压”时,指示电枢电源电压,当将它拨向“励磁电压”时,指示励磁电源电压。
但在电路上“励磁电源”与“电枢电源”,“直流机电源”与“交流三相调压电源”都是经过三相多绕组变压器隔离的,可独立使用。
实验一 三相变压器一、实验目的1、通过空载和短路实验,测定三相变压器的变比和参数。
2、通过负载实验,测取三相变压器的运行特性。
二、预习要点1、如何用双瓦特计法测三相功率,空载和短路实验应如何合理布置仪表。
2、三相心式变压器的三相空载电流是否对称,为什么?3、如何测定三相变压器的铁耗和铜耗。
4、变压器空载和短路实验时应注意哪些问题?一般电源应加在哪一方比较合适?三、实验项目 1、测定变比2、空载实验测取空载特性U 0L =f(I 0L ),P 0=f(U 0L ), cos φ0=f(U 0L )。
3、短路实验测取短路特性U KL =f(I KL ),P K =f(I KL ) ,cos φK =f(I KL )。
4、纯电阻负载实验保持U 1=U N ,cos φ2=1的条件下,测取U 2=f(I 2)。
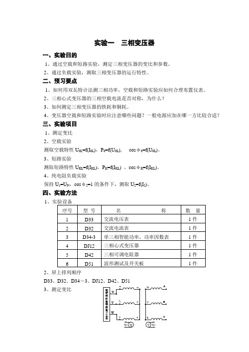
四、实验方法1 2、屏上排列顺序D33、D32、D34-3、DJ12、D42、D513、测定变比图1-1 三相变压器变比实验接线图实验线路如图1-1所示,被测变压器选用DJ12 三相三线圈心式变压器,额定容量P N =152/152/152W ,U N =220/63.6/55V ,I N =0.4/1.38/1.6A , Y/△/Y 接法。
实验时只用高、低压两组线圈,低压线圈接电源,高压线圈开路。
将三相交流电源调到输出电压为零的位置。
开启控制屏上电源总开关,按下“开”按钮,电源接通后,调节外施电压U=0.5U N =27.5V 测取高、低线圈的线电压U AB 、U BC 、U CA 、U ab 、U bc 、U ca ,记录于表1-1中。
计算:变比K :平均变比:4、空载实验图1-2三相变压器空载实验接线图1) 将控制屏左侧三相交流电源的调压旋钮调到输出电压为零的位置,按下“关”按钮,在断电的条件下,按图1-2接线。
变压器低压线圈接电源,高压线圈开路。
2) 按下“开”按钮接通三相交流电源,调节电压,使变压器的空载电压U 0L =1.2U N 。
实验一单结晶体管触发电路实验一、实验目的(1)熟悉单结晶体管触发电路的工作原理及电路中各元件的作用。
(2)掌握单结晶体管触发电路的调试步骤与方法。
三、实验线路及原理单结晶体管触发电路的工作原理已在1-3节中作过介绍。
四、实验内容(1)单结晶体管触发电路的调试。
(2)单结晶体管触发电路各点电压波形的观察。
五、预习要求阅读本教材1-3节及电力电子技术教材中有关单结晶体管的内容,弄清单结晶体管触发电路的工作原理。
六、思考题(1)单结晶体管触发电路的振荡频率与电路中C1的数值有什么关系?(2)单结晶体管触发电路的移相范围能否达到180°?七、实验方法(1)单结晶体管触发电路的观测将DJK01电源控制屏的电源选择开关打到“直流调速”侧,使输出线电压为200V(不能打到“交流调速”侧工作,因为DJK03-1的正常工作电源电压为220V 10%,而“交流调速”侧输出的线电压为240V。
如果输入电压超出其标准工作范围,挂件的使用寿命将减少,甚至会导致挂件的损坏。
在“DZSZ-1型电机及自动控制实验装置”上使用时,通过操作控制屏左侧的自藕调压器,将输出的线电压调到220V左右,然后才能将电源接入挂件),用两根导线将200V交流电压接到DJK03-1的“外接220V”端,按下“启动”按钮,打开DJK03-1电源开关,这时挂件中所有的触发电路都开始工作,用双踪示波器观察单结晶体管触发电路,经半波整流后“1”点的波形,经稳压管削波得到“2”点的波形,调节移相电位器RP1,观察“4”点锯齿波的周期变化及“5”点的触发脉冲波形;最后观测输出的“G、K”触发电压波形,其能否在30°~170°范围内移相?(2)单结晶体管触发电路各点波形的记录当α=30o、60o、90o、120o时,将单结晶体管触发电路的各观测点波形描绘下来,并与图1-9的各波形进行比较。
八、实验报告画出α=60°时,单结晶体管触发电路各点输出的波形及其幅值。
实验六三相异步电动机的起动、反转与调速一、实验目的掌握三相异步电动机起动、反转和调速的方法。
二、实验项目1、三相绕线式异步电动机直接起动2、三相绕线式异步电动机转子绕组串电阻起动3、三相绕线式异步电动机转子绕组串电阻调速4、三相异步电动机转向改变5、星形(Y)——三角形(Δ)换接起动三、实验设备该实验是在DDSZ-1型电机及电气技术实验装置上完成的。
本次实验使用设备包括:1、DD01电源控制屏2、D33挂件3、D32挂件4、D51挂件5、DJ17-3绕线式异步电动机转子专用箱6、DD03测试台和三相绕线式异步电动机本次实验使用DD01电源控制屏上方的交流电源。
D33挂件,共有三个完全相同的多量程指针式交流电压表,本次实验选用其中的一块电压表。
D32挂件,共有三个完全相同的多量程指针式交流电流表,本次实验选用其中的一块电流表。
D51挂件,由波形测试部分和开关S1、S2、S3组成,本次实验只使用开关S1 。
DJ17-3转子专用箱的电阻值是可调的,分0Ω、20Ω、40Ω、60Ω、∞五档,实验中作为异步电动机转子绕组的串接电阻。
DD03测试台包括导轨、测速发电机和指针式转速表三相绕线式异步电动机,定子三相绕组有六个接线端,转子三相绕组有四个接线端。
四、实验内容及方法接线之前:开启电源总开关,按下绿色“启动”按钮,将电源控制屏上方的交流“电压指示切换”开关切换到“三相调压输出”位置,旋转控制屏左侧的三相调压器旋钮,将其输出电压调到220V后,按下红色“停止”按钮。
1、三相绕线式异步电动机起动、调速、改变转向实验三相绕线式异步电动机起动、调速、改变转向实验接线图图6-1 三相绕线式异步电动机起动、调速、改变转向实验接线图三相绕线式异步电动机定子绕组接线:定子绕组按星形接法从“三相调压输出”U端接到交流电流表“2.5A”黄色端,从电流表黑色“*”端接到异步电动机定子绕组A端,分别从“三相调压输出”V、W端接到定子绕组的B端和C端,将电动机定子绕组的另外三个接线端X、Y、Z用导线连接。
电机与电气设备控制专题实验指导书成都工业学院机电工程系实验安全操作规程因为本专题实验需要使用380V电源,具有较大危险性,为了顺利完成实验任务,确保人身安全与设备安全,实验者要遵守如下规定:1、接线、拆线或多处改接线路吋要切断电源。
实验中严禁带电操作!任何时候人体都不得接触导线、元件金属裸露处等可能带电的部分。
2、完成接线或改接线路后要经指导教师检查,并提醒周围同学注意后方可接通电源。
3、实验中如发生事故,应立即切断电源,并妥善处理。
4、实验室总电源开关的闭合由实验指导人员操作,其他人员允许分闸但不得合闸。
5、实验中电动机高速旋转,要谨防衣服、围巾和头发等卷入其中造成人身伤害。
实验一交流接触器的检测、拆装与维修一、实验目的:1、熟悉交流接触器的内部结构;掌握交流接触器的常见故障的维修方法。
2、熟悉常用工具、仪表的使用。
二、实验器材:1、交流接触器2、万用表、常用工具三、实验步骤1、松去外壳的固定螺钉,取下并检查内部有无炭化现象。
如有,用锂刀或小刀刮掉,并吹刷干净。
2、用尖嘴钳取下三副主触头的触头压力弹簧和三个主触头的动触头,检查触头磨损状况,决定是否需要修整或调换触头。
3、松去底盖上的紧固螺钉,取下盖板,取出静铁心,铁皮支架和缓冲弹簧, 用尖嘴钳拔出线圈与连接桩头之间的连接线。
从静铁心上取出线圈,反作用力弹簧,动铁心和胶木支架。
检查动静铁接合处是否紧密,决定是否修整;检查短路环是否完好。
检查完毕,将各零部件揩擦干净。
4、装配后,进行10次通断运行,检查主、辅触头的接触电阻。
注意事项:拆卸时,要备盛放零部件的容器,以免零件失落。
拆卸弹簧时要防止崩出。
拆装过程中,不允许硬撬。
拆装外壳时,应避免碰撞。
注意安全操作!四、实验思考1、交流接触器的铁心上装有一短路铜环,它有什么作用?2、交流接触器灭弧方式及灭弧原理?实验二具有过载保护的长动和点动控制线路一、实验冃的:1、通过对控制线路的接线,学会将电气原理图变换成安装接线图的方法。
实验二直流发电机实验一、实验目的掌握直流发电机空载特性及外特性的测定方法。
二、实验项目1、他励直流发电机空载特性测定。
2、他励直流发电机外特性测定。
三、实验设备该实验是在DDSZ-1型电机及电气技术实验装置上完成的。
本次实验使用设备包括:1、 DD01电源控制屏2、两个D31挂件3、 D44挂件4、 D51挂件5、 D42挂件6、DD03测试台、直流发电机和直流电动机本次实验使用DD01电源控制屏下方的直流励磁电源和直流电枢电源。
图2-1 直流励磁电源和直流电枢电源图D31挂件由直流数字电压表、直流数字毫安表、直流数字安培表组成,本次实验使用一块电压表,两块毫安表和两块安培表。
D44挂件由可调电阻器R1、R2,电容器C1、C2和开关S1、S2组成,本次实验使用R1作为直流电动机电枢绕组串联电阻,R2作为直流电动机励磁绕组串联电阻。
D51挂件,由波形测试部分和开关S1、S2、S3组成,本次实验只使用开关S1 。
D42挂件,由三只相同的可调电阻器R1、R2 、R3组成。
R1、R2串并联后,作为发电机的负载电阻RL, R3作为发电机励磁绕组串联电阻。
DD03测试台包括导轨、测速发电机和指针式转速表。
直流发电机和直流电动机之间是用联轴器直接联接好的,直流电动机,电枢绕组有两个接线端,励磁绕组有两个接线端,直流发电机,电枢绕组有两个接线端,励磁绕组有两个接线端。
四、实验接线接线之前:开启电源总开关,按下绿色"启动"按钮,将电源控制屏下方的直流电压指示开关切换到电枢电压一侧,接通电枢电源开关,调节"电压调节"旋钮,将电枢电压调到220V 后,关断电枢电源开关,按下红色"停止"按钮。
直流他励发电机实验接线图图2-2 直流他励发电机实验接线图直流电动机按他励电动机接线电动机电枢回路接线:从电枢电压输出正端接到直流安培表1的正端,从安培表1的负端接到D44挂件电阻R1的A2端,从R1的 A1 端接到电动机电枢绕组红色端,从电枢绕组黑色端接到电枢电压输出负端。
实验一他励直流电动机(认识)实验一、实验目的1、认识DDSZ-1型电机及电气技术实验装置,了解电机拖动实验的基本要求与安全操作规程。
2、认识和了解在电机拖动实验中所用的电源、开关、仪表、挂件、电机等组件及使用方法。
3、熟悉他励直流电动机的接线、起动、(固有、人为)机械特性、改变转向与调速的基本方法。
二、预习要点1、如何正确选择使用仪器仪表,特别是电压表,电流表的量程。
2、直流电动机起动时,为什么在电枢回路中需要串接起动变阻器?否则会产生什么严重后果?3、直流电动机起动时,励磁回路串接的磁场变阻器应调至什么位置? 为什么? 若励磁回路因断开造成失磁时,接通电枢电源会产生什么严重后果?4、直流电动机调速及改变转向的方法。
三、实验项目1、了解DD01电源控制屏及电枢电源、励磁电源、变阻器、直流电压表、电流表、直流测速发电机转速表的使用方法;了解校正直流测功电动机、普通直流电动机的铭牌参数及要求。
2、直流他励电动机的连线、起动准备、起动;测试机械特性直流他励电动机的调速及改变转向。
四、实验设备及控制屏上挂件排列顺序1、实验设备:DD03-DJ23-DJ15、D31、D42、D31、D44、D51、D55-1。
2、控制屏上挂件排列顺序:D31、D42、D31、D44、D51、D55-1。
五、实验说明及操作步骤1、由指导人员介绍DDSZ-1型电机及电气技术实验装置面板布置及使用方法。
2、直流他励电动机的机械特性1)直流他励电动机的接线f112图1-1 他励直流电动机接线图断开控制屏上的电源,按图1-1接线。
直流他励电动机用DJ15 (其额定功率PN =185W,额定电枢电压UN=220V,额定电流IN=1.2A,额定转速nN=1600r/min, 额定励磁电压UFN =220V,额定励磁电流IfN<0.13A)。
校正直流测功机MG作为发电机使用。
TG为测速发电机。
直流电表选用D31(含直流电压表,直流安培表,直流毫安表各一块)。
同步发电机气隙对其稳定性和有功功率影响的研究曹帅;张清枝【摘要】To study the stability and active power of the synchronous generator, this paper deduces the electromotive force balance equation of its armature reaction by use of its time&space vector diagram. Based on this, through the result of the operation characteristics experiment of DDSZ–1 salient pole synchronous generator connected to the three-phase symmetrical load, it analyzes the influence of its rotor magnetic circuit structure on operation stability, and draws the conclusion that the smaller the rotor air-gap is the poorer its stability of parallel operation, vice versa. Finally, with synchronous generator power angle of time and space vector diagram, its electromagnetic power calculation formula and the influence of the rotor air-gap on active power are deduced, i.e. increasing the rotor air-gap to each space direction proportionally can increase its active power.%为研究同步发电机的稳定性和有功功率,利用凸极同步发电机的时空矢量图推导出其电枢反应的电动势平衡方程。
优品(OA自动化)TDZII电力系统自动化实验培训系统实验指导书C HANG S HA T ONG Q ING E LECTRICALAND I NFORMATION C O.LTDTQXDZ-II电力系统自动化实验培训系统实验指导书长沙同庆电气信息有限公司目录1.3.1发电机组及控制屏 (1)1.3.2电力系统自动化实验培训系统 (8)1.3.3组态接线屏 (13)2.1.3.1机组启动和建压 (17)2.1.3.1.3恒定越前时间测试 (18)2.1.3.2手动准同期并列实验 (19)A.按准同期条件手动合闸 (19)B.偏离准同期并列条件合闸 (20)2.1.3.5半自动准同期并列 (21)2.1.3.6全自动准同期并列 (21)2.1.3.7不同准同期条件对比实验 (22)2.2.3.1不同Α角对应的励磁电压测试 (25)2.2.3.2同步发电机起励 (26)A.恒机端电压方式起励 (26)B.恒励磁电流方式起励 (26)2.2.3.3伏/赫限制实验 (27)2.2.3.4调差特性实验 (28)2.2.3.5强励实验 (30)2.2.3.6欠励限制实验 (31)2.2.3.7过励限制实验 (32)3.1.3.1负荷调节实验 (35)3.1.3.2单回路与双回路稳态对称运行比较实验 (35)A.单回路稳态对称运行实验 (35)B.双回路对称运行与单回路对称运行比较实验 (36)3.2.3.1原动机转速自动方式(自动调节)下负荷容量对发电机的电压,频率的影响.37 3.2.3.2原动机转速手动方式(无调节)下负荷容量对发电机的电压,频率的影响 (38)3.2.3.3励磁系统无调节下负荷容量对发电机的电压,频率的影响 (39)第4章电力系统综合实验414.1发电厂自动化综合实验414.1.3.2各机组依次并网实验 (42)4.1.3.3发电厂机组监控实验 (44)4.1.3.4发电厂机组调节实验 (44)4.1.3.5并联运行机组间无功功率的分配实验 (44)4.2电力系统自动化综合实验464.2.3.1多台机组依次并网实验 (47)4.2.3.2不改变网络结构的潮流分布实验 (48)4.2.3.3改变网络结构的潮流分布实验 (50)4.2.3.4四遥实验 (51)4.2.3.5电力系统有功功率平衡和频率调整实验 (51)4.2.3.6电力系统无功功率平衡和电压调整实验 (51)4.2.3.7多台机组依次退出实验 (51)4.3分区调频实验52A.时,分区调频实验 (53)B.时,分区调频实验 (53)附录1:自动装置参数设定参考表 (55)附录2:TQTS-III微机型自动调速装置用户手册 (56)附录3:TQTQ-III微机型同期装置用户手册 (63)附录4:TQLC-III微机型自动励磁装置用户手册 (79)第1章概述1.1系统简介“TQXDZ-II电力系统自动化实验培训系统”是根据教育部《电力系统分析》、《电力系统自动装置原理》、《电力系统自动化》、《电力系统调度自动化》、《电力系统远动技术》、《电力工程》、《工厂供电》等相关课程实验教学的需求,结合最新的电力系统自动化技术而研发的实验培训系统。
(OA自动化)TDZII电力系统自动化实验培训系统实验指导书C HANG S HA T ONG Q ING E LECTRICALAND I NFORMATION C O.LTDTQXDZ-II电力系统自动化实验培训系统实验指导书长沙同庆电气信息有限公司目录1.3.1发电机组及控制屏 (1)1.3.2电力系统自动化实验培训系统 (8)1.3.3组态接线屏 (13)2.1.3.1机组启动和建压 (17)2.1.3.1.3恒定越前时间测试 (18)2.1.3.2手动准同期并列实验 (19)A.按准同期条件手动合闸 (19)B.偏离准同期并列条件合闸 (20)2.1.3.5半自动准同期并列 (21)2.1.3.6全自动准同期并列 (21)2.1.3.7不同准同期条件对比实验 (22)2.2.3.1不同Α角对应的励磁电压测试 (25)2.2.3.2同步发电机起励 (26)A.恒机端电压方式起励 (26)B.恒励磁电流方式起励 (26)2.2.3.3伏/赫限制实验 (27)2.2.3.4调差特性实验 (28)2.2.3.5强励实验 (30)2.2.3.6欠励限制实验 (31)2.2.3.7过励限制实验 (32)3.1.3.1负荷调节实验 (35)3.1.3.2单回路与双回路稳态对称运行比较实验 (35)A.单回路稳态对称运行实验 (35)B.双回路对称运行与单回路对称运行比较实验 (36)3.2.3.1原动机转速自动方式(自动调节)下负荷容量对发电机的电压,频率的影响.37 3.2.3.2原动机转速手动方式(无调节)下负荷容量对发电机的电压,频率的影响 (38)3.2.3.3励磁系统无调节下负荷容量对发电机的电压,频率的影响 (39)第4章电力系统综合实验414.1发电厂自动化综合实验414.1.3.2各机组依次并网实验 (42)4.1.3.3发电厂机组监控实验 (44)4.1.3.4发电厂机组调节实验 (44)4.1.3.5并联运行机组间无功功率的分配实验 (44)4.2电力系统自动化综合实验464.2.3.1多台机组依次并网实验 (47)4.2.3.2不改变网络结构的潮流分布实验 (48)4.2.3.3改变网络结构的潮流分布实验 (50)4.2.3.4四遥实验 (51)4.2.3.5电力系统有功功率平衡和频率调整实验 (51)4.2.3.6电力系统无功功率平衡和电压调整实验 (51)4.2.3.7多台机组依次退出实验 (51)4.3分区调频实验52A.时,分区调频实验 (53)B.时,分区调频实验 (53)附录1:自动装置参数设定参考表 (55)附录2:TQTS-III微机型自动调速装置用户手册 (56)附录3:TQTQ-III微机型同期装置用户手册 (63)附录4:TQLC-III微机型自动励磁装置用户手册 (79)第1章概述1.1系统简介“TQXDZ-II电力系统自动化实验培训系统”是根据教育部《电力系统分析》、《电力系统自动装置原理》、《电力系统自动化》、《电力系统调度自动化》、《电力系统远动技术》、《电力工程》、《工厂供电》等相关课程实验教学的需求,结合最新的电力系统自动化技术而研发的实验培训系统。
(精品)(OA自动化)TDZII 电力系统自动化实验培训系统实验指导书C HANG S HA T ONG Q ING E LECTRICALAND I NFORMATION C O.LTDTQXDZ-II电力系统自动化实验培训系统实验指导书长沙同庆电气信息有限公司目录1.3.1发电机组及控制屏 (1)1.3.2电力系统自动化实验培训系统 (8)1.3.3组态接线屏 (13)2.1.3.1机组启动和建压 (17)2.1.3.1.3恒定越前时间测试 (18)2.1.3.2手动准同期并列实验 (19)A.按准同期条件手动合闸 (19)B.偏离准同期并列条件合闸 (20)2.1.3.5半自动准同期并列 (21)2.1.3.6全自动准同期并列 (21)2.1.3.7不同准同期条件对比实验 (22)2.2.3.1不同Α角对应的励磁电压测试 (25)2.2.3.2同步发电机起励 (26)A.恒机端电压方式起励 (26)B.恒励磁电流方式起励 (26)2.2.3.3伏/赫限制实验 (27)2.2.3.4调差特性实验 (28)2.2.3.5强励实验 (30)2.2.3.6欠励限制实验 (31)2.2.3.7过励限制实验 (32)3.1.3.1负荷调节实验 (35)3.1.3.2单回路与双回路稳态对称运行比较实验 (35)A.单回路稳态对称运行实验 (35)B.双回路对称运行与单回路对称运行比较实验 (36)3.2.3.1原动机转速自动方式(自动调节)下负荷容量对发电机的电压,频率的影响.37 3.2.3.2原动机转速手动方式(无调节)下负荷容量对发电机的电压,频率的影响 (38)3.2.3.3励磁系统无调节下负荷容量对发电机的电压,频率的影响 (39)第4章电力系统综合实验414.1发电厂自动化综合实验414.1.3.2各机组依次并网实验 (42)4.1.3.3发电厂机组监控实验 (44)4.1.3.4发电厂机组调节实验 (44)4.1.3.5并联运行机组间无功功率的分配实验 (44)4.2电力系统自动化综合实验464.2.3.1多台机组依次并网实验 (47)4.2.3.2不改变网络结构的潮流分布实验 (48)4.2.3.3改变网络结构的潮流分布实验 (50)4.2.3.4四遥实验 (51)4.2.3.5电力系统有功功率平衡和频率调整实验 (51)4.2.3.6电力系统无功功率平衡和电压调整实验 (51)4.2.3.7多台机组依次退出实验 (51)4.3分区调频实验52A.时,分区调频实验 (53)B.时,分区调频实验 (53)附录1:自动装置参数设定参考表 (55)附录2:TQTS-III微机型自动调速装置用户手册 (56)附录3:TQTQ-III微机型同期装置用户手册 (63)附录4:TQLC-III微机型自动励磁装置用户手册 (79)第1章概述1.1系统简介“TQXDZ-II电力系统自动化实验培训系统”是根据教育部《电力系统分析》、《电力系统自动装置原理》、《电力系统自动化》、《电力系统调度自动化》、《电力系统远动技术》、《电力工程》、《工厂供电》等相关课程实验教学的需求,结合最新的电力系统自动化技术而研发的实验培训系统。
1、编制依据2、试验内容3、试验的基本条件4•发电机试验5.电力变压器试验6.高低压异步电动机试验7.直流电动机试验8.高压断路器试验9.电压互感器试验10.电流互感器试验11・套管试验12.绝缘油试验13.隔离开关14.避雷器试验15 •支柱绝缘子试验16.母线试验17.电力电缆试验18职业安全与环境因素19.安全文明施工及环境管理1、编制依据1.1《电气装置安装工程电气设备交接试验标准》GB 50150-911.2《电气装置安装工程电气设备交接试验标准条文说明》GB 50150-911. 3中国航空工业规划设计研究院设计图纸1. 4厂家技术协议/技术资料2、试验内容:2.1工程概况浙江京新兴天然气发电有限公司联合循环发电厂安装一台l*50MW燃气发电机,一台65T/H余热锅炉,一台19MW汽轮发电机。
2・2电气设备一次试验范围a.电力变压器(两台主变•三台厂用变及一台励磁变);b.SF6断路器;c.电压互感器;d.电流互感器;e・套管;f.绝缘油;g.隔离开关;h.避雷器;i.支柱绝缘子j・母线(10KV);k.电力电缆(10KV);3、试验的基本条件3.13.3物质准备及要求a.安全围栏及标示牌若干;b.绝缘鞋,安全带若干;c.绝缘胶带若干;d.对讲机1对;e・4米竹梯1个;f・扳手8寸4个,英它专用工具若干套;3.4作业环境及其它应具备条件3.4. 1电气一次设备安装基本完,场地平整。
3.4.2试验现场应尽可能清洁,照明充足。
3.4.3试验人员应熟悉被试设备周围环境情况。
3.4.4所有试验人员必须了解被试设备的产品使用说明卩及其结构原理,了解电气装置安装工程施工及验收规范的相关部分,熟悉电气试验作业指导书,熟悉试验标准和要求, 熟悉测试仪器,对试验结果能进行分析并做岀结论。
3.4.5试验前必须接受技术交底,拟好试验结果记录表格,做到试验完,记录清楚,报告及时完成。
3.4.6试验设备应接地良好,试验人员应冇良好的绝缘保护措施,所使用的工具应冇绝缘把手。
DDSZ-1型电机及电气技术实验装置实验项目1.直流电机实验(1)认识实验(3)直流电动机转动惯量测试2.异步电机实验(1)三相鼠笼异步电动机的工作特性(2)三相异步电动机的起动与调速(3)三相鼠笼异步电动机的不对称运行(4)三相鼠笼异步电动机的温升(5)三相鼠笼式异步电动机转子转动惯量的测试3.同步电机实验(1)三相同步发电机的运行特性(2)三相同步发电机的并网运行(3)三相同步电动机(4)三相同步电机参数的测定(5)三相同步发电机的突然短路(6)三相同步电机的不对称运行4.电动机机械特性的测定(1)直流他励电动机在各种运转状态下的机械特性(2)三相异步电动机在各种运行状态下的机械特性(3)三相异步电机M-S曲线的测绘5.继电接触控制与电力拖动(电气控制)的实验(1)三相异步电动机点动和自锁的控制线路(2)三相异步电动机正反转的控制线路(3)顺序控制线路(4)三相鼠笼异步电动机降压起动的控制线路(5)三相线绕式异步电动机起动的控制线路(6)三相异步电动机能耗制动的控制线路(7)三相异步电动机单向启动及反接制动的控制线路(8)两地控制的线路(9)工作台往返循环控制的线路(10)C620车床的电气控制线路(11)电动葫芦的电气控制线路(12)直流电动机的起动(13)直流电动机的调速(14)直流电动机的正反转(15)直流电动机的正反转带能耗制动6.三相异步电动机变频调速控制的实验详细:1.直流电机实验(1)认识实验1)了解电源控制屏中的电枢电源、励磁电源、校正直流测功机、变阻器、多量程直流电压表、电流表及直流电动机的使用方法2)用伏安法测直流电动机和直流发电机的电枢绕组的冷态电阻3)直流他励电动机的起动、调速及改变转向1)工作特性和机械特性2)调速特性a.改变电枢电压调速b.改变励磁电流调速3)观察能耗制动过程(3)直流电动机转动惯量测试2.异步电机实验(1)三相鼠笼异步电动机的工作特性1)测定电机的转差率2)测量定子绕组的冷态电阻3)判定定子绕组的首末端4)空载实验5)短路实验6)负载实验(2)三相异步电动机的起动与调速1)直接起动2)星形——三角形(Y-Δ)换接起动3)自耦变压器起动4)线绕式异步电动机转子绕组串入可变电阻器起动5)线绕式异步电动机转子绕组串入可变电阻器调速(3)三相鼠笼异步电动机的不对称运行1)三相鼠笼式异步电动机缺相运行实验2)三相鼠笼式异步电动机单相运行实验(4)三相鼠笼异步电动机的温升(5)三相鼠笼式异步电动机转子转动惯量的测试3.同步电机实验(1)三相同步发电机的运行特性1)测定电枢绕组实际冷态直流电阻2)空载实验3)三相短路实验4)纯电感负载特性5)外特性6)调节特性(2)三相同步发电机的并网运行1)用准确同步法将三相同步发电机投入电网并联运行2)用自同步法将三相同步发电机投入电网并联运行3)三相同步发电机与电网并联运行时有功功率的调节4)三相同步发电机与电网并联运行时无功功率调节a.测取当输出功率等于零时三相同步发电机的V形曲线b.测取当输出功率等于0.5倍额定功率时三相同步发电机的V形曲线(3)三相同步电动机1)三相同步电动机的异步起动2)测取三相同步电动机输出功率P2≈0时的V形曲线3)测取三相同步电动机输出功率P2=0.5倍额定功率时的V形曲线4)测取三相同步电动机的工作特性(4)三相同步电机参数的测定1)用转差法测定同步发电机的同步电抗X d、X q2)用反同步旋转法测定同步发电机的负序电抗X2及负序电阻r23)用单相电源测同步发电机的零序电抗X04)用静止法测超瞬变电抗X d''、X q''或瞬变电抗X d'、X q'(5)三相同步发电机的突然短路1)观察突然短路时定子绕组以及励磁绕组的瞬间电流(6)三相同步电机的不对称运行1)零序阻抗及负序阻抗的测定2)单相短路不对称运行实验3)相间短路不对称运行实验4.电动机机械特性的测定(1)直流他励电动机在各种运转状态下的机械特性1)电动及回馈制动状态下的机械特性2)电动及反接制动状态下的机械特性3)能耗制动状态下的机械特性(2)三相异步电动机在各种运行状态下的机械特性1)测定三相线绕式转子异步电动机在电动运行状态和再生发电制动状态下的机械特性2)测定三相线绕转子异步电动机在电动状态与反接制动状态下的机械特性3)测定能耗制动状态下的机械特性(3)三相异步电机M-S曲线的测绘1)测定三相鼠笼式异步电动机的M-S曲线2)测定三相线绕式转子异步电动机的M-S曲线5.继电接触控制与电力拖动(电气控制)的实验(1)三相异步电动机点动和自锁的控制线路1)三相异步电动机点动控制线路2)三相异步电动机自锁控制线路3)三相异步电动机既可点动又可自锁控制线路(2)三相异步电动机正反转的控制线路1)倒顺开关正反转控制线路2)接触器联锁正反转控制线路3)按钮联锁正反转控制线路4)按钮和接触器双重联锁正反转控制线路(3)顺序控制线路1)三相异步电动机起动顺序控制(一)2)三相异步电动机起动顺序控制(二)3)三相异步电动机停止顺序控制(4)三相鼠笼异步电动机降压起动的控制线路1)手动接触器控制串电阻降压起动控制线路2)时间继电器控制串电阻降压起动控制线路3)接触器控制Y-Δ降压起动控制线路4)时间继电器控制Y-Δ降压起动控制线路(5)三相线绕式异步电动机起动的控制线路1)时间继电器控制线绕式异步电动机起动控制线路(6)三相异步电动机能耗制动的控制线路(7)三相异步电动机单向启动及反接制动的控制线路(8)两地控制的线路(9)工作台往返循环控制的线路(10)C620车床的电气控制线路(11)电动葫芦的电气控制线路(12)直流电动机的起动(13)直流电动机的调速(14)直流电动机的正反转(15)直流电动机的正反转带能耗制动6.三相异步电动机变频调速控制的实验。
DDSZ-1型电机及电气技术实验指导书1 认识实验一、实验目的1、学习电机实验的基本要求与安全操作注意事项。
2、认识在直流电机实验中所用的电机、仪表、变阻器等组件及使用方法。
3、熟悉他励电动机(即并励电动机按他励方式)的接线、起动、改变电机转向与调速的方法。
二、预习要点1、如何正确选择使用仪器仪表。
特别是电压表电流表的量程。
2、直流电动机起动时,为什么在电枢回路中需要串接起动变阻器? 不串接会产生什么严重后果?3、直流电动机起动时,励磁回路串接的磁场变阻器应调至什么位置? 为什么? 若励磁回路断开造成失磁时,会产生什么严重后果?4、直流电动机调速及改变转向的方法。
三、实验项目1、了解DD01电源控制屏中的电枢电源、励磁电源、校正直流测功机、变阻器、多量程直流电压表、电流表及直流电动机的使用方法。
2、用伏安法测直流电动机和直流发电机的电枢绕组的冷态电阻。
3、直流他励电动机的起动、调速及改变转向。
四、实验设备及控制屏上挂件排列顺序12、控制屏上挂件排列顺序D31、D42、D51、D31、D44五、实验说明及操作步骤1、由实验指导人员介绍DDSZ-1型电机及电气技术实验装置各面板布置及使用方法,讲解电机实验的基本要求,安全操作和注意事项。
2、用伏安法测电枢的直流电阻图2-1 测电枢绕组直流电阻接线图(1)按图2-1接线,电阻R 用D44上1800Ω和180Ω串联共1980Ω阻值并调至最大。
A 表选用D31上的直流安培表。
开关S 选用D51挂箱上的双刀双掷开关。
(2)经检查无误后接通电枢电源,并调至220V 。
调节R 使电枢电流达到0.2A (如果电流太大,可能由于剩磁的作用使电机旋转,测量无法进行;如果此时电流太小,可能由于接触电阻产生较大的误差),迅速测取电机电枢两端电压U 和电流I 。
将电机转子分别旋转三分之一和三分之二周,同样测取U 、I 三组数据列于表2-1中。
(3)增大R 使电流分别达到0.15A 和0.1A ,用同样方法测取六组数据列于表2-1中。
取三次测量的平均值作为实际冷态电阻值表中:)(313323133a a a a R R R R ++= (4)计算基准工作温度时的电枢电阻由实验直接测得电枢绕组电阻值,此值为实际冷态电阻值。
冷态温度为室温。
按下式换算到基准工作温度时的电枢绕组电阻值:式中R aref ——换算到基准工作温度时电枢绕组电阻。
(Ω)。
R a ——电枢绕组的实际冷态电阻。
(Ω)。
θref ——基准工作温度,对于E 级绝缘为75 ℃。
)(311312111a a a a R R R R ++=)(312322212a a a a R R R R ++=)(1321a a a a R R R R ++=arefaaref R R θθ++=235235θa ——实际冷态时电枢绕组的温度。
(℃) 3、直流仪表、转速表和变阻器的选择直流仪表、转速表量程是根据电机的额定值和实验中可能达到的最大值来选择,变阻器根据实验要求来选用,并按电流的大小选择串联、并联或串并联的接法。
(1)电压量程的选择如测量电动机两端为220V 的直流电压,选用直流电压表为1000V 量程档。
(2)电流量程的选择因为直流并励电动机的额定电流为1.2A ,测量电枢电流的电表A 3可选用直流安培表的5A 量程档;额定励磁电流小于0.16A ,选用直流毫安表的200mA 量程档。
(3)电机额定转速为1600r/min ,转速表选用1800r/min 量程档。
(4)变阻器的选择变阻器选用的原则是根据实验中所需的阻值和流过变阻器最大的电流来确定,电枢回路R1可选用D44挂件的1.3A 的90Ω与90Ω串联电阻,磁场回路R f1可选用D44挂件的0.41A 的900Ω与900Ω串联电阻。
4、直流他励电动机的起动准备按图2-2接线。
图中直流他励电动机M 用DJ15,其额定功率P N =185W ,额定电压U N =220V ,额定电流I N =1.2A,额定转速n N =1600r/min,额定励磁电流I fN <0.16A 。
校正直流测功机MG 作为测功机使用,TG 为测速发电机。
直流电流表选用D31。
R f1用D44的1800Ω阻值作为直流他励电动机励磁回路串接的电阻。
R f2选用D42的1800Ω阻值的变阻器作为MG 励磁回路串接的电阻。
R 1选用D44的180Ω阻值作为直流他励电动机的起动电阻,R 2选用D42上的900Ω串900Ω加上900Ω并900Ω共2250Ω阻值作为MG 的负载电阻。
接好线后,检查M 、MG 及TG 之间是否用联轴器直接联接好。
5、他励直流电动机起动步骤图2(1)检查按图2-2R 2、及MG 的磁场回路电阻R f2关S (2)开启控制屏上的钥匙开关,按下其上方的“启动”按钮,接通其下方左边的励磁电源开关,观察M 及MG f2 )并保持不变, (3)M ”220伏。
减小起动电阻 R 1 (4)合上校正直流测功机R 2 的负载电流I F 改变,即直流电动机M 的输出转矩T 2 改变(调不同的I F 时的校正曲线T 2=f (I F ),可得到M 不同的输出转矩T 2值)。
(5)调节他励电动机的转速分别改变串入电动机M 电枢回路的调节电阻R 1和励磁回路的调节电阻R f1,观察转速变化情况。
(6)改变电动机的转向励磁电源I +-电枢电源I将电枢串联起动变阻器R1的阻值调回到最大值,先切断控制屏上的电枢电源开关,然后切断控制屏上的励磁电源开关,使他励电动机停机。
在断电情况下,将电枢(或励磁绕组)的两端接线对调后,再按他励电动机的起动步骤起动电动机,并观察电动机的转向及转速表显示的转向。
六、注意事项1、直流他励电动机起动时,须将励磁回路串联的电阻R f1调至最小,先接通励磁电源,使励磁电流最大,同时必须将电枢串联起动电阻R1调至最大,然后方可接通电枢电源。
使电动机正常起动。
起动后,将起动电阻R1调至零,使电机正常工作。
2、直流他励电动机停机时,必须先切断电枢电源,然后断开励磁电源。
同时必须将电枢串联的起动电阻R1调回到最大值,励磁回路串联的电阻R f1调回到最小值。
给下次起动作好准备。
3、测量前注意仪表的量程、极性及其接法,是否符合要求。
4、若要测量电动机的转矩T2,必须将校正直流测功机MG的励磁电流调整到校正值:100mA,以便从校正曲线中查出电动机M的输出转矩。
七、实验报告1、画出直流他励电动机电枢串电阻起动的接线图。
说明电动机起动时,起动电阻R1和磁场调节电阻R f1应调到什么位置?为什么?2、在电动机轻载及额定负载时,增大电枢回路的调节电阻,电机的转速如何变化?增大励磁回路的调节电阻,转速又如何变化?3、用什么方法可以改变直流电动机的转向?4、在他励直流电动机启动时,为什么要先加励磁电源后加电枢电源?5、为什么要求直流他励电动机磁场回路的接线要牢固?起动时电枢回路必须串联起动变阻器?2 双速异步电动机一、实验目的用实验方法测定两种转速时的工作特性,从而加深对变极调速原理的理解。
二、预习要点1、变极调速原理。
2、工作特性的测试方法。
0三、实验项目1、二极电机时的工作特性测试。
2、四极电机时的工作特性测试。
四、实验方法12、屏上挂件排列顺序D31、D42、D33、D32、D34-3、D51 3、四极电机时的工作特性测试共2250Ω 220 即减L 逐渐减小负载直至空载,在这范围内读取异步电动机的定子电流、输入功率、转速、转矩数据。
(5) 共读取数据6~8组并记录于表4-25中。
4、二极电机时的工作特性测试(1) 将控制屏左侧的调压旋钮逆时针旋转到底,按下“停止”按钮,切断电源,使电机停止转动。
把S 合向左边(YY 接法)并把右边三端点用导线短接。
2(2) 将负载电阻调至最大,使电机空载起动,保持输入电压为额定电压,拆掉电流表,功率表短接线。
给电机施加负载,使异步电动机定子电流为1.25I N,然后逐次减小负载,直至空载。
(3) 测取电机的I、P1、n、直流电机的I F,共取数据6~8组记录于表4-26中。
五、实验报告1、绘制四极运行时的工作特性曲线。
2、绘制二极运行时的工作特性曲线。
3、对这种2/4极双速电机的性能加以评价。
六、思考题1、做试验时三只电流表的读数是否相同?有差别时是什么原因造成的?定子电流怎样测量?2、Δ/YY的变极调速特点是什么?3永磁式直流测速发电机测速发电机是一种测量转速信号的元件,它将输入的机械转速变换为电压信号输出,且输出电压与转速成正比。
在自动控制系统中用作测量元件和反馈元件,用以测量转速或调节和稳定转速。
测速发电机有交直流两大类,交流测速发电机有异步和同步之分,直流测速发电机根据励磁方式不同,又可分为永磁式和他励磁式之分。
本处使用的是永磁式直流测速发电机。
一、实验方法12、屏上挂件排列顺序D44、D313、按图7-1接线。
图中直流电动机M 选用DJ23作他励接法,TG 选用导轨上的永磁式直流测速发电机,R f1选用D44上900Ω阻值,R 1选用D44上180Ω阻值调至最大位置,R Z 选用D44上10K/8W 功率电阻,电流表A 1、A 2选用D31挂件上,开关S 选用D44上的开关,并处于断开位置。
图7-1 直流测速发电机接线图4、先接通励磁电源,调节电阻R f1使励磁电流达到最大的位置,接通电枢电源,电动机M 运行后将R 1调至最小。
调节电阻R f1、R 1转速达2400r/min ,然后逐渐使电机减速(电阻R 1调至最大位置以后可降低电枢电源的输出电压来降低转速)。
记录对应的转速和输出电压。
共测取8~9组数据记录于表7-1中。
5、合上开关S ,重复上面步骤,记录8-9组数据于表7-2中。
二、实验报告1、由:得: 式中: R a ――电枢回路总电阻R z ――负载电阻 E 0=C e Φn――电枢总电势2、作出U=f(n)曲线。
三、思考题1、直流测速发电机的误差主要由哪些因素造成?2、在自动控制系统中主要起什么作用?aa a R Rz UE R I E U -=-=00n R R C R R E U za e z a +=+=110φ4 三相异步电动机的正反转控制线路一、实验目的1、通过对三相异步电动机正反转控制线路的接线,掌握由电路原理图接成实际操作电路的方法。
2、掌握三相异步电动机正反转的原理和方法。
3、掌握手动控制正反转控制、接触器联锁正反转、按钮联锁正反转控制及按钮和接触器双重联锁正反转控制线路的不同接法,并熟悉在操作过程中有哪些不同之处。
二、选用组件12、屏上挂件排列顺序:D61、D62三、实验方法1、倒顺开关正反转控制线路:(1) 旋转控制屏左侧调压器旋钮将三相调压电源U、V、W输出线电压调到220V,按下“停止”按钮切断交流电源。