二进制十进制八进制十六进制转换练习题
- 格式:docx
- 大小:39.96 KB
- 文档页数:6
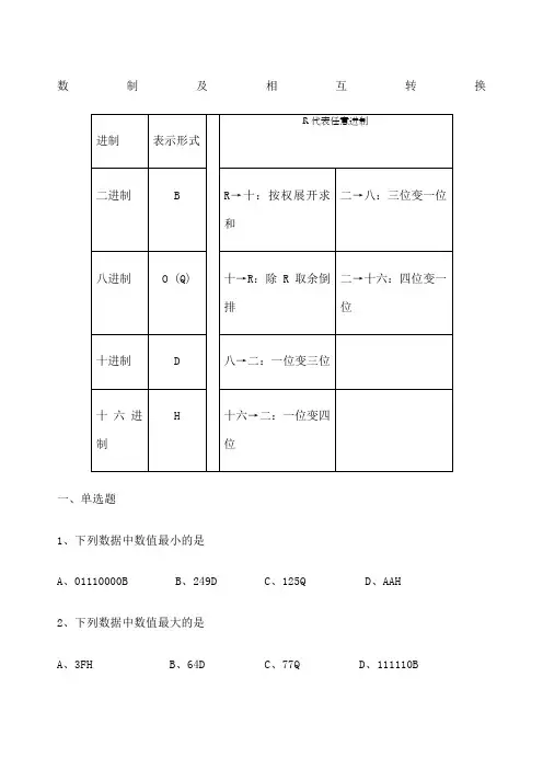
数制及相互转换进制表示形式R代表任意进制二进制 B R→十:按权展开求和二→八:三位变一位八进制O (Q) 十→R:除R取余倒排二→十六:四位变一位十进制 D 八→二:一位变三位十六进制H 十六→二:一位变四位一、单选题1、下列数据中数值最小的是A、01110000BB、249DC、125QD、AAH2、下列数据中数值最大的是A、3FHB、64DC、77QD、111110B3、下列数据中数值最大的是A、100HB、100DC、100QD、100B4、十进制数24转换成二进制数是A、11100B、11010C、11000D、101005、下列数据中数值最小的是A、11110000(二进制)B、249(十进制)C、274(八进制)D、FA(十六进制)6、下列数据中数值最大的是A、11101101(二进制)B、235(十进制)C、351(八进制)D、EE(十六进制)7、下列各数中最大的是A、11010110BB、D7 HC、214DD、325Q8、与二进制数100101等值的十进制数是A、34B、35C、36D、379、与十进制数256等值的二进制数是A、1000000B、10000000C、100000000D、100000000010、与十六进制数ACE等值的十进制数是A、2766B、2765C、2764D、276311、十六进制数111与八进制数111之和,用八进制数表示为A、310B、1222C、1000D、53212、按某种进制运算2 × 4=12,那么4 × 5为A、20B、32C、24D、1213、若216是某种数制的一个数,它的值与十六进制数8E相等,则该数是()进制数。
A、六B、八C、九D、十14、下列各数中,属于合法的五进制数的是A、216B、123C、354D、18915、下列无符号十进制中,能用8位二进制表示的是A、257B、288C、256D、25516、无符号二进制数后加上一个0,形成的数是原来的几倍?A、1B、2C、1/2D、417、下列数据中数值最大的是A、(10000)2B、(17)8C、(17)10D、(10)1618、某学校有1500名学生,若用二进制来编学号,需要多少位来表示。
二进制十进制八进制十六进制转换练习题标准化工作室编码[XX968T-XX89628-XJ668-XT689N]数制及相互转换进制表示形式R代表任意进制二进制B R→十:按权展开求和二→八:三位变一位八进制O (Q)十→R:除R取余倒排二→十六:四位变一位十进制D八→二:一位变三位十六进制H十六→二:一位变四位一、单选题1、下列数据中数值最小的是A、01110000BB、249DC、125QD、AAH2、下列数据中数值最大的是A、3FHB、64DC、77QD、111110B3、下列数据中数值最大的是A、100HB、100DC、100QD、100B4、十进制数24转换成二进制数是A、11100B、11010C、11000D、101005、下列数据中数值最小的是6、下列数据中数值最大的是7、下列各数中最大的是A、 B、D7 H C、214D D、325Q8、与二进制数100101等值的十进制数是A、34B、35C、36D、379、与十进制数256等值的二进制数是A、 1000000B、C、D、10、与十六进制数ACE等值的十进制数是A、2766B、 2765C、2764D、 276311、十六进制数111与八进制数111之和,用八进制数表示为A、 310B、 1222C、 1000D、 53212、按某种进制运算2 × 4=12,那么4 × 5为A、20B、32C、24D、 1213、若216是某种数制的一个数,它的值与十六进制数8E相等,则该数是()进制数。
A、六B、八C、九D、十14、下列各数中,属于合法的五进制数的是A、216B、 123C、 354D、18915、下列无符号十进制中,能用8位二进制表示的是A、 257B、 288C、 256D、25516、无符号二进制数后加上一个0,形成的数是原来的几倍?A、 1B、 2C、 1/2D、417、下列数据中数值最大的是A、(10000)2 B、(17)8C、(17)10D、(10)1618、某学校有1500名学生,若用二进制来编学号,需要多少位来表示。
数制及相互转换1、下列数据中数值最小的是A、01110000BB、249DC、125QD、AAH2、下列数据中数值最大的是A、3FHB、64DC、77QD、111110B3、下列数据中数值最大的是A、100HB、100DC、100QD、100B4、十进制数24转换成二进制数是A、11100B、11010C、11000D、101005、下列数据中数值最小的是6、下列数据中数值最大的是7、下列各数中最大的是A、B、D7 H C、214D D、325Q8、与二进制数100101等值的十进制数是A、34B、35C、36D、379、与十进制数256等值的二进制数是A、1000000B、C、D、10、与十六进制数ACE等值的十进制数是A、2766B、2765C、2764D、276311、十六进制数111与八进制数111之和,用八进制数表示为A、310B、1222C、1000D、53212、按某种进制运算2 × 4=12,那么4 × 5为A、20B、32C、24D、1213、若216是某种数制的一个数,它的值与十六进制数8E相等,则该数是()进制数。
A、六B、八C、九D、十14、下列各数中,属于合法的五进制数的是A、216B、123C、354D、18915、下列无符号十进制中,能用8位二进制表示的是A、257B、288C、256D、25516、无符号二进制数后加上一个0,形成的数是原来的几倍?A、1B、2C、1/2D、417、下列数据中数值最大的是A、(10000)2B、(17)8C、(17)10D、(10)1618、某学校有1500名学生,若用二进制来编学号,需要多少位来表示。
A、10B、11C、12D、1319、十进制数153转换成二进制数应为A、BC、D、111011020、与二进制数1011001等值的十进制数是A、88B、98C、89D、9221、将八进制数154转换成二进制数是A、1111010B、1110100C、1110110D、110110022、下列数据中最小的是A、1110001B、35QC、27HD、65D23、将十六进制数163转换成二进制数是A、1B、C、D、24、与十进制776等值的十六进制数是A、308B、213C、231D、132二、多选题1、下列数中,与(123)12 的值相同的有B、(253)8C、(170)10D、(AB)1622、下列数中,数值相等的数据有A、(101010)2B、42C、(52)8D、(2A)163、下列数中,与八进制数100相等的是A、(1000000)2B、(144)6C、65D、(40)164、下列数中,与十六进制数100相等的是B、(400)8C、256D、(194)1225、下列叙述正确的是A、计算机内所有的信息都转换为二进制进行存储和处理B、在计算机内部使用二进制有很多优点C、计算机能直接识别二进制数和八进制数D、二进制是由“1”和“2”两个基本符号组成6、与二进制数11011等值的数是A、330B、27DC、27HD、1BH7、与十进制数55等值的数是A、110110BB、110111BC、67QD、37H8、与八进制数73等值的数是A、111110BB、59DC、49HD、2BH9、计算机内部采用二进制来表示信息和进行运行的原因是A、两种物理状态容易实现B、两种状态的系统稳定性高C、二进制运算简单D、硬件容易实现三、判断题1、152是某种数制的一个数,若它的值要与十六进制数6A相等,则该数必须是十进制数。
进制转换练习题带答案一、十进制与二进制的转换(1) 25(2) 63(3) 102(4) 145(5) 189(1) 11011(2) 1010101(3) 11110000(4) 10011011(5) 11011101二、十进制与八进制的转换(1) 47(2) 123(3) 255(4) 365(5) 512(1) 57(2) 123(3) 456(4) 712(5) 754三、十进制与十六进制的转换(1) 79(2) 255(3) 439(4) 1023(5) 4095(1) 3F(2) FF(3) 1A3(4) AFE(5) FFF四、二进制与八进制的转换(1) 11011(2) 1010101(3) 11110000(4) 10011011(5) 11011101(1) 57(2) 123(3) 456(4) 712(5) 754五、二进制与十六进制的转换(1) 11011(2) 1010101(3) 11110000(4) 10011011(5) 11011101(1) 3F(2) FF(3) 1A3(4) AFE(5) FFF六、八进制与十六进制的转换(1) 57(2) 123(3) 456(4) 712(5) 754(1) 3F(2) FF(3) 1A3(4) AFE(5) FFF七、混合进制转换(1) 将八进制数 527 转换为十六进制数。
(2) 将二进制数 110101 转换为十进制数。
(3) 将十六进制数 2A 转换为二进制数。
(4) 将十进制数 198 转换为八进制数。
(5) 将二进制数 11110000 转换为十六进制数。
八、进制转换应用题(1) 如果一个十六进制数 1AB 表示的十进制数是多大?(2) 一个二进制数 1011 1110 转换为十进制后,再加上 25,结果是多少?(3) 将八进制数 765 转换为十进制数,然后除以 3,得到的商是多少?(4) 将十进制数 255 转换为二进制数,然后与二进制数11111111 进行按位与操作,结果是什么?(5) 将十进制数 100 转换为十六进制数,然后转换为二进制数,得到的二进制数是多少位?九、进制转换逻辑题(1) 十进制数 10 转换为二进制数是 1010。
进制转换练习题在计算机科学和数学中,进制转换是一种常见的运算,用于将一个数字从一种进制表示转换为另一种进制表示。
进制是用于表示数字的基数,通常使用的进制包括二进制,八进制,十进制和十六进制。
本文将提供一些进制转换的练习题,帮助读者加深对该概念的理解。
题目一:将二进制数1101100转换为十进制数。
解答:要将二进制数转换为十进制数,可以按照以下步骤进行计算:(1) 从二进制数的最右边一位开始,将每一位上的数字与2的相应次幂相乘。
(2) 将所有结果相加得到最终的十进制数。
根据上述步骤,我们可以计算出1101100的十进制表示:0*2^0 + 0*2^1 + 1*2^2 + 1*2^3 + 0*2^4 + 1*2^5 + 1*2^6 = 108。
因此,1101100的十进制表示为108。
题目二:将十进制数342转换为二进制数。
解答:(1) 用2整除该十进制数,并记录下余数。
(2) 将商继续用2整除,直到商为0为止。
将每次的余数按照从下到上的顺序排列即可得到二进制数。
根据上述步骤,我们可以计算出342的二进制表示:342 / 2 = 171 余 0171 / 2 = 85 余 185 / 2 = 42 余 142 / 2 = 21 余 021 / 2 = 10 余 110 / 2 = 5 余 05 / 2 = 2 余 12 / 2 = 1 余 01 /2 = 0 余 1将上述余数从下到上排列得到的二进制数为101010110。
题目三:将十进制数123转换为八进制数。
解答:(1) 用8整除该十进制数,并记录下余数。
(2) 将商继续用8整除,直到商为0为止。
将每次的余数按照从下到上的顺序排列即可得到八进制数。
根据上述步骤,我们可以计算出123的八进制表示:123 / 8 = 15 余 315 / 8 = 1 余 71 / 8 = 0 余 1将上述余数从下到上排列得到的八进制数为173。
题目四:将十进制数425转换为十六进制数。
进制转换练习题1. 将二进制数110101转换为八进制和十六进制。
答:二进制数110101转换为八进制:65,转换为十六进制:35。
2. 将十进制数347转换为二进制和十六进制。
答:十进制数347转换为二进制:101011011,转换为十六进制:15B。
3. 将八进制数57转换为二进制和十进制。
答:八进制数57转换为二进制:101111,转换为十进制:47。
4. 将十六进制数CD3转换为二进制和十进制。
答:十六进制数CD3转换为二进制:11001101011,转换为十进制:3283。
5. 将二进制数101010101转换为八进制和十进制。
答:二进制数101010101转换为八进制:2525,转换为十进制:341。
6. 将十进制数123转换为二进制和十六进制。
答:十进制数123转换为二进制:1111011,转换为十六进制:7B。
7. 将八进制数672转换为二进制和十进制。
答:八进制数672转换为二进制:110110010,转换为十进制:442。
8. 将十六进制数ABC转换为二进制和十进制。
答:十六进制数ABC转换为二进制:101010111100,转换为十进制:2748。
9. 将二进制数1110001转换为八进制和十六进制。
答:二进制数1110001转换为八进制:161,转换为十六进制:71。
10. 将十进制数567转换为二进制和十六进制。
答:十进制数567转换为二进制:1000110111,转换为十六进制:237。
11. 将八进制数426转换为二进制和十进制。
答:八进制数426转换为二进制:100100110,转换为十进制:278。
12. 将十六进制数FE0转换为二进制和十进制。
答:十六进制数FE0转换为二进制:11111110000,转换为十进制:4064。
以上是一些进制转换的练习题,通过这些题目的练习,可以加深对不同进制间的转换方法的理解和掌握。
进制转换在计算机科学、数学等领域中非常重要,熟练掌握进制转换可以提高问题解决的效率和准确性。
数制及相互转换进制表示形式R代表任意进制二进制 B R→十:按权展开求和二→八:三位变一位八进制O (Q) 十→R:除R 取余倒排二→十六:四位变一位十进制 D 八→二:一位变三位十六进制H 十六→二:一位变四位一、单选题1、下列数据中数值最小的是A、01110000BB、249DC、125QD、AAH2、下列数据中数值最大的是A、3FHB、64DC、77QD、111110B3、下列数据中数值最大的是A、100HB、100DC、100QD、100B4、十进制数24 转换成二进制数是A、11100B、11010C、11000D、101005、下列数据中数值最小的是A、11110000(二进制)B、249(十进制)C、274(八进制)D、FA(十六进制)6、下列数据中数值最大的是A、11101101(二进制)B、235(十进制)C、351(八进制)D、EE(十六进制)7、下列各数中最大的是A、11010110BB、D7 HC、214DD、325Q8、与二进制数100101 等值的十进制数是A、34B、35C、36D、379、与十进制数256 等值的二进制数是A、1000000B、10000000C、100000000D、100000000010、与十六进制数ACE等值的十进制数是A、2766B、2765C、2764D、276311、十六进制数111 与八进制数111 之和,用八进制数表示为A、310B、1222C、1000D、53212、按某种进制运算 2 ×4=1,2那么 4 ×为5A、20B、32C、24D、1213、若216 是某种数制的一个数,它的值与十六进制数8E 相等,则该数是()进制数。
A、六B、八C、九D、十14、下列各数中,属于合法的五进制数的是A、216B、123C、354D、18915、下列无符号十进制中,能用8 位二进制表示的是A、257B、288C、256D、25516、无符号二进制数后加上一个0,形成的数是原来的几倍?A、 1B、 2C、1/2D、417、下列数据中数值最大的是A、(10000)2B、(17)8C、(17)10D、(10)1618、某学校有1500 名学生,若用二进制来编学号,需要多少位来表示。
数制及相互转换一、单选题1、下列数据中数值最小的是A、01110000BB、249DC、125QD、AAH2、下列数据中数值最大的是A、3FHB、64DC、77QD、111110B3、下列数据中数值最大的是A、100HB、100DC、100QD、100B4、十进制数24转换成二进制数是A、11100B、11010C、11000D、101005、下列数据中数值最小的是A、(二进制)B、249(十进制)C、274(八进制)D、FA(十六进制)6、下列数据中数值最大的是A、(二进制)B、235(十进制)C、351(八进制)D、EE(十六进制)7、下列各数中最大的是A、B、D7 H C、214D D、325Q8、与二进制数100101等值的十进制数是A、34B、35C、36D、379、与十进制数256等值的二进制数是A、1000000B、C、D、10、与十六进制数ACE等值的十进制数是A、2766B、2765C、2764D、276311、十六进制数111与八进制数111之和,用八进制数表示为A、310B、1222C、1000D、53212、按某种进制运算2 × 4=12,那么4 × 5为A、20B、32C、24D、1213、若216是某种数制的一个数,它的值与十六进制数8E相等,则该数是()进制数。
A、六B、八C、九D、十14、下列各数中,属于合法的五进制数的是A、216B、123C、354D、18915、下列无符号十进制中,能用8位二进制表示的是A、257B、288C、256D、25516、无符号二进制数后加上一个0,形成的数是原来的几倍?A、1B、2C、1/2D、417、下列数据中数值最大的是A、(10000)2B、(17)8C、(17)10D、(10)1618、某学校有1500名学生,若用二进制来编学号,需要多少位来表示。
A、10B、11C、12D、1319、十进制数153转换成二进制数应为A、B、C、D、111011020、与二进制数1011001等值的十进制数是A、88B、98C、89D、9221、将八进制数154转换成二进制数是A、1111010B、1110100C、1110110D、110110022、下列数据中最小的是A、1110001B、35QC、27HD、65D23、将十六进制数163转换成二进制数是A、1B、C、D、24、与十进制776等值的十六进制数是A、308B、213C、231D、132二、多选题1、下列数中,与(123)12 的值相同的有A、()2B、(253)8C、(170)10D、(AB)162、下列数中,数值相等的数据有A、(101010)2B、42C、(52)8D、(2A)163、下列数中,与八进制数100相等的是A、(1000000)2B、(144)6C、65D、(40)164、下列数中,与十六进制数100相等的是A、()2B、(400)8C、256D、(194)125、下列叙述正确的是A、计算机内所有的信息都转换为二进制进行存储和处理B、在计算机内部使用二进制有很多优点C、计算机能直接识别二进制数和八进制数D、二进制是由“1”和“2”两个基本符号组成6、与二进制数11011等值的数是A、330B、27DC、27HD、1BH7、与十进制数55等值的数是A、110110BB、110111BC、67QD、37H8、与八进制数73等值的数是A、111110BB、59DC、49HD、2BH9、计算机内部采用二进制来表示信息和进行运行的原因是A、两种物理状态容易实现B、两种状态的系统稳定性高C、二进制运算简单D、硬件容易实现三、判断题1、152是某种数制的一个数,若它的值要与十六进制数6A相等,则该数必须是十进制数。
数制及相互转换一、单选题1、下列数据中数值最小的是A、01110000BB、249DC、125QD、AAH2、下列数据中数值最大的是A、3FHB、64DC、77QD、111110B3、下列数据中数值最大的是A、100HB、100DC、100QD、100B4、十进制数24转换成二进制数是A、11100B、11010C、11000D、101005、下列数据中数值最小的是A、11110000(二进制)B、249(十进制)C、274(八进制)D、FA(十六进制)6、下列数据中数值最大的是A、11101101(二进制)B、235(十进制)C、351(八进制)D、EE(十六进制)7、下列各数中最大的是A、11010110BB、D7 HC、214DD、325Q8、与二进制数100101等值的十进制数是A、34B、35C、36D、379、与十进制数256等值的二进制数是A、 1000000B、 10000000C、 100000000D、 100000000010、与十六进制数ACE等值的十进制数是A、2766B、 2765C、2764D、 276311、十六进制数111与八进制数111之和,用八进制数表示为A、 310B、 1222C、 1000D、 53212、按某种进制运算2 × 4=12,那么4 × 5为A、20B、32C、24D、 1213、若216是某种数制的一个数,它的值与十六进制数8E相等,则该数是()进制数。
A、六B、八C、九D、十14、下列各数中,属于合法的五进制数的是A、216B、 123C、 354D、18915、下列无符号十进制中,能用8位二进制表示的是A、 257B、 288C、 256D、25516、无符号二进制数后加上一个0,形成的数是原来的几倍?A、 1B、 2C、 1/2D、417、下列数据中数值最大的是A、(10000)2 B、(17)8C、(17)10D、(10)1618、某学校有1500名学生,若用二进制来编学号,需要多少位来表示。
数制及相互转换一、单选题1、下列数据中数值最小的是A、01110000BB、249DC、125QD、AAH2、下列数据中数值最大的是A、3FHB、64DC、77QD、111110B3、下列数据中数值最大的是A、100HB、100DC、100QD、100B4、十进制数24转换成二进制数是A、11100B、11010C、11000D、101005、下列数据中数值最小的是A、11110000(二进制)B、249(十进制)C、274(八进制)D、FA(十六进制)6、下列数据中数值最大的是A、11101101(二进制)B、235(十进制)C、351(八进制)D、EE(十六进制)7、下列各数中最大的是A、11010110BB、D7 HC、214DD、325Q8、与二进制数100101等值的十进制数是A、34B、35C、36D、379、与十进制数256等值的二进制数是A、1000000B、10000000C、100000000D、100000000010、与十六进制数ACE等值的十进制数是A、2766B、2765C、2764D、276311、十六进制数111与八进制数111之和,用八进制数表示为A、310B、1222C、1000D、53212、按某种进制运算2 × 4=12,那么4 × 5为A、20B、32C、24D、1213、若216是某种数制的一个数,它的值与十六进制数8E相等,则该数是()进制数。
A、六B、八C、九D、十14、下列各数中,属于合法的五进制数的是A、216B、123C、354D、18915、下列无符号十进制中,能用8位二进制表示的是A、257B、288C、256D、25516、无符号二进制数后加上一个0,形成的数是原来的几倍?A、1B、2C、1/2D、417、下列数据中数值最大的是A、(10000)2B、(17)8C、(17)10D、(10)1618、某学校有1500名学生,若用二进制来编学号,需要多少位来表示。
二进制十进制八进制十六进制转换练习题以下是为大家整理的二进制十进制八进制十六进制转换练习题的相关范文,本文关键词为二进制,十进制,八进制,十六进制,转换,练习题,数制,相互,,您可以从右上方搜索框检索更多相关文章,如果您觉得有用,请继续关注我们并推荐给您的好友,您可以在综合文库中查看更多范文。
数制及相互转换进制二进制八进制十进制十六进制一、单选题1、下列数据中数值最小的是A、01110000bA、3FhA、100hA、11100b、249Db、64Db、100Db、11010c、125Qc、77Qc、100Qc、11000D、AAhD、111110bD、100bD、10100D、FA(十六进制)D、ee(十六进制)2、下列数据中数值最大的是3、下列数据中数值最大的是4、十进制数24转换成二进制数是5、下列数据中数值最小的是A、11110000(二进制)6、下列数据中数值最大的是A、11101101(二进制)7、下列各数中最大的是A、11010110bA、34A、1000000A、2766A、310A、20A、六A、216A、257A、1A、(10000)2A、10b、D7hb、35b、10000000b、2765b、1222b、32b、八b、123b、288b、2b、(17)8b、11c、214Dc、36c、100000000c、2764c、1000c、24c、九c、3548位二进制表示的是c、2560,形成的数是原来的几倍?c、1/2c、(17)10c、12D、4D、(10)16D、13D、255D、325QD、37D、1000000000D、2763D、532D、128e相等,则该数是(D、十D、189)进制数。
8、与二进制数100101等值的十进制数是9、与十进制数256等值的二进制数是10、与十六进制数Ace等值的十进制数是11、十六进制数111与八进制数111之和,用八进制数表示为12、按某种进制运算2×4=1,2那么4×为513、若216是某种数制的一个数,它的值与十六进制数14、下列各数中,属于合法的五进制数的是15、下列无符号十进制中,能用16、无符号二进制数后加上一个17、下列数据中数值最大的是18、某学校有1500名学生,若用二进制来编学号,需要多少位来表示。
进制数运算练习题在计算机科学和数学中,进制数运算是一个重要的概念。
理解进制数的运算方法对于计算机程序员、数学爱好者以及日常生活中的计算都非常有帮助。
下面给出了一些进制数运算的练习题,希望能帮助大家巩固这一概念。
1. 将十进制数转换为二进制数:a) 25b) 100c) 1234d) 40962. 将二进制数转换为十进制数:a) 101010b) 11011c) 1111d) 100000003. 将十进制数转换为十六进制数:a) 10b) 255c) 40964. 将十六进制数转换为十进制数:a) 1Ab) FFc) 123d) ABCD5. 在二进制数中进行加法运算:a) 101 + 110b) 1111 + 1010c) 1001 + 11111d) 111111 + 16. 在二进制数中进行减法运算:a) 101 - 10b) 1111 - 101c) 1001 - 111d) 111111 - 17. 在八进制数中进行乘法运算:a) 15 * 3b) 17 * 4d) 45 * 68. 在八进制数中进行除法运算:a) 15 / 3b) 17 / 4c) 177 / 2d) 45 / 69. 在十六进制数中进行加法运算:a) AB + CDb) FF + 10c) 123 + 456d) CDEF + 100010. 在十六进制数中进行减法运算:a) AB - CDb) FF - 10c) 123 - 456d) CDEF - 1000这些练习题可以帮助你巩固进制数运算的理解。
通过计算这些题目,你将更加熟悉不同进制之间的转换规则,并且能够在不同进制下进行基本的四则运算。
进制数运算在计算机编程、网络通信以及数学领域中都有广泛的应用,掌握这一概念对于提升自己的技能水平将是非常有益的。
希望以上练习题能对你的进制数运算能力提升有所帮助。
如果你对进制数运算还有其他疑问或者需要更多练习,请继续学习相关的教材或者参考其他资源。
二进制十进制八进制十六进制转换练
习题2页
1.将二进制数101010转换为十进制、八进制和十六进制表示形式。
答案:十进制:42 八进制:52 十六进制:2A
2.将十进制数76转换为二进制、八进制和十六进制表示形式。
答案:二进制:1001100 八进制:114 十六进制:4C
3.将八进制数57转换为二进制、十进制和十六进制表示形式。
答案:二进制:101111 十进制:47 十六进制:2F
4.将十六进制数2F转换为二进制、十进制和八进制表示形式。
答案:二进制:101111 十进制:47 八进制:57
5.将二进制数110010转换为十进制、八进制和十六进制表示形式。
答案:十进制:50 八进制:62 十六进制:32
6.将十进制数135转换为二进制、八进制和十六进制表示形式。
答案:二进制:10000111 八进制:207 十六进制:87
7.将八进制数67转换为二进制、十进制和十六进制表示形式。
答案:二进制:110111 十进制:55 十六进制:37
8.将十六进制数3A转换为二进制、十进制和八进制表示形式。
答案:二进制:111010 十进制:58 八进制:72
9.将二进制数100101转换为十进制、八进制和十六进制表示形式。
答案:十进制:37 八进制:45 十六进制:25
10.将十进制数92转换为二进制、八进制和十六进制表示形式。
答案:二进制:1011100 八进制:134 十六进制:5C
这些练习题可以帮助你巩固对二进制、十进制、八进制和十六进制之间转换的理解。
通过多次练习,你将更加熟悉这些进制之间的转换方法,并能够迅速准确地进行转换。
进制转换练习题
本文档将提供一系列进制转换的练题,旨在帮助您巩固和提高对进制转换的理解。
每个练题都提供了一个数字,在不同的进制之间进行转换。
请根据题目要求,完成相应的进制转换。
1. 二进制转十进制
将以下二进制数转换为十进制数:
1. 1010
2. 1111
3.
2. 十进制转二进制
将以下十进制数转换为二进制数:
1. 15
2. 42
3. 75
3. 八进制转十进制
将以下八进制数转换为十进制数:
1. 34
2. 76
3. 127
4. 十进制转八进制
将以下十进制数转换为八进制数:
1. 16
2. 39
3. 85
5. 十六进制转十进制
将以下十六进制数转换为十进制数:
1. 1A
2. D4
3. BEE
6. 十进制转十六进制
将以下十进制数转换为十六进制数:
1. 28
2. 542
3. 1023
7. 二进制转八进制
将以下二进制数转换为八进制数:
1. 110
2. 1011
3.
8. 八进制转二进制
将以下八进制数转换为二进制数:
1. 34
2. 76
3. 127
9. 二进制转十六进制
将以下二进制数转换为十六进制数:
1. 1101
2.
3.
10. 十六进制转二进制
将以下十六进制数转换为二进制数:
1. A
2. FF
3. 2D
希望这些进制转换练题能够帮助您更好地掌握进制转换的技巧。
完成这些练后,您将更加熟练地处理不同进制之间的转换。
加油!。
二进制十进制八进制十六进制转换练习题Document number:NOCG-YUNOO-BUYTT-UU986-1986UT数制及相互转换一、单选题1、下列数据中数值最小的是A、01110000BB、249DC、125QD、AAH2、下列数据中数值最大的是A、3FHB、64DC、77QD、111110B3、下列数据中数值最大的是A、100HB、100DC、100QD、100B4、十进制数24转换成二进制数是A、11100B、11010C、11000D、101005、下列数据中数值最小的是A、(二进制)B、249(十进制)C、274(八进制)D、FA(十六进制)6、下列数据中数值最大的是A、(二进制)B、235(十进制)C、351(八进制)D、EE(十六进制)7、下列各数中最大的是A、BB、D7 HC、214DD、325Q8、与二进制数100101等值的十进制数是A、34B、35C、36D、379、与十进制数256等值的二进制数是A、 1000000B、C、 0D、 0010、与十六进制数ACE等值的十进制数是A、2766B、 2765C、2764D、 276311、十六进制数111与八进制数111之和,用八进制数表示为A、 310B、 1222C、 1000D、 53212、按某种进制运算2 × 4=12,那么4 × 5为A、20B、32C、24D、 1213、若216是某种数制的一个数,它的值与十六进制数8E相等,则该数是()进制数。
A、六B、八C、九D、十14、下列各数中,属于合法的五进制数的是A、216B、 123C、 354D、18915、下列无符号十进制中,能用8位二进制表示的是A、 257B、 288C、 256D、25516、无符号二进制数后加上一个0,形成的数是原来的几倍A、 1B、 2C、 1/2D、417、下列数据中数值最大的是A、(10000)2B、(17)8C、(17)10D、(10)1618、某学校有1500名学生,若用二进制来编学号,需要多少位来表示。
进制转换练习题熟练进行不同进制之间的转换进制转换是数学中的一个重要概念,它涉及到不同进制之间的转换,如二进制、八进制、十进制和十六进制等。
在计算机科学和信息技术领域中,进制转换是一项必不可少的技能。
本文将介绍一些进制转换的基本知识,并提供一些练习题来帮助读者熟练进行不同进制之间的转换。
一、二进制转换二进制是最基本的进制,它只有两个数字 0 和 1。
在二进制中,每位数的权重是2的幂次方。
例如,二进制数1101表示1*2^3 + 1*2^2 +0*2^1 + 1*2^0 = 13。
1. 将十进制数27转换为二进制。
解答:首先,我们找到距离27最接近的2的幂次方,它是2^4=16。
然后,我们可以得到27除以16的商为1,余数为11。
接下来,我们继续用商来除以2^3=8,得到的商为1,余数为3。
然后,我们用得到的商1除以2^2=4,得到的商为0,余数为1。
最后,我们用该商0除以2^1=2,得到的商为0,余数为0。
所以,将十进制数27转换为二进制为11011。
2. 将二进制数101101转换为十进制。
解答:根据二进制的权重计算方法,我们将1*2^5 + 0*2^4 + 1*2^3+ 1*2^2 + 0*2^1 + 1*2^0 = 45。
所以,将二进制数101101转换为十进制为45。
二、八进制转换八进制是一种以8为基数的计数系统。
它使用数字0到7表示数值,并且每位数的权重是8的幂次方。
3. 将十进制数67转换为八进制。
解答:首先,我们找到距离67最接近的8的幂次方,它是8^2=64。
然后,我们可以得到67除以64的商为1,余数为3。
接下来,我们继续用得到的商1除以8^1=8,得到的商为0,余数为1。
最后,我们用该商0除以8^0=1,得到的商为0,余数为0。
所以,将十进制数67转换为八进制为103。
4. 将八进制数576转换为十进制。
解答:根据八进制的权重计算方法,我们将5*8^2 + 7*8^1 + 6*8^0= 390。
进制转换练习题(打印版)# 进制转换练习题## 一、二进制转换为十进制1. 将二进制数 1011 转换为十进制数。
2. 将二进制数 11001 转换为十进制数。
3. 将二进制数 10101010 转换为十进制数。
## 二、十进制转换为二进制1. 将十进制数 23 转换为二进制数。
2. 将十进制数 45 转换为二进制数。
3. 将十进制数 255 转换为二进制数。
## 三、八进制转换为十进制1. 将八进制数 76 转换为十进制数。
2. 将八进制数 123 转换为十进制数。
3. 将八进制数 76543 转换为十进制数。
## 四、十进制转换为八进制1. 将十进制数 61 转换为八进制数。
2. 将十进制数 102 转换为八进制数。
3. 将十进制数 4096 转换为八进制数。
## 五、十六进制转换为十进制1. 将十六进制数 1A3 转换为十进制数。
2. 将十六进制数 2F4 转换为十进制数。
3. 将十六进制数 ABCD 转换为十进制数。
## 六、十进制转换为十六进制1. 将十进制数 371 转换为十六进制数。
2. 将十进制数 789 转换为十六进制数。
3. 将十进制数 65535 转换为十六进制数。
## 七、二进制与八进制互转1. 将二进制数 110101 转换为八进制数。
2. 将八进制数 37 转换为二进制数。
## 八、二进制与十六进制互转1. 将二进制数 11001011 转换为十六进制数。
2. 将十六进制数 3F 转换为二进制数。
## 九、十六进制与八进制互转1. 将十六进制数 1B2 转换为八进制数。
2. 将八进制数 47 转换为十六进制数。
## 十、综合转换练习1. 将二进制数 1101011 先转换为十进制,再转换为八进制。
2. 将十进制数 2019 先转换为十六进制,再转换为二进制。
3. 将八进制数 1234 先转换为十进制,再转换为十六进制。
注意:请同学们认真完成以上练习题,以加深对进制转换的理解和应用能力。
数制及相互转换
一、单选题
1、下列数据中数值最小的是
A、01110000B
B、249D
C、125Q
D、AAH
2、下列数据中数值最大的是
A、3FH
B、64D
C、77Q
D、111110B
3、下列数据中数值最大的是
A、100H
B、100D
C、100Q
D、100B
4、十进制数24转换成二进制数是
A、11100
B、11010
C、11000
D、10100
5、下列数据中数值最小的是
A、11110000(二进制)
B、249(十进制)
C、274(八进制)
D、FA(十六进制)
6、下列数据中数值最大的是
A、11101101(二进制)
B、235(十进制)
C、351(八进制)
D、EE(十六进制)
7、下列各数中最大的是
A、11010110B
B、D7 H
C、214D
D、325Q
8、与二进制数100101等值的十进制数是
A、34
B、35
C、36
D、37
9、与十进制数256等值的二进制数是
A、1000000
B、10000000
C、100000000
D、1000000000
10、与十六进制数ACE等值的十进制数是
A、2766
B、2765
C、2764
D、2763
11、十六进制数111与八进制数111之和,用八进制数表示为
A、310
B、1222
C、1000
D、532
12、按某种进制运算2 × 4=12,那么4 × 5为
A、20
B、32
C、24
D、12
13、若216是某种数制的一个数,它的值与十六进制数8E相等,则该数是()进制数。
A、六
B、八
C、九
D、十
14、下列各数中,属于合法的五进制数的是
A、216
B、123
C、354
D、189
15、下列无符号十进制中,能用8位二进制表示的是
A、257
B、288
C、256
D、255
16、无符号二进制数后加上一个0,形成的数是原来的几倍?
A、1
B、2
C、1/2
D、4
17、下列数据中数值最大的是
A、(10000)2
B、(17)8
C、(17)10
D、(10)16
18、某学校有1500名学生,若用二进制来编学号,需要多少位来表示。
A、10
B、11
C、12
D、13
19、十进制数153转换成二进制数应为
A、10011001
B、10100001
C、10000110
D、1110110
20、与二进制数1011001等值的十进制数是
A、88
B、98
C、89
D、92
21、将八进制数154转换成二进制数是
A、1111010
B、1110100
C、1110110
D、1101100
22、下列数据中最小的是
A、1110001
B、35Q
C、27H
D、65D
23、将十六进制数163转换成二进制数是
A、1101010101
B、110101010
C、1110101011
D、101100011
24、与十进制776等值的十六进制数是
A、308
B、213
C、231
D、132
二、多选题
1、下列数中,与(123)12 的值相同的有
A、(10101011)2
B、(253)8
C、(170)10
D、(AB)16
2、下列数中,数值相等的数据有
A、(101010)2
B、42
C、(52)8
D、(2A)16
3、下列数中,与八进制数100相等的是
A、(1000000)2
B、(144)6
C、65
D、(40)16
4、下列数中,与十六进制数100相等的是
A、(100000000)2
B、(400)8
C、256
D、(194)12
5、下列叙述正确的是
A、计算机内所有的信息都转换为二进制进行存储和处理
B、在计算机内部使用二进制有很多优点
C、计算机能直接识别二进制数和八进制数
D、二进制是由“1”和“2”两个基本符号组成
6、与二进制数11011等值的数是
A、330
B、27D
C、27H
D、1BH
7、与十进制数55等值的数是
A、110110B
B、110111B
C、67Q
D、37H
8、与八进制数73等值的数是
A、111110B
B、59D
C、49H
D、2BH
9、计算机内部采用二进制来表示信息和进行运行的原因是
A、两种物理状态容易实现
B、两种状态的系统稳定性高
C、二进制运算简单
D、硬件容易实现
三、判断题
1、152是某种数制的一个数,若它的值要与十六进制数6A相等,则该数必须是十进制数。
2、十六进制的17与八进制的27是等值的,十六进制的27和八进制的47也是等值的。
3、与十六进制数7DQ等值的十进制数是2000。
4、与十进制数4095等值的十六进制数是FFF。
5、以计算机处理的信息最终都必须转换成二进制编码,才能被计算机识别。
6、把二进制数小数点向右移动1位,数值就扩大到原来的2倍。
7、把任意R进制数按权展开求和,就实现了R进制对十进制的转换。
奔波在俗世里,不知从何时起,飘来一股清流,逼着每个人优秀。
人过四十,已然不惑。
我们听过别人的歌,也唱过自己的曲,但谁也逃不过岁月的审视,逃不过现实的残酷。
如若,把心中的杂念抛开,苟且的日子里,其实也能无比诗意。
\。