梁的变形计算
- 格式:ppt
- 大小:2.23 MB
- 文档页数:73
梁的弯曲变形简单计算方法
梁是传动重要机构之一,其弯曲变形是广泛应用于结构力学设计中的一项重要技术。
它可
以用来分析梁承载的荷载情况,为梁的安全性能设计提供参考。
计算梁的弯曲变形是构造设计中的重要部分,因此有必要掌握有效的简便方法。
梁的弯曲变形一般是有三种计算方法:等强度线法、活荷载平移法、真实三维变形法。
这
三种计算方法的计算时间和计算精度不同,可根据实际情况选择合适的计算方法。
等强度线法是最简单且计算时间最短的方法,利用梁受力后形成的抗压线和抗张线构成图形,并将图形转化为梁形成的弯曲变形。
活荷载平移法则分析了活荷载作用于梁的变形状,将活荷载平移线与梁截面结合起来,表征出梁的弯曲变形。
而真实三维变形则完整量化了
梁的受力状态,找出真实的变形轮廓,从而获得准确的弯曲变形。
总之,梁的弯曲变形计算方法可根据实际应用场合选择合适的方法,以便为梁的设计提供参考。
在工程应用中,其梁的弯曲变形计算通常使用简便方法,如等强度线法和活荷载平
移法,而对于有特殊要求的情况,可以采用真实三维变形法,以保证梁的安全性能。
梁线刚度计算公式
梁线刚度可以通过弯曲、拉伸和剪切三种形式进行计算。
具体的公式如下:
弯曲刚度计算公式:
梁线的弯曲刚度可以通过以下公式计算:
EI = k * D / (2 * Phi)
其中EI表示梁的弯曲刚度,k表示梁的弹性系数,D表示梁的弯曲变形,Phi表示梁的弯曲角度。
如果梁的截面形状、材料和长度确定,那么EI值也是固定的。
拉伸刚度计算公式:
梁线的拉伸刚度可以通过以下公式计算:
EA = F / deltaL
其中EA表示梁的拉伸刚度,F表示梁的受力大小,deltaL表示梁的拉伸变形。
如果梁的截面积和材料确定,那么EA值也是固定的。
剪切刚度计算公式:
梁线的剪切刚度可以通过以下公式计算:
GA = k / tau
其中GA表示梁的剪切刚度,k表示梁的剪切模量,tau表示材料的剪切应力。
剪切刚度与梁线的剪切变形有关,当材料的剪切应力发生变化时,剪
切变形也会相应改变。
需要注意的是,梁线的刚度计算公式根据不同的应力状态而有所不同。
在实际工程中,根据梁的材料、截面形状和受力情况,通常采用适当的刚
度计算公式来计算梁线的刚度。
梁线刚度的计算是结构力学中的基础问题之一,通过准确计算梁线的
刚度,可以帮助工程师在设计过程中确保结构的稳定性和安全性。
同时,
梁线刚度的计算也为设计者提供了选择材料和截面形状的依据,以满足实
际工程要求。
弯曲力学梁的弯曲变形和内力计算弯曲力学梁是结构工程中常见的构件,用于承受横向力和弯矩。
在设计和分析梁的弯曲变形和内力时,了解梁的性质和力学行为至关重要。
本文将介绍弯曲力学梁的弯曲变形和内力计算的相关知识。
1. 梁的基本概念在讨论弯曲变形和内力计算之前,我们首先需要了解梁的基本概念。
梁是一种长条形结构,由材料制成,其主要作用是承受横向力和弯矩。
梁通常用于支撑和传递载荷,使得荷载能够安全地传递到地基或其他支撑结构。
2. 弯曲变形弯曲力学梁在受到横向力作用时会发生弯曲变形。
弯曲变形可分为弯曲线的形状变化和截面各点的位移变化两个方面。
2.1 弯曲线的形状变化当横向力作用于梁上时,梁会呈现出一条弯曲线。
这条弯曲线称为弯曲曲线,弯曲曲线的形状取决于梁的几何形状、材料性质和受力情况。
常见的弯曲曲线形状包括凸曲线和悬臂曲线。
2.2 截面各点的位移变化在梁的弯曲过程中,截面上的各点将发生位移变化。
位移变化可分为纵向位移和横向位移两个方向。
纵向位移是指垂直于弯曲平面的位移,即梁的弯曲垂直方向的变形。
横向位移是指沿弯曲平面的位移,即梁的弯曲平面内的变形。
这些位移变化会导致梁的轴线发生曲率,截面上的各点相对于轴线发生旋转。
3. 内力计算在弯曲过程中,梁内部发生了一系列力的变化,包括弯矩、剪力和轴力。
这些内力是用来描述梁材料内部应力状态的。
内力计算是分析和设计梁结构的重要一步。
3.1 弯矩弯矩是梁内部发生的一对等大反向的力矩。
在弯曲力学中,弯矩是描述梁抵抗弯曲变形的重要参数。
弯矩的大小和分布取决于梁的几何形状、材料性质和受力情况。
3.2 剪力剪力是梁内部横向力的一种表现形式。
在弯曲力学梁中,剪力是垂直于梁轴线的力,用来描述梁材料负责承受横向力的能力。
3.3 轴力轴力是梁内部沿轴线方向的力。
当梁受到纵向拉力或压力时,轴力将发生变化。
轴力的大小和分布取决于梁的受力情况。
4. 弯曲梁的弯曲变形和内力计算方法在实际工程中,我们可以通过解析法或数值计算法来计算弯曲梁的弯曲变形和内力。
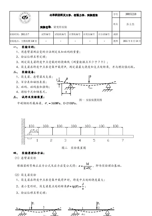
北京航空航天大学、材料力学、实验报告实验名称:梁变形实验学号 39051210姓名 齐士杰实验时间:2011.3.7 试件编号试验机编号 计算机编号 应变仪编号百分表编号成绩实验地点:主楼南翼116室- - - - -教师2011年3月14日一、 实验目的:1、用悬臂梁测应变的方法测定未知砝码的重量;2、验证位移互等定理;3、测定简支梁跨度中点受载时的挠曲线(测量数据点不少于7个);4、简支梁在跨度中点承受集中载荷P ,测定梁最大挠度和支点处转角,并与理论值比较。
二、 实验设备:1、简支梁、悬臂梁及支座;2、百分表和磁性表座;3、砝码、砝码盘和挂钩;4、游标卡尺和钢卷尺。
三、 试件及实验装置:中碳钢矩形截面梁,=s σ360MPa ,E=210GPa 。
图二 实验装置图 四、 实验原理和方法: (1)悬臂梁实验根据梁的弯曲正应力公式及应力应变公式得:ZW E M∙=ε,即为实验理论基础。
(2)简支梁实验1、简支梁在跨度中点承受集中载荷P 时,跨度中点处的挠度最大;2、梁小变形时,简支梁某点处的转角atg δθθ=≈)(;3、验证位移互等定理:θf maxP图一 实验装置简图δaF 112∆12F 2 1 2对于线弹性体,F 1在F 2引起的位移∆12上所作之功,等于F 2在F 1引起的 位移∆21上所作之功,即:212121∆⋅=∆⋅F F (1)若F 1=F 2,则有:2112∆=∆ (2)上式说明:当F 1与F 2数值相等时,F 2在点1沿F 1方向引起的位移∆12,等于F 1在点2沿F 2方向引起的位移∆21。
此定理称为位移互等定理。
五、实验数据及处理: (1)悬臂梁实验:B=12.78mm H=6.79mm G=210Gpa g=9.8m/s 2公式gLEW m zε=计算如下表:编号 1 2 3 4 5 6 ε(10-6) 19 51 83 116 145 179 L(mm) 65.6 165.6 265.6 365.6 465.6 565.6 m(g) 300.93323.57 329.16 323.98 333.14334.07m 平均(g)319.7称量得知,位置砝码重量310g ,计算的相对误差3.1%(2)简支梁实验图三 位移互等定理示意图B=20.10mm H=9.00mm G=210Gpa g=9.8m/s 2(a )验证位移互等定理加载位置 测量位置 加载重量(kg ) 百分表读数中点 81.531.6 8 中点 31.2 1 中点1.516.4 中点 418.0进行了2组加载和测量,基本符合位移互等定理的内容。
混凝土梁的变形限值标准一、引言混凝土结构中的梁承担着承载重量的重要任务,因此梁的设计和施工非常重要。
在设计和施工过程中,需要考虑梁的变形限值,以保证梁在使用过程中的安全性和稳定性。
本文将就混凝土梁的变形限值标准进行详细的探讨。
二、混凝土梁的变形限值概述混凝土梁在使用过程中会受到外力的作用,从而产生一定的变形。
梁的变形限值是指在使用寿命内,由于荷载、温度、收缩等因素引起的变形应不超过某一规定值。
混凝土梁的变形限值不仅与设计荷载有关,还与混凝土强度等因素相关。
因此,在设计和施工过程中需要注意混凝土梁的变形限值。
三、混凝土梁的变形限值计算方法混凝土梁的变形限值计算方法包括两种,一种是基于荷载,一种是基于混凝土强度。
具体方法如下:1. 基于荷载的计算方法在设计荷载已知的情况下,混凝土梁的变形限值可以通过以下公式计算:Δmax = L/250其中,Δmax为混凝土梁允许的最大变形量,L为梁的跨度。
2. 基于混凝土强度的计算方法在混凝土强度已知的情况下,混凝土梁的变形限值可以通过以下公式计算:Δmax = k1·k2·h/500其中,k1和k2为系数,h为梁的截面高度。
四、混凝土梁的变形限值标准混凝土梁的变形限值标准是指在设计和施工过程中,混凝土梁的变形限值应该满足的规定要求。
目前,国内外都有相应的标准规范,主要包括以下几个方面:1. 混凝土梁的变形限值应不大于设计荷载产生的变形限值。
2. 混凝土梁的变形限值应不大于混凝土强度规定的变形限值。
3. 混凝土梁的变形限值应符合国家和地方相关标准规范的要求。
具体来说,国内混凝土结构设计规范《GB 50010-2010》规定,混凝土梁的变形限值应满足以下要求:1. 对于常规混凝土梁,其变形限值应不大于设计荷载产生的变形限值。
2. 对于高强混凝土梁,其变形限值应不大于混凝土强度规定的变形限值,一般为1/400 ~ 1/500。
3. 对于预应力混凝土梁,其变形限值应不大于设计荷载产生的变形限值和预应力损失的变形限值之和。