600×1600大梁侧模板计算
- 格式:rtf
- 大小:276.34 KB
- 文档页数:7
梁侧模板计算书计算依据:1、《混凝土结构工程施工规范》GB50666-20112、《混凝土结构设计规范》GB50010-20103、《建筑结构荷载规范》GB 50009-20124、《钢结构设计规范》GB 50017-2003一、工程属性承04k c4k1×[1.35×0.9×34.213+1.4×0.9×2]=44.089kN/m2左上翻部分:承载能力极限状态设计值S承=γ0[1.35×0.9×G4k+1.4×φc Q4k]=1×[1.35×0.9×34.213+1.4×0.9×2]=44.089kN/m2下挂部分:正常使用极限状态设计值S正=G4k=34.213 kN/m2左上翻部分:正常使用极限状态设计值S正=G4k=34.213 kN/m2 三、支撑体系设计左侧支撑表:模板设计剖面图四、面板验算梁截面宽度取单位长度,b=1000mm。
W=bh2/6=1000×152/6=37500mm3,I=bh3/12=1000×153/12=281250mm4。
面板计算简图如下:1、抗弯验算q1=bS承=1×44.089=44.089kN/mq1静=γ0×1.35×0.9×G4k×b=1×1.35×0.9×34.213×1=41.569kN/mq1活=γ0×1.4×φc×Q4k×b=1×1.4×0.9×2×1=2.52kN/mM max=0.125q1L2=0.125×q1×0.32=0.496kN·mσ=M max/W=0.496×106/37500=13.227N/mm2≤[f]=15N/mm2满足要求!2、挠度验算q=bS正=1×34.213=34.213kN/mνmax=0.521qL4/(100EI)=0.521×34.213×3004/(100×10000×281250)=0.513mm≤300/400=0.75mm满足要求!3、最大支座反力计算承载能力极限状态R左下挂max=1.25×q1×l左=1.25×44.089×0.3=16.533kN正常使用极限状态R'左下挂max=1.25×l左×q=1.25×0.3×34.213=12.83kN2、右下挂侧模梁截面宽度取单位长度,b=1000mm。
0.6m×1.6m梁模板计算书一、工程参数二、 新浇砼对模板侧压力标准值计算依据《砼结构工程施工规范GB50666-2011》,浇筑速度大于10m/h ,或砼坍落度大于180mm 时,新浇筑砼对模板的侧压力标准值,按下列公式计算:H F c γ==24×1.6=38.4 kN/m 2其中 γc -- 混凝土的重力密度,取24kN/m 3;H -- 混凝土侧压力计算位置处至新浇混凝土顶面总高度,取1.6m ;三、 梁侧模板面板验算面板采用木胶合板,厚度为12mm ,验算跨中最不利抗弯强度和挠度。
计算宽度取1000mm 。
面板的截面抵抗矩W= 1000×12×12/6=24000mm 3; 截面惯性矩I= 1000×12×12×12/12=144000mm 4; (一)强度验算1、面板按三跨连续板计算,其计算跨度取支承面板的次楞间距,L=0.20m 。
2、荷载计算新浇筑混凝土对模板的侧压力标准值G4k=38.4kN/m2,砼下料产生的水平荷载标准值Q2K=2kN/m2。
均布线荷载设计值为:q1=(1.2×38.4+1.4×2)×1=48.88KN/mq2=(1.35×38.4+1.4×0.7×2)×1=53.8KN/m取较大值q=53.8KN/m作为设计依据。
3、强度验算施工荷载为均布线荷载:M 1=0.1q1l2=0.1×53.8×0.202=0.22kN·m面板抗弯强度设计值f=15N/mm2;σ= Mmax=0.22×106=9.17N/mm2 < f=15N/mm2 W 24000面板强度满足要求!(二)挠度验算q = 1×38.4=38.4kN/m;面板最大容许挠度值: 200/400=0.5mm;面板弹性模量: E = 7000N/mm2;ν= 0.677ql4=0.677×38.400×2004=0.41mm < 0.5mm 100EI 100×7000×144000满足要求!四、梁侧模板次楞验算次楞采用40×90mm(宽度×高度)方木,间距:0.2m,截面抵抗矩W和截面惯性矩I分别为:截面抵抗矩W =40×90×90/6=54000mm3;截面惯性矩I =40×90×90×90/12=2430000mm4;(一)强度验算1、次楞承受面板传递的荷载,按均布荷载作用下三跨连续梁计算,其计算跨度取主楞间距,L=0.5m。
梁、木模板、侧模设计计算(荷载及荷载组合)1. 荷载计算模板及其支架的荷载,分为荷载标准值和荷载设计值,后者应以荷载标准值乘以相应的荷载分项系数。
1)荷载标准值hH F(2)振捣混凝土时产生的水平荷载标准值可按下表采用:2振捣混凝土时产生的水平荷载标准值确定值为22)荷载设计值(1) 计算模板及其支架的荷载设计值,应为荷载标准值乘以相应的荷载分项系数:(2)模板工程属临时性工程。
由于我国目前还没有临时性工程的设计规范,所以只能按正式结构设计规范执行。
a. 对钢模板及其支架设计,其荷载设计值可乘以0.85系数予以折减,但其截面塑性发展系数取1.0。
b. 采用冷弯薄壁型钢材,由于原规范对钢材容许应力值不予提高,因此荷载设计值也不予折减,系数为1.0。
c. 对木模板及其支架的设计,当木材含水率小于25%时,其荷载设计值可乘以0.9系数予以折减。
d. 在风荷载 作用下,0.8系数予以折减。
2. 荷载组合1)荷载类别及编号名称类别编号荷载值(kN/m 2)振捣混凝土时产生的荷载活载(5) 5.60 新浇筑混凝土对模板侧面的压力恒载(6)86.40 2)荷载组合项次项目荷载组合(kN/m 2)承载力验算荷载刚度验算荷载1梁侧面模板(5)+(6)92.00 (6)86.40 侧压力计算分布图:其中:h 为有效压头高度h =F /γc (m )梁、木模板、侧模设计计算说明:本程序中包含了梁侧模板所有计算参数,您无需查阅规范和相关手册,就能进行计算,您对哪个参数不清楚时,点击红色方框,系统会自动弹出提示对话框,当计算结果不能满足要求时,您可以重新修改设计参数,直到满足要求为止。
横木肋的截面特征值木模板的截面特征值肋宽肋高截面模量W惯性矩I板厚截面模量W惯性矩 I弹性模量Ecm cm cm3cm4cm cm3cm4N/mm210541.67 104.2 1.522.50 16.9 9000参数名称符号单位设计参数参数名称符号单位设计参数板面均布恒载加活载q kN/m48.79 木肋均布恒载加活载q kN/m16.26 刚度验算荷载q kN/m37.86 刚度验算荷载q kN/m12.62 横向内木肋间距a m0.20 螺杆水平间距x m0.60 外主肋间距L m0.60 螺杆竖向间距y m0.6030001. 木模板面计算:σmax=kN/mm2<0.0150 kN/mm2满足ωmax=mm<0.50 mm满足2. 内木肋计算:σmax=kN/mm2<0.0150 kN/mm2满足ωmax=mm< 1.50 mm满足3. 螺杆直径计算: D =mm4. 外肋计算:主肋按3σmax=0.138 kN/mm2<0.2050 kN/mm2满足ωmax=0.661 mm< 1.50 mm满足。
梁侧模板计算书一、梁侧模板基本参数计算断面宽度600mm ,高度1000mm ,两侧楼板厚度350mm 。
模板面板采用普通胶合板。
内龙骨布置4道,内龙骨采用45×90mm 木方。
外龙骨间距500mm ,外龙骨采用双钢管48mm ×3.0mm 。
对拉螺栓布置2道,在断面内水平间距200+300mm ,断面跨度方向间距500mm ,直径14mm 。
面板厚度18mm ,剪切强度1.4N/mm 2,抗弯强度15.0N/mm 2,弹性模量9000.0N/mm 2。
木方剪切强度1.3N/mm 2,抗弯强度13.0N/mm 2,弹性模量9000.0N/mm 2。
2022022********1000m m600mm模板组装示意图二、梁侧模板荷载标准值计算强度验算要考虑新浇混凝土侧压力和倾倒混凝土时产生的荷载设计值;挠度验算只考虑新浇混凝土侧压力产生荷载标准值。
新浇混凝土侧压力计算公式为下式中的较小值:其中 c —— 混凝土的重力密度,取24.000kN/m 3; t —— 新浇混凝土的初凝时间,为0时(表示无资料)取200/(T+15),取5.714h ;T —— 混凝土的入模温度,取20.000℃; V —— 混凝土的浇筑速度,取2.500m/h ;H —— 混凝土侧压力计算位置处至新浇混凝土顶面总高度,取1.000m ;1—— 外加剂影响修正系数,取1.200; 2—— 混凝土坍落度影响修正系数,取1.150。
根据公式计算的新浇混凝土侧压力标准值 F1=24.000kN/m 2考虑结构的重要性系数0.9,实际计算中采用新浇混凝土侧压力标准值 F1=0.9×24.000=21.600kN/m 2考虑结构的重要性系数0.9,倒混凝土时产生的荷载标准值 F2=0.9×4.000=3.600kN/m 2。
三、梁侧模板面板的计算面板为受弯结构,需要验算其抗弯强度和刚度。
模板面板的按照简支梁计算。
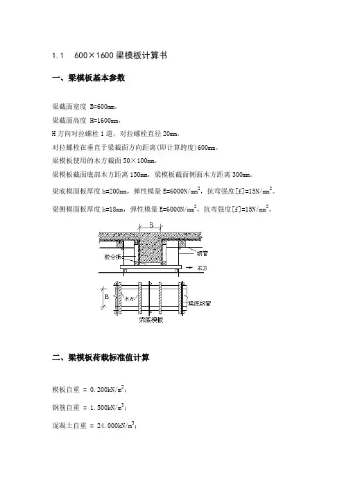
1.1 600×1600梁模板计算书一、梁模板基本参数梁截面宽度 B=600mm,梁截面高度 H=1600mm,H方向对拉螺栓1道,对拉螺栓直径20mm,对拉螺栓在垂直于梁截面方向距离(即计算跨度)600mm。
梁模板使用的木方截面50×100mm,梁模板截面底部木方距离150mm,梁模板截面侧面木方距离300mm。
梁底模面板厚度h=200mm,弹性模量E=6000N/mm2,抗弯强度[f]=15N/mm2。
梁侧模面板厚度h=18mm,弹性模量E=6000N/mm2,抗弯强度[f]=15N/mm2。
二、梁模板荷载标准值计算模板自重 = 0.200kN/m2;钢筋自重 = 1.500kN/m3;混凝土自重 = 24.000kN/m3;施工荷载标准值 = 2.500kN/m2。
强度验算要考虑新浇混凝土侧压力和倾倒混凝土时产生的荷载设计值;挠度验算只考虑新浇混凝土侧压力产生荷载标准值。
当浇筑速度大于10m/h或坍落度大于180mm时,新浇混凝土侧压力按公式2计算;其他情况按两个公式计算,取较小值:其中γc——混凝土的重力密度,取24.000kN/m3;t ——新浇混凝土的初凝时间,为0时(表示无资料)取200/(T+15),取5.714h;T ——混凝土的入模温度,取20.000℃;V ——混凝土的浇筑速度,取2.500m/h;H ——混凝土侧压力计算位置处至新浇混凝土顶面总高度,取1.200m;β——混凝土坍落度影响修正系数,取0.850。
根据公式计算的新浇混凝土侧压力标准值 F1=28.800kN/m2考虑结构的重要性系数0.90,实际计算中采用新浇混凝土侧压力标准值: F1=0.90×28.800=25.920kN/m2考虑结构的重要性系数0.90,倒混凝土时产生的荷载标准值:F2=0.90×6.000=5.400kN/m2。
三、梁模板底模计算本算例中,截面惯性矩I和截面抵抗矩W分别为:截面抵抗矩 W = 2000.00cm3;截面惯性矩 I = 20000.00cm4;梁底模板面板按照三跨度连续梁计算,计算简图如下梁底模面板计算简图1.抗弯强度计算抗弯强度计算公式要求: f = M/W < [f]其中 f —— 梁底模板的抗弯强度计算值(N/mm 2);M —— 计算的最大弯矩 (kN.m);q —— 作用在梁底模板的均布荷载(kN/m);q=0.9×1.2×(0.20×0.30+24.00×0.30×1.40+1.50×0.30×1.40) + 0.9×1.40×2.50×0.30=12.58kN/m最大弯矩计算公式如下:M=-0.10×12.577×0.1502=-0.028kN.mf=0.028×106/2000000.0=0.014N/mm 2梁底模面板抗弯计算强度小于15.00N/mm 2,满足要求!2.抗剪计算最大剪力的计算公式如下:Q = 0.6ql截面抗剪强度必须满足:T = 3Q/2bh < [T]其中最大剪力 Q=0.6×0.150×12.577=1.132kN截面抗剪强度计算值 T=3×1132/(2×300×200)=0.028N/mm 2截面抗剪强度设计值 [T]=1.40N/mm 2面板的抗剪强度计算满足要求!12.58kN/mA3.挠度计算最大挠度计算公式如下:其中q = 0.9×(0.20×0.30+24.00×0.30×1.40+1.50×0.30×1.40)=9.693N/mm三跨连续梁均布荷载作用下的最大挠度v=0.677ql4/100EI=0.677×9.693×150.04/(100×6000.00×200000000.0)=0.0 00mm梁底模板的挠度计算值: v = 0.000mm,小于 [v] = 150/250,满足要求!四、梁模板底木方计算梁底木方的计算在脚手架梁底支撑计算中已经包含!五、梁模板侧模计算面板直接承受模板传递的荷载,应该按照均布荷载下的连续梁计算,计算如下作用在梁侧模板的均布荷载q=(1.2×25.92+1.50×5.40)×1.40=54.130N/mm面板的截面惯性矩I和截面抵抗矩W分别为:本算例中,截面惯性矩I和截面抵抗矩W分别为:截面抵抗矩 W = 75.60cm3;截面惯性矩 I = 68.04cm4;(1)抗弯强度计算f = M / W < [f]其中 f ——面板的抗弯强度计算值(N/mm2);M ——面板的最大弯距(N.mm);W ——面板的净截面抵抗矩;[f] ——面板的抗弯强度设计值,取15.00N/mm2;M = 0.100ql2其中 q ——荷载设计值(kN/m);经计算得到M = 0.100×(1.20×36.288+1.40×7.560)×0.300×0.300=0.487kN.m经计算得到面板抗弯强度计算值 f = 0.487×1000×1000/75600=6.444N/mm2面板的抗弯强度验算 f < [f],满足要求!(2)抗剪计算T = 3Q/2bh < [T]其中最大剪力Q=0.600×(1.20×36.288+1.40×7.560)×0.300=9.743kN 截面抗剪强度计算值T=3×9743.0/(2×1400.000×18.000)=0.580N/mm2截面抗剪强度设计值 [T]=1.40N/mm2面板抗剪强度验算 T < [T],满足要求!(3)挠度计算v = 0.677ql4 / 100EI < [v] = l / 250面板最大挠度计算值v = 0.677×36.288×3004/(100×6000×680400)=0.487mm 面板的最大挠度小于300.0/250,满足要求!六、穿梁螺栓计算计算公式:N < [N] = fA其中 N ——穿梁螺栓所受的拉力;A ——穿梁螺栓有效面积 (mm2);f ——穿梁螺栓的抗拉强度设计值,取170N/mm2;穿梁螺栓承受最大拉力N = (1.2×25.92+1.40×5.40)×1.40×0.60/1=32.48kN穿梁螺栓直径为20mm;穿梁螺栓有效直径为16.9mm;穿梁螺栓有效面积为 A=225.000mm2;穿梁螺栓最大容许拉力值为 [N]=38.250kN;穿梁螺栓承受拉力最大值为 N=32.478kN;穿梁螺栓的布置距离为侧龙骨的计算间距600mm。
梁侧模板计算书计算依据:1、《建筑施工模板安全技术规范》JGJ162-20082、《混凝土结构设计规范》GB50010-20103、《建筑结构荷载规范》GB 50009-20124、《钢结构设计标准》GB 50017-2017一、工程属性承4k2k 1.35G4k+1.4×0.7Q2k]=0.9max[1.2×14.4+1.4×4,1.35×14.4+1.4×0.7×4]=0.9max[22.88,23.36]=0.9×23.36=21.024kN/m2下挂部分:正常使用极限状态设计值S正=G4k=14.4 kN/m2三、支撑体系设计左侧支撑表:模板设计剖面图四、模板验算模板类型覆面木胶合板模板厚度(mm) 15模板抗弯强度设计值[f](N/mm2) 15 模板抗剪强度设计值[τ](N/mm2) 1.4模板弹性模量E(N/mm2) 6000梁截面宽度取单位长度,b=1000mm。
W=bh2/6=1000×152/6=37500mm3,I=bh3/12=1000×153/12=281250mm4。
模板计算简图如下:1、抗弯验算q1=bS承=1×21.024=21.024kN/mq1静=0.9×1.35×G4k×b=0.9×1.35×14.4×1=17.496kN/mq1活=0.9×1.4 × 0.7×Q2k×b=0.9×1.4 × 0.7×4×1=3.528kN/mM max=0.107q1静L2+0.121q1活L2=0.107×17.496×0.0952+0.121×3.528×0.0952=0.021kN·mσ=M max/W=0.021×106/37500=0.553N/mm2≤[f]=15N/mm2满足要求!2、挠度验算q=bS正=1×14.4=14.4kN/mνmax=0.632qL4/(100EI)=0.632×14.4×954/(100×6000×281250)=0.004mm≤95/250=0.38mm满足要求!3、最大支座反力计算承载能力极限状态R下挂max=1.143×q1静×l左+1.223×q1活×l左=1.143×17.496×0.095+1.223×3.528×0.095=2.31kN正常使用极限状态R'下挂max=1.143×l左×q=1.143×0.095×14.4=1.564kN五、次楞验算次楞最大悬挑长度(mm) 250 次楞计算方式三等跨连续梁次楞类型方木次楞截面类型(mm) 40×80次楞弹性模量E(N/mm2) 8415 次楞抗剪强度设计值[τ](N/mm2) 1.663次楞截面抵抗矩W(cm3) 42.667 次楞抗弯强度设计值[f](N/mm2) 15.444次楞截面惯性矩I(cm4) 170.667计算简图如下:跨中段计算简图悬挑段计算简图1、抗弯验算q=2.31kN/mM max=max[0.1×q×l2,0.5×q×l12]=max[0.1×2.31×0.52,0.5×2.31×0.252]=0.072kN·m σ=M max/W=0.072×106/42667=1.692N/mm2≤[f]=15.444N/mm2满足要求!2、抗剪验算V max=max[0.6×q×l,q×l1]=max[0.6×2.31×0.5,2.31×0.25]=0.693kNτmax=3V max/(2bh0)=3×0.693×1000/(2×40×80)=0.325N/mm2≤[τ]=1.663N/mm2满足要求!3、挠度验算q=1.564kN/mν1max=0.677qL4/(100EI)=0.677×1.564×5004/(100×8415×1706670)=0.046mm≤500/250=2mmν2max=qL4/(8EI)=1.564×2504/(8×8415×1706670)=0.053mm≤250/250=1mm满足要求!4、最大支座反力计算承载能力极限状态R下挂max=max[1.1×2.31×0.5,0.4×2.31×0.5+2.31×0.25]=1.27kN正常使用极限状态R'下挂max=max[1.1×1.564×0.5,0.4×1.564×0.5+1.564×0.25]=0.86kN六、主楞验算因主楞2根合并,验算时主楞受力不均匀系数为0.6。
大梁侧模板计算书一、梁侧模板基本参数梁模板的背部支撑由两层龙骨(木楞或钢楞)组成,直接支撑模板的龙骨为次龙骨,即内龙骨;用以支撑内层龙骨为外龙骨,即外龙骨组装成梁侧模板时,通过穿梁螺栓将梁体两侧模板拉结,每个穿梁螺栓成为外龙骨的支点。
模板面板厚度h=18mm,弹性模量E=6000N/mm2,抗弯强度[f]=15N/mm2。
内楞采用方木,截面50×100mm,每道内楞1根方木,间距150mm。
外楞采用方木,截面50×100mm,每道外楞2根方木,间距400mm。
穿梁螺栓水平距离400mm,穿梁螺栓竖向距离450mm,直径20mm。
梁侧模板组装示意图二、梁侧模板荷载标准值计算强度验算要考虑新浇混凝土侧压力和倾倒混凝土时产生的荷载;挠度验算只考虑新浇混凝土侧压力。
新浇混凝土侧压力计算公式为下式中的较小值:其中—— 混凝土的重力密度,取24.000kN/m 3;t —— 新浇混凝土的初凝时间,为0时(表示无资料)取200/(T+15),取1.000h ; T —— 混凝土的入模温度,取35.000℃;V —— 混凝土的浇筑速度,取2.500m/h ;H —— 混凝土侧压力计算位置处至新浇混凝土顶面总高度,取0.500m ; 1—— 外加剂影响修正系数,取1.000;2—— 混凝土坍落度影响修正系数,取0.850。
根据公式计算的新浇混凝土侧压力标准值 F1=7.090kN/m 2实际计算中采用新浇混凝土侧压力标准值 F1=7.100kN/m 2倒混凝土时产生的荷载标准值 F2= 4.000kN/m 2。
三、梁侧模板面板的计算面板为受弯结构,需要验算其抗弯强度和刚度。
计算的原则是按照龙骨的间距和模板面的大小, 按支撑在内楞上的三跨连续梁计算。
面板计算简图1.抗弯强度计算f = M/W < [f]其中 f —— 面板的抗弯强度计算值(N/mm 2);M —— 面板的最大弯距(N.mm);W —— 面板的净截面抵抗矩,W = 40.00×1.80×1.80/6=21.60cm 3;[f] —— 面板的抗弯强度设计值(N/mm 2)。
梁木模板与支撑计算书一、梁模板基本参数梁截面宽度 B=600mm,梁截面高度 H=600mm,H方向对拉螺栓1道,对拉螺栓直径12mm,对拉螺栓在垂直于梁截面方向距离(即计算跨度)500mm。
梁模板使用的木方截面50×80mm,梁模板截面底部木方距离150mm,梁模板截面侧面木方距离300mm。
梁底模面板厚度h=18mm,弹性模量E=6000N/mm2,抗弯强度[f]=15N/mm2。
梁侧模面板厚度h=18mm,弹性模量E=6000N/mm2,抗弯强度[f]=15N/mm2。
二、梁模板荷载标准值计算模板自重 = 0.340kN/m2;钢筋自重 = 1.500kN/m3;混凝土自重 = 24.000kN/m3;施工荷载标准值 = 2.500kN/m2。
强度验算要考虑新浇混凝土侧压力和倾倒混凝土时产生的荷载设计值;挠度验算只考虑新浇混凝土侧压力产生荷载标准值。
新浇混凝土侧压力计算公式为下式中的较小值:其中c——混凝土的重力密度,取24.000kN/m3;t ——新浇混凝土的初凝时间,为0时(表示无资料)取200/(T+15),取5.714h; T ——混凝土的入模温度,取20.000℃;V ——混凝土的浇筑速度,取2.500m/h;H ——混凝土侧压力计算位置处至新浇混凝土顶面总高度,取1.200m;1——外加剂影响修正系数,取1.000;2—— 混凝土坍落度影响修正系数,取0.850。
根据公式计算的新浇混凝土侧压力标准值 F1=28.800kN/m 2考虑结构的重要性系数0.9,实际计算中采用新浇混凝土侧压力标准值 F1=0.9×28.800=25.920kN/m 2考虑结构的重要性系数0.9,倒混凝土时产生的荷载标准值 F2=0.9×6.000=5.400kN/m 2。
三、梁模板底模计算本算例中,截面惯性矩I 和截面抵抗矩W 分别为:W = 60.00×1.80×1.80/6 = 32.40cm 3;I = 60.00×1.80×1.80×1.80/12 = 29.16cm 4;梁底模板面板按照三跨度连续梁计算,计算简图如下12.02kN/mA 梁底模面板计算简图1.抗弯强度计算抗弯强度计算公式要求: f = M/W < [f]其中 f —— 梁底模板的抗弯强度计算值(N/mm2);M —— 计算的最大弯矩 (kN.m);q —— 作用在梁底模板的均布荷载(kN/m);q=0.9×1.2×[0.34×0.60+24.00×0.60×0.60+1.50×0.60×0.60]+1.40×2.50×0.60=12.03kN/m最大弯矩计算公式如下:M=-0.10×12.025×0.1502=-0.027kN.mf=0.027×106/32400.0=0.835N/mm 2梁底模面板抗弯计算强度小于15.00N/mm 2,满足要求!2.抗剪计算最大剪力的计算公式如下:Q = 0.6ql截面抗剪强度必须满足:T = 3Q/2bh < [T]其中最大剪力 Q=0.6×0.150×12.025=1.082kN截面抗剪强度计算值 T=3×1082/(2×600×18)=0.150N/mm 2截面抗剪强度设计值 [T]=1.40N/mm 2面板的抗剪强度计算满足要求!3.挠度计算最大挠度计算公式如下:其中 q = 0.9×(0.34×0.60+24.00×0.60×0.60+1.50×0.60×0.60)=8.446N/mm三跨连续梁均布荷载作用下的最大挠度v = 0.677×8.446×150.04/(100×6000.00×291600.0)=0.017mm梁底模板的挠度计算值: v = 0.017mm小于 [v] = 150/250,满足要求!四、梁模板底木方计算梁底木方的计算在脚手架梁底支撑计算中已经包含!五、梁模板侧模计算面板直接承受模板传递的荷载,应该按照均布荷载下的连续梁计算,计算如下作用在梁侧模板的均布荷载q=(1.2×25.92+1.40×5.40)×0.60=23.198N/mm面板的截面惯性矩I和截面抵抗矩W分别为:本算例中,截面惯性矩I和截面抵抗矩W分别为:W = 60.00×1.80×1.80/6 = 32.40cm3;I = 60.00×1.80×1.80×1.80/12 = 29.16cm4;(1)抗弯强度计算f = M / W < [f]其中 f ——面板的抗弯强度计算值(N/mm2);M ——面板的最大弯距(N.mm);W ——面板的净截面抵抗矩;[f] ——面板的抗弯强度设计值,取15.00N/mm2;M = 0.100ql2其中 q ——荷载设计值(kN/m);经计算得到 M = 0.100×(1.20×15.552+1.40×3.240)×0.300×0.300=0.209kN.m 经计算得到面板抗弯强度计算值 f = 0.209×1000×1000/32400=6.444N/mm2面板的抗弯强度验算 f < [f],满足要求!(2)抗剪计算 [可以不计算]T = 3Q/2bh < [T]其中最大剪力 Q=0.600×(1.20×15.552+1.4×3.240)×0.300=4.176kN截面抗剪强度计算值 T=3×4176.0/(2×600.000×18.000)=0.580N/mm2截面抗剪强度设计值 [T]=1.40N/mm2抗剪强度验算 T < [T],满足要求!(3)挠度计算v = 0.677ql4 / 100EI < [v] = l / 250面板最大挠度计算值 v = 0.677×15.552×3004/(100×6000×291600)=0.487mm面板的最大挠度小于300.0/250,满足要求!六、穿梁螺栓计算计算公式:N < [N] = fA其中 N ——穿梁螺栓所受的拉力;A ——穿梁螺栓有效面积 (mm2);f ——穿梁螺栓的抗拉强度设计值,取170N/mm2;穿梁螺栓承受最大拉力 N = (1.2×25.92+1.40×5.40)×0.60×0.50/1=11.60kN穿梁螺栓直径为12mm;穿梁螺栓有效直径为9.9mm;穿梁螺栓有效面积为 A=76.000mm2;穿梁螺栓最大容许拉力值为 [N]=12.920kN;穿梁螺栓承受拉力最大值为 N=11.599kN;穿梁螺栓的布置距离为侧龙骨的计算间距500mm。
梁模板侧模计算梁侧模板按照三跨连续梁计算,计算简图如下:1、强度计算作用在梁侧模板的均布荷载:q=(1.2×11.22+1.4×4)×1100=20.97(kN/m) 2、抗弯强度计算最大弯矩计算:其中:l 取梁侧立档间距,取l=0.4(m)经计算得到:M=-0.10×20.97×0.4^2=-0.34(kN.m)梁侧模板的强度计算值:其中: W 截面抵抗矩W = 41.25 cm3经计算得到:f=0.34×1000÷41.25=8.24(N/mm2)梁侧模板的抗弯强度设计值;[f]=15(N/mm2)梁侧模板的强度计算值小于梁侧模板的强度设计值;故满足要求!3、抗剪计算最大剪力的计算公式如下:其中:l 梁侧立档间距;取l=0.4(m)经计算得到最大剪力Q=0.6×20.97×0.4=5.03(kN)截面抗剪强度计算值:其中:b 取梁截面高度;取b=1100(mm);h 取梁侧面板厚度;取h=15(mm)经计算得到:T=3×(5.03×1000)÷(2×1100×15)=0.46(N/mm2)截面抗剪强度设计值,[T]=1.5(N/mm2)截面抗剪强度计算值小于截面抗剪强度设计值;故满足要求!4、挠度计算梁均布荷载q=11.22×(1100÷1000)=12.34(kN/m)最大挠度计算公式如下:其中: l 立档间距;取l=0.4(m)E 面板弹性模量;取E=5000(N/mm2)I 截面的惯性矩I = 30.94 cm4经计算得到:v=0.677×12.34×(0.4×1000)^4÷(100×5000×30.94×10000)=1.38(mm) [v] 梁侧模板的允许挠度:[v]=0.4×1000÷250=1.6(mm).梁侧模板的挠度计算值小于梁侧模板的挠度设计值;故满足要求!。
梁侧模板计算书一、梁侧模板基本参数计算断面宽度600mm,高度1600mm,两侧楼板厚度120mm。
模板面板采用普通胶合板。
内龙骨布置6道,内龙骨采用60×90mm木方。
外龙骨间距300mm,外龙骨采用双钢管48mm×3.5mm。
对拉螺栓布置3道,在断面内水平间距400+400+400mm,断面跨度方向间距300mm,直径20mm。
面板厚度15mm,剪切强度1.4N/mm2,抗弯强度15.0N/mm2,弹性模量6000.0N/mm4。
木方剪切强度1.3N/mm2,抗弯强度13.0N/mm2,弹性模量9000.0N/mm4。
28428428428428416mm模板组装示意图二、梁侧模板荷载标准值计算强度验算要考虑新浇混凝土侧压力和倾倒混凝土时产生的荷载设计值;挠度验算只考虑新浇混凝土侧压力产生荷载标准值。
新浇混凝土侧压力计算公式为下式中的较小值:其中c —— 混凝土的重力密度,取24.000kN/m 3;t —— 新浇混凝土的初凝时间,为0时(表示无资料)取200/(T+15),取5.714h ;T —— 混凝土的入模温度,取20.000℃; V —— 混凝土的浇筑速度,取2.500m/h ;H —— 混凝土侧压力计算位置处至新浇混凝土顶面总高度,取1.600m ;1—— 外加剂影响修正系数,取1.000;2—— 混凝土坍落度影响修正系数,取1.200。
根据公式计算的新浇混凝土侧压力标准值 F1=38.400kN/m 2 考虑结构的重要性系数0.9,实际计算中采用新浇混凝土侧压力标准值 F1=0.9×38.000=34.200kN/m 2考虑结构的重要性系数0.9,倒混凝土时产生的荷载标准值 F2=0.9×4.000=3.600kN/m 2。
三、梁侧模板面板的计算面板为受弯结构,需要验算其抗弯强度和刚度。
模板面板的按照简支梁计算。
面板的计算宽度取0.28m 。
梁模板(扣件钢管架)600x1500计算书高支撑架的计算依据《建筑施工扣件式钢管脚手架安全技术规范》(JGJ130-2010)、《建筑施工模板安全技术规范》(JGJ 162-2008)、《混凝土结构设计规范》GB50010-2011、《建筑结构荷载规范》(GB 50009-2012)、《钢结构设计规范》(GB 50017-2003)等规范编制。
因本工程梁支架高度大于4米,根据有关文献建议,如果仅按规范计算,架体安全性仍不能得到完全保证。
为此计算中还参考了《施工技术》2002(3):《扣件式钢管模板高支撑架设计和使用安全》中的部分内容。
梁段:KXL05。
一、参数信息1.模板支撑及构造参数梁截面宽度B(m):0.60;梁截面高度D(m):1.50;混凝土板厚度(mm):180.00;立杆沿梁跨度方向间距L a(m):0.60;立杆上端伸出至模板支撑点长度a(m):0.10;立杆步距h(m):1.20;板底承重立杆横向间距或排距L b(m):1.50;梁支撑架搭设高度H(m):5.40;梁两侧立杆间距(m):0.80;承重架支撑形式:梁底支撑小楞垂直梁截面方向;梁底增加承重立杆根数:1;采用的钢管类型为Φ48×3.5;立杆承重连接方式:可调托座;2.荷载参数新浇混凝土重力密度(kN/m3):24.00;模板自重(kN/m2):0.50;钢筋自重(kN/m3):2.00;施工均布荷载标准值(kN/m2):2.0;新浇混凝土侧压力标准值(kN/m2):17.8;振捣混凝土对梁底模板荷载(kN/m2):2.0;振捣混凝土对梁侧模板荷载(kN/m2):4.0;3.材料参数木材品种:北美落叶松;木材弹性模量E(N/mm2):10000.0;木材抗压强度设计值fc(N/mm):12.0;木材抗弯强度设计值fm(N/mm2):13.0;木材抗剪强度设计值fv(N/mm2):1.5;面板材质:胶合面板;面板厚度(mm):20.00;面板弹性模量E(N/mm2):6000.0;面板抗弯强度设计值fm(N/mm2):18.0;4.梁底模板参数梁底方木截面宽度b(mm):50.0;梁底方木截面高度h(mm):100.0;梁底纵向支撑根数:4;5.梁侧模板参数次楞间距(mm):200;主楞竖向根数:4;穿梁螺栓直径(mm):M16;穿梁螺栓水平间距(mm):400;主楞到梁底距离依次是:30mm,200mm,400mm,600mm;主楞材料:圆钢管;直径(mm):48.00;壁厚(mm):3.50;主楞合并根数:2;次楞材料:木方;宽度(mm):100.00;高度(mm):100.00;次楞合并根数:2;二、梁侧模板荷载计算按《施工手册》,新浇混凝土作用于模板的最大侧压力,按下列公式计算,并取其中的较小值:F=0.22γtβ1β2V1/2F=γH其中γ -- 混凝土的重力密度,取24.000kN/m3;t -- 新浇混凝土的初凝时间,取2.000h;T -- 混凝土的入模温度,取20.000℃;V -- 混凝土的浇筑速度,取1.500m/h;H -- 混凝土侧压力计算位置处至新浇混凝土顶面总高度,取1.500m;β1-- 外加剂影响修正系数,取1.200;β2-- 混凝土坍落度影响修正系数,取1.150。
梁侧模板计算书一、梁模板基本参数梁截面宽度 B=600mm,梁截面高度 H=1700mm,H方向对拉螺栓4道,对拉螺栓直径12mm,对拉螺栓在垂直于梁截面方向距离(即计算跨度)600mm。
梁模板使用的方木截面60×80mm,梁模板截面侧面方木距离200mm。
梁底模面板厚度h=12mm,弹性模量E=6000N/mm2,抗弯强度[f]=15N/mm2。
梁侧模面板厚度h=12mm,弹性模量E=6000N/mm2,抗弯强度[f]=15N/mm2。
二、梁模板荷载标准值计算模板自重 = 0.340kN/m2;钢筋自重 = 2.000kN/m3;混凝土自重 = 24.000kN/m3;施工荷载标准值 = 2.500kN/m2。
强度验算要考虑新浇混凝土侧压力和倾倒混凝土时产生的荷载;挠度验算只考虑新浇混凝土侧压力。
新浇混凝土侧压力计算公式为下式中的较小值:其中——混凝土的重力密度,取24.000kN/m3;t ——新浇混凝土的初凝时间,为0时(表示无资料)取200/(T+15),取2.000h; T ——混凝土的入模温度,取20.000℃;V ——混凝土的浇筑速度,取5.000m/h;H ——混凝土侧压力计算位置处至新浇混凝土顶面总高度,取1.600m;1——外加剂影响修正系数,取1.200;2——混凝土坍落度影响修正系数,取1.150。
根据公式计算的新浇混凝土侧压力标准值 F1=32.580kN/m2实际计算中采用新浇混凝土侧压力标准值 F1=32.590kN/m2倒混凝土时产生的荷载标准值 F2= 6.000kN/m2。
三、梁模板侧模计算梁侧模板按照三跨连续梁计算,计算简图如下200200200 q图梁侧模板计算简图1.强度计算强度计算公式要求: = M/W < [f]其中——梁侧模板的强度计算值(N/mm2);M ——计算的最大弯矩 (kN.m);q ——作用在梁侧模板的均布荷载(N/mm);q=(1.2×32.59+1.4×6.00)×1.70=80.764N/mm最大弯矩计算公式如下:M=-0.10×80.764×0.2002=-0.323kN.m=0.323×106/40800.0=7.918N/mm2梁侧模面板计算强度小于15.00N/mm2,满足要求!2.抗剪计算最大剪力的计算公式如下:Q = 0.6ql截面抗剪强度必须满足:T = 3Q/2bh < [T]其中最大剪力 Q=0.6×0.200×80.764=9.692kN截面抗剪强度计算值 T=3×9692/(2×1700×12)=0.713N/mm2截面抗剪强度设计值 [T]=1.40N/mm2面板的抗剪强度计算满足要求!3.挠度计算最大挠度计算公式如下:其中 q = 32.59×1.70=55.40N/mm三跨连续梁均布荷载作用下的最大挠度v = 0.677×55.403×200.04/(100×6000.00×244800.0)=0.409mm梁侧模板的挠度计算值: v = 0.409mm小于 [v] = 200/250,满足要求!五、穿梁螺栓计算计算公式:N < [N] = fA其中 N ——穿梁螺栓所受的拉力;A ——穿梁螺栓有效面积 (mm2);f ——穿梁螺栓的抗拉强度设计值,取170N/mm2;穿梁螺栓承受最大拉力 N = (1.2×32.59+1.4×6.00)×1.70×0.60/4=12.12kN穿梁螺栓直径为12mm;穿梁螺栓有效直径为9.9mm;穿梁螺栓有效面积为 A=76.000mm2;穿梁螺栓最大容许拉力值为 [N]=12.920kN;穿梁螺栓承受拉力最大值为 N=12.115kN;穿梁螺栓的布置距离为侧龙骨的计算间距600mm。
600×1200梁木模板计算书一、梁模板基本参数梁截面宽度 B=600mm,梁截面高度 H=1200mm,H方向对拉螺栓2道,对拉螺栓直径14mm,对拉螺栓在垂直于梁截面方向距离(即计算跨度)450mm。
梁模板使用的方木截面60×100mm,梁模板截面底部方木距离140mm,梁模板截面侧面方木距离300mm。
梁底模面板厚度h=18mm,弹性模量E=6000N/mm2,抗弯强度[f]=15N/mm2。
梁侧模面板厚度h=18mm,弹性模量E=6000N/mm2,抗弯强度[f]=15N/mm2。
二、梁模板荷载标准值计算模板自重 = 0.340kN/m2;钢筋自重 = 1.500kN/m3;混凝土自重 = 24.000kN/m3;施工荷载标准值 = 2.500kN/m2。
强度验算要考虑新浇混凝土侧压力和倾倒混凝土时产生的荷载;挠度验算只考虑新浇混凝土侧压力。
新浇混凝土侧压力计算公式为下式中的较小值:其中——混凝土的重力密度,取24.000kN/m3;t ——新浇混凝土的初凝时间,为0时(表示无资料)取200/(T+15),取4.000h; T ——混凝土的入模温度,取25.000℃;V ——混凝土的浇筑速度,取2.500m/h;H ——混凝土侧压力计算位置处至新浇混凝土顶面总高度,取1.200m;1——外加剂影响修正系数,取1.200;2——混凝土坍落度影响修正系数,取1.150。
根据公式计算的新浇混凝土侧压力标准值 F1=28.800kN/m2实际计算中采用新浇混凝土侧压力标准值 F1=28.800kN/m2倒混凝土时产生的荷载标准值 F2= 6.000kN/m2。
三、梁模板底模计算本算例中,截面惯性矩I和截面抵抗矩W分别为:W = 60.00×1.80×1.80/6 = 32.40cm3;I = 60.00×1.80×1.80×1.80/12 = 29.16cm4;梁底模板面板按照三跨度连续梁计算,计算简图如下140140140q梁底模面板计算简图1.强度计算强度计算公式要求: = M/W < [f]其中——梁底模板的强度计算值(N/mm2);M ——计算的最大弯矩 (kN.m);q ——作用在梁底模板的均布荷载(kN/m);q=1.2×[0.34×0.60+24.00×0.60×1.20+1.50×0.60×1.20]+1.4×2.50×0.60=24.38kN/m最大弯矩计算公式如下:M=-0.10×24.377×0.1402=-0.048kN.m=0.048×106/32400.0=1.475N/mm2梁底模面板计算强度小于15.00N/mm2,满足要求!2.抗剪计算最大剪力的计算公式如下:Q = 0.6ql截面抗剪强度必须满足:T = 3Q/2bh < [T]其中最大剪力 Q=0.6×0.140×24.377=2.048kN截面抗剪强度计算值 T=3×2048/(2×600×18)=0.284N/mm2截面抗剪强度设计值 [T]=1.40N/mm2面板的抗剪强度计算满足要求!3.挠度计算最大挠度计算公式如下:其中 q = 0.34×0.60+24.00×0.60×1.20+1.50×0.60×1.20=18.564N/mm三跨连续梁均布荷载作用下的最大挠度v = 0.677×18.564×140.04/(100×6000.00×291600.0)=0.028mm梁底模板的挠度计算值: v = 0.028mm小于 [v] = 140/250,满足要求!四、梁模板底方木计算梁底方木的高度 H = 100mm;梁底方木的宽度 B = 60mm;本算例中,截面惯性矩I和截面抵抗矩W分别为:W = 6.00×10.00×10.00/6 = 100.00cm3;I = 6.00×10.00×10.00×10.00/12 = 500.00cm4;梁底方木按照按照集中荷载作用的简支梁计算,计算简图如下图梁底方木计算简图1.强度计算强度计算公式要求: = M/W < [f]其中——梁底方木的强度计算值(N/mm2);M ——计算的最大弯矩 (kN.m);P ——作用在梁底方木的集中荷载(kN/m);P={1.2×[0.34×(0.60+2×1.20)+24.00×0.60×1.20+1.50×0.60×1.20]+1.4×2.50×0.60}×0.14=3.550kN最大弯矩计算公式如下:其中 L ——梁底方木的跨度,L = 600+2×300=1200mmM=3.550×1200.000/4/1000=1.065kN.m=1.065×106/100000.0=10.650N/mm2梁底方木计算强度小于13.00N/mm2,满足要求!2.抗剪计算最大剪力的计算公式如下:Q = 0.5P截面抗剪强度必须满足:T = 3Q/2bh < [T]其中最大剪力 Q=0.5×3.550=1.775kN截面抗剪强度计算值 T=3×1775/(2×60×100)=0.444N/mm2截面抗剪强度设计值 [T]=1.30N/mm2梁底方木抗剪强度计算满足要求!3.挠度计算最大挠度计算公式如下:其中 P = [0.34×(0.60+2×1.20)+24.00×0.60×1.20+1.50×0.60×1.20]×0.14=2.713kN最大挠度v = 2713.200×1200.03/(48×9500.00×5000000.0)=2.056mm梁底方木的挠度计算值: v = 2.056mm小于 [v] = 1200/250,满足要求!五、梁模板侧模计算梁侧模板按照三跨连续梁计算,计算简图如下300300300q图梁侧模板计算简图1.强度计算强度计算公式要求: = M/W < [f]其中——梁侧模板的强度计算值(N/mm2);M ——计算的最大弯矩 (kN.m);q ——作用在梁侧模板的均布荷载(N/mm);q=(1.2×28.80+1.4×6.00)×1.20=51.552N/mm 最大弯矩计算公式如下:M=-0.10×51.552×0.3002=-0.464kN.m=0.464×106/64800.0=7.160N/mm2梁侧模面板计算强度小于15.00N/mm2,满足要求!2.抗剪计算最大剪力的计算公式如下:Q = 0.6ql截面抗剪强度必须满足:T = 3Q/2bh < [T]其中最大剪力 Q=0.6×0.300×51.552=9.279kN截面抗剪强度计算值 T=3×9279/(2×1200×18)=0.644N/mm2截面抗剪强度设计值 [T]=1.40N/mm2面板的抗剪强度计算满足要求!3.挠度计算最大挠度计算公式如下:其中 q = 28.80×1.20=34.56N/mm三跨连续梁均布荷载作用下的最大挠度v = 0.677×34.560×300.04/(100×6000.00×583200.1)=0.542mm梁侧模板的挠度计算值: v = 0.542mm小于 [v] = 300/250,满足要求!六、穿梁螺栓计算计算公式:N < [N] = fA其中 N ——穿梁螺栓所受的拉力;A ——穿梁螺栓有效面积 (mm2);f ——穿梁螺栓的抗拉强度设计值,取170N/mm2;穿梁螺栓承受最大拉力 N = (1.2×28.80+1.4×6.00)×1.20×0.45/2=11.60kN穿梁螺栓直径为14mm;穿梁螺栓有效直径为11.6mm;穿梁螺栓有效面积为 A=105.000mm2;穿梁螺栓最大容许拉力值为 [N]=17.850kN;穿梁螺栓承受拉力最大值为 N=11.599kN;穿梁螺栓的布置距离为侧龙骨的计算间距450mm。
梁模板计算书梁高600mm~1000mm(梁截面400*1000mm)梁模板(扣件钢管架)计算书梁段:L1。
一、参数信息1.模板支撑及构造参数梁截面宽度 B(m):0.40;梁截面高度 D(m):1.00;混凝土板厚度(mm):120.00;立杆沿梁跨度方向间距La(m):1.00;立杆上端伸出至模板支撑点长度a(m):0.10;立杆步距h(m):1.50;板底承重立杆横向间距或排距Lb(m):1.00;梁支撑架搭设高度H(m):12.05;梁两侧立杆间距(m):0.70;承重架支撑形式:梁底支撑小楞垂直梁截面方向;梁底增加承重立杆根数:1;采用的钢管类型为Φ48*3;立杆承重连接方式:可调托座;2.荷载参数模板自重(kN/m2):0.35;钢筋自重(kN/m3):1.50;施工均布荷载标准值(kN/m2):2.5;新浇混凝土侧压力标准值(kN/m2):18.0;倾倒混凝土侧压力(kN/m2):2.0;振捣混凝土荷载标准值(kN/m2):2.0;3.材料参数木材品种:柏木;木材弹性模量E(N/mm2):10000.0;木材抗弯强度设计值fm(N/mm2):17.0;木材抗剪强度设计值fv(N/mm2):1.7;面板类型:胶合面板;面板弹性模量E(N/mm2):9500.0;面板抗弯强度设计值fm(N/mm2):13.0;4.梁底模板参数梁底纵向支撑根数:3;面板厚度(mm):14.0;5.梁侧模板参数主楞间距(mm):500;次楞根数:4;主楞竖向支撑点数量为:2;支撑点竖向间距为:250mm;穿梁螺栓水平间距(mm):500;穿梁螺栓直径(mm):M14;主楞龙骨材料:木楞,,宽度38mm,高度88mm;主楞合并根数:2;次楞龙骨材料:钢楞截面类型为矩形,宽度50mm,高度50mm,壁厚为4mm;次楞合并根数:2;二、梁模板荷载标准值计算1.梁侧模板荷载强度验算要考虑新浇混凝土侧压力和倾倒混凝土时产生的荷载;挠度验算只考虑新浇混凝土侧压力。
梁侧模板计算书
一、梁侧模板基本参数
计算断面宽度600mm,高度1600mm,两侧楼板厚度120mm。
模板面板采用普通胶合板。
内龙骨布置5道,内龙骨采用50×100mm木方。
外龙骨间距450mm,外龙骨采用双钢管48mm×3.5mm。
对拉螺栓布置5道,在断面内水平间距
100+250+400+400+300mm,断面跨度方向间距450mm,直径12mm。
面板厚度18mm,剪切强度1.4N/mm2,抗弯强度15.0N/mm2,弹性模量6000.0N/mm4。
木方剪切强度1.3N/mm2,抗弯强度13.0N/mm2,弹性模量9500.0N/mm4。
3
5
8
3
5
8
3
5
8
3
5
8
1
6
m
m
模板组装示意图
二、梁侧模板荷载标准值计算
强度验算要考虑新浇混凝土侧压力和倾倒混凝土时产生的荷载设计值;挠度验算只考虑新浇混凝土侧压力产生荷载标准值。
新浇混凝土侧压力计算公式为下式中的较小值:
其中c——混凝土的重力密度,取24.000kN/m3;
t ——新浇混凝土的初凝时间,为0时(表示无资料)取200/(T+15),取4.000h;
T ——混凝土的入模温度,取20.000℃;
V ——混凝土的浇筑速度,取2.500m/h;
H ——混凝土侧压力计算位置处至新浇混凝土顶面总高度,取3.000m;
1——外加剂影响修正系数,取1.000;
2——混凝土坍落度影响修正系数,取0.850。
根据公式计算的新浇混凝土侧压力标准值 F1=28.380kN/m2
考虑结构的重要性系数0.9,实际计算中采用新浇混凝土侧压力标准值 F1=0.9×28.380=25.542kN/m2
考虑结构的重要性系数0.9,倒混凝土时产生的荷载标准值
F2=0.9×4.000=3.600kN/m2。
三、梁侧模板面板的计算
面板为受弯结构,需要验算其抗弯强度和刚度。
模板面板的按照简支梁计算。
面板的计算宽度取0.36m。
荷载计算值 q = 1.2×25.542×0.358+1.40×3.600×
0.358=12.759kN/m
面板的截面惯性矩I和截面抵抗矩W分别为:
本算例中,截面惯性矩I和截面抵抗矩W分别为:
W = 35.75×1.80×1.80/6 = 19.31cm3;
I = 35.75×1.80×1.80×1.80/12 = 17.38cm4;
12.76k N/m
A
计算简图
0.175
弯矩图(kN.m)
剪力图(kN)
变形的计算按照规范要求采用静荷载标准值,受力图与计算结果如下:
9.13k N/m A
变形计算受力图 0.045
变形图(mm)
经过计算得到从左到右各支座力分别为
N1=1.792kN
N2=5.213kN
N3=4.236kN
N4=5.213kN
N5=1.792kN
最大弯矩 M = 0.174kN.m
最大变形 V = 0.908mm
(1)抗弯强度计算
经计算得到面板抗弯强度计算值 f = 0.174×1000×
1000/19305=9.013N/mm2
面板的抗弯强度设计值 [f],取15.00N/mm2;
面板的抗弯强度验算 f < [f],满足要求!
(2)抗剪计算 [可以不计算]
截面抗剪强度计算值 T=3×2769.0/(2×357.500×
18.000)=0.645N/mm2
截面抗剪强度设计值 [T]=1.40N/mm2
抗剪强度验算 T < [T],满足要求!
(3)挠度计算
面板最大挠度计算值 v = 0.908mm
面板的最大挠度小于357.5/250,满足要求!
四、梁侧模板内龙骨的计算
内龙骨直接承受模板传递的荷载,通常按照均布荷载连续梁计算。
内龙骨强度计算均布荷载q=1.2×0.36×25.54+1.4×0.36×3.60=12.759kN/m
挠度计算荷载标准值q=0.36×25.54=9.144kN/m
按照三跨连续梁计算,最大弯矩考虑为静荷载与活荷载的计算值最不利分配的弯矩和,计算公式如下:
均布荷载 q = 5.742/0.450=12.759kN/m
最大弯矩 M = 0.1ql2=0.1×12.759×0.45×0.45=0.258kN.m
最大剪力 Q=0.6×0.450×12.759=3.445kN
最大支座力 N=1.1×0.450×12.759=6.316kN
截面力学参数为
本算例中,截面惯性矩I和截面抵抗矩W分别为:
W = 5.00×10.00×10.00/6 = 83.33cm3;
I = 5.00×10.00×10.00×10.00/12 = 416.67cm4;
(1)抗弯强度计算
抗弯计算强度 f=0.258×106/83333.3=3.10N/mm2
抗弯计算强度小于13.0N/mm2,满足要求!
(2)抗剪计算 [可以不计算]
最大剪力的计算公式如下:
Q = 0.6ql
截面抗剪强度必须满足:
T = 3Q/2bh < [T]
截面抗剪强度计算值 T=3×3445/(2×50×100)=1.034N/mm2
截面抗剪强度设计值 [T]=1.30N/mm2
抗剪强度计算满足要求!
(3)挠度计算
最大变形 v =0.677×9.131×450.04/(100×9500.00×4166666.8)=0.064mm
最大挠度小于450.0/250,满足要求!
五、梁侧模板外龙骨的计算
外龙骨承受内龙骨传递的荷载,按照集中荷载下连续梁计算。
外龙骨按照集中荷载作用下的连续梁计算。
集中荷载P取横向支撑钢管传递力。
6.32k N
6.32k N 6.32k N 6.32k N 6.32k N A
支撑钢管计算简图
0.474
支撑钢管弯矩图(kN.m)
支撑钢管剪力图(kN) 变形的计算按照规范要求采用静荷载标准值,受力图与计算结果如下:
4.52k N 4.52k N 4.52k N 4.52k N 4.52k N A
支撑钢管变形计算受力图
0.027
支撑钢管变形图(mm)
经过连续梁的计算得到
最大弯矩 Mmax=0.473kN.m 最大变形 vmax=0.027mm
最大支座力 Qmax=8.220kN
抗弯计算强度 f=0.473×106/10160000.0=46.56N/mm2
支撑钢管的抗弯计算强度小于205.0N/mm2,满足要求!
支撑钢管的最大挠度小于400.0/150与10mm,满足要求!
六、对拉螺栓的计算
计算公式:
N < [N] = fA
其中 N ——对拉螺栓所受的拉力;
A ——对拉螺栓有效面积 (mm2);
f ——对拉螺栓的抗拉强度设计值,取170N/mm2;
对拉螺栓的直径(mm): 12
对拉螺栓有效直径(mm): 10
对拉螺栓有效面积(mm2): A = 76.000
对拉螺栓最大容许拉力值(kN): [N] = 12.920
对拉螺栓所受的最大拉力(kN): N = 8.220
对拉螺栓强度验算满足要求!。