施工用电负荷计算
- 格式:doc
- 大小:109.50 KB
- 文档页数:10
施工用电负荷计算建筑施工现场用电负荷计算时,应考虑:建筑工程及设备安装工程的工作量及施工进度;各阶段投入的用电设备需要的数量;要有充分的预计,用电设备的施工现场的布置情况合理电源的远近;施工现场大大小小的用电设备的容量进行统计。
在这些已经掌握的情况下,就可以计算了。
通过对施工用电设备的总负荷计算,依据计算的结果选择变压器的容量及相适应电气配件;对分路电流的计算,确定线路导线的规格、型号;通过对各用电设备组的电流计算,确定分配电箱电源开关的容量及熔断丝的规格、电源线的型号、规格。
对高压用电的施工现场一般用电量较大,在计算它的总用电量时,可以把各用电设备进行分类、分组进行计算,然后相加。
1、在计算施工现场诸多的用电设备时,对各类施工机械的运行、工作特点都要充分考虑进去:(1)有许多用电设备不可能同时运行,如卷扬机、电焊机等;(2)各用电设备不可能同时满载运行,如塔式起重机它不可能同时起吊相同重量的物品;(3)施工机械的种类不同、其运行的特点也不相同,施工现场为高层建筑提供水源的水泵一般就要连续运转,而龙门架与井架却是反复短时间停停开开;(4)各用电设备在运行过程中,都不同程度存在功率的损耗致使设备效率下降;(5)现场配电线路,在输送功率同时也会产生线路功率的损耗,线路越长损耗越大。
对线路功率一事不应忽视。
目前符合计算方法常采用需要系数法和二项式法,当不管采用哪种计算方法都需使用在实际中早已测定的有关系数。
2、一般说进行负荷计算时,首先绘制供电系统图,然后按程序进行计算。
(1)单台用电设备:长期运转的用电设备,设备容量就是计算负荷,但对每台电动机及其它需计及效率的单台用电设备的计算负荷为:Pj1=Pe/η(2-1)式中P—用电设备的有功计算负荷(KW);j1Pe—用电设备的设备容量;η—用电设备的效率。
(2)确定用电设备组的计算负荷:确定了各用电组容量设备容量Pe之后,就应将各用电设备按Kx 分类法分成若干组,进行负荷计算应为:P j2=K x ∑P e Q j2= Pj2tg(2-2)S j2=j22j22Q P +式中 P j2—用电设备组的有功计算负荷(KW ); Q j2—用电设备组的无功计算负荷(KV AR ); S j2—用电设备组的视在计算负荷(KV A);∑P e —用电设备组的设备总容量之和,但不包括备用设备容量(KW );K x —用电设备组的需要系数可查工厂电气设计手册或参考表。
施工临时用电负荷计算反复短时周期工作制是指设备在规定的时间内反复工作,如电动机、压缩机、空调等。
这类设备的用电容量需要根据其运行周期和负载率进行计算,具体计算方法可参考相关标准和规范。
2、负荷系数的确定:负荷系数是指根据用电设备的工作特点和使用环境,对设备额定容量进行修正的系数。
常见的负荷系数包括同时使用系数、峰值系数、季节系数等。
负荷系数的确定需要考虑用电设备的实际使用情况,以及可能出现的峰值负荷和季节性负荷变化等因素。
3、负荷计算公式:根据用电设备的容量和负荷系数,可以得到施工现场的总负荷。
常用的负荷计算公式包括:总负荷= ΣPe × 负荷系数其中,ΣPe表示所有用电设备的容量之和,负荷系数根据实际情况进行修正。
在计算过程中,还需要考虑用电设备的同时使用情况、峰值负荷和季节性负荷等因素,以确保负荷计算的准确性和合理性。
总之,临时用电负荷计算是建筑施工中非常重要的一项工作,对于保证供电系统的安全可靠性具有至关重要的作用。
在进行负荷计算时,需要充分考虑用电设备的实际使用情况和环境因素,合理选择各级变电所中的变压器、主要电气设备以及配电导线等,以确保供电系统的正常运行和安全使用。
计算负荷的方法有很多种,其中我国常采用的是需要系数法。
这种方法适用于用电设备组中设备容量相差不大的情况。
需要系数法是指用电设备组在最大负荷时需要的有功功率与其设备容量的比值。
需要系数的确定受到多种因素的影响,包括用电设备的工作性质、设备效率和线路损耗等。
因此,需要系数是一个综合系数,难以准确计算。
在实际应用中,通常采用表2-1来确定需要系数。
建筑施工用电设备种类繁多,可以根据工作性质将其分类,具体分类请参见表2-2.表2-1列出了不同用电设备组的KX、cosΦ和XXXΦ。
其中,I类电动机组小于10台,KX为0.85,cosΦ为0.82,tgΦ为0.70.10台及以上,KX为0.75,0.78,0.80,cosΦ为0.78,0.75,0.73,tgΦ为0.80,0.88,0.94,1.02,1.02,1.11,1.02,1.17.表中还列出了其他几类电动机组和电焊机组的KX、cosΦ和XXXΦ,以及室内和室外照明组综合的KX、cosΦ和tgΦ。
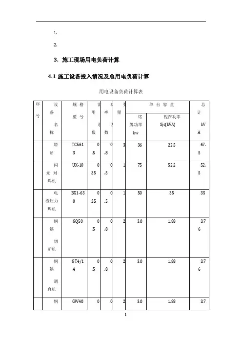
1.2.3.施工现场用电负荷计算4.1施工设备投入情况及总用电负荷计算用电设备负荷计算表根据上述各变压器用电负荷计算,总的视在功率为380.86KVA<额定容量500KVA,故现场业主提供的一台500KVA变压器能够满足现场施工用电需求。
4.电缆导线选型、截面选择5.1导线选型依据配电线路导线的选择主要是选择导线的截面,要同时满足三个条件:a.机械强度的要求。
b.容许电流的要求I=KP/3V cosф(三相五线制线路);I=P/V cosф(二相制线路)式中: I-容许电流(A)P-电力负荷(KVA)K-需用系数V-线路电压(V)cosф-功率因数根据计算的容许电流查找不同类型的导线截面。
c.容许电压要求:就是把电压限制在容许的范围内,确保电压的质量。
(1)U%=∑PL/(C*S)=∑M/(C*S)≤ε式中,S-导线截面(mm²)P一负荷的电功率或导线输送的电功率L-输送电路的距离C-系数,视导线材料送电电压及配电力方式而定,铜线取76.5,铝线取46.2ε-容许的电压降,取5%(供电营业规则)(2)电阻率ρ铜为0.018欧*㎜2/米铝为0.028欧*㎜3/米I=P/1.732*U*COSØ电阻R=ρl/电缆截面电压降△U=IR<5%U就达到要求了(5%U=0.05*380=19V) 。
5.2各主要回路配电系统表5.3各回路电流计算、截面选择5.3.1总线(ZHL-1)导线选择及压降验算总线(ZHL-1)设备总视在计算功率Sjs(kVA)=380.86(kVA)总视在计算电流Ijs(A)= K1000Sjs/(1.732×380)=405(A)查《民用建筑电气设计规范》知铜芯聚乙烯绝缘电力电缆YJV3×185+2*95mm2在空气中明敷安全载流量为410(A)>405A;线路长度为30米,压降验算△U=IR=(594/1.732*0.38*0.8)*(0.018*30/185)=3.3V<19V,故总线(ZHL-1)选择导线为一条YJV3×185+2*95mm2电缆。
一、前言在施工现场,临时用电是必不可少的,而负荷计算是临时用电必需的步骤之一。
本文将介绍施工临时用电负荷计算的方法和注意事项。
二、什么是施工临时用电负荷计算?施工临时用电负荷计算是指在施工现场,根据场地平面图和实际施工需要,计算临时用电设备和电源所需要的总功率,以确保产生足够的电能以及能够满足现场的用电需求。
三、施工临时用电负荷计算的方法计算施工临时用电负荷需要以下几个步骤:1.确认用电设备种类及数量在施工现场,需要用电的设备种类繁多,如:灯具、空调、电钻、电锤、起重机、电焊机等等。
在进行负荷计算前,需要先确认需要用电设备的种类和数量,以便后续计算。
2.测量每个用电设备的功率确认需要用电设备的种类和数量后,需要测量每个设备的功率。
功率(单位为瓦)指设备在运行时每秒消耗的能量大小。
可以通过查看设备标签或者使用电表进行测量。
3.计算每个用电设备的电流根据欧姆定律,功率等于电流和电压的乘积,可以计算出每个设备在使用时所需的电流。
计算公式如下:功率(W)= 电流(A)× 电压(V)。
4.计算用电设备的总功率及电流确认每个设备所需的电流后,需要将所有设备所需的电流求和,得到总电流(单位为安培)。
然后,使用总电流乘以使用的电源电压,得到用电设备的总功率(单位为瓦)。
5.添加过载裕量在计算施工临时用电负荷时,还需考虑电源的过载裕量。
这是为了保护电源,防止短时间内出现大量电量使用,导致电源过载损坏。
一般情况下,需要为电源留出10%的过载裕量。
6.确认用电线路的电流容量在计算完成后,还需要确认所使用的用电线路的电流容量是否足够。
若电流超过线路的电流容量,将会造成电路过载而无法正常使用。
四、施工临时用电负荷计算的注意事项•计算负荷前需要确认所使用的电源的额定电压和电流容量。
•各个用电设备的电流需分别测量,而不应该参考设备的额定电流。
•过载裕量的设置应在总负荷的基础上,留出10%的余量。
•需要进行多次确认并检查负荷计算的准确性。
施工临电负荷怎样计算施工临时用电是指在建筑施工过程中,为了满足施工现场各种电器设备的电能需求,临时搭建的供电系统。
施工临时用电的负荷计算是按照施工现场的实际需要,结合各种设备的功率、使用时间以及设备数量等因素综合计算得出的。
施工临时用电的负荷计算主要包括以下几个步骤:1.确定电器设备的功率:根据施工现场的实际情况,确定需要使用的电器设备的种类和数量,并查找设备的功率参数。
2.计算设备的功率需求:根据设备的功率参数和使用时间,计算设备的功率需求。
通常,设备的功率参数可以从设备的说明书、设备贴标或者相关技术资料中获取。
3.汇总设备的功率需求:将所有设备的功率需求进行汇总,得到总的功率需求。
4.考虑功率的冗余:为了保证施工现场的供电稳定可靠,一般会在总的功率需求上增加一定的冗余。
这是由于在施工现场,电器设备的使用可能存在一定的峰值和波动,同时施工过程中可能还会增加或者减少设备数量,因此为了确保供电系统的稳定性,需要在总的功率需求上增加一定的冗余。
5.计算负荷:根据总的功率需求和冗余,计算出施工临时用电的负荷。
一般来说,施工临时用电的负荷计算单位是千瓦(kW)或者千伏安(kVA)。
6.选择供电设备:根据负荷计算结果,选择相应的供电设备。
这包括选择适当容量的发电机、选择适当放大倍数的变压器、选择适当容量的开关设备等。
需要注意的是,施工临时用电的负荷计算需要综合考虑施工现场的各种实际情况,如施工规模、工期、环境因素等。
在进行负荷计算时,应尽量准确收集和调查施工现场的实际情况,并结合相关的规范和标准进行计算,确保计算结果的准确性和可靠性。
施工现场用电负荷计算一.现场勘察业主提供的电源由10KV架空线路接入点在工地南侧,距施工现场约束20米,在此处拟安装一台的S11-M-630/10变压器,由变压器经架空线路引入施工现场,现场设1#、2#、3#三个动力配电柜和一个4#生活区配电箱,线路架空沿和谐路西侧人行道内侧引入,不影响场内施工。
根据施工机械数量与功率表统计得知用电总功率为616.5KV。
详见附表:以上是本工程的主体施工时的最大使用功率,实际施工时不可能上述所有的施工机械同时使用,实际同时使用最大值取60%。
基础施工时的使用施工机械要远远少于主体施工时的机械,因此本施工方案是按主体施工的最大使用功率编制的。
综上所述,S11-M-630/10变压器符合本工程主体及装饰期间施工用电的要求。
S11-M-630/10变压器的安装由当地供电部门负责安装。
二.工程特点本工程共13幢建筑,基本上可以分为东、西两个施工区,以和谐路为界,路西为高层区,主要有8幢高层和一幢多层,8幢高层为15层—22层,分别为21#、22#、23#、24#、25#、26#、27#、28#楼,一幢多层为6层是20#楼。
高层区建筑面积约为104567m2。
路西为多层区,主要有29#和30#楼为6层,1#商业楼为4层,一幢3层的幼儿园。
低层区建筑面积约为10351m2。
三.初步设计根据施工用电机械设备容量及现场布置的方案,根据工程特点,在高层区设三座配电房,低层区设一座配电房,办公和生活区设一台配电柜,由变压器分别架空引入。
所有单体工程均设二级配电柜,共13台。
各种配电机具均配置配电箱。
所有配电干线从变压器引入一级配电柜均采用YJV-5*20型电缆架空引入,所有一能配电柜到二级配电柜、二级配电柜到各个配电箱之间均采用YJV-5*20型电缆埋地铺设或沿电缆沟敷设,通过交通要道等处采用套钢管保护。
临时施工用电严格按照《施工临时用电安全技术规范》JGJ46-2005和《建筑施工安全检查标准》JGJ59-2011及安徽省和合肥市的规定要求,本工程采用TN—S专用保护接零系统配电。
施工用电负荷计算
PT=PC×n×k
其中,PT为总用电功率(单位为瓦W),PC为单个用电设备的功率(单位为瓦W),n为用电设备的数量(个),k为设备的系数。
用电设备系数k的取值根据各种设备的使用情况而定,一般由设备制
造商提供或按照相关国家标准确定。
1.施工现场设备用电功率:根据施工现场使用的各类电动工具、机械
设备、动力装置等设备的功率进行计算。
2.施工区域用电功率:根据施工现场各个施工区域的用电设备数量和
功率进行计算。
3.临时用电功率:施工期间通常需要一些临时用电设备,如工地照明、通风设备、排水泵等,需要根据临时用电设备的数量和功率进行计算。
4.动力设施用电功率:在施工现场还需要考虑一些动力设施,如起重机、升降机等,这些设备的使用时间较长,功率较大,需要进行详细计算。
5.群体用电负荷:施工现场有时需要考虑一些集中用电设备,如配电箱、变压器等,这些设备的功率需要进行统一计算。
在实际计算施工用电负荷时,应根据具体情况综合考虑上述因素,并
结合施工现场的具体情况进行详细测算。
同时,还要考虑用电安全和用电
性能的因素,确保施工用电负荷的准确性和合理性。
施工用电负荷计算对于建筑工程施工的顺利进行非常重要,只有合理
计算和安排用电负荷,才能保证施工现场的安全供电和高效施工。
因此,
在进行施工用电负荷计算时,建议借鉴相关标准和规范,并根据具体情况进行实际调整和计算,以确保计算结果的合理性和准确性。
工地用电负载计算公式三、计算负荷该工程用电量大、电源从建设单位原有配电柜采用两个回路、用VV-1KV+4×352+1×162铜芯电缆接入施工现场,主要供给塔吊、搅拌机、钢筋加工机械、电焊机、照明回路、一个备用回路。
为保证施工用电安全,需要外电防护的必须按规程进行防护。
施工现场临时用电线路采用TN-S保护系统.(一)、建筑机械负荷计算1、塔吊:由于Pe=17KW 查表取Kx=0.7 COSφ=0.65 则tgφ=1.17Pjs=Kx×∑Pe=0.7×17=11.9KWQjs=Pjstgφ=11.9×1.17=13.92kvar2、搅拌机由于Pe=7KW,查表取Kx=0.7 COSφ=0.65 则tgφ=1.17Pjs=Kx×∑Pe=0.7×7=4.9KWQjs=Pjstgφ=4.9×1.17=5.73Kvar3、交直流电焊机由于Se=10KV A 查表取Kx=0.45 COSφ=0.45 则tgφ=1.99Pe=JC1/2×Secosφ=0.651/2×10×0.45=3.63KWPjs=Kx×∑Pe=0.45×3.63=1.63KWQjs=Pjstgφ=1.63×1.99=3.25Kvar4、电动打夯机由于Pe=12KW查表取Kx=0.7 COSφ=0.7φ则tgφ=1.02Pjs=Kx×∑Pe=0.7×12=8.4KWQjs=Pjstgφ=8.4×1.02=8.57Kvar5、振动器组由于Pe=5.2KW,查表取Kx=0.7 COSφ=0.65 则tgφ=1.17 Pjs=Kx×∑Pe=0.7×5.2=3.64KWQjs=Pjstgφ=3.64×1.17=4.26Kvar6、钢筋调直机由于Pe=5.4KW,查表取Kx=0.7 COSφ=0.65 则tgφ=1.17 Pjs=Kx×∑Pe=0.7×5.4=3.78KWQjs=Pjstgφ=3.78×1.17=4.95Kvar(二)照明电器负荷计算1、典钨灯由于Pe=1KW,查表取Kx=1 COSφ=1则tgφ=0Pjs=Kx×∑Pe=1×6=6KWQjs=Pjstgφ=0Kvar2、白炽灯由于Pe=1KW,查表取Kx=1 COSφ=1则tgφ=0Pjs=Kx×∑Pe=1×1=1KWQjs=Pjstgφ=0Kvar(三)干线计算负荷为取K∑∑=0.9P K∑×∑js= K∑×∑P js=0.9×(11.9+4.9+1.63+8.4+3.64+5.25+3.78+6+1)=41.85KWQ K∑×∑js= K∑×∑Q js=0.9×(13.92+5.73+3.25+8.57+4.26+6.14+4.95)=42.14KV A∑js=(P∑Pjs2+ Q∑js2)1/2=(41.852+42.142) 1/2=59.39KV AJis=S∑js×103/(31/2×U×n2) 1/2=59.39×103/(31/2×380×252)1/2=144.851A经查表4×25+1×16铜芯电缆可载电流150A,大于144.85A,符合安全要求。
施工临时用电方案计算书本计算书根据《建筑施工计算手册》江正荣着、《施工现场临时用电安全技术规范》JGJ 46-2005。
一、用电量计算:工地临时供电包括施工及照明用电两个方面,计算公式如下:其中 P ──计算用电量(kW),即供电设备总需要容量; P c──全部施工动力用电设备额定用量之和;P a──室内照明设备额定用电量之和;P b──室外照明设备额定用电量之和;K1──全部施工用电设备同时使用系数;总数10台以内取;10-30台取;30台以上取; K2──室内照明设备同时使用系数,取;K3──室外照明设备同时使用系数,取;综合考虑施工用电约占总用电量90%,室内外照明电约占总用电量10%,则有:本例计算中K1=;全部施工动力用电设备额定用量:---------------------------------------------------------------------------------序号机具名称型号额定功率(kW) 距离电源(m) 台数1 塔吊 Q 1---------------------------------------------------------------------------------经过计算得到 P =×K1×∑p c=××=。
二、变压器容量计算:根据以上的施工机械用电负荷,进行变压器容量计算:变压器容量计算公式如下:其中 P0──变压器容量(kVA);──功率损失系数;cosф ──用电设备功率因素,一般建筑工地取。
经过计算得到 P0 =×p=×=。
三、配电导线截面计算:根据以上的施工机械用电负荷及电传输距离,进行总导线的截面计算:1.按导线的允许电流选择:三相四线制低压线路上的电流可以按照下式计算:(规范规定需要三相四线制配电的电缆线路必须采用五芯电缆):其中 I l──线路工作电流值(A);U l──线路工作电压值(V),三相四线制低压时取380V。
1、主要施工机械、电动设备:P1=(KW)、焊接设备(换算功率):P2=(KW)、施工室内照明容量:P3=(KW)说明:办公、工人宿舍、食堂布置在场外,或租住于附近民房,该部分用电量未考虑。
、不同暂载率的用电设备的容量换算闪光对焊机容量:P e=S e/ JC cosφ取JC= cocφ= P e1=100××=(UN-100型)交流电弧焊机容量:P e=S e/ JC cosφ取JC= cosφ= P e1=19××=电渣压力焊机容量:P e=S e/ JC cosφ取JC= cosφ= P e4=××=从中可以看出,单相用电设备的不对称容量,即3台交流电弧焊机、 2台闪光对焊机加上3台电渣压力焊容机容量大于三相用电设备容量的15%,所以此三类设备的三相等效率设备容量为:P e= 3 P ex/(1)P c1 3 P ex/= 3 ×=(2)P c2 3 P ex/= 3 ×=(3)P c3 3P ex/ = 3 ×=关于高压水银萤光灯(镝灯)的设备容量可按其灯泡额定功率倍计算:P e5=×=将现场所有设备按K x分类成各用电设备组:(1)、对焊机:K x= cosφ= tgφ=P ja=K x∑P e =×+=Q ja=P ja tgφ=×=(2)、交流电弧焊机、电渣压力焊机:K x= cosφ= tgφ=P jh=K x∑P e=××2+×2)=Q jh=P jh tgφ=×=(3)、其他电动设备:K x= cosφ= tgφ=∑P e=P je=K x∑P e =×=Q je=P je tgφ=×=配电干线的几素计算负荷P j1、Q j1、S j1为:去K p为,Q p为,P j1= K p∑P ja-c=×++=Q j1= Q p∑Q ja-c=×++=S j1= P j12+Q j12 =照明的计算负荷为:P j2=1×10+×3+10=取高压水银荧光灯cosφ= tgφ=Q j2=××3)=S J2= P j22+Q j22=S j=S j1+S j2=+=根据S j选择变压器容量,其中应考虑变压器经济运行的容量。
施工用电负荷计算建筑施工现场用电负荷计算时,应考虑:建筑工程及设备安装工程的工作量及施工进度;各阶段投入的用电设备需要的数量;要有充分的预计,用电设备的施工现场的布置情况合理电源的远近;施工现场大大小小的用电设备的容量进行统计。
在这些已经掌握的情况下,就可以计算了。
通过对施工用电设备的总负荷计算,依据计算的结果选择变压器的容量及相适应电气配件;对分路电流的计算,确定线路导线的规格、型号;通过对各用电设备组的电流计算,确定分配电箱电源开关的容量及熔断丝的规格、电源线的型号、规格。
对高压用电的施工现场一般用电量较大,在计算它的总用电量时,可以把各用电设备进行分类、分组进行计算,然后相加。
1、在计算施工现场诸多的用电设备时,对各类施工机械的运行、工作特点都要充分考虑进去:(1)有许多用电设备不可能同时运行,如卷扬机、电焊机等;(2)各用电设备不可能同时满载运行,如塔式起重机它不可能同时起吊相同重量的物品;(3)施工机械的种类不同、其运行的特点也不相同,施工现场为高层建筑提供水源的水泵一般就要连续运转,而龙门架与井架却是反复短时间停停开开;(4)各用电设备在运行过程中,都不同程度存在功率的损耗致使设备效率下降;(5)现场配电线路,在输送功率同时也会产生线路功率的损耗,线路越长损耗越大。
对线路功率一事不应忽视。
目前符合计算方法常采用需要系数法和二项式法,当不管采用哪种计算方法都需使用在实际中早已测定的有关系数。
2、一般说进行负荷计算时,首先绘制供电系统图,然后按程序进行计算。
(1)单台用电设备:长期运转的用电设备,设备容量就是计算负荷,但对每台电动机及其它需计及效率的单台用电设备的计算负荷为:Pj1=Pe/η(2-1)式中P j1—用电设备的有功计算负荷(KW);Pe—用电设备的设备容量;η—用电设备的效率。
(2)确定用电设备组的计算负荷:确定了各用电组容量设备容量Pe之后,就应将各用电设备按Kx 分类法分成若干组,进行负荷计算应为:P j2=K x ∑P e Q j2= Pj2tg(2-2)S j2=j22j22Q P +式中 P j2—用电设备组的有功计算负荷(KW ); Q j2—用电设备组的无功计算负荷(KV AR ); S j2—用电设备组的视在计算负荷(KV A);∑P e —用电设备组的设备总容量之和,但不包括备用设备容量(KW );K x —用电设备组的需要系数可查工厂电气设计手册或参考表。
tg—与功率因数表相对应的正切值,可查工厂电气设计手册或参考表确定。
(3)确定配电干线或低压母线上的计算负荷:将干线或母线上各用电设备组 的计算负荷相加,然后再乘以最大负荷的同期系数(或最大负荷混合系数, 或称参差系数) Kp(有功负荷的同期系数)、K Q (无功负荷的同期系数),即 得到该配电干线或低压母线上的计算负荷P j3 、Q j3 、S j3 而S j3则是选择电力变压器的依据。
于是有下列关系式: P j3=K P ∑P j2 Q j3= K Q ∑Q j2 (2-3)S j3=j32j32QP+式中 ∑P j2 、∑Q j2——各用电设备组有功、无功计算负荷的总和(KW 、KV AR );K P 、K Q ——最大负荷时有功、无功负荷的同期系数,可查工厂电气设计手册确定。
K P 、K Q 是考虑各用电设备组的最大负荷不会同时出现而引用的一个系数K Q 一般采用与K P 相同的数值,如机械加工的同期系数K P =0.7~0.9.在选择变压器时要考虑到变压器本身的有功损耗∆P B 和无功损耗∆Q B 。
其数值可通过查阅电力变压器的技术数据中查到。
通常在负荷计算中,变压器的有功}}}损耗和无功损耗可分别用下列近似公式计算: ∆P B =0.02 S j3 (2-4)∆Q B =0.08 S j3 (2-5)式中 ∆P B —电力变压器的有功损耗(KW ) ∆Q B —电力变压器的无功损耗(KV AR );S j3—电力变压器的总视在计算负荷(KV A ).此外,还应考虑电力变压器经济运行的容量,一般增加计算负荷S j3的 20%~30%容量为宜。
查电气设备手册。
(4)确定单项照明负荷:对照明负荷的计算,白炽灯的设备功率是指 灯泡上标明功率数、而对日光灯及高压水银汞等、金属卤化物灯(在 高压等内添加金属卤化物的400W 钠、铊、铟灯等)采用外镇流器式的 灯具,还应计入镇流器的损耗功率,即灯管的核定功率应分别增加20% 及8%。
单相负荷和三相负荷同时存在时,应该将单项负荷换算成等效的三相负荷,再与 三相负荷相加。
三相不平等的单项负荷应该取其最高项的3倍;当只有单项负荷 也应该乘以3作为等效的三相负荷。
其估算公式如下:S JS =K X×αηcos ⨯∑Pe(KVA ) (2-6)式中 ∑P e —表示现场每台电动机铭牌上标明的额定功率的相加总和;η—表示各台电动机的平均效率。
电动机的效率一般在0.75~0.92之间,计算时可采用0.86;COS α—表示各台电动机的平均功率因数(对于用KVA 表示的用电设备如电焊机类即应该直接相加,不必除以COS α);K X —表示用电设备的需要系数。
也就是每台用电设备不一定同时工作,也不一定同时满负荷运转,所以计算时应打一个折扣;S JS —表示用电设备组所需的总容量(KVA )。
照明部分只考虑需要系数,把现场上用途不同的照明分别乘上相对应的需要系数,然后加起来就是照明用电的总容量(一般照明用电的功率因数可以取1)。
各用电设备组的需要容量(称计算容量)相加之后,应该再乘上一个同时系数K X(因为各用电设备组之间也存在着一个同时和不同时使用的问题,所以需要在打一个折扣),折扣的K X值一般可取0.8-1;设备组越多,同时他的系数越小。
这样计算下来的结果,就是施工现场动力设备的用电总容量,再加上照明用电的总容量,就是全施工现场的用电总容量。
高压用户在选择变压器的容量时,应首先考虑变压器的损耗(可以在说明书中查到)。
负荷率一般取85%左右,变压器的容量可根据电动机或其它负荷冲击条件下的影响,所谓的冲击条件,主要是指用电设备的高峰集中用电时的电流,即持续1~2h的短时间最大负荷电流。
选择变压器容量的原则是变压器的容量应大于其供电现场的总视在计算负荷。
在装设一台变压器时应至少留有15%~25%的富裕容量。
各用电设备组的K X 、COS、及tg的近似可参考表2-1。
表2-2是某施工现场实例。
用电设备组K X 、COS、及tg表2-1用电设备组名称KXCOS tg 砼搅拌机及砂浆搅拌机10台以下0.7 0.68 1.0810台以上0.6 0.65 1.17破碎机、筛洗石机、泥浆泵、空气压缩机、输送泵10台以下0.7 0.7 1.02 10台以上0.65 0.65 1.17提升机、起重机、掘土机10台以下0.3 0.7 1.0210台以上0.2 0.65 1.17 电焊机10台以下0.45 0.45 1.9810台以上0.35 0.4 2.29某施工现场用电设备组的K X 、COS 及tg表2-2 用电设备组名称 卷扬机 9台 0.3 0.45 1.98 爬梯 1台 0.3 0.65 1.17 电焊机 2台 0.35 0.6 1.33 拌合机 1台 0.6 0.4 2.29 砂浆机 5台 0.7 0.65 1.17 喷浆机 2台 0.8 0.8 0.75 排水泵 4台 0.8 0.8 0.75 木工机械 3台 0.7 0.75 0.88 电钻1台0.70.750.88求计算电流:Ue3 S≈S ×1.52式中 I jS —计算电流(A );I jS =SS —容量单位(KV A ),只视在功率; Ue —用电设备额定电压(KV )。
在低压供电的现场,除用公式2-1和公式2-4计算外,还有其他估算方法。
对于用电量不大的施工现场,可以把所有的用电设备的额定功率加在一起,取一个综合需要系数K X 为0.5-0.75之间,这样的估算出现用电设备的总用电功率,然后乘上2极为总电流。
此时再考虑照明用电量时,只要去动力用电总功率的10%就可以了,再根据各级用电量和电流的估算,可以按照有关要求选择设备和导线的规格、型号。
2.2施工现场临时用电负荷计算举例例1某施工现场主体结构为16层的框架结构的居民住宅楼,建筑面积为12000m2。
所选用的施工机械如表2-3所示。
假定所有的施工用电机组为同类用电设备组,现场提供的总需要系数的实测数据为K X=0.47,COS=0.6,试求该现场的变压器容量。
先解:不同暂载率的用电设备的容量计算:1号塔吊容量 Pe=2 P/e JC=2×100×%15=77.5KW7号电焊机容量Pe=S/e JC×COS=21 ×65.0×0.87=14.7KW编号用电设备名称型号及铭牌技术数据换算后设备容量Pe1 塔式起重机QT80,100KW,380V,Jc=15% 77.5KW2 施工升降机TST-200,2×11KW, 380V 22KW3 搅拌机0.4LJ4-400,7.5KW, 380V,COS=0.82,η=0.87.5KW4 搅拌机0.375LJ4-375,10KW,380V,COS=0.82,η=0.810KW5 砂浆搅拌机0.2L3KW,380V,COS=0.82,η=0.83KW6 卷扬机JJK-2,14KW,380V,COS=0.82,η=0.814KW7 电焊机2台21KWA,JC=65%,380V,COS=0.87√3*14.7KW=25.5KW25.2*2=51KW8 圆盘锯2台JQ-42-2, 2.8KW,380V,COS=0.88,η=0.852*2.8KW=5.6KW9 钢筋切断机7.5KW,380V,COS=0.83,η=0.847KW10 震动器4台 1.5KW,380V,COS=0.85,η=0.854*1.5=6KW11 照明白炽灯,碘钨灯、共4KW,日光灯,高压水银荧光灯等3.8KW4+3.8=7.8KW从7号设备中可以看出,单项用电设备的不对称容量即两台电焊机29.4KW 大于三相用电设备总容量的15%,所以电焊机的三相等效设备容量为:Pe=3P /ex=3×14.7=25.5KW日光灯和高压水银荧光灯的设备容量可按其的总功率的1.2倍计算:Pe=1.2×3.8=4.6KW除照明外,所有用电的施工机械的总设备容量为:∑P e =77.5+22+7.5+10+3+14+51+5.6+7+6=203.6KW 由式(2-2)求的计算负荷为: P J1= K X ∑P e =0.47×203.6=95.7KW Q J!= P J1×tg=95.7×1.33=127.3KVARS J1=J12J12Q P + =22127.395.7+=159.3KVA 照明的计算负荷为: P J2=4KW+3.8KW=7.8KW 查(照明用电设备的COS 及 tg)表,取日光灯、高压水银灯的COS=0.55,即tg=1.52,则:Q J2=3.8×1.52=5.8KVAR S J2=228.58.7+=9.7KVA 整个施工现场的计算负荷为: S J =22)8.53.127()8.77.95(+++=168.6KVA由式(2-4)、(2-5),所有电力变压器的损耗为:∆P B =0.02 S j =0.02×168.6KV=3.37KW∆Q B =0.08 S j =0.08×168.6=13.5KVAR 即 ∆S B =2213.5 3.37+=13.9KV A电力变压器的容量主要根据S J的量值和∆S B的值来选择。