标准征求意见稿意见汇总处理表
- 格式:doc
- 大小:85.50 KB
- 文档页数:5
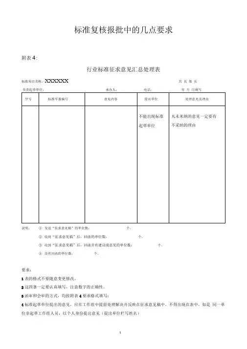
标准复核报批中的几点要求附表4:行业标准征求意见汇总处理表标准项目名称:XXXXXX 共页第页说明:①发送“征求意见稿”的单位数:个。
②收到“征求意见稿”后,回函的单位数:个。
③收到“征求意见稿”后,回函并有建议或意见的单位数:个。
④没有回函的单位数:个。
要求:1表的格式不要随意变更修改。
2这四条一定要认真填写,注意数字的正确性。
3函审和会审的方式,均按附表4要求格式填写;4标准起草单位提出的意见,应在工作组中提前处理解决并反映在征求意见稿中,不得出现在表中。
如是同一单位非起草工作组人员,以个人身份提出意见(提出单位栏写姓名)附表5:行业标准审查会审查结论间对行业标准审查会议纪要的要求(中机联标[2012]87号文4.2.1c :)内容简要齐全;盖组织审查单位公章;本次会议审查标准清单;审查标准代表签字(手签,见表);审查会意见处理信息(或审查意见汇总表);《行业标准审查会审查结论》,见表。
附表6:参加审查的代表名单说明及要求:1.代表的含义:委员。
未能出席的标委会委员,可委托他人代表出席(签出席人名并附委托书);非委员代表不得出现;2.到会委员、委托代表签字人数,以及提交书面意见未到会委员总数,至少为全体委员的四分之三以上,会审才有效。
行业标准送审稿函审结论表标准报批签署单模式写法如下:经审查,本标准符合《机械行业标准制定工作细则( 同意上报。
如有同批、同级标准相互引用,请在这里交待清楚。
复核人(签名)技术负责人必须是:主任委员或受委托的副主任委员标复 准 化核 技 术结 委 员论 会2012年)》中5.2a 〜h 的要求。
标技 准技 化术 技负责 委人 员意 会见技术负责人(签名、盖公章)行业标准申报单填写说明:表中第2, 3, 4, 5, 6行,请在选定的内容上划的符号。
报批行业标准项目汇总表报批单位:中国机械工业联合会编制说明的要求(中机联标[2012]87 号3.3 条)起草标准草案时,应同时编写标准编制说明,其内容一般包括:a.工作简况,包括任务来源(即计划来源,工信部,工信厅科20ix-xx号)、主要工作过程(接到计划后组织起草等工作)、主要参加单位和工作组成员(本细则3.1 的规定)及其所做的工作等;b.标准编制原则(本细则 1.5 的规定)和主要内容(如技术指标、参数、公式、性能要求、试验方法、检验规则等)的论据,解决的主要问题,修订标准时应列出与原标准的主要差异和水平对比;c.主要试验(或验证)情况分析;(基础标准不涉及,写清楚原因即可)d.明确标准中涉及专利的情况,对于涉及专利的标准项目,应提供全部专利所有权人的专利许可声明和专利披露声明;e.预期达到的社会效益、对产业发展的作用等情况;(附件3分述的第5条,支撑作用)f.采用国际标准和国外先进标准情况,与国际、国外同类标准水平的对比情况,国内外关键指标对比分析或与测试的国外样品、样机的相关数据对比情况;(三条内容都要解释清楚,避免漏项:1 采没采用国际标准;2与同类国际/国外标准的对比;3无国际标准的是否测绘了国外的样品/样机,如有也讲清楚相关数据的对比)g.在标准体系中的位置,与现行相关法律、法规、规章及相关标准,特别是强制性标准的协调性;h.重大分歧意见的处理经过和依据;i.标准性质的建议说明;(细则1.4 的规定)j.贯彻标准的要求和措施建议(包括组织措施、技术措施、过渡办法、实施日期等);k.废止现行相关标准的建议;(针对不同级的标准代替要有废止建议;同级标准写清代替关系)l.其他应予说明的事项。
标准讨论稿意见汇总处理表标准项目名称:《液压元件用铜合金棒、型材》承办人:刘庆共页第页标准项目负责起草单位:宁波博威合金材料股份有限公司电话:年月日填写矚慫润厲钐瘗睞枥庑赖。
矚慫润厲钐瘗睞枥庑赖賃。
序号标准章条编号意见内容提出单位处理意见备注表中产品代号信息如有的牌号写上,没有的暂时不写有色标委采纳表中增加一个含的牌号武汉泛洲中越合金有限公司采纳后续中越发送相关牌号信息表注增加对杂质总和的说明“杂质总和为表中所列杂质元素含量总和”有色标委采纳表中最后列杂质总和的数值应小于表中所列杂质含量的总和有色标委采纳增加小标题绍兴市质量技术监督检测院采纳表中“范围”更改为“尺寸范围”,注更改为“当需方要求双向偏差时,其值为表中数值的一半”有色标委采纳增加小标题绍兴市质量技术监督检测院采纳表中“范围”更改为“尺寸范围”,注更改为“当需方要求双向偏差时,其值为表中数值的一半”有色标委采纳表中“内圆的允许偏差由正公差更改为负公差”,“中心距的允许偏差由正公差更改为双向公差”宁波正元铜合金有限公司采纳棒、型材的定尺或倍尺长度的允许偏差由“”更改为“”,每一段的锯切量由“”更改为“”有色标委采纳“拉制棒材直度为每米不大于”更改为“拉制棒材直度为每米不超过”有色标委采纳“最大切斜量应不大于”更改为“最大切斜量应不超过”有色标委采纳表中“视场比例”一列删除,“微观组织描述”更改为“金相组织描述”;增加表格注“经双方协商,可对相比例做具体要求”绍兴市质量技术监督检测院采纳、、之间的顿号更改为“或”安徽鑫科新材料股份有限公司采纳标准讨论稿意见汇总处理表标准项目名称:《液压元件用铜合金棒、型材》承办人:刘庆共页第页聞創沟燴鐺險爱氇谴净。
聞創沟燴鐺險爱氇谴净祸。
标准项目负责起草单位:宁波博威合金材料股份有限公司电话:年月日填写残骛楼諍锩瀨濟溆塹籟。
残骛楼諍锩瀨濟溆塹籟婭。
序号标准章条编号意见内容提出单位处理意见备注“在外部距中心三分之一距离处检测”更改为“距边部三分之一处检测”有色标委采纳附录照片倍数后“”更改为“×”中铝洛阳铜业有限公司采纳说明:①发送《讨论稿》的单位数:个;②收到《讨论稿》后,回函并有建议或意见的单位数:个;③没有回函的单位数:个。
全国汽车标准化技术委员会及各分标会秘书处日常工作基本规范1标委会及委员的管理1.1标委会→的管理1.1.1全国汽车标准化技术委员会(简称汽标委,下同)及全国汽车标准化技术委员会分技术委员会(简称分标委,下同)每届任期五年。
分标委的换届和调整按照材料10《全国专业标准化技术委员会换届调整及印章制作工作程序》规定进行,换届申请材料包括:1)换届申请;2)本届工作总结;3)技术委员会登记表(附件1)、委员汇总表(附件2)(需同时报电子版)、委员登记表(附件3)(需附有2寸彩色证件照);4)技术委员会章程、秘书处工作细则、下一届工作计划等。
其中换届申请应说明换届原由、换届组成方案及有关重要事项,其余材料作为换届申请的附件。
上述材料齐全后,报汽标委秘书处,秘书处经请示通过后报国家发展和改革委员会工业司(简称国家发改委工业司,下同)和国家标准化管理委员会(简称国家标准委,下同),由国家标准委审查批准,并向委员颁发证书。
1.1.2标委会秘书处每年组织召开标委会年会,总结本年度工作情况,提出下一年度工作计划,年会可与标准审查会同时进行。
1.1.3按照国家标准委实行标委会年审制度的要求。
每年年底,各分标委秘书处将本年度工作总结和国家标准补助经费使用情况报汽车标委会秘书处,并按要求填写年审表(附件4)上报。
1.1.4符合国家标准委规定年审通过条件的分标委,年审予以通过。
否则,年审不予通过。
→标委会包括汽标委和各分标委。
1.1.5对未通过年审的分标委,要求限期整改,整改期间不再下达新的国家标准、行业标准计划项目。
整改期间没有达到年审要求的,停止工作,整改期最多不得超过一年。
1.2 委员的管理1.2.1标委会主任委员、副主任委员、秘书长、副秘书长和秘书处工作人员定期进行业务培训。
1.2.2按照国家标准委的要求实行标委会委员年审制度,自委员被聘之日起,每两年年审一次。
1.2.3符合国家标准委规定年审通过条件的委员,年审予以通过。
《低合金高强度结构钢》国家标准(征求意见稿)汇总处理表征求意见(1)2008年1月发出该标准(工作组专家或成员单位共12份)征求意见,回函(6份)意见及处理见下表。
回函意见整理及处理表(一)2008-2-204、表2: Q295J各牌号J在牌号表示中没说明。
采纳,取消J。
原意是想与EN中JRJ0、J2 致。
5、6.4.2钢材的工艺性能。
当顾客要求做冷弯时,冷弯试验应符合表6的规定。
当供方保证冷弯合格时,可不做冷弯试验。
这句话可理解为用户不要求冷弯的话,冷弯可以不保证?保证冷弯。
当供方保证冷弯合格时,可不做冷弯试验。
6、6.1.1.2 此条定的太严,跟EN10025.2-2004表2的f条说法不一样,建议按欧标:f如果化学成分中含有0.020 %的最小总铝含量或最小0.015 %酸溶铝或含有其他的N粘结元素,N的最大值不适用。
此时,应在检查文件中注明N粘结元素。
讨论会确定。
7、表1、表2中的295牌号:这个牌号实际意义不大,能否在这次修改标准中征求意见取消?讨论会确定。
&表4中性能组距按欧标,抗拉强度值冋欧标,屈服能否也冋欧标?延伸率值的横向应比纵向允许低2% (绝对值)讨论会确定。
9、表6的冷弯试验:其冷弯半径参考了欧标的表12。
弯曲试验bend test 和欧标的742.2.2 折边性Flangeability 是一种试验吗?表12 英文名:Minimum recommendecValue the bend radius for coid flanging of flat products 跟我们通常的冷弯致否?没有试验方法判定。
? •1、编制说明中3.4.2。
H型钢的尺寸、外形、重量及允许偏差执行GB/T11263-2005标准,应在3.4.2中列入。
米纳。
2、编制说明中3.4.3。
型钢按11263标准规定按理论重量交货,实际型材国内外均按理论重量交货。
原意不矛盾。
莱钢11、第三部分6.4表5。
审查意见汇总处理表填写要求
一、意见如何处理
意见的处理大致有下列三种情况:
1、采纳;
2、部分采纳,应说明理由或依据
3、未采纳,对此应说明理由或依据;
二、意见汇总处理表格式要求
1、意见汇总处理表的格式见附件;
2、意见汇总处理表中文字用宋体五号字;
三、意见汇总处理表常出现的问题
1、表前未写标准名称、联系人、联系电话等内容;
2、未按章、条顺序归纳意见;
3、对部分采纳、未采纳的意见没写理由;
4、对重大意见未列出。
1
附件:
XX分技术委员会审查意见汇总处理表
标准名称:共页第页起草单位:承办人:电话:年月日填写
2。