验槽记录表格最新版
- 格式:doc
- 大小:66.00 KB
- 文档页数:7
地基验槽检查记录表编号:ZSY-WG-008工程名称:宜章弘源化工有限责任公司地下管网工程区编号:ZSY-WG-8致:天津辰达工程监理有限公司我单位已完成了外管基础S51、S50工作,现报上该工程报验申请表,请予以审查和验收。
附件:1、地基验槽(坑)记录承包单位(章)项目经理_____________________日期________________________ 审查意见项目监理机构(章)日期工程名称:宜章弘源化工有限责任公司地下管网工程区编号:ZSY-WG-9致:天津辰达工程监理有限公司总/专业监理工程师________________日期地基验槽检查记录表编号:ZSY-WG-009工程名称:宜章弘源化工有限责任公司地下管网工程编号:ZSY-WG-9致:天津辰达工程监理有限公司我单位已完成了外管基础S48 S49工作,现报上该工程报验申请表,请予以审查和验收。
附件:1地基验槽(坑)记录承包单位(章)项目经理_____________________日期________________________ 审查意见项目监理机构(章)日期工程名称:宜章弘源化工有限责任公司地下管网工程编号:ZSY-WG-10致:天津辰达工程监理有限公司总/专业监理工程师________________日期地基验槽检查记录表编号:ZSY-WG-010工程名称:宜章弘源化工有限责任公司地下管网工程编号:ZSY-WG-10致:天津辰达工程监理有限公司我单位已完成了外管基础S38 S39 S40、S41、S42、S43工作,现报上该工程报验申请表,请予以审查和验收。
附件:1、地基验槽(坑)记录(1份)2、地基验槽平面图(1份)承包单位(章)项目经理_____________________日期________________________ 审查意见项目监理机构(章)日期工程名称:宜章弘源化工有限责任公司地下管网工程编号:ZSY-WG-11致:天津辰达工程监理有限公司总/专业监理工程师________________日期。
地基验槽记录汇总表(9)工程名称:贵阳学院实验楼群A栋编号:A001 1、地基验槽记录 72页 2、钎探记录 17 页序号基础类型验槽部位基底持力层基底持力层是否符合设计要求断面尺寸是否符合设计要求是否钎探验槽日期设计人员是否签证勘察人员是否签证备注1 孔桩WKZ-2 A-8×A-E 中风化石灰岩符合符合否2006.09.26 是是桩基2 独基(J-17)A-14×A-F 中风化石灰岩符合符合否3 独基(J-16)1/A-18×B-E(双柱)中风化石灰岩符合符合否4 独基(J-2)A-12×A-G 中风化石灰岩符合符合否5 独基(J-7)A-11×A-E 中风化石灰岩符合符合否6 独基(J-2)A-11×A-A 中风化石灰岩符合符合否7 独基(J-2)A-8×A-A 中风化石灰岩符合符合否8 独基(J-7)A-9×A-E 中风化石灰岩符合符合否9 独基(J-3)A-13×A-E 中风化石灰岩符合符合否10 独基(J-17)A-14×A-E(双柱)中风化石灰岩符合符合否11 独基(J-16)1/A-16×B-E(双柱)中风化石灰岩符合符合否属D栋12 独基(J-4)1/A-16×1/B-B 中风化石灰岩符合符合否属D栋13 独基(J-2)A-16×1/B-B(双柱)中风化石灰岩符合符合否属D栋14 条基A-6~A-7×A-A 中风化石灰岩符合符合否15 条基A-7~A-8×A-A 中风化石灰岩符合符合否16 条基A-8~A-9×A-A 中风化石灰岩符合符合否17 条基A-9~A-10×A-A 中风化石灰岩符合符合否18 条基A-10~A-11×A-A 中风化石灰岩符合符合否施工单位审核人:监理单位审核人:审核结果:(盖章)审核结果:(盖章)日期: 2006 年 12月 5日日期:年月日地基验槽记录汇总表(9)工程名称:贵阳学院实验楼群A 栋 编号:A002 1、地基验槽记录 72页 2、钎探记录 17 页序 号 基础类型 验槽部位 基底持力层 基底持力 层是否符 合设计要求 断面尺寸 是否符合 设计要求 是否 钎探 验槽日期设计人员是否签证勘察人员是否签证备 注 19 条基 A-11~A-12×A-A 中风化石灰岩 符合 符合 否 2006.09.26是是20 条基 A-13~A-14×A-A 中风化石灰岩 符合 符合 否 21 条基 A-12~A-13×A-A 中风化石灰岩 符合 符合 否 22 条基 A-11~A-12×A-G 中风化石灰岩 符合 符合 否 23 条基 A-10~A-11×A-G 中风化石灰岩 符合 符合 否 24 条基 A-9~A-10×A-G 中风化石灰岩 符合 符合 否 25 条基 A-8~A-9×A-G 中风化石灰岩 符合 符合 否 26 条基 A-7~A-8×A-G 中风化石灰岩 符合 符合 否 27 条基 A-6~A-7×A-G 中风化石灰岩 符合 符合 否 28 独基(J-2)A-9×A-G 中风化石灰岩 符合 符合 否 2006.09.27是是29 条基 3/A-13×A-E 中风化石灰岩 符合 符合 否 2006.09.28是是30 条基 A-F ~A-G ×1/A-13 中风化石灰岩 符合 符合 否 31 条基 A-13×A-14(楼梯井) 中风化石灰岩 符合 符合 否 32 条基 A-F ~A-G ×A-13 中风化石灰岩 符合 符合 否 33 条基 A-E ~A-F ×A-13 中风化石灰岩 符合 符合 否 34 条基 A-A ~A-E ×A-13 中风化石灰岩 符合 符合 否 35 条基 A-13~A-14×A-D中风化石灰岩 符合 符合 否 36独基(J-7)A-7×A-E中风化石灰岩符合符合是2006.09.30是是施工单位审核人: 监理单位审核人:审核结果: (盖章) 审核结果: (盖章)日期: 2006 年 12月 5日 日期: 年 月 日地基验槽记录汇总表(9)工程名称:贵阳学院实验楼群A 栋 编号:A003 1、地基验槽记录 72页 2、钎探记录 17 页序 号 基础类型 验槽部位 基底持力层 基底持力 层是否符 合设计要求 断面尺寸 是否符合 设计要求 是否 钎探 验槽日期设计人员是否签证 勘察人员是否签证 备 注 37 独基(J-7) A-10×A-E 中风化石灰岩 符合 符合 是 2006.09.30 是 是38 独基(J-7) A-12×A-E 中风化石灰岩 符合 符合 是 39 独基(J-2) A-12×A-A 中风化石灰岩 符合 符合 否 40 独基(J-2) A-11×A-G 中风化石灰岩 符合 符合 是 41 独基(J-2) A-10×A-G 中风化石灰岩 符合 符合 是 42 独基(J-2) A-13×A-A 中风化石灰岩 符合 符合 否 43 独基(J-2) A-14×A-A 中风化石灰岩 符合 符合 否 44 独基(J-2) A-7×A-G 中风化石灰岩 符合 符合 否 45 独基(J-2) A-19×1/B-B 中风化石灰岩 符合 符合 是 属D 栋 46 独基(J-4) 1/A-18×1/B-B 中风化石灰岩 符合 符合 是 属D 栋 47 独基(J-2) A-6×A-A 中风化石灰岩 符合 符合 是 48 独基(J-7) A-4×A-E 中风化石灰岩 符合 符合 否 49 独基(J-7) A-5×A-E 中风化石灰岩符合 符合 是 50 独基(J-11) A-1×3/A-E+1650中风化石灰岩 符合 符合 是 51 独基(J-2) A-4×A-G 中风化石灰岩 符合 符合 否 52 独基(J-12)A-1×A-E 中风化石灰岩 符合 符合 否 53 独基(J-4) A-13×A-F 中风化石灰岩 符合 符合 否 54独基(J-4)A-13×A-G中风化石灰岩符合符合否施工单位审核人: 监理单位审核人:审核结果: (盖章) 审核结果: (盖章)日期: 2006 年 12月 5日 日期: 年 月 日地基验槽记录汇总表(9)工程名称:贵阳学院实验楼群A 栋 编号:A004 1、地基验槽记录 72页 2、钎探记录 17 页序 号 基础类型 验槽部位 基底持力层 基底持力 层是否符 合设计要求 断面尺寸 是否符合 设计要求 是否 钎探 验槽日期设计人员是否签证 勘察人员是否签证 备 注 55 独基(J-2) A-7×A-A 中风化石灰岩 符合 符合 否 2006.09.30 是 是56 独基(J-7) A-6×A-E 中风化石灰岩 符合 符合 是 57 独基(J-11) A-1-1970×A-E 中风化石灰岩 符合 符合 否 58 独基(J-2) A-5×A-A 中风化石灰岩 符合 符合 是 2006.10.10 是 是59 独基(J-2) A-4×A-A ~A-B 中风化石灰岩 符合 符合 是 60 孔桩(WKZ-1) A-3×A-G 中风化石灰岩 符合 符合 否 桩基 61 孔桩(WKZ-1) A-5×A-G 中风化石灰岩 符合 符合 否 桩基 62 孔桩(WKZ-1) A-1×A-G 中风化石灰岩 符合 符合 否 2006.10.13 是 是 桩基 63 孔桩(WKZ-2) A-8×A-G 中风化石灰岩 符合 符合 否 桩基64 独基(J-2) A-6×A-G 中风化石灰岩符合 符合 否 65 独基(J-11) A-1-600×A-C+600中风化石灰岩 符合 符合 是 66 独基(J-2)A-9×A-A 中风化石灰岩 符合 符合 是 67 条基 A-E ~A-F ×A-14 中风化石灰岩 符合 符合 否 2006.10.19 是 是68 条基 A-A ~A-E ×A-14 中风化石灰岩 符合 符合 否 69 条基 A-13~A-14×A-A 中风化石灰岩 符合 符合 否 70 条基 A-12~A-13×A-A 中风化石灰岩 符合 符合 否 71孔桩(WKZ-2)A-10×A-A 中风化石灰岩 符合 符合 是 2006.10.20 是 是 桩基 72 独基(J-4、10)A-1、A-2×A-B中风化石灰岩符合符合是2006.10.22施工单位审核人: 监理单位审核人:审核结果: (盖章) 审核结果: (盖章)日期: 2006 年 12月 5日 日期: 年 月 日地基验槽记录汇总表(9)工程名称:金世旗·帝景传说五组团C4栋楼 编号:A001 1、地基验槽记录 65页 2、钎探记录14页序 号 基础类型 验槽部位(轴线)基底持力层 基底持力 层是否符 合设计要求 断面尺寸 是否符合 设计要求 是否 钎探 验槽日期设计人员是否签证勘察人员是否签证备 注1 C4-1(ZH-1) 1×d 中风化石灰岩 符合 符合 否 2008.8.5是是2 C4-2(ZH-1) 2×d 中风化石灰岩 符合 符合 否3 C4-5(ZH-1) 5×d 中风化石灰岩 符合 符合 否4 C4-6(ZH-1) 9×d 中风化石灰岩 符合 符合 否5 C4-7(ZH-1) 15×d 中风化石灰岩 符合 符合 否6 C4-10(ZH-1) 32×d 中风化石灰岩 符合 符合 否7 C4-11(ZH-1) 36×d 中风化石灰岩 符合 符合 否8 C4-16(ZH-1) 5×1/a 中风化石灰岩 符合 符合 否9 C4-19(ZH-1) 26×1/a 中风化石灰岩 符合 符合 否 10 C4-20(ZH-1) 1/32×1/a 中风化石灰岩 符合 符合 是 11 C4-22(ZH-1) 1×U 中风化石灰岩 符合 符合 否 12 C4-23(ZH-1) 2×U 中风化石灰岩 符合 符合 否 13 C4-24(ZH-1) 3×U 中风化石灰岩 符合 符合 否 14 C4-30(ZH-1) 26×V 中风化石灰岩 符合 符合 否 15 C4-33(ZH-1) 28×T/S 中风化石灰岩 符合 符合 是 16 C4-34(ZH-3) 31×T/S 中风化石灰岩 符合 符合 否 17 C4-35(ZH-3) 36×T/S 中风化石灰岩 符合 符合 否 18C4-37(ZH-1)28×N中风化石灰岩符合符合否施工单位审核人: 监理单位审核人: 审核结果: (盖章) 审核结果: (盖章)日 期: 2008 年 9月20日 日 期: 年 月 日地基验槽记录汇总表(9)工程名称:金世旗·帝景传说五组团C4栋楼 编号:A002 1、地基验槽记录 65页 2、钎探记录 14 页序 号 基础类型 验槽部位 基底持力层 基底持力 层是否符 合设计要求 断面尺寸 是否符合 设计要求 是否 钎探 验槽日期设计人员是否签证 勘察人员是否签证备 注19 C4-38(ZH-1) 36×N 中风化石灰岩 符合 符合 否 2008.8.5是是20 C4-40(ZH-1) 28×M 中风化石灰岩 符合 符合 否 21 C4-41(ZH-1) 36×M 中风化石灰岩 符合 符合 否 22 C4-43(ZH-1) 28×L 中风化石灰岩 符合 符合 否 23 C4-44(ZH-1) 36×L 中风化石灰岩 符合 符合 否 24 C4-45(ZH-1) 43×L 中风化石灰岩 符合 符合 否 25 C4-46(ZH-1) 28×K 中风化石灰岩 符合 符合 是 26 C4-47(ZH-1) 38×K 中风化石灰岩 符合 符合 是 27 C4-48(ZH-1) 43×K 中风化石灰岩 符合 符合 是 28 C4-49(ZH-7) 8×J/G 中风化石灰岩 符合 符合 否 29 C4-50(ZH-1) 12×G 中风化石灰岩 符合 符合 否 30 C4-51(ZH-1) 25×G 中风化石灰岩 符合 符合 否 31 C4-52(ZH-7) 30×H/G 中风化石灰岩 符合 符合 是 32 C4-53(ZH-3) 38× H/G 中风化石灰岩 符合 符合 是 33 C4-54(ZH-1) 43×H/G 中风化石灰岩 符合 符合 否 34 C4-56(ZH-6) 17×D 中风化石灰岩 符合 符合 是 35 C4-57(ZH-1) 25×D 中风化石灰岩 符合 符合 否 36C4-58(ZH-1)30×D中风化石灰岩符合符合否施工单位审核人: 监理单位审核人:审核结果: (盖章) 审核结果: (盖章)日 期: 2006 年 9月 20日 日 期: 年 月 日地基验槽记录汇总表(9)工程名称:金世旗·帝景传说五组团C4栋楼 编号:A003 1、地基验槽记录 65页 2、钎探记录14页序 号 基础类型 验槽部位(轴线)基底持力层 基底持力 层是否符 合设计要求 断面尺寸 是否符合 设计要求 是否 钎探 验槽日期设计人员是否签证 勘察人员是否签证备 注37 C4-60(ZH-1) 8×A 中风化石灰岩 符合 符合 否 2008.8.5是是38 C4-61(ZH-1) 17×A 中风化石灰岩 符合 符合 否 39 C4-62(ZH-1) 24×A 中风化石灰岩 符合 符合 否 40 C4-63(ZH-1) 30×A 中风化石灰岩 符合 符合 否 41 C4-64(ZH-1) 34×A 中风化石灰岩 符合 符合 否 42 C4-3(ZH-1) 3×d 中风化石灰岩 符合 符合 否 2008.8.16是是43 C4-4(ZH-1) 4×d 中风化石灰岩 符合 符合 否 44 C4-8(ZH-1) 20×d 中风化石灰岩 符合 符合 否 45 C4-9(ZH-1) 26×d 中风化石灰岩 符合 符合 是 46 C4-12(ZH-1) 1×a 中风化石灰岩 符合 符合 否 47 C4-13(ZH-1) 2×a 中风化石灰岩 符合 符合 否 48 C4-14(ZH-1) 2×1/a 中风化石灰岩 符合 符合 否 49 C4-15(ZH-1) 4×1/a 中风化石灰岩 符合 符合 否 50 C4-17(ZH-4) 11×1/a 中风化石灰岩 符合 符合 否 51 C4-18(ZH-2) 20×1/a 中风化石灰岩 符合 符合 是 52 C4-25(ZH-1) 4×U 中风化石灰岩 符合 符合 否 53 C4-26(ZH-1) 5×U 中风化石灰岩 符合 符合 否 54C4-27(ZH-1)11×U中风化石灰岩符合符合否施工单位审核人: 监理单位审核人: 审核结果: (盖章) 审核结果: (盖章)日 期: 2008 年 9月20日 日 期: 年 月 日地基验槽记录汇总表(9)工程名称:金世旗·帝景传说五组团C4栋楼 编号:A004 1、地基验槽记录 65页 2、钎探记录 14 页序 号 基础类型 验槽部位 基底持力层 基底持力 层是否符 合设计要求 断面尺寸 是否符合 设计要求 是否 钎探 验槽日期设计人员是否签证 勘察人员是否签证备 注55 C4-28(ZH-5) 18×V/U 中风化石灰岩 符合 符合 是 2008.8.16是是56 C4-29(ZH-1) 25×V 中风化石灰岩 符合 符合 否 57 C4-31(ZH-1) 32×V 中风化石灰岩 符合 符合 否 58 C4-32(ZH-1) 36×V 中风化石灰岩 符合 符合 是 59 C4-36(ZH-1) 43×Q 中风化石灰岩 符合 符合 否 60 C4-39(ZH-1) 43×N 中风化石灰岩 符合 符合 否 61 C4-55+2(ZH-1) 8×F 中风化石灰岩 符合 符合 是 62 C4-55+4(ZH-1) 8×C 中风化石灰岩 符合 符合 是 64 C4-59(ZH-1) 34×D 中风化石灰岩 符合 符合 否 65 C4-21(ZH-1) 36×1/a中风化石灰岩符合 符合 否 2008.8.5是是以下空白施工单位审核人: 监理单位审核人:审核结果: (盖章) 审核结果: (盖章)日 期: 2006 年 9月 20日 日 期: 年 月 日地基验槽记录汇总表(9)工程名称:金世旗·帝景传说五组团C5栋楼 编号:A001 1、地基验槽记录47页 2、钎探记录15页序 号 基础类型 验槽部位(轴线)基底持力层 基底持力 层是否符 合设计要求 断面尺寸 是否符合 设计要求 是否 钎探 验槽日期设计人员是否签证勘察人员是否签证备 注1 C5-7(ZH-2) 4×U 中风化石灰岩 符合 符合 是 2008.8.5是是2 C5-11(ZH-1) 2×R 中风化石灰岩 符合 符合 否3 C5-12(ZH-1) 5×R 中风化石灰岩 符合 符合 否4 C5-13(ZH-1) 6×S 中风化石灰岩 符合 符合 否5 C5-14(ZH-1) 8×S 中风化石灰岩 符合 符合 否6 C5-15(ZH-1) 11×S 中风化石灰岩 符合 符合 否7 C5-16(ZH-4) 8×Q 中风化石灰岩 符合 符合 是8 C5-17(ZH-4) 13×Q 中风化石灰岩 符合 符合 是9 C5-18(ZH-1) 18×Q 中风化石灰岩 符合 符合 否 10 C5-19(ZH-1) 8×P 中风化石灰岩 符合 符合 否 11 C5-20(ZH-1) 13×P 中风化石灰岩 符合 符合 否 12 C5-21(ZH-1) 18×P 中风化石灰岩 符合 符合 否 13 C5-23(ZH-1) 1/11×N 中风化石灰岩 符合 符合 否 14 C5-25(ZH-1) 8×M 中风化石灰岩 符合 符合 否 15 C5-26(ZH-1) 1/11×M 中风化石灰岩 符合 符合 否 16 C5-28(ZH-1) 8×L 中风化石灰岩 符合 符合 否 17 C5-30(ZH-1) 18×L 中风化石灰岩 符合 符合 否 18C5-32(ZH-4)12×G中风化石灰岩符合符合是施工单位审核人: 监理单位审核人: 审核结果: (盖章) 审核结果: (盖章)日 期: 年 月 日 日 期: 年 月 日地基验槽记录汇总表(9)工程名称:金世旗·帝景传说五组团C5栋楼 编号:A002 1、地基验槽记录 47页 2、钎探记录 15 页序 号 基础类型 验槽部位 基底持力层 基底持力 层是否符 合设计要求 断面尺寸 是否符合 设计要求 是否 钎探 验槽日期设计人员是否签证 勘察人员是否签证备 注19 C5-33(ZH-4) 18×G 中风化石灰岩 符合 符合 是 2008.8.5是是20 C5-34(ZH-1) 21×G 中风化石灰岩 符合 符合 否 21 C5-35(ZH-1) 24×G 中风化石灰岩 符合 符合 否 22 C5-36(ZH-1) 26×G 中风化石灰岩 符合 符合 否 23 C5-38(ZH-3) 18×E 中风化石灰岩 符合 符合 是 24 C5-39(ZH-1) 21×E 中风化石灰岩 符合 符合 否 25 C5-40(ZH-3) 23×E 中风化石灰岩 符合 符合 是 26 C5-41(ZH-5) 26×E 中风化石灰岩 符合 符合 否 27 C5-42(ZH-1) 14×A 中风化石灰岩 符合 符合 是 28 C5-44(ZH-1) 21×A 中风化石灰岩 符合 符合 否 29 C5-45(ZH-1) 23×A 中风化石灰岩 符合 符合 否 30 C5-46(ZH-1) 27×A 中风化石灰岩 符合 符合 否 31 C5-3(ZH-1) 6×X 中风化石灰岩 符合 符合 否 2008.8.14是是32 C5-4(ZH-1) 9×X 中风化石灰岩 符合 符合 否 33 C5-5(ZH-1) 11×X 中风化石灰岩 符合 符合 否 34 C5-6(ZH-1) 2×U 中风化石灰岩 符合 符合 是 35 C5-8(ZH-1) 6×U 中风化石灰岩 符合 符合 否 36C5-9(ZH-3)8/9×U中风化石灰岩符合符合是施工单位审核人: 监理单位审核人:审核结果: (盖章) 审核结果: (盖章)日 期: 年 月 日 日 期: 年 月 日地基验槽记录汇总表(9)工程名称:金世旗·帝景传说五组团C5栋楼 编号:A003 1、地基验槽记录 47页 2、钎探记录15页序 号 基础类型 验槽部位(轴线)基底持力层 基底持力 层是否符 合设计要求 断面尺寸 是否符合 设计要求 是否 钎探 验槽日期设计人员是否签证 勘察人员是否签证备 注37 C5-10(ZH-1) 11×U 中风化石灰岩 符合 符合 否 2008.8.14是是38 C5-22(ZH-1) 8×N 中风化石灰岩 符合 符合 否 39 C5-24(ZH-1) 18×N 中风化石灰岩 符合 符合 否 40 C5-27(ZH-1) 18×M 中风化石灰岩 符合 符合 否 41 C5-37(ZH-5) 14×E 中风化石灰岩 符合 符合 是 42 C5-43(ZH-1)19×A 中风化石灰岩 符合 符合 是43 C5-1 2×Y/X 中风化石灰岩 符合 符合 否 2008.8.22是是独立柱基础44 C5-2+1 1/2×X 中风化石灰岩 符合 符合 是 45 C5-2+2 1/5×X 中风化石灰岩 符合 符合 是 46 C5-29 12×L 中风化石灰岩 符合 符合 否 47 C5-31 8×J 中风化石灰岩符合 符合 是 48 以下空白49 50 51 52 53 54施工单位审核人: 监理单位审核人: 审核结果: (盖章) 审核结果: (盖章)日 期: 年 月 日 日 期: 年 月 日地基验槽记录汇总表(9)工程名称:金世旗·帝景传说五组团C6栋楼 编号:A001 1、地基验槽记录 71页 2、钎探记录19页序 号 基础类型 验槽部位(轴线)基底持力层 基底持力 层是否符 合设计要求 断面尺寸 是否符合 设计要求 是否 钎探 验槽日期设计人员是否签证勘察人员是否签证备 注1 C6-1(ZH-1) 24×S 中风化石灰岩 符合 符合 否 2008.8.6是是2 C6-4(ZH-1) 24×R 中风化石灰岩 符合 符合 否3 C6-4(ZH-1) 1/26×R 中风化石灰岩 符合 符合 否4 C6-6(ZH-1) 30×R 中风化石灰岩 符合 符合 否5 C6-10(ZH-1) 24×N 中风化石灰岩 符合 符合 否6 C6-11(ZH-1) 27×N 中风化石灰岩 符合 符合 否7 C6-15(ZH-1) 30×L 中风化石灰岩 符合 符合 否8 C6-17(ZH-1) 1×1/P 中风化石灰岩 符合 符合 否9 C6-22(ZH-1) 7×3/L 中风化石灰岩 符合 符合 否 10 C6-23(ZH-1) 1×1/K 中风化石灰岩 符合 符合 否 11 C6-24(ZH-1) 4×1/K 中风化石灰岩 符合 符合 否 12 C6-25(ZH-1) 7×1/K 中风化石灰岩 符合 符合 否 13 C6-26(ZH-1) 1×3/G 中风化石灰岩 符合 符合 否 14 C6-28(ZH-1) 7×3/E 中风化石灰岩 符合 符合 否 15 C6-30(ZH-1) 9×3/E 中风化石灰岩 符合 符合 否 16 C6-31(ZH-1) 11×3/E 中风化石灰岩 符合 符合 否 17 C6-37(ZH-1) 1/18×4/E 中风化石灰岩 符合 符合 否 18C6-38(ZH-1)20×H中风化石灰岩符合符合否施工单位审核人: 监理单位审核人: 审核结果: (盖章) 审核结果: (盖章)日 期: 年 月 日 日 期: 年 月 日地基验槽记录汇总表(9)工程名称:金世旗·帝景传说五组团C6栋楼 编号:A002 1、地基验槽记录 71页 2、钎探记录 19 页序 号 基础类型 验槽部位 基底持力层 基底持力 层是否符 合设计要求 断面尺寸 是否符合 设计要求 是否 钎探 验槽日期设计人员是否签证 勘察人员是否签证备 注19 C6-39(ZH-1) 1/28×H 中风化石灰岩 符合 符合 否 2008.8.6是是20 C6-40(ZH-1) 22×H 中风化石灰岩 符合 符合 否 21 C6-41(ZH-4) 24×1/H 中风化石灰岩 符合 符合 否 22 C6-43(ZH-1) 1×1/E 中风化石灰岩 符合 符合 否 23 C6-47(ZH-1) 9×1/B 中风化石灰岩 符合 符合 否 24 C6-51(ZH-1) 16×2/E 中风化石灰岩 符合 符合 否 25 C6-2(ZH-1) 1/26×S 中风化石灰岩 符合 符合 否 2008.8.16是是26 C6-3(ZH-1) 30×S 中风化石灰岩 符合 符合 否 27 C6-7(ZH-1) 24×P 中风化石灰岩 符合 符合 否 28 C6-8(ZH-1) 27×P 中风化石灰岩 符合 符合 否 29 C6-9(ZH-1) 30×P 中风化石灰岩 符合 符合 否 30 C6-12(ZH-1) 30×N 中风化石灰岩 符合 符合 否 31 C6-13(ZH-1) 24×L 中风化石灰岩 符合 符合 否 32 C6-14(ZH-8) 27×L 中风化石灰岩 符合 符合 否 33 C6-16(ZH-1) 30×K 中风化石灰岩 符合 符合 否 34 C6-18(ZH-2) 4×1/P 中风化石灰岩 符合 符合 是 35 C6-19(ZH-1) 7×4/L 中风化石灰岩 符合 符合 否 36C6-20(ZH-1)1×2/L中风化石灰岩符合符合否施工单位审核人: 监理单位审核人:审核结果: (盖章) 审核结果: (盖章)日 期: 年 月 日 日 期: 年 月 日地基验槽记录汇总表(9)工程名称:金世旗·帝景传说五组团C6栋楼 编号:A003 1、地基验槽记录 71页 2、钎探记录19页序 号 基础类型 验槽部位(轴线)基底持力层 基底持力 层是否符 合设计要求 断面尺寸 是否符合 设计要求 是否 钎探 验槽日期设计人员是否签证 勘察人员是否签证备 注37 C6-21(ZH-3) 4×2/L 中风化石灰岩 符合 符合 是 2008.8.16是是38 C6-27(ZH-3) 4×3/G 中风化石灰岩 符合 符合 是 39 C6-29(ZH-1) 1/7×3/E 中风化石灰岩 符合 符合 否 40 C6-32(ZH-1) 1/11×3/E 中风化石灰岩 符合 符合 是 41 C6-33(ZH-1) 14×4/E 中风化石灰岩 符合 符合 否 42 C6-34(ZH-1) 1/14×4/E 中风化石灰岩 符合 符合 否 43 C6-35(ZH-1) 16×4/E 中风化石灰岩 符合 符合 否 44 C6-36(ZH-1) 18×4/E 中风化石灰岩 符合 符合 否 45 C6-42(ZH-1) 27×1/H 中风化石灰岩 符合 符合 否 46 C6-44(ZH-2) 4×1/E 中风化石灰岩 符合 符合 是 47 C6-45(ZH-5) 7×1/E 中风化石灰岩 符合 符合 是 48 C6-46(ZH-3) 8×1/B 中风化石灰岩 符合 符合 是 49 C6-48(ZH-3) 10×1/B 中风化石灰岩 符合 符合 是 50 C6-49(ZH-6) 13×2/E 中风化石灰岩 符合 符合 是 51 C6-50(ZH-3) 15×2/E 中风化石灰岩 符合 符合 是 52 C6-52(ZH-3) 17×2/E 中风化石灰岩 符合 符合 是 53 C6-53(ZH-6) 19×F 中风化石灰岩 符合 符合 是 54C6-54(ZH-3)21×F中风化石灰岩符合符合是施工单位审核人: 监理单位审核人: 审核结果: (盖章) 审核结果: (盖章)日 期: 年 月 日 日 期: 年 月 日地基验槽记录汇总表(9)工程名称:金世旗·帝景传说五组团C6栋楼 编号:A004 1、地基验槽记录 71页 2、钎探记录 19 页序 号 基础类型 验槽部位 基底持力层 基底持力 层是否符 合设计要求 断面尺寸 是否符合 设计要求 是否 钎探 验槽日期设计人员是否签证 勘察人员是否签证备 注55 C6-55(ZH-1) 22×F 中风化石灰岩 符合 符合 否 2008.8.16是是56 C5-56(ZH-3) 23×F 中风化石灰岩 符合 符合 是 57 C5-57(ZH-2) 26×F 中风化石灰岩 符合 符合 是 58 C6-58(ZH-1) 6×A 中风化石灰岩 符合 符合 否 59 C6-59(ZH-1) 8×A 中风化石灰岩 符合 符合 否 60 C6-60(ZH-1) 9×A 中风化石灰岩 符合 符合 否 61 C6-61(ZH-1) 10×A 中风化石灰岩 符合 符合 否 62 C6-62(ZH-7) 12×A 中风化石灰岩 符合 符合 是 63 C6-63(ZH-1) 15×B 中风化石灰岩 符合 符合 否 64 C6-64(ZH-1) 16×B 中风化石灰岩 符合 符合 否 65 C6-65(ZH-1) 17×B 中风化石灰岩 符合 符合 是 66 C6-66(ZH-7) 19×C 中风化石灰岩 符合 符合 是 67 C6-67(ZH-1) 21×C 中风化石灰岩 符合 符合 否 68 C6-68(ZH-1) 22×C 中风化石灰岩 符合 符合 否 69 C6-69(ZH-1) 23×C 中风化石灰岩 符合 符合 否 70 C6-70(ZH-1) 26×C 中风化石灰岩 符合 符合 否 71 C6-71(ZH-1)25×H 中风化石灰岩符合 符合 是施工单位审核人: 监理单位审核人:审核结果: (盖章) 审核结果: (盖章) 日 期: 年 月 日 日 期: 年 月 日。
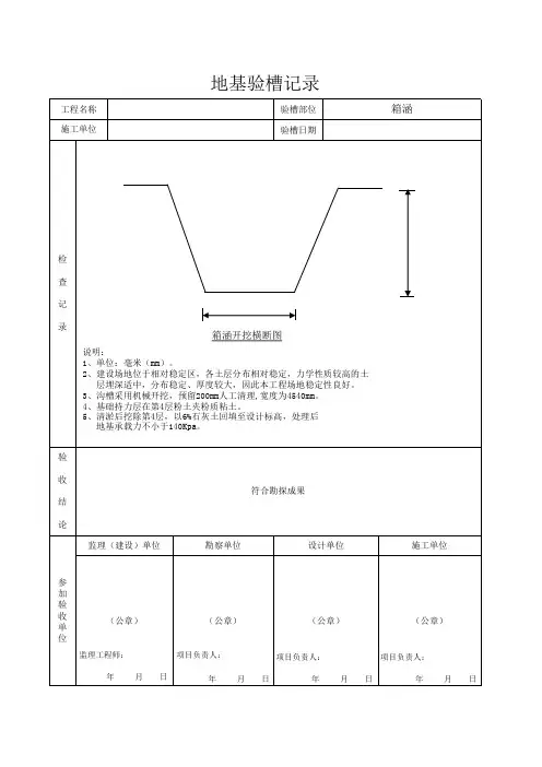
地基验槽(复验)记录(建)表 4.1.5.1(DBJ3-56-2004)附图及说明:1、经建设、监理、勘察、设计、施工等相关单位对地基基槽进行验收。
地基土质、基槽尺寸、标高、轴线、持力层等均符合地质勘察报告及设计规范要求。
2、基槽开挖长92.8米,基底开挖宽0.8米,开挖深度为1.8米,放坡1:0.55.地基验槽(复验)记录(建)表 4.1.5.1(DBJ3-56-2004)共附图及说明:1、经建设、监理、勘察、设计、施工等相关单位对地基基槽进行验收。
地基土质、基槽尺寸、标高、轴线、持力层等均符合地质勘察报告及设计规范要求。
2、基槽开挖长119 米,基底开挖宽0.8米,开挖深度为1.85米,放坡1:0.55.地基验槽(复验)记录(建)表 4.1.5.1(DBJ3-56-2004)附图及说明:1、经建设、监理、勘察、设计、施工等相关单位对地基基槽进行验收。
地基土质、基槽尺寸、标高、轴线、持力层等均符合地质勘察报告及设计规范要求。
2、基槽开挖长90 米,基底开挖宽0.8米,开挖深度为1.88米,放坡1:0.55.地基验槽(复验)记录(建)表 4.1.5.1(DBJ3-56-2004)共页第附图及说明:1、经建设、监理、勘察、设计、施工等相关单位对地基基槽进行验收。
地基土质、基槽尺寸、标高、轴线、持力层等均符合地质勘察报告及设计规范要求。
2、基槽开挖长10.6米,基底开挖宽0.8米,开挖深度为1.8米,放坡1:0.55.地基验槽(复验)记录(建)表 4.1.5.1(DBJ3-56-2004)共页附图及说明:1、经建设、监理、勘察、设计、施工等相关单位对地基基槽进行验收。
地基土质、基槽尺寸、标高、轴线、持力层等均符合地质勘察报告及设计规范要求。
2、基槽开挖长99.8 米,基底开挖宽2.2米,开挖深度为1.88米,放坡1:0.55.地基验槽(复验)记录(建)表 4.1.5.1(DBJ3-56-2004)附图及说明:3、经建设、监理、勘察、设计、施工等相关单位对地基基槽进行验收。
地基验槽记录表一、工程概述本次验槽的工程项目为_____,位于_____,总建筑面积为_____平方米。
该建筑为_____结构,基础形式为_____。
二、验槽依据1、工程地质勘察报告。
2、基础设计图纸及相关技术规范。
三、参与验槽单位及人员1、建设单位:_____、_____。
2、勘察单位:_____、_____。
3、设计单位:_____、_____。
4、施工单位:_____、_____。
5、监理单位:_____、_____。
四、验槽时间及地点验槽时间:_____年_____月_____日验槽地点:施工现场五、地基土情况1、土层分布第一层:_____,土层厚度为_____米,颜色为_____,状态为_____。
第二层:_____,土层厚度为_____米,颜色为_____,状态为_____。
2、土质情况对各土层的土质进行描述,包括颗粒大小、均匀程度、粘性等。
观察土层中是否存在杂质、异物等。
3、地下水情况说明地下水位的深度。
描述地下水的水质、有无腐蚀性等。
六、基槽尺寸及标高1、基槽长度:_____米,宽度:_____米,符合设计要求。
2、基槽底标高:_____米,与设计标高相比偏差在允许范围内。
七、槽底土质检验1、采用钎探等方法对槽底土质进行检验。
钎探点布置:按照规范要求,在基槽内均匀布置钎探点。
钎探深度:达到设计要求的深度。
钎探结果:记录每一个钎探点的锤击数,并根据锤击数判断槽底土质的均匀性和承载力。
2、对槽底土质进行取样,送实验室进行土工试验。
取样数量:符合相关规范要求。
试验项目:包括土的含水率、密度、压缩性、抗剪强度等。
试验结果:根据试验报告,判断槽底土质是否满足设计要求。
八、验槽结论1、经过现场查验和相关试验结果分析,基槽土质与地质勘察报告相符,槽底标高、尺寸符合设计要求,槽底土质均匀,无异常情况。
2、地下水对基础施工无不利影响。
3、综上所述,该地基可以进行下一步基础施工。
九、存在问题及处理意见1、在验槽过程中,发现局部存在_____问题。
质控(建)表4.1.5.1 共页第页工程名称施工单位验槽部位验槽日期地基土质情况符合设计图纸要求基槽尺寸标高符合设计图纸要求持力层设计要求符合设计图纸要求附图及说明:施工单位符合要求初验结论验槽结论(复验)勘察单位设计单位施工单位监理单位项目负责人:项目专业负责人:项目技术负责人:专业监理工程师:质控(建)表4.1.5.1 共页第页工程名称德化县西门至陶瓷学院道路工程施工单位福建省宏泰建设发展有限公司验槽部位K0+820盖板涵基槽验槽日期2011年 6 月 5 日地基土质情况符合设计图纸要求基槽尺寸标高符合设计图纸要求持力层设计要求符合设计图纸要求附图及说明:施工单位符合要求初验结论验槽结论(复验)勘察单位设计单位施工单位监理单位项目负责人:项目专业负责人:项目技术负责人:专业监理工程师:质控(建)表4.1.5.1 共页第页工程名称德化县西门至陶瓷学院道路工程施工单位福建省宏泰建设发展有限公司验槽部位K0+820~K0+845左侧片石砼挡墙验槽日期2011年 7 月 6 日地基土质情况符合设计图纸要求基槽尺寸标高符合设计图纸要求持力层设计要求符合设计图纸要求附图及说明:施工单位符合要求初验结论验槽结论(复验)勘察单位设计单位施工单位监理单位项目负责人:项目专业负责人:项目技术负责人:专业监理工程师:质控(建)表4.1.5.1 共页第页工程名称德化县西门至陶瓷学院道路改造工程施工单位福建省宏泰建设发展有限公司验槽部位K1+810~K1+920右侧挡土墙基槽验槽日期2011年7月23日地基土质情况砂性粘土基槽尺寸标高符合设计图纸要求持力层设计要求符合设计图纸要求附图及说明:施工单位符合要求初验结论验槽结论(复验)勘察单位设计单位施工单位监理单位项目负责人:项目专业负责人:项目技术负责人:专业监理工程师:、地基验槽(复验)记录质控(建)表4.1.5.1 共页第页工程名称德化县西门至陶瓷学院道路改造工程施工单位福建省宏泰建设发展有限公司验槽部位K0+560~K0+620左侧重力式挡墙基槽验槽日期2011年7月24日地基土质情况中分化岩层,粉质粘土基槽尺寸标高符合设计图纸要求持力层设计要求符合设计图纸要求附图及说明:施工单位符合要求初验结论验槽结论(复验)勘察单位设计单位施工单位监理单位项目负责人:项目专业负责人:项目技术负责人:专业监理工程师:质控(建)表4.1.5.1 共页第页工程名称德化县西门至陶瓷学院道路改造工程施工单位福建省宏泰建设发展有限公司验槽部位K1+870~K1+910右侧仰斜式挡墙基槽验槽日期2011年7月24日地基土质情况素填土、粉质粘土基槽尺寸标高符合设计图纸要求持力层设计要求符合设计图纸要求附图及说明:施工单位符合要求初验结论验槽结论(复验)勘察单位设计单位施工单位监理单位项目负责人:项目专业负责人:项目技术负责人:专业监理工程师:质控(建)表4.1.5.1 共页第页工程名称德化县西门至陶瓷学院道路改造工程施工单位福建省宏泰建设发展有限公司验槽部位K0+845~K0+880左侧重力式挡墙基槽验槽日期2011年7月27 日地基土质情况砂性粘土基槽尺寸标高符合设计图纸要求持力层设计要求符合设计图纸要求附图及说明:施工单位初验结论符合要求验槽结论(复验)勘察单位设计单位施工单位监理单位项目负责人:项目专业负责人:项目技术负责人:专业监理工程师:。
共页第页工程名称施工单位验槽部位Y0+000-Y0+100 验槽日期地基土质情况土质与地质勘察报告相符基槽尺寸标高基槽尺寸标高与施工图相符。
持力层设计要求持力层满足设计要求。
附图及说明:经建设、监理、勘察、设计、施工等相关单位对地基基槽进行验收。
地基土质、基槽尺寸、标高、轴线、持力层等均符合地质勘察报告及设计规范要求。
Y0+000-Y0+100段底高程79.87m~76.78m施工单位初验结论经检查基底持力层为风化凝灰熔岩、地基匀质、尺寸、标高、基土等符合图纸设计及施工规范要求。
验槽结论(复验)设计单位施工单位监理单位建设单位项目负责人:项目技术负责人:监理工程师:项目负责人:共页第页工程名称施工单位验槽部位Y0+100-Y0+200 验槽日期地基土质情况土质与地质勘察报告相符基槽尺寸标高基槽尺寸标高与施工图相符。
持力层设计要求持力层满足设计要求。
附图及说明:经建设、监理、勘察、设计、施工等相关单位对地基基槽进行验收。
地基土质、基槽尺寸、标高、轴线、持力层等均符合地质勘察报告及设计规范要求。
Y0+100-Y0+200段底高程76.78m~76.36m施工单位初验结论经检查基底持力层为风化凝灰熔岩、地基匀质、尺寸、标高、基土等符合图纸设计及施工规范要求。
验槽结论(复验)设计单位施工单位监理单位建设单位项目负责人:项目技术负责人:监理工程师:项目负责人:共页第页工程名称施工单位验槽部位Y0+200-Y0+300 验槽日期地基土质情况土质与地质勘察报告相符基槽尺寸标高基槽尺寸标高与施工图相符。
持力层设计要求持力层满足设计要求。
附图及说明:经建设、监理、勘察、设计、施工等相关单位对地基基槽进行验收。
地基土质、基槽尺寸、标高、轴线、持力层等均符合地质勘察报告及设计规范要求。
Y0+200-Y0+300段底高程76.36m~75.97m施工单位初验结论经检查基底持力层为风化凝灰熔岩、地基匀质、尺寸、标高、基土等符合图纸设计及施工规范要求。
地基验槽检查记录表(可以直接使用,可编辑优质资料,欢迎下载)地基验槽检查记录表地基验槽报验申请表工程名称:宜章弘源化工有限责任公司地下管网工程区编号:ZSY-WG-008地基验槽检查记录表地基验槽报验申请表工程名称:宜章弘源化工有限责任公司地下管网工程编号:ZSY-WG-009地基验槽检查记录表地基验槽报验申请表工程名称:宜章弘源化工有限责任公司地下管网工程编号:ZSY-WG-010Q/CSG表BJ2—38—1 编号:TGY-DTQ-CD0地基验槽(坑)检查记录Q/CSG表BJ2-38-2编号:TGY-DTQ—CD002Q/CSG表BJ2—38—1 编号:TGY—DTQ-CD003地基验槽(坑)检查记录Q/CSG表BJ2-38-2 编地基验槽(坑)检查记录Q/CSG表BJ2-38-1 编号:TGY-DTQ—CD004地基验槽(坑)检查记录Q/CSG表BJ2-38-2编号:TGY-DTQ—CD004地基验槽(坑)检查记录Q/CSG表BJ2—38-1 编号:TGY-DTQ—CD005地基验槽(坑)检查记录Q/CSG表BJ2-38-2编号:TGY—DTQ-CD005地基验槽(坑)检查记录Q/CSG表BJ2—38—1 编地基验槽(坑)检查记录Q/CSG表BJ2-38-2 编号:TGY-DTQ—AB001地基验槽(坑)检查记录Q/CSG表BJ2-38-1编号:TGY-DTQ-CD006地基验槽(坑)检查记录Q/CSG表BJ2-38-2 编号:T地基验槽(坑)检查记录Q/CSG表BJ2-38-1编号:TGY-DTQ—BC001地基验槽(坑)检查记录Q/CSG表BJ2-38-2 编号:TGY-DTQ-BC001地基验槽(坑)检查记录Q/CSG表BJ2-38—1 编号:TGY—DTQ-HJK001Q/CSG表BJ2-38-1 编号:TGY—DTQ—MN001地基验槽(坑)检查记录Q/CSG表BJ2-38-2 编号:TGY-DTQ—MN001地基验槽(坑)检查记录Q/CSG表BJ2-38—1编号:TGY—DTQ—CD007地基验槽(坑)检查记录Q/CSG表BJ2-38-2地基验槽(坑)检查记录Q/CSG表BJ2-38-1 编号:TGY-DTQ-MN002地基验槽(坑)检查记录Q/CSG表BJ2-38—2 编号:TGY-DTQ-MN002地基验槽(坑)检查记录Q/CSG表BJ2-38-1 编号:TGY-DTQ-MN003地基验槽(坑)检查记录Q/CSG表BJ2—38—2地基验槽(坑)检查记录Q/CSG表BJ2-38—1编号:TGY—DTQ-KM001地基验槽(坑)检查记录Q/CSG表BJ2—38—2编号:TGY-DTQ-KM001地基验槽(坑)检查记录Q/CSG表BJ2-38-1 编号:TGY-DTQ-MN004地基验槽(坑)检查记录Q/CSG表BJ2-38-2地基验槽(坑)检查记录Q/CSG表BJ2-38-1 编号:TGY-DTQ-BC002地基验槽(坑)检查记录Q/CSG表BJ2-38—2编号:TGY—DTQ-BC002地基验槽(坑)检查记录Q/CSG表BJ2—38-1 编号:TGY-DTQ—KM002地基验槽(坑)检查记录Q/CSG表BJ2—38-2 编地基验槽(坑)检查记录Q/CSG表BJ2-38—1 编号:TGY—DTQ—KM003。