地基验槽记录表
- 格式:doc
- 大小:535.00 KB
- 文档页数:32
地基验槽记录地基验槽记录工程名称 验槽部位 W6-W11 污水管道基槽施工单位 验槽日期2016.1.15验槽内容:1、槽基开挖至勘探报告 层,持力层为 中粗砂 层。
2、基底绝对高程 。
3、土质情况 符合设计要求 。
沟槽开挖横断面图检 查 意见建设单位监理单位 勘察单位 设计单位 施工单位 参 (公章) (公章)(公章)(公章)(公章)加 验 收 单 位签字: 签字: 签字: 签字: 签字:日期: 日期: 日期: 日期: 日期:检 查 记 录工程名称 验槽部位 W6-w9 污水管道基槽施工单位 验槽日期2015.10.15验槽内容:1、槽基开挖至勘探报告 层,持力层为 中粗砂 层。
2、基底绝对高程 。
3、土质情况 符合设计要求 。
检 查 记 录检 查 意 见建设单位监理单位 勘察单位 设计单位 施工单位 参 (公章) (公章)(公章)(公章)(公章)加 验 收 单 位签字: 签字: 签字: 签字: 签字:日期:日期: 日期: 日期: 日期:沟槽开挖横断面图工程名称 验槽部位 W10-w11 污水管基槽施工单位 验槽日期2015.8.31验槽内容:1、槽基开挖至勘探报告 层,持力层为 中粗砂 层。
2、基底绝对高程 。
3、土质情况 符合设计要求 。
检 查 记 录检 查 意 见建设单位监理单位 勘察单位 设计单位 施工单位 参 (公章) (公章)(公章)(公章)(公章)加 验 收 单 位签字: 签字: 签字: 签字: 签字:日期: 日期: 日期: 日期: 日期:沟槽开挖横断面图工程名称 验槽部位 Y12-Y19雨水管基槽施工单位 验槽日期2016.1.5验槽内容:1、槽基开挖至勘探报告 / 层,持力层为 中粗砂 层。
2、基底绝对高程 16.394 。
3、土质情况 符合设计要求,承载力设计值 120Kpa检 查 记 录检 查 意 见建设单位监理单位 勘察单位 设计单位 施工单位 参 (公章) (公章)(公章)(公章)(公章)加 验 收 单 位签字: 签字: 签字: 签字: 签字:日期:日期: 日期: 日期: 日期:沟槽开挖横断面图地基验槽记录验槽内容:1、槽基开挖至勘探报告 / 层,持力层为 中粗砂 层。
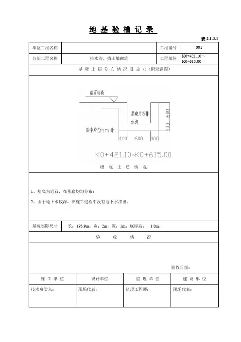
表2.1.3.1单位工程名称工程编号001
分部工程名称排水沟、挡土墙砌筑工程部位K0+421.10~K0+615.00
基壁土层分布情况及走向(附示意图)
槽底土质情况
1、基底为岩石,在基底均匀分布;
2、由于地下水较深,在施工过程中没有地下水渗出。
基坑实际尺寸长:193.9m;宽:2m;深:1m;底标高:-1.0m。
验收情况
验收日期:施工单位设计单位监理单位建设单位技术负责人:现场代表:监理工程师:现场代表:
表2.1.3.1单位工程名称工程编号001
分部工程名称排水沟、挡土墙砌筑工程部位K0+000.00~K0+421.00
基壁土层分布情况及走向(附示意图)
槽底土质情况
1、基底为岩石,在基底均匀分布;
2、由于地下水较深,在施工过程中没有地下水渗出。
基坑实际尺寸长:421m;宽:2.3m;深:2.3m;坡度:1:0.25 ;底标高:-2.3m。
验收情况
验收日期:施工单位设计单位监理单位建设单位技术负责人:现场代表:监理工程师:现场代表:。
Q/CSG表BJ2—38—2 编号:TGY-DTQ—地基验槽(坑)检查记录Q/CSG表BJ2—38—1 编号:TGY—DTQ—地基验槽(坑)检查记录Q/CSG表BJ2—38-2 编号:TGY—DTQ-CD002Q/CSG表BJ2-38-1 编号:TGY-DTQ-CD003地基验槽(坑)检查记录Q/CSG表BJ2—38—2 编号:地基验槽(坑)检查记录Q/CSG表BJ2—38—1 编号:TGY—地基验槽(坑)检查记录Q/CSG表BJ2-38-2 编号:TGY—地基验槽(坑)检查记录Q/CSG表BJ2—38—1 编号:TGY-DTQ—地基验槽(坑)检查记录Q/CSG表BJ2—38-2 编号:TGY—DTQ—CD005地基验槽(坑)检查记录Q/CSG表BJ2-38-1 编号:TGY-DTQ—AB001地基验槽(坑)检查记录Q/CSG表BJ2-38-2 编号:TGY—地基验槽(坑)检查记录Q/CSG表BJ2—38—1 编号:TGY-DTQ-CD006地基验槽(坑)检查记录Q/CSG表BJ2—38—2 编号:TGY-DTQ-CD006地基验槽(坑)检查记录Q/CSG表BJ2-38—1 编号:TGY—DTQ—BC001地基验槽(坑)检查记录Q/CSG表BJ2-38—2 编号:TGY—DTQ—地基验槽(坑)检查记录Q/CSG表BJ2-38—1 编号:TGY-DTQ—HJK001地基验槽(坑)检查记录Q/CSG表BJ2-38—2 编号:TGY-DTQ—HJK001地基验槽(坑)检查记录Q/CSG表BJ2—38-1 编号:TGY—DTQ-MN001地基验槽(坑)检查记录Q/CSG表BJ2-38—2 编号:TGY-DTQ—地基验槽(坑)检查记录Q/CSG表BJ2-38-1 编号:TGY-DTQ-CD007地基验槽(坑)检查记录Q/CSG表BJ2—38—2 编号:TGY-DTQ—CD007地基验槽(坑)检查记录Q/CSG表BJ2—38—1 编号:TGY—DTQ-MN002地基验槽(坑)检查记录Q/CSG表BJ2-38—2 编号:TGY-DTQ—地基验槽(坑)检查记录Q/CSG表BJ2-38—1 编号:TGY—DTQ-MN003地基验槽(坑)检查记录Q/CSG表BJ2—38—2 编号:TGY-DTQ —MN003地基验槽(坑)检查记录Q/CSG表BJ2-38—1 编号:TGY—DTQ-KM001地基验槽(坑)检查记录Q/CSG表BJ2-38—2 编号:TGY—DTQ—地基验槽(坑)检查记录Q/CSG表BJ2-38—1 编号:TGY—DTQ-MN004地基验槽(坑)检查记录Q/CSG表BJ2—38-2 编号:TGY—DTQ-MN004地基验槽(坑)检查记录Q/CSG表BJ2-38—1 编号:TGY-DTQ-BC002地基验槽(坑)检查记录Q/CSG表BJ2-38-2 编号:TGY—DTQ—地基验槽(坑)检查记录Q/CSG表BJ2—38-1 编号:TGY—地基验槽(坑)检查记录Q/CSG表BJ2-38—2 编号:TGY—DTQ —KM002地基验槽(坑)检查记录Q/CSG表BJ2-38—1 编号:TGY—DTQ—KM003地基验槽(坑)检查记录Q/CSG表BJ2-38—2 编号:TGY-DTQ—地基验槽(坑)检查记录Q/CSG表BJ2—38—1 编号:TGY—DTQ-MN005地基验槽(坑)检查记录Q/CSG表BJ2-38-2 编号:TGY-DTQ-MN005地基验槽(坑)检查记录Q/CSG表BJ2—38—1 编号:TGY—DTQ—MN006地基验槽(坑)检查记录Q/CSG表BJ2-38—2 编号:地基验槽(坑)检查记录Q/CSG表BJ2-38-1 编号:TGY-DTQ—MN006。
地基验槽记录表格1. 检查槽的基本信息
2. 槽的尺寸和形状
3. 槽的土质情况
4. 槽的施工情况
5. 其他检查记录
- [ ] 水位观测
- [ ] 底部平整度检查
- [ ] 槽壁沉降观测
- [ ] 断面形状检查
备注:(可以添加其他需要记录的内容)
6. 检查结论
在进行地基验槽记录检查的过程中,需要填写上述表格,详尽记录槽的基本信息、尺寸和形状、土质情况、施工情况以及其他检
查记录。
根据检查结果,可以得出相应的结论和建议,以便后续工程的进行。
注意:请根据实际情况填写表格内容,确保准确、全面地记录地基验槽的相关信息。
地基验槽记录表专用版地基验槽记录表专用版是用于记录地基验槽的详细信息和观察结果的文件。
以下是该记录表的内容:1. 项目信息- 项目名称:[填写项目名称]- 施工单位:[填写施工单位名称]- 监理单位:[填写监理单位名称]- 建设单位:[填写建设单位名称]- 施工负责人:[填写施工负责人名称]- 监理负责人:[填写监理负责人名称]- 建设负责人:[填写建设负责人名称]- 验槽日期:[填写验槽日期]2. 地基验槽信息- 验槽点位:[填写验槽点位编号]- 所属工程:[填写所属工程名称]- 地基类型:[填写地基类型,如岩石、填土等]- 加固方式:[填写加固方式,如灌注桩、搅拌桩等]- 地下水情况:[填写地下水位及水质情况]3. 观察结果- 地基情况:- [填写地基情况和观测数据]- 加固效果:- [填写加固效果观察结果]- 潜在隐患:- [填写发现的潜在隐患及建议]4. 环境因素- 天气情况:[填写当天天气情况]- 温度:[填写当天温度]- 湿度:[填写当天湿度]- 其他环境因素:[填写其他需要记录的环境因素]5. 验槽人员及签名- 施工单位:- [填写施工单位验槽人员名称及签名]- 监理单位:- [填写监理单位验槽人员名称及签名]注意事项:- 本记录表应在验槽结束后及时填写完整。
- 验槽人员应准确记录观察结果,如有异样情况及时上报。
- 验槽人员应注意安全,遵守相关施工规范和操作规程。
以上是地基验槽记录表专用版的内容,详细记录地基验槽的信息和观察结果有助于项目的安全施工和监理工作的顺利进行。
地基验槽(复验)记录(建)表4.1.5.1(DBJ3-56-2004)共页第页工程名称丹江口市官山镇污水处理工程-排水工程施工单位省工业建筑集团验槽部位WD1-WD4段管沟验槽日期2015年 10 月 6 日地基土质情况土质与地质勘察报告相符基槽尺寸标高基槽尺寸标高与施工图相符。
持力层设计要求持力层满足设计要求。
附图及说明:1、经建设、监理、勘察、设计、施工等相关单位对地基基槽进行验收。
地基土质、基槽尺寸、标高、轴线、持力层等均符合地质勘察报告及设计规要求。
2、基槽开挖长92.8米,基底开挖宽0.8米,开挖深度为1.8米,放坡1:0.55.施工单位初验结论经检查基底持力层为粘性土层、地基匀质、尺寸、标高、基土等符合图纸设计及施工规要求。
验槽结论(复验)/勘察单位设计单位施工单位监理单位项目负责人:项目专业负责人:项目技术负责人:专业监理工程师:地基验槽(复验)记录(建)表4.1.5.1(DBJ3-56-2004)共页第工程名称丹江口市官山镇污水处理工程-排水工程施工单位省工业建筑集团验槽部位WD4-WD8段管沟验槽日期2015年 10 月 15 日地基土质情况土质与地质勘察报告相符基槽尺寸标高基槽尺寸标高与施工图相符。
持力层设计要求持力层满足设计要求。
附图及说明:1、经建设、监理、勘察、设计、施工等相关单位对地基基槽进行验收。
地基土质、基槽尺寸、标高、轴线、持力层等均符合地质勘察报告及设计规要求。
2、基槽开挖长119 米,基底开挖宽0.8米,开挖深度为1.85米,放坡1:0.55.施工单位初验结论经检查基底持力层为粘性土层、地基匀质、尺寸、标高、基土等符合图纸设计及施工规要求。
验槽结论(复验)/勘察单位设计单位施工单位监理单位项目负责人:项目专业负责人:项目技术负责人:专业监理工程师:地基验槽(复验)记录(建)表4.1.5.1(DBJ3-56-2004)共工程名称丹江口市官山镇污水处理工程-排水工程施工单位省工业建筑集团验槽部位WD8-WA34段管沟验槽日期2015年 10 月 25 日地基土质情况土质与地质勘察报告相符基槽尺寸标高基槽尺寸标高与施工图相符。
持力层设计要求持力层满足设计要求。
附图及说明:1、经建设、监理、勘察、设计、施工等相关单位对地基基槽进行验收。
地基土质、基槽尺寸、标高、轴线、持力层等均符合地质勘察报告及设计规要求。
2、基槽开挖长90 米,基底开挖宽0.8米,开挖深度为1.88米,放坡1:0.55.地基验槽(复验)记录附图及说明:1、经建设、监理、勘察、设计、施工等相关单位对地基基槽进行验收。
地基土质、基槽尺寸、标高、轴线、持力层等均符合地质勘察报告及设计规要求。
2、基槽开挖长10.6米,基底开挖宽0.8米,开挖深度为1.8米,放坡1:0.55.施工单位初验结论经检查基底持力层为粘性土层、地基匀质、尺寸、标高、基土等符合图纸设计及施工规要求。
验槽结论(复验)/勘察单位设计单位施工单位监理单位项目负责人:项目专业负责人:项目技术负责人:专业监理工程师:地基验槽(复验)记录(建)表4.1.5.1(DBJ3-56-2004)共页第页工程名称丹江口市官山镇污水处理工程-排水工程施工单位省工业建筑集团验槽部位WE4-WE7段管沟验槽日期2015年 10 月 15 日地基土质情况土质与地质勘察报告相符基槽尺寸标高基槽尺寸标高与施工图相符。
持力层设计要求持力层满足设计要求。
附图及说明:1、经建设、监理、勘察、设计、施工等相关单位对地基基槽进行验收。
地基土质、基槽尺寸、标高、轴线、持力层等均符合地质勘察报告及设计规要求。
2、基槽开挖长99.8 米,基底开挖宽2.2米,开挖深度为1.88米,放坡1:0.55. 施工单位初验结论经检查基底持力层为粘性土层、地基匀质、尺寸、标高、基土等符合图纸设计及施工规要求。
验槽结论(复验)/勘察单位设计单位施工单位监理单位项目负责人:项目专业负责人:项目技术负责人:专业监理工程师:地基验槽(复验)记录(建)表4.1.5.1(DBJ3-56-2004)共页工程名称丹江口市官山镇污水处理工程-排水工程施工单位省工业建筑集团验槽部位WE7-WA33段管沟验槽日期2015年 10 月 25 日地基土质情况土质与地质勘察报告相符基槽尺寸标高基槽尺寸标高与施工图相符。
持力层设计要求持力层满足设计要求。
附图及说明:3、经建设、监理、勘察、设计、施工等相关单位对地基基槽进行验收。
地基土质、基槽尺寸、标高、轴线、持力层等均符合地质勘察报告及设计规要求。
4、基槽开挖长79.2 米,基底开挖宽0.8米,开挖深度为1.90米,放坡1:0.55. 施工单位初验结论经检查基底持力层为粘性土层、地基匀质、尺寸、标高、基土等符合图纸设计及施工规要求。
验槽结论(复验)/勘察单位设计单位施工单位监理单位项目负责人:项目专业负责人:项目技术负责人:专业监理工程师:地基验槽(复验)记录(建)表4.1.5.1(DBJ3-56-2004)共工程名称丹江口市官山镇污水处理工程-排水工程施工单位省工业建筑集团验槽部位WB1-WB4段管沟验槽日期2015年 10 月 27 日地基土质情况土质与地质勘察报告相符基槽尺寸标高基槽尺寸标高与施工图相符。
持力层设计要求持力层满足设计要求。
附图及说明:3、经建设、监理、勘察、设计、施工等相关单位对地基基槽进行验收。
地基土质、基槽尺寸、标高、轴线、持力层等均符合地质勘察报告及设计规要求。
4、基槽开挖长103.7 米,基底开挖宽0.8米,开挖深度为1.8米,放坡1:0.55. 施工单位初验结论经检查基底持力层为粘性土层、地基匀质、尺寸、标高、基土等符合图纸设计及施工规要求。
验槽结论(复验)/勘察单位设计单位施工单位监理单位项目负责人:项目专业负责人:项目技术负责人:专业监理工程师:地基验槽(复验)记录工程名称丹江口市官山镇污水处理工程-排水工程施工单位省工业建筑集团验槽部位WB4—WB7段管沟验槽日期2015年 11 月 4 日地基土质情况土质与地质勘察报告相符基槽尺寸标高基槽尺寸标高与施工图相符。
持力层设计要求持力层满足设计要求。
附图及说明:3、经建设、监理、勘察、设计、施工等相关单位对地基基槽进行验收。
地基土质、基槽尺寸、标高、轴线、持力层等均符合地质勘察报告及设计规要求。
4、基槽开挖长91.6米,基底开挖宽0.8米,开挖深度为1.8米,放坡1:0.55.施工单位初验结论经检查基底持力层为粘性土层、地基匀质、尺寸、标高、基土等符合图纸设计及施工规要求。
验槽结论(复验)/勘察单位设计单位施工单位监理单位项目负责人:项目专业负责人:项目技术负责人:专业监理工程师:地基验槽(复验)记录(建)表4.1.5.1(DBJ3-56-2004)共页第页工程名称丹江口市官山镇污水处理工程-排水工程施工单位省工业建筑集团验槽部位WA21-1—WA21-5段管沟验槽日期2015年 11 月 3 日地基土质情况土质与地质勘察报告相符基槽尺寸标高基槽尺寸标高与施工图相符。
持力层设计要求持力层满足设计要求。
附图及说明:3、经建设、监理、勘察、设计、施工等相关单位对地基基槽进行验收。
地基土质、基槽尺寸、标高、轴线、持力层等均符合地质勘察报告及设计规要求。
4、基槽开挖长134.8 米,,基底开挖宽0.8米,开挖深度为1.9米,放坡1:0.55.施工单位初验结论经检查基底持力层为粘性土层、地基匀质、尺寸、标高、基土等符合图纸设计及施工规要求。
验槽结论(复验)/勘察单位设计单位施工单位监理单位项目负责人:项目专业负责人:项目技术负责人:专业监理工程师:地基验槽(复验)记录(建)表4.1.5.1(DBJ3-56-2004)共页工程名称丹江口市官山镇污水处理工程-排水工程施工单位省工业建筑集团验槽部位WA21-5—WA21段管沟验槽日期2015年 11 月 9 日地基土质情况土质与地质勘察报告相符基槽尺寸标高基槽尺寸标高与施工图相符。
持力层设计要求持力层满足设计要求。
附图及说明:5、经建设、监理、勘察、设计、施工等相关单位对地基基槽进行验收。
地基土质、基槽尺寸、标高、轴线、持力层等均符合地质勘察报告及设计规要求。
6、基槽开挖长101.9 米,基底开挖宽0.8米,开挖深度为1.9 米,放坡1:0.55.施工单位初验结论经检查基底持力层为粘性土层、地基匀质、尺寸、标高、基土等符合图纸设计及施工规要求。
验槽结论(复验)/勘察单位设计单位施工单位监理单位项目负责人:项目专业负责人:项目技术负责人:专业监理工程师:地基验槽(复验)记录(建)表4.1.5.1(DBJ3-56-2004)共页第页工程名称丹江口市官山镇污水处理工程-排水工程施工单位省工业建筑集团验槽部位WA13-WA17段管沟验槽日期2015年 11 月 12 日地基土质情况土质与地质勘察报告相符基槽尺寸标高基槽尺寸标高与施工图相符。
持力层设计要求持力层满足设计要求。
附图及说明:3、经建设、监理、勘察、设计、施工等相关单位对地基基槽进行验收。
地基土质、基槽尺寸、标高、轴线、持力层等均符合地质勘察报告及设计规要求。
4、基槽开挖长145米,基底开挖宽0.8米,开挖深度为1.9米,放坡1:0.55.地基验槽(复验)记录(建)表4.1.5.1(DBJ3-56-2004)共页第页附图及说明:5、经建设、监理、勘察、设计、施工等相关单位对地基基槽进行验收。
地基土质、基槽尺寸、标高、轴线、持力层等均符合地质勘察报告及设计规要求。
6、基槽开挖长68 米,基底开挖宽0.8米,开挖深度为2.4米,放坡1:0.55.施工单位初验结论经检查基底持力层为粘性土层、地基匀质、尺寸、标高、基土等符合图纸设计及施工规要求。
验槽结论(复验)/勘察单位设计单位施工单位监理单位项目负责人:项目专业负责人:项目技术负责人:专业监理工程师:地基验槽(复验)记录工程名称丹江口市官山镇污水处理工程-排水工程施工单位省工业建筑集团验槽部位WA12—WA13倒虹井段管沟验槽日期2016年 1月10 日地基土质情况土质与地质勘察报告相符基槽尺寸标高基槽尺寸标高与施工图相符。
持力层设计要求持力层满足设计要求。
附图及说明:5、经建设、监理、勘察、设计、施工等相关单位对地基基槽进行验收。
地基土质、基槽尺寸、标高、轴线、持力层等均符合地质勘察报告及设计规要求。
6、基槽开挖长58.65米,基底开挖宽2.2米,开挖深度为1.9米,放坡1:0.55. 施工单位初验结论经检查基底持力层为粘性土层、地基匀质、尺寸、标高、基土等符合图纸设计及施工规要求。
验槽结论(复验)/勘察单位设计单位施工单位监理单位项目负责人:项目专业负责人:项目技术负责人:专业监理工程师:地基验槽(复验)记录(建)表4.1.5.1(DBJ3-56-2004)共页第工程名称丹江口市官山镇污水处理工程-排水工程施工单位省工业建筑集团验槽部位WA8-WA12段管沟验槽日期2015年 11 月 20 日地基土质情况土质与地质勘察报告相符基槽尺寸标高基槽尺寸标高与施工图相符。