钢结构制安的施工方案--0000
- 格式:doc
- 大小:67.00 KB
- 文档页数:20
制作过程中使用的大锤、手锤的木把应质地坚实、安装牢固。
打锤时禁止戴手套。
二人打锤严禁相对站立。
多人抬材料和工件时要有专人指挥,精力集中,行动一致。
互相照应,轻抬轻放,以免伤人,并应将道路清理好。
使用各种机械,要先进行各部检查,试运转正常,方可正式使用。
操作人员必须了解机械的性能及安全操作规程。
电焊工作地点____米以内不得有易燃、易爆材料。
为防止触电必须遵守有关电气安全规程。
使用气焊、电焊时边上无监护人不得进行操作。
进入现场必须遵守安全生产六大纪律。
吊装前应检查机械索具、夹具、吊环等是否符合要求并应进行试吊。
吊装时必须有统一的指挥、统一的信号。
高空作业人员必须系安全带,安全带生根处必须安全可靠。
高空作业人员不得喝酒,在高空不得开玩笑。
高空作业人员穿着要灵便,禁止穿更底鞋、高跟鞋、塑料底鞋和带钉的鞋。
吊车行走道路和工作地点应坚实平整,以防止沉陷发生事故。
六级以上大风和雷雨、大雾天气,应暂停露天起重和高空作业。
拆卸千斤绳时,下方不应站人。
使用撬棒等工具,用力要均匀、要慢、支点要稳固,防止撬滑发生事故。
构件未经校正、焊牢或固定之前,不准松绳脱钩。
起吊笨重物件时,不可中途长时间悬吊、停滞。
起重吊装所用之钢丝绳,不将触及有电线路和电焊搭铁或与坚硬物体磨擦。
遵守有关起重吊装的“十不吊”中的有关规定。
在柱、梁安装后而未设置浇筑楼板用的压型钢板时,为了使用柱子螺栓等施工的方便,需在钢梁上铺设适当数量的走道板。
在钢结构吊装时,为防止人员、物料和工具坠落或飞出造成安全事故,需铺设安全网。
安全平网设置在梁面以上 2M 处,当楼层高度小于 4.5M 时,安全平网可隔层设置。
安全平网要求在建筑平面范围内满铺。
安全竖网铺设在建筑物外围,防止人和物飞出造成安全事故。
竖网铺设在高度一般为两柱的高度。
为了使用接柱施工,在接柱处要设操作平台。
平台固定在下节柱的顶部。
需在刚安装的钢梁上设置存放电焊机、空压机、氧气瓶、乙炔瓶等设备用的平台。
钢结构安全专项施工方案钢结构安全专项施工方案编制单位:XXX第一章总则本文旨在确保XXX1#厂房的钢结构安全施工。
在施工过程中,必须遵守相关法律法规,严格执行安全管理制度,确保安全生产。
第二章安全生产责任施工现场的安全生产由各级施工管理人员负责指导和管理。
所有职工都应遵守公司和建设单位的安全管理规章制度,不得违章作业。
第三章安全生产管理工地文明生产是必须遵循的原则。
各种材料堆放整齐、安全,各种电源线布置合理、可靠,各种设备、工具放置整齐和安全可靠。
每个施工班组必须设置一个兼职安全员,负责本班的安全检查,并在站班会上对每天的安全进行交底。
第四章安全防护措施一、安全管理施工现场的安全生产管理必须遵守《建筑企业安全生产工作条例》和公司《安全生产奖罚条例》。
各级施工负责人应按规定组织有关人员进行安全检查,发现隐患必须及时整改。
将工程(单位)的现场安全生产管理,纳入公司的安全管理轨道并执行公司安全管理规定。
二、特殊安全要求的作业管理要求1、高空作业安全操作规程1)高空作业的地面应划出禁区,加设围栏,设置警示标志。
2)高空作业区,应在醒目处悬挂标记,写明高处作业和技术安全措施。
3)每个施工队在高处作业还必须有安全可靠的安全措施,安全网、挡板、防护杆、警示牌都必须配齐,否则不得进入施工。
4)患有膨腰病、精神病、高血压、贫血病、动脉硬化、器质性心脏病和其他不适于高处作业者,禁止上岗作业。
5)作业负责人、安全员每天对进入高空作业区作业的人员进行安全交底,并检查各种工具和防护用品是否配齐全和是否可靠。
并检查作业人员精神状况和安全带、帽、鞋等情况。
6)酒后者和生病人员严禁进入高空作业操作。
7)进行特殊高空作业时,必须有保证安全的具体实施方案,并明确责任人和专职监护人,禁止在露天进行强台风特殊高处作业。
8)夜间作业必须设置足够的照明设施。
9、在使用各种爬升和作业平台时,必须符合标准规定,并采取相应的降低危险的措施。
10、高处作业人员不得乘坐货梯或装载货笼上下,必须使用指定的安全路线。
钢结构工程专项施工方案大全一、钢结构基础工程钢结构工程基础由土建专业队负责施工,但当基础短柱钢筋绑扎完成、模板支护完成并加固牢固后,项目部随之立即派专业技术人员和施工人员进行钢结构螺栓预埋工作。
为确保上部结构安装质量,也必须与土建施工单位密切配合,共同把关。
预埋时必须严格控制地脚螺栓的位置和伸出长度、基础支承面水平度和标高等。
螺栓预埋施工要点:为便于螺栓就位,将采用在工厂预制好的钻孔钢模辅助就位。
当基础模板支撑牢固,即在模板面上投测中线点(十字形),并根据中线点,初定位地脚螺栓的位置,然后调整模板面上的中线点与钻孔钢模上的十字线重合,精确的把地脚螺栓安放在设计位置。
地脚螺栓安装以后,检查螺栓下端第一丝扣标高是符合要求,合格后即将螺栓焊牢在钢筋网上。
为防止地脚螺栓在安装前或安装中螺纹受到损伤,宜采用防护套将螺纹进行保护。
而为了保证地脚螺栓位置及标高的正确,在土建浇注混凝土时应进行看守观测,如发现变动应立即通知施工人员及时处理。
当所有基础锚栓施工完毕后,报监理公司进行基础工程的验收工作,并做出隐蔽工程验收单,交相关单位签定确认。
发现不合格部位,及时返修整改,确保所有部位完全合格。
二、钢结构吊装(一)吊装准备工作对本工程所有基础锚栓进行全部复测,并做好原始记录,确保所有基础锚栓各项数据符合设计要求和有关施工规范的要求。
同时将所有基础锚栓进行清理、打油、复核标高,安装螺栓全部到位。
对所有整体轴线和柱间尺寸进行复核。
根据现场道路和材料堆放情况,设置并清理吊装行进路线,保证所有道路畅通无阻。
分别找出各钢构件的基准点,做出明显的标志。
钢结构吊装前按照构件明细表核对进场构件,查验质量证明单和设计更改文件,检查验收构件在运输过程中造成的变形情况,并记录在案,发现问题及时进行矫正至合乎规定。
对于基础和预埋件,应先检查复核轴线位置、高低偏差、平整度、标高,然后弹出十字中心线和引测标高,同时必须取得基础验收的合格资料。
钢结构施工专项方案钢结构安全专项施工方案嘿,老铁们,今天我来给大家聊聊咱们钢结构施工的安全专项方案。
这可是个大活儿,咱们可得细心、严谨,确保每一个环节都能达到安全标准,让工程顺利进行,也让甲方爸爸放心。
一、工程概况咱们得了解一下工程的基本情况。
这个项目是建设一座大型钢结构厂房,总面积约为2万平方米,主要包括钢柱、钢梁、钢屋架等主要构件。
工程地处我国南方某城市,气候湿润,施工周期预计为6个月。
二、施工安全目标1.确保施工过程中,无重大安全事故发生。
2.施工人员伤亡率控制在国家规定范围内。
3.施工现场环境整洁,符合环保要求。
三、施工安全措施1.安全教育培训(1)对新入职的施工人员进行严格的安全培训,确保他们具备基本的安全知识和技能。
(2)定期对施工人员进行安全知识考核,提高他们的安全意识。
2.安全防护设施(1)施工现场设置明显的安全警示标志,提醒施工人员注意安全。
(2)施工现场配备充足的安全防护设施,如安全帽、安全带、防护眼镜等。
(3)施工现场设置防护栏杆、安全网等防护设施,防止高空坠落事故。
3.施工现场管理(1)建立施工现场管理制度,明确各岗位的安全职责。
(2)定期进行现场安全检查,发现问题及时整改。
(3)施工现场严禁吸烟、喝酒,确保施工环境安全。
4.施工工艺及操作规程(1)严格按照施工图纸和操作规程进行施工,确保施工质量。
(2)对施工人员进行技术交底,让他们了解施工要求及安全注意事项。
(3)采用先进的施工工艺,提高施工效率,降低安全事故风险。
5.应急预案(1)制定施工现场应急预案,明确应急处理程序和责任人。
(2)定期组织应急演练,提高施工人员应对突发事件的能力。
四、施工安全监督1.建立施工现场安全监督机构,负责对施工现场进行安全监督。
2.对施工现场的安全隐患进行排查,发现问题及时整改。
2.分析施工过程中出现的安全问题,提出改进措施。
3.对施工人员进行表彰和奖励,激发他们的安全意识。
注意事项:1.安全意识薄弱施工人员可能存在安全意识不足,忽视安全规定。
第1篇一、工程概况本项目为一栋多层钢结构厂房,位于XX市XX区XX街道,占地面积约为XX平方米,总建筑面积约为XX平方米。
建筑高度为XX米,层数为XX层。
主要功能为生产车间,具备良好的采光和通风条件。
钢结构部分包括柱、梁、屋面檩条、墙面板等。
二、施工准备1. 技术准备- 组织技术人员对施工图纸进行详细审查,确保施工方案的可行性。
- 组织施工人员进行技术交底,明确施工工艺、质量标准和安全要求。
- 编制详细的施工组织设计和专项施工方案。
2. 材料准备- 采购符合设计要求的钢材,包括H型钢、角钢、槽钢等。
- 购买必要的焊接材料,如焊条、焊丝等。
- 准备必要的连接件,如高强螺栓、锚栓等。
- 准备屋面防水材料、保温材料等。
3. 设备准备- 配备足够的施工机械设备,如塔吊、吊车、电焊机、切割机等。
- 确保设备运行正常,并定期进行维护保养。
4. 人员准备- 组织一支经验丰富的施工队伍,包括焊工、电工、起重工等。
- 对施工人员进行安全教育和技能培训。
三、施工工艺1. 基础施工- 按照设计图纸进行基础开挖,确保基础尺寸和标高符合要求。
- 进行基础混凝土浇筑,确保混凝土强度和密实度。
- 安装基础预埋件,如锚栓、地脚螺栓等。
2. 钢结构柱安装- 搭设脚手架,确保施工安全。
- 利用塔吊或吊车将柱子吊装到指定位置。
- 检查柱子垂直度和水平度,进行必要的调整。
- 安装柱子连接件,如高强螺栓等。
3. 钢结构梁安装- 按照设计图纸进行梁的预制。
- 利用塔吊或吊车将梁吊装到柱子上。
- 检查梁的垂直度和水平度,进行必要的调整。
- 安装梁连接件,如高强螺栓等。
4. 屋面檩条和墙面板安装- 安装屋面檩条,确保其水平度和间距符合要求。
- 安装墙面板,注意接缝严密,防止渗漏。
- 对屋面和墙面进行防水处理。
5. 屋面保温和防水- 在屋面檩条上铺设保温材料。
- 在保温层上铺设防水材料,确保防水效果。
6. 焊接- 严格按照焊接工艺要求进行焊接作业。
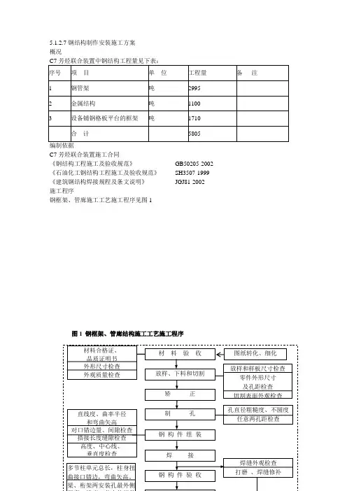
5.1.2.7钢结构制作安装施工方案概况编制依据C7芳烃联合装置施工合同《钢结构工程施工及验收规范》GB50205-2002《石油化工钢结构工程施工及验收规范》SH3507-1999《建筑钢结构焊接规程及条文说明》JGJ81-2002施工程序钢框架、管廊施工工艺施工程序见图1图1 钢框架、管廊结构施工工艺施工程序3343.3、彩板安装施工程序施工准备4.1.1学习和熟悉设计图纸、档及相应的技术条件规程规范。
4.1.2计量器具准备:所有的计量器具,如钢卷尺、水平仪、电流表、电压表、氩气表等必须在检验合格周期内。
4.1.3机具准备、电焊机、烘箱、砂轮磨光机、起重机具等性能必须良好,数量应满足施工需要。
4.1.4工装卡具:准备组对定位板,其材质与设备材质一致。
样板采用δ=1mm钢板制作。
4.1.5设立钢结构预制厂,预制厂铺设平台一座50 m×25m 钢平台,底部用砖砌条形基础。
施工方法总体施工方法采用流水作业:即预制厂预制→运输→现场组装→吊装→平台安装。
总体施工原则:先大框架后小框架,先高层后低层框架,先主管廊后支管廊。
在加工厂内将原材料通过放样、号料、切割、制孔等加工成最简单的零件,然后将其零件通过焊接(或螺栓)连接组成立柱及单片钢支架。
运输到现场再组装成“门”字形框架,最后用型钢连接起来,以达至设备钢框架、管廊钢结构、建筑物钢结构施工的最终目的。
现场钢结构预制材料验收及管理(1) 材料进入施工现场,必须进行验收。
包括质量证明书,合格证的验收,证物要一致,数量、规格、型号的验收。
(2) 钢材表面锈蚀、麻点、划痕的深度不得大于该钢板厚度负偏差的一半。
(3) 材料必须分类、分区域堆放整齐,底部用道木或木方垫平。
材料有明显的标识。
(4)施工人员在下料前须征得技术,材料专职人员同意后方可下料。
(5)所有进现场材料须征得业主认可。
(6)标记:应精确仔细地标明标记,以便同相应的制作图保持一致。
易出现施工缺陷的那些材料和各点,应用显着的彩色油漆作标记。
钢结构制作安装施工方案一、工程概述本工程为具体工程名称,位于工程地点。
该建筑主体结构采用钢结构,总建筑面积为建筑面积平方米,建筑高度为建筑高度米。
钢结构部分主要包括钢柱、钢梁、钢桁架等构件。
二、施工准备(一)技术准备1、熟悉施工图纸,进行图纸会审,提出图纸中存在的问题,并做好会审记录。
2、编制施工组织设计和施工方案,并向施工人员进行技术交底。
3、做好测量放线工作,设置好水准点和控制点。
(二)材料准备1、根据施工图纸,计算出各种钢材的用量,并编制材料采购计划。
2、采购的钢材应具有质量证明书,并符合设计和规范要求。
3、对进场的钢材进行检验,包括外观检查、化学成分分析和力学性能试验等。
(三)施工机具准备1、准备好钢结构制作和安装所需的各种施工机具,如切割机、电焊机、吊车等。
2、对施工机具进行检查和调试,确保其性能良好,能够正常运行。
(四)劳动力准备1、根据工程进度计划,合理安排劳动力,组织施工人员进场。
2、对施工人员进行培训,使其熟悉施工工艺和质量要求。
三、钢结构制作(一)工艺流程放样→号料→切割→矫正和成型→边缘加工→制孔→组装→焊接→摩擦面处理→涂装(二)放样和号料1、按照施工图纸,以 1:1 的比例在样板台上放出实样,核对各部分尺寸。
2、根据实样,在钢材上划出切割、钻孔等加工位置,并做好标记。
(三)切割1、采用气割或机械切割的方法,将钢材切割成所需的形状和尺寸。
2、切割后的钢材边缘应平整,无裂纹、夹渣、分层等缺陷。
(四)矫正和成型1、对弯曲、扭曲的钢材进行矫正,采用机械矫正或火焰矫正的方法。
2、采用冷弯或热弯的方法,将钢材加工成所需的形状。
(五)边缘加工1、对焊接坡口、螺栓孔边缘等进行加工,使其符合设计和规范要求。
2、边缘加工的质量应符合相关标准的规定。
(六)制孔1、采用钻孔、冲孔等方法,在钢材上制孔。
2、制孔的精度应符合设计和规范要求。
(七)组装1、将加工好的零件按照施工图纸进行组装,组装时应保证零件的位置和尺寸准确。
围护钢结构施工方案一、概述在钢结构施工中,围护体系是起到保护结构、保温隔热、美化建筑外观等作用的重要部分。
围护钢结构主要有两种常用的方式:一种是采用传统的砌筑方式施工,如砌块、轻骨料混凝土等;另一种是采用现代化施工方式,如预制混凝土板、复合板和外板等。
本文将介绍一种常用的围护钢结构施工方案。
二、方案内容1.前期准备工作2.围护物材料选用围护物材料的选用一般要考虑结构的保护、保温隔热和装饰等要求。
根据具体项目的要求,可选用玻璃幕墙、金属板、彩钢板、玻璃钢板等不同材料进行围护。
3.围护物的加固措施围护物的加固措施主要包括:加固构造、强度计算、选择适宜材料等。
根据钢结构的荷载和围护物的自重,计算围护物承载能力,确保围护物能承受荷载和外部环境的影响。
4.围护物的施工工艺围护物的施工工艺一般分为以下几个步骤:(1)基础处理:根据具体情况,进行基础处理或铺设地下桩基,确保围护物施工的坚固基础。
(2)安装骨架:根据设计要求,进行围护物骨架的安装。
一般采用焊接、螺栓连接等方式。
(3)围护物安装:将选用的围护材料按照设计要求进行安装,保持水平、垂直和整体的平整度。
(4)围护物连接:围护物各个部分之间的连接一般采用焊接、螺栓连接或其他连接方式。
确保连接牢固可靠。
(5)围护物的检验和验收:对施工完成的围护物进行检验和验收工作,确保围护物的质量和稳定性。
5.围护物施工中的安全防护措施围护物施工中,必须要做好安全防护工作,包括施工人员的安全教育、防坠落设施的搭设、高处作业人员的安全带使用等。
6.施工中的质量控制措施围护物施工过程中,要进行严格的质量控制,包括材料的检验、施工工艺的控制、焊缝的质量要求等。
三、方案总结通过采用上述方案,可以使围护钢结构施工有条不紊地进行。
在施工过程中,要严格按照方案的要求进行操作,并加强现场管理和质量监控,确保围护钢结构施工的顺利进行,同时保证工程的质量和安全。
钢结构施工安全方案完整版一、工程概况本项目为钢结构施工安全方案,工程地点位于XX市XX区,占地面积约20000平方米。
工程性质为工业厂房,主体结构采用钢结构,建筑高度为30米,总建筑面积约为50000平方米。
工程主要包括土建、钢结构、装饰装修、给排水、电气、暖通等专业。
工程总造价约为1.5亿元人民币,计划工期为12个月。
二、周边环境1. 地理位置及周边交通:工程地点位于城市近郊,交通便利,周边有国道、省道及高速公路,距离市区约20公里。
2. 周边建筑及设施:项目周边500米范围内有居民区、学校、医院、加油站等设施,需充分考虑施工过程中对周边环境的影响。
3. 气象条件:工程地点位于温带季风气候区,四季分明,雨量充沛。
施工期间需关注气象变化,做好防暑降温、防寒保暖、防雨防潮等措施。
4. 地质条件:工程地点地质条件较好,主要为粉质粘土、砂土等,承载力较高,适宜进行基础施工。
三、项目安全管理组织及目标1. 项目安全管理组织架构:(1)项目经理:负责项目全面工作,对项目安全负总责。
(2)安全主管:负责项目安全管理及现场安全检查,对施工现场安全负责。
(3)施工员:负责现场施工组织、协调,对施工安全负责。
(4)专职安全员:负责现场安全巡查,及时发现并整改安全隐患。
(5)班组长:负责本班组人员的安全教育和管理工作。
2. 项目安全管理目标:(1)确保项目施工过程中无重大安全事故发生。
(2)实现安全生产标准化管理,提高施工现场安全管理水平。
(3)提高员工安全意识,降低安全事故发生率。
(4)确保项目顺利完工,为业主提供优质、安全的建筑产品。
四、施工方案1. 施工流程:- 土建工程:平整场地→基础施工→主体结构施工→装饰装修施工。
- 钢结构工程:钢结构加工→钢结构现场拼装→钢结构吊装→焊接施工→涂装施工。
2. 施工方法及要求:- 土建工程:采用常规施工方法,严格按照设计图纸及规范要求进行施工。
- 钢结构工程:采用高强螺栓连接和焊接相结合的方法,确保结构安全可靠。
钢结构安全专项施工方案
一、施工计划
1.施工部位
2.施工内容
3.施工时间
4.施工队伍及人员分配
5.施工机具与设备准备
二、施工工艺
1.拆除工艺
2.安装工艺
3.焊接工艺
4.防腐处理工艺
5.喷涂工艺
三、施工安全措施
1.人员安全措施
2.机具设备安全措施
3.施工现场安全控制
4.消防安全措施
5.应急处理措施
四、质量控制
1.材料选用与检测
2.焊接接头质量控制
3.工程验收
五、施工经费
1.施工费用估算
2.经费使用计划
3.费用核算与结算
六、环境保护
1.施工环境保护措施
2.废弃物处理与清理
3.环境监测与评估
备注:本施工方案旨在保障钢结构安全施工,严格按照相关法规和标准执行,确保施工过程中没有重复标题的文字。
山西建邦特钢有限公司100万吨棒材工程钢结构制作安装施工方案编制:审核:批准:华冶公司建邦特钢项目部2009年3月27日1、工程概况本工程厂房为钢结构厂房,共分五跨,由原料跨、加热炉跨、主轧跨、成品跨和轧辊间组成。
主轧跨、成品跨和轧辊间相连并与原料跨成丁字型布置。
基本柱距12m,局部18m、24m。
原料跨全长101.4m、跨度为33m;加热炉跨全长24m、跨度为24m;主轧跨全长402m、跨度27m;成品跨全长为234m、跨度均为30m;轧辊间全长为210m、跨度均为18m;主厂房建筑面积约26000平方米(轴线面积)。
钢构件主要有钢柱、钢梁、钢屋架、吊车梁及轨道、屋面及墙面板等。
2钢结构制作2.1钢结构制作总体安排⑴钢柱、吊车梁及所有焊接H型钢构件、厂房围护结构、屋面系统结构均在现场制作,利用自动化设备,保证质量,提高效率。
⑵为减少运输量,利于穿插施工,小型构件在现场制作,其工艺流程和质量要求与工厂制作相同。
⑶吊车梁体制作,钢柱、钢屋架在工厂整体放样,长度大于25m 的钢构件分两段制作,工地拼装。
2.2钢结构制作主要工艺流程2.3施工材料⑴进入加工场的材料按材质、规格、型号分类摆放整齐,有明确标识。
⑵结构制作所采用的钢材、连接材料和涂装材料,应具有出厂质量证明书、材质单,无证材料或资料不全材料禁止使用。
⑶钢材质量证明书与钢材上的记号要符合,写明钢材的炉号、钢号、化学成分和机械性能。
对材质有怀疑时,应做补充试验。
⑷钢材使用前进行外观检查,表面应无严重锈蚀、划伤等缺陷。
⑸钢材代用要经设计部门批准。
2.4 放样、号料、下料号料、放样及下料流程图见下页图。
⑴号料前应核对钢材规格、材质、批号,熟悉工艺要求,然后根据排版图、下料、加工单及放样图等进行号料。
下料前清除钢材表面油污、泥土等脏物,切割后应清除边缘上的熔瘤和飞溅物。
⑵放样在平整的放样台上进行,且样板与样杆的材料必须平整。
⑶号料的母材应先在矫平机上矫平。
单层门式刚架结构工业厂房施工方案技术总结第一节钢结构制作施工方案一、施工准备1) 技术准备a. 组织专业技术人员熟悉图纸,进行图纸会审,使施工人员更了解图纸及设计意图;b. 采用PKPM空间钢结构设计软件和对结构节点进行优化设计(中国建筑科学研究院编);c. 采用其他空间钢结构设计软件和对结构节点进行符合;d. 针对该结构的工艺特点,编制科学、细致、可行的加工、制作工艺流程。
组织加工、制作、安装人员进行技术交底,明确施工技术要点,做到严格按照工艺及安装技术措施施工。
2) 物质准备a. 编制材料采购计划并提出材料采购的质量要求。
材料进场前应首先复核材料质量保证书,主材及辅材质量均应达到国家相关的技术条件方可进行加工制作;b. 保养及检查维修机械设备,使其达到设计要求精度。
编制运输车辆及安装机械需用量,根据施工进度及时调往施工现场;c.调动技术、加工、安装人员,编制施工进度计划,使之合理、有效的完成各道工序。
3) 劳动组织准备a. 根据工程的规模、结构特点及复杂程度,组织调度精兵强将参加制作与安装。
特殊工种必须具备相应的资格证书,安装工程成立以项目经理和技术负责为主的项目部具体实施厂房的安装指挥及技术、质量、安全管理体系;b. 对施工人员进行进行技术、质量、安全、防火、文明教育。
二、钢结构制作1)钢结构制作的工艺流程(见下页)2)制作工艺路线: 样板,样杆及钻模制作→原材料的进厂→材质证明书的检查及外观检验(不合格应返回)→(对于要拼接的钢板需进行:钢板坡口的加工→拼接→焊接检验→放样下料→边缘清理→组装(“H ”型钢)→焊接(四个主焊缝)→焊接检验→矫正→外形尺寸检查→铣端面→装端板→划线钻孔→产品制作部分外形最终检验→喷沙除锈(摩擦面处理)→油漆→编号包装3)样板、样杆及钻模制作: 样板,样杆及钻模的切割边均需铣平,样板、钻模的中心线应标出.制作样板、样杆应根据工艺要求预留切割,刨边加工余量。
样板、样杆及钻模的极限偏差见表2.4)原材料的进厂及检验: 钢材应附有质量证明书,其质量标准应符合现行标准的各种技术条件并应符合设计图纸的要求,不得使用无质量证明的钢材。
钢结构制安方案及技术措施1.钢结构制作技术方案1.1 概述操作平台由梁、斜支撑、平台板、爬梯、栏杆等构件组成。
结构的连接采用栓焊相结合的连接方式,主要构件的连接均采用高强度螺连接,并在一些位置焊接加固,如梁与斜撑的连接、梁与梁的连接,次要结构平台板、爬梯、栏杆等采用焊接方式。
1.2 制作技术要点从技术上分析本项目钢结构的组成与结构,有以下几点,在制造过程中必须严格控制。
(1)制作准备为了确保钢结构部分的安装质量和进度,根据该平台的结构和现场情况,拟制作成半成品,在现场拼装组装。
在制作生产进行前,根据各构件的结构外形、加工技术要求、生产纲领和生产条件编制构件加工工艺规程,明确每道工序的工艺准备工作,明确各工序操作人员的工作要求。
并根据构件的特性和技术要求,对各生产技术问题进行技术交底。
并发放各构件详图。
(2)放样、号料和切割放样前,应认真核对图纸,如发现施工图漏洞或错误,或因其他原因须更改时,必须取得工程设计人员的书面认可或变更文件,不得擅自更改。
号料应在钢材矫正后进行,号料前应对钢材规格、材质进行核对,清除钢材表面油污、泥土、浮锈等脏物。
号料应预留切割加工余量及焊接收缩量等。
切割:板材、型材切割宜采用机械切割,当采用手工切割时,切割断面应用砂轮机打磨处理。
(3)矫正在钢材投料前对钢材进行矫正,矫正后应达到以下要求:钢板与扁钢的局部挠曲失高f:在一米范围内当δ≤14 时,f≤1.0;当δ>14 时,f≤1.5。
角钢、槽钢与工字钢的挠曲失高;不大于长度的1/1000,且小于5。
角钢的不垂直度Δ≤b/100。
工字钢的不垂直度Δ≤b/100。
钢材和半成品构件矫正尽可能采用机械方式在常温下进行,如需采用热矫正,加热温度不宜超过900℃。
当采用手工锤击矫正时,应加垫锤防凹痕和损伤,矫正后的钢材表面不应有明显凹痕和损伤,表面划痕深度不得大于0.5mm。
(4)涂装和编号钢构件的除锈和涂装应在制作质量检验合格后进行,并应作构件制作质量检验记录。
艺术公寓园林景观室外装修装饰工程车库骨架及景墙骨架安装工程钢结构制作安装施工方案编制审核批准成都市广田华南装饰工程有限公司二○一六年五月十七日目录第一章工程概况及特点 (3)第一节工程概况 (3)第二节工程特点 (3)第三节编制依据 (4)第二章施工部署 (4)第一节施工段划分 (4)第三章钢结构制作安装工艺 (5)第一节钢结构制作 (5)第二节钢结构安装 (7)第三节钢结构焊接...................................................................................... (15)第四章质量和进度保证措施 (18)第一节质量控制措施 (18)第二节雨季施工措施 (19)第五章安全保证措施 (21)第二节安全保证措施 (21)附表第一章工程概况及特点第一节工程概况一、工程概况本工程为阿玛尼艺术公寓项目园林景观工程车库骨架及景墙骨架(图号:LD5.01-LD5.08)钢结构工程,位于成都市顺江路335号。
本钢结构骨架总长约23.5M,结构形式为钢梁组合框架结构,连接形式为焊接。
纵向轴距多为1.5M,2M横向轴距为5.2M、7.55M两种,安装高度较高。
本工程为保证施工周期,采取钢结构工厂化制作好后运送到现场安装,安装结束后在现场进行面漆涂装。
二、建设、设计、施工、监理单位工程名称:阿玛尼艺术公寓项目园林景观工程《车库骨架及景墙骨架》设计单位:成都赛澜景观设计有限公司建设单位:成都晨川实业有限公司监理单位:四川省川建院工程项目管理有限公司施工单位:成都市广田华南装饰工程有限公司第二节工程特点一、施工工期本工程钢结构施工工期预计为自开工之日起日历天90天。
二、工程特点技术特点:因受现场因素(土建、天气、施工用电等)的制约,制作量及安装量比较大,构件吊装高度较高;连接形式为焊接,做好焊接施工监督和检验工作尤为重要。
安全特点:本钢结构安装属于高空作业,且施工现场受高温和大风影响,预防高空坠落的措施要求高。
钢结构工程施工方案范本一工程概况丰田补给零件仓库二期工程位于天津空港物流加工区东八道,建筑面积共计46548m2。
其中包括2号仓库及雨篷(18510.76 m2)、3号仓库及雨篷(18510.76 m2)、生活杂物库(1898 m2)、2号库三面雨篷、司机休息室、自行车棚等内容。
主建筑2、3号仓库结构形式为二层轻钢框架结构,首层层高5.8m,檐高14.8m。
主钢柱为450x450x20x20箱型钢柱,钢梁为变截面H型钢梁。
结构连接型式为高强螺栓栓接,局部有焊接。
屋面为C型檩条,采用0.6mmRB475型彩色压型钢板。
双板中间带保温棉, 1.2m以上采用0.6mmU820型彩色压型钢板墙体,有带型塑钢窗、大门,本工程钢结构主框架材质为Q345B。
二工程特点和技术关键点(一)结构型式为二层轻钢框架结构,结构形式较简单。
(二)安装工期较短,质量要求高,节点多为栓接。
(三)工序交叉作业多,工序安排要紧密。
三施工准备(一)组织有关工程管理人员和技术人员对设计图纸进行会审,作好图纸深化设计,工艺图绘制及放样制摸工作(二)工图纸结合本单位的设备和技术条件,编制合理的加工制作工艺方法,并提出材料计划。
(三)结构制作所使用的机械和检测设备的性能进行检验,保证制作过程中各种设备的工作状态良好,使用功能齐全。
(四)钢结构工程所使用的材料除应有质量证明书外,还应按规范及地方相关规定作出复试检验,合格后方可使用。
(五)在构件制作前,对各工序的操作人员进行必要的岗位培训,并对其进行技术及安全交底,预防发生安全和质量事故。
(六)构件安装完1/5后,彩板制作开始,制作前做好场地平整、测量、保证彩板制作质量。
四钢结构制作主要施工机械设备五组织机构及负责人(一)组织机构(二)分工负责人项目部经理:谢富常项目部副经理:王子天制造技术负责人:郑子辉制造质量负责人:陶冬立制造材料负责人:张国富制造安全负责人:刘方安装技术负责人:马云翼安装质量负责人:孙健安装材料负责人:翟剑峰安装安全负责人:孙金福六钢结构制作主要施工方法本工程钢结构制作主要为焊接H型梁、柱,焊接H型梁、柱采用专用的H型钢生产线进行制作,制作时H型腹板开K型坡口组装焊接成型。
钢结构制安的施工方案一、工程简介本工程结构采用轻钢结构,单层结构,结构连接采用高强螺栓连接,除图纸特别要求外,其余的高强螺栓为10.9级摩擦型连接;除高强螺栓外,其余采用C级螺栓。
二、钢结构制作的工艺及设备质量控制程序图三、钢结构施工安装工艺及流程1、钢结构安装工艺及质量控制程序(1)钢结构安装工艺及质量控制程序:校正固定竣工图《钢结构工程施工质量验收规范》(GB50205-2001)(2)施工安装流程图:1)安装工艺流程:场地三通一平→构件进场→吊机进场→钢柱安装→屋面梁安装→檩条支撑系杆安装→涂料工程→屋面系统安装→零星构件安装→装饰工程施工→收尾拆除施工设备→交工2)屋面系统安装工艺流程:准备工作→屋面大梁安装校正→屋面檩条压杆支撑安装固定→天沟安装→雨排水管道安装固定3)屋面梁连接程序:对接调整→安装螺栓固定→安装高强螺栓→高强螺栓初拧→高强螺栓终拧→密封四、钢结构制作工程1、钢结构制作的材料要求(1)结构钢材:1)本工程所使用的钢柱、钢梁用钢材采用低合金高强度结构钢(GB/T1591—94)规定的Q345B,其它钢结构采用碳素结构钢(GB/T700)规定的Q235B钢材制作。
2)钢材应有出厂合格证,并有钢结构制造厂商对每批钢材按规定进行自检合格的资料。
3)钢材的表面缺陷(锈蚀、麻点、划痕等)不得超过现行国家标准。
4)本工程所采用的钢材除满足国家材料规范要求外,尚应满足下列要求:A、钢材的抗拉强度实测值与屈服强度实测值的比值不应小于1.2。
B、钢材应有明显的屈服台阶,剪切伸长率应大于20%。
C、钢材应有良好的可焊性和合格的冲击韧性。
钢材应具有抗拉强度、伸长率,屈服强度和硫含量、磷含量、碳含量及冷弯试验的合格证。
(2)焊条、焊丝、焊剂1)手工焊接采用的焊条,应符合现行国家标准《碳钢焊条》(GB/T5117)或《低合金钢焊条》(GB/T5118)的规定。
选择的焊条型号应与主体金属力学性能相适应。
Q345级钢材连接的焊条采用E50系列,Q235级钢材连接的焊条采用E43系列,Q345级与Q235级钢材连接的焊条采用E43系列。
2)自动焊接或半自动焊接采用的焊丝和相应的焊剂应与主体金属力学性能相适应,并应符合现行国家标准的规定。
3)所有未特别注明的高强度螺栓采用10.9级摩擦型连接,不得使用生锈、沾污和碰伤的高强度螺栓,高强度螺栓应符合现行国家标准《钢结构用扭剪型高强度螺栓连接副》(GB/T3632),《钢结构用扭剪型高强度螺栓连接副技术条件》(GB/T3633)的规定。
除高强度螺栓外,其它螺栓均采用C级螺栓标准(GB5780—86、GB41—86、GB95—85)的螺栓副,未特别注明的基础锚栓采用Q235B级钢,普通C级螺栓和基础锚栓均应满足《紧固件机械性能螺栓螺钉和螺柱》(GB3098.1—2000)的规定,普通C级螺栓采用4.8级。
圆柱头栓连接件的材料应符合现行国家标准电弧螺栓焊用《圆柱头焊钉》(GB/T10433)的规定。
高强度螺栓均采用摩擦型连接,连接处构件摩擦面采用喷砂处理,抗滑移系数为0.50(Q345)、0.40(Q235)。
2、结构制造与安装(1)结构制造商应严格按《钢结构工程施工及验收规范》(GB50205—2001)的规定进行制造和构件验收。
(2)本工程的H型钢的制造遵守下列规定:1)翼缘板和腹板应采用半自动或自动切割机切割,切割面质量应符合GBJ205—83的规定,如制造商愿意进行刨边处理,则可例外。
2)作为屋面梁、柱焊接H型钢翼缘和腹板的焊缝应采用埋弧自动焊焊接,焊透深度不小于腹板的70%,梁与柱刚性连接时,柱在梁翼缘上下各500mm的节点范围内,柱翼缘与柱腹板间的连接焊缝,应采用坡口全熔透焊缝。
上下柱的拼接接头上下各100mm范围内,柱翼缘与柱腹板间的连接焊缝,应采用坡口全熔透焊缝。
3)H型钢翼缘及腹板的制造接头焊缝为等强,均应符合《建筑钢结构焊接技术规程》规定的二级焊缝标准,并按规定进行外观及内部缺陷检查。
4)焊接时应注意防止焊接变形的产生,应选择合理的焊接工艺及焊接顺序,以减少钢结构中产生的焊接应力和焊接变形,5)组合H型钢的腹板与翼板的焊接应采用自动埋弧焊机施焊,且四道连接焊缝均应双面满焊,不得单面焊接。
6)组合H型钢因焊接产生的变形应以机械或火焰矫直,具体做法应符合GB50205的相关规定。
(3)焊缝质量等级1)端板与柱、梁翼板和腹板的连接焊缝为全熔透坡口焊,质量等级为二级。
所有非施工图所示构件拼接用对接焊质量达到二级。
2)除注明外凡标准坡口联接的对接、T型、角型及十字型接头焊缝,均应符合《建筑钢结构焊接规程》(GBJ81—91)规定的二级焊缝标准,并按规定进行外观及内部缺陷检查。
3)凡标准坡口联接的对接、T型、角型及十字型接头的两端应按规定设焊缝引出板和引弧板,严禁在焊道外的母材上引弧。
4)未特别注明的焊缝均为角焊缝,其质量等级为三级。
5)图中未注明的焊缝高度为6mm,构件角焊缝厚度范围见设计图WZ—施138—结说1。
(4)本设计全部螺栓孔均为钻孔,当螺栓直径大于等于20时其孔径比螺栓孔径大1.5mm,当螺栓直径小于20时孔径比螺栓直径大1mm,地脚锚栓除外。
(5)除注明外,所有角焊缝均为沿长度方向焊满,加劲板的切角未注明时统一取20mm。
(6)所有构件均应按图中尺寸先放大样尺寸无误后再下料制作。
(7)钢柱加工注意留设墙架懔托等配件。
3、结构表面处理及涂装防腐(1)结构涂装前进行表面处理,本工程规定钢柱表面处理方法为喷砂,其质量标准1级。
应符合现行国家标准《涂装前钢材表面锈蚀等级》(GB8923)中规定的Sa22(2)除第(3)条注明的部位外,所有钢结构构件均需按设计要求进行涂装出厂(留一道面漆待安装完毕后在现场涂装)。
(3)高强螺栓连接摩擦面及其接头处周边50mm范围内,要求在工厂进行表面处理。
(4)所有钢结构构件的防腐涂料均采用铁红环氧改性树脂底漆,及醇酸改性氯化橡胶磁漆面漆,涂装为两底两面,漆膜总厚度室内125微米,室外150微米,涂层中,其面漆为工厂一道,安装完毕后涂一道面漆,在运输,吊装过程中被损坏的部位,应按上述要求补漆,按建筑施工图要求需要喷涂防火涂料的部位按建筑施工图要求施工。
(5)为防止钢柱地面以下部分锈蚀,将地面以下部分钢柱表面涂刷掺水泥重量2%的NaNo2的水泥砂浆,并用强度等级为C10的细石混凝土包脚,地面以下部分不做防腐,仅清除污垢。
(6)懔条及墙梁采用热浸镀锌懔条,其镀锌量不小于275g/m2(双面镀锌量),镀锌标准不低于A级。
(7)除图纸注明外,所有螺栓和锚栓在构件校正固定后,将螺丝扣打毛或与螺母焊接防止松动。
4、梁、柱的制作(1)号料及加工成型1)认真审核图纸的各部分尺寸,号料前编制排版图及检查样杆、样板是否符合图纸要求。
2)由于该结构:柱子分别为箱型柱、十字柱、焊接H型钢柱和焊接H型钢梁等,要求精度高、制作难度大,为保证制作精度,各道工序应严把质量关。
所以钢材加工前首先应对板材进行校正,使之平整,以免影响制作精度。
3)号料时将钢柱、钢梁的长度方向预留加工余量和焊接缩余量,待柱子组焊成型后二次切净料。
4)钢柱肢的翼缘、腹板和箱形柱接料位置要求相互错开200mm以上,翼缘板腹板长度不应小于2倍的板宽,腹板拼接宽度不应小于300mm,长度不应小于300mm,并保证拼接处为等强连接。
接料焊缝采用对接接料,焊缝质量等级要求为一级,接料采用坡口形式,具体做法为:需接长的二根短料之间,在连接处的断口处刨平整,坡口坡度每边为55度,短料下口处留2mm不切口,料与料之间在焊接时,留2mm的缝隙作为焊接接口。
切坡度主体板材均采用数控切割机切割,型材采用手工气割下料。
5)构件主体板材均采用数控切割机切割,型材采用手工气切下料。
6)气切断口截面要求光滑,不允许存在裂纹和大于1.0mm的缺棱,切割断面与钢材表面的不垂直度小于2.0mm。
7)在号斜柱时注意斜柱的角度及腹板的斜长,是否符合图纸要求。
8)十字形柱及箱形柱切割后尺寸宽度方向允许偏差为±1.5mm。
焊接H型钢柱、梁腹板的允许偏差为1.5mm,翼缘宽允许偏差为±2.5mm。
(2)组装与焊接1)十字型柱的十字焊缝,开坡口,变形小。
其焊接接口之间形式为:与腹板连接的两块连接板的坡口,其与腹板之间的坡度为50度,中间留3~5mm不切,与腹板之间留出2mm左右的缝隙,焊接采用半自动焊机焊接。
2)焊接应力与变形的控制:由于焊接变形直接影响构件、结构的安装及其使用功能,并因承载时产生附加弯距、冷应力而间接影响其使用性能,变形的控制很重要。
根据前述的焊接变形产生原因和影响因素,采取以下控制应力与变形的措施。
A、减少焊缝截面积B、厚板焊接尽可能采用多层焊代替单层焊。
C、双面均可焊接操作时,要采用双面对称坡口。
D、T型接头板厚较大时采用开坡口角时对接焊缝。
E、采用焊前反变形方法控制焊后角变形。
F、对于长构件的扭曲,控制板材平整度和构件组装精度。
使坡口角度和间隙准确。
G、采取合理的焊接顺序。
H、减少焊接拘束度,要尽量在自由状态下施焊。
I、锤击法减小焊接残余应力。
(3)十字形柱的焊接顺序:为减少焊接变形和应力,均采用对称跳焊法。
所谓对称跳焊法,就是十字型柱的四道焊缝,不是焊完一道焊缝后,按顺序焊第二道焊缝,而是采用焊接对称的一道,然后焊接第一、二道之间的第三道焊缝,焊完后,再焊接对称的最后一道焊缝。
(4)梁与柱刚性连接时,柱在梁翼缘上下个500mm的布点范围内的连接焊缝,应采用坡口全熔透焊缝。
5、焊接规程及技术要求(1)焊工是经过考试并取得合格证的人员,其所焊项目与其所取得的资格相符。
(2)焊工施焊时应根据评定合格的工艺施焊,不得随意更改及在母材上引弧。
(3)焊接时,不得使用药皮脱落或焊芯生锈的焊条和受潮结块的焊剂及已熔烧过的渣壳。
(4)焊丝在使用前应清除油污、铁锈。
(5)焊条、焊剂在使用前应按产品说明书规定的烘焙时间和温度进行烘焙。
保护气体的纯度应符合焊接工艺评定的要求。
(6)施焊前,焊工应复查焊件接头质量和焊区的处理情况。
当不符合要求时,应经修整合格后方可施焊。
(7)对接接头,T形接头、角接接头、十字接头等焊缝及对接和角接组合焊缝,应在焊缝的两端设置引、熄弧板,其材质和坡口形式应与焊件相同。
引弧和引出的焊缝长度、埋弧焊应大于50mm;手工电弧焊及气体保护焊应大于20mm。
焊接完毕应采用气割切除引、熄弧板,并修磨平整,不得用锤击落。
(8)角焊缝转角处宜连续绕角施焊,起落弧点距焊缝端部宜大于10mm;角焊缝端部不设置引弧和引出板的连续焊缝,起落弧点距焊缝端部宜大于10mm,弧坑应填满。
(9)多层焊接宜连续施焊,每一层焊道完后应及时清理检查,清除缺陷后再焊。