坝顶超高计算00
- 格式:xls
- 大小:404.00 KB
- 文档页数:18
正确取1.5米
30.76552
《堤防工程设计规范》GB50286-2013
《堤防工程设计规范》:爬高累积频率换算系数,对不允许越浪的堤防,爬高累积频
2%,对允许越浪的堤防爬高累积频率宜取13%
地震涌浪高度m0.5
根据《水工建筑物抗震设计规范》5.2.3:确定
地震区土石坝的安全超高时应包括地震涌浪高
度,可根据设计烈度和坝前水深,取地震涌浪
高度为0.5~1.5m。
达旗地震烈度为七度
Kp
积频率为5%的爬高值R 5%。
2、《堤防工程设计规范》:爬高累积频率换算系数,对不允许越浪的堤防,爬高累积频率宜取
宜取13%
累积频率宜取
R0
值
1%
的爬高值R5%。
越浪的堤防,爬高累积频率宜取2%,对允许越浪的堤防爬高累积频率取13%。
(整理)土坝坝顶高程计算说明书.土坝坝顶高程计算说明书1 计算基本资料达兰河流域属大陆性气候,其特点是光照充足,夏季炎热,冬季寒冷,干燥少雨,蒸发量大,春季多风,库区最大风速18m3/s,多年平均最大风速12.6m3/s,风向多顺河,风向基本上与坝轴线正交,吹程D=5.3km。
东田水库属内陆峡谷水库。
东田水库枢纽工程的特征水位如下:●死水位1400.0m●正常蓄水位1435.5m●设计洪水位1437.66m●校核洪水位1440.25m本工程地震基本烈度为Ⅵ度,根据中华人民共和国国家经济贸易委员会发布的《水工建筑物抗震设计规范》(DL5073-2000)总则所述:设计烈度为Ⅵ度时,可不进行抗震计算,但对1级水工建筑物仍应按规范采取适当的工程措施。
2 设计计算情况根据中华人民共和国水利部发布的《碾压式土石坝设计规范》(SL274-2001),第5.3.3条,坝顶高程等于水库静水位与坝顶超高之和,应按以下运用条件计算,取其最大值:(1)设计洪水位加正常运用条件下的坝顶超高超高;(2)正常蓄水位加正常运用条件下的坝顶超高;(3)校核洪水位加正常运用条件下的坝顶超高;(4)正常蓄水位加非常运用条件下的坝顶超高,再按本规范5.3.2条规定加地震安全加高。
本工程地震基本烈度为Ⅵ度,故由《水工建筑物抗震设计规范》(DL5073-2000)知不考虑地震加高。
第5.3.4条规定:当坝顶上游侧设有防浪墙时,坝顶超高可改为对防浪墙顶的要求。
但此时在正常运用条件下,坝顶应高出静水位0.5m;在非常运用条件下,坝顶应不低于静水位。
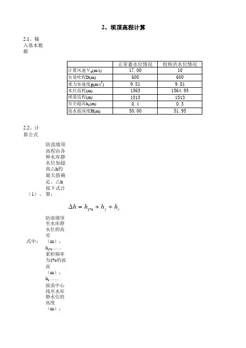
第5.3.5规定,设计计算风速的取值应遵循下列规定:(1)正常运用条件下的1级、2级坝,采用多年平均年最大风速的1.5~2.0倍;(2) 正常运用条件下的的3级、4级和5级坝,采用多年平均年最大风速的1.5倍;(3) 非常运用条件下,采用多年平均年最大风速。
本次设计大坝为3级,故正常运用情况下,采用多年平均年最大风速的1.5倍,即:W=12.6×1.5=18.9m/s ;非常运用条件下,采用多年平均年最大风速,即:W=12.6m/s 。
1正常2校核
坝顶超高
计算风速
——风区长度
——计算波高
频遇判别
————DL5077-1997附录G2.1(3)平均波高
查表——DL5077-1997表G2设计波高
查表——DL5077-1997表G2平均波长
重力加速度——坝前迎水面(平均)水深 ( )
——中间辅助参数一
————中间辅助参数二
————波浪中心线至计算水位高度
安全超高查表——DL5108-1999表11.1.1说明:
1.依据《水利水电工程等级划分及洪水标准》SL252-2000中关于建筑物超高的规定;
2.计算方法源自《混凝土重力坝设计规范》DL5108-1999和《水工建筑物荷载设计规范》DL5077-1997;
3.波浪的波高和平均波长采用官厅水库公式计算。
工况
符号单位公式或说明D m h m m L m m m m m m
m h β
m H m 0v s m /h ∆g 2
/s m c z h h h h ++=∆%13/13/24/500076.0D g v h -=2667.07333.000155.10331.0D g v L m -=H %1h z h c h m m z L L H cth h h /)/2(2%1ππ=m L H /2π)/2(m L H cth π
-1997;。
5.1.1坝顶高程的确定
砼重力坝为3级建筑物,按100年一遇洪水设计和1000年一遇洪水校核的控制工况来确定坝顶高程。
根据《混凝土重力坝设计规范》(SL319-2018),坝顶防浪墙顶高程=水库静水位+∆h,其中∆h为坝顶距水库静水位(正常蓄水位或校核洪水位)的高度,∆h由下式确定:
∆h =h1%+h z+h C
式中:h1%──波浪高(m);
h Z──波浪中心线至水库静水位高差(m);
h C──安全超高(m),本工程坝的安全级别为3级,正常蓄水位和校核洪水位下分别取0.4m和0.3m。
h c和h Z按照《混凝土重力坝设计规范》(SL319-2018)的相关规定计算,坝顶高程计算成果见表5.6 -1。
5.1.1.1坝顶高程的确定
均质土坝为3级建筑物,按50年一遇洪水设计和1000年一遇洪水校核的控制工况来确定坝顶高程。
根据《碾压式土石坝设计规范》(SL274-2020),坝顶防浪墙顶高程=水库静水位+y,其中y为坝顶距水库静水位(正常蓄水位或校核洪水位)的高度,y 由下式确定:
y=R +e+A
式中:R──波浪高(m);
e ──波浪中心线至水库静水位高差(m);
A──安全超高(m),本工程坝的安全级别为3级,正常蓄水位和校核洪水位下分别取0.7m和0.4m。
R和e按照《碾压式土石坝设计规范》(SL274-2020)的相关规定计算,坝顶高程计算成果见表5.6 -1。
2。
坝顶高程的确定设计洪水位和校核洪水位的高差可由下式计算,应选择两者中防浪墙顶高程的高者作为选定高程。
∆h =h 1%+h z +h c式中,Δh ——防浪墙顶至正常蓄水位或校核洪水位的高差;h 1%——累计频率为1%的波高;h z ——雍高;h c ——安全超高。
1. 波高h 1%和雍高h z 的计算h 1%和h z 的计算可利用官厅水库公式计算:ℎl =0.0166V 054D 13L =10.4(ℎl )0.8 ℎz =πℎl 2L ctℎ2πH L式中,V 0——计算风速,m/s ,设计洪水位时,宜采用相应季节50年重现期的最大风速,校核洪水位时,宜采用相应洪水期最大风速的多年平均值; D ——吹程;H ——坝前水深。
其中,h 1%=1.24 h 5%。
①设计洪水情况下,吹程D=2.1km ,风速V 0=24m/s ,带入以上公式计算得: h 5%=1.129m ,h 1%=1.400m ,h z =0.349m 。
②校核洪水情况下,吹程D=2km ,风速V 0=18m/s ,带入以上公式计算得: h 5%=0.775m ,h 1%=0.962m ,h z =0.223m 。
2. 坝顶安全超高的确定安全超高h c 与坝的安全级别有关,李家河水库工程为III 等工程,永久建筑物等级为3级,设计洪水位下的安全超高为0.4m ,校核洪水位下的安全超高为0.3m 。
3. 坝顶高程的计算根据以上计算结果,可求得设计洪水位情况下的防浪墙顶高度为: Δh 设计=0.962+0.223+0.4=1.585m ;校核洪水位情况下的防浪墙顶高度为:Δh 校核=1.400+0.349+0.3=2.090m 。
坝顶上游防浪墙顶高程取设计洪水位和校核洪水位情况下的高的一个:=882.805m;设计洪水位下,坝顶上游防浪墙顶高程=设计洪水位+Δh设计=886.290m。
校核洪水位下,坝顶上游防浪墙顶高程=校核洪水位+Δh校核则坝顶上游防浪墙顶高程为886.290m,防浪墙高取 1.2m,则坝顶高程为885.090m。
土石坝坝顶高程计算例题土石坝坝顶高程计算是土石坝设计和施工中非常重要的一个问题。
坝顶高程是指土石坝的最高点相对于其中一水平面的高度,它直接影响到整个坝体的稳定性和防洪能力。
在设计和施工阶段,正确计算土石坝坝顶高程非常关键,下面举例进行详细说明。
假设其中一水库的土石坝的坝顶高程需要计算,相关数据如下:水库正常蓄水位为150m边坡顺坡比为1:1.5坝体的土石比为1:2坝顶线长为400m坝顶线离均匀坝顶高程为0.5m。
根据给定的数据,我们可以按以下步骤进行计算:第一步:确定设计洪水位和安全水位。
在计算坝顶高程之前,我们需要根据水库的具体情况确定设计洪水位和安全水位。
这些数据可以从水利规划、设计文件中获取,或者根据相关经验值进行确定。
假设设计洪水位为160m,安全水位为140m。
第二步:计算最大坝顶高程。
最大坝顶高程是指在设计洪水位时,坝顶的最高点相对于其中一水平面的高度。
根据边坡顺坡比和坝体的土石比,可以计算出边坡平顶线对应的高程,即最大坝顶高程。
根据给定数据,边坡顺坡比为1:1.5,坝体的土石比为1:2,可以计算出最大坝顶高程为:最大坝顶高程=水库正常蓄水位+边坡平顶线高程=150+1.5*坝顶线长=150+1.5*400=750m。
第三步:计算工作洪水位对应的坝顶高程。
工作洪水位是指在工作状态下,即一般正常蓄水时,坝顶的最高点相对于其中一水平面的高度。
根据边坡顺坡比和坝体的土石比,可以计算出边坡平顶线对应的高程,即工作洪水位对应的坝顶高程。
根据给定数据,边坡顺坡比为1:1.5,坝体的土石比为1:2,可以计算出工作洪水位对应的坝顶高程为:工作洪水位对应的坝顶高程=水库正常蓄水位+边坡平顶线高程=150+1.5*坝顶线长=150+1.5*400=750m。
第四步:确定均匀坝顶高程。
均匀坝顶高程是指坝顶线上各点的平均高程。
根据给定数据,坝顶线离均匀坝顶高程为0.5m,可以计算出均匀坝顶高程为:均匀坝顶高程=工作洪水位对应的坝顶高程-坝顶线离均匀坝顶高程=750-0.5=749.5m。
第一节坝顶高程确定
坝顶高层主要根据重力坝、库内风浪作用,按照混凝土重力坝设计规范确定。
一般来说,坝顶应高于校核洪水位,坝顶上游防浪墙的高程应高于波浪顶高程,与正常蓄水位火校核洪水位的高差,有公式(1)计算,应选择两者之中防浪墙顶高程的较大之作为选定高程
(1)
式中△h—防浪墙顶至正常蓄水位和校核洪水位的高差
h1%—波高
hz—波浪中心线至正常蓄水位火校核洪水位的高差
he—安全超高
其中h1%计算应先算出h5%,计算公式如(2)
(2)
式中h—当=20--250时,为累积频率5%的波高h5%。
由条件可知多年平均最大风速V0=19m/s 水库吹程D=3Km,可计算=81.5代入公式(2)可算得h5%=0.95 ,按表换算得h1%=1.18m
其中hz计算应先比较Hcr与H,若H>Hcr,则按公式(3)计算
(3)
其中由可计算得Lm=9.94 m则由公式(4)计算可得
(4)
Hcr=1.46m < H = 156.30m-68m= 88.30m代入公式(3)可得hz=0.42m
其中he可按现行《重力坝设计规范》计算,
防浪墙顶至正常蓄水位的高差△h1=1.18+0.42+0.7=2.3m
防浪墙顶至校核洪水位的高差△h2=1.18+0.42+0.5=2.1m
正常蓄水位时防浪墙的高程H1=2.3+153.20=155.5m
校核洪水位时防浪墙的高程H2=2.1+156.30=158.4m;
为了安全取较大得H2=158.4 m而防浪墙的高度一般可取1.2m(要减去);则坝顶高程为158.4-1.2=157.2m。
坝顶高程计算的方法在水利工程中,坝顶高程是一个重要的参数,它直接关系到坝体的稳定性和工程的安全性。
因此,准确计算坝顶高程是非常重要的。
本文将介绍以坝顶高程计算的方法。
一、确定基准面在进行坝顶高程计算之前,首先需要确定一个基准面。
基准面是一个参考标志,用于测量各点的高程值。
常见的基准面有国家高程基准、地方高程基准等。
根据实际情况选择适当的基准面。
二、测量控制点为了准确计算坝顶高程,需要在工程现场进行测量,确定一些控制点。
控制点的选择应考虑到其位置与坝顶的关系,以及易于观测和测量的因素。
通常选择在坝体上分布均匀的几个控制点。
三、测量方法1.水准测量法水准测量法是最常用的测量坝顶高程的方法之一。
该方法的基本原理是利用水准仪和水平仪进行测量,通过观测水平线上两点的高差来计算坝顶高程。
在实际测量中,需要注意仪器的使用和观测的精度,以减小误差。
2.全站仪测量法全站仪测量法是一种现代化的测量方法,其测量精度较高,并且具有自动记录和数据处理的功能。
在测量坝顶高程时,可以通过设置全站仪的位置和测量参数来获得高程数据。
同时,全站仪还可以进行水平角和垂直角的测量,从而提高测量的精度。
四、计算方法在测量完成后,可以根据观测数据计算坝顶高程。
计算方法通常采用代数平差法或最小二乘法。
在计算过程中,需要考虑各观测数据的权重,以及其他误差因素的影响。
通过计算,可以得到坝顶高程的准确值。
五、误差控制在进行坝顶高程计算时,需要注意误差的控制。
误差是不可避免的,但可以通过合理的方法进行控制和修正。
常见的误差来源有仪器误差、观测误差、环境条件等。
通过合理设置观测参数和检查数据,可以减小误差的影响,提高计算结果的准确性。
六、实例分析为了更好地理解以坝顶高程计算的方法,下面通过一个实例进行分析。
假设某坝体的高程控制点分别为A、B、C,测量结果如下:控制点高程(m)A 100.50B 101.20C 99.80根据上述数据,可以进行坝顶高程的计算。
h 2%=0.001365*W 9/6*D 1/3L m =0.01233*W*D 1/2 将上述公式简化后可得:2%及平均波长L (1)对于丘陵、平原地区水库,当W<26.5m/s、D<7500m时,波浪的波高和平均波长可采用鹤地水规范附录A公式(A.1.6-1)、(A.1.6-2):3 风浪要素(平均波高h m 及平均波长L m )的确定2 已知参数碾压式土石坝坝顶超高及坝顶高程的确定1 计算依据 《碾压式土石坝设计规范》(SL274-2001)第5.3节及附录A有关规定。
2.320.94、5级大坝采用累积频率为5%的爬高值R 5%。
规范表A.1.13 不同累积频率下的爬高与平均爬高比值(Rp /R m ) (2)按规范A.1.11条,设计波浪爬高值应根据大坝级别确定,1、2、3级大坝采用累积频率为1%的1%,平均爬高R 计算结果表系数K 计算成果表 (2)按规范附录A.1.7及A.1.8条的规定,根据gD/W 2和h m /H m 值的范围可按规范表A.1.8求取平均波高h m : 规范表A.1.8 不同累积频率下的波高与平均波高比值(h p /h m )4 设计波浪爬高R的确定 (1)按规范A.1.12条,当上游坝坡为单坡且m=1.5~5时,平均爬高R m 按公式(A.1.12-1)计算:…………(A.1.12-1) 式中: K W ……………斜坡的糙率渗透性系数,根据W/(gH)1/2的值按规范表A.1.12-2用内插法确定m………………………单坡的坡度系数,m=K △……………斜坡的糙率渗透性系数,K △= 按规范5.3.1条,安全加高A根据大坝级别按规范表5.3.1确定。
6 安全加高A的确定7 超高y的确定 按规范5.3.1条,坝顶在水库静水位以上的超高y按规范公式(5.3.1)计算: y=R+e+A ……(5.3.1) 按规范A.1.10条,风壅水面高度按公式(A.1.10)计算:……………(A.1.10)5 风壅水面高度e的确定7 坝顶高程(或防浪墙顶)确定 (1)按规范5.3.3条,坝顶高程等于水库静水位与坝顶超高之和,应按下列运用条件,取其大值:1加正常运用条件的坝顶超高;2 正常蓄水位加正常运用条件的坝顶超高;3 校核洪水位加非常运用条件 (2)按规范5.3.4条,当坝顶上游侧设有防浪墙时,坝顶超高可改为对防浪墙顶的要求。
2 已知参数碾压式土石坝坝顶超高及坝顶高程的确定1 计算依据 《碾压式土石坝设计规范》(SL274-2001)第5.3节及附录A有关规定。
3 风浪要素(平均波高h m 及平均波长L m )的确定 (1)对于丘陵、平原地区水库,当W<26.5m/s、D<7500m时,波浪的波高和平均波长可采用鹤地水算,即按规范附录A公式(A.1.6-1)、(A.1.6-2): 将上述公式简化后可得:2%及平均波长Lh 2%=0.001365*W 9/6*D 1/3L m =0.01233*W*D 1/2 (2)按规范附录A.1.7及A.1.8条的规定,根据gD/W 2和h m /H m 值的范围可按规范表A.1.8求取平均波高h m :2.470.8…………(A.1.12-1) 式中: K W ……………斜坡的糙率渗透性系数,根据W/(gH)1/2的值按规范表A.1.12-2用内插法确定m………………………单坡的坡度系数,m=K △……………斜坡的糙率渗透性系数,K △=4 设计波浪爬高R的确定 (1)按规范A.1.12条,当上游坝坡为单坡且m=1.5~5时,平均爬高R m 按公式(A.1.12-1)计算: 规范表A.1.8 不同累积频率下的波高与平均波高比值(h p /h m )系数K 计算成果表 (2)按规范A.1.11条,设计波浪爬高值应根据大坝级别确定,1、2、3级大坝采用累积频率为1%的1%,平均爬高R 计算结果表4、5级大坝采用累积频率为5%的爬高值R 5%。
5 风壅水面高度e的确定 按规范A.1.10条,风壅水面高度按公式(A.1.10)计算:……………(A.1.10)6 安全加高A的确定7 超高y的确定 按规范5.3.1条,坝顶在水库静水位以上的超高y按规范公式(5.3.1)计算: y=R+e+A ……(5.3.1) 按规范5.3.1条,安全加高A根据大坝级别按规范表5.3.1确定。
7 坝顶高程(或防浪墙顶)确定 (1)按规范5.3.3条,坝顶高程等于水库静水位与坝顶超高之和,应按下列运用条件,取其大值:1加正常运用条件的坝顶超高;2 正常蓄水位加正常运用条件的坝顶超高;3 校核洪水位加非常运用条件高; (2)按规范5.3.4条,当坝顶上游侧设有防浪墙时,坝顶超高可改为对防浪墙顶的要求。
坝顶超高计算中存在的几个问题
1、坝顶超高无法精确测量:由于河道及水位变化,在不定期的情况下,坝顶超高的准确度难以精确测量。
2、坝顶超高数据不准确:由于建筑物、自然环境等因素影响,坝顶超高的数据很难精确测量,存在一定的误差。
3、坝顶超高带来的分析困难:由于坝顶超高的测量数据不准确,从而导致其数据分析困难,不能有效解决问题。
4、坝顶超高引起的安全风险:坝顶超高的情况会对水库的安全带来影响,如果坝顶超高超过预期,可能会造成洪水灾害等危险影响。
鸡公尖水库安全复核一、防办计算经测量计算,漳河水库最大风速w=20.7m/s ,风区长度(吹程)d=6000m 。
根据现有土石坝碾压规范要求坝顶超高为:y=r+e+a ,其中a 值为安全加高值,根据规范在设计水位下a=1.5m ,校核水位下为0.7m 。
e 为风壅水面高度,计算公式为e=mgh d kw 22cos β,其中k 为综合摩阻系数,k=3.6×10-6 ;β为风向与坝轴线法线夹角取为0度。
m h 为平均水深,取鸡公尖水深,鸡公尖坝顶高程126.50m ,最大坝高58m ,由此可以算出坝底高程为68.5m ,因此在设计水位下,m h =123.89-68.5=55.39m ;在校核水位下,m h =124.30-68.5=55.8m 。
由此得出,设计水位下e=0.008525248;校核水位下e=0.008462607。
r 为波浪高度,算法采用鹤地水库公式,按频率2%波高计算。
公式:2%2w gh =0.00625w 1/63/12⎥⎦⎤⎢⎣⎡w gd计算出: m h =2.335618 m因此,坝顶超高计算结果:设计水位:y=2.335618+0.008525248+1.5=3.844144 m 校核水位:y=2.335618+0.008462607+0.7=3.044081m二、历次计算结果1、64年设计报告风速为21m/sec,扩度为5.5公里。
2、汛限水位研究报告鸡公尖水库0.2%设计水位124.99m、PMF校核水位126.04m。
加固后防浪墙顶标高127.70m、坝顶标高126.50m。
1)设计水位时如遇8级风上限与9级风下限风速20.7m/s,波浪爬高h B=1.094m,风壅水面高度e=0.023m,安全加高1.5m(正常),坝顶超高Y=h B+e+1.5=2.62m。
需坝顶或防浪墙顶高程为:124.99+Y=127.61m,是小于127.70m。
如遇9级风上限风速24.4m/s,波浪爬高h B=1.344m,风壅水面高度e=0.032m,安全加高 1.5m(正常),坝顶超高Y=hB+e+1.5=2.88m。