不合格材料退场记录
- 格式:doc
- 大小:48.50 KB
- 文档页数:4
材料退场证明书资料材料退场证明书资料一、材料退场的背景和原因在项目的实施过程中,材料的使用必不可少。
在某些情况下,我们可能需要退回一部分已经购买的材料,故需要提供退场证明书资料。
材料退场可以出现以下几种情况:1. 项目进度调整:由于项目实施过程中的一些变化,可能需要进行调整材料的使用量或种类,需要退场一部分已经购买的材料。
2. 材料质量问题:如发现已购买的材料存在质量问题或不符合项目要求,需要退回不合格的材料。
3. 过量采购:在项目开始前,为了保证工作的顺利进行,可能会采取过量采购的方式,以防止材料不足。
而在项目实施过程中,发现实际所需材料量远小于采购量,需要将多余的材料退回。
二、材料退场证明书资料的具体内容材料退场证明书资料应包含以下内容:1. 项目信息:包括项目名称、项目编号、项目负责人等。
2. 材料退场原因:详细说明为何需要退回这部分材料。
3. 材料退场清单:列出需要退回的材料的具体清单,包括材料名称、规格型号、数量等。
4. 材料退场证明人:列出参与材料退场的人员名单,并注明其职务和。
5. 材料退场时间和地点:具体说明材料退场发生的时间和地点。
6. 附件:如有必要,可以附上相关的文件、照片或其他证明材料。
三、材料退场证明书资料的编写要求在编写材料退场证明书资料时,应注意以下几点:1. 准确清晰:材料退场证明书需要准确、清晰地描述退场原因和退场材料清单,以便于相关人员查阅和理解。
2. 有据可查:如有必要,需要附上相关的文件、照片或其他证明材料,以便备案和查验。
3. 规范格式:材料退场证明书应该采用规范的格式和排版,使其具有专业性和权威性。
4. 审核确认:编写完成后,需要进行审核和确认,确保材料的准确性和完整性。
5. 签字盖章:所有参与材料退场的人员需要在证明书上签字,并加盖相关单位的公章。
四、材料退场证明书资料的保存和归档材料退场证明书资料应妥善保存和归档,以备后期查阅和审计使用。
建议将其以电子文档的形式保存,并按照项目的归档要求进行分类和归档。
关于15-20轴F-N轴地下一层柱混凝土试块强度说明在2012年7月17日委托的一组C40P8混凝土同条件养护(600度.天)试块抗压强度检验报告中,强度代表值分别是13.9,35.9,13.2.主要是由于所有同条件试块均放置在一起,经三方证实,取样时错拿试块,导致出现上述数据。
经商定,重新送一组试块进行复检,复检结果见2012-43641报告,复检数据强度值为45.4,49.7,47.1,达到设计强度的112%,复检合格。
建设单位:监理单位|:施工单位:
关于10-14轴G-M轴10层柱钢筋连接处理方案在2012年10月29日委托的一组三级钢筋直径22的电渣压力焊钢筋试件钢筋连接接头经检验拉伸试验不合格,为确保工程质量,并结合该项目工期紧,任务重的特点,所以对于不合格电渣焊采取绑扎搭接,绑扎搭接长度按照11G101图集施工。
建设单位:监理单位|:施工单位:
关于7-10轴G-M轴19层柱钢筋连接处理方案在2012年12月25日委托的一组三级钢筋直径16的电渣压力焊钢筋试件钢筋连接接头经检验拉伸试验不合格,为确保工程质量,并结合该工程工期紧,任务重的特点,所以对于不合格电渣焊采取绑扎搭接,绑扎搭接长度按照11G101图集施工。
建设单位:监理单位|:施工单位:。
不合格品退场记录表1. 引言不合格品是指不符合规定标准或要求的产品或材料,在生产过程中出现的质量问题。
为了追溯和管理不合格品,以及及时采取相应的措施,不合格品退场记录表被广泛应用于各个行业。
本文档旨在提供一个完整的不合格品退场记录表样式,以便企业或组织能够简便地记录和处理不合格品。
2. 不合格品退场记录表样式日期不合格品编号产品名称问题描述不合格现象处理措施负责人备注2022-01-01 HQP001 产品A 材料不符合要求颜色偏差剔除张三无2022-01-02 HQP002 产品B 尺寸不符合要求长度不达标返工李四有2022-01-03 HQP003 产品C 工艺问题表面粗糙削平王五无说明:•日期:记录该条不合格品退场记录的日期。
•不合格品编号:每个不合格品都应有独一无二的编号,以方便追溯和管理。
•产品名称:不合格品所属的产品名称。
•问题描述:对不合格品问题进行简要描述。
•不合格现象:对不合格品的具体现象进行描述,如颜色偏差、尺寸不达标等。
•处理措施:对不合格品的处理方式,如剔除、返工、削平等。
•负责人:负责处理该不合格品问题的责任人。
•备注:对该不合格品的其他相关备注信息。
3. 使用方法1.打开不合格品退场记录表样式,并在表格末尾添加新的记录行。
2.根据实际情况填写每个字段的内容,确保完整和准确。
3.保存并归档不合格品退场记录表。
4. 注意事项•确保记录每个不合格品的详细信息,以便追溯和分析。
•每条记录应包括不合格品的编号、问题描述、处理措施等核心信息。
•不合格品退场记录表应进行适当分类和归档,以便后续查询和管理。
•定期审核和分析不合格品退场记录,以识别潜在质量问题和改进机会。
5. 总结不合格品退场记录表是追溯和管理不合格品的重要工具。
通过记录和分析不合格品的相关信息,企业或组织能够及时采取相应的措施,减少质量问题的发生,并持续改进产品质量和生产过程。
以上是一个简单的不合格品退场记录表样式,根据实际需求可以进行修改和扩展。
关于规范不合格建筑材料退场程序的提示通知尊敬的业主:您好!我们是建筑工程管理部门,负责监督和管理本项目的施工工作。
在进行施工过程中,我们发现部分建筑材料不符合规范要求,存在质量问题,需要及时退场并进行更换。
为了确保工程质量和安全,保障您的权益,特发出本通知,关于规范不合格建筑材料退场的程序。
一、关于规范不合格建筑材料的定义规范不合格建筑材料是指不符合国家或行业相关标准、规范的建筑材料,可能存在质量缺陷、安全隐患等问题,不得在施工现场使用。
二、规范不合格建筑材料的确认和退场程序1.施工现场质量监督人员发现建筑材料存在问题,及时通知相关施工单位负责人,并要求停止使用该材料。
2.确认不合格建筑材料的类型、数量、责任方,并进行记录备案。
3.确认退场不合格建筑材料的处理方式,可以选择退回供应商或报废处理。
5.施工单位需填写规范不合格建筑材料退场记录表,详细描述相关情况,备份相关证据。
6.施工单位需在规定时间内完成不合格建筑材料的退场工作,提供相关报告和证明文件。
7.工程管理部门对不合格建筑材料的退场程序进行监督和审核,确保符合规范要求。
三、关于不合格建筑材料退场后的处理1.施工单位需及时更换合格建筑材料,并确保符合规范要求。
2.施工单位需加强施工质量监督,加大对建筑材料的检测力度,避免再次出现不合格建筑材料的情况。
3.工程管理部门将对施工单位的质量管理工作进行跟踪和监督,确保施工质量和工程安全。
四、补救措施如有违反规范不合格建筑材料退场程序的情况,将依法给予相应处理,严肃处理相关责任人。
同时,为保障业主的利益,我们将加强对施工现场的监督和检查,确保施工质量和工程安全。
建筑工程管理部门。
钢筋退场证明
由XX房地产公司开发,我部施工的XX工程于XX年XX月XX日在监理公司见证员见证下将XX钢铁X级钢XX (炉批号:XX,数量:XXT )试拉件送往XX检测中心进行进场复试,钢筋拉伸检验不合格(报告日期:XX年XX月XX日,报告编号:XX)O我部又于XX年XX月XX 日及时对该规格钢筋进行双倍复检试验,试验结果仍然不合格(报告日期:XX年XX月XX日,报告编号:xx) O
在收到复试结果不合格的信息后,我部于XX年XX月XX日在监理公司现场监理工程师见证下将该批全部钢筋予以退场处理。
特此证明!
附件1:拉伸不合格(报告编号:XX)
附件2:复检拉伸不合格(报告编号:XX)
附件3:退场照片
****有限公司
XX年XX月XX日
监理单位意见:。
不合格品材料退场记录记录日期:20XX年XX月XX日项目名称:XXXXXX项目进场日期:20XX年XX月XX日退场日期:20XX年XX月XX日1.项目背景XXXXXX项目是一项重要的建设项目,我们负责提供各种建筑材料。
为了确保项目的质量和进展,我们对所有进场的材料进行了严格的质量控制。
本次记录主要记录不合格品材料的退场情况。
2.不合格品材料检验和标记在材料进场后,我们立即进行了质量检验。
经过一系列的测试和检查后,我们发现了一些不合格品材料。
为了能够清晰地区分不合格品和合格品材料,我们对所有不合格品材料进行了标记。
标记方式如下:-材料名称和型号-发现日期和检查员姓名-不合格问题的简要描述3.不合格品材料处理具体的不合格品材料包括:-材料名称:XXXXX型号:XXXXX检查员:XXX不合格问题简要描述:XXXXX-材料名称:XXXXX型号:XXXXX发现日期:20XX年XX月XX日检查员:XXX不合格问题简要描述:XXXXX-材料名称:XXXXX型号:XXXXX发现日期:20XX年XX月XX日检查员:XXX不合格问题简要描述:XXXXX4.退场记录根据与供应商的协商结果,以下不合格品材料已经退场,并按照相关程序安全地进行了处理和妥善处置。
-材料名称:XXXXX型号:XXXXX发现日期:20XX年XX月XX日处理方式:XXXXX-材料名称:XXXXX型号:XXXXX发现日期:20XX年XX月XX日退场日期:20XX年XX月XX日处理方式:XXXXX-材料名称:XXXXX型号:XXXXX发现日期:20XX年XX月XX日退场日期:20XX年XX月XX日处理方式:XXXXX5.结论与建议此次退场记录表明,我们对于不合格品材料采取了正确的处理方式。
通过及时的检查和标记,我们避免了不合格品材料被误用和进一步影响项目进度和质量。
考虑到我们与供应商的合作,我们建议加强对他们的质量管理和检查工作,以减少不合格品材料的产生。
外墙材料退场记录一、引言外墙材料退场记录是指在建筑施工过程中,对已经使用的外墙材料进行退场处理的记录。
这些外墙材料可能是因为质量不符合要求、数量过剩或者其他原因而需要进行退场处理。
本文将就外墙材料退场记录进行详细的描述和分析。
二、退场原因1. 质量不符合要求:外墙材料在使用过程中可能出现质量不符合要求的情况,比如墙砖出现开裂、涂料出现脱落等。
这些问题会影响建筑物的外观和使用寿命,需要进行退场处理。
2. 数量过剩:在施工过程中,由于设计变更或者其他原因,外墙材料的使用数量可能超过了实际需要的数量。
为了避免浪费和节约成本,需要对多余的材料进行退场处理。
3. 施工进度延误:外墙施工是建筑施工过程中的重要环节,如果外墙材料的供应出现延误,会导致整个施工进度的延误。
为了保证工期的顺利进行,可能需要对延误的外墙材料进行退场处理。
三、退场流程及记录1. 材料检查:在进行外墙材料退场处理之前,需要对要退场的材料进行全面的检查。
检查的内容包括材料的质量、数量、规格等。
只有确认材料符合退场要求,才能进行后续的退场处理。
2. 退场申请:退场申请应由相关责任人提出,并附上退场材料的详细信息,包括材料名称、规格、数量等。
申请还应注明退场原因和退场日期等相关信息。
3. 审批流程:退场申请需要经过相关部门的审批。
审批的内容包括对退场原因的合理性和退场材料的准确性进行评估。
只有经过审批的退场申请才能得到批准。
4. 退场处理:退场处理包括物理搬运和记录更新两个环节。
在物理搬运环节,需要将退场的材料进行整理和分类,确保退场材料的完整性和可回收性。
在记录更新环节,需要及时更新退场记录,包括退场材料的名称、规格、数量、退场日期等信息。
5. 记录保存:退场记录应妥善保存,以备后续的查阅和核对。
记录的保存形式可以是电子文档或者实物档案,应根据实际情况选择合适的保存方式。
四、退场记录的重要性外墙材料退场记录对于建筑施工管理具有重要意义。
首先,退场记录可以清晰地记录下每一批退场材料的详细信息,包括材料的名称、规格、数量等,方便后续的核对和查询。
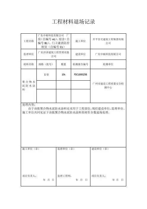
不合格材料退场记录
12
(11302957B1)
处理内容:
由株洲市强联物资贸易有限公司提供的热轧带肋钢筋12,生产厂家为方大特钢科技股份有限公司,炉批号为11302957B1,11月10日进场,经质安处于2012年12月7日抽检最小理论重量不符合规范要求,在此之前本钢筋未用于工程实体,现经建设单位、监理单位同意对这批钢筋作全数退场处理。
25
处理内容:
综合体育馆基础焊接报告:钢筋闪光对焊25,报告编号为HJ11110023,检测结果不合格,先将现场综合体育馆闪光对焊25成品做废品拆除处理。
25(镀锌)
处理内容:
综合体育馆锚杆基础焊接报告:钢筋双面搭接焊25,报告编号为HJ11110131,检测结果不合格,先将现场综合体育馆锚杆基础双面搭接焊25成品做废品拆除处理。
机械连接不合格处理记录表
25(镀锌)
处理内容:
综合体育馆锚杆基础机械连接报告:钢筋直螺纹套筒接头25,报告编号为HJ11110117,检测结果不合格,先将现场综合体育馆锚杆基础,钢筋直螺纹套筒接头25成品在监理旁站下做废品拆除处理。
重新配置钢筋,全部采用双面搭接接头。