【CN110059353A】一种模态参数自动识别简化实用方法【专利】
- 格式:pdf
- 大小:917.79 KB
- 文档页数:13
机械系统模态参数识别与特征提取1. 引言机械系统的模态参数识别与特征提取是一项重要的工程问题,在工程设计、故障诊断和结构监测等领域有着广泛的应用。
模态参数是描述机械系统振动特性的重要指标,包括自然频率、阻尼比和模态形态等。
准确地识别出这些参数可以帮助工程师评估系统的稳定性、预测故障、优化设计等。
2. 模态参数识别方法模态参数识别方法主要分为实验方法和数值方法两大类。
实验方法通常基于传感器采集的振动信号,通过分析频谱、速度、位移等信息,来识别模态参数。
数值方法则是通过建立机械系统的数学模型,利用计算方法求解模态参数。
每种方法都有其优缺点,可以根据具体应用场景选择合适的方法。
3. 实验方法3.1 频域分析法频域分析法是实验方法中常用的一种,它基于傅里叶变换原理,将时域信号转换为频域信号。
通过对频域信号的分析,可以得到模态参数的估计值。
常用的频域分析方法包括峰值搜索法、相关函数法和模态估计法等。
这些方法对信号噪声的抗干扰性较强,适用于复杂环境下的模态参数识别。
3.2 时间域分析法时间域分析法是另一种常用的实验方法,它直接对时域信号进行分析,通过峰值时间间隔等指标来估计模态参数。
时间域分析法具有计算简单、实验操作方便等优点,特别适用于现场实测的情况。
然而,由于时间域分析法对信号噪声较为敏感,因此需要进行一定的信号预处理和滤波。
4. 数值方法4.1 有限元法有限元法是一种基于计算机模拟的数值方法,通过将机械系统离散化为有限个单元,建立数学模型,在计算机上求解系统的振动特性。
有限元法具有计算精度高、适用于复杂结构等特点,广泛应用于机械系统的模态参数计算。
然而,有限元法的计算过程较为复杂,需要对系统的几何形状、材料特性等进行详细建模。
4.2 边界元法边界元法是另一种计算机模拟的数值方法,它通过将机械系统的振动场分解为边界上的位移和应力,建立边界积分方程并求解,计算系统的模态参数。
与有限元法相比,边界元法在处理无限大结构和界面问题时具有一定的优势。
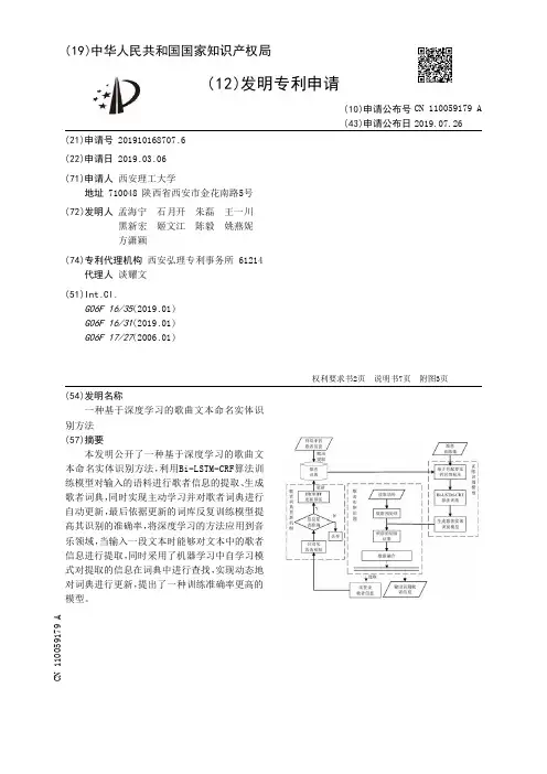
(19)中华人民共和国国家知识产权局(12)发明专利申请(10)申请公布号 (43)申请公布日 (21)申请号 201910168707.6(22)申请日 2019.03.06(71)申请人 西安理工大学地址 710048 陕西省西安市金花南路5号(72)发明人 孟海宁 石月开 朱磊 王一川 黑新宏 姬文江 陈毅 姚燕妮 方潇颖 (74)专利代理机构 西安弘理专利事务所 61214代理人 谈耀文(51)Int.Cl.G06F 16/35(2019.01)G06F 16/31(2019.01)G06F 17/27(2006.01)(54)发明名称一种基于深度学习的歌曲文本命名实体识别方法(57)摘要本发明公开了一种基于深度学习的歌曲文本命名实体识别方法,利用Bi -LSTM -CRF算法训练模型对输入的语料进行歌者信息的提取、生成歌者词典,同时实现主动学习并对歌者词典进行自动更新,最后依据更新的词库反复训练模型提高其识别的准确率,将深度学习的方法应用到音乐领域,当输入一段文本时能够对文本中的歌者信息进行提取,同时采用了机器学习中自学习模式对提取的信息在词典中进行查找,实现动态地对词典进行更新,提出了一种训练准确率更高的模型。
权利要求书2页 说明书7页 附图3页CN 110059179 A 2019.07.26C N 110059179A1.一种基于深度学习的歌曲文本命名实体识别方法,其特征在于,具体操作步骤如下:步骤1,使用爬虫框架Scrapy对音乐领域中的歌者信息进行提取,生成歌者词典并用MySQL进行存储;步骤2,获取歌者信息的相关语料,并将其分为歌者训练集及歌者测试集,其中歌者训练集是用来训练生成歌者信息识别模型,歌者测试集用来更新歌者词典;步骤3,对步骤2中歌者训练集中的歌者信息依据现有的歌者词典进行基于匹配的词性标注;步骤4,使用Bi-LSTM-CRF算法对步骤3中带标注的歌者训练集进行训练,生成歌者信息识别模型,该模型可以实现对音乐领域中的歌者信息进行提取;步骤5,对步骤4中生成的歌者信息识别模型输入关于测试集或音乐领域中的语料信息,识别模型将实现对语料中的歌者信息进行提取;步骤6,对步骤5中识别模型提取的歌手、歌曲、专辑等信息按序分类整合,实现对数据的融合,得到歌者信息识别的初步结果;步骤7,对步骤6中得到的歌者信息识别的初步结果信息保存到文件1.txt中;步骤8,获取步骤7中的文件1.txt,将文件中的歌者信息与歌者词典中的歌者信息进行比较,检测判断是否出现歌者词典中未记载的歌者信息,如果出现未记载的信息,则保存成为3.txt;若识别出的信息在歌者词典中存在,则保存成为2.txt;步骤9,对步骤8中3.txt文件中的未记载信息进行自动化检验判断,获取正确的歌者信息并将其存储到4.txt文件中;步骤10,对步骤8中识别出的且歌者词典中存在的信息2.txt与步骤9中歌者词典中不存在但是正确的歌者信息4.txt进行数据的融合,形成在步骤5输入语料中含有歌者相关信息的文本文件5.txt,并将其作为输出结果显示出来;步骤11,对步骤9中4.txt文件中的歌者信息使用DICDIFF算法对歌者词典进行更新;步骤12,定期重复步骤3、4,重新训练模型,提高歌者信息识别准确率。
(19)中华人民共和国国家知识产权局(12)发明专利申请(10)申请公布号 (43)申请公布日 (21)申请号 201910994657.7(22)申请日 2019.10.18(71)申请人 哈尔滨工业大学地址 150001 黑龙江省哈尔滨市南岗区西大直街92号(72)发明人 鲍跃全 刘大伟 唐志一 李惠 (74)专利代理机构 哈尔滨市阳光惠远知识产权代理有限公司 23211代理人 孙莉莉(51)Int.Cl.G06N 20/00(2019.01)G06N 3/08(2006.01)(54)发明名称一种基于机器学习的结构模态参数识别方法(57)摘要本发明提出一种基于机器学习的结构模态参数识别方法,包括以下步骤:步骤一、将振动传感器收集到的数据进行初步滤波去噪处理;步骤二、将滤波后的数据输入设计的神经网络,设计目标函数,所述目标函数用于保证神经网络第三层的输出结果具有完全的独立性,使得神经网络的训练过程变为混叠信号的分离过程;步骤三、提取神经网络第三层的结果即为各阶模态响应,神经网络三四层之间的权重即为各阶振型系数;步骤四、对提取得到的模态响应进行功率谱变换求频率,利用对数衰减技术并进行曲线拟合得到阻尼比。
本发明利用机器学习的方法实现了对监测数据的自动处理,网络自动化程度较高,分离速度较快。
权利要求书2页 说明书7页 附图10页CN 110782041 A 2020.02.11C N 110782041A1.一种基于机器学习的结构模态参数识别方法,其特征在于:所述方法包括以下步骤:步骤一、将振动传感器收集到的数据进行初步滤波去噪处理,选择带通滤波器对信号进行频率域滤波,然后进行傅里叶反变换返回到时域;步骤二、将滤波后的数据输入设计的神经网络,设计目标函数,所述目标函数用于保证神经网络第三层的输出结果具有完全的独立性,使得神经网络的训练过程变为混叠信号的分离过程;步骤三、提取神经网络第三层的结果即为模态响应,神经网络三四层之间的权重即为振型系数;步骤四、对提取得到的模态响应进行功率谱变换求频率,利用对数衰减技术并进行曲线拟合得到阻尼比。
专利名称:一种结构模态参数识别方法专利类型:发明专利
发明人:徐亚兰,刘珍,薛敏,陈建军
申请号:CN201010531598.9
申请日:20101103
公开号:CN102467654A
公开日:
20120523
专利内容由知识产权出版社提供
摘要:本发明涉及一种结构模态参数识别方法,其用于土木、航空航天结构的模态频率、阻尼以及振型的识别。
该识别方法首先对结构的含噪振动测试信号进行经验模式分解,并对分解后获得的本征模函数分量进行功率谱分析;然后根据各本征模函数分量的频率结构选择包含结构模态信息的本征模函数分量,进行线性叠加获得重构信号;最后利用重构信号进行Morlet小波变换,对各阶模态所对应的小波变换系数的瞬时幅值对数和相位进行最小二乘线性拟合,计算结构的模态频率、模态阻尼以及模态振型。
申请人:西安电子科技大学
地址:710071 陕西省西安市雁塔区太白南路2号
国籍:CN
更多信息请下载全文后查看。
专利名称:一种用于提高结构模态参数识别精度的方法专利类型:发明专利
发明人:侯吉林,姜蕾蕾,张青霞
申请号:CN201910972643.5
申请日:20191014
公开号:CN110796036A
公开日:
20200214
专利内容由知识产权出版社提供
摘要:本发明公开了一种用于提高结构模态参数识别精度的方法,涉及一种用于结构模态参数识别的可调幂指窗函数,属于结构损伤识别领域。
其特征是,将原始信号加该窗后作傅里叶变换,通过得到的频域响应对结构的模态进行识别。
该方法能使频谱图中的峰值位置更加明显,进而提高频率识别和幅值识别的精度。
对比加其他窗函数的方法具有操作简单,精度高,可调节性强等优点,因此具有良好的应用前景。
申请人:大连理工大学
地址:116024 辽宁省大连市甘井子区凌工路2号
国籍:CN
代理机构:大连理工大学专利中心
更多信息请下载全文后查看。
专利名称:一种时变模态参数识别方法专利类型:发明专利
发明人:张发明,顾亮亮,何乾强
申请号:CN201911422634.5
申请日:20191231
公开号:CN111174996A
公开日:
20200519
专利内容由知识产权出版社提供
摘要:本申请属于模态试验技术领域,特别涉及一种时变模态参数识别方法,包括如下步骤:构建谱分析模块;通过所述谱分析模块对加速度传感器数据以及力传感器信号进行时域采集;构建时变分析模块;通过所述时变分析模块对步骤二中采集到的数据进行分析,获得频响函数的瀑布图;在频响函数瀑布图中选取不同的频响函数进行分析,获得模态参数。
本申请的时变模态参数识别方法,通过构建时变分析模块对时域采集数据进行分析,最后获得模态参数,从而能够解决时变系统的模态参数识别问题。
申请人:中国航空工业集团公司沈阳飞机设计研究所
地址:110035 辽宁省沈阳市皇姑区塔湾街40号
国籍:CN
代理机构:北京航信高科知识产权代理事务所(普通合伙)
代理人:高原
更多信息请下载全文后查看。
(19)中华人民共和国国家知识产权局(12)发明专利申请(10)申请公布号 (43)申请公布日 (21)申请号 202111270053.1(22)申请日 2021.10.29(71)申请人 扬州宇安电子科技有限公司地址 225006 江苏省扬州市文昌东路15号江广智慧城东苑四号楼(72)发明人 李晃 李继锋 朱文明 陈浩 (74)专利代理机构 北京华际知识产权代理有限公司 11676代理人 俞璇(51)Int.Cl.G01S 7/28(2006.01)G01S 7/292(2006.01)(54)发明名称一种雷达信号脉冲描述字分选功能的实现方法(57)摘要本发明公开了一种雷达信号脉冲描述字分选功能的实现方法,属于雷达信号侦察技术领域。
本发明包括以下步骤:获取数字接收机产生的脉冲描述字,即PDW;对数字接收机产生的PDW 报文数据,在实时操作系统中,建立功能模块进行分选处理;确认功能模块的任务优先级以及数据流向;获取分选处理后得到的辐射源描述字,即EDW,作为雷达信号系统侦察结果的一部分在上位机显示。
本发明提供了一种分选功能,能够使得整个分选过程形成流水线处理的形式,提高了整个处理过程的执行效率,同时充分发挥了CPU的处理性能,利用实时操作系统替代裸机开发的方式,进行分选,使得任务数量不受CPU核心数量的限制。
权利要求书3页 说明书9页 附图2页CN 113985356 A 2022.01.28C N 113985356A1.一种雷达信号脉冲描述字分选功能的实现方法,其特征在于:该方法包括以下步骤:S1、获取数字接收机产生的脉冲描述字,即PDW;S2、对数字接收机产生的PDW报文数据,建立功能模块进行分选处理;S3、在实时操作系统中,确认功能模块的任务优先级以及数据流向;S4、获取分选处理后得到的辐射源描述字,即EDW,作为雷达信号系统侦察结果的一部分在上位机显示。
2.根据权利要求1所述的一种雷达信号脉冲描述字分选功能的实现方法,其特征在于:在步骤S2中,所述分选处理任务部署在一块现场可编程门阵列,即FPGA,和两块通用CPU上,三者均支持RapidIO,并且连接到同一个RapidIO交换机芯片,FPGA和CPU之间的数据传输通过RapidIO进行;所述两块通用CPU分别记为CPU_A和CPU_B。
专利名称:一种桥梁模态参数自动识别方法专利类型:发明专利
发明人:汪利,郑钦杰,吕中荣
申请号:CN202210231942.5
申请日:20220309
公开号:CN114676477A
公开日:
20220628
专利内容由知识产权出版社提供
摘要:本发明公开了一种桥梁模态参数自动识别方法,该方法包括:获取桥梁模态参数并进行验证,得到稳定点数据;基于分层聚类方法对稳定点数据进行分类,得到聚类树;根据需要结构模态的阶数从聚类树提取模态参数。
通过使用本发明,能够实现模态参数识别的完全自动化。
本发明作为一种桥梁模态参数自动识别方法,可广泛应用于建筑模态识别领域。
申请人:中山大学
地址:510275 广东省广州市海珠区新港西路135号
国籍:CN
代理机构:深圳市创富知识产权代理有限公司
代理人:高冰
更多信息请下载全文后查看。
(19)中华人民共和国国家知识产权局
(12)发明专利申请
(10)申请公布号 (43)申请公布日 (21)申请号 201910192700.8
(22)申请日 2019.03.14
(71)申请人 长安大学
地址 710064 陕西省西安市雁塔区二环南
路中段126号
(72)发明人 梁鹏 贺敏 叶春生 王树东
赵玄 赵翔宇
(74)专利代理机构 西安恒泰知识产权代理事务
所 61216
代理人 李婷
(51)Int.Cl.
G06F 17/50(2006.01)
G06K 9/62(2006.01)
(54)发明名称
一种模态参数自动识别简化实用方法
(57)摘要
本发明公开了一种模态参数自动识别简化
实用方法,该方法根据模态参数识别结果数据量
和稳定点数据量确定相似指标比例,进而确定合
理的指标差统计划分区间,提取其横坐标作为聚
类指标;对所有识别结果进行排序并标记,基于
指标阈值,对排序的识别结果依次进行遍历,将
小于阈值的识别结果按相似属性划分为一类,形
成多个具有相同属性的数据小类;设定稳定点数
量阈值,通过剔除不满足稳定点数量阈值的模态
类实现稳定图自动识别。
该方法解决了现有稳定
图自动自动识别中聚类指标的自动获取问题,遍
历归类过程简化了传统聚类的概念和过程,减小
了计算量,较已有的基于聚类算法的稳定图自动
识别过程显著减少迭代次数,
提高了计算效率。
权利要求书2页 说明书6页 附图4页CN 110059353 A 2019.07.26
C N 110059353
A
1.一种模态参数自动识别简化实用方法,其特征在于,包括:
步骤1,聚类指标的自动选取
根据桥梁健康监测模态参数识别结果数据量和稳定点数据量确定相似指标比例,进而确定合理的指标差统计划分区间,提取其横坐标作为聚类指标;
步骤2,简化的遍历归类过程
对所有识别结果进行排序并标记,将识别结果的二维数据特性压缩为一维以简化计算,基于指标阈值,对排序的识别结果依次进行遍历,将小于阈值的识别结果按相似属性划分为一类,形成多个具有相同属性的数据小类;
设定稳定点数量阈值,通过剔除不满足稳定点数量阈值的模态类实现稳定图自动识别。
2.如权利要求1所述的模态参数自动识别简化实用方法,其特征在于,所述的根据模态参数识别结果数据量和稳定点数据量确定相似指标比例,包括:
推导稳定图稳定点和全部模态参数识别结果之间的数据量关系,得到稳定点相似指标数量和所有数据点相似指标数量之间的数量关系,进而得到两者的比例关系。
3.如权利要求1所述的模态参数自动识别简化实用方法,其特征在于,所述的确定合理的指标差统计划分区间,提取其横坐标作为聚类指标,包括:
通过对相似指标进行统计分析,将统计结果最小指标区间占比设定为计算得到的比例,选取该比例下的横坐标作为聚类指标。
4.如权利要求3所述的模态参数自动识别简化实用方法,其特征在于,所述的将统计结果最小指标区间占比设定为计算得到的比例,选取该比例下的横坐标作为聚类指标,包括:
当对所有相似指标进行柱状图统计时,稳定点之间的相似指标位于最左端的区间内,当该区间的数据量占总体指标的比例为e时,所对应的横坐标就是稳定点之间的相似指标;
其中:
上式中,n为剔除虚假模态参数后的识别结果数量,N为系统最高阶次,a为稳定图中可以观察到的稳定轴的数量。
5.如权利要求1所述的模态参数自动识别简化实用方法,其特征在于,所述的基于指标阈值,对排序的识别结果依次进行遍历,将小于阈值的识别结果按相似属性划分为一类,包括:
对识别结果进行排序,根据排序完成的识别结果,按照设定的指标从第一个结果开始对识别结果进行遍历归类,当计算的软指标小于指标阈值时,继续计算下一个数据;当大于指标阈值时,停止计算,并开始下一个结果的遍历过程。
6.如权利要求1所述的模态参数自动识别简化实用方法,其特征在于,所述的对排序的识别结果依次进行遍历,其中遍历过程为:
基于硬指标,滤除绝对虚假模态参数,将剩余识别频率结果由小到大排列,数值相同时,按模型阶数的大小排列,并给每个数据进行编号,作为唯一标识码,最终形成初始矩阵
权 利 要 求 书1/2页2CN 110059353 A。