演示版自动化立体仓库管理系统.doc
- 格式:doc
- 大小:713.98 KB
- 文档页数:14
立体仓库管理系统1 概述自动化立体仓库管理与控制系统是企业或公司管理信息系统(CIMS)的组成部分之一,通常归结在仓库管理信息系统之下。
与仓库管理信息系统不同之处在于,它不仅含有对底层自动化设备的控制和管理,而且是针对某一具体的自动化仓库的基本数据管理系统,从关系上来看,它相对而言是比较独立的一个子系统。
而仓库管理信息系统一般要管理一个企业或公司下属的所有仓库中的信息。
自动化仓库管理与控制系统的主要任务是对一具体仓库中的材料、货位等基本信息进行管理,优化仓库存储的效率,管理材料的在库情况并控制仓库中的自动化设备,实现仓库中材料的自动出入库操作和存储操作。
2 仓库管理与控制系统基本组成结构自动化仓库系统的结构示意图如图1所示。
从组成上它可以划分为由5个子系统构成:在库材料数据管理系统;信息自动检测与录入系统;仓库自动化设备监控系统;设备自动控制系统和设备及货物运行实时监视系统。
仓库材料数据管理子系统主要涉及具体材料的在库情况统计管理。
信息自动检测与录入子系统的主要任务是对入库物品的外型进行检测,并扫描出入库物品的条码信息。
而仓库自动化设备监控子系统负责在计算机屏幕上用动画等方式,显示出设备的载货状态、运行位置等实时信息。
图1. 自动化立体仓库管理与控制系统示意图设备自动控制子系统主要实现对设备的运行控制。
设备及货物运行实时监视系统通过影象摄制、传输、显示系统,直观明了地观察整个自动化立体仓库中设备的运行及货物流转情况。
管理与控制系统主要有以下几项工作:根据具体仓库中出入库的实际情况对在库材料物品进行管理;依据用户所选择的具体存储策略对仓库中的货位进行分配;根据仓库中设备的具体布置情况及当前状态对各个出入库任务进行调度;对系统中的各种运作设备的状态进行实时监视;对物流实施过程中的各种设备或装置进行实时控制;与上位企业网管理系统进行通信,共享仓库基本数据;与下位执行设备进行通信,控制设备的运行;通过Internet对系统进行远程诊断等。
仓库管理系统仓库管理系统(Warehouse Management System,简称WMS)仓库管理系统能够按照指令自动完成货物的存取,自动管理库存货物,完全实现自动化作业。
自动化仓库系统主要分为三个层次,最上层是仓库管理系统WMS,负责仓库业务逻辑的处理;中间层是设备监控系统ECS,负责底层物流设备的协调与调度,能够按照程序预先设定的指令,使底层物流设备可以执行仓库的业务流程;最下层是具体的物流设备,如堆垛机、RGV系统等,由电控PLC程序驱动并控制其动作。
仓库设备调度与监控系统在物流自动化仓库系统的发展过程中,离不开物流软件,而仓库设备控制系统(简称ECS)作为其中的关键因素,它是实现仓储作业自动化的核心,负责调度控制实物的流动,根据设备的运行状况指挥协调设备的作业。
自动化仓库系统大概可分为三个层次,上层是仓库管理系统(简称WMS),负责仓储业务逻辑的处理;下层是具体的物流设备,如巷道堆垛机、RGV小车、输送机等,由电控系统直接控制;ECS作为承上启下的中间层,它是介于WMS与物流设备之间的中间层系统,负责指令的协调、调度底层的各种物流设备,使底层物流设备可以按照ECS的命令执行仓储系统的业务流程,而且整个过程完全是按照预先设定的程序流程执行的。
ECS根据WMS预先分配好的作业任务信息,将WMS任务转化为作业指令格式,向堆垛机、输送系统等物流设备下达相应的作业指令。
实时接收物流设备的作业状态和报警信息,并对主要设备的运行位置、作业状态信息实时动态地显示于监控界面。
虽然ECS可以协调指挥底层物流设备的动作流程,但它并不直接控制物流设备的动作,因为每个物流设备都有自身的PLC控制系统,ECS只需要和PLC中的控制程序通讯即可。
系统提供方便的网络接入方式,可与以太网、现场总线、标准串口的第三方设备接入系统。
在自动化仓储系统的流程控制中,还有项较为重要的就是路径管理,在优化路径时,可选择由近到远、由低到高等最短距离位移法。
自动化立体仓库系统(毕业论文doc)摘要立体仓库的特点在于以高层立体货架为标志,以成套先进搬运设备为基础,以先进的计算机控制技术为主要手段,高效率地利用仓储空间,节约时间和人力进行各种作业,具有巨大地社会效益和经济效益,因此被普遍应用于机器制造业、电器制造业、航空港、轻工和化工企业、商储业、军需部门等各行各业。
其中自动化的立体仓库更是具有广阔市场前景。
它集机械、电子、控制、计算机技术于一体,具有科技含量高,货物存取效率高和自动化程度高等优点,在物流监控技术、计算机应用技术、通信技术、货位优化管理等技术领域都有很好的应用。
自动化仓库有利于商品的保管。
提高仓库的安全可靠性。
降低成本,加快物流速度,提高企业在行业中的形象。
本文主要设计了一个自动化的立体仓库系统,首先给出了自动化立体仓库的基本框架结构与设计流程,并明确了系统各模块所能实现的基本功能,然后具体分析了系统组成及设计思想。
采用PLC 作为整个立体仓库系统的控制器,通过 PLC 编程软件对立体仓库的整个运作进行了 PLC 程序的设计,主要以手动和自动两种不同的方式控制,并对意外情况的发生也作了意外处理程序的设计。
另外,为了监控和管理立体仓库的运行状态,利用组态王对于立体仓库的运行情况设计了一个实时监控系统。
监控管理系统包括出、入库管理、查询、报表、监控与动画等模块。
管理人员只要通过运行监控系统界面就可以实时监控立体仓库的工作状态,保证了仓库的正常运作,对出现的问题做出及时的判断和处理。
关键词:立体化仓库; PLC 控制;组态王;实时监控Desig n of t he A u tom a t ed Tr id im e nsion a l W a r e hou se b a se d on P L C a n d i t s R ea l -- t im e M on i t or i ng S y stemAb s tr a c tA s the e x pa ndi ng of the m od e m e nterpri se indu stria l sca l e , w a re hou se ha s be c om e the m ost i m porta nt a ndindi spensa bil i ty tool of the l og i stic s sy s te m . T he pa per m a in l y de s ig ns a n a u tom a ted w a re hou se sy s te m . First, pu t forw a rd th e ba si c fra m e w ork of the a u tom a te d w a re hou se stru ctu re a nd d e si g n proce s s , a nd the n m a k e su re cl ea rly the ba si c fu nction s of ea c h m odu l e of the sy ste m . L a st, g iv e a d eta i l e d a na l y si s o f the sy ste m com pone nts a nd d e si g n id ea s. In thi s sy ste m , u se P L C a s th e co ntroll er of the e ntire w a rehou se sy ste m , u se the ste pper m otor dri ve s ta ck er m ov e m e nt, a nd u se photoel e ctri c sensors to d e te ct the i n-a nd - ou ts c ontrol of a u tom a ted w a re hou se a nd prec i se positi oning of the sta ck er. S e c ondl y , the tr id im e nsi ona l w a re hou se c ontro l sy ste m s ha s be e n d e sig ne d pri m a ri l y to u se prog ra m m a bl e c ontrol de v i c e to c ontrol, throu g h the PL C prog ra m m i ng softw a re for the e ntire tr id im e nsi ona l w a re h ou se op era tio n of th e PL C prog ra m de s ig n, d e v elo pe d m a nu a l a nd a u to m a tic tw o w a y c ontrol, a nd the d e si g n of u ne x pec te d a c ci d ents tr ea tm e nt prog ra m i s a l so c o ndu cte d. In a d dition, in ord er to m onitor a nd m a na g e the opera ti on of tri di m ensiona l w a re hou se s ta tu s , w i th the i npu t o f con fi g u ra ti on softw a re for the opera ti on of tri di m e nsi ona l w a re hou se ha s a rea l , ti m e m onitoring sy stem . T he sy ste m i s ca pa b l e of onsi te da ta c oll e ction a nd proc e s sing , the opera tor cou l d l a u nc h the m onitori n g sy ste m to g e t a rea l - ti m e u pda tes of the w ork ing sta tu s of the w a reh ou se , to e nsu re a sa fe ope ra tion a nd i m m e dia te error shooting a nd corre ctio n trea tm e nt.K e y w or d s : T ridi m e nsiona l W a re hou se; PL C control ; Ki ng v i e w softw a re R ea l - ti m eM onitorin g S y s te m1目录绪论 . . . . . . . . . . . . . . . . . . . . . . . . . . . . . . . . . . . . . . . . . . . . . . . . . . . . . . . . . . . . . 11 . 1 研究背景 . . . . . . . . . . . . . . . . . . . . . . . . . . . . . . . . . . . . . . . . . . . . . . . . . . . . 1 1 .2 立体仓库的国内外研究现状 . . . . . . . . . . . . . . . . . . . . . . . . . . . . . . . . . . . . 2 1 .3 自动化立体仓库的研究意义 . . . . . . . . . . . . . . . . . . . . . . . . . . . . . . . . . . . .4 1 . 4 本文研究的主要内容 . . . . . . . . . . . . . . . . . . . . . . . . . . . . . . . . . . . . . . . . . . 52 立体仓库系统设计方案的选择 . . . . . . . . . . . . . . . . . . . . . . . . . . . . . . . . . . . . . . . . 72 . 1 立体仓库系统的组成设计 . . . . . . . . . . . . . . . . . . . . . . . . . . . . . . . . . . . . . . 72 . 2 立体仓库系统各模块功能的设计 . . . . . . . . . . . . . . . . . . . . . . . . . . . . . . . . . 72 .3 立体仓库参数的数确定 . . . . . . . . . . . . . . . . . . . . . . . . . . . . . . . . . . . . . . . . 92 . 4 立体仓库系统实现功能的设计 . . . . . . . . . . . . . . . . . . . . . . . . . . . . . . . . . 1 02 . 5 设计中的问题及解决方案 . . . . . . . . . . . . . . . . . . . . . . . . . . . . . . . . . . . . . 1 02 . 5 . 1 设计中出现的问题 . . . . . . . . . . . . . . . . . . . . . . . . . . . . . . . . . . . . .1 02 . 5 . 2 解决方案 . . . . . . . . . . . . . . . . . . . . . . . . . . . . . . . . . . . . . . . . . . . . .1 03 立体仓库系统的硬件设计 . . . . . . . . . . . . . . . . . . . . . . . . . . . . . . . . . . . . . . . . . . . 1 23 . 1 步进电机的选择 . . . . . . . . . . . . . . . . . . . . . . . . . . . . . . . . . . . . . . . . . . . . . 1 23 . 2 传感器的选择 . . . . . . . . . . . . . . . . . . . . . . . . . . . . . . . . . . . . . . . . . . . . . . . 1 63 . 3 PLC 选型 . . . . . . . . . . . . . . . . . . . . . . . . . . . . . . . . . . . . . . . . . . . . . . . . . . . . 1 83 .4 PLC 输入输出分配表 . . . . . . . . . . . . . . . . . . . . . . . . . . . . . . . . . . . . . . . . . . 2 23 . 5 立体仓库控制系统的结构设计 . . . . . . . . . . . . . . . . . . . . . . . . . . . . . . . . . 2 33 . 6 电气原理图总体设计 . . . . . . . . . . . . . . . . . . . . . . . . . . . . . . . . . . . . . . . . . 2 54 立体仓库系统的软件设计 . . . . . . . . . . . . . . . . . . . . . . . . . . . . . . . . . . . . . . . . . . . 2 64 . 1 PLC 控制程序流程设计 . . . . . . . . . . . . . . . . . . . . . . . . . . . . . . . . . . . . . . . . 2 64 . 2 PLC 程序设计 . . . . . . . . . . . . . . . . . . . . . . . . . . . . . . . . . . . . . . . . . . . . . . . . 2 85 立体仓库系统的组态监控设计 . . . . . . . . . . . . . . . . . . . . . . . . . . . . . . . . . . . . . . . 3 55 . 1 组态软件的选择 . . . . . . . . . . . . . . . . . . . . . . . . . . . . . . . . . . . . . . . . . . . . . 3 55 . 2 设计流程 . . . . . . . . . . . . . . . . . . . . . . . . . . . . . . . . . . . . . . . . . . . . . . . . . . . 3 85 . 3 组态监控画面的设计 . . . . . . . . . . . . . . . . . . . . . . . . . . . . . . . . . . . . . . . . . 4 2 总结 . . . . . . . . . . . . . . . . . . . . . . . . . . . . . . . . . . . . . . . . . . . . . . . . . . . . . . . . . . . . . .5 0 致谢 . . . . . . . . . . . . . . . . . . . . . . . . . . . . . . . . . . . . . . . . . . . . . . . . . . . . . . . . . . . . . .5 1 参考文献 . . . . . . . . . . . . . . . . . . . . . . . . . . . . . . . . . . . . . . . . . . . . . . . . . . . . . . . . . .5 2 附录立体仓库控制系统PLC 程序 . . . . . . . . . . . . . . . . . . . . . . . . . . . . . . . . . . . . . . 5 31 绪论自动化立体仓库系统是在不直接进行人工处理的情况下能自动存储和取出物料的系统,也称自动存取系统。
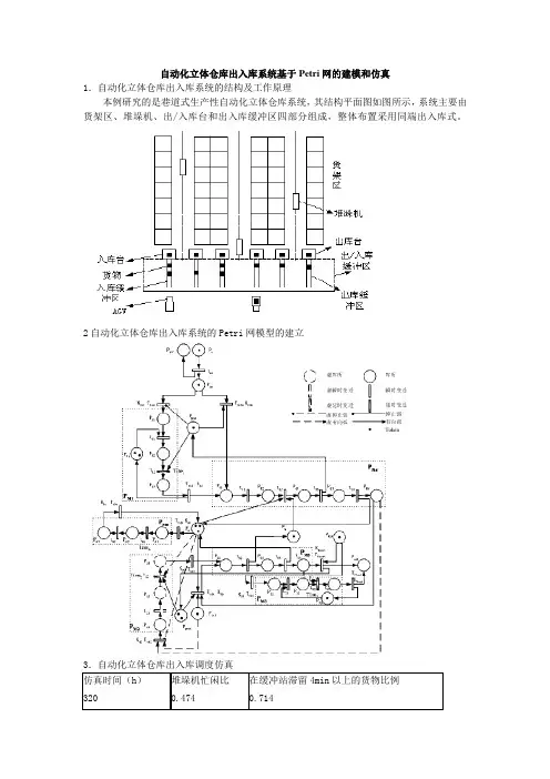
自动化立体仓库出入库系统基于Petri网的建模和仿真
1.自动化立体仓库出入库系统的结构及工作原理
本例研究的是巷道式生产性自动化立体仓库系统,其结构平面图如图所示,系统主要由货架区、堆垛机、出/入库台和出入库缓冲区四部分组成,整体布置采用同端出入库式。
2自动化立体仓库出入库系统的Petri网模型的建立
仿真时间(h)堆垛机忙闲比在缓冲站滞留4min以上的货物比例
3200.4740.714
本例给出的自动化立体仓库系统出入库调度的OOTPN模型,由于该模型采用对象模块化的思想,因此非常易于扩展。
要增加堆垛机数量和巷道数只需修改模型中的Token数目;即使系统要增加新的设备也只需相应的增加新的对象模块,并不需改变原来的模型。
由表也可以看出本系统运行的效率并不高,这和所采用的调度策略比较简单有关。
通过进一步优化调度策略,将能够提高系统的效率,同时调度策略的优化也有利于避免死锁。
(注:素材和资料部分来自网络,供参考。
请预览后才下载,期待你的好评与关注!)。
自动化立体仓库管理系统1.概述自动化立体仓库管理系统WMS(warehouse management system)就是使用计算机实现对自动化立体仓库和输送设备全面的运行过程控制、实时监视以及物流信息管理与跟踪。
物流信息管理包括作业计划、作业调度、作业过程以及作业变更等,自动化立体仓库管理系统是自动化立体仓库系统中的灵魂和中枢。
2.设计原则2.1 实用性和可行性主要技术和产品具有实用、成熟、稳定、安全的特点。
实用性以系统整体运行效率为重点。
既要便于用户使用,又要便于系统管理。
2.2先进性和成熟性系统设计既要采用超前理念,先进技术和系统的工程方法,又要注意思维理性与技术的可行性,方法的正确性。
不但能反映当今的先进技术和理念,而且具有拓展潜力,能保证未来若干年能占主导地位。
先进性与成熟性并重,并考虑到近年来的应用发展特点,应把先进性放在重要位置。
2.3 开放性与标准化原则应用平台应是一个开放的且符合业界主流技术标准的系统平台,并使网络的硬件环境、通信环境、软件环境、操作平台之间的相互依赖性小。
2.4可靠性和稳定性在考虑技术先进性和开放性的同时,还应从系统结构、技术措施、系统管理等方面着手,确保系统运行的可靠性和稳定性,达到最大的平均无故障时间。
2.5可扩充性及易升级性为适应应用不断拓展的需要,应用平台的软硬件环境必须有良好的平滑可扩充性。
2.6安全性和保密性在应用平台设计中,充分考虑信息资源的共享,注意信息资源的保护和隔离,应分别针对不同的应用和不同的网络通信环境,采取不同的措施,包括系统安全机制、数据存取的权限控制等。
2.7可管理性和可维护性整个应用平台是由多个部分组成的较为复杂的系统,为了便于系统的日常运行维护和管理,要求所选产品具有良好的可管理性和可维护性。
另外可管理性和可维护性还包括对平台的自身。
3.系统架构WMS系统架构主要有服务层、管理层、监控层、执行层:➢服务层是由服务器和数据库组成,支撑整个系统的运行,并为数据提供保障服务,实现了与业务层集成的数据共享。
引言概述:自动化立体库(二)是建立在自动化立体库(一)的基础上,进一步深化和完善的技术应用。
自动化立体库是一种能够实现高密度、高效率存储和管理物品的仓储设备。
本文将从五个大点来详细阐述自动化立体库(二)的相关内容。
正文内容:一、物料输送系统的优化1.1引入无人机技术,实现自动化的物料输送,提高效率。
1.2引入智能技术,实现物料的快速、准确输送。
1.3优化物料输送路径,减少行程时间和能源消耗。
二、智能化管理系统的优化2.1引入技术,对库内物料进行智能识别和分类。
2.2配备大数据分析系统,对库存情况进行实时监控和预测。
2.3引入自动化的库存管理系统,实现自动货位选择和入库出库操作。
三、安全性的提升3.1引入高清监控摄像技术,实时监控库内情况,保障库内安全。
3.2建立火灾报警和灭火系统,预防火灾事故发生。
3.3引入智能安全系统,对库内人员和物品进行身份验证和监控,防止盗窃和损坏。
四、环境控制的优化4.1引入自动温湿度控制系统,保证库内物品的质量和存储环境。
4.2安装空气净化设备,提高库内空气质量,保护物品的安全。
4.3引入照明控制系统,减少能源浪费,提高能源利用效率。
五、人机协同工作的实现5.1引入人机协同操作系统,实现人员和的高效协同工作。
5.2建立培训体系,提升员工对自动化立体库操作的熟练度。
5.3优化库内工作流程,减少人机协同过程中的冲突和错误。
总结:自动化立体库(二)通过优化物料输送系统、智能化管理系统、提升安全性、环境控制的优化和实现人机协同工作,实现了对仓储设备的深度升级和提升。
这些优化和升级不仅提高了仓储设备的运行效率和安全性,也为企业提供了更高效的物料存储和管理解决方案,推动了物流行业的发展和进步。
未来,随着科技的不断进步和创新,自动化立体库(二)的应用将会得到更广泛的推广和应用。
自动化立体仓库管理系统
1.概述
自动化立体仓库管理系统WMS(warehouse management system)就是使用计算机实现对自动化立体仓库和输送设备全面的运行过程
控制、实时监视以及物流信息管理与跟踪。
物流信息管理包括作业计划、作业调度、作业过程以及作业变更等,自动化立体仓库管理系统是自动化立体仓库系统中的灵魂和中枢。
2.设计原则
2.1 实用性和可行性
主要技术和产品具有实用、成熟、稳定、安全的特点。
实用性以系统整体运行效率为重点。
既要便于用户使用,又要便于系统管理。
2.2先进性和成熟性
系统设计既要采用超前理念,先进技术和系统的工程方法,又要注意思维理性与技术的可行性,方法的正确性。
不但能反映当今的先进技术和理念,而且具有拓展潜力,能保证未来若干年能占主导地位。
先进性与成熟性并重,并考虑到近年来的应用发展特点,应把先进性放在重要位置。
2.3 开放性与标准化原则
应用平台应是一个开放的且符合业界主流技术标准的系统平台,并使网络的硬件环境、通信环境、软件环境、操作平台之间的相互依赖性小。
2.4可靠性和稳定性
在考虑技术先进性和开放性的同时,还应从系统结构、技术措施、系统管理等方面着手,确保系统运行的可靠性和稳定性,达到最大的平均无故障时间。
2.5可扩充性及易升级性
为适应应用不断拓展的需要,应用平台的软硬件环境必须有良好的平滑可扩充性。
2.6安全性和保密性
在应用平台设计中,充分考虑信息资源的共享,注意信息资源的保护和隔离,应分别针对不同的应用和不同的网络通信环境,采取不同的措施,包括系统安全机制、数据存取的权限控制等。
2.7可管理性和可维护性
整个应用平台是由多个部分组成的较为复杂的系统,为了便于系统的日常运行维护和管理,要求所选产品具有良好的可管理性和可维护性。
另外可管理性和可维护性还包括对平台的自身。
3.系统架构
WMS系统架构主要有服务层、管理层、监控层、执行层:
➢服务层是由服务器和数据库组成,支撑整个系统的运行,并为数据提供保障服务,实现了与业务层集成的数据共享。
➢管理层是是完成系统的高级管理工作,负责仓库系统的库位管理,出入库管理,查询报表分析,库存分析,系统维护,故障分析等工作,实现与服务器的信息交互与作业下达。
➢监控层负责接收和转发,协调管理系统的出入库指令,完成作业指令的分解,排队和下达,控制物流设备的各部执行机构,跟踪和处理控制系统各种信息的实时采集和动画跟踪。
➢执行层通过各环节执行机构,执行、跟踪并依次完成作业指令规定的任务。
4软件环境
服务器:操作系统:Windows Server 2003以上
数据库:sql server 2008以上/ Oracel 9i 以上
客户机:操作系统:windows 7以上
5系统安全
5.1多种备份方式结合
冗余设计方案来提高数据的安全性;
数据备份:每天数次的数据备份策略,可以将数据恢复的时间压缩到最后;
采用RADI5磁盘阵列,并且双机热备的方式,保证数据的安全。
5.2断电保护支持
配置UPS不间断电源,当出现产线突然断电后,UPS将可持继供电25分钟(对时间有特殊需求时可更换UPS或增加电源容量进行更长时间断电保护支持),用于相关堆垛机、出入库信息存储及任务保存,当恢复供电后,自动延续断电前作业,并继续完成。
5.3权限管理
每个用户按照不同的权限不同的角色划分到每一个模块,系统提供许可认证,并记录每一用户的活动。
登录界面:
如果需要修改密码执行下面界面操作:
5.4角色管理
系统可提供多角色权限,不同人员可分配不同角色、不同角色可分配不同的管理权限,以方便用户管理权限的集中批量化设置。
6功能模块
WMS的功能主要分为五大块:仓库作业管理、库存管理、系统管理、统计报表查询输出和接口管理,接口管理由后台服务端配置,其他模块都在客户端有界面。
WMS系统每一大模块里还有具体的小模块菜单,供用户做具体的业务操作,功能架构如下:
7 功能明细
7.1入库管理
●入库口接收到需要入库的信息。
●WCS向WMS发送带托盘编号的“可入库指令”,WMS向WCS
发送任务。
WCS将任务指令反馈给堆垛机。
●堆垛机取料成功,直接将物料取走,取料失败,通过WCS反
馈信息给WMS,WMS对任务进行处理。
(堆垛机需要能返回各种故障状态信息)。
●堆垛机放料,放料成功与失败,都反馈信息给WCS,WCS反
馈信号给WMS。
WMS根据不同的错误代码进行相应的处理。
(WMS失败任务处理方式见以下WMS错误处理机制)
7.2出库管理
●WMS接收到出库请求,WMS发送出库请求给WCS系统,
WCS按照预先设置的出库规制发送指令给堆垛机。
●堆垛机取料成功,直接将物料取走,取料失败,WCS反馈失
败信息给WMS,WMS对任务进行处理。
●堆垛机放料,放料成功与失败,都反馈信息给WCS,WCS反
馈失败信息给WMS,WMS根据不同的错误代码进行相应的处理。
(WMS失败任务处理方式见以下WMS错误处理机制)
7.3WMS手动模式操作
手动入库
WMS界面操作手动入库时,入口扫码,WMS发起手动入库命令和配仓命令,WCS接收手动入库命令,WCS发送入库命令给堆垛机,堆垛机取料入库。
手动出库
WMS界面操作手动出库时,WMS发起手动出库命令,WCS 接收手动出库命令,WCS将出库是否成功的命令反馈给WMS。
7.4库存查询
通过WMS系统的库存管理的界面,点击查看详细库位可以查询某库位的详细信息
点击“查看详细”:
7.5 盘点管理
盘点:盘点分为:事件驱动的循环盘点、系统驱动的循环盘点、人工驱动的循环盘点、管理员创建的盘点,对于经审核通过的盘点单,
仓库管理人员使用手持PDA对于原材料托盘和库位分别进行扫码,系统自动生成盘点差异单,更新系统库存,并将库存信息实时同步到ERP系统。
8接口管理
接口程序处理上层ERP系统中的基础信息和出入库订单,系统可自动运行。
具体的接口信息有:
9立体库硬件常用清单。