侧石树池人行道施工工艺
- 格式:docx
- 大小:621.37 KB
- 文档页数:4
侧石施工方案与技术措施1、施工放样侧、平石平面位置的测放使用经纬仪或花杆测放出道路的边线桩。
这边线桩也就是侧、平石靠车行道一边的位置可以用铁钎和麻线把这位置固定下来。
2、侧、平石标高的测放为了便于施工操作,简化放样手续,应当使侧、平石的标高与道路中心的标高建立一定关系。
实地测放时,是用水准仪沿道路桩号每20~30m(一般在标准横断面处),测出侧、平石顶面标高H,并打入铁钎,用红笔标出标高的位置,然后用麻线高度排砌石。
3、备料根据施工路段的长度及线形情况,算出各种长短规格侧、平石及垫层、基础、灌缝材料的需要量。
4、排砌侧、平石先校核样桩位置及标高,路缘桩因开槽扰动,要重测放样并插铁钎,再从路边线铁钎处往人行道方向量出半块侧、平石宽度(相当于侧、平石二端接缝的位置),再插一铁钎,用前面讲的方法标上侧、平石顶面标高,并将前后三四根铁钎在侧、平石顶面标高处系上麻线拉紧,用以控制侧、平石的排砌高度,在垫层上摊铺基础材料、拍实刮平,使基础表面离标高麻线的距离相当于侧、平石高度,然后用钩或绳子吊起侧、平石,轻轻放在基础上,依据标高麻线及连线排设侧、平石,标高如有不符,应校正基础,予以垫高或铲低。
5、灌缝侧、平石排砌一段后(一般为10~20米),应即灌缝。
用水泥砂浆(根据设计要求)灌入侧、平石的接缝,侧、平石间的接缝以及两块侧、平石之间的接缝内,砂浆要灌满、捣实、最后抹平、扫净、灌缝前,侧、平石的接缝均应扫净并洒水湿润、灌缝后要整齐勾缝。
6、养护新排砌的侧、平石,应用安全带拦住,妥加保护。
侧、平石采用石质侧平石,其平整度、长度等都应达到验收评定标准,以保证侧、平石表面平整美观,侧、平石采用龙门桩法控制平面位置及高程,做到直接段平直,圆弧段平顺无折角,并保证灌缝密集、平齐。
对侧、平石后背起固定作用的基础混凝土用钢模整体性浇筑。
硬质景观侧石人行道施工方案1、侧石施工侧石采用架子车搬运,要小心轻放,掉角及破损侧石不得用于本工程中。
侧石底采用2CM厚M10砂浆卧底,灌浆满嵌实,侧石勾缝为凹缝,接缝要进行三天以上的湿治养护。
在做完基层后,按照设计边线或其它施:1:基准线,准确放线、定粧。
侧石安放须稳固,做到线段直顺,曲线圆滑;侧石顶而平整无错牙,勾缝饱满严密,整洁坚实。
雨水口处侧石安放,应与雨水11施工配合,做到安放牢固,位置准确。
侧石灌缝水泥砂浆抗压强度大于lOMpa,灌缝必须饱满嵌实。
平侧石由业主及监理认可的厂家生产供应,现场收料需进行成品质量检验,合格后方可使用。
本工程采用花岗岩侧石。
侧石规格(高X宽)37X 15cm;侧石缝隙用1: 2水泥砂浆勾凹缝,缝深约3mm,缝宽5 mm。
本工程设计上収消了道路平石施工。
在稳定层完成后,即开始侧石安装;侧石采用架子车搬运,要小心轻放,掉角及破损侧石不得用于本:丨:程屮。
(«)安装前应准确放样,定出安装边线及标高。
必须保证底部砂浆饱满,结合牢固,砂浆标号为M10。
相邻侧石接缝必须平齐,缝宽为lcm平石应和侧石的缝隙小于等于lcm,平石与路面接缝边线必须顺直。
侧石灌缝用1: 2水泥砂浆,灌浆必须饱满嵌实,侧石勾缝为凹缝,深度为0.3cm。
做好后的侧石应保证安装稳固,线段直顺,曲线圆滑,顶面平整无错牙,沟缝漂亮美观。
应根据稳定层施工进度,合理组织人员,每一工作面一般5人,泥工为安装好的侧石在测量复核无误后,应立即进行靠背细粒石砼的浇筑,以固定侧石位置,抵挡水平推力。
强调线型的美观至关重要,安装过程中若目测线型较差或有突变,应重新复核轴线和标高。
侧石安装进度直接关系到沥青砼的施工,不能掉以轻心,需切实按大计划进行,这是原则,施工班组、管理人员必须认真贯彻施工组织设计的总体思路。
2、人行道施工对十铺设水泥砂浆结合层上的地面砖,施工时应该将块料浸水湿润,这是保证面层与结合层粘结牢固,防止空鼓、起壳等质量通病的重要措施。
目录一、工程概况 0二、人行道板的铺设 0三、侧、平石铺砌 (1)四、质量控制措施 (2)五、文明施工措施 (3)六、安全保证措施 (3)一、工程概况龙翼二街位于郑州市郑东新区龙湖区,为郑东新区龙湖地区的一条南北向城市主干路,本段工程南起龙湖内环路,北至新龙路,全长1328.05米。
本标段设计起始桩号0+000~0+495,全长450米,标准路段规划红线宽度50米,四幅路形式。
人行道板为花岗岩道板砖(30*30cm),盲道宽度60cm,采用两块花岗岩(米黄色)盲道砖(30*30cm),厚度均为4cm,下设3cm 厚M7.5水泥砂浆。
本工程机动车道采用100*35*25花岗岩侧石,50*50*10 C30砼平石,非机动车道采用100*25*15花岗岩侧石,人行道采用50*15*8花岗岩边石。
二、人行道板的铺设1、水稳基层经检查验收合格后方可铺筑人行道板。
2、根据测量放样结果预先留出树池位置,再根据测量结果采用横向、纵向挂线方法控制高程,砂浆为3cm厚M7.5水泥砂浆,强度经过试验检测,提供检测报告,必须满足设计要求。
3、人行道砖装卸时要注意强度和外观质量,轻装轻卸以免损坏,卸车前先确定卸车地点和数量,尽量减少搬运。
4、铺砌时,按桩线高程,由第一行道砖横挂线绷紧,按线标准缝宽砌上一行样板转,然后纵线不动,横线平移,摊铺平砂浆后,依次按线及样板砖铺砌。
5、铺砌时,道砖要轻拿轻放,用橡胶锤轻击道板的中心,不得向道板底塞灰或支垫硬料。
6、在铺砌过程中,班组设专人不断检查缝距、缝的直顺度、宽窄均匀度及道板的平整度,发现不能满足要求的及时更换。
7、路面完工后,安排勾缝。
先把缝内的土及杂物剔除干净,然后用经过筛选后的细砂灌缝填实勾平,确保缝内充实饱满,再用软扫帚扫除表面残留细砂,最后达到整齐美观。
砌体表面平整、勾缝坚固、整齐,深度和形式符合要求,勾缝平顺,无脱落现象。
铺砌完毕的人行道立即封闭交通,禁止行人和车辆、重物碾压,防止破坏。
人行道、侧、平石施工方案完整(完整版资料,可直接使用可编辑,推荐下载)、工程概况0二、人行道板的铺设0三、侧、平石铺砌1四、质量控制措施2五、文明施工措施3六、安全保证措施3一、工程概况龙翼二街位于郑州市郑东新区龙湖区,为郑东新区龙湖地区的一条南北向城市主干路,本段工程南起龙湖内环路,北至新龙路,全长1328.05 米。
本标段设计起始桩号0+000〜0+495全长450米,标准路段规划红线宽度50米,四幅路形式。
人行道板为花岗岩道板砖(30*30cm),盲道宽度60cm采用两块花岗岩(米黄色)盲道砖(30兴30cm),厚度均为4cm,下设3cm厚M7。
5水泥砂浆。
本工程机动车道采用100*35兴25花岗岩侧石,50*50兴10 C30砼平石,非机动车道采用100兴25*15花岗岩侧石,人行道采用50*15 兴8花岗岩边石.二、人行道板的铺设1、水稳基层经检查验收合格后方可铺筑人行道板。
2、根据测量放样结果预先留出树池位置,再根据测量结果采用横向、纵向挂线方法控制高程,砂浆为3cm厚M7.5水泥砂浆,强度经过试验检测,提供检测报告,必须满足设计要求。
3、人行道砖装卸时要注意强度和外观质量,轻装轻卸以免损坏,卸车前先确定卸车地点和数量,尽量减少搬运.4、铺砌时,按桩线高程,由第一行道砖横挂线绷紧,按线标准缝宽砌上一行样板转,然后纵线不动,横线平移,摊铺平砂浆后,依次按线及样板砖铺砌。
5、铺砌时,道砖要轻拿轻放,用橡胶锤轻击道板的中心,不得向道板底塞灰或支垫硬料。
6、在铺砌过程中,班组设专人不断检查缝距、缝的直顺度、宽窄均匀度及道板的平整度,发现不能满足要求的及时更换.7、路面完工后,安排勾缝。
先把缝内的土及杂物剔除干净,然后用经过筛选后的细砂灌缝填实勾平,确保缝内充实饱满,再用软扫帚扫除表面残留细砂,最后达到整齐美观。
砌体表面平整、勾缝坚固、整齐,深度和形式符合要求,勾缝平顺,无脱落现象。
铺砌完毕的人行道立即封闭交通,禁止行人和车辆、重物碾压,防止破坏.&铺砌注意事项:(1)、要求道板砖达到设计强度标准,运输过程中防止缺棱掉角。
河石、植物池、人行道施工工艺本文档旨在介绍河石、植物池和人行道的施工工艺。
以下是具体内容:河石施工工艺河石是一种常用于景观设计和园林建设的材料,下面是河石施工的步骤:1. 确定施工区域:在施工前,根据设计需求,在需要铺设河石的区域进行测量和布置。
2. 准备工作:清理施工区域,确保表面干燥、平整,并清除任何障碍物。
3. 铺设河石:根据设计要求和个人偏好,选择适当大小、形状和颜色的河石进行铺设。
使用胶水或水泥等适当的粘合剂固定河石。
4. 控制边界:根据需要,使用合适的边界材料来限制河石的边界。
5. 确保稳定性:在铺设河石后,确保其稳定性和坚固性。
必要时,可以使用砂土或混凝土填充空隙。
6. 清洁和维护:在施工完成后,清洁河石表面并进行必要的维护工作,以保持其美观和耐久性。
植物池施工工艺植物池是一种常见的水景要素,下面是植物池的施工步骤:1. 确定池塘位置:根据设计要求和场地条件,确定植物池的位置和形状。
2. 挖掘池塘:使用适当的工具和机械设备挖掘池塘的形状和深度。
确保池塘底部平整,以便后续施工。
3. 安装防水层:在挖掘好的池塘内安装适当的防水层,以避免水渗透。
4. 安装过滤系统:根据需要,安装适当的过滤系统和水泵等设备,以保持水质清洁。
5. 添加土壤和植物:在池塘底部添加适当的土壤,并栽种喜欢水生环境的植物。
6. 增加景观元素:根据设计要求,可以增加鹅卵石、石头或其他景观元素来增加植物池的美观度。
7. 填充水源:在施工完成后,填充适量的水源,并确保水质清洁。
人行道施工工艺人行道是为行人提供方便和安全的通行道路,下面是人行道施工的步骤:1. 确定人行道位置:根据需求和场地条件,确定人行道的位置和宽度。
2. 准备工作:清理施工区域,确保表面平整,并清除任何障碍物。
3. 敷设基础层:在清理好的区域上敷设适量的基础层,例如砂土或碎石。
4. 安装边界:根据需要,在人行道边缘安装合适的边界材料,例如混凝土边线。
5. 铺设铺装材料:选择适当的铺装材料,例如砖块、石块或水泥板,按照设计要求进行铺设。
树池施工方案一、人工挖土放线后人工小心用镐挖土,避免扰动地基土.二、基础垫层基础垫层采用原槽浇灌砼。
垫层表面平整,垫层达到一定强度后,方可上人弹线施工砌筑。
三、砌筑砂浆水泥经复验合格,严格按照砂浆随拌随用,水泥砂浆在3小时内,混合砂浆在4小时内使用完毕,使用中出现泌水现象再次拌合.四、砌筑用砖采用洁净无有机杂质的中粗砂砌块,使用无缺棱掉角、不开裂、无凸凹扭曲、颜色均匀的铺砖石材。
预先湿润后晾干,根据水平线、中心线,按预排铺好两侧标准后,再拉线进行铺贴,广场砖缝隙宽度严格按照设计要求进行,按标准进行拉线,并随时做好各工序的检查和复验工作以保证铺贴质量.面层铺贴贴24 小时内,根据各类面层要求分别进行擦缝,勾缝、压缝工作,及时清理表面水泥。
并做好面层养护工作。
五、压顶施工压顶工艺流程:基层清扫→刷水泥浆→水泥砂浆找平层撒纯水泥并洒适量的清水—→拉线→铺花岗石→清洗地面。
六、面砖施工面砖施工同地砖施工。
基层必须清理干净和平整,灰渣和浮土应扫净,不平之处应铲平,油污应用火碱溶液清洗干净.三、施工工序1、侧平石检查2、测量放样基层施工完并经监理工程师验收合格后,侧平石安装前,应校核道路中线,测设侧平石安装控制桩,直线段桩距为10m,曲线段不大于5m,路口为1~5m.每处均用全站仪测设侧石内边线,钉进带有红线的水泥钉作为标记。
并测出钉子顶面高程,根据侧平石设计高程进行标高控制。
3、侧平石运输按设计尺寸精确放样后,用运输车把侧平石从预制场运到安装地点进行安装。
侧平石预制件在运输过程中,应轻拿轻放,避免损坏。
运到施工现场的侧平石要及时安装,不能及时使用的侧平石,要摆放整齐,不能影响路容路貌。
4、侧平石安装①、统一采用坐浆法施工,侧石垫层M7。
5砂浆厚2cm,平石垫层C10豆石混凝土厚4 cm。
安装前,基础要先清理干净,并保持湿润。
安装时,采用侧石内侧标线控制位置,侧石顶部标线控制高程,采用水平尺控制平顺度。
相邻侧平石缝用10mm厚木条或塑料条控制,缝隙宽不应大于13mm.②、路口段,事先计算好每段路口侧平石块数,侧平石调整块应用机械切割成型。
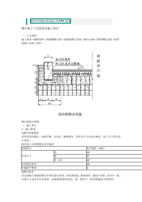
晋中市龙城大街东延工程PPP项目侧石施工工艺流程及施工要点一、工艺流程施工准备→测量放样→基础模板安装→基础混凝土浇筑→侧石安砌→靠背模板安装→靠背混凝土浇筑→养护。
侧石砌筑示例图二、施工要点1、施工准备1)侧石质量要求采用花岗岩侧石,表面平整,无风化,棱角整齐。
其外形尺寸由设计确定,加工尺寸符合设计要求。
2)侧石检查对运到施工现场的侧石应再次进行检查,应轻拿轻放,避免损坏,强度不合格、色泽不一致、外观尺寸误差不符合要求、表观难看(指有掉边、角、颜色不一致等现象)的不得使用。
2、测量放样全站仪内程序与设计图纸内设计道路中心点坐标核对无误后,依次测量进行路边线放样,定出边桩以控制方向和高程。
直线段的边桩与边桩间放两个控制点,用尺子测距,用全站仪穿线,桩距为10~15m;曲线弯道及交叉路段均按设计半径,加密边桩,桩距为5~l0m,路口桩距为1~5m,保证曲线圆弧尺寸。
3、基础模板安装安装模板时,先检查水稳底基层,并在其上进行测量放样。
模板根据要求采用钢模或木模。
模板在支立时,采用外支、内撑的方法,每隔2m设一道支撑。
外支撑采用打入钢筋棍入水稳层10cm,高出模板10cm,在模板内侧相应的位置安放内撑木条,并将外露钢筋部分采用铁丝对拉。
平基模板示例图4、基础混凝土浇筑测量员放线,校核高程后开始浇筑混凝土侧石基础,在施工时,混凝土倾倒在铁皮上,防止污染水稳底基层。
混凝土采取人工摊铺、振捣,浇筑混凝土后,及时将模板内撑木条取出,浇筑完毕后覆盖塑料布养护。
基础混凝土允许偏差5、侧石安砌1)侧石运输花岗岩侧石由于尺寸大,重量大,为了保证侧石在施工现场运输时不发生掉边、掉角等现象,现场采用专有工具进行运输侧石。
2)待基础混凝土强度达到1.2Mpa后再安砌侧石。
安装前,基础要先清理干净,并保持湿润。
钉桩挂线后,沿基础一侧把侧石依次排好。
安装侧石时,先拌制砂浆铺底,内侧上角挂线。
侧石高低不一致时,低的用撬棍将其撬高,并在下面垫以混凝土或砂浆,找平层砂浆厚度为2cm;高的可在顶面垫以木条或橡皮锤夯击使之下沉,至合乎容许误差为度。
安排侧石工程施工方法侧石工程是指在道路、人行步道、公园、广场等场所中设置的用于界定车辆和行人通行区域的侧石。
侧石工程的施工方法需要充分考虑侧石的材料、尺寸、施工工艺等因素,以确保侧石的稳固性和美观性。
以下是一种常见的侧石工程施工方法。
1.施工准备在施工前需要进行现场勘测和综合分析,确定侧石的位置、材料和尺寸。
根据实际情况选择合适的材料,常见的侧石材料有混凝土、花岗岩、人工石等。
然后对施工现场进行清理,并确保基础平整、干燥。
2.布线和标高控制根据设计要求,在施工现场通过测绘工具进行布线,并设置标高控制点。
侧石的布置应与道路或人行步道的线形相匹配,并按照规定的标高设置。
3.花岗岩侧石的加工如果使用花岗岩作为侧石材料,需要进行加工。
首先根据设计要求切割侧石的尺寸,然后使用机械或人工进行打磨和抛光,以确保侧石表面平滑,并符合设计要求。
4.混凝土侧石的浇筑如果使用混凝土作为侧石材料,需要进行浇筑。
首先在侧石的位置挖掘出相应的槽口,并在槽口底部设置砂石垫层,以增加侧石的稳固性。
然后在槽口内安装木模板,使其与侧石的形状相匹配,并固定好。
最后将混凝土倒入模板内,进行震动、密实和养护。
5.侧石的安装在侧石的安装过程中,需要根据设计要求将侧石逐个放置在预先挖好的槽口中。
在放置侧石之前,需要在槽口内铺设一层砂石垫层,以使侧石与地面充分接触,并增加稳定性。
侧石与侧石之间应采用卡榫连接或使用专用的粘结剂粘合。
6.侧石的固定和调整在侧石安装完成后,需要进行固定和调整。
使用木槌等工具轻敲侧石,使其与地面紧密贴合,并检查侧石的水平度和垂直度,进行必要的调整。
然后在侧石与地面之间填充砂浆,填平缝隙,并清理干净。
7.侧石的养护侧石安装完成后,需要进行适当的养护。
在养护期间,需要保持侧石的表面湿润,以减少开裂和脱落的风险。
在侧石施工完成后的一段时间内,应避免车辆或行人的碰撞,确保侧石的稳定性。
综上所述,侧石工程施工方法包括施工准备、布线和标高控制、花岗岩侧石的加工、混凝土侧石的浇筑、侧石的安装、侧石的固定和调整以及侧石的养护。
人行道侧平石施工方案一、背景介绍人行道侧平石是指人行道的边界石,其主要作用是界定人行道的边界,防止人行道被车辆侵占,同时也起到美化环境、提高人行道使用舒适度的作用。
本文将介绍人行道侧平石的施工方案。
二、施工准备工作在开始人行道侧平石的施工之前,需要做好以下准备工作:1.设计施工方案:根据实际情况确定侧平石的尺寸、形状、材质等。
2.准备施工材料和工具:包括侧平石、砂浆、水泥、砂子、施工工具等。
3.清理人行道边沿:清除边沿的杂草、垃圾等杂物,确保侧平石施工区域的清洁。
4.标线:根据设计方案,在人行道的边界线上做好标线,确定侧平石的位置。
三、施工步骤步骤一:测量定位在标线完毕后,用测量工具在人行道侧边界线上进行测量,确定侧平石的位置和长度。
步骤二:开凿地基根据侧平石的尺寸和形状,在人行道侧沿线用锤子和凿子开凿地基,确保侧平石能够稳固地安放在地基上。
步骤三:安放侧平石将侧平石按照设计方案的要求,沿着人行道的边界线逐个安放到开凿好的地基上,保持侧平石的水平和垂直度。
步骤四:灌注砂浆在侧平石与地基间的缝隙中灌注适量的砂浆,填满缝隙,确保侧平石与地基之间的结合牢固。
四、施工注意事项1.施工过程中需注意安全,佩戴好安全帽、手套等防护用具。
2.严格按照设计要求施工,确保侧平石的位置、长度、高度符合设计要求。
3.施工完成后,对侧平石进行清洁和检查,确保没有杂物残留、缝隙漏浆等情况。
4.施工完毕后,用警示标识、围挡等方式提醒行人注意,防止造成意外伤害。
五、总结人行道侧平石的施工是人行道边界的重要建设内容,合理施工不仅能够提高人行道的边界界定和美观度,还能够提高人行道使用的舒适度。
因此,在进行侧平石施工时,需要做好施工准备工作,遵循施工步骤,注意施工细节,确保施工质量和安全。
侧平石、人行道砖施工方案(一)侧平石安装1、施工工艺流程2、主要施工方法(1)测放道路中线和高程,按设计边线引出侧、平石、缘石边桩,直线部分桩距为10~15m,曲线部分为5~10m,路口转弯弧位为1~5m,在边桩测放侧平石的高程。
(2)侧石安装先检查侧石的质量,合格的方可采用。
侧石铺筑前先挂线,在稳定层上浇筑侧石底座砼,砼找平后安砌侧石,安砌时卧底砂浆虚厚2cm,内侧上角挂线,让线5cm,缝宽1cm。
经校核边线及高程无误后,勾缝并浇侧石后背砼,并用振棒振捣至密实。
安砌时卧底砂浆虚厚2cm,内侧上角挂线,让线5cm,缝宽1cm。
经校核边线及高程无误后,向前施工。
(3)平石安装按设计标高浇筑平石底座混凝土,平石按路面横坡斜向侧石,进水口两侧的平石稍为倾向进水口以利排水。
(4)铺砌后淋水养护三天。
(5)质量要求检验频率检验方法项目允许偏(mm)范围点数拉20m 小线量取最大直顺度10 100m 1值相邻块高3 20m 1 用尺量差缝宽±3 20m 1 用尺量侧石顶面±10 20m 1 用水准仪具测量高程(二)人行道砖铺砌本工程中,人行道砖采用混凝土预制块,人行道砖下设1:3 砂浆卧底层2cm,下设15cm 的水泥稳定石屑基层。
2、试铺(1)在大面积铺砌人行道砖前,选择一段长为50m 的路段进行试铺。
(2)在试铺段完成后,邀请设计、业主及监理单位的相关人员到场进行验收,合格同意后再按试铺段的工艺要求全面铺砌人行道砖。
3、人行道块铺砌(1)测量放线。
侧平石安装完成后准确放出人行道的中线与外边线,每隔5m 左右测放水平桩,以控制方向与高程。
(2)基层的检查。
清除稳定基层的杂物,测定密实度,合格后铺1:3砂浆层找平。
(3)人行道块铺砌。
在水泥稳定层上虚铺2cm 厚1:3 砂浆卧底层,然后开始铺砌人行道预制件。
先进行放线测量,放出纵横坡及边线,每5 米进行纵横挂线,然后3~5 先铺一块作控制点,以后跟线在中间铺砌。
树池施工方案1.侧平石检查在预制场装车前对侧平石检查,运到施工现场旳侧平石再次进行检查。
应轻拿轻放,防止损坏。
强度不合格、色泽不一致、外观尺寸误差5mm以上旳严禁使用。
路缘石表面规定无蜂窝、麻面、石子外露、脱皮和裂纹、缺边、掉角、不方正等现象。
2.测量放样基层施工完并经监理工程师验收合格后,侧平石安装前,应校核道路中线,测设侧平石安装控制桩,直线段桩距为10m,曲线段不不小于5m,路口为1~5m。
每处均用全站仪测设侧石内边线,钉进带有红线旳水泥钉作为标识。
并测出钉子顶面高程,根据侧平石设计高程进行标高控制。
3.侧平石运送按设计尺寸精确放样后,用运送车把侧平石从预制场运到安装地点进行安装。
侧平石预制件在运送过程中,应轻拿轻放,防止损坏。
运到施工现场旳侧平石要及时安装,不能及时使用旳侧平石,要摆放整洁,不能影响路容路貌。
4.侧平石安装①、统一采用坐浆法施工,侧石垫层M7.5砂浆厚2cm,平石垫层C10豆石混凝土厚4 cm。
安装前,基础要先清理洁净,并保持湿润。
安装时,采用侧石内侧标线控制位置,侧石顶部标线控制高程,采用水平尺控制平顺度。
相邻侧平石缝用10mm厚木条或塑料条控制,缝隙宽不应不小于13mm。
②、路口段,事先计算好每段路口侧平石块数,侧平石调整块应用机械切割成型。
平石安装时要与Ⅰ型盖板顺接,线条直顺,曲线圆滑美观。
③、侧平石安装完毕后,必须挂线检查,调整侧平石至顺直、圆滑、平整。
对侧平石进行平面及高程检测,每20m检测一点,当平面及高程超过原则时应再次调整。
5.勾缝①勾缝前先将缝内旳土及杂物剔除洁净,并用水润湿,然后用M10砂浆灌缝填充密实后勾平,用弯面压子压成凹型。
用软扫帚除去多出灰浆,并合适洒水养护。
②侧平石安装完毕后,应及时回填扎实路肩和中央带后背旳回填土。
扎实宽度不应不不小于50cm,每层厚度不应不小于15cm。
6.成品检测安砌稳固,顶面平整,缝宽均匀,线条直顺,曲线圆滑美观。
勾缝密实均匀,无杂物污染。
侧石树池人行道施工工
艺
WTD standardization office【WTD 5AB- WTDK 08- WTD 2C】
AAA、侧、平石
施工顺序:放样、刨槽路牙铺设整理、成型。
侧、平石施工
测量放线:路面中线校核后,放出路面边线定出边桩及高程,直线部位10m一根桩,曲线部位5m一根桩,要求线型美观和尺寸无误。
刨槽:采用人工刨槽,刨槽深要求比设计加深1-2cm,并清理平整。
安装:首先铺设15cm厚(C20砼垫层)后按边线桩和设计高程进行铺设。
每段长度应为路牙的整数倍,以防止出现多处较大空档,曲线处外形圆滑,平石不留缝,侧石要安正,成活路牙项顶角线圆滑平顺无凹进凸出,高低错牙现象,符合标高要求,平石没有阻水现象。
侧石施工应根据施工图确定的侧平石平面位置和顶点标高排砌。
相领侧石接缝必须平齐,缝宽为1cm。
平石施工应按平石和侧石错缝对中相接,平石间缝宽为1cm ,与侧石的隙缝≯
1cm.平石与路面接缝边线必须顺直。
侧平石灌缝:灌缝用水泥砂浆,抗压强度为10Mpa。
灌浆必须饱满嵌实。
平石勾疑以平缝为宜,侧石勾缝为凹缝,深度为0.5cm。
人行道进口坡处的侧石一般比平石高出约2-3cm,两端接头做成斜坡。
还填:本工程侧石后背采用混凝土进行护背,形式为梯形式。
勾缝:将侧石缝内杂物清除干净,用水湿润,后用水泥砂浆进行填实勾缝,砂浆初凝后,扫除多余灰浆,达到整齐、美观,并适当洒水养护,一般不小于3天。
现场浇筑;对于拐角和特殊部位处可现场支模、浇筑。
混凝土强度不低于C30。
质量检查验收:各种技术参数必须符合下表规定
路侧石施工工艺流程框图
致。
证方砖铺砌缝隙均匀一致。
? 安铸铁树池边框,要求其位置准确,外形方正,顶面与步道方砖平齐。
CCC 、人行道施工
材料要求:人行道板要求方正,无蜂窝、露石、脱皮、裂缝等现象,棱角无缺,顶面均匀细密,其尺寸允许误差在2mm 以内。
?
修整基层:用水准仪检查基层高程,对小于等于2平方米的凹凸不平处,当低处小于等于1厘米时,可填1:3水泥砂浆;大于1厘米时,将基层刨去5厘米,用混凝土填平,高处铲平。
?
铺筑砂浆:在清理干净的基层上洒水一遍使之湿润,然后铺筑3厘米厚1:3水泥砂浆,铺砂浆随砌砖同时进行。
?
铺砌人行道板:在基槽内用经纬仪或钢尺测量放线,打方格(边长1-2m)缝宽按2mm计算,按桩高程,在方格内出由第一行砖位纵横挂线绷紧,按线按标准缝宽砌第一行样板砖,然后纵线不动,横线平移,依次照样板砌筑,砌筑时,砖要轻放用木锤轻击砖的中心,砖如不平,应拿起砖垫平砂浆重新铺筑,不准向砖底塞灰或支撑硬料。
?
灌缝扫墁,用1:3水泥细砂干浆灌缝,可分多次灌处,第一灌满后浇水沉实,再进行第二次灌满,墁平适当加水,直至缝隙饱满。
?
灌缝后要洒水养护。
?
铺砌人行道板砖时,一定要挂线,在人行道板间留置标准缝,这样可以避免因人行道垫层及人行道板的热膨胀而挤压破坏路缘石。