管桩的力学性能计算
- 格式:ppt
- 大小:2.57 MB
- 文档页数:27
钢管桩计算书边跨现浇直线段支架设计计算一、计算何载(单幅)1、直线段梁重:15#、16#、17#混凝土方量分别为22.26、25.18、48m3。
端部1.0范围内的重量,直接作用在墩帽上,混凝土方量为:V=1×[×2.5+2×3×0.15+2×2×0.25/2+2×225 .065.0 ×1-×]= m3作用在支架的荷载:G1=(22.26+25.18+48-16.125)×22800×KN2、底模及侧模重(含翼缘板脚手架):估算G2=130KN3、内模重:估算G3=58KN4、施工活载:估算G4=80KN5、合计重量:G5=1957.78+130+58+80=2226KN二、支架形式支架采用Φ800mm(壁厚为10mm)作为竖向支承杆件。
纵桥向布置2排,横桥向每排2根,其中靠近10#(13#)墩侧的钢管桩支承在承台上,与墩身中心相距235cm,第二排钢管桩与第一排中心距为550cm,每排2根排的中心距离为585cm。
钢管桩顶设置砂筒,砂筒上设纵横向工字钢作为分配梁,再在纵梁上敷设底模方木及模板。
钢管桩之间及钢管桩与墩身之间设置较强的钢桁架梁联系,在平面上形成框架结构,以满足钢管桩受载后的稳定性要求,具体详见“直线段支架结构图”。
根据支架的具体结构,现将其简化成力学计算模型,如下图所示:327.5585327.510×1202020780550115115纵桥向横桥向三、支架内力及变形验算1、 横梁应力验算:横梁有长度为,采用2I56a 工字钢,其上承托12根I45a 工字钢。
为简化计算横梁荷载采用均布荷载。
(1)纵梁上面荷载所生的均布荷载:Q 1=2226÷2÷m(2)纵梁的自重所生的均布荷载:Q 28×(1.15+5.5/2)×11÷12.25=N/m(3)横梁自身的重量所生的均布荷载:Q 3=2×=N/m(4)横梁上的总均布荷载:N/mq=95.8KN/mQ图(KN)320585320M 图(KN.m)(5)力学简图:由力学简图可求得: 支座反力R=95.8×12.25/2 =586.78 KN由Q 图可得Qmax=306.56 KNM 图可得Mmax=490.5 KN.mq320320585横梁为简支双悬臂梁(6)应力验算σmax =W M max =22342105.4905⨯⨯=104.7MPa <[σ]=145Mpaτmax =Ib S Q max =225.1655762136921005.306⨯⨯⨯⨯⨯⨯==255.96Kg/cm 2τmax =25.6 MPa <[τ]=120 Mp Δ复合强度 σ=223τσ+=226.2537.104⨯+=113.7Mpa <[σ] 2、横梁的刚度验算λf C = f D =EIqml 243(-1+6λ2+3λ3)=655762101.2245853208.9563⨯⨯⨯⨯⨯⨯ (-1+6×547.02+3×547.03) × =f E =3844ql (5-24λ2)=655762101.23841085.58.95684⨯⨯⨯⨯⨯⨯(5-24×547.02)×(-2.18)=(向上)通过以上计算可知,横梁在均布荷载作用下,跨中将出现向上的拱度。
管桩张拉力计算一、前言管桩张拉力的计算是土木工程中确保桩基稳定性和安全性的重要环节。
本次计算将依据工程力学原理、现行规范以及具体工程的管桩参数、土壤条件和张拉方式进行。
以下是详细的计算过程和结果。
二、参数确定1.管桩参数管桩直径(D):1000mm管桩壁厚(t):100mm管桩材料弹性模量(E):3.5e10 Pa管桩极限抗拉强度(fu):450 MPa2.土壤条件土壤内摩擦角(φ):30°土壤粘聚力(c):20 kPa土壤重度(γ):18 kN/m³土壤侧压力系数(K0):0.5桩端承载力(Qp):根据现场试验或经验公式确定3.张拉方式采用预应力张拉,张拉控制应力(σcon):0.7fu三、计算过程1.管桩截面面积计算截面面积(A)= π× (D/2)^2 - π× ((D-2t)/2)^2代入数值:A = π× (1000/2)^2 - π× ((1000-2×100)/2)^2 = 254469 mm²2.管桩极限张拉力计算极限张拉力(Tu)= A × fu代入数值:Tu = 254469 mm²× 450 MPa = 11451 MN = 11451100 kN(注意单位转换)3.预应力张拉控制力计算张拉控制力(Tcon)= A ×σcon代入数值:Tcon = 254469 mm²× 0.7 × 450 MPa = 8015.79 MN = 8015790 kN(注意单位转换)4.桩身摩阻力及桩端承载力计算(这部分通常需要更详细的土壤参数和现场试验数据,这里仅作示意)桩侧摩阻力(Qs)= π× D × L ×τp(L为桩长,τp 为单位桩长的侧摩阻力)桩端承载力(Qp)通常由现场载荷试验确定或根据经验公式估算总承载力(Q)= Qs + Qp注意:实际工程中,Qs和Qp的计算会更为复杂,需要考虑土壤分层、桩长变化、施工方法等多种因素。
phc管桩是一种常见的基础工程结构,它广泛应用于桥梁、建筑和其他工程领域。
在工程设计过程中,计算phc管桩的极限承载力是非常重要的一项工作,它直接影响着工程的安全性和稳定性。
为了准确、快速地计算phc管桩的极限承载力,工程师们通常会利用专门的计算表格来进行计算,通过输入相关参数,就可以获得准确的计算结果。
下面将介绍phc管桩极限承载力自动计算表格的相关内容。
一、phc管桩极限承载力计算原理phc管桩的极限承载力计算是基于桩身土压力和桩端承载力来进行的。
在计算过程中,需要考虑桩的长度、直径、钢筋配筋、混凝土强度等参数,以及地基土的承载力和侧摩阻力等因素。
通过综合考虑这些因素,可以得到phc管桩的极限承载力。
二、phc管桩极限承载力计算表格的优势1.准确性:phc管桩极限承载力计算表格是根据相关理论和规范进行设计的,能够提供准确的计算结果。
2.快速性:使用计算表格可以节省大量的计算时间,提高工作效率。
3.便捷性:工程师只需输入相关参数,就可以得到计算结果,非常方便实用。
三、phc管桩极限承载力计算表格的使用方法1.准备计算数据:收集phc管桩相关的设计参数,包括长度、直径、钢筋配筋情况、混凝土强度等信息。
2.打开计算表格:在电脑上打开phc管桩极限承载力计算表格,根据提示输入相关设计参数。
3.获取计算结果:输入完毕后,点击计算按钮,即可获得phc管桩的极限承载力计算结果。
四、phc管桩极限承载力计算表格的相关注意事项1.数据准确性:输入的设计参数需要准确无误,以保证计算结果的准确性。
2.参数选择:在输入参数时,需要选择与phc管桩实际情况相符合的参数,以确保计算结果的可靠性。
3.计算结果验证:获得计算结果后,需要进行验证,确保其满足设计要求。
phc管桩极限承载力自动计算表格是一种非常实用的工具,能够帮助工程师快速、准确地进行phc管桩的极限承载力计算。
在工程实践中,使用这种计算表格可以有效地提高工作效率,确保工程的安全性和稳定性。
管桩设计设C D支点承载力计算,采用Φ325mm钢管,厚6mm,长按15m考虑200 150 120120 120120120 120120 150 200⑩⑨①②③④⑤⑥⑦⑧ 11 12荷载由①~⑧管均匀承受 R=2841.5/8=355.2KN取安全储备系数1.55 P, =1.55R=355.2*1.55=550.6KN 采用DZ90型振动锉,激振力达540KN,锤重54KN,可满足施工要求PV = P,+ Pg=550.6+3.142*( 32.52 -31.32 )*7.85*15/4=557.7KNA= 3.142*( 3252 -3132 )/4=6013.8mm2惯性矩 : Ix=π(R4- r4)/4=3.142[(325/2)4- (313/2)4]/4=7.65*107 mm4回转半径: i=( D2+ d2)1/2 /4=( 3252+ 3132)1/2 /4=112.8mm 管桩长细比:(按外露8.0m计)λ=l/i=8000/112.8=70.92<80采用公式Φ=1.02-0.55[(λ+20)/100]2得Φ= 1.02-0.55[(70.92+20)/100]2 =0.565强度: δ=P/A=557.7*103 /6013.8=92.74MPa <1.2[δ]=1.2*140=168 MPa稳定性: δ=P/ΦA=557.7*103 /0.565*6013.8=164.1MPa <1.2[δ]=168 MPa结论:管桩能满足施工要求栱梁采用2I25bq=2841.5/7.2=394.6KN/mq=394.6 KN/m120120120120120120①②①②③④⑤⑥⑦由两片I25b承受,则每片承受197.3KNM=ql2/8=394.6* 1.22 /8*2=35.5KN.MQ=ql/2=197.3*1.2/2=118.38KN查表: W x =422.2cm3I x =5278 cm4S x =246.3 cm3f=5q l4 /384E I x=5*197.3* 1.24 /384*2.1* 105 *5.278*107= 0.48mm<L/800=1.5mm=[f]250 I x / S x =5278/246.3=214.3mm118 ζ=Q S x / I x b=118.38*103 /214.3*118 2b规格 =4.68 MP a <1.3[ζ]=1.3*85=110.5结论: I字钢符合荷载要求竹胶板强度核算/12=1000*103 /12=1.44*105mm4I按7.2栱延米均布) 每栱向1m载为51.375KN,E取1.2*104 M P a10mm f=5q l4/384E I x=5*20.55*4004/384*1.2*104*1.44*105=3.96mm 1000mm [f]=L/100=400/100=4mm翼缘板荷载小于底板,故符合要求.管桩数量ΔΔΔΔA 11m C 4m D 11m B则: R A = R B =1967.2KNRC = R D=2841.5KN按C D支点处布置钢管,采用Φ500mm钢管简化为所有荷载均由①~⑦号管承受则每根管拉受力200 170 6*120170 200R=2841.5/7=405.9KN⑧⑨①②③④⑤⑥⑦⑩ 11取1.65为安全储备系数,则单桩承载力达, R, =669.735KN根据此条件选用DZ120型振动锤,激振力为669KN,锤重8.820t 核算钢管受力:竖向力R V =669.735+3.142*50*1.2*7.85* 10-3 =684.5KN惯性矩 : Ix=π(R4- r4)/4 A=π(R2- r2)=3.142(2504- 2384) =3.142(2502- 2382)=5.48*108 mm4 =18399.6回转半径: i=( D2+ d2)1/2 /4=( 5002+ 4762)1/2 /4=172.6mm杆件长细比:(按外露8.0m计)λ=l/i=8000/172.6=46.3<80Φ=1.02-0.55[(λ+20)/100]2= 1.02-0.55[(46.3+20)/100]2 =0.778强度: δ=P/A=684.5*103 /18399.6=37.2MPa <[δ]=140 MPa稳定性: δ`=P/ΦA=684.5*103 /0.778*18399.6=47.8MPa <[δ]=140 MPa注:钢管桩成桩质量控制采用贯入度与单桩承载力双控,贯入度的贯入5.0m为宜另:在施工中应注意和加强的1 管桩在施工前必须有专人进行核验,锈蚀严重的不得用于施工2 管桩接长必须采用帮焊,且焊缝达到规范要求3 为保证整个支架体系的稳定,中支墩采用水平和斜向剪刀撑,采用[14 进行连接,边墩与墩柱进行抱箍连接,水平撑间距不大于4m且距管桩顶和底部500cm各需加一道水平撑4 管口加厚1.0cm钢盖板,与管口焊接5 贝雷片销子必须加安全卡子6 管桩的贯入度与垂直度必须有专人测控,必填写施工记录,交工程部备案.。
预应力管桩计算书一、计算依据1、《预应力混凝土管桩基础技术规程》 (DBJ/T15-27-2018)2、《建筑结构荷载规范》 (GB-2012)3、《建筑桩基技术规范》 (JGJ94-2008)二、基本参数1、桩型:预应力管桩2、桩径:D=400mm3、桩长:L=15m4、桩端持力层:强风化岩层5、单桩承载力设计值:R=1200kN三、管桩结构计算1、截面面积A = π(D/2)² = π(400/2)² = 4000π mm²2、惯性矩I = π(D/2)³ = π(400/2)³ = π mm⁴3、桩身抗弯强度设计值fpy = 1.4 × 140 N/mm² = 1.4 × 140 ×1000 N/cm²4、桩身配箍率n = A × fpy / (πD²) = 4000π× 140 / (π×400²) = 1/75≈0.01335、约束箍筋布置:在桩身高度范围内每隔1m设置一道直径为16mm 的约束箍筋,约束箍筋的间距宜不大于350mm。
6、配箍率计算:n = (π×D²×Z×fy/4)/(Z×fy/2+π×D²×n×fy/4) = (π×400²×1×140/4)/(1×140/2+π×400²×16×140/4) =0.9667≈1/757、单桩竖向承载力设计值Q = n × A × fpy = 1/75 × 4000π×140 × 1000 N = N8、单桩竖向承载力特征值qpa = Q / (πD²) = / (π×400²) N/cm ² = 17 N/cm²9、根据地质勘察报告提供的资料,强风化岩层的承载力特征值fa=350kPa,则单桩竖向承载力特征值qpa= fa=350kPa。
管桩力学性能计算公式1、 管桩的混凝土有效预压应力的计算按式1.1~式1.5。
1.1、预应力放张后预应力钢筋的拉应力pt σ(N/mm 2)pt σ=σcon 1+n ′⋅A P A C(1.1) 式中:σcon ——预应力钢筋的初始张拉应力,单位为牛每平方毫米(N/mm 2),σcon =0.7f ptk ;f ptk ——预应力钢筋的抗拉强度,单位为牛每平方毫米(N/mm 2);A p ——预应力钢筋的横截面积,单位为平方毫米(mm 2);A c ——管桩混凝土的横截面积,单位为平方毫米(mm 2);n ′——预应力钢筋的弹性模量与放张时混凝土的弹性模量之比。
1.2、 混凝土的徐变及混凝土的收缩引起的预应力钢筋拉应力损失ψσp ∆(N/mm 2)ΔσΡψ=n ⋅ψ⋅σcpt +E s ⋅δs 1+n ⋅σcpt σpt ⋅(1+ψ2) (1.2−1) σcpt =σpt ⋅A p A c(1.2−2) 式中:σcpt ——放张后混凝土的预压应力,N/mm 2;n ——预应力钢筋的弹性模量与管桩混凝土的弹性模量之比;ψ——混凝土的徐变系数,取2.0;s δ——混凝土的收缩率,取1.5×10-4;s E ——预应力钢筋的弹性模量(N/mm 2)。
1.3、 预应力钢筋因松弛引起的拉应力的损失△σr (N/mm 2Δσr =γ0⋅(σpt −2Δσp ψ) (1.3)式中:0γ——预应力钢筋的松弛系数,取2.5% 。
1.4、 预应力钢筋的有效拉应力σpe (N/mm 2)σpe =σpt −Δσp ψ−Δσr (1.4)1.5、 管桩混凝土的有效预压应力σce (N/mm 2)σce =σpe ⋅ΑP Αc(1.5)2、 管桩的抗裂弯矩的计算按式C.2.1。
2.1、 当按二级裂缝控制等级验算受弯管桩受拉边缘应力时,其正截面受弯承载力应符合下式规定:M cr ≤(σpc +γf tk )W 0 (2.1−1)W 0=2I 0d(2.1−2) I 0=π4(d 4−d 14)+(E s E c −1)A py r p 22 (2.1−3) 式中:cr M ——管桩桩身开裂弯矩(kN·m );pc σ——包括混凝土有效预压应力在内的管桩横截面承受的压应力(MPa ); ——考虑离心工艺影响及截面抵抗矩塑性影响的综合系数,对C60取,对C80及以上取;——混凝土轴心抗拉强度标准值;——截面换算弹性抵抗矩;s E 、c E ——分别为预应力钢棒、混凝土的弹性模量。
管桩的自身承载力计算公式管桩是一种常用的地基处理方法,它通过在地下打入管状桩体,来增加土体的承载能力和稳定性。
在工程中,为了确保管桩的承载能力满足设计要求,需要进行合理的计算和分析。
管桩的自身承载力是指管桩在土体中的承载能力,它是管桩设计的重要参数之一。
下面我们将介绍管桩的自身承载力计算公式及其相关内容。
一、管桩的自身承载力计算公式。
管桩的自身承载力通常可以通过以下公式进行计算:Qs = As σs + Ap σp。
其中,Qs为管桩的自身承载力,As为管壁的截面积,σs为管壁的抗压强度;Ap为管端的截面积,σp为管端的抗压强度。
在实际工程中,管桩的自身承载力还受到土体的侧压力和管桩的侧面摩阻力的影响,因此上述公式还需要进行修正。
修正后的管桩自身承载力计算公式如下:Qs = As σs + Ap σp Ps Fr。
其中,Ps为管桩的侧压力,Fr为管桩的侧面摩阻力。
二、影响管桩自身承载力的因素。
1. 土体的性质,土体的密实度、孔隙水压力、土粒的粘聚力和内摩擦角等因素都会影响管桩的自身承载力。
2. 管桩的材料和尺寸,管桩的材料强度、截面形状和尺寸大小都会影响其自身承载力。
3. 管桩的埋设深度,管桩的埋设深度越深,受到的土压力就越大,自身承载力也会相应增加。
4. 管桩的侧面摩阻力,管桩在土体中受到的侧面摩阻力也会对其自身承载力产生影响。
5. 管桩的施工质量,管桩的施工质量直接影响其自身承载力,如管壁的质量、管端的封闭情况等。
三、管桩自身承载力的计算方法。
在实际工程中,为了确保管桩的自身承载力满足设计要求,通常需要进行以下步骤的计算:1. 确定管桩的材料和尺寸,根据工程要求和现场条件,选择合适的管桩材料和尺寸。
2. 确定土体参数,对工程现场的土体进行勘察和试验,确定土体的性质参数,如密实度、孔隙水压力、土粒的粘聚力和内摩擦角等。
3. 计算管桩的自身承载力,根据上述介绍的管桩自身承载力计算公式,结合土体参数和管桩的材料和尺寸,计算出管桩的自身承载力。
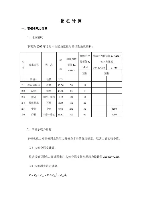
管 桩 计 算一、管桩承载力计算1、地质情况下表为2009年2月中山梁场建设时的详勘地质资料:2、单桩承载力计算单桩承载力根据桩周土的阻力及桩身本身的强度确定,取其二者的较小值。
(1)按桩身强度计算:根据规范《预应力管桩图集》,其桩身强度竖向承载力设计值2250kN=225t 。
(2)按桩周土阻力计算:P pk i ski pk sk A q l q U P P P +∑=+=假定桩长为50m,则其进入卵石层6.25m,其承载力为P=2133.2kN=213.3t,计算过程如下:(3)桩身自重3.14×(0.2×0.2-0.105×0.105)×50×(25-10)=68.2kN(4)桩体部分土体重3.14×0.2×0.2×50×(18-10)=50.2kN(5)负摩阻力梁场桩基持力层为卵石层,根据建筑桩基技术规范JGJ94-94第5.2.16.3条,应考虑负摩阻力。
中性点深度和桩周沉降变形土层下限深度的比为0.9,其中桩周沉降变形土深度(淤泥层底)为30.45m,则中性点深度为0.9×30.45=27.41m。
取负摩阻力值为其对应的正摩阻力值。
负摩阻力计算如下表:在考虑桩身自重、桩体部分图、负摩阻的情况下,φ400壁厚95管桩在桩长50米时,其竖向承载力为N=2133.2-68.2-2×290+50.2=1535.2kN=153.5t综上,通过分析计算,在桩长为L=50m 时,其竖向承载力可以达到设计要求的150t 。
二、海利打桩公式估算根据海利公式计算5~8mm 贯入度时桩的承载力:pr pr r u W W W n W c e h W P ++⨯+=22ξ式中:Pu ——桩的极限承载力; Wr ——锤重,取62KN ;Wp ——桩重(包括桩帽、锤垫、送桩器),其中桩帽、锤垫、送桩器共重10KN ;h——锤的落距,取200cm;e——打桩时的贯入度;C——桩土体系弹性变形值;——考虑非自由落锤时的折减系数,柴油锤时取0.85~1;n——锤与桩撞击时的恢复系数,一般取0.4~0.5。
管桩单桩水平承载力(地震)特征值计算书一.基本资料桩类型:125A -PHC500桩顶约束情况:铰接,半固接混凝土强度等级: C80二.系数取值1.桩入土深度h =15.000~25.000m 2 桩侧土水平抗力系数的比例系数44/5000/5mKN mMN m(松散或稍密填土)44/2500/5.2mKN mMN m(淤泥或淤泥质土)3.桩顶容许水平位移a X 0=10mm4.砼弹性模量CE =38000N/mm 2=7108.3KN/m2三.执行规范《建筑桩基技术规范》(JGJ 94-2008)《先张法预应力混凝土管桩基础技术规程》(DBJ13-86-2007)四.计算内容1.管桩截面惯性矩:64)1(44D I=64)50.01(5.014.344=31087.2m4其中,α=Dd 500.0500250D ——管桩外径,d ——管桩内径2.管桩截面抗弯刚度:EI=237927011087.2108.385.085.0mKN IE C 3.管桩桩身计算宽度:m125.10.5)0.9(1.5D b04.管桩水平变形系数:5I E mb c =592701125.15000=)/1(571.0m 5.管桩桩顶水平位移系数:桩的换算深度al >4.0 查表得:441.2xV 6.单桩水平承载力设计值:a x C HX V I E R 03=KN701.7001.0441.292701571.037.单桩水平承载力特征值:KNR R H Ha5337.5235.1/701.70/五.结论:根据《福建省结构设计暂行规定》第4条规定:(1)单桩和两桩承台基础中的单桩水平承载力特征值取值为:KNR Ha53(2)三桩及三桩以上承台基础(非单排布置)中的单桩水平承载力特征值取值为:KNKNR H a 4.775346.1'注:桩顶约束为固接时,940.0xV ,故,桩顶约束介于铰接与固接之间假定桩顶水平位移系数为线性变化(供参考):675.12940.0441.2'x V ,KNR V V R Hax x Ha 24.7753675.1441.2''(3)当地基土为淤泥或淤泥质土(44/2500/5.2mKN m MN m)时,KN R Ha5.34,KNR Ha 3.50'(4)当有地震作用参与组合时,REHaEH a R R 其中,44/5000/5mKN m MN m 时单桩两桩KN KN R EHa 25.6625.153,三桩及以上KN KN R E H a 75.9625.14.77'其中,44/2500/5.2mKN m MN m 时单桩两桩KNKN R EHa 13.4325.15.34三桩及以上KNKN R E Ha 8.6225.13.50'(5) 与SATWE 结果文件WDCNL.OUT 对接时,应当将其设计值按照1.35的分项系数转化为标准值,与此计算书转化对应。
管桩张拉力计算全文共四篇示例,供读者参考第一篇示例:管桩张拉力计算是建筑工程中常见的一项重要计算,主要用于确定管桩在张拉过程中所承受的力学性能,并保证其承载能力和稳定性。
管桩张拉力计算一般包括了力学原理的分析和实际工程中的计算方法,以确保管桩在张拉过程中安全可靠地工作。
下面将详细介绍关于管桩张拉力计算的内容。
一、管桩张拉力的定义管桩是指通过预埋钢筋或钢管制成的一种常见的地基处理工法,用于承受土层的荷载和水平方向的力。
在工程中,为了增加管桩的承载能力和稳定性,经常会进行张拉处理。
张拉是通过预设的拉伸设备将管桩的顶部外部施加拉力,使得管桩与地基形成一定的拉应力,从而提高其荷载承载能力。
管桩张拉力的计算是为了确定管桩在张拉过程中所受到的力学性能,包括张拉力的大小、方向和分布等。
具体来说,管桩张拉力计算需要考虑管桩的弯矩、剪力、轴力等力学参数,以及管桩材料的性能和规格等因素。
通过管桩张拉力的计算,可以为工程设计和施工提供准确的参考数据,确保管桩的安全使用和延长其使用寿命。
管桩张拉力的计算方法主要有静力学方法和有限元仿真方法两种。
静力学方法是通过对管桩及其周围土体的受力分析,推导出管桩在张拉过程中所受到的力学性能,包括张拉力的大小、方向和分布等。
有限元仿真方法则是借助计算机软件对管桩及其周围土体进行三维模拟,模拟管桩在张拉过程中的受力情况,得出管桩张拉力的准确数据。
在进行管桩张拉力计算时,一般需要考虑以下几个方面的因素:1. 管桩材料的性能和规格:管桩的强度、刚度和弯曲能力等材料性能对管桩张拉力的计算有重要影响,需要提前做好材料力学参数的测试和分析。
2. 管桩的埋设深度和直径:管桩的埋设深度和直径决定了管桩在张拉过程中所承受的荷载大小和分布情况,需要充分考虑这些因素的影响。
3. 管桩与土层的相互作用:管桩所处的土壤类型、土层的承载能力和变形特性等对管桩张拉力的计算也有重要影响,需要进行合理的分析和计算。
4. 张拉设备和张拉过程控制:张拉设备的性能和控制方法对管桩张拉力的计算和实际施工影响很大,需要仔细选择和控制。
横向受载超长phc管桩计算方法PHC管桩(Pipe-in-HoleCasing)是一种由钢管放入土坑或者是现有管子中安装而成的结构形式,是一种比较常用的地基桩型变结构。
由于PHC管桩受载特性较灵活,可以满足单纵向荷载、双纵向荷载以及复合荷载等多种不同的设计要求。
这一类型结构特点,使它更适合在土壤条件较差的地区采用,用于构造某些特殊的建筑以及其他的基础工程。
二、轴心受压超长PHC管桩的计算方法1、受载承载力计算方法轴心受压超长PHC管桩的受载承载能力是由地基承载力与管桩受载承载力共同确定的。
地基承载力一般根据土壤压实度与地基结构类型确定,如果为受控场地,则根据桩型变前后对比测试结果或者利用夹层模型参数确定。
管桩受载承载力主要取决于管桩本身的结构性能,如管桩孔径与厚度、材质的选择,以及管桩的安装误差等。
2、PHC管桩抗压和抗拔性能计算方法PHC管桩抗压性能与抗拔性能是计算轴心受压超长PHC管桩受载承载力必不可少的指标。
抗压性能一般可以根据管桩材质和混凝土基础结构分析而得出。
抗拔性能可以根据不同类型的管桩安装技术计算而得,如管桩内部预埋钢筋,管桩端部搭接护筒等,以保证管桩在抗拔荷载作用下的安全。
3、超长PHC管桩的受载变形计算方法超长PHC管桩的受载变形主要受载基础结构及其螺栓的影响。
超长PHC管桩的管桩受载变形计算需要考虑土坑内的挠性及基础结构的抗变形能力,以及管桩内外混凝土及螺栓等连接件的变形性能。
因此,必须对受载变形进行综合分析,以确保管桩在考虑变形的情况下仍能够满足设计要求。
三、轴心受压超长PHC管桩计算技术特点1、丰富的受载能力:PHC管桩抗轴心受压能力非常强,可以承受大量的纵向和横向荷载。
2、于施工:这种管桩施工简单快捷,不需要大量的施工设备,对安装误差的要求也相对较低,能够有效降低施工成本。
3、活的设计能力:PHC管桩可以根据工程需要进行灵活的设计,可以满足多种不同的受载要求,从而确保工程的安全性和可靠性。
2024_管桩水平承载力计算管桩水平承载力计算是工程中非常重要的一项计算,它涉及到土工力学和结构力学等多个学科的知识。
下面将分几个方面介绍2024年管桩水平承载力计算的相关内容。
首先,对于管桩水平承载力计算,需要考虑到以下几个因素:土体的力学性质、桩的几何形状和尺寸、桩的材料性质、载荷特征等。
在计算水平承载力之前,需要对这些因素进行详细的调查和分析,以确定相关参数。
其次,管桩水平承载力计算主要涉及两个方面,即土体的反力和桩身的抵抗力。
土体的反力可以通过土体的变形特性来计算,通常采用弹性理论或塑性理论进行计算。
而桩身的抵抗力通常是通过桩身与土体的摩擦力和桩基的基底阻力来实现的。
对于土体的反力计算,可以采用不同的方法,如平面应力场和平面应变场的理论计算方法、有限元法等。
在计算过程中,需要考虑土体的弹性模量、剪切模量和泊松比等参数,以及土体的不变性参数。
对于桩身的抵抗力计算,可以通过桩身与土体之间的黏结力和摩擦力来实现。
摩擦力是桩身与土体之间的相对滑动产生的阻力,可以通过桩身周围土体与桩表面的摩擦系数以及桩身周围土体的单元体积重量来计算。
黏结力是由于土体中的黏性成分与桩身表面的接触而产生的,可以通过土体中的黏性成分的黏结系数、桩身周围土体的单元体积重量以及桩身的表面积来计算。
最后,根据土体的反力和桩身的抵抗力,可以计算出管桩的水平承载力。
常用的计算方法包括弹性理论方法、极限平衡法和数值模拟方法等。
根据不同的计算方法,可以得到不同的计算结果,需要根据具体情况选择合适的方法。
综上所述,2024年管桩水平承载力计算是一个复杂的过程,需要考虑多个因素和参数。
在实际工程中,需要根据具体情况选择适合的计算方法和模型,以保证计算结果的准确性和可靠性。
同时,还需要对计算结果进行合理的分析和评估,以确定管桩的水平承载力是否满足设计要求。
预应力管桩静压力计算计算参数:PHC管桩,A型,Ф500×125;Ф400×95Ф500设计单桩竖向承载力特征值:2600KN;单桩竖向极限承载力:2600KN×2=4600KNФ400设计单桩竖向承载力特征值:1300KN;单桩竖向极限承载力:1300KN×2=2600KN一、计算桩身允许抱压力:规程5.2.4PHC管桩:P≤fce-σpcAjmax:桩身允许抱压力;fce:管桩离心砼抗压强度,PHC管桩为80MPA; Pjmaxσpc:管桩砼有效应力,合格证显示该批桩Ф500×125为;Ф400×95为 A:桩身横截面面积S=R2-r2Ф500管桩的桩身允许抱压力:××{5002-2502×}/4=主副缸14MpaФ400管桩的桩身允许抱压力××{4002-1052×}/4=主副缸规范5.2.5Ф500管桩允许最大压力小于×=主副缸15MpaФ400管桩允许最大压力小于×=主副缸二、计算终压力:Q=βPzeUL:静压桩的入土深度;Q:入土部分的静压桩竖向极限承载力;Uβ:静压桩竖向极限承载力与终压力的相关系数; Pze:静压桩的终压值.=βPze =~Pze当桩长:6米≤L≤8米 QUФ500管桩终压力:4600KN/~=~5750KN,取最大压力值Ф400管桩终压力:2600KN /~~3250 KN,取最大压力值8米<L≤15米 Q=βPze =~PzeUФ500管桩终压力:4600KN/~=~4600KN,取最大压力值Ф400管桩终压力:2600KN /~=~2600 KN,取最大压力值15米<L≤23米 Q=βPze =~PzeUФ500管桩终压力:4600KN/~=~4600KN,取最大压力值Ф400管桩终压力:2600KN /~=~2600 KN,取最大压力值 L>23米 Q=βPze =~PzeUФ500管桩终压力:4600KN/~=4600~KN,取最小压力值Ф400管桩终压力:2600KN /~=2600~ KN,取最大压力值。
预制管桩承载力计算预制管桩是一种常用的地基处理技术,广泛应用于建筑工程和基础设施建设中。
在设计和施工过程中,准确计算预制管桩的承载力至关重要,以确保工程的安全和稳定。
本文将介绍预制管桩承载力计算的基本原理和方法。
预制管桩的承载力是指它所能承受的最大垂直荷载。
准确计算预制管桩的承载力需要考虑多个因素,包括土壤的物理力学性质、预制管桩的几何形状和材料性质等。
常用的预制管桩承载力计算方法包括静力触探法、动力触探法和数值模拟法等。
静力触探法是一种常用的预制管桩承载力计算方法。
该方法通过在预制管桩周围进行静力触探试验,测量土壤的抗力和变形性质,从而推断出预制管桩的承载力。
静力触探法适用于土质较为均匀的场地,可以提供较为准确的承载力计算结果。
动力触探法也是一种常用的预制管桩承载力计算方法。
该方法通过在预制管桩顶部施加冲击力,观测预制管桩的振动响应,从而推断出其承载力。
动力触探法适用于土质较为松散或不均匀的场地,可以提供较为准确的承载力计算结果。
数值模拟法是一种基于数值分析的预制管桩承载力计算方法。
该方法通过建立土体和预制管桩的有限元模型,模拟施加在预制管桩上的荷载作用,从而计算出其承载力。
数值模拟法适用于复杂地质条件和荷载情况下的承载力计算,可以提供较为准确的结果。
在进行预制管桩承载力计算时,需要考虑土壤的物理力学性质。
土壤的抗剪强度、压缩性和变形特性等参数将直接影响预制管桩的承载力。
因此,需要进行土壤试验和实地观测,获取土壤参数的准确数值。
预制管桩的几何形状和材料性质也是承载力计算的重要考虑因素。
预制管桩的直径、壁厚和长度等参数将决定其抗弯和抗压能力。
另外,预制管桩的材料强度和刚度也将影响其承载力。
因此,在进行承载力计算时,需要准确了解预制管桩的几何和材料参数。
预制管桩承载力计算是建筑工程和基础设施建设中的重要任务。
通过静力触探法、动力触探法和数值模拟法等方法,可以准确计算出预制管桩的承载力,并为工程设计和施工提供可靠的依据。