液体蒸发速率计算【可编辑】
- 格式:ppt
- 大小:26.00 KB
- 文档页数:10
液体质量蒸发速率计算公式在我们的日常生活中,经常会遇到液体蒸发的现象,比如晾在外面的衣服会慢慢变干,水洼在太阳下逐渐消失。
那你有没有想过,液体蒸发的快慢到底是怎么计算的呢?这就得提到液体质量蒸发速率的计算公式啦。
先来说说什么是液体质量蒸发速率。
简单来讲,它就是指单位时间内液体蒸发的质量。
这个概念在很多领域都非常重要哦,像是化工生产中,要控制液体原料的蒸发速度;在环境科学里,研究水分的蒸发对气候的影响等等。
液体质量蒸发速率的计算公式是:蒸发速率 = (液体的蒸发潜热×蒸发面积×传质系数)/(液体的摩尔质量×总传热系数)。
这里面的每一项都有它特定的含义和作用。
比如说蒸发潜热,它就像是液体蒸发时需要的“能量门票”。
不同的液体,这张“门票”的价格可不太一样。
水的蒸发潜热就比较大,所以水蒸发起来相对就慢一些。
蒸发面积也很好理解,就像一块大饼,如果把它分成小块,那总的边缘面积就会变大,蒸发也就会变快。
液体的表面积越大,蒸发速率也就越高。
传质系数和总传热系数呢,这两个家伙有点复杂,不过你可以把它们想象成液体蒸发的“小助手”,“小助手”越厉害,液体蒸发就越顺利。
我给你讲个事儿吧。
有一次我在家里做实验,想看看盐水和清水哪个蒸发得快。
我准备了两个同样大小的碗,一个装了盐水,一个装了清水,然后放在阳台上。
过了一天,我发现清水碗里的水明显少了很多,而盐水碗里的变化不大。
这是为啥呢?后来我用液体质量蒸发速率的计算公式一分析,发现盐水的摩尔质量比清水大,所以它蒸发起来就更困难。
在实际应用中,这个计算公式可帮了大忙。
比如在化工厂里,工程师们要通过控制温度、压力等条件来调整液体的蒸发速率,以达到最佳的生产效果。
他们就会根据这个公式来精确计算,确保生产过程既高效又安全。
再比如,在农业中,农民伯伯们要考虑土壤中水分的蒸发情况,来决定什么时候浇水、浇多少水。
了解液体质量蒸发速率的计算公式,就能更好地规划灌溉,让庄稼茁壮成长。
应用蒸发率计算公式
蒸发率计算公式通常用于描述液体在一定时间内蒸发掉的百分比。
蒸发率计算公式可以因应用场景的不同而有所变化,但一般形式如下:
蒸发率= (蒸发掉的液体量/ 初始液体量) × 100%
其中:
•蒸发掉的液体量:指的是在特定时间内液体蒸发掉的数量。
•初始液体量:指的是液体在蒸发开始时的总量。
例如,如果你有一个容器装有100毫升的水,在一天后,容器里只剩下80毫升的水,那么蒸发率可以这样计算:
蒸发率= ((100毫升- 80毫升) / 100毫升) × 100% = 20%
这意味着在一天的时间里,有20%的水蒸发掉了。
请注意,这个公式是一个通用的蒸发率计算公式,具体应用时可能需要根据实际情况做出调整。
例如,在某些情况下,可能需要考虑温度、湿度、压力等环境因素对蒸发率的影响。
此外,蒸发率还可能受到液体自身性质(如表面张力、挥发性等)的影响。
因此,在实际应用中,需要根据具体情况调整或优化蒸发率计算公式。
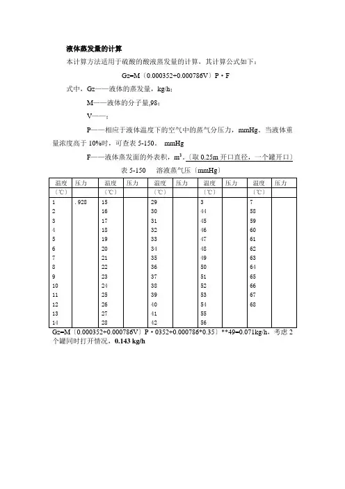
液体蒸发量的计算液体蒸发量的计算本计算方法适用于硫酸的酸液蒸发量的计算,其计算公式如下:Gz=M (0.000352+0.000786V)P·F式中,Gz——液体的蒸发量,kg/h;M ——液体的分子量,98;V ——蒸发液体表面上的空气流速,m/s,以实测数据为准,无条件实测时,一般可取0.2-0.5,取0.35;P——相应于液体温度下的空气中的蒸气分压力,mmHg。
当液体重量浓度高于10%时,可查表5-150。
25度取23.756 mmHgF——液体蒸发面的表面积,m3。
(取0.25m 开口直径,一个罐开口)表5-150 溶液蒸气压(mmHg)44 756 442 .2025. 55. 112 518 209 324 .5126. 58. 118 231 739 .0428. 3671 123 987 349 .80 .96 214 .17)*23.756*0.049=0.071kg/h,考虑 2 个罐同时打开情况,0.143 kg/h发烟硫酸是浓度超过100%的硫酸,也就是它含有游离的三氧化硫气体.该液体在敞开状态时,由于三氧化硫气体的逸出,三氧化硫气体与空气中的水分有很强的结合性,形成白色酸雾,好象冒烟一样,故称发烟硫酸.浓硫酸一般指浓度大于75%的硫酸。
两者环境影响截然不同,普通硫酸是随水蒸气挥发产生的污染。
按《危险化学品重大危险源辨识》GN18218-2009发烟硫酸量大于100 吨就构成重大危险源,三氧化硫大于75 吨就重大危险源,而普酸数量再多也不构成重大危险源。
按照《建设项目环境风险评价技术导则》三氧化硫生产场所30 吨,贮存场所75 吨为临界量。
硫酸厂卫生防护距离标准。
液体蒸发量的计算
本计算方法适用于硫酸的酸液蒸发量的计算,其计算公式如下:
Gz=M(0.000352+0.000786V)P·F
式中,Gz——液体的蒸发量,kg/h;
M——液体的分子量,98;
V——蒸发液体表面上的空气流速,m/s,以实测数据为准,无条件实测时,一般可取0.2-0.5,取0.35;
P——相应于液体温度下的空气中的蒸气分压力,mmHg。
当液体重量浓度高于10%时,可查表5-150。
25度取23.756 mmHg
F——液体蒸发面的表面积,m3。
(取0.25m开口直径,一个罐开口)
表5-150 溶液蒸气压(mmHg)
*23.756*0.049=0.071kg/h,考虑2个罐同时打开情况,0.143 kg/h
发烟硫酸是浓度超过100%的硫酸,也就是它含有游离的三氧化硫气体.该液体在敞开状态时,由于三氧化硫气体的逸出,三氧化硫气体与空气中的水分有很强的结合性,形成白色酸雾,好象冒烟一样,故称发烟硫酸.浓硫酸一般指浓度大于75%的硫酸。
两者环境影响截然不同,普通硫酸是随水蒸气挥发产生的污染。
按《危险化学品重大危险源辨识》GN18218-2009发烟硫酸量大于100吨就构成重大危险源,三氧化硫大于75吨就重大危险源,而普酸数量再多也不构成重大危险源。
按照《建设项目环境风险评价技术导则》三氧化硫生产场所30吨,贮存场所75吨为临界量。
硫酸厂卫生防护距离标准。
液体蒸发量的计算
本计算方法适用于硫酸的酸液蒸发量的计算,其计算公式如下:
Gz=M(0.000352+0.000786V)P·F
式中,Gz——液体的蒸发量,kg/h;
M——液体的分子量,98;
V——蒸发液体表面上的空气流速,m/s,以实测数据为准,无条件实测时,一般可取0.2-0.5,取0.35;
P——相应于液体温度下的空气中的蒸气分压力,mmHg。
当液体重量浓度高于10%时,可查表5-150。
25度取23.756 mmHg
F——液体蒸发面的表面积,m3。
(取0.25m开口直径,一个罐开口)
表5-150 溶液蒸气压(mmHg)
*23.756*0.049=0.071kg/h,考虑2个罐同时打开情况,0.143 kg/h
发烟硫酸是浓度超过100%的硫酸,也就是它含有游离的三氧化硫气体.该液体在敞开状态时,由于三氧化硫气体的逸出,三氧化硫气体与空气中的水分有很强的结合性,形成白色酸雾,好象冒烟一样,故称发烟硫酸.浓硫酸一般指浓度大于75%的硫酸。
两者环境影响截然不同,普通硫酸是随水蒸气挥发产生的污染。
按《危险化学品重大危险源辨识》GN18218-2009发烟硫酸量大于100吨就构成重大危险源,三氧化硫大于75吨就重大危险源,而普酸数量再多也不构成重大危险源。
按照《建设项目环境风险评价技术导则》三氧化硫生产场所30吨,贮存场所75吨为临界量。
硫酸厂卫生防护距离标准。
液体在其正常沸点下的蒸发热计算
蒸发热是液体在一定压强下沸腾时所需要的热量.对于不同的液体,它们蒸发的快慢程度和温度高低都有关系.从表中可以看出:当液体的温度越高、液面上方气流速度越大时,其蒸发热就越小;反之则蒸发热较大.因此,为了使一些挥发性很强的物质能够顺利地通过蒸馏塔,使用蒸馏装置必须满足两个条件:一是要保证气液接触良好,二是要尽量减少接触面积.
你好!正常沸点时液体的蒸发潜热=(1-升华热)×温度×10^5W\/ kg=0.0014MPa×10^3Kw\/ kgx1\/273.15℃=7.45×10^4J。
旋转蒸发器蒸发计算方式
旋转蒸发器是一种常用的热传递设备,用于液体蒸发。
蒸发计算是旋转蒸发器设计和操作的重要计算之一。
计算公式
旋转蒸发器的蒸发速率可以通过以下公式计算:
蒸发速率 = (冷却剂流量 ×冷却剂温度差) / (液体进料浓度 ×汽化热)
其中:
- 冷却剂是用来冷却旋转蒸发器的介质,通常是水或其他冷却剂。
- 冷却剂流量是冷却剂的流动速度,通常以单位时间内的体积计量。
- 冷却剂温度差是冷却剂进入和离开旋转蒸发器的温度差。
- 液体进料浓度是待蒸发液体的浓度,通常以质量百分比或体积百分比计量。
- 汽化热是液体蒸发过程中需要吸收的热量,通常根据液体的性质和蒸发温度确定。
蒸发计算示例
假设旋转蒸发器使用水作为冷却剂,冷却剂流量为10 L/min,冷却剂温度差为5 °C,液体进料浓度为20%,汽化热为2500 J/g。
蒸发速率 = (10 L/min × 5 °C) / (20% × 2500 J/g) = 0.1 L/min
根据以上参数,旋转蒸发器的蒸发速率为0.1 L/min。
注意事项
蒸发计算时需要确保参数的准确性和一致性。
液体性质、冷却剂的选择和温度、流量等参数都会对蒸发速率产生影响,因此需要进行适当的实验或参考可靠的数据。
另外,蒸发计算只是旋转蒸发器设计和操作的一部分,还需要
考虑其他因素如设备尺寸、操作条件、传热效率等。
在实际应用中,建议结合实际情况和经验进行综合分析和判断。
以上是关于旋转蒸发器蒸发计算方式的简要介绍,希望能对您
有所帮助。
F3.3 液体蒸发速率模型泄漏液体的蒸发分为闪蒸蒸发、热量蒸发和质量蒸发三种,其蒸发总量为这三种蒸发之和。
(1)闪蒸量的估算过热液体闪蒸量可按下式估算:Q 1=F ·W T /t 1式中:Q 1——闪蒸量,kg/s ;W T ——液体泄漏总量,kg ; t 1——闪蒸蒸发时间,s ;F ——蒸发的液体占泄漏液体总量的比例;按下式计算:F=C p (T L -T b )/H式中:Cp ——液体的定压比热,J/(kg ·K);T L ——泄漏前液体的温度,K ; T b ——液体在常压下的沸点,K ; H ——液体的气化热,J/kg 。
(2)热量蒸发如果闪蒸不完全,即V F <1或m Q t <则发生热量蒸发,热量蒸发时液体蒸发速度t Q 为)()(00b t b t t T T L ANu H k tH T T kA Q -+-=πα 式中,t A —液池面积,m 2;0T —环境温度,K ; b T —液体沸点,K ;H —液体蒸发热,J/㎏;L—液池长,m;α—热扩散系数,m2/s;K—导热系数,J/km ;T—蒸发时间,s;Nu-努舍尔特(Nusselt)数。
附表3-6中列出了一些地面情况的K,α值。
表3-6 地面情况的K,α值考虑极端条件下的影响,原料贮存温度取年高温度39℃,因本项目分析对象苯、甲苯、乙酸乙酯等物料贮的沸点均高于39℃,因此不考虑闪蒸蒸发量和热量蒸发量。
液池最大直径取决于泄漏点附近的地域构型、泄漏的连续性或瞬时性。
有围堰时,以围堰最大等效半径为液池半径;无围堰时,设定液体瞬间扩散到最小厚度时,推算液池等效半径。
本评价中假设泄漏的物料在地面形成的面积为设备泄漏取半径2m,储罐泄漏,根据液池面积估算。
气象条件取全年最大出现概率原则。
有风时大气稳定度取D,静小风时取E-F,因本生产过程均在室内,故本评价过程取静、小风时排放源。
结果见附表3-7。
附表3-7 静、小风时有毒物质质量蒸发排放速率1、表中甲苯在39℃的蒸汽压由克劳修斯-克拉佩龙方程近似计算得:式中:T1和T2为两个温度,(k)。
液体蒸发量的计算
本计算方法适用于硫酸的酸液蒸发量的计算,其计算公式如下:
Gz=M〔0.000352+0.000786V〕P·F
式中,Gz——液体的蒸发量,kg/h;
M——液体的分子量,98;
V——;
P——相应于液体温度下的空气中的蒸气分压力,mmHg。
当液体重量浓度高于10%时,可查表5-150。
mmHg
F——液体蒸发面的外表积,m3。
〔取0.25m开口直径,一个罐开口〕
表5-150 溶液蒸气压〔mmHg〕
个罐同时打开情况,0.143 kg/h
发烟硫酸是浓度超过100%的硫酸,也就是它含有游离的三氧化硫气体.该液体在敞开状态时,由于三氧化硫气体的逸出,三氧化硫气体与空气中的水分有很强的结合性,形成白色酸雾,好象冒烟一样,故称发烟硫酸.浓硫酸一般指浓度大于75%的硫酸。
两者环境影响截然不同,普通硫酸是随水蒸气挥发产生的污染。
按《危险化学品重大危险源辨识》GN18218-2009发烟硫酸量大于100吨就构成重大危险源,三氧化硫大于75吨就重大危险源,而普酸数量再多也不构成重大危险源。
按照《建设项目环境风险评价技术导则》三氧化硫生产场所30吨,贮存场所75吨为临界量。
硫酸厂卫生防护距离标准。
蒸发速率最简单三个公式
嘿,朋友们!今天来给你们讲讲蒸发速率最简单的三个公式呀!
第一个公式就是:蒸发速率 = 蒸发的质量÷时间。
举个例子啊,就像你把一碗水放在太阳下,过了一段时间后,发现水少了一部分,那这减少的水的质量除以这段时间,不就是蒸发速率嘛!这不是很容易理解嘛!
第二个公式是:蒸发速率 = 系数×(表面积×温度差)。
哎呀,这就好比说,一个大池塘和一个小水杯同时在相同温度下晒着,那大池塘的表面积大呀,肯定蒸发得快些噻!温度差呢,就像是夏天太阳底下和阴凉处,那蒸发速率肯定不一样呀!
第三个公式:蒸发速率 = 热流量÷(潜热×质量)。
这就好像是跑步比赛,热流量就像是你跑步的速度,潜热和质量就像是跑道的长短和你自身的重量,它们一结合,就能算出你的“蒸发速度”啦!
怎么样,这三个公式不难理解吧!好好去感受一下哦!。
烧水过程中水蒸发的计算公式在我们的日常生活中,烧水是再常见不过的事儿啦。
您有没有想过,在烧水的时候,水蒸发的量是可以通过计算来搞清楚的呢?要计算烧水过程中水的蒸发量,咱们得先弄明白几个关键的概念。
水蒸发其实就是水从液态变成气态,跑到空气中去啦。
这一过程中,影响蒸发量的因素有不少,像温度、烧水的时间、容器的开口大小,还有周围环境的湿度等等。
咱们来看看具体的计算公式。
一般来说,可以用这个公式:蒸发量= 蒸发系数 ×表面积 ×时间 ×(温度差 + 环境压力修正值)。
这里面的蒸发系数呢,是个需要通过实验或者参考相关数据才能确定的数值。
比如说,有一天我在家烧水。
那天天气挺干燥的,我用一个不锈钢锅在炉灶上烧水。
锅的直径大概 30 厘米,水装了大概半锅。
我就盯着那锅水,看着它慢慢地冒热气。
我还特意拿了个秒表,准备记录一下时间。
随着水温不断升高,锅里的水开始“咕嘟咕嘟”地响,水面上的热气也越来越浓。
我发现,刚开始的时候,水蒸发的速度好像不是很快,但是随着温度越来越高,水蒸发的就明显快了起来。
时间一分一秒过去,我一边看着秒表,一边观察着锅里水的变化。
大概过了 20 分钟,我发现锅里的水少了挺多。
这时候,我就想着用刚刚说的那个公式来算算水的蒸发量。
先确定一下表面积,根据锅的直径算出大概是 706.5 平方厘米。
时间是 20 分钟,换算成秒就是 1200 秒。
温度差呢,从开始的室温到水烧开的 100 摄氏度,环境压力修正值就先忽略不计。
假设蒸发系数是 0.00002 。
那算下来,蒸发量 = 0.00002 × 706.5 × 1200 ×(100 + 0),结果大概是 16.956 克。
您看,通过这样的计算,咱们就能大概知道烧水过程中水蒸发了多少。
不过要注意哦,这个公式只是一个大致的计算,实际情况中可能会因为各种因素有些偏差。
总之,了解烧水过程中水蒸发的计算公式,能让我们对这个常见的现象有更深入的认识。
水的蒸发速度公式咱们先来说说水的蒸发速度这个事儿。
您知道吗,在咱们日常生活里,水的蒸发简直太常见啦!就像您洗完衣服挂在阳台上,过不了多久,衣服就干了,这就是水在蒸发。
还有夏天您在外面放一杯水,没一会儿,水就少了一些,这也是水在蒸发。
那水的蒸发速度到底跟啥有关系呢?这就得提到一个公式啦。
水的蒸发速度和温度、表面积、空气流速还有周围空气的湿度都有关系。
先说说温度。
温度越高,水的蒸发速度就越快。
就好比您烧开水的时候,水变成水蒸气呼呼地往外冒,那速度可快了。
为啥呢?因为温度一高,水分子就特别活跃,急着往外跑,蒸发速度自然就上去了。
再讲讲表面积。
表面积越大,蒸发速度也越快。
您想想看,要是把一滩水摊开成薄薄的一层,是不是干得比聚成一小团要快得多?这就好比一张大大的饼比一个小小的团子更容易被吃完一样。
空气流速也很重要哦。
风一吹,水分子就被带走得更快了,蒸发速度也就跟着加快。
就像您在有风的地方晾衣服,那干得肯定比没风的时候快不少。
还有周围空气的湿度。
如果空气里已经充满了水汽,那水就不太容易蒸发了。
就像在潮湿的梅雨天,东西总是不容易干,就是这个道理。
我记得有一次,我在家里做了一个小实验。
我准备了两个一模一样的杯子,都装上同样多的水。
一个杯子我就放在阳台上,让它直接暴露在阳光下,风也能吹到。
另一个杯子我放在屋里的角落里,没有阳光,也没什么风。
过了几个小时,我再去看,阳台上那个杯子里的水明显少了很多,而屋里那个杯子里的水几乎没怎么变。
这就很直观地让我感受到了温度、风速这些因素对水蒸发速度的影响。
在实际生活中,了解水的蒸发速度公式可有用啦!比如农民伯伯灌溉农田的时候,他们得知道水蒸发的情况,才能合理安排浇水的量和时间,保证庄稼能喝饱水茁壮成长。
还有工厂里制造一些需要干燥处理的产品,也得掌握水的蒸发速度,才能保证生产的效率和质量。
总之,水的蒸发速度公式虽然看起来有点复杂,但只要咱们仔细琢磨,多观察生活中的现象,就能明白其中的道理,还能把它运用到实际中,让咱们的生活变得更美好!。
液体(除⽔以外)蒸发量的计算本计算⽅法适⽤于硫酸、硝酸、盐酸等酸洗⼯艺中的酸液蒸发量的计算,其计算公式如下:Gz=M(0.000352+0.000786V)P·F式中,Gz——液体的蒸发量,kg/h;M——液体的分⼦量;V——蒸发液体表⾯上的空⽓流速,m/s,以实测数据为准,⽆条件实测时,可查表5-145,⼀般可取0.2-0.5;P——相应于液体温度下的空⽓中的蒸⽓分压⼒,mmHg。
当液体浓度(重量)低于10%时,可⽤⽔溶液的饱和蒸⽓压代替,查表5-146;当液体重量浓度⾼于10%时,可查表5-147、5-148、5-149、5-150。
F——液体蒸发⾯的表⾯积,m3。
表5-145 槽边排风⼯艺槽产⽣有害⽓体计算参数⼯艺槽名称溶液名称主要成分含量(g/L)溶液温度(℃)液⾯风速(m/s)硫酸浸蚀硫酸50-25040-800.35盐酸浸蚀盐酸150-36010-350.30硝酸浸蚀硝酸40%-80%室温0.40铜及铜合⾦在硝酸和硫酸中浸蚀硝酸10%-50%室温0.40硫酸40%-60%0.40铸件浸蚀硫酸75%室温0.40氢氟酸25%混酸浸蚀硝酸20%室温0.40氢氟酸30%混酸浸蚀硝酸50-100室温0.35盐酸150-200磷酸浸蚀80-12060-80装饰镀铬铬酐250-360 40-500.40硫酸2.5-3.5镀硬铬铬酐180-250 55-600.50硫酸1.8-2.5镀铝锡合⾦硼氟酸60-100室温硼氟酸铅160-200 0.40硼氟酸锡20-25氟硼酸盐氟硼酸铅250-3000.40镀铅氟硼酸60-120钢铸件退镍铬酸250-30020-280.35硼酸25-30铝合⾦硫酸阳极化硫酸100-20013-260.30铝合⾦铬酸阳极化铬酸35-4040+(-)20.35钢铁件化学抛光硝酸1%-4%硫酸20%-40%70-800.40盐酸7%-30%铜和铜合⾦化学抛光硝酸10%-15%磷酸50%-60%40-600.40醋酸30%-40%镍的电抛光硫酸70%-80%室温0.35铬酐3%-5%。
环境风险评价中的泄漏液体蒸发
Q1=FWT /t1 式中:
Q1闪蒸量,kg/S; WT液体泄漏总量,kg; t1闪蒸蒸发时间,s; F 蒸发的液体占液体总量的比例;按下式计算 F=Cp(TL-Tb)/H 式中:
Cp液体的定压比热,J/(kgK); TL泄漏前液体的温度,K;Tb液体在常压下的沸点,K; H 液体的气化热,J/kg。
2 热量蒸发估算当液体闪蒸不完全,有一部分液体在地面形成液池,并吸收地面热量而气化称为热量蒸发。
热量蒸发的蒸发速度Q2按下式计算:
Q2=λS(T0-Tb)/[H(παt)^0、5] 式中:
Q2热l量蒸发速度,kg/s; T0环境温度,k; Tb沸点温度;k; S 液池面积,m2; H液体气化热,J/kg;λ表面热导系数,W/mk;α表面热扩散系数,m2/s; t蒸发时间,s。
3 质量蒸发估算当热量蒸发结束,转由液池表面气流运动使液体蒸发,称之为质量蒸发。
质量蒸发速度Q3计算公式可以查阅专著,或咨询我。
液池最大直径取决于泄漏点附近的地域构型、泄漏的连续性或瞬时性。
有围堰时,以围堰最大等效半径为液池半径;无围堰时,设定液体瞬间扩散到最小厚度时,推算液池等效半径。
4 液体蒸发总量的计算Wp=Q1t1+Q2t2+Q3t3 液体泄漏估算中密度的单位通常是kg/m3。