工业管道颜色及标识规范
- 格式:doc
- 大小:122.00 KB
- 文档页数:4
国家工业管道标识规范及颜色1.目的为了便于工业管道内的物质识别,确保安全生产,避免在操作上、设备检修上发生误判断等情况,结合公司的实际情况制定本规范;2.适用范围本规范规定了工业管道的基本识别色、识别符号和安全标识;本规范适用于中非地下埋没的气体和液体的输送管道;3.定义本标准采用下列定义,识别色:用以识别工业管道内物质种类的颜色;识别符号:用以识别工业管道内的物质名称和状态的记号;危险标识:表示工业管道内的物质为;消防标识:表示工业管道内的物质专用于灭火;4.基本识别色根据管道内物质的一般性能,分为八类,并相应规定了八种基本识别色和相应的颜色标准编号见下表;物质种类基本识别色颜色标准编号色样水艳绿 G03 见电子版本水蒸气大红 R03空气淡灰 B03气体中黄 Y07酸或碱紫 P02可燃液体棕 YR05其他液体黑 -氧淡黄 PB06基本识别色标识方法工业管道的基本识别色标识方法,使用方应从以下五种方法中选择;a管道全长上标识;b在管道上以宽为150mm的色环标识;c在管道上以长方形的识别色标牌标识;d在管道上以带箭头的长方形识别色标牌标识;e在管道上以系挂的识别色标牌标识;当采用中b、c、d、e方法时,两个标识之间的最小距离应为10m;4. 4 中c、d、e的标牌最小尺寸应以能清楚观察识别色来确定;当管道采用中b,c,d,e基本识别色标识方法时,其标识的场所应该包括所有管道的起点、终点、交叉点、转弯处、阀门和穿墙孔两侧等的管道上和其他需要标识的部位;5.识别符号工业管道的识别符号由物质名称、流向和主要工艺参数等组成,其标识应符合下列要求:物质名称的标识a物质全称;例如:氮气、硫酸、;b化学;例如:N2、H2SO4、CH3OH;物质流向的标识工业管道内物质的流向用箭头表示,如果管道内物质的流向是双向的,则以双向箭头表示;当基本识别色的标识方法采用中d和e时,则标牌的指向就作为表示管道内的物质流向,如果管道内物质流向是双向的,则标牌指向应做成双向的;物质的压力、温度、流速等主要工艺参数的标识,使用方可按需自行确定采用;和中的字母、数字的最小字体,以及中箭头的最小外形尺寸,应以能清楚观察识别符号来确定;6.安全标识危险标识a适用范围:管道内的物质,凡属于GB13690所列的,其管道应设置危险标识;b表示方法:在管道上涂150mm宽黄色,在黄色两侧各涂25mm宽黑色的色环或色带,安全色范围应符合GB2893的规定;c表示场所:基本识别色的标识上或附近;消防标识中设置的消防专用管道应遵守GB13495的规定,并在管道上标识“消防专用”识别符号;标识部位、最小字体应分别符合、的规定;7.工业管道涂颜色和注字规定表工业管道涂颜色和注字规定表序号介质名称涂色管道注字名称注字颜色1工业水绿上水白2井水绿井水白3生活水绿生活水白4过滤水绿过滤水白5循环上水绿循环上水白6循环下水绿循环回水白7 绿白8清静下水绿白9热循环回水上暗红热水上白10热循环回水暗红热水回白11消防水绿消防水红12消防泡沫红消防泡沫白13冷冻水上淡绿冷冻水红14冷冻回水淡绿冷冻回水红15冷冻盐水上淡绿冷冻盐水上红16冷冻盐水回淡绿冷冻盐水回红17低压蒸汽红低压蒸汽白18中压蒸汽红中压蒸汽白19高压蒸汽红高压蒸汽白20过热蒸汽暗红过热蒸汽白21蒸汽回水冷凝液暗红蒸汽冷凝液回绿22废气的蒸汽冷凝液暗红蒸汽冷凝液废黑23空气深蓝白24仪表用空气深蓝仪表空气白25氧气天蓝氧气黑26氢气深绿氢气红27氮低压气黄低压氮黑28氮高压气黄高压氮黑29仪表用氮黄仪表用氮黑30 黑黄31真空白真空天蓝32 黄氨黑33 黄黑34 黄绿35氯气草绿氯气白36 草绿纯氯白37 粉红白38烧碱深蓝烧碱白39盐碱灰盐酸黄40硫酸红硫酸白41硝酸管本色硝酸蓝42醋酸管本色醋酸绿43煤气等可燃气体紫煤气可燃气体白44可燃液体银白油类可燃液体黑45物料管道红按管道介质注字黄对于采暖装置一律涂刷银漆,不注字;除外一律涂灰色;对于、管、玻璃管、以及保温外用铅皮薄护罩时,均不涂色;对于室外地沟的管道不涂色,但在阴井内接头处应按介质进行涂色;对于保温涂的防腐管道,均不涂色;中华人民共和国国家标准GB 7231-2003:工业管道的基本识别色、识别符号和安全标识是对GB7231-1987工业管路的基本识别色和识别符号首次进行修订;中华人民共和国国家标准GB 7231-2003:工业管道的基本识别色、识别符号和安全标识是参考德国DIN 2403-1984管道按流体介质的标识和日本JIS 9102-1987配管系的识别显示修订的;为了便于工业管道内的物质识别,中华人民共和国国家标准GB 7231-2003:工业管道的基本识别色、识别符号和安全标识的基本识别色由原来的七种颜色增加到八种颜色,管道内物质的标识方法由原来的二种提高到五种;中华人民共和国国家标准GB 7231-2003:工业管道的基本识别色、识别符号和安全标识是对GB7231-1987工业管路的基本识别色和识别符号首次进行修订;中华人民共和国国家标准GB 7231-2003:工业管道的基本识别色、识别符号和安全标识是参考德国DIN 2403-1984管道按流体介质的标识和日本JIS 9102-1987配管系的识别显示修订的;为了便于工业管道内的物质识别,中华人民共和国国家标准GB 7231-2003:工业管道的基本识别色、识别符号和安全标识的基本识别色由原来的七种颜色增加到八种颜色,管道内物质的标识方法由原来的二种提高到五种;。
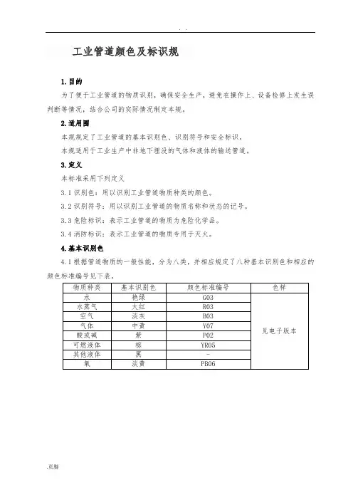
工业管道颜色及标识规1.目的为了便于工业管道的物质识别,确保安全生产,避免在操作上、设备检修上发生误判断等情况,结合公司的实际情况制定本规。
2.适用围本规规定了工业管道的基本识别色、识别符号和安全标识。
本规适用于工业生产中非地下埋没的气体和液体的输送管道。
3.定义本标准采用下列定义3.1识别色:用以识别工业管道物质种类的颜色。
3.2识别符号:用以识别工业管道的物质名称和状态的记号。
3.3危险标识:表示工业管道的物质为危险化学品。
3.4消防标识:表示工业管道的物质专用于灭火。
4.基本识别色4.1根据管道物质的一般性能,分为八类,并相应规定了八种基本识别色和相应的颜色标准编号见下表。
4.2基本识别色标识方法工业管道的基本识别色标识方法,使用方应从以下五种方法中选择。
a)管道全长上标识;b)在管道上以宽为150mm的色环标识;c)在管道上以长方形的识别色标牌标识;d)在管道上以带箭头的长方形识别色标牌标识;e)在管道上以系挂的识别色标牌标识。
4.3 当采用4.2中b)、c)、d)、e)方法时,两个标识之间的最小距离应为10m。
4.4 4.2中c)、d)、e)的标牌最小尺寸应以能清楚观察识别色来确定。
4.5当管道采用4.2中b),c),d),e)基本识别色标识方法时,其标识的场所应该包括所有管道的起点、终点、交叉点、转弯处、阀门和穿墙孔两侧等的管道上和其他需要标识的部位。
5.识别符号工业管道的识别符号由物质名称、流向和主要工艺参数等组成,其标识应符合下列要求:5.1 物质名称的标识a)物质全称。
例如:氮气、硫酸、甲醇。
b)化学分子式。
例如:N2、H2SO4、CH3OH。
5.2 物质流向的标识5.2.1工业管道物质的流向用箭头表示,如果管道物质的流向是双向的,则以双向箭头表示。
5.2.2当基本识别色的标识方法采用4.2中d)和e)时,则标牌的指向就作为表示管道的物质流向,如果管道物质流向是双向的,则标牌指向应做成双向的。
国家工业管道标识规范及颜色1.目得为了便于工业管道内得物质识别,确保安全生产,避免在操作上、设备检修上发生误判断等情况,结合公司得实际情况制定本规范。
2、适用范围本规范规定了工业管道得基本识别色、识别符号与安全标识。
本规范适用于工业生产中非地下埋没得气体与液体得输送管道。
3、定义本标准采用下列定义,3、1识别色:用以识别工业管道内物质种类得颜色。
3、2识别符号:用以识别工业管道内得物质名称与状态得记号。
3、3危险标识:表示工业管道内得物质为危险化学品。
3、4消防标识:表示工业管道内得物质专用于灭火。
4、基本识别色4、1根据管道内物质得一般性能,分为八类,并相应规定了八种基本识别色与相应得颜色标准编号见下表。
物质种类基本识别色颜色标准编号色样水艳绿 G03 见电子版本水蒸气大红 R03空气淡灰 B03气体中黄 Y07酸或碱紫 P02可燃液体棕 YR05其她液体黑 -氧淡黄 PB064、2基本识别色标识方法工业管道得基本识别色标识方法,使用方应从以下五种方法中选择。
a)管道全长上标识;b)在管道上以宽为150mm得色环标识;c)在管道上以长方形得识别色标牌标识;d)在管道上以带箭头得长方形识别色标牌标识;e)在管道上以系挂得识别色标牌标识。
4、3当采用4、2中b)、c)、d)、e)方法时,两个标识之间得最小距离应为10m。
4、 4 4、2中c)、d)、e)得标牌最小尺寸应以能清楚观察识别色来确定。
4、5当管道采用4、2中b),c),d),e)基本识别色标识方法时,其标识得场所应该包括所有管道得起点、终点、交叉点、转弯处、阀门与穿墙孔两侧等得管道上与其她需要标识得部位。
5、识别符号工业管道得识别符号由物质名称、流向与主要工艺参数等组成,其标识应符合下列要求:5、1 物质名称得标识a)物质全称。
例如:氮气、硫酸、甲醇。
b)化学分子式。
例如:N2、H2SO4、CH3OH。
5、2 物质流向得标识5、2、1工业管道内物质得流向用箭头表示,如果管道内物质得流向就是双向得,则以双向箭头表示。
1.目的为了便于工业管道内的物质识别,确保安全生产,避免在操作上、设备检修上发生误判断等情况,结合公司的实际情况制定本规范.2.适用范围本规范规定了工业管道的基本识别色、识别符号和安全标识.本规范适用于工业生产中非地下埋没的气体和液体的输送管道.3.定义本标准采用下列定义识别色:用以识别工业管道内物质种类的颜色.识别符号:用以识别工业管道内的物质名称和状态的记号.危险标识:表示工业管道内的物质为危险化学品.消防标识:表示工业管道内的物质专用于灭火.4.基本识别色根据管道内物质的一般性能,分为八类,并相应规定了八种基本识别色和相应的颜色标准编号见下表.其他液体黑-氧淡黄PB06基本识别色标识方法工业管道的基本识别色标识方法,使用方应从以下五种方法中选择.a管道全长上标识;b在管道上以宽为150mm的色环标识;c在管道上以长方形的识别色标牌标识;d在管道上以带箭头的长方形识别色标牌标识;e在管道上以系挂的识别色标牌标识.当采用中b、c、d、e方法时,两个标识之间的最小距离应为10m.中c、d、e的标牌最小尺寸应以能清楚观察识别色来确定.当管道采用中b,c,d,e基本识别色标识方法时,其标识的场所应该包括所有管道的起点、终点、交叉点、转弯处、阀门和穿墙孔两侧等的管道上和其他需要标识的部位.5.识别符号工业管道的识别符号由物质名称、流向和主要工艺参数等组成,其标识应符合下列要求:物质名称的标识a 物质全称.例如:氮气、硫酸、甲醇.b 化学分子式.例如:N 2、H 2SO 4、CH 3OH. 物质流向的标识5.2.1工业管道内物质的流向用箭头表示,如果管道内物质的流向是双向的,则以双向箭头表示.5.2.2当基本识别色的标识方法采用中d 和e 时,则标牌的指向就作为表示管道内的物质流向,如果管道内物质流向是双向的,则标牌指向应做成双向的.物质的压力、温度、流速等主要工艺参数的标识,使用方可按需自行确定采用. 和中的字母、数字的最小字体,以及中箭头的最小外形尺寸,应以能清楚观察识别符号来确定.6.安全标识 危险标识a 适用范围:管道内的物质,凡属于GB13690所列的危险化学品,其管道应设置危险标识.b 表示方法:在管道上涂150mm 宽黄色,在黄色两侧各涂25mm 宽黑色的色环或色带,安全色范围应符合GB2893的规定.c 表示场所:基本识别色的标识上或附近. 消防标识工业生产中设置的消防专用管道应遵守GB13495的规定,并在管道上标识“消防专用”识别符号.标识部位、最小字体应分别符合、的规定.7.工业管道涂颜色和注字规定表工业管道涂颜色和注字规定表对于采暖装置一律涂刷银漆,不注字.通风管道塑料管除外一律涂灰色.对于不锈钢管、有色金属管、玻璃管、塑料管以及保温外用铅皮薄护罩时,均不涂色.对于室外地沟的管道不涂色,但在阴井内接头处应按介质进行涂色.对于保温涂沥青的防腐管道,均不涂色.。
国家工业管道标识规范及颜色1.目的为了便于工业管道内的物质识别,确保安全生产,避免在操作上、设备检修上发生误判断等情况,结合公司的实际情况制定本规范。
2.适用范围本规范规定了工业管道的基本识别色、识别符号和安全标识。
本规范适用于中非地下埋没的气体和液体的输送管道。
3.定义本标准采用下列定义识别色:用以识别工业管道内物质种类的颜色。
识别符号:用以识别工业管道内的物质名称和状态的记号。
危险标识:表示工业管道内的物质为。
消防标识:表示工业管道内的物质专用于灭火。
4.基本识别色根据管道内物质的一般性能,分为八类,并相应规定了八种基本识别色和相应的颜色标准编号见下表。
物质种类基本识别色颜色标准编号色样水艳绿 G03 见电子版本水蒸气大红 R03空气淡灰 B03气体中黄 Y07酸或碱紫 P02可燃液体棕 YR05其他液体黑 -氧淡黄 PB06基本识别色标识方法工业管道的基本识别色标识方法,使用方应从以下五种方法中选择。
a)管道全长上标识;b)在管道上以宽为150mm的色环标识;c)在管道上以长方形的识别色标牌标识;d)在管道上以带箭头的长方形识别色标牌标识;e)在管道上以系挂的识别色标牌标识。
当采用中b)、c)、d)、e)方法时,两个标识之间的最小距离应为10m。
4. 4 中c)、d)、e)的标牌最小尺寸应以能清楚观察识别色来确定。
当管道采用中b),c),d),e)基本识别色标识方法时,其标识的场所应该包括所有管道的起点、终点、交叉点、转弯处、阀门和穿墙孔两侧等的管道上和其他需要标识的部位。
5.识别符号工业管道的识别符号由物质名称、流向和主要工艺参数等组成,其标识应符合下列要求:物质名称的标识a)物质全称。
例如:氮气、硫酸、。
b)化学。
例如:N2、H2SO4、CH3OH。
物质流向的标识工业管道内物质的流向用箭头表示,如果管道内物质的流向是双向的,则以双向箭头表示。
当基本识别色的标识方法采用中d)和e)时,则标牌的指向就作为表示管道内的物质流向,如果管道内物质流向是双向的,则标牌指向应做成双向的。
工业管道颜色及标识规范----FF-GCAB-01-16-20101.目的为了便于工业管道内的物质识别,确保安全生产,避免在操作上、设备检修上发生误判断等情况,结合公司的实际情况制定本规范。
2.适用范围本规范规定了工业管道的基本识别色、识别符号和安全标识。
本规范适用于工业生产中非地下埋没的气体和液体的输送管道。
3.定义本标准采用下列定义3.1识别色:用以识别工业管道内物质种类的颜色。
3.2识别符号:用以识别工业管道内的物质名称和状态的记号。
3.3危险标识:表示工业管道内的物质为危险化学品。
3.4消防标识:表示工业管道内的物质专用于灭火。
4.2基本识别色标识方法工业管道的基本识别色标识方法,使用方应从以下五种方法中选择。
a)管道全长上标识;b)在管道上以宽为150mm的色环标识;c)在管道上以长方形的识别色标牌标识;d)在管道上以带箭头的长方形识别色标牌标识;e)在管道上以系挂的识别色标牌标识。
4.3 当采用4.2中b)、c)、d)、e)方法时,两个标识之间的最小距离应为10m。
4.4 4.2中c)、d)、e)的标牌最小尺寸应以能清楚观察识别色来确定。
4.5当管道采用4.2中b),c),d),e)基本识别色标识方法时,其标识的场所应该包括所有管道的起点、终点、交叉点、转弯处、阀门和穿墙孔两侧等的管道上和其他需要标识的部位。
5.识别符号工业管道的识别符号由物质名称、流向和主要工艺参数等组成,其标识应符合下列要求:5.1 物质名称的标识a)物质全称。
例如:氮气、硫酸、甲醇。
b)化学分子式。
例如:N2、H2SO4、CH3OH。
5.2 物质流向的标识5.2.1工业管道内物质的流向用箭头表示,如果管道内物质的流向是双向的,则以双向箭头表示。
5.2.2当基本识别色的标识方法采用4.2中d)和e)时,则标牌的指向就作为表示管道内的物质流向,如果管道内物质流向是双向的,则标牌指向应做成双向的。
5.3 物质的压力、温度、流速等主要工艺参数的标识,使用方可按需自行确定采用。
作品编号:DG13485201600078972981创作者:玫霸*1.目的为了便于工业管道内的物质识别,确保安全生产,避免在操作上、设备检修上发生误判断等情况,结合公司的实际情况制定本规范。
2.适用范围本规范规定了工业管道的基本识别色、识别符号和安全标识。
本规范适用于工业生产中非地下埋没的气体和液体的输送管道。
3.定义本标准采用下列定义3.1识别色:用以识别工业管道内物质种类的颜色。
3.2识别符号:用以识别工业管道内的物质名称和状态的记号。
3.3危险标识:表示工业管道内的物质为危险化学品。
3.4消防标识:表示工业管道内的物质专用于灭火。
4.基本识别色4.1根据管道内物质的一般性能,分为八类,并相应规定了八种基本识别色和相应的颜色标准编号见下表。
4.2基本识别色标识方法工业管道的基本识别色标识方法,使用方应从以下五种方法中选择。
a)管道全长上标识;b)在管道上以宽为150mm的色环标识;c)在管道上以长方形的识别色标牌标识;d)在管道上以带箭头的长方形识别色标牌标识;e)在管道上以系挂的识别色标牌标识。
4.3 当采用4.2中b)、c)、d)、e)方法时,两个标识之间的最小距离应为10m。
4.4 4.2中c)、d)、e)的标牌最小尺寸应以能清楚观察识别色来确定。
4.5当管道采用4.2中b),c),d),e)基本识别色标识方法时,其标识的场所应该包括所有管道的起点、终点、交叉点、转弯处、阀门和穿墙孔两侧等的管道上和其他需要标识的部位。
5.识别符号工业管道的识别符号由物质名称、流向和主要工艺参数等组成,其标识应符合下列要求:5.1 物质名称的标识a)物质全称。
例如:氮气、硫酸、甲醇。
b)化学分子式。
例如:N2、H2SO4、CH3OH。
5.2 物质流向的标识5.2.1工业管道内物质的流向用箭头表示,如果管道内物质的流向是双向的,则以双向箭头表示。
5.2.2当基本识别色的标识方法采用4.2中d)和e)时,则标牌的指向就作为表示管道内的物质流向,如果管道内物质流向是双向的,则标牌指向应做成双向的。
青岛凤凰东翔印染工业管道颜色及标识标准FF/GCAB-01-16-2010为了便于工业管道内的物质识别,确保安全生产,防止在操作上、设备检修上发生误判断等情况,结合公司的实际情况制定本标准。
本标准规定了工业管道的基本识别色、识别符号和安全标识。
本标准适用于工业生产中非地下埋没的气体和液体的输送管道。
本标准采用以下定义3.1识别色:用以识别工业管道内物质种类的颜色。
3.2识别符号:用以识别工业管道内的物质名称和状态的记号。
3.3危险标识:表示工业管道内的物质为危险化学品。
3.4消防标识:表示工业管道内的物质专用于灭火。
4.1根据管道内物质的一般性能,分为八类,并相应规定了八种基本识别色和相应的颜色标准编号见下表。
工业管道的基本识别色标识方法,使用方应从以下五种方法中选择。
a)管道全长上标识;b)在管道上以宽为150mm的色环标识;c)在管道上以长方形的识别色标牌标识;d)在管道上以带箭头的长方形识别色标牌标识;e)在管道上以系挂的识别色标牌标识。
4.3 当采用4.2中b〕、c〕、d〕、e〕方法时,两个标识之间的最小距离应为10m。
4.4 4.2中c〕、d〕、e〕的标牌最小尺寸应以能清楚观察识别色来确定。
4.5当管道采用4.2中b〕,c〕,d〕,e〕基本识别色标识方法时,其标识的场所应该包括所有管道的起点、终点、交叉点、转弯处、阀门和穿墙孔两侧等的管道上和其他需要标识的部位。
工业管道的识别符号由物质名称、流向和主要工艺参数等组成,其标识应符合以下要求:5.1 物质名称的标识a〕物质全称。
例如:硫酸、双氧水、碱水、导热油、空压气。
b〕化学分子式。
例如:H2SO4、H2O2、NaOH。
5.2 物质流向的标识5.2.1工业管道内物质的流向用箭头表示,如果管道内物质的流向是双向的,则以双向箭头表示。
5.2.2当基本识别色的标识方法采用4.2中d〕和e〕时,则标牌的指向就作为表示管道内的物质流向,如果管道内物质流向是双向的,则标牌指向应做成双向的。
1.目的为了便于曲美内管道内的物质识别,确保安全生产,避免在操作上、设备检修上发生误判断等情况,结合公司的实际情况制定本规范。
2.适用范围本规范规定了曲美管道的基本识别色、识别符号和安全标识。
本规范适用于曲美生产中非地下埋没的气体和液体的输送管道。
3.定义本标准采用下列定义3.1识别色:用以识别曲美管道内物质种类的颜色。
3.2识别符号:用以识别曲美管道内的物质名称和状态的记号。
3.3危险标识:表示曲美管道内的物质为危险化学品。
3.4消防标识:表示曲美管道内的物质专用于灭火。
4.2基本识别色标识方法曲美管道的基本识别色标识方法,使用方应从以下五种方法中选择。
a)管道全长上标识;b)在管道上以宽为150mm的色环标识;c)在管道上以长方形的识别色标牌标识;d)在管道上以带箭头的长方形识别色标牌标识;e)在管道上以系挂的识别色标牌标识。
4.3 当采用4.2中b)、c)、d)、e)方法时,两个标识之间的最小距离应为10m。
4.4 4.2中c)、d)、e)的标牌最小尺寸应以能清楚观察识别色来确定。
4.5当管道采用4.2中b),c),d),e)基本识别色标识方法时,其标识的场所应该包括所有管道的起点、终点、交叉点、转弯处、阀门和穿墙孔两侧等的管道上和其他需要标识的部位。
5.识别符号曲美管道的识别符号由物质名称、流向和主要工艺参数等组成,其标识应符合下列要求:5.1 物质名称的标识a)物质全称。
例如:氮气、硫酸、甲醇。
b)化学分子式。
例如:N2、H2SO4、CH3OH。
5.2 物质流向的标识5.2.1曲美管道内物质的流向用箭头表示,如果管道内物质的流向是双向的,则以双向箭头表示。
5.2.2当基本识别色的标识方法采用4.2中d)和e)时,则标牌的指向就作为表示管道内的物质流向,如果管道内物质流向是双向的,则标牌指向应做成双向的。
5.3 物质的压力、温度、流速等主要工艺参数的标识,使用方可按需自行确定采用。
5.4 5.1和5.3中的字母、数字的最小字体,以及5.2中箭头的最小外形尺寸,应以能清楚观察识别符号来确定。
1.目的为了便于工业管道内的物质识别,确保安全生产,避免在操作上、设备检修上发生误判断等情况,结合公司的实际情况制定本规范。
2.适用范围本规范规定了工业管道的基本识别色、识别符号和安全标识。
本规范适用于工业生产中非地下埋没的气体和液体的输送管道。
3.定义本标准采用下列定义3.1识别色:用以识别工业管道内物质种类的颜色。
3.2识别符号:用以识别工业管道内的物质名称和状态的记号。
3.3危险标识:表示工业管道内的物质为危险化学品。
3.4消防标识:表示工业管道内的物质专用于灭火。
4.2基本识别色标识方法工业管道的基本识别色标识方法,使用方应从以下五种方法中选择。
a)管道全长上标识;b)在管道上以宽为150mm的色环标识;c)在管道上以长方形的识别色标牌标识;d)在管道上以带箭头的长方形识别色标牌标识;e)在管道上以系挂的识别色标牌标识。
4.3 当采用4.2中b)、c)、d)、e)方法时,两个标识之间的最小距离应为10m。
4.4 4.2中c)、d)、e)的标牌最小尺寸应以能清楚观察识别色来确定。
4.5当管道采用4.2中b),c),d),e)基本识别色标识方法时,其标识的场所应该包括所有管道的起点、终点、交叉点、转弯处、阀门和穿墙孔两侧等的管道上和其他需要标识的部位。
5.识别符号工业管道的识别符号由物质名称、流向和主要工艺参数等组成,其标识应符合下列要求:5.1 物质名称的标识a)物质全称。
例如:氮气、硫酸、甲醇。
b)化学分子式。
例如:N2、H2SO4、CH3OH。
5.2 物质流向的标识5.2.1工业管道内物质的流向用箭头表示,如果管道内物质的流向是双向的,则以双向箭头表示。
5.2.2当基本识别色的标识方法采用4.2中d)和e)时,则标牌的指向就作为表示管道内的物质流向,如果管道内物质流向是双向的,则标牌指向应做成双向的。
5.3 物质的压力、温度、流速等主要工艺参数的标识,使用方可按需自行确定采用。
5.4 5.1和5.3中的字母、数字的最小字体,以及5.2中箭头的最小外形尺寸,应以能清楚观察识别符号来确定。
工业管道颜色及标识规范 FF/GCAB-01-16-2010 第1版0次修改5.3.4 管道介质流向及色环1)介质流向标志牌示意图如下图,此为300*80mm的示意图,根据管道的粗细另设有400*100mm、500*130mm、600*160mm四种。
各尺寸和管道色环宽度见下表。
2)材料:铝板厚度0.8MM,正面为美国3M公司反光薄膜3)字:黑体黑字4)管道色环的颜色和介质流向上箭头的颜色见下表。
质流向及色环颜色序号介质流向箭头色环颜色管道名称1 红色无环主蒸汽和再热蒸汽2 红色M100Y100(红色)抽汽、背压蒸汽、供热及其它蒸汽3 绿色C25Y50 凝结水(保温)4 绿色无环凝结水(不保温)5 绿色C100Y100 给水、定冷水、闭冷水6 浅蓝白色除盐水、化学补充水7 绿色C100Y100 疏放水、排水8 黑色无环循环水、工业水、冲灰水9 红色无环消防水10 黄色无环油11 黑色无环冷风12 蓝色C100 热风13 黑色无环原煤14 蓝色K100 制粉、送粉15 蓝色无环空气及真空系统管道16 橙色无环氢参照标准:国家电力公司《电力生产企业安全设施规范手册》2001色环和介质流向标志牌的尺寸表(单位:mm)管道或保温层外径色环宽度介质流向标志牌a b c d e f≤10060 管道过细,只能通过喷油漆的方法标示101—200 80 300 80 45 20 25 5201—300 100 400 100 60 25 35 6300—500 120 500 130 75 30 40 8>500 150 600 160 90 40 50 101。
1. 目的为了便于工业管道内的物质识别, 确保安全生产, 避免在操作上、 设备检修上发生 误判断等情况,结合公司的实际情况制定本规范。
2. 适用范围本规范规定了工业管道的基本识别色、识别符号和安全标识。
本规范适用于工业生产中非地下埋没的气体和液体的输送管道。
3. 定义本标准采用下列定义识别符号:用以识别工业管道内的物质名称和状态的记号。
工业管道的基本识别色标识方法,使用方应从以下五种方法中选择。
a ) 管道全长上标识;b )在管道上以宽为150mm 勺色环标识;c ) 在管道上以长方形的识别色标牌标识;d )在管道上以带箭头的长方形识别色标牌标识;e )在管道上以系挂的识别色标牌标识。
4.3当采用4.2中b )、C )、d )、e )方法时,两个标识之间的最小距离应为 10m 4.4 4.2中c )、d )、e )的标牌最小尺寸应以能清楚观察识别色来确定。
4.5当管道采用4.2中b ), C ), d ), e )基本识别色标识方法时,其标识的场所应该包括所有管道的起点、终点、交叉点、转弯处、阀门和穿墙孔两侧等的管道上和其他 需要标识的部位。
5. 识别符号工业管道的识别符号由物质名称、 流向和主要工艺参数等组成, 其标识应符合下列 要求:5.1 物质名称的标识a )物质全称。
例如:氮气、硫酸、甲醇。
3.1识别色:用以识别工业管道内物质种类的颜色。
3.23.3危险标识:表示工业管道内的物质为危险化学品。
3.4消防标识:表示工业管道内的物质专用于灭火。
4.2基本识别色标识方法5.2物质流向的标识5.2.1工业管道内物质的流向用箭头表示,如果管道内物质的流向是双向的,则以双向箭头表示。
5.2.2当基本识别色的标识方法采用 4.2中d)和e)时,则标牌的指向就作为表示管道内的物质流向,如果管道内物质流向是双向的,则标牌指向应做成双向的。
5.3物质的压力、温度、流速等主要工艺参数的标识,使用方可按需自行确定采用。
国家工业管道标识规及颜色1.目的为了便于工业管道的物质识别,确保平安生产,防止在操作上、设备检修上发生误判断等情况,结合公司的实际情况制定本规。
2.适用围本规规定了工业管道的根本识别色、识别符号和平安标识。
本规适用于工业生产中非地下埋没的气体和液体的输送管道。
3.定义本标准采用以下定义,3.1识别色:用以识别工业管道物质种类的颜色。
3.2识别符号:用以识别工业管道的物质名称和状态的记号。
3.3危险标识:表示工业管道的物质为危险化学品。
3.4消防标识:表示工业管道的物质专用于灭火。
4.根本识别色4.1根据管道物质的一般性能,分为八类,并相应规定了八种根本识别色和相应的颜色标准编号见下表。
物质种类根本识别色颜色标准编号色样水艳绿G03见电子版本水蒸气大红R03空气淡灰B03气体中黄Y07酸或碱紫P02可燃液体棕YR05其他液体黑-氧淡黄PB064.2根本识别色标识方法工业管道的根本识别色标识方法,使用方应从以下五种方法中选择。
a)管道全长上标识;b)在管道上以宽为150mm的色环标识;c)在管道上以长方形的识别色标牌标识;d)在管道上以带箭头的长方形识别色标牌标识;e)在管道上以系挂的识别色标牌标识。
4.3当采用4.2中b〕、c〕、d〕、e〕方法时,两个标识之间的最小距离应为10m。
4.44.2中c〕、d〕、e〕的标牌最小尺寸应以能清楚观察识别色来确定。
4.5当管道采用4.2中b〕,c〕,d〕,e〕根本识别色标识方法时,其标识的场所应该包括所有管道的起点、终点、穿插点、转弯处、阀门和穿墙孔两侧等的管道上和其他需要标识的部位。
5.识别符号工业管道的识别符号由物质名称、流向和主要工艺参数等组成,其标识应符合以下要求:5.1 物质名称的标识a〕物质全称。
例如:氮气、硫酸、甲醇。
b〕化学分子式。
例如:N2、H2SO4、CH3OH。
5.2 物质流向的标识5.2.1工业管道物质的流向用箭头表示,如果管道物质的流向是双向的,则以双向箭头表示。
国家工业管道标识规范及颜色LG GROUP system office room 【LGA16H-LGYY-LGUA8Q8-LGA162】国家工业管道标识规范及颜色1.目的为了便于工业管道内的物质识别,确保安全生产,避免在操作上、设备检修上发生误判断等情况,结合公司的实际情况制定本规范。
2.适用范围本规范规定了工业管道的基本识别色、识别符号和安全标识。
本规范适用于工业生产中非地下埋没的气体和液体的输送管道。
3.定义本标准采用下列定义识别色:用以识别工业管道内物质种类的颜色。
识别符号:用以识别工业管道内的物质名称和状态的记号。
危险标识:表示工业管道内的物质为危险化学品。
消防标识:表示工业管道内的物质专用于灭火。
4.基本识别色根据管道内物质的一般性能,分为八类,并相应规定了八种基本识别色和相应的颜色标准编号见下表。
物质种类基本识别色颜色标准编号色样水艳绿 G03 见电子版本水蒸气大红 R03空气淡灰 B03气体中黄 Y07酸或碱紫 P02可燃液体棕 YR05其他液体黑 -氧淡黄 PB06基本识别色标识方法工业管道的基本识别色标识方法,使用方应从以下五种方法中选择。
a)管道全长上标识;b)在管道上以宽为150mm的色环标识;c)在管道上以长方形的识别色标牌标识;d)在管道上以带箭头的长方形识别色标牌标识;e)在管道上以系挂的识别色标牌标识。
当采用中b)、c)、d)、e)方法时,两个标识之间的最小距离应为10m。
4. 4 中c)、d)、e)的标牌最小尺寸应以能清楚观察识别色来确定。
当管道采用中b),c),d),e)基本识别色标识方法时,其标识的场所应该包括所有管道的起点、终点、交叉点、转弯处、阀门和穿墙孔两侧等的管道上和其他需要标识的部位。
5.识别符号工业管道的识别符号由物质名称、流向和主要工艺参数等组成,其标识应符合下列要求:物质名称的标识a)物质全称。
例如:氮气、硫酸、甲醇。
b)化学分子式。
例如:N2、H2SO4、CH3OH。
工业管道颜色及标识规范
工业管道的颜色和标识是非常重要的,因为它们能够帮助工作人员识别管道的种类和可能存在的危险。
以下是工业管道颜色和标识规范的详细解释:
一、管道颜色规范
1. 蒸汽管道:黑色
2. 空气管道:蓝色
3. 水管道:绿色
4. 气体管道:黄色
5. 血管道:红色
6. 火管道:红色
7. 有害物质管道:紫色
8. 海水管道:蓝绿色
9. 酸、碱管道:橙色
以上这些颜色是基于国际惯例来规定的。
这些颜色的选择是出于安全和方便识别的考虑,以便工作人员能够快速识别管道的内容并采取相应的措施。
二、管道标识规范
1。
工业管道颜色及标识规范1.目的为了便于工业管道内的物质识别,确保安全生产,避免在操作上、设备检修上发生误判断等情况,结合公司的实际情况制定本规范。
2.适用范围本规范规定了工业管道的基本识别色、识别符号和安全标识。
本规范适用于工业生产中非地下埋没的气体和液体的输送管道。
3.定义本标准采用下列定义3.1识别色:用以识别工业管道内物质种类的颜色。
3.2识别符号:用以识别工业管道内的物质名称和状态的记号。
3.3危险标识:表示工业管道内的物质为危险化学品。
3.4消防标识:表示工业管道内的物质专用于灭火。
4.基本识别色4.1根据管道内物质的一般性能,分为八类,并相应规定了八种基本识别色和相应的颜色标准编号见下表。
4.2基本识别色标识方法工业管道的基本识别色标识方法,使用方应从以下五种方法中选择。
a)管道全长上标识;b)在管道上以宽为150mm的色环标识;c)在管道上以长方形的识别色标牌标识;d)在管道上以带箭头的长方形识别色标牌标识;e)在管道上以系挂的识别色标牌标识。
4.3 当采用4.2中b)、c)、d)、e)方法时,两个标识之间的最小距离应为10m。
4.4 4.2中c)、d)、e)的标牌最小尺寸应以能清楚观察识别色来确定。
4.5当管道采用4.2中b),c),d),e)基本识别色标识方法时,其标识的场所应该包括所有管道的起点、终点、交叉点、转弯处、阀门和穿墙孔两侧等的管道上和其他需要标识的部位。
5.识别符号工业管道的识别符号由物质名称、流向和主要工艺参数等组成,其标识应符合下列要求:5.1 物质名称的标识a)物质全称。
例如:氮气、硫酸、甲醇。
b)化学分子式。
例如:N2、H2SO4、CH3OH。
5.2 物质流向的标识5.2.1工业管道内物质的流向用箭头表示,如果管道内物质的流向是双向的,则以双向箭头表示。
5.2.2当基本识别色的标识方法采用4.2中d)和e)时,则标牌的指向就作为表示管道内的物质流向,如果管道内物质流向是双向的,则标牌指向应做成双向的。
1.目的
为了便于工业管道内的物质识别,确保安全生产,避免在操作上、设备检修上发生误判断等情况,结合公司的实际情况制定本规范。
2.适用范围
本规范规定了工业管道的基本识别色、识别符号和安全标识。
本规范适用于工业生产中非地下埋没的气体和液体的输送管道。
3.定义
本标准采用下列定义
3.1识别色:用以识别工业管道内物质种类的颜色。
3.2识别符号:用以识别工业管道内的物质名称和状态的记号。
3.3危险标识:表示工业管道内的物质为危险化学品。
3.4消防标识:表示工业管道内的物质专用于灭火。
4.基本识别色
4.1根据管道内物质的一般性能,分为八类,并相应规定了八种基本识别色和相应的颜色标准下表。
4.2基本识别色标识方法
工业管道的基本识别色标识方法,使用方应从以下五种方法中选择。
a)管道全长上标识;
b)在管道上以宽为150mm的色环标识;
c)在管道上以长方形的识别色标牌标识;
d)在管道上以带箭头的长方形识别色标牌标识;
e)在管道上以系挂的识别色标牌标识。
4.3 当采用4.2中b)、c)、d)、e)方法时,两个标识之间的最小距离应为10m。
4.4 4.2中c)、d)、e)的标牌最小尺寸应以能清楚观察识别色来确定。
4.5当管道采用4.2中b),c),d),e)基本识别色标识方法时,其标识的场所应该包括所有管道的起点、终点、交叉点、转弯处、阀门和穿墙孔两侧等的管道上和其他需要标识的部位。
5.识别符号
工业管道的识别符号由物质名称、流向和主要工艺参数等组成,其标识应符合下列要求:
5.1 物质名称的标识
a)物质全称。
例如:氮气、硫酸、甲醇。
b)化学分子式。
例如:N
2、H
2
SO
4
、CH
3
OH。
5.2 物质流向的标识
5.2.1工业管道内物质的流向用箭头表示,如果管道内物质的流向是双向的,则以双向箭头表示。
5.2.2当基本识别色的标识方法采用4.2中d)和e)时,则标牌的指向就作为表示管道内的物质流向,如果管道内物质流向是双向的,则标牌指向应做成双向的。
5.3 物质的压力、温度、流速等主要工艺参数的标识,使用方可按需自行确定采用。
5.4 5.1和5.3中的字母、数字的最小字体,以及5.2中箭头的最小外形尺寸,应以能清楚观察识别符号来确定。
6.安全标识
6.1危险标识
a)适用范围:管道内的物质,凡属于GB13690所列的危险化学品,其管道应设置危险标识。
b)表示方法:在管道上涂150mm宽黄色,在黄色两侧各涂25mm宽黑色的色环或色带,安全色范围应符合GB2893的规定。
c)表示场所:基本识别色的标识上或附近。
6.2消防标识
工业生产中设置的消防专用管道应遵守GB13495的规定,并在管道上标识“消防专用”识别符号。
标识部位、最小字体应分别符合4.5、5.4的规定。
7.工业管道涂颜色和注字规定表
工业管道涂颜色和注字规定表
7.1对于采暖装置一律涂刷银漆,不注字。
7.2通风管道(塑料管除外)一律涂灰色。
7.3对于不锈钢管、有色金属管、玻璃管、塑料管以及保温外用铅皮薄护罩时,均不涂色。
7.4对于室外地沟的管道不涂色,但在阴井内接头处应按介质进行涂色。
7.5对于保温涂沥青的防腐管道,均不涂色。