下穿铁路穿隧道工程施工组织设计
- 格式:doc
- 大小:679.50 KB
- 文档页数:150
下穿隧道工程方案一、工程概况下穿隧道工程是一种常见的工程形式,它通常是为了实现地下通道的连通性。
在实施下穿隧道工程时,需要对工程地质条件、环境条件、交通条件等多种因素进行综合考虑,以确保工程的安全和有效性。
在进行下穿隧道工程方案设计时,需要充分考虑到以下因素:1、地质条件地质条件是影响下穿隧道工程施工的重要因素之一。
不同地质条件需要采取不同的施工措施。
如果地下是岩层,需要采用爆破和钻孔法进行施工;如果是土壤或软土地层,需要考虑到地下水情况、地下土壤的稳定性等因素。
2、水文地质条件水文地质条件是下穿隧道工程设计和施工的另一个重要因素。
地下水的情况会直接影响到隧道的设计和施工。
如果地下水位较高,需要采取防渗措施;如果地下水位较低,需要考虑到排水设施的设计。
3、交通条件下穿隧道工程通常需要考虑到交通条件。
例如,在穿越铁路或高速公路时,需要考虑到施工对交通的影响,并采取有效的交通管理措施。
4、环境条件环境条件包括周围的建筑物、自然生态等情况,需要进行综合考虑。
在进行下穿隧道工程施工时,需要采取措施减少对周围环境的影响。
二、工程方案设计在进行下穿隧道工程方案设计时,需要充分考虑到以上因素,并进行综合研究和设计。
一般来说,下穿隧道工程的设计流程包括以下几个步骤:1、地质勘察和分析地质勘察是下穿隧道工程设计的第一步。
通过地质勘察,可以了解到地层的情况、地下水位情况、地下土壤的稳定性等情况,为后续的设计提供数据支持。
2、隧道设计在进行隧道设计时,需要考虑到地质条件、水文地质条件、交通条件等多种因素。
根据地质条件的不同,需要采用不同的隧道设计方案,如:采用岩层时,需要进行爆破和施工,采用土层时,需要考虑到地下水位和土层的稳定性。
3、安全和环保设计在设计隧道时,需要充分考虑到隧道的安全和环保性。
需要采取措施,确保隧道的施工和使用的安全性和环保性,并减少对周围环境的影响。
4、交通设计在进行隧道设计时,需要充分考虑到交通条件。
下穿铁路穿隧道工程施工组织设计1.项目概述本工程位于x省y市,是一条新建的铁路隧道工程,隧道全长为z米,隧道类型为单线双洞,采用常规掘进方法进行施工。
2.施工组织设计原则2.1安全原则:确保施工过程中的人员和设备的安全。
2.2质量原则:保证施工质量,满足设计要求。
2.3进度原则:合理安排施工过程,确保工期的完成。
2.4经济原则:优化施工方案,降低施工成本。
3.施工准备阶段3.1设立项目组织机构:成立项目组织机构,确定各个部门的职责和任务。
3.2确定施工人员:根据工程规模和要求,确定施工人员的数量和专业。
3.3采购设备和材料:根据施工进度计划,采购所需的设备和材料。
3.4编制详细施工方案:根据工程图纸,编制详细的施工方案,明确施工工序和施工方法。
3.5安全措施:制定安全管理方案,确保施工过程中的安全措施得以执行。
4.施工方法选择4.1隧道掘进方法:根据地质勘察结果和隧道设计要求,确定采用钻爆法进行隧道掘进。
4.2安全措施:采取必要的安全措施,如安装通风系统、照明设备和防尘设备。
4.3排水系统:建立排水系统,确保施工现场的排水畅通。
4.4施工设备:选择合适的施工设备,如钻机、爆破器材等。
5.施工工序安排5.1隧道进口准备工作:清理工地,确保进口处的安全和畅通。
5.2预处理工作:进行预处理工作,如爆破,以便后续掘进。
5.3钻掘爆破工作:使用钻机进行钻掘作业,然后进行爆破,取出岩层。
5.4清理工作:清理岩层残留物,确保隧道的平整度和截面尺寸。
5.5防护工作:进行防水、防火等工程防护措施。
5.6通风系统安装:安装通风系统,确保施工过程中的通风畅通。
6.质量控制措施6.1施工过程监控:设立专门的施工监控组,对施工过程进行监控和记录。
6.2施工质量检查:定期进行施工质量检查,确保施工质量符合设计要求。
6.3施工记录和档案管理:及时记录施工过程和施工数据,建立完善的档案管理制度。
6.4质量培训:对施工人员进行培训,提高其施工质量意识和技术水平。
下穿既有铁路路基施工方案1. 简介本文档将详细介绍下穿既有铁路路基施工方案的相关内容。
下穿既有铁路路基施工是指在已建的铁路路基下方进行工程施工,以满足新的需求和项目要求。
由于下穿施工不得影响现有铁路正常运营,所以方案设计和施工过程需经过详细的规划和专业的技术支持。
2. 方案设计下穿既有铁路路基的方案设计是确保施工安全和项目可行性的关键步骤。
以下是方案设计的主要考虑因素:2.1 地质勘察和分析在施工前,需要进行详尽的地质勘察和分析,以确定下穿区域的地质情况和设计施工方案。
该步骤通常包括地质勘察、水文地质调查、地下管线调查等。
2.2 结构设计下穿既有铁路路基需要设计一种稳定的结构,以确保施工过程中的安全。
通常采用的结构设计包括隧道结构和管道结构等。
结构设计还需要考虑地下水位、土质条件以及运营铁路线的荷载情况等因素。
2.3 施工方法选择根据地质情况和结构设计,选择合适的施工方法非常重要。
常用的施工方法包括盾构法、明挖法和水下隧道法等。
施工方法的选择需要考虑地质条件、施工周期和成本等因素。
3. 施工过程下穿既有铁路路基的施工过程通常可以分为以下几个步骤:3.1 准备工作•在施工前,需要对施工现场进行准备工作,包括清理地表、搭建施工场地和安装必要的设施等。
3.2 施工方法选择和准备•根据方案设计中确定的施工方法,准备相应的施工设备和工具,并进行必要的操作培训和安全培训。
3.3 施工过程•根据施工方案进行下穿施工,包括土方开挖、结构施工、支护和封顶等步骤。
3.4 施工质量控制•在施工过程中,需要进行施工质量控制和监测,以确保施工质量符合要求。
这包括对施工材料、施工工艺和结构的检查和测试。
3.5 完工验收•完工后,需要进行验收和整理工程档案,确保施工结果符合设计要求和客户需求。
4. 安全措施下穿既有铁路路基施工过程中需要采取一系列的安全措施,以确保施工的安全性。
以下是一些常见的安全措施:•施工人员需进行必要的安全培训和岗位培训,掌握相关规章制度和施工操作技能。
三线并行隧道盾构法下穿铁路施工工法在城市交通建设中,隧道工程的施工常常需要穿越地下管线、铁路等交通干线。
如何保证隧道施工的安全和顺利进行是一个重要的问题。
本文将着重介绍一种适用于穿铁路施工的工法——三线并行隧道盾构法。
一、三线并行隧道盾构法介绍三线并行隧道盾构法是指将主体轴线与两条辅助轴线交错排列,盾构机同时掘进三条隧道,使得施工效率更高、安全性更高,并且能充分保护地上设施不受破坏。
这种方法在穿越铁路隧道施工中得到了推广,适用于不同类型隧道的建设。
二、三线并行隧道盾构法的优点三线并行隧道盾构法在施工中具有许多优点:1.施工效率高。
三条隧道同时施工,减少了单条施工的时间,大大缩短了施工周期。
2.施工安全性高。
隧道施工过程中,隧道土层可能会坍塌,三线并行隧道盾构法是采用隧道三线并行的方式,能够充分保证施工现场的安全,并且尽可能保护上面的设施不受破坏,降低了施工风险。
3.可适用于不同地质环境。
三线并行隧道盾构法采用多点作业的方法,能够适应不同地质条件,施工较为灵活。
4.对隧道质量的保证更高。
由于三条隧道同时施工,施工进度相对较快,对工程周期要求较高。
三、三线并行隧道盾构法穿越铁路施工注意事项三线并行隧道盾构法在穿越铁路进行施工时,应当注意以下事项:1.在穿越铁路线的隧道施工过程中,需要了解铁路列车运行时间、列车双向行驶时间、列车停车时间等信息,并按照相关要求进行安排和施工。
2.施工现场设立警戒线和警示标志,确保工人安全,减少交通事故的发生。
3.在施工现场设立专人负责安全监控工作,确保施工的安全性。
4.充分考虑施工后对铁路基础设施的影响,确保施工后设施的完整性和正常功能。
四、三线并行隧道盾构法是一种适用于穿越铁路施工的工法,具有施工效率高、安全性高、可适用于不同地质环境、对隧道质量的保证更高等优点,同时在施工过程中需要做好安全措施,确保施工的安全性和穿越铁路设施的完好性。
下穿铁路涵洞施工组织方案、施工组织方案设计目录1. 编译基础 (3)2. 项目概况 (3)三、施工方案及主要施工技术 (4)一、施工准备 (4)2、施工方案 (4)三、建设组织与建设部署 (14)4、机械材料的准备和劳动力的组织 (16)四、总工期及工期安排 (17)(1)附表 (17)(二)具体施工进度表 (17)(三)工期保障措施 (17)五、质量保证措施 (18)(1)质量目标 (18)(2)质量保证体系 (18)(3)质量保证措施 (19)(4)高性能混凝土的质量控制措施 (23)六、安全生产措施 (23)(一)施工安全目标 (23)(2)施工安全保障体系 (24)(三)施工安全措施 (24)七、文明施工措施 (27)八、成品保护措施 (27)九、环保措施 (28)十、应急预案 (29)(1)目的 (29)(2)使用范围 (29)(3)应急响应原则 (29)(四)风险分析 (29)(5)组织机构 (31)(六)预防与预警 (31)(7)应急响应 (33)(八)应急救援领导小组和专业救援组织的指责...... (35)(9) 高处坠落预防及应急预案...................................................... (36)(十)塌方事故预防与应急预案...................................................... .. (38)(11) 物体撞击事故的预防和应急预案................................................. (39)(十二)起点事故预防与应急预案 (40)(十三)应急响应程序.......................... . (44)(14) 保障措施 (46)(15) 检查与教育............................................………………………………………………………… . 49一、编译依据1 、京石客运专线下xxxxxxxx输水管道保护涵洞工程贯穿南水北调配套工程框箱涵施工图;2.《铁路混凝土结构耐久性设计规范》(TB 1005-2010);3、《铁路技术管理规定》(铁道部令2007年4月1日第29号);4、《营业线建设与安全管理实施细则》,北京铁路局,京铁科(2008)435号;5、《北京铁路局非公路项目管理办法》北京铁路局京铁石(2010)441号;6.《建筑桩基技术规范》(JGJ 94-2008);7.《建筑工地临时用电安全技术规范》(JGJ46-2005);二、项目概况本工程为南水北调配套工程京石客运专线下输水管道保护涵工程(DK201+210.55)的框箱涵(DK201+210.55)。
市政工程下穿隧道工程施工组织设计方案1目录第一章项目管理机构配备 (5)第二章施工组织文字说明 (8)第1节工程概况 (8)1、工程概况 (8)2、工程地质条件 (9)3、主要工程数量 (10)第2节施工组织 (13)1、施工队伍组成及任务划分 (13)2、施工平面布置 (14)3、主要技术力量投入 (14)4、项目管理目标 (15)5、技术准备 (15)6、现场准备 (17)第3节施工方案及主要施工方法 (19)21、总体施工部署 (19)2、总体施工方案 (20)3、各分项工程施工方法、技术措施 (24)第4节重点(关键)和难点工程的施工 (73)1、基坑防护 (73)2、大体积混凝土施工 (76)3、隧道防水 (78)4、施工环境与工期紧的处理措施 (83)第5节施工机械配置 (84)第6节工期目标及保证措施 (94)1、工期目标 (94)2、工程进度计划 (94)3、确保工期措施 (98)第7节确保工程质量、安全的措施 (101)1、质量目标 (101)32、保证工程质量的措施 (101)3、质量保证体系图 (108)4、保证安全的措施 (109)5、季节性施工措施 (119)第8节文明施工、环境保护措施 (120)1、文明施工的措施 (120)2、环境保护的措施 (122)3、廉政建设措施 (126)4第一章项目管理机构配备项目管理机构配备1.1 施工组织机构设置为承建**市** 路下穿隧道工程,拟组建中铁** 局**市** 路南延线与** 大道下穿立交桥项目经理部,项目经理部全权代表公司行使生产指挥、协调、经营计划等业务。
项目经理部设项目经理一名,总工程师一名。
内设施工技术部、安全质检部、物资设备部、计划财务部、综合办公室和工地实验室。
负责履行合同、指挥生产、按期优质完成合同项目。
经理部下设2 个项目队。
所有施工管理人员从全公司范围内精选抽调组建。
1.2 施工组织机构框图见下图561.3 主要技术力量投入表7第二章施工组织文字说明第1节工程概况1、工程概况本项目位于** 路与** 大道交叉上,** 桥西侧,距** 路三环路立交桥1 公里左右,为城市南北向交通大动脉,下穿立交桥隧道按照双向四车道设计,隧道框架长度70m,引道船槽长度388.84m,污水主管设8计充满度0.7,雨水主管充满度1.0,红星路道路红线宽度40m,立交桥范围内红线局部加宽,隧道主体设计荷载:城-A 级;隧道路面横坡:1.5%;地震烈度7 度设防;设计车速:隧道内60km/h,排水体制采用污雨水分流体制,隧道纵断面采用“V”字坡,最大纵坡4.9%,最小竖曲线半径1800m,顶板平均覆土深度1.6m,框架全部采用C30 砼,抗渗等级S8,双箱整体框架,框架全高7.27m,内部净高5.0m。
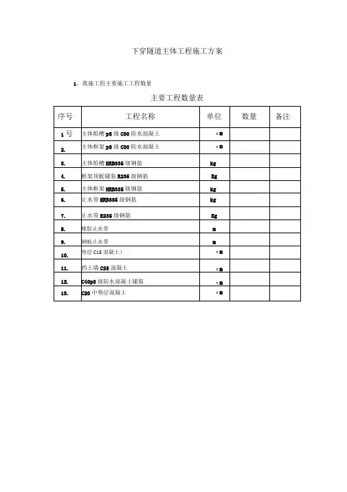
下穿隧道主体工程施工方案1、我施工组主要施工工程数量主要工程数量表现场技术主管机料主管安全质检主管木工班长2、施工组机构设置为承接下穿隧道工程施工,拟组建下穿隧道工程施工组,由公司项目经理部统一指挥、协调。
施工组机构框见下图3.施工队伍组成及任务划分根据本标段工程特点,工程量及工期要求,拟投入各类劳动力108人。
施工队由钢筋、木工、混凝土班组组成,各班组由施工队统一调度,统一协调,并按计划有序的组织施工。
1机械设备准备根据施工组织设计和进度计划的要求,编制施工机械设备需用量计划及进退场计划,并按施工机械设备需用量计划表的要求分批进场,机械设备选择应满足工程需要。
2物资材料准备根据施工预算的材料分析和施工进度计划,编制原材料使用计划,建各单位工程和分单位工程材料供应卡,并组织物资材料的采购工作,同时及时组织前期周转材料进场,以确保工程施工的顺利进行。
本标段工程特点、重点、难点及相关措施1工程特点1.1工期要求紧,未知因素多根据施工要求,本标段隧道主体工程于2012年2月1 0日开工,2012 年6 月30日主体浇筑完成,由于存在工程防水、基坑变形失稳和交通干扰等不利因素对工期产生不利的影响,因此作好组织与协调工作,加强预控和工期的计划管理就显得尤为重要。
2 工程重点及根据工程特点、重点、难点应采用的相应措施2.1 工程防水隧道工程防水涉及到隧道主体结构,必须做到不渗不漏。
根据业主、设计防水要求,以砼结构自防水为根本,以施工缝、变形缝防水为重点,辅以局部地段侧墙、顶部附加防水层、底部防水层加强防水的多道防线,综合预防。
根据以往的防水处理经验,还应对特殊部位进行处理,确保隧道不渗不漏,为此拟采取以下措施。
1、加强混凝土的养护,砼浇注完成后,应加以覆盖,8 小时后揭开并蓄水养护;保持砼表面具有足够的温度状态,养护时间不小于24 昼夜。
2、在已浇注完的砼强度达到5Mpa 以后,才准在其上来往人员和安装模板。
下穿既有线隧道施工工艺工法QB/ZTYJGYGF-SD-0512-20XX1 前言1.1 概况随着我国三维立体式铁路网的快速发展,隧道上跨、下穿既有铁路越来越常见,受地形地貌影响,在既有线下修建浅埋铁路隧道在所难免,由中铁一局集团第五工程有限公司施工的白果湾隧道下穿既有达成铁路,最小埋深只有2.5m,采用控制爆破结合地面D便梁施工顺利的通过了浅埋下穿段,取得了成功。
1.2 工艺原理1.2.1 在隧道开挖轮廓线以外既有线上设置8根桩基础,在桩基础上架设D型便梁形成框架结构,承担既有线运营荷载。
1.2.2 洞内拱部先施工φ108超前大管棚并进行注浆对下穿段拱部围岩进行加固。
1.2.3 通过控制爆破及上断面掏槽法减少对拱部围岩的扰动,确保既有线列车运营安全。
2 工艺工法特点2.1 通过D便梁将列车荷载进行转移,无需在洞内施工时对拱顶采取临时加固措施,克服了单线隧道洞内空间狭小临时支护困难的问题,为快速穿过既有线浅埋地段创造了条件。
2.2 下穿浅埋段采用超前大管棚并进行注浆,对拱部松散围岩进行了加固,确保因爆破及列车通过扰动影响施工安全。
2.3 采用控制爆破及上半断面掏槽减少对围岩的扰动,确保隧道施工及既有线行车安全。
2.4施工中以既有线运营安全为第一,施工服从运营,随时监测D型便梁基础沉降及D型便梁的位移情况,确保既有线行车安全。
3 适用范围本工法适用于新建铁路、公路隧道下穿既有线浅埋施工。
4 主要引用标准《中华人民共和国安全生产法》《铁路运输安全保护条例》《铁路隧道工程施工安全技术规程》(TB10304)《铁路隧道工程施工质量验收标准》(TB10417)《铁路隧道工程施工技术指南》(TZ204)《铁路营业线施工安全管理办法》铁办【2008】190号《成都铁路局营业线施工及安全管理实施细则》成铁运【2008】780号5 施工方法在隧道内轮廓外对应的既有线上施工8根D型便梁孔桩,孔桩深入至隧道仰拱底以下1m,在8根桩上架设2幅24米D型便梁,利用D便梁形成的简支梁结构支承既有线钢轨及火车荷载,在D便梁的支护下,隧道下穿既有线段设6m 管棚工作室,采用C6管棚钻机一次打设34根54米φ108超前大管棚(环向间距30cm),并注浆对下穿段拱部进行支护,在地面D便梁结合洞内超前大管棚的支护下采用控制爆破施工隧道下穿段,采用微台阶加临时仰拱法开挖,台阶长度3~5m,每循环施工1拼拱架0.5m。
漫谈暗挖隧道下穿既有铁路施工技术一、工程概述1.1、工程概况本段区间隧道下穿广深、京九等既有铁路线,下穿厂房、居民建筑及道路,隧道右线全长2419.82m,左线全长2441.163m。
该范围内设置DK45+176施工竖井DK45+805施工竖井。
本区间线路单一,为单线单洞隧道,轨面以上净空均采用8m,净空横断面面积为42.5m2。
线路平面曲线半径800m,区间左右线间距为15.3~20.24m。
隧道最大线路纵坡为30.0‰,最小纵坡为2.0‰,竖曲线半径10000m,隧道埋深7.6~51.1m。
设计时速160Km/h。
本段隧道采用浅埋暗挖法及喷锚构筑法施工。
1.2、地质情况本段场地地质构造简单,上覆第四系人工堆积层(Q4ml)、第四系全新统冲积层(Q4al)、下伏基岩为前震旦系(Pz1)混合片麻岩。
沿线地下水主要为第四系地层中的孔隙水和基岩裂隙水。
第四系孔隙水,主要赋存于第四系地层中,地下水位埋深0.0~6.5m,高程0.0~19.42m,其补给方式主要由大气降水补给,排泄以大气蒸发为主。
基岩裂隙水,主要赋存基岩的裂隙中,水量不大,一般略具承压性,埋深变化较大。
1.3、下穿既有铁路施工方法简述矿山法隧道下穿既有铁路段,隧道主要穿越弱风化混合片麻岩。
根据隧道断面形式、埋深及所处地质条件,本段隧道采用矿山法施工,断面形式为单线单洞马蹄形断面,结构采用复合式衬砌。
在Ⅲ级围岩段采用台阶法加临时仰拱施工并结合洞内注浆止水辅助措施;在Ⅴ、Ⅵ级围岩段采用CD工法开挖,洞内上半断面注浆,并打设超前大管棚。
二、主要技术措施2.1、总体技术措施1)穿越前,采用地质雷达对穿越地段地下做详尽地下勘探,彻底摸清地下障碍物情况,排除意外因素。
2)隧道开挖前进行洞内止水注浆,施工中应坚决杜绝水土的大量流失,遇有险情应马上停止开挖,及时补强结构、加固地层。
3)隧道下穿既有铁路线前,采用吊轨及纵横工字钢梁加固法对既有铁路进行线路加固。
隧道下穿铁路段实施性施工组织设计目录1编制说明 (3)1.1编制依据 (3)1.2编制范围 (3)1.3编制原则 (3)2工程概况 (4)2.1地形地貌及工程概况 (4)2.2工程地质概况 (4)2.3南同蒲铁路概况 (4)2.4地震烈度及气象资料 (6)2.5水文地址 (6)2.6建筑材料 (6)2.7主要工程数量 (6)2.8主要技术指标 (6)3工程总体管理目标 (6)3.1工期目标 (7)3.2质量目标 (7)3.3安全目标 (7)3.4环保目标 (7)4施工组织布置及规划 (7)4.1组织机构 (7)4.2队伍配置 (8)4.3施工机械设备及检测、测试仪器设备配置 (8) 4.4大临设施布置 (12)4.5主要材料供应计划 (14)4.6隧道施工工期安排 (15)5总体施工方案 (15)6重点部位施工方法、施工工艺 (16)6.1管幕施工 (16)6.2营业线加固 (21)6.3开挖、支护、衬砌施工 (23)7监控量测 (26)7.1洞内监控量测 (26)7.2地表下沉量测 (27)8安全保证措施 (30)8.1铁路既有线营业安全保证措施 (30)8.2隧道施工安全保障措施 (33)8.3应急预案 (33)9防洪保证措施 (35)9.1防洪工作的总体要求和目标 (35)9.2项目部成立防洪抢险小组 (35)9.3防洪措施 (36)10质量保证措施 (36)10.1组织保证 (36)10.2思想保证 (36)10.3制度保证 (36)10.4经济保证 (38)10.5技术保证 (38)11文明施工、文物保护目标及措施 (40)11.1文明施工、文物保护目标 (40)11.2文明施工保证体系 (41)11.3文明施工、文物保护措施 (41)11.4劳动卫生保障措施 (44)高桥隧道下穿南同蒲铁路段实施性施工组织设计1编制说明1.1编制依据1.1.1新建铁路郑州至西安客运专线ZXZQ05标段工程实施性施工组织设计。
隧道下穿既有铁路施工工艺摘要:本文重点介绍了新建成昆铁路三峨山暗挖隧道下穿既有铁路的技术控制,通过对其相关技术的研究,希望可以在以后的隧道施工当中能够对既有铁路的防护以及避免引起有关的损失以及施工人员安全事故上提供一定的借鉴。
关键词:隧道下穿;既有铁路;施工工艺1.工程概况新建成昆铁路扩能工程峨眉至米易段EMZQ-2标三峨山隧道位于沙湾南站至范店子车站区间,起迄里程为DK178+055-DK188+407,隧道全长10352米,双线隧道。
隧道正洞断面12.7m*11.1m,平导断面5m*6m。
正洞进入既有线施工范围正洞(DK178+345~DK178+375)开挖采用双侧壁导坑法机械开挖,平导(JPDK178+354~JPDK178+384)采用两台阶机械开挖。
为确保既有成昆线运营安全,隧道施工前,需对正洞及平导下穿成昆线(沙湾至轸溪区间里程范围(K180+950~K181+150)分别采用D24型丁式(l=24.12m)便梁、D16型A式(l=16.08m)便梁加固。
D便梁基础采用8根2×1.5m方形挖孔桩,桩长29m。
经调查,该加固段既有线为圆曲线段,曲线半径为400m,加固前需对线路进行应力放散。
隧道在进入既有线施工范围(K180+950~K181+150)进行施工时,对既有成昆铁路正线与本线相交前后各150m段进行限速,行车速度不超过45km/h,并在既有成昆线路基上布点监测,确保行车和隧道施工安全。
2.施工内容、等级及施工条件2.1施工内容硬隔离安装及拆除,施工场地平整,无缝线路应力放散及锁定,18、19#接触网加固,D便梁支墩人工挖孔施工,D便梁安装及拆除,成昆线路基沉降观测进行隧道洞内下穿段开挖支护及衬砌工程施工等。
2.2施工等级营业线施工Ⅲ级主要内容包括:无缝线路应力放散及锁定、D便梁安装及拆除。
邻近营业线C类监管施工主要内容包括:硬隔离安装及拆除,D便梁支墩人工挖孔施工,18、19#接触网加固,成昆线路基沉降观测隧道洞内下穿段开挖支护及衬砌施工。
目录一、施工组织设计 (1)第一章编制说明 (2)第二章工程概况 (4)第三章施工方案 (8)第四章主要工程项目施工方法 (13)第五章现场管理 (67)第六章施工进度控制 (69)第七章质量保证措施 (69)第八章安全保证措施 (76)第九章文明施工、环境保护保证措施 (79)第十章冬、雨、夜施工保证措施 (84)第十一章地下管线及其它地上地下设施的保护、加固措施 (86)第十二章施工组织设计附表及附图 (87)二、项目管理机构配备情况 (94)1、项目管理机构配备情况表 (95)2、项目经理简历表 (96)3、项目技术负责人简历表 (100)4、项目管理机构配备情况辅助说明资料 (103)一、施工组织设计1、施工组织设计2、施工组织设计附表(1)计划开、竣工日期和施工进度计划表(2)拟投入的主要施工机械设备表(3)施工总平面图(4)劳动力计划表(5)临时用地表第一章编制说明我公司在编制“经开区2号公路雨、污水管下穿昆河铁路工程”施工组织设计时,严格施工合同和设计文件的要求进行。
编制施工方案时,除采取先进合理的工程进度安排和严格的质量管理措施外,还将十分注意环境保护。
实施性施工组织设计编制依据、范围及原则如下。
1.1 编制依据●经开区2号公路雨、污水管下穿昆河铁路工程施工合同;●昆明铁路局勘测设计院:“施工设计图”;●中华人民共和国建设部、铁道部颁发的技术规范及其它建筑行业已颁布的最新版本的设计、施工、验收标准及规范;●赴工程现场及其周围进行考察所得资料;●本公司的管理水平、技术力量、装备及施工经验。
1.2 编制范围本施工组织设计编制范围,为“经开区2号公路雨、污水管下穿昆河铁路工程施工图”所列项目的施工及完成,以及施工合同与缺陷修复过程中的所需各种临时性工程。
1.3 编制原则●贯彻执行“经开区2号公路雨、污水管下穿昆河铁路工程施工图”指定的技术规范及建设部、铁道部和其它建筑行业颁布的各项技术标准、技术规范;●实施项目法施工管理;●科学合理地安排施工程序,在保证质量的基础上,保证重点,统筹安排,确保合同工期的严肃性。
区间下穿铁路桥专项施工方案一、工程概况1。
1工程概述区间线路起止里程分别为右(左)DK12+476.177和右(左)DK13+318.200,左线长:845.997m(其中长链3.974m),拼装管片564环;右线长841.831m(其中短链0。
192m),拼装管片561环,共计拼装管片1125环.区间采用盾构法施工.铁路路基顶宽度约为15.5m,路基高度为4。
5m,双线铁路,风险等级为Ⅰ级,下穿京广铁路里程为左线DK13+105~DK13+129,长度约为24m;右DK13+097~DK13+123,长度约为25m,左、右线区间隧道埋深大约为14.3m。
隧道与铁路夹角约为71°,隧道拱顶为粉细砂层。
区间线间距15m。
区间隧道与京广线铁路的平面位置关系图京广线现状照片1.2工程地质及水文情况盾构主要穿越地层上部为(3-5)粉质粘土夹砂,下部(4-1)粉细砂、(4—2)粉细砂。
铁路路基范围内地质情况见下图。
隧道与京广铁路路基相对位置关系图本区间孔隙水含水层主要为粉细砂层,与长江、汉江水位存在水力联系。
有较好的互补关系,水量丰富。
长江、汉江水位受洪水季节影响年变幅可达10~20m,除枯水期水位低于+10m,一年中多数时段高于+10m,而汉口砂质含水层顶面埋深一般在+10~+14m以下,由于江水高水位压力传导而具有承压性,承压水头距离汉江越远相对稳定。
承压水测压水位标高一般在18。
5~20.0米,年变幅3~4米.二、下穿铁路桥设计保护措施及沉降控制参数值2。
1下穿铁路桥设计保护措施铁路桥盾构下穿施工风险等级为Ⅰ级,针对铁路桥现状,经过模拟分析,主要采取以下保护措施加固土体,确保下穿安全.(1)路基加固路基上埋设袖阀管进行注浆,加固基底土层。
加固宽度为隧道外4m,加固深度处隧道结构范围内加固至隧道结构顶外,其余范围加固深度至隧道结构底板以下1m.袖阀管注浆质量要求如下:注浆加固剖面图1)水泥采用42.5MPa及普通硅酸盐水泥;2)浆液扩散半径不小于0。
山西省中部引黄工程施工07标工程SXSZBYHGC-JZ-TJ-024(2012)14#施工支洞控制主洞段上游穿天古崖隧道专项施工方案中国水利水电第九工程局有限公司 2016年01月06日目录1。
方案编制说明 02. 施工项目及负责人 03. 作业内容、地点和时间 04。
施工影响及限速范围 05。
设备变化 (1)6. 施工方式及流程 (1)6.1 概述 (1)6.1.1 工程概况 (1)6。
1。
2 交叉段布置 (1)6。
1.2.1 平面布置 (1)6。
1.2.2 竖向布置 (1)6.1.3 水文资料 (3)6。
1.4 交叉段地质资料 (4)6.1.4.1 截止目前已开挖洞段的地质情况 (4)6.1.4。
2 设计地质资料 (4)6。
1。
4。
3 已开挖洞段地质与设计地质资料对比情况 (6)6。
2 编制依据 (6)6。
3 工程量 (7)6。
4 交叉段断面设计 (8)6。
4.1 3#隧洞断面设计 (8)6。
4.1.1 开挖方式 (8)6.4。
1。
2 支护方式 (8)6。
4。
1。
3 衬砌方式 (8)6。
4.2 天古崖隧道断面设计 (9)6.5 开挖支护技术措施 (9)6。
5.1 静态破碎参数设计 (9)6.5。
2 施工工艺流程 (10)6。
5。
3 施工工艺说明 (10)6。
5。
3.1 施工准备 (10)6。
5。
3.2 测量放线 (11)6.5.3.3 钻孔 (11)6.5。
3。
4 破碎剂施工(以下部分参数由厂家提供) (11)6。
5.3。
5 破碎剂膨胀开裂 (13)6.5。
3。
6 液压锤和凿岩机破碎 (13)6.5。
3.7 出渣、清底 (13)6。
5.3。
8 锚杆施工 (13)6.5.3.9 钢拱架施工 (15)6.5.3.10 挂网施工 (15)6.5.3。
11 喷射混凝土施工 (16)6.5。
3。
12 注浆导管施工 (17)6。
6 施工排水 (18)6。
7 施工监测 (19)6。
8 底板垫层浇筑技术措施 (19)6.8。
K4+205~K4+650下穿隧道施工组织设计编制人:审核人:审批人:编制单位:中铁XX编制时间:二○XX年十一月目录一.编制依据 (1)二.工程概况 (1)三.工程地质条件 (1)四.主要技术指标 (5)五.设计概要 (5)六.结构设计 (10)七.隧道防水 (11)八.应使用施工与质量验收规范 (17)九.主要工程数量 (18)十.施工组织 (20)十一.现场准备 (23)十二.本段工程特点、重点、难点及相关措施 (23)十三.施工方案 (28)十四.施工机械配备 (53)十五.工程进度计划 (57)十六. 确保工程质量、安全的措施 (57)十七.文明施工、环境保护措施 (74)一.编制依据1、《工程施工合同》2、道路带状地形图3、路网规划图(电子版)4、道路沿线各相关单位、部门所提出的书面意见和建议。
5、《排水规划》;6、施工图纸及招投标文件。
二.工程概况XX路南延线是天府新区“三纵一横”项目之一。
世纪城路节点隧道位于XX路南延线与世纪城路节点,近新会展中心。
下穿隧道共445m,其中框架段为110m,船槽段180m,其余为挡墙段,并在进城方向设置一条绕城高速专用进站匝道。
三.工程地质条件3.1. 气象水文根据成都气象台观测资料表明,成都地区属亚热带湿润气候区,四季分明,气候温和,雨量充沛,夏无酷暑,冬少冰雪。
年平均降水量964.2mm 最高年(1937年)达1820.7mm,最低年(1969年)为603.3 mm。
丰水期为6~9月份,降水量占全年降水量74%,枯水期1~3月份,其余为平水期。
丰、枯水期地下水水位年变化幅度为1.50~2.50m,蒸发量多年年平均为子阱异质结激光器1020.5mm,相对湿度多年年平均为82%。
多年年平均气温16.4℃,极端最高气温37.3℃,极端最低气温-5.9℃。
多年年平均风速为1.35m/s,最大风速14.8m/s,极大风速为27.4m/s(1961年6月2日),最多风向为北及北东风向,多年年平均风压力为140Pa,最大风压力为250Pa。
(万石路下穿铁路隧道工程)工程实施性施工组织设计编制:复核:审批:集团有限公司二零一二年七月目录第一章编制总说明 (4)第一节.编制依据及说明 (4)第二节.项目管理主要目标 (8)第二章.工程概况及施工特点 (9)第一节.工程概况 (9)第二节. 施工特点 (12)第三章.项目管理机构配备 (13)第四章.施工进度及劳动力安排计划 (24)第一节.进度计划 (24)第二节.工程进度控制管理方法 (26)第三节.劳动力安排计划 (27)第五章.施工总平面布置 (29)第六章.主要施工方案 (31)第一节.施工准备 (31)第二节测量工程 (32)第三节.降水井施工 (34)第四节.铁路便线工程 (36)第五节.隧道主体工程 (41)第六节.铁路框架涵 (58)第七节.道路工程 (65)第八节.排水工程 (77)第九节.电力浅沟工程 (84)第十节.路灯工程 (86)第十一节.交安工程 (88)第十二节.绿化工程 (91)第七章.质量控制及保证措施 (101)第一节.质量保证体系 (101)第二节.工程施工质量管理措施 (105)第三节.结构工程质量保证措施 (107)第八章.工期保证措施 (111)第九章.安全文明施工措施 (116)第一节.安全管理机构和管理制度 (116)第二节.安全防护措施 (118)第三节.文明施工管理制度 (120)第四节.环境管理措施 (122)第十章.材料供应计划 (123)第十一章.环境保护措施 (125)第一节.环境因素及管理方案 (125)第二节.环境管理体系 (129)第三节.减少大气、水、噪音、光污染的措施 (130)第十二章.噪声污染控制措施 (132)第一节.减少噪音污染 (132)第二节.减少噪音污染的措施 (133)第三节.防止施工扰民措施 (134)第四节.施工扰民应急处理措施 (136)第十三章.地下管线及其他地上地下设施的保护措施 (138)第一节.电信光缆、电力等防护措施 (138)第二节.给排水、煤气管道防护措施 (138)第三节.地上设施、周围建筑物保护措施 (139)第十四章.施工技术措施 (139)第一节.季节性施工措施 (139)第二节.成品保护措施 (142)第三节.工程技术档案资料管理措施 (144)第四节.计量管理措施 (145)附表一:拟投入本工程的主要施工机械设备 (146)附表二:拟配备本标段的试验和检测仪器设备表 (147)附表三:劳动力计划表 (148)附表四:计划开、竣工日期和施工进度横道图 (149)附表五:施工总平面图 (150)第一章编制总说明第一节.编制依据及说明一.工程概况本工程位于成都市xx镇,北至万石路,南达天都大道,全段起点K1+540---终点K2+046.578,全长506.578米,其中万石路下穿铁路隧道设计起点K1+540,设计终点K1+980,共440米,依次下穿宝成铁路、规划货运大道及355石油专用铁路,其中铁路设计施工范围1+605~1+652.6和1+762.95~1+799.67,本次设计除铁路范围外全长355.68米,其中道路框架段范围1+696.45~1+762.95米,长66.5米。
1、气象场地所处成都市为亚热带季风型气候,主导风向为NNE向,常年平均风速为1.2m/s,年平均风压约140Pa,最大风压约250Pa,年平均降雨量为900~1000mm,七、八月份雨量集中,易形成暴雨。
2、地形、地貌拟建隧道段沿线主要居住区和农田等,宝成铁路在隧道里程K0+730至K0+790段斜穿拟建隧道。
该路段所处地貌单元为川西平原岷江水系一级阶地。
3、地层岩性范围内所揭露地层为第四系全新统人工填土层(Q4ml)和第四系全新统冲积层(Q4al)及白垩系上统灌口组(K2g)。
现详述如下:1)、第四系全新统人工填土层(Q4ml)杂填土:色杂;主要为建筑垃圾等混少量粘性土,松散~稍密,大部分路段分布。
素填土:灰色;主要由粘性土含少量植物根系组成,可塑为主,混少量砖瓦碎块等硬杂物;分布连续。
人工填土分布连续,其厚度1.2~4.9m2)、第四系全新统冲积层(Q4al)粉质粘土:灰黄色。
含铁锰质氧化物及其斑痕。
可塑,局部硬塑。
湿。
场地大部分地段分布,厚度0.7~3.1m。
细砂:灰色。
由长石、石英等暗色物质组成。
稍密。
湿。
呈透镜体状及条带状分布于卵石层顶部。
最大厚度约1.5m。
中砂:灰色。
由长石、石英等暗色物质组成。
稍密。
湿。
呈透镜体状分布卵石:灰色、黄灰色。
卵石成分系岩浆岩及变质岩类岩石组成。
多呈圆形~亚圆形。
一般粒径4~8cm。
部分粒径大于15cm,混少量漂石。
充填物为中砂和少量砾石,含量约15~40%。
中等风化为主、个别弱风化。
湿~饱和。
根据卵石土层的密实程度和充填物含量等的差异,可将其划分为松散卵石、稍密卵石、中密卵石和密实卵石四个亚层。
3)、白垩系上统灌口组(K2g)泥岩:紫红色、暗紫红色;泥质结构,块状构造;可见灰白色矿物(石膏)斑点、团块及其条带。
据其风化程度可划分为两个亚层:①强风化泥岩:岩体结构已大部份破坏,构造层理不清晰。
岩芯长度5~15cm,岩体较完整。
②中等风化泥岩:岩体结构基本未破坏。
岩芯长度5~55cm。
岩体基本完整,不易击碎。
该层厚度大,本次勘察未揭穿。
隧道区基岩顶板埋深一般为14.4~19.1m,与第四层地层呈不整合接触。
4、地下水类型及含水层隧道段地下水主要为赋存于第四系砂卵石层中的孔隙潜水,其主要补给来源为大气降水、区域地下水。
砂、卵石层为主要含水层,具较强的渗透性。
孔隙潜水稳定水位埋深 4.6~7.0m,相应标高为499.98~500.70m,根据成都地区工程经验该场地丰水期正常地下水位埋深约3.0~4.0m。
根据成都市区域水文地质资料,孔隙潜水水位年变化幅度为1.50m左右。
本路段砂卵石层的平均渗透系数为K=25米/日左右。
二.编制依据1、《大天路—万石路立交:万石路隧道主体工程施工图设计》。
2、《大天路及万石路下穿铁路立交桥工程施工图设计桥梁工程》。
3、《大天路—万石路立交:万石路下穿隧道泵站工程施工图设计》。
4、《大天路—万石路立交:万石路道路工程施工图设计》。
5、《大天路—万石路立交:万石路排水工程施工图设计》。
6、《大天路—万石路立交:万石路电力通道工程施工图设计》。
7、《大天路-万石路立交:万石路下穿隧道电气工程施工图设计》。
8、《大天路-万石路立交:万石路道路照明工程施工图设计》。
9、施工现场实际调查资料。
10、城镇道路工程施工与质量验收规范(CJJ1-2008),11、给水排水管道工程施工及验收规范(GB50268-2008),12、城市桥梁工程施工与质量验收规范(CJJ2-2008),13、混凝土结构工程施工质量验收规范(GB50204-2011)14、公路工程质量检验评定标准(JTG 80—2012)15.国家和行业颁布的现行有关操作规程、检验标准及施工规范。
16.成都市有关城市建设管理、现场文明施工的规定。
17.我公司制定的质量、安全、文明施工、技术机械等管理制度。
18.我公司执行的有关质量、职业健康、安全、环境、文明施工的作业文件。
三.编制范围编制范围为大天路万石路立交工程(万石路下穿铁路隧道工程):大天路万石路立交工程(万石路下穿铁路隧道工程)起点K1+540---终点K2+046.578,共506.578米,其中含终点处整个平交道口,包含立交隧道主体、铁路框架涵、铁路便线、道路、排水、泵站、电气安装、电力浅沟、路灯、交安、绿化等。
四.与工程质量有关的操作规程、技术标准和验收规范一.施工方针项目部按“质量、安全、工期、文明、效益、服务”六个一流的要求,以高质量的施工管理模式,竭诚为社会和用户提供“高起点、高水平、高质量、高速度”的服务,令业主满意。
二.工程质量目标工程质量达到《工程施工质量验收规范》合格标准。
三.施工总工期目标本工程招标工期为xxx日历天,项目部积极响应业主的工期要求,在施工中采取先进的施工方法和技术管理措施,保证工程在250日历天内交付业主使用。
四.安全管理目标施工现场严格按照建设部颁布的“一标三规范”和省、市有关安全生产的规定组织施工,安全生产做到:杜绝重大火灾事故、杜绝死亡事故、杜绝重大机械事故,争创“成都市安全文明生产工地”要求。
五.环境管理目标1.施工噪声场界达标。
2.施工现场目视无扬尘、道路运输无遗洒。
3.对有毒、有害废物进行有效控制和管理,减少对环境的污染。
4.生产、生活污水排放符合地方标准。
5.节能降耗,减少资源浪费。
六.文明施工目标项目部严格按照成都市关于建设工程文明施工的各项管理规定执行,争创成都市“标准化、文明化、绿色环保”施工要求。
七.工程成本造价控制目标为使在保证工程质量、工期的前提下降低工程造价,项目部严格按照项目法管理组织施工,采取科学的管理方法、先进的施工技术、经济合理的施工工艺和施工方案及有效的组织、管理、协调,加强“过程”、“程序’’和“环节”控制,追求“过程精品”,避免不必要的浪费和返工,尽可能降低工程成本和造价,使业主的投资取得最佳的经济和社会效益。
第二章.工程概况及施工特点第一节.工程概况一.隧道主体工程概况本工程位于成都市xx镇,北至万石路,南达天都大道。
万石路隧道设计起点K1+540,设计终点K1+980,全长440米,依次下穿宝成铁路、规划货运大道及石油运输专用铁路,其中铁路设计施工范围1+605~1+652.6和1+762.95~1+799.67,本次设计除铁路范围外全长355.68米,其中道路框架段范围1+696.45~1+762.95米,长66.5米。
隧道纵断面均采用“M”字坡,隧道出口接道路设置反向坡,以利排水。
万石路机动车道最大纵坡4.4%。
非机动车道纵坡均为2.4%。
隧道框架部分设计结构形式为全断面施工单箱四室整体框架全部采用C30钢筋混凝土现浇结构,混凝土抗渗等级S8。
框架全高8.743m,内部净高6.0m (含0.3m设备空间),箱体侧面两孔净宽5.95m及中间两孔净宽12.25m,外侧墙厚度1.4m,中立墙厚度1.2m(与铁路段一致),顶板厚度1.2m,底板厚度设计为1.2m。
引道部分结构根据不同的埋置深度,设计为重力式挡土墙结构及U 型槽结构类型,并根据受力与最不利地下水位进行抗浮计算对结构进行了优化。
重力式挡土墙采用现浇C20混凝土结构;U型船槽采用两侧带有立式悬臂的C30钢筋混凝土现浇结构,混凝土抗渗等级S8。
在地下水位以上部分节段,布置重力式挡土墙。
在U型槽结构较深,结构自重抗浮不能满足要求的节段,在结构底板设置抗拔桩,抗拔桩为人工挖孔桩。
由于货运大道距宝成铁路及石油运输专用铁路较近,为保持行人行走的便利,三段框架范围之内保持行人行走在地面以下,范围之外行人行走在地面人行道。