1 国家标准、尺寸标注
- 格式:ppt
- 大小:2.75 MB
- 文档页数:45
机械制图标注规范机械制图标注规范是指在机械制图中对各种要素进行正确标注的一套规则和标准。
标注的目的是为了方便读者理解图纸内容,确保设计和制造的准确性。
1. 尺寸标注:尺寸标注是机械制图中最基本也是最重要的标注之一。
标注尺寸时应使用统一的尺寸标准符号和单位,如“R”表示半径,“D”表示直径,“L”表示长度等。
尺寸标注应清晰,字体要求可读性好,并与图形相对应。
尺寸标注应选取有明确特征的关键点,尽量避免使用虚线进行标注。
2. 公差标注:公差是指允许的尺寸偏差范围。
在机械制图中,公差是非常重要的一项标注。
公差标注应在尺寸标注的基础上标出公差阈值,通常使用标准公差表中的符号。
公差标注应清晰明确,以确保制造过程中的准确性和一致性。
3. 连接标注:连接标注是标示各个零件之间连接方式的标注。
它可以提供装配和拆卸过程中必要的信息。
常见的连接标注包括螺纹标注、焊接标注、键槽标注等。
连接标注应清晰明确,采用统一的标准符号和表达方式。
4. 表面质量标注:在机械制图中,表面质量标注是标注工件表面光洁度和粗糙度的一种方法。
表面质量标注通常使用符号和数值来表示。
符号可根据国家标准选择,数值要与国家标准一致。
标注应尽量避免与其他标注相互冲突,以确保正确理解。
5. 材料标注:对于机械制图中的材料,应在图中进行标注。
材料标注通常使用符号和简称,如“SS”表示不锈钢,“Al”表示铝等。
材料标注应与国家标准一致,并在制图中统一使用。
6. 关口标注:关口是指两个或多个零件之间的交界处。
关口标注用于标记关键部件之间的位置和相对位置。
关口标注应清晰明确,字体要求可读性好,并与图形相对应。
标注应选取有明确特征的关键点,尽量避免使用虚线进行标注。
7. 配置项标注:在机械制图中,常常需要标注与零件和装配相关的其他信息,如零件数量、装配说明、设计要求等。
配置项标注应清晰、明确,字体要求可读性好,并与图形相对应。
以上只是机械制图标注规范的一些主要内容,具体的标注规范还需要根据实际情况和国家标准进行确定。
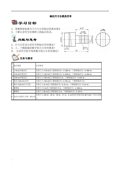
标注尺寸公差及代号
1.掌握国家标准关于尺寸公差标注的基本要求。
2.了解公差代号在图样上的标注形式。
1.尺寸公差及公差代号的标注有何规定?
2.上、下极限偏差数字的大小有何要求?
3.公差代号的字母和数字的大小有何规定?
序
号
标注要素公差要求
1 φ45㎜外圆直径公称尺寸φ45㎜的上极限偏差为-0.025㎜,下极限偏差为-0.050㎜
2 φ20㎜外圆直径公称尺寸φ20㎜的上极限偏差为+0.025㎜,下极限偏差为-0.008㎜
3 φ30㎜外圆直径公称尺寸φ30㎜的上极限偏差为0,下极限偏差为-0.013㎜
4 纵向φ25㎜孔直径公称尺寸φ25㎜的上极限偏差为+0.021㎜,下极限偏差为0
5 纵向φ25㎜孔中心距公称尺寸18㎜的上极限偏差为+0.01㎜,下极限偏差为-0.01㎜
6 键槽宽公称尺寸8㎜的上极限偏差为0,下极限偏差为-0.036㎜
7 键槽深公称尺寸26㎜的上极限偏差为0,下极限偏差为-0.20㎜
8 未注公差的尺寸的一般公差公称尺寸125㎜、30㎜、38㎜、27㎜、6㎜的相应要素均按GB/T1804中的f级加工。
尺寸标注要素尺寸标注要素是机械制图中非常重要的一部分,它能够准确地描述零件的尺寸大小和位置关系,为制造和加工提供了重要的依据。
本文将从尺寸标注要素的定义、种类、标注方法和注意事项等方面进行详细介绍。
尺寸标注要素是指在机械制图中用来标注零件尺寸大小和位置关系的一些符号、线条和文字等要素。
它是机械制图中非常重要的一部分,能够准确地描述零件的尺寸大小和位置关系,为制造和加工提供了重要的依据。
二、尺寸标注要素的种类尺寸标注要素主要包括以下几种:1.尺寸线:用于连接尺寸标注箭头和尺寸界线,表示尺寸的大小和方向。
2.尺寸箭头:用于指示尺寸的起点和终点,箭头的方向表示尺寸的方向。
3.尺寸界线:用于表示尺寸的范围,一般为一条横线,界线的两端与尺寸箭头相连。
4.基准线:用于表示零件的基准面或基准轴线,一般为一条虚线。
5.基准尺寸:用于表示零件的基准尺寸,一般用于确定零件的位置和相对关系。
6.公差:用于表示零件尺寸的允许误差范围,一般用于确定零件的加工精度和质量要求。
三、尺寸标注要素的标注方法尺寸标注要素的标注方法一般遵循以下几个原则:1.尺寸标注应该清晰、准确、简洁、规范,避免歧义和误解。
2.尺寸标注应该尽量采用标准符号和标准尺寸,避免使用非标准符号和尺寸。
3.尺寸标注应该按照零件的形状、结构和功能等特点进行选择和排列,使其具有可读性和美观性。
4.尺寸标注应该遵循国家和行业标准,避免使用过时或不规范的标注方法。
四、尺寸标注要素的注意事项在进行尺寸标注时,需要注意以下几个问题:1.尺寸标注应该遵循国家和行业标准,避免使用过时或不规范的标注方法。
2.尺寸标注应该尽量采用标准符号和标准尺寸,避免使用非标准符号和尺寸。
3.尺寸标注应该清晰、准确、简洁、规范,避免歧义和误解。
4.尺寸标注应该按照零件的形状、结构和功能等特点进行选择和排列,使其具有可读性和美观性。
5.尺寸标注应该注意尺寸的精度和公差范围,避免过度或不足。
6.尺寸标注应该注意尺寸的位置和方向,避免混淆和错误。
形位公差国标标注方法
形位公差是指零件在装配或使用过程中,其形状和位置的允许
偏差范围。
国标标注方法是根据国家标准对零件形位公差进行标注
的方法,主要包括以下几个方面:
1. 基本尺寸标注,基本尺寸是零件上最重要的尺寸,用于确定
零件的形状和尺寸。
国标标注方法中,基本尺寸通常用实线框起来,并在框内标注尺寸数值。
2. 公差标注,公差是指允许的偏差范围,国标标注方法中,公
差一般在基本尺寸旁边用符号“±”表示,下方标注公差数值。
3. 形位公差标注,形位公差是指零件在装配或使用过程中,其
形状和位置的允许偏差范围。
国标标注方法中,形位公差通常用特
定的符号和标记线表示,例如圆形度、平行度、垂直度等。
4. 其他标注,除了基本尺寸、公差和形位公差外,国标标注方
法还包括其他标注,如表面粗糙度、加工方法、材料要求等。
总的来说,国标标注方法通过统一的符号和标记线,清晰地表
达了零件的形位公差要求,使得零件的制造和装配更加规范和标准化。
这样不仅有利于提高零件的质量和可靠性,也方便了生产和检验过程中的沟通和理解。
机械设计中尺寸标注类知识1.轴套类零件这类零件一般有轴、衬套等零件,在视图表达时,只要画出一个基本视图再加上适当的断面图和尺寸标注,就可以把它的主要形状特征以及局部结构表达出来了。
为了便于加工时看图,轴线一般按水平放置进行投影,最好选择轴线为侧垂线的位置。
在标注轴套类零件的尺寸时,常以它的轴线作为径向尺寸基准。
由此注出图中所示的Ф14 、Ф11(见A-A断面)等。
这样就把设计上的要求和加工时的工艺基准(轴类零件在车床上加工时,两端用顶针顶住轴的中心孔)统一起来了。
而长度方向的基准常选用重要的端面、接触面(轴肩)或加工面等。
如图中所示的表面粗糙度为Ra6.3的右轴肩,被选为长度方向的主要尺寸基准,由此注出13、28、1.5和26.5等尺寸;再以右轴端为长度方向的辅助基,从而标注出轴的总长96。
2.盘盖类零件这类零件的基本形状是扁平的盘状,一般有端盖、阀盖、齿轮等零件,它们的主要结构大体上有回转体,通常还带有各种形状的凸缘、均布的圆孔和肋等局部结构。
在视图选择时,一般选择过对称面或回转轴线的剖视图作主视图,同时还需增加适当的其它视图(如左视图、右视图或俯视图)把零件的外形和均布结构表达出来。
如图中所示就增加了一个左视图,以表达带圆角的方形凸缘和四个均布的通孔。
在标注盘盖类零件的尺寸时,通常选用通过轴孔的轴线作为径向尺寸基准,长度方向的主要尺寸基准常选用重要的端面。
3.叉架类零件这类零件一般有拨叉、连杆、支座等零件。
由于它们的加工位置多变,在选择主视图时,主要考虑工作位置和形状特征。
对其它视图的选择,常常需要两个或两个以上的基本视图,并且还要用适当的局部视图、断面图等表达方法来表达零件的局部结构。
踏脚座零件图中所示视图选择表达方案精练、清晰对于表达轴承和肋的宽度来说,右视图是没有必要的,而对于T字形肋,采用剖面比较合适。
在标注叉架类零件的尺寸时,通常选用安装基面或零件的对称面作为尺寸基准。
尺寸标注方法参见图。
国标尺寸标注国标尺寸标注,是一种常用的标注方法,广泛应用于制图和设计领域,具有统一、规范、明确的特点。
作为一种有效的沟通工具,国标尺寸标注能够帮助人们准确理解和解读图纸上的尺寸信息,提高制图效率和质量。
本文将就国标尺寸标注的相关知识进行探讨。
一、国标尺寸标注的基本规范根据国家标准,国标尺寸标注应符合以下基本规范:1. 尺寸标注应清晰、准确、易读,字形工整、规范。
2. 尺寸标注应统一放置于视图的右下方,与视图线平行,尽量避免遮挡其他重要信息。
3. 尺寸标注的大小宜适中,既能够满足阅读要求,又不至于过大影响图纸的美观。
4. 尺寸标注应与标注线相连接,标注线应直线、细且不与其他要素相交。
二、国标尺寸标注的常用符号和标准国标尺寸标注使用了一系列的符号和标准,以便更好地传递尺寸信息和要求。
下面是一些常用的国标尺寸标注符号和标准:1. 直径标注:使用符号“Ø”表示直径尺寸,如“Ø12”表示直径为12的圆。
2. 半径标注:使用大写字母“R”表示半径尺寸,如“R15”表示半径为15的圆弧。
3. 长度标注:使用符号“L”表示长度尺寸,如“L50”表示长度为50的线段。
4. 角度标注:使用小写字母“α”、“β”、“γ”等表示角度尺寸,如“α45°”表示角度为45度。
5. 倒角标注:使用符号“×”表示倒角尺寸,如“×2”表示倒角为2的直角。
三、国标尺寸标注的调整与修正在实际应用中,有时会遇到一些特殊情况,需要对国标尺寸标注进行调整和修正,以满足实际需求。
以下是一些常见的调整和修正方法:1. 尺寸标注的重心:当标注线过短或尺寸数值过大时,可通过移动标注线的位置,使尺寸标注更加平衡美观。
2. 重复尺寸的标注:对于多个相同尺寸的元素,可以只标注一个尺寸,并使用等号“=”表示,以简化标注。
3. 非标准尺寸的标注:对于非标准尺寸,可以使用“×”符号表示,说明该尺寸为参考尺寸。
autocad尺寸标注国家标准Autocad尺寸标注国家标准。
在Autocad中,尺寸标注是非常重要的一项功能,它能够直观地展示出设计图纸中各个元素的尺寸大小,为工程设计和制图提供了重要的参考依据。
而在国家标准中,对于Autocad尺寸标注也有着严格的规定和要求,正确地应用国家标准对Autocad尺寸标注进行规范,不仅能够提高图纸的可读性和准确性,还能够避免因标注错误而导致的工程质量问题。
因此,本文将详细介绍Autocad尺寸标注国家标准的相关内容,希望能够帮助大家更好地理解和应用这一规范。
首先,在进行Autocad尺寸标注时,我们需要遵循国家标准GB/T 4457-2005《技术制图尺寸标注》的要求。
这一标准规定了尺寸标注的文字、箭头、标线、标注线等各个方面的要求,包括字体的大小、箭头的样式、标线的位置等,都有着具体的规定。
因此,在进行尺寸标注时,我们需要严格按照这些规定进行操作,以确保标注的准确性和规范性。
其次,在进行尺寸标注时,我们需要注意选择合适的标注方式。
国家标准中规定了多种不同的尺寸标注方式,包括基准标注、基准系列标注、基准链标注等,每种标注方式都有着特定的适用场景和要求。
因此,在进行尺寸标注时,我们需要根据实际情况选择合适的标注方式,并且确保标注的清晰可读、准确无误。
另外,在进行尺寸标注时,我们还需要注意标注的位置和布局。
国家标准中对于尺寸标注的位置和布局也有着具体的要求,比如标注线与标注线之间的距离、标注线与视图线之间的距离、标注线与标注文字之间的距离等,都有着明确的规定。
因此,在进行尺寸标注时,我们需要严格按照这些要求进行布局,以确保标注的整体美观和统一规范。
最后,在进行尺寸标注时,我们需要注意标注的精度和一致性。
尺寸标注作为工程图纸中的重要内容,其准确性和一致性对于工程设计和制图有着重要的影响。
因此,在进行尺寸标注时,我们需要确保标注的精度,尽量避免出现标注错误和不一致的情况,以提高图纸的可靠性和可读性。
尺寸标注国家标准最新规范尺寸标注是工程图纸中的重要组成部分,它确保了产品在制造过程中的精确性和一致性。
根据最新的国家标准,尺寸标注应遵循以下规范:1. 尺寸标注的基本原则:- 尺寸标注应清晰、准确,易于识别。
- 尺寸线应平行于所标注的尺寸方向。
- 尺寸数字应位于尺寸线上方,且不与尺寸线接触。
2. 尺寸线:- 尺寸线应使用细实线绘制。
- 尺寸线应延伸至图框边界,但不应超出。
3. 尺寸数字:- 数字应使用标准字体,大小应与图纸的比例相匹配。
- 数字应书写在尺寸线的上方,与尺寸线平行。
4. 尺寸界线:- 尺寸界线应从尺寸线延伸至被标注对象的边缘。
- 尺寸界线应使用细实线绘制,且与尺寸线垂直。
5. 尺寸符号:- 尺寸符号应使用国家标准规定的符号。
- 符号应清晰可辨,不应与尺寸线或尺寸数字混淆。
6. 尺寸公差:- 尺寸公差应根据产品要求标注在尺寸数字旁边。
- 公差标注应使用国家标准规定的格式。
7. 角度标注:- 角度标注应使用圆弧和箭头表示。
- 角度数值应位于圆弧的中心或旁边。
8. 半径和直径标注:- 半径尺寸应使用小圆圈表示,直径尺寸应使用大圆圈表示。
- 圆圈应位于尺寸线的一侧,与尺寸线垂直。
9. 链式尺寸标注:- 当多个尺寸连续标注时,应使用链式标注方法。
- 链式尺寸标注应保持一致的尺寸线和尺寸界线。
10. 特殊尺寸标注:- 对于特殊形状或复杂结构的尺寸,应根据具体情况采用适当的标注方法。
11. 图纸的整洁性:- 尺寸标注应避免重叠和拥挤,确保图纸整洁、有序。
12. 标注的一致性:- 同一图纸中的尺寸标注应保持一致的格式和风格。
13. 图纸的审查:- 完成尺寸标注后,应进行仔细审查,确保所有尺寸标注符合国家标准和设计要求。
尺寸标注的正确性对于确保产品质量至关重要。
遵循上述规范,可以大大减少制造过程中的错误和返工,提高生产效率。
机械制图-国家标准机械制图标准-机械制图-尺⼨标注标准规定了在机械图样中标注尺⼨的⽅法。
与本标准有关的国家标准。
国家标准现⾏标准编号现⾏标准名称分类基本表⽰法GB/T 17451-1998技术制图图样画法视图GB/T 4558.1-2002机械制图图样画法视图GB/T 17452-1998技术制图图样画法剖视图断⾯视图GB/T 4558.6-2002机械制图图样画法剖视图断⾯视图GB/T 16675.1-1996技术制图简化表⽰法第⼀部分:图样画法GB/T 4557.2-2003技术制图图样画法指引线和基准线的基本规定GB/T 4558.2-2003机械制图装配图中零部件序号及其编排⽅法GB/T 4558.3-1984机械制图轴测图GB/T 4558.4-2003机械制图尺⼨标注GB/T 16675.2-1996技术制图简化表⽰法第⼆部分:尺⼨注法GB/T 4558.5-2003机械制图图样画法尺⼨公差与配合注法GB/T 15754-1995技术制图圆锥的尺⼨和公差标注GB/T 131-1993机械制图表⾯粗糙度符号、代号及其注法基本规定GB/T 14689-1993技术制图图纸幅⾯及格式GB/T 14690-1993技术制图⽐例GB/T 14691-1993技术制图字体GB/T 17450-1998技术制图图线GB/T 4557.4-2002机械制图图样画法图线GB/T 17453-1998技术制图图样画法剖⾯区域表⽰⽅法GB/T 4557.5-1984机械制图剖⾯符号特殊表⽰⽅法GB/T 4459.1-1995机械制图螺纹及螺纹紧固件表⽰法GB/T 4459.2-2003机械制图齿轮表⽰法GB/T 4459.3-2000机械制图花键表⽰法GB/T 4459.4-2003机械制图弹簧表⽰法GB/T 4459.5-1999机械制图中⼼孔表⽰法GB/T 4459.6-1996机械制图动密封表⽰法GB/T 4459.7-1998机械制图滚动轴承表⽰法GB/T 19096-2003技术制图图样画法未定义形状边的术语和注法图形符号GB/T 4460-1984机械制图机构运动简图符号相关细节请查询中国标的细节GB 4457.4-84 《机械制图图线》GB 4457.5-84 《机械制图剖⾯符号》1 基本规则1.1 机件的真实⼤⼩应以图样上所注的尺⼨数值为依据,与图形的⼤⼩及绘图的准确度⽆关。
国标尺寸公差标准一览表主要涉及的是确定尺寸精确程度的等级,以及相应的公差数值。
根据国家标准,公差等级分为20个等级,从IT01到IT18,数字越大,公差等级(加工精度)越低,尺寸允许的变动范围(公差数值)越大,加工难度越小。
具体到尺寸公差的标注,一般有三种形式:
1. 标注公差带代号;
2. 标注极限偏差;
3. 同时标注公差带代号和极限偏差。
在机械设计中,我们经常看到如“50H8”或“50f7”这样的标注,其中“50”指的是零件的设计直径,而“H”或“f”指的是偏差,数字“8”或“7”则是公差等级代号。
通过国标表格,我们可以查出相应的极限偏差和公差值。
此外,对于未注公差的情况,应按照GB/T1804-2008《未注公差的线性和角度尺寸公差》的要求执行。
而对于形位公差,则按照GB/T1184-1996《形状和位置公差未注公差值》中的等级进行标注。
在焊接结构方面,根据GB/T19804-2005/ISO13920:1996,焊接结构的尺寸(线性尺寸和角度尺寸)公差及形位公差分为四个等级,适用于普通制造精度。
公差等级的选择应当满足实际需求。
总的来说,国标尺寸公差标准一览表为我们提供了明确的公差等级和相应的公差数值,以便我们在设计过程中进行准确的尺寸标注。