Revit在桥梁中的应用建模篇(1)——T梁
- 格式:doc
- 大小:1.02 MB
- 文档页数:11
Revit在桥梁中的应用二次开发——族Revit是由Autodesk Inc.开发的一款建筑信息模型(BIM)软件,可以帮助建筑师、结构工程师和MEP工程师等专业人员在设计和建造建筑时更好地进行协作。
与此同时,Revit还广泛应用于桥梁建设项目中。
作为一种重要的二次开发工具,Revit族可用于自定义建筑容器及其元素,或者与现有元素交互。
在桥梁设计和建造中,Revit族有助于自定义桥梁元素的外观和功能,并提高工作效率。
Revit族在桥梁设计中的应用Revit族是Revit软件的核心组成部分之一,与其他Revit工具不同,它可以帮助用户自定义建筑容器中的元素,例如隧道、桥梁等。
在桥梁项目中,Revit族可用于建立用户自定义的桥梁构件,例如梁、墩等。
使用Revit族可以为这些构件创建特殊的参数,以满足元素特定的要求和测试数据。
此外,Revit族还支持将构件导出为建筑信息模型(BIM)对象,以供其他用户使用。
Revit族的工作原理Revit族与Revit软件的其他工具一样,具有友好、简单的用户界面和交互式视图。
通过使用嵌入式家族编辑器,用户可以自定义元素的构建和参数设置,以满足他们的特定需求。
Revit族基于面向对象的技术,支持基于属性的桥梁构件建模。
可以通过创建族来定义不同类型的桥梁元素。
Revit族将构件作为元素的属性,用于开发项目模板。
使用Revit族时,用户还可以将构件与其他元素交互。
例如,用户可以将桥梁梁作为墩的子元素添加到Revit项目中,然后相应地更新梁的位置和大小以适应墩的形状。
Revit族开发桥梁的好处Revit族在桥梁设计和建造中的应用有很多好处。
其中一些好处包括:1. 提高工作效率通过使用Revit族进行二次开发,用户可以快速创建和更新不同类型的桥梁元素。
这提高了工程师和设计师的工作效率,使他们能够更好地满足客户需求。
2. 协调性更强使用Revit族可以使桥梁构件与现有建筑元素更加协调。
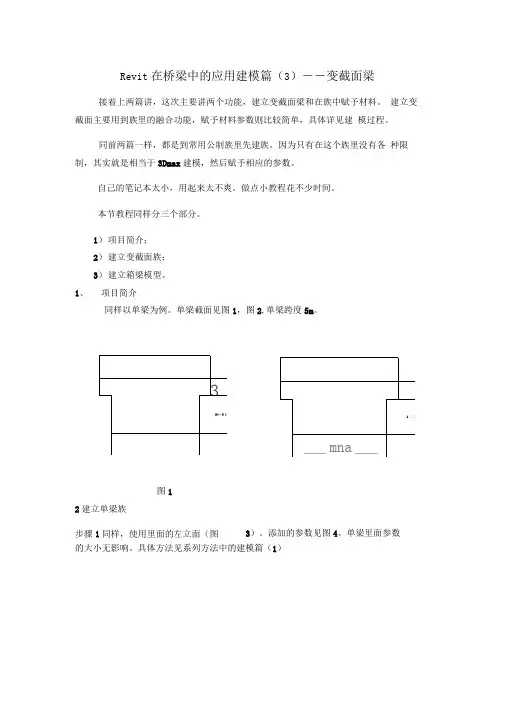
Revit 在桥梁中的应用建模篇(3)――变截面梁接着上两篇讲,这次主要讲两个功能,建立变截面梁和在族中赋予材料。
建立变截面主要用到族里的融合功能,赋予材料参数则比较简单,具体详见建 模过程。
同前两篇一样,都是到常用公制族里先建族。
因为只有在这个族里没有各 种限制,其实就是相当于3Dmax 建模,然后赋予相应的参数。
自己的笔记本太小,用起来太不爽。
做点小教程花不少时间。
本节教程同样分三个部分。
1) 项目简介; 2) 建立变截面族; 3) 建立箱梁模型。
1、 项目简介同样以单梁为例。
单梁截面见图1,图2,单梁跨度5m 。
图12建立单梁族的大小无影响。
具体方法见系列方法中的建模篇(1)步骤1同样,使用里面的左立面(图3)。
添加的参数见图4。
单梁里面参数规图1 3立商垃曲1] …前 右 后面园I 凰詆(全詢£ ■-► --------I— --- ---步骤2用融合功能(图5)建立变截面,在步骤1的草图上按图6上面的1、2、 3、4步骤画单梁的外轮廓。
编辑完第一个截面后(即软件的 顶部截面)后,再 编辑第二个截面(即软件里的底部截面),如图 7。
t a ◎祁 VNu *w■/虜S. F!(*+■M ^9 售电电册■厦闵X 逅时 £t»487 £冨二"當IMflVl <Ff hi ■ 274Drts :1方申全片詐广旷己3…ttj独蛆幽::;o中二自/・I M?s k◎/二由占过亠自囲® 塚師氓補tl.H帚、長丈.「一 P*k扣订;只#¥話20x4 - 国1 -匚R;左图6•于;''料& •」土■ SEP;如t起w 廣「MIM氐■»超[活岳专亍砒*!)0£<3U慮医吏虚2 = 1750FQ FC图7步骤3给第二个变截面的高度赋值。
如图82 006步骤4赋予梁节段长度(图9)。
revit小技巧批量创建梁构件类型名称的方法
在Revit中,可以使用参数和公式来批量创建梁构件类型名称。
以下是一个简单的示例:
1. 打开Revit软件并创建一个新的结构项目。
2. 在“项目浏览器”中,展开“族和类型”文件夹,然后选择“梁”。
3. 在工作区中创建一个新的梁。
4. 在属性界面中,选择“族类型”并单击下拉菜单中的“编辑类型”。
5. 在“族类型管理器”中,复制当前的梁类型,以便创建一个新的梁类型。
6. 将新的梁类型重命名为“梁A”(或您想要的任何名称)。
7. 单击“OK”以保存更改并关闭“族类型管理器”。
8. 返回到属性界面,选择“族类型”并单击下拉菜单中的“编辑
类型”。
9. 在“族类型管理器”中,选择“梁A”并单击“复制”按钮。
10. 在弹出的对话框中,将复制的梁类型重命名为“梁B”。
11. 单击“OK”以保存更改并关闭“族类型管理器”。
现在,您已经创建了两个不同名称的梁类型,您可以根据需要复制和重命名更多的梁类型。
这种方法允许您批量创建梁构件类型名称。
您可以根据自己的需求进行修改和定制。
预应力混凝土T梁在现代桥梁建设中,预应力混凝土 T 梁因其众多优点而得到了广泛的应用。
它不仅在跨越江河湖泊等大型工程中发挥着重要作用,也在城市道路和高速公路的建设中扮演着关键角色。
预应力混凝土 T 梁,简单来说,就是一种采用预应力技术制作的混凝土梁,其截面形状呈“T”字形。
这种特殊的结构形式赋予了它出色的承载能力和力学性能。
从材料方面来看,预应力混凝土 T 梁主要由高强度的混凝土和高强度的预应力钢筋组成。
混凝土为梁体提供了抗压强度,而预应力钢筋则通过预先施加的拉力,有效地提高了梁体的抗裂性能和抗弯能力。
在制作过程中,预应力的施加是一个关键环节。
通过对钢筋进行张拉,使其在混凝土凝固前产生一定的预压应力。
当梁体承受荷载时,这部分预压应力能够抵消一部分拉应力,从而推迟裂缝的出现,提高梁体的耐久性。
预应力混凝土 T 梁的优点十分显著。
首先,它具有较大的跨越能力。
相比普通混凝土梁,能够在相同的条件下跨越更长的距离,减少了支撑点的数量,降低了施工难度和成本。
其次,它的承载能力强。
能够承受较大的荷载,包括车辆、行人以及自身的重量,确保桥梁的安全稳定。
再者,其耐久性好。
由于预应力的作用,减少了裂缝的产生和发展,延长了梁体的使用寿命。
在实际应用中,预应力混凝土 T 梁的设计需要考虑众多因素。
例如,桥梁的跨度、荷载情况、使用环境等。
设计师需要根据这些因素,精确计算梁体的尺寸、预应力钢筋的数量和布置方式等,以确保梁体的安全性和经济性。
施工过程也是至关重要的。
在预制厂中,需要严格控制混凝土的配合比、浇筑质量以及预应力的施加精度。
在现场安装时,要保证梁体的就位准确,连接牢固。
任何一个环节的失误都可能影响到整个桥梁的质量和安全。
预应力混凝土 T 梁在养护方面也有一定的要求。
定期的检查和维护可以及时发现梁体表面的裂缝、钢筋的锈蚀等问题,并采取相应的措施进行修复和加固。
这对于延长梁体的使用寿命,保障桥梁的正常运行具有重要意义。
某大桥基于Revit软件的桥梁BIM模型参数化设计探析赵伟兰;李远富【摘要】This article is based on a continuous arch bridge as the research object,according to the bridge structure design process,this paper puts forward a set of Revit software to build a bridge of BIM modeling framework,with parametric model as the standardized BIM modeling framework component multi span concrete arch bridge model is established,the family and the function to establish the structure of the model application has carried on the simple introduction.The research results show that the structure model for complex curve,based on the specified lofting section form and way to establish the model of the path structure,for the simple model structure,usually in the structure setting,adaptive in variable cross section plane design cross section structure to realize the parameterized model of bridge;This paper describes the basic elements of the design of the bridge components by means of the elevation and shaft network system,and USES the shaft network system to determine the elevation plane position and accurately describe the important control conditions of the Bridges.The BIM model is built in a similar way to building blocks.For the adaptive point more component model,the attachment method is usually adopted and the corresponding parameters are given to the model adaptive points corresponding to the entity.For vertical placement of components,the selection method is used to determine the appropriate level ofelevation,and to determine the positioning points of the network points and other representative points on the job.%基于某连拱大桥为研究对象,根据桥梁结构设计流程,提出了一套基于Revit软件构建的BIM桥梁建模框架,以参数化模型作为BIM建模框架中的标准化构件族建立了多跨混凝土拱桥模型,并对建立的结构模型应用功能进行了简单介绍.研究结果表明:对于复杂的曲线结构模型,基于指定放样截面形体和路径的方式来建立模型结构,而对于较简单的模型结构,通常在结构设置自适应点,在变截面平面设计截面结构实现桥梁的参数化模型;以标高和轴网系统来描述桥梁构件设计基本要素,运用轴网系统确定标高平面位置,精确描述桥梁各重要控制条件;采用类似于“搭积木”的方式来建立BIM模型.对于自适应点较多构件模型,通常采用连线法,将于实体对应的模型自适应点赋予对应参数.对于竖直放置构件,采用选择面法确定合适的标高平面,在工作片面上确定轴网交点等代表性的放置点来放置模型.【期刊名称】《公路工程》【年(卷),期】2018(043)001【总页数】6页(P36-41)【关键词】BIM技术;桥梁设计;参数设计;曲线结构【作者】赵伟兰;李远富【作者单位】山西水利职业技术学院,山西运城044004;西南交通大学,四川成都610031【正文语种】中文【中图分类】U442.50 前言现代化桥梁建设施工正朝着大跨度、高强度发展[1],对结构性能和材料使用要求不断提高,给桥梁设计施工带来了巨大困难。
BIM技术Autodesk Revit软件在桥梁外形、配筋以及桥位3D建模中的应用南爱强;王锋宪【摘要】BIM技术以桥梁工程项目中的相关数据资料作为基础,从而实现桥梁模型的创建.应用BIM关键建模程序AutodestRevit软件能够创建整座桥梁各构件族库,并且创建桥梁数字化模型.利用创建的桥梁数字化模型,能够有效实现桥梁工程设计、平面施工图创建、工程量评估及仿真施工等各种工作.就对BIM技术中的Autodesk Revit在桥梁外形、桥位3D建模及配筋中的使用进行全面的分析.%BIM technology takes relevant data to model bridge,so as to realizethe creation of the bridge model.The BIM Autodest Revit software can create a library the bridge components,and then create a bridge digital model.By using the model,can effectively realize the bridge engineering design,graphic creation,evaluation and simulation of bridge of construction,and other work.Based on these,this paper makes a comprehensive analysis of the use of Autodesk Revit in BIM technology for bridge shape,bridge 3D modeling and reinforcement.【期刊名称】《微型电脑应用》【年(卷),期】2018(034)004【总页数】3页(P67-69)【关键词】BIM技术;Autodesk Revit软件;桥梁外形;桥位3D建模;配筋【作者】南爱强;王锋宪【作者单位】云南交通职业技术学院,昆明650500;昆明理工大学建工学院,昆明650500【正文语种】中文【中图分类】U442.50 引言目前,在社会经济不断发展的过程中,大型桥及特大桥的项目在不断的增加,比如湖南矮寨大桥、杭州湾大桥等,因为桥梁的结构比较复杂,并且具有较高的受力分析要求等,从而就需要桥梁设计和施工需求具有较高的要求,如果使用传统的方法无法办到,并且成本较高。
Revit在桥梁中的应用二次开发篇(1)——族建模篇简单讲了怎么在revit软件中手动建桥梁模型,更多的基础操作的内容可以直接看revit在建筑中应用的相关教程,其实也是相通的,没必要多讲。
这次诚意满满,花了两天时间专门研究二次开发中族的应用。
以下代码亲测可试,结合《AUTODESK REVIT二次开发基础教程》可以获得更好的效果。
因为书本上都是一些代码片段,而且是基于2015版的,在2016版的revit上部分代码跑不了。
我也尝试了很久,终于基本上搞通了族相关的语法。
基础知识直接看书,这里直接上代码。
书里的代码片段可以想办法插到完整代码中运行。
1、找到族实例//用id找到族实例2、拿到族文档//拿到族文档Document familyDoc=revitDoc.EditFamily(familyInstance.Symbol.Family);if(!familyDoc.IsFamilyDocument){TaskDialog.Show("错误3","familyDoc不是族文档!");}else{TaskDialog.Show("revit","familyDoc是族文档!");}3、修改族类型名称(完整代码)using System;using System.Collections.Generic;using System.Linq;using System.Text;using System.Threading.Tasks;using Autodesk.Revit.UI;using Autodesk.Revit.DB;using Autodesk.Revit.UI.Selection;using Autodesk.Revit.ApplicationServices;namespace修改族类型名称{[Autodesk.Revit.Attributes.Transaction(Autodesk.Revit.Attributes.TransactionMode.Manu al)][Autodesk.Revit.Attributes.Journaling(Autodesk.Revit.Attributes.JournalingMode.NoComm andData)][Autodesk.Revit.Attributes.Regeneration(Autodesk.Revit.Attributes.RegenerationOption. Manual)]public class Class1:IExternalCommand{public Result Execute(ExternalCommandData commandData,ref string message, ElementSet elements){Document revitDoc=commandData.Application.ActiveUIDocument.Document; //取得文档Application revitApp=commandData.Application.Application; //取得应用程序Selection sel=commandData.Application.ActiveUIDocument.Selection;Reference ref1=sel.PickObject(ObjectType.Element,"选择一个族实例");//得到当前选择的文档Document doc=commandData.Application.ActiveUIDocument.Document;//族实例FamilyInstance familyIns=doc.GetElement(ref1)as FamilyInstance;FamilySymbol symbol=familyIns.Symbol;Transaction transaction=new Transaction(doc);//打开关闭子程序transaction.Start("改变族类型名称");="new"+;mit();return Result.Succeeded;}}}4、删除一个族参数[Autodesk.Revit.Attributes.Transaction(Autodesk.Revit.Attributes.TransactionMode.Manual )][Autodesk.Revit.Attributes.Journaling(Autodesk.Revit.Attributes.JournalingMode.NoComm andData)][Autodesk.Revit.Attributes.Regeneration(Autodesk.Revit.Attributes.RegenerationOption. Manual)]public class Class1:IExternalCommand{public Result Execute(ExternalCommandData commandData,ref string message, ElementSet elements){Document revitDoc=commandData.Application.ActiveUIDocument.Document; //取得文档Application revitApp=commandData.Application.Application; //取得应用程序//选择一个族实例Selection sel=commandData.Application.ActiveUIDocument.Selection;Reference ref1=sel.PickObject(ObjectType.Element,"选择一个族实例");FamilyInstance familyIns=revitDoc.GetElement(ref1)as FamilyInstance;FamilySymbol symbol=familyIns.Symbol;//得到族文档Document familyDoc=revitDoc.EditFamily(symbol.Family);//取得FamilyManager,注意这里只能从族文档中取得FamilyManager,然后修改参数FamilyManager familyManager=familyDoc.FamilyManager;IList<FamilyParameter>faparms=familyManager.GetParameters();TaskDialog.Show("FamilyParameter",faparms.First());Transaction trans=new Transaction(familyDoc,"Remove Parameter");trans.Start();familyManager.RemoveParameter(faparms.First());mit();familyDoc.LoadFamily(revitDoc,new Opt());return Result.Succeeded;}}}//族载入时覆盖并修改族参数public class Opt:IFamilyLoadOptions{public bool OnFamilyFound(bool familyInUse,out bool overwriteParameterValues){overwriteParameterValues=true;return true;}public bool OnSharedFamilyFound(Family sharedFamily,bool familyInUse,out FamilySource source,out bool overwriteParameterValues){source=FamilySource.Project;overwriteParameterValues=true;return true;}}4、遍历族参数using System;using System.Collections.Generic;using System.Linq;using System.Text;using System.Threading.Tasks;using Autodesk.Revit.UI;using Autodesk.Revit.DB;using Autodesk.Revit.UI.Selection;using Autodesk.Revit.ApplicationServices;namespace遍历族参数{[Autodesk.Revit.Attributes.Transaction(Autodesk.Revit.Attributes.TransactionMode.Manu al)][Autodesk.Revit.Attributes.Journaling(Autodesk.Revit.Attributes.JournalingMode.NoComm andData)][Autodesk.Revit.Attributes.Regeneration(Autodesk.Revit.Attributes.RegenerationOption. Manual)]public class Class1:IExternalCommand{public Result Execute(ExternalCommandData commandData,ref string message, ElementSet elements){Document revitDoc=commandData.Application.ActiveUIDocument.Document; //取得文档UIApplication uiApp=commandData.Application;Application revitApp=commandData.Application.Application; //取得应用程序//取得选择的元素Selection sel=uiApp.ActiveUIDocument.Selection;Reference ref1=sel.PickObject(ObjectType.Element,"please pick a family instance");Document doc=uiApp.ActiveUIDocument.Document;Element elem=doc.GetElement(ref1);//遍历元素的参数string strParamInfo=null;foreach(Parameter param in elem.Parameters){if(param.AsValueString() !=null)strParamInfo+=+" value is:"+param.AsValueString() +"\n";elsestrParamInfo+=+" value is:"+param.AsString() +"\n";}TaskDialog.Show("REVIT",strParamInfo);return Result.Succeeded;}}}5、获得指定族参数并修改参数,这里以窗户的底高度为例。
Revit结构建模之梁Revit梁的结构用途Revit将根据支撑梁的结构图元,自动确定梁的“结构用途”属性。
结构用途参数值可确定粗略比例视图中梁的线样式。
可以在放置梁之前或者在放置梁之后,修改结构用途。
可使用“对象样式”对话框修改结构用途。
有关详细信息,请参见对象样式。
结构用途参数可以包括在结构框架明细表中,这样您便可以计算大梁、托梁、檩条和水平支撑的数量。
有关详细信息,请参见指定明细表属性。
梁的结构用途值可以将梁附着到任何其他结构图元(包括结构墙)上。
有关详细信息,请参见结构墙。
注意梁将不会自动连接到非承重墙。
可以使用“属性”选项板修改默认的“结构用途”设置。
下表根据正连接到梁的图元,列出了梁的默认自动“结构用途”设置:- C B HB G J P O墙G O HB G J P O柱G O HB G J P O支撑O O O O O O水平支撑HB HB HB HB O大梁J J P O托梁P P O檩条P O其他O图示说明。
HB:水平支撑;G:大梁;J:托梁;P:檩条;O:其他。
Revit创建梁应该在创建梁之前添加轴网和柱。
将梁添加到平面视图中时,必须将底剪裁平面设置为低于当前标高;否则,梁在该视图中不可见。
您还可能需要使用具有视图范围和可见性设置的结构样板。
请参见结构样板。
可以使用下列方法之一添加梁:•绘制单个梁。
•创建梁链。
•选择位于结构图元之间的轴线。
•创建梁系统。
Revit绘制创建单个梁梁工具是您用来绘制梁的单个实例的主要手段。
绘制单个梁1.单击“结构”选项卡“结构”面板“梁”。
2.如果以前尚未加载任何梁,请加载结构梁族。
3.在“属性”选项板中:o从类型选择器下拉列表中选择一种梁类型。
o修改梁参数。
4.在选项栏上,从“结构用途”下拉列表中选择一个值。
5.在绘图区域中单击起点和终点以绘制梁。
当您绘制梁时,光标将捕捉到其他结构图元(例如柱的质心或墙的中心线)。
状态栏将显示光标的捕捉位置。
Revit在桥梁中的应用建模篇(1)——T梁众所周知,BIM在工程界发展迅猛,而Revit在BIM系列软件中应用最广。
目前,BIM在工民建应用较多,而在桥梁方面应用较少。
本大神也算是对桥梁和revit有所了解,所以决定近期陆续推出Revit在桥梁中的应用的教程。
这里为迈达斯打一则广告:最大的幸福莫过于知识共享。
当然我不是迈达斯的员工,最多只是曾经去过迈达斯公司面试,面试过程中听到他们的企业理念,感觉这点很受益。
本教程需要有一定的Revit基础(当然小白可以照着做),这里推荐一个群,道路桥梁隧道交通BIM群,群号21588521,各种资料,包括revit教程。
Revit集中学习的话,一周也可以学会。
讲的比较好的是revit火星教程,配合书本更好,自己去网上找教程。
Revit 在房建中的教程已经烂大街了,桥梁则相对较少,当初找资源也搞死我了,这也是我准备这个教程的原因之一。
废话不多说,开讲!本节教程分为三个内容:1)项目简介;2)建立T梁族;3)建立T梁模型。
1 项目简介以单梁为例,多根梁粘贴复制就好。
T梁截面见图1,T梁跨度30m。
建好后的模型见图2。
图1 图22 建立T梁族Revit里的族大多数是关于房屋建筑方面的,桥梁方面几乎没有,所以需要自己建族。
步骤1 新建一个空白文件,然后新建族,选择公制常规模型。
如图3,图4.图3图4步骤2 选择模型线及项目浏览器的左立面视图(如图5),然后开始画T梁轮廓线,这里的T梁轮廓线随意画(如图6)。
图5图6步骤3在创建里选择参照平面功能,在T梁的如图几个位置画参照平面(如图7)。
图7步骤4在注释里选择对齐选项,然后开始注释。
点击图中的EQ按钮(图8),并且再加两条注释线如图(图9)。
注:这里的尺寸数值不重要。
图8图9步骤5 点击尺寸线,然后点击标签(图10),选择添加参数,出来如图对话框(图11)。
然后依次添加参数(如图12)。
图10图11图12步骤6 点创建中的拉伸选项。
Revit结构建模之梁系统Revit结构梁系统(开间)可创建包含一系列平行放置的梁的结构框架图元。
对于需要额外支座的结构,梁系统提供了一种对该结构的面积进行框架的便捷方法。
结构梁系统示例梁系统参数随设计中的改变而调整。
如果重新定位了一个柱,梁系统参数将自动随其位置的改变而调整。
重新定位柱之后的结构梁系统及参数化调整的示例可使用两种方法创建梁系统:•一次单击创建梁系统方法默认情况下处于活动状态。
请参见通过一次单击创建梁系统。
•您还可以将梁系统绘制到模型中。
请参见创建结构梁系统。
选项栏为这两种创建方法提供了梁系统参数,例如梁类型、对正和布局要求。
有关详细信息,请参见梁系统布局规则和填充图案。
Revit创建结构梁系统可以通过拾取结构支撑图元(例如梁和结构墙),或者通过绘制边框,来创建结构梁系统。
在指定了梁系统的边界后,可指定梁方向和梁系统属性,例如间距、对正和梁类型。
有关详细信息,请参见梁系统布局规则和填充图案。
创建结构梁系统1.单击“结构”选项卡“结构”面板“梁系统”。
2.单击“修改| 创建梁系统边界”选项卡“梁系统”面板“绘制梁系统”。
3.定义梁系统边界。
4.指定梁方向。
5.指定梁系统属性。
6.单击“修改| 创建梁系统边界”选项卡“模式”面板“完成编辑模式”。
Revit通过一次单击创建梁系统只要满足下列条件,可以通过单击一次鼠标快速创建梁系统:•只能在含有水平草图平面的平面视图或天花板视图中,才能添加通过一次单击创建的梁系统。
如果视图或默认的草图平面不是标高,并且单击了“梁系统”,系统将会重定向到“创建梁系统边界”选项卡。
•必须已经绘制了支撑图元(墙或梁)的闭合环,否则程序将自动重定向到“创建梁系统边界”选项卡。
有关详细信息,请参见梁系统布局规则和填充图案。
警告曲线墙和曲线梁可用于创建环,但是不能用作梁系统中的方向定义构件。
要通过单击的方法创建梁系统,请执行以下操作:1.单击“结构”选项卡“结构”面板“梁系统”。
BIM建模技术1-Revit创建变截面连续梁Revit是Autodesk公司的一款建筑信息模型 (BIM) 软件,包含适用于建筑设计、MEP工程、结构工程和施工领域的功能。
其在桥梁领域也有应用,但对于桥梁中常见的变截面箱梁,Revit并没有适用的系统族,需要单独的创建。
Revit常规的创建族方法有5种,即拉伸、融合、旋转、放样和放样融合。
拉伸即通过拉伸二维形状(轮廓)来创建三维实心形体,对于等截面的箱梁、T 梁和空心板及下部结构墩柱、承台和桩都可以通过这种方法实现,但是对于变截面箱梁明显不适用。
图1 拉伸融合通过给定两个不同的截面线性创建形体,可以用来创建构造简单且不需要参数驱动的形体,用这种方法创建变截面箱梁非常复杂,工作量大且效率低。
图 2 融合旋转主要用来创建轴对称的形体。
放样通过给定的二维轮廓沿着路径创建形体,对于等截面的曲线桥,在不考虑纵坡的情况下可以用使用。
图3 放样放样融合通过给定两个轮廓,沿着一条变化的路径创建形体,两个轮廓的形状可以不同,路径也可以是直线或曲线。
刚好可以用来创建变截面箱梁。
但是对轮廓的形状有要求,即轮廓必需是闭合的,为单连通体,而箱型截面中间为空心,无法直接用放样融合创建。
解决的方法有两种,一是将箱型截面沿中间分为两部分,两部分分别为独立的闭合轮廓,通过两次放样融合创建箱梁,我们姑且称其为截面分割法。
第二种方法是先以箱梁外侧轮廓创建实心形状,再以内侧轮廓创建空心形状,通过实心与空心剪切创建箱梁,称为空心剪切法。
图4 放样融合如上图所示,放样融合无法直接将两个箱型截面直接生成形状,可以将截面沿着中线分为两部分。
在创建箱梁族之前,首先应该确定箱型截面包含哪些参数,除了顶板、底板和腹板厚度及倒角外,还有桥梁的纵坡、横坡,纵横坡是否变化及桥梁中心线是否为直线等,即模型的精度,考虑的因素越多,模型越精确但也越复杂。
确定模型的精度以后首先创建参照线和参照面,这是最基本也是最重要的一步,合理的参照线和参照面选取可以大大提高建族的效率,创建参照线和参照面的目的是通过标注和锁定将轮廓附着在创建参照线和参照面上,这样就可以通过定义并调整参数驱动轮廓变化。
桥梁建设中T型梁施工技术的应用摘要:预应力混凝土预制T型梁桥是工艺、技术要求比较高的桥梁施工中一个重要组成部分,其中质量的因素也受到了很多要素的影响。
因此,在施工前准备工作必须的充分,根据现场施工过程选择合理的施工,并且进行严格的质量控制,重点控制关键程序的每一个环节,以致整个施工过程的效率达到最高。
中国迅猛发展的经济使中国的桥梁建设迎来了井喷式发展,其中特大型桥梁建设的发展有目共睹。
由此带来的桥梁建设施工技术的提升,使许多新工艺、新材料、新技术在桥梁建设中发挥作用。
从T 型梁的类型和安装方案以及施工技术等方面来论述T 型梁的施工制作技术。
关键词: 桥梁建设; T 型梁制作; 施工技术在我国进入二十一世纪之后,桥梁施工就经常的能见到,因为施工工艺的进步也使的桥梁建设不断的完善,在桥梁施工中预制T 型梁的应用是非常常见的,然而许多大跨度预制T 型梁的施工却很繁杂。
在桥梁的预制T型梁的施工中,模板施工、吊装;控制梁的拱度等等都是非常关键的施工环节,技术性问题是不能忽视的,这些施工步骤的严格把关也是预制T型梁质量的保证。
当然问题也是时时刻刻存在的,如果不能尽快解决那么一定会耽误工期,影响施工质量。
桥梁的工程质量直接影响到该桥梁的经济效益与适应性。
所以,我们在建设桥梁时,除了需要进行预应力施工,对预应力施工材料进行质量监控以外,还要认真做好对材料的检测管理工作,提高检测人员与施工人员的综合素质,严格按照最高标准进行施工,最终使工程完全达标。
一、预制混凝土T 型梁制作施工技术龙门起重机、供电线路、供水系统、交通轨道、钢筋制作房等主要施工设备设置在预制场里。
搅拌站提供混凝土。
T型梁的模板使用固定型号的标准组件,模板的装卸使用龙门起重机配合手动施工。
施工工艺和技术要点如下。
( 1) 底模要在混凝土基座上铺钢板制作,因而要在底座上一定距离处预留孔洞,才能使模板固定住。
( 2) 浇筑第一片T 型梁的组合式定型钢模板之前,要组装接拼钢模板。
BIM软件小技巧:Revit绘制桥梁的方法
BIM软件小技巧:Revit绘制桥梁的方法
用REVIT绘制桥梁不难,关键是桥梁的平面曲线和纵断面曲线,如何结合,能确定桥中线3D模型,就解决了桥梁在REVIT中绘制问题。
解决方法:用CIVIL绘制中线,把中线导入REVIT作为参照。
步骤:(路中线---3维多段线---样条曲线)
1.在CIVIL中绘制中线的平面和纵断面
2.转到C3D 视图,找到刚才绘制的中线(这里有两条,一条是地面路线,一
条是设计路线,我们所找的就是设计路线,可以查看特性,如果是布局,就是设计路线),两次炸开,使之成为3维多段线(出现小点点)。
3.新建一个空白CAD文档,复制刚才炸开的3维多段线,然后用控制点命令中的重生成命令,使3维多段线转为样条曲线(重生成的时候,控制点不宜过多,满足精度要求即可,不然模型很大)。
4.在REVIT中新建体量(只有体量中才能选择CAD中的3维多段线),导入刚才的CAD文件,这样就生成模型的时候,就能用3维多段线作为路径而建模。
5.建模的时候,要用放养融合,即首位两截面,一根路径来创建模型,不然会出现桥面倾斜。
Revit在桥梁中的应用建模篇(1)——T梁众所周知,BIM在工程界发展迅猛,而Revit在BIM系列软件中应用最广。
目前,BIM在工民建应用较多,而在桥梁方面应用较少。
本大神也算是对桥梁和revit有所了解,所以决定近期陆续推出Revit在桥梁中的应用的教程。
这里为迈达斯打一则广告:最大的幸福莫过于知识共享。
当然我不是迈达斯的员工,最多只是曾经去过迈达斯公司面试,面试过程中听到他们的企业理念,感觉这点很受益。
本教程需要有一定的Revit基础(当然小白可以照着做),这里推荐一个群,道路桥梁隧道交通BIM群,群号21588521,各种资料,包括revit教程。
Revit集中学习的话,一周也可以学会。
讲的比较好的是revit火星教程,配合书本更好,自己去网上找教程。
Revit在房建中的教程已经烂大街了,桥梁则相对较少,当初找资源也搞死我了,这也是我准备这个教程的原因之一。
废话不多说,开讲!
本节教程分为三个内容:
1)项目简介;
2)建立T梁族;
3)建立T梁模型。
1 项目简介
以单梁为例,多根梁粘贴复制就好。
T梁截面见图1,T梁跨度30m。
建好后的模型见图2。
图1 图2
2 建立T梁族
Revit里的族大多数是关于房屋建筑方面的,桥梁方面几乎没有,所以需要自己建族。
步骤1 新建一个空白文件,然后新建族,选择公制常规模型。
如图3,图4.
图3
图4
步骤2 选择模型线及项目浏览器的左立面视图(如图5),然后开始画T梁轮廓线,这里的T梁轮廓线随意画(如图6)。
图5
图6
步骤3在创建里选择参照平面功能,在T梁的如图几个位置画参照平面(如图7)。
图7
步骤4在注释里选择对齐选项,然后开始注释。
点击图中的EQ按钮
(图8),并且再加两条注释线如图(图9)。
注:这里的尺寸数值不重要。
图8
图9
步骤5 点击尺寸线,然后点击标签(图10),选择添加参数,出来如图对话框(图11)。
然后依次添加参数(如图12)。
图10
图11
图12
步骤6 点创建中的拉伸选项。
然后画T梁(如图13)。
画完后,点击如图对勾符号(如图14)。
图13
图14
步骤7点击三维视图,增加T梁长度参数(如图15、16、17)。
最后载入到项目中。
图15 图16
图17
3 建立T梁模型,在空白处随便点击一下,然后点击如图中的三维视图标志,T梁族就实例化了(图18)。
可以在如图的地方随意修改T 梁的参数了(图19)。
最后的模型如图(图20)。
图18
图19 图20。