铝模施工技术交底PPT幻灯片课件
- 格式:ppt
- 大小:22.53 MB
- 文档页数:50
铝模板施工安全技术交底技术交底记录编号工程名称衡阳维泰人与丽景分项工程名称主体工程施工单位南通二建集团有限公司交底日期2017-03-05交底提要铝模板安装施工技术、质量、安全交底一、施工准备本工程4#楼4层以上为标准层,标准层层高3米,采用快拆式铝合金模板体系施工,,施工现场每栋楼格才永一套模板主系统,三套楼板底系统,三套梁底支撑,首次安装,计划工期10天,第二次计划工期7天(考虑铝模配备、现场施工配合等因素),以上按每层5天的施工速度。
主模板在该层混凝土达到强度要求后,拆除并传送至上层。
楼板底及梁底支撑系统每15天周转一次使用,确保混凝土达到设计要求的强度后拆除并用于上部楼层。
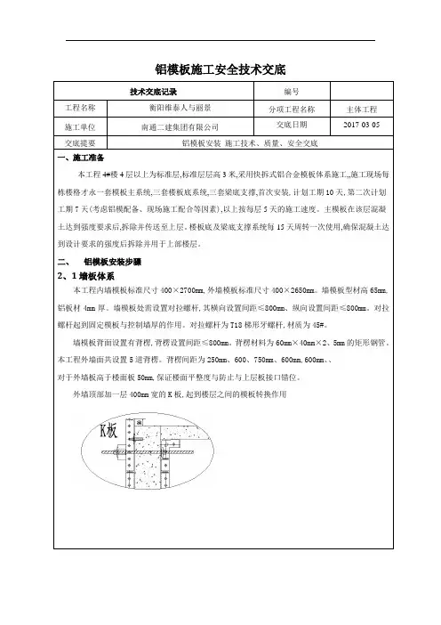
二、铝模板安装步骤2、1墙板体系本工程内墙模板标准尺寸400×2700mm,外墙模板标准尺寸400×2650mm。
墙模板型材高65mm,铝板材4mm厚。
墙模板处需设置对拉螺杆,其横向设置间距≤800mm、纵向设置间距≤800mm。
对拉螺杆起到固定模板与控制墙厚的作用。
对拉螺杆为T18梯形牙螺杆,材质为45#。
墙模板背面设置有背楞,背楞设置间距≤800mm。
背楞材料为60mm×40mm×2、5mm的矩形钢管。
本工程外墙面共设置5道背楞。
背楞间距为250mm、600、750mm、600mm,600mm、、对于外墙板高于楼面板50mm,保证楼面平整度与防止与上层板接口错位。
外墙顶部加一层400mm宽的K板,起到楼层之间的模板转换作用墙板安装示意图2、2顶板体系板底铝合金模板标准尺寸400x1200mm,局部按实际结构尺寸调整配模。
铝模板厚3、7mm,楼面设置100mm宽承梁(俗称龙骨),底部支撑立杆间距为1200mm ×1300mm。
2、3梁板体系本工程标准层高3、0m。
梁底采用早拆头设计模式,梁底支撑间距不大于1200mm,梁底早拆头宽150mm,早拆头之间为1100mm铝模板。
铝模板施工安全技术交底技术交底记录编号工程名称衡阳维泰人和丽景分项工程名称主体工程施工单位南通二建集团有限公司交底日期2017-03-05交底提要铝模板安装施工技术、质量、安全交底一、施工准备本工程4#楼4层以上为标准层,标准层层高3米,采用快拆式铝合金模板体系施工,,施工现场每栋楼格才永一套模板主系统,三套楼板底系统,三套梁底支撑,首次安装,计划工期10天,第二次计划工期7天(考虑铝模配备、现场施工配合等因素),以上按每层5天的施工速度。
主模板在该层混凝土达到强度要求后,拆除并传送至上层。
楼板底及梁底支撑系统每15天周转一次使用,确保混凝土达到设计要求的强度后拆除并用于上部楼层。
二、铝模板安装步骤2.1墙板体系本工程内墙模板标准尺寸400×2700mm,外墙模板标准尺寸400×2650mm。
墙模板型材高65mm,铝板材4mm厚。
墙模板处需设置对拉螺杆,其横向设置间距≤800mm、纵向设置间距≤800mm。
对拉螺杆起到固定模板和控制墙厚的作用。
对拉螺杆为T18梯形牙螺杆,材质为45#。
墙模板背面设置有背楞,背楞设置间距≤800mm。
背楞材料为60mm×40mm×2.5mm的矩形钢管。
本工程外墙面共设置5道背楞。
背楞间距为250mm、600、750mm、600mm,600mm..对于外墙板高于楼面板50mm,保证楼面平整度和防止与上层板接口错位。
外墙顶部加一层400mm宽的K板,起到楼层之间的模板转换作用墙板安装示意图2.2顶板体系板底铝合金模板标准尺寸400x1200mm,局部按实际结构尺寸调整配模。
铝模板厚3.7m m,楼面设置100mm宽承梁(俗称龙骨),底部支撑立杆间距为1200mm×1300mm。
2.3梁板体系本工程标准层高3.0m。
梁底采用早拆头设计模式,梁底支撑间距不大于1200mm,梁底早拆头宽150mm,早拆头之间为1100mm铝模板。
铝模板技术交底交底编号:工程名称交底日期年月日施工单位分项工程名称一、前期准备1、组织施工人员熟悉图纸,根据设计图纸要求,结合结构图、建筑图和节点详图和施工规范由厂家专业技术人员进行铝合金模板深化设计。
2、厂家铝模深化设计完后仔细核对,确保与设计蓝图准确无误后,由业主/设计院审查批准,方进行铝模生产制作。
3、铝模生产制作完成在工厂进行试拼装,由业主/设计院/监理到厂内预验收,模板成品按下表进行出厂前的检验:序号项目名称允许偏差检验方法1 铝模板高度±3mm 用钢卷尺2 铝模板长度-2mm 用钢卷尺3 铝模板板面对角线差≤3mm 用钢卷尺4 面板平整度2mm 用2m测尺和塞尺5 相邻面板拼缝高低差≤0.5mm 用2m测尺和塞尺6 相邻面板拼缝间隙≤0.8mm 直角尺和塞尺4、铝模试拼装并验收完成系统地进行编号,绘制好拼装图,作为施工现场工人施工图。
5、编号完成后拆除铝模并打包装车运至施工现场。
清点数量,复核每块模板的尺寸和平整度,符合设计要求。
6、组织施工管理人员及部分工人到厂家进行培训,熟悉铝模板安装拆卸方法、施工顺序及工序搭接操作要求。
7、学习万科集团《质量标准及实测实量方法》,把工程的质量标准、安全措施、成品的保护等施工注意事项对工人进行交底。
二、铝合金模板技术特点1、铝合金模板体系由模板系统,支撑系统,紧固系统,附件系统组成。
模板系统构成混凝土结构施工所需的封闭面,保证混凝土浇灌时建筑结构成型;附件系统为模板的连接构件,使单件模板连接成系统,组成整体;支撑系统在混凝土结构施工过程中起支撑作用,保证楼面,梁底及悬挑结构的支撑稳固;紧固系统是保证模板成型的结构宽度尺寸,在浇注混凝土过程中不产生变形,模板不出现涨模、爆模现象。
2、铝模系统将墙模,顶模和支撑等几大独立系统有机的结合为一体,一次将模板全部拼装完成,实现混凝土一次浇筑。
3、铝模的顶模和支撑系统实现一体化设计,将早拆技术融入了支撑系统,将大大提高模板周转率和施工效率,降低了材料成本和施工成本。