视频分配器使用说明
- 格式:doc
- 大小:55.00 KB
- 文档页数:1
视频分配放大器使用说明书视频分配放大器即可作为“前端视频分配放大器”或“中间视频分配放大器”来使用,也可以作为“终端视频分配放大器”来使用。
1.功能特点1.1号放大,提高图像质量;1.2高频补偿,防止因线路长造成视频信号质量下降而影响整个系统。
2.技术指标结构:一进三出、一进五出、一进九出、一进十三出视频输入:0.7V P-P~1.4 V P-P /75Ω视频增益:5~16dB频宽:0H Z~10MH Z工作电压:DC14.5V~20V一进三出功率:1.17W一进五出功率:1.62W一进九出功率:2.7W一进十三出功率:3.6W3.使用方法3.1接线第一步:先将视频电缆外层PVC,约15mm切除,不可伤及内层屏蔽丝网,然后把屏蔽丝网外翻;第二步:将视频电缆内层PVC切除,露出铜缆,把视频电缆旋入视频插头,旋紧;第三步:将插头里的铜缆插入视频分配放大器插座上,把插头上的螺母旋入插座螺纹中,旋紧。
3.2调试打开视频分配放大器的上盖:调节电路板上1K可调电阻(位号为R014)可调节分机图像清晰度;电路板的插针JP1、JP2为长距离高频补偿,当视频传输距离在200m以内将插针JP1插上,传输距离超过200m,将插针JP1和JP2都插上。
插针JP010为75Ω阻抗匹配,一般情况下,JP010不插,当整个系统视频阻抗不匹配时,将视频末端最后1个分配放大器里的JP010插上。
3.3安装3.3.1 1进9出和1进13出的视频分配放大器安装方法:安装说明:①将挂板用四个自攻螺丝固定在指定的位置上;②将放大器挂上。
3.3.2 1进3出和1进5出视频分配放大器安装方法:安装说明:①用十字螺丝刀将放大器的两个自攻螺丝旋出来,并打开;②将下壳用自攻螺丝固定在指定的位置上;③将上壳与下壳合上并用两个自攻螺丝旋紧。
4K UHD 1×4视频分配器文档版本: V1.0.0 文档编号:NS110000696用户手册西安诺瓦星云科技股份有限公司版权所有©2019 西安诺瓦电子科技有限公司。
保留一切权利。
非经本公司书面许可,任何单位和个人不得擅自摘抄、复制本文档内容的部分或全部,并不得以任何形式传播。
商标声明是诺瓦科技的注册商标。
声明欢迎您选用西安诺瓦电子科技有限公司(以下简称诺瓦科技)的产品,如果本文档为您了解和使用产品带来帮助和便利,我们深感欣慰。
我们在编写文档时力求精确可靠,随时可能对内容进行修改或变更,恕不另行通知。
如果您在使用中遇到任何问题,或者有好的建议,请按照文档提供的联系方式联系我们。
对您在使用中遇到的问题,我们会尽力给予支持,对您提出的建议,我们衷心感谢并会尽快评估采纳。
西安诺瓦星云科技股份有限公司用户手册更新记录更新记录西安诺瓦星云科技股份有限用户手册目录目录更新记录 .............................................................................................................................. i i1 简介 (4)2 特性 (5)3 外观 (6)4 尺寸 (8)5 应用场景 (9)6 菜单操作 (10)6.1 操作说明 (10)6.2 主界面 (10)6.3 主菜单 (10)7 产品规格 (13)8 常见问题处理 (14)西安诺瓦星云科技股份有限公司1 简介4K UHD 1×4是诺瓦科技开发的一款高性能、高稳定性、高清晰的4K视频分配器。
单台设备支持高达4096×2160@60Hz分辨率输入和输出,支持1路HDMI2.0输入,4路HDMI2.0实时输出,输入与输出分辨率一致。
操作方便,即插即用,适用于HDMI接口设备,兼容多种机顶盒、DVD、播放盒等。
硬盘录像机、视频分配器安装和配置1.硬盘录像机数字硬盘录像机(Digital Video Recorder简称DVR)集磁带录像机、画面分割器、视频切换器、掌握器、远程传输系统的全部功能于一体,本身可连接报警探头、警号,实现报警联动功能,还可进行图像移动侦测、可通过解码器掌握云台和镜头、可通过网路传输图像和掌握信号等。
与传统模拟监控系统相比,硬盘录像机组网简洁,便利实现网络监控及分控。
数字硬盘录像机是安防行业进展的一个新趋势,并将快速地替代传统模拟系统设备。
目前市场上消失了很多品牌和种类的数字硬盘录像机(DVR),有国外品牌和国产品牌;有PC式和嵌入式;PC式又可进一步分为基于LINUX操作系统和WINDOWS操作系统的等等。
2.视频采集卡监控压缩卡是将模拟摄像机、录像机、LD视盘机、电视机输出的视频信号等输出的视频数据或者视频音频的混合数据输入电脑,并转换成电脑可辨别的数字数据,存储在电脑中,成为可编辑处理的视频数据,根据其用途可分为:广播级、专业级和民用级监控压缩卡。
广播级视频采集卡特点是采集图象辨别率高,视频信噪比高,缺点是视频文件所需硬盘空间大。
每分钟数据量至少要消耗200MB。
(1) 监控压缩卡特点在电脑上通过视频采集卡可以接收来自视频输入端的模拟视频信号,对该信号进行采集、量化成数字信号,然后压缩编码成数字视频。
大多数视频卡都具备硬件压缩的功能,在采集视频信号时首先在卡上对视频信号进行压缩,然后再通过PCI接口把压缩的视频数据传送到主机上。
一般的PC视频采集卡采纳帧内压缩算法,把数字化的视频存储成AVI文件,高档一些的视频采集卡还能直接把采集到的数字视频数据实时压缩成MPEG-1格式的文件。
由于模拟视频输入端可以供应不间断信息源,视频采集卡要采集模拟视频序列中的每帧图像,并在采集下一帧图像之前把数据传入PC系统。
因此,实现实时采集的关键是每一帧所需的处理时间。
假如每帧视频图像的处理时间超过相邻两帧之间的相隔时间,则要消失数据的丢失,也即丢帧现象。
视频分配器作用及工作
原理
WEIHUA system office room 【WEIHUA 16H-WEIHUA WEIHUA8Q8-
视频分配器作用及工作原理
视频分配器的作用:是把一个视频信号源平均分配成多路视频信号的设备。
视频分配器工作原理:实现一路视频输入,多路视频输出的功能,使之可在无扭曲或无清晰度损失情况下观察视频输出。
通常视频分配器除提供多路独立视频输出外,兼具视频信号放大功能,故也成为视频分配放大器。
一路视频信号对应一台监视器或录像机,若想一台摄像机的图像送给多个管理者看,建议选择视频分配器,因为并联视频信号衰减较大,送给多个输出设备后由于阻抗不匹配等原因,图像会严重失真,线路也不稳定。
视频分配器除了阻抗匹配,还有视频增益,使视频信号可以同时送给多个输出设备短距离而不受影响,从而一定程度上保证视频传输的同步但对于长距离同轴电缆的传输的分支没有实际性的效果。
比如,前端摄像机采集来的视频信号通过视频分配器可以接入中心矩阵的同时,再接入硬盘录像机或显示设备等。
视频分配器通常有1路输入2路输出(即1进2出)、1进4出、1进8出等等。
深圳华天成常见的视频分配器还有4进8出,8进16出,16进32出等多种型号。
有的型号还带有字符叠加器和视频隔离器的功能。
还有2分4 8分24 16分48等。
字符叠加视频分配器效果:
视频分配器方案图:。
106MX2226AT 6-in 1-out RGBHV SwitcherThe MX2226AT is a 6-in 1-out RGBHV relay switcher controllable using its built-in front panel or via RS-232. The MX2226AT utilizes relays internally for each component channel,enabling it to pass a wide variety of other signal types as well, including RGBS, RGsB,Component Video (Y, R-Y, B-Y), S-Video (Y/C) and Composite Video LIST MX2226AT ......................................................995.00CALL FOR PRICEDA1917SX2-in 2-out VGA Auto Switcher/Distribution AmplifierCompact VGA switcher. Offers auto switching or manual switching by contact closure control (switch included). Built-in Distribution Amplifier;provides dual VGA outputs of selected input.LIST DA1917SX ..........................................................385.00CALL FOR PRICEMX2106AV2-in, 2-out VGA + 3.5mm Audio Auto-SwitcherThe MX2106AV is a 2-In, 2-Out VGA + 3.5mm stereo audio Auto-Switcher. The MX2106AV automatically switches on signal detection,but may also be controlled manually if desired.LIST MX2106AV ........................................................320.00CALL FOR PRICEMX2456RM 6-in 1-out VGA-UXGA and Stereo Audio SwitcherSelection of the inputs can be made using the built-in front panel or through a control sys-tem/computer via RS-232. The MX2456RM is also capable of being operated in auto-switch mode, which allows the switcher to sense and switch to an active video input. Selection of audio signals can be made to either “follow” the video channel or to “break-away” from it. This is made easy using separate banks of buttons on the front panel or through RS-232 control.LIST MX2456RM ......................................................1295.00CALL FOR PRICEDA1914SX 2-in 1-out RGBS AutoSwitcherCompact RGBS switcher. Offers auto switching ormanual switching by contact closure control (switch included).LIST DA1914SX ........................................................365.00CALL FOR PRICEDA1916SX2-in 1-out VGA Auto Switcher with Loop OutputCompact VGA switcher. Offers auto switching or manual switching by contact closure control (switch included). Input 1 provides a “Loop”output.LIST DA1916SX ........................................................350.00CALL FOR PRICEDistribution AmplifiersAll 1/2 rack designs with rack hardware except for the CDA-2 which is pocket size. CDA models outputs will drive 275' of cable. All AC powered.LISTCDA-2........1x2 Computer VGA-XGAw/ 5' cable ......................................139.00CDA4........1x4 Computer VGA-XGA..................399.00CDA6........1x6 Computer VGA-XGA..................559.00CVD-4........1x4 Composite video BNC ..............275.00CVD-6........1x6 Composite video BNC ..............310.00SVD-4........1x4 S-Video, 4-pin ..........................290.00SVD6........1x6 S-Video, 4-pin ..........................325.00RGB-4........1x4 RGBHV 5-BNC ........................849.00RGB-6........1x6 RGBHV 5-BNC ........................999.00RGB144....Configurable/bridgeable 1x4x4RGBHV distribution amp/ 5 BNC ..3995.00CALL FOR PRICECVD-4, CVD-6DA1706SV 1-in 6-out Video/S-VideoDistribution AmplifierA 1-in 6-out distribution amplifier designed to allow the simultaneous connection of a single C-Video source and/or a single S-Video source to as many as six different display or recording devices.This configuration, with both BNC (C-Video) and 4-pin mini-Din (S-Video) connector types, provides a unique solution for applications requiring both sig-nal types to be distributed at the same time. Note that the DA1706SV does not convert S-Video to C-Video or C-Video to S-Video. While the output is pre-compensated for up to 100 feet, the DA1706SV can actually drive a signal up to 250feet or more when it is used with high quality 75-ohm coaxial cable. 1 RU, 1/2 rack wide. Includes external power supply.LIST DA1706SV ..........................................................345.00CALL FOR PRICEDA1804NTThe DA1804NT is a high performance 1-in 4-out video distribution amplifier with 350 MHz band-width and very flat farequency response up to 200 MHz. It will pass NTSC, PAL or SECAM-type composite video signals as well as high-resolution monochrome computer video such as grayscale signals used in medical imaging. The DA1804NT can handle video signals with levels up to 1.5V p-p and using high quality 75 ohm coaxial cable, it can drive an NTSC signal 400 feet or more.Includes 9V 500mA power supply.LIST DA1804NT ........................................................245.00CALL FOR PRICEC O N F IDE N TI A LC O N T R A C T O R S AVDE A L E R S R E TA I L E R SS Y S T E M I N T E G R AT O R S S E C U R I T Y I N S TA L L E R S✔✔✔✔✔The prices in this catalog are only for:X XXXXXAudio/Video Baluns and Distribution ProductsHigh performance baluns to bi-directionally convert from coaxial audio/video connections to twisted pair and back to coaxial connections. Available in a wide range of models to accommodate composite, component, and VGA sources. Intelix also offers active send and receive sets for extended path lengths and VGA applications.A/V BALUNS LIST V1-INTELIX posite baseband, BNC-M to 1 RJ45, 2200 ft max..................................................................................................38.95V1-ST posite baseband, BNC-M to 2 screw terminal, 2200 ft max....................................................................................38.95V1-PTZ posite baseband, passes camera pan, tilt and zoom ctrl signals, F-BNC to 1 RJ45, 1250ft max ............................70.95V1-CV ponent video (three required for Y,Yb,Yr or RGB)RCA to screw terminal, 1000ft max ............................................38.95V1-AR posite, extended distance active receiver, BNC-M to screw terminals, 5000ft max................................................306.95V3........................................1 RGB video or 3 composite video, 3 BNC to 1 RJ45, 500ft max................................................................................118.95VB ........................................High bandwidth (baseband video to RF channel 120), 1 female F connector to 1 RJ45, 180ft max............................157.95V1A2....................................1 composite video w/stereo audio, 1 BNC-M and 2 RCA to RJ45, 2200ft max..............................................................88.95V2A2....................................2 composite video w/stereo-audio, 4 RCA to 1 RJ45, 2200ft max ................................................................................93.95SVA2....................................S-Video w/stereo audio, 1 4pin mini din, 2RCA to 1 RJ45, 1000ft max ......................................................................132.95A2-INTELIX ............................Dual mono or stereo audio w/duplex transmission, 2 RCA to 1 RJ45, 2500 ft max........................................................78.95A4........................................Four mono or dual stereo audio with duplex transmission, 4 RCA to 1 RJ45, 2500 ft max..........................................119.95VGA BALUNS LIST VGA-UHR ..............................Active VGA, includes send unit, receive unit, ps, and jumper cable, WSXGA (1920x1200) up to 550ft max................475.00VGA-HR ................................Active VGA, includes send unit, receive unit, ps, and jumper cable, UXGA (1600x1200) up to 350ft..........................389.95VGA2....................................Passive VGA, includes send and receive unit, SXGA (1280x1024) 200ft max..............................................................256.95DVI BALUNS LIST DVI ......................................Active DVI, includes send unit, receive unit, ps, and jumper cable, HD 1920X1080 up to 150ft max..........................559.95DISTRIBUTION AMP LIST AVDA8..................................1 Active DA, 1 input to 8 output, linkable up to 64 total outputs/compatible w/V1,V1-ST,V1A2,V2A2,and SVA2 baluns, max distance is 2200 ft for composite, and 1000 ft for S-Video.....................................................621.95CALL FOR PRICE107V1-ARV1-CVMONO/STEREO AUDIO COMPOSITE VIDEO COMPONENT VIDEORGB VIDEO BROADBAND VIDEOS-VIDEO VGA DVIREQUIRES SHIELDED CAT 5DISTRIBUTION HUBFINE TUNING CONTROLSREQUIRES POWERFACILITATES CAMERA CONTROLDUPLEX TRANSMISSIONUP TO 150'UP TO 180'UP TO 350'UP TO 500'UP TO 550'UP TO 1000'UP TO 1400'UP TO 2500'UP TO 5000'X XXXXXXXXXX X XXXXXXX X XXXXXXX XXXX XX XXX XXXX XXXX XXXX XXX XXXA2A4V1V1-ST V1-CV V1-PTZ V1-ARV3VBV1A2V2A2SVA2VGA2VGA -HRVGA -UHRAVDA -8DVID I S T A N C EF E A T U R ES I G N A L F O R M A TLT425D Digital Component Test Signal GeneratorA precision source of 10-bit 4:2:2 component digital test signals, the LT 425D offers features that make it an ideal choice for productions and development applications. These include both embedded AES/EBU digital audio test tones and a dedicated rear panel AES/EBU output. Front panel switching includes 625/50 or 525/60 operation (test signals adapt automatically to suit the system selected) on-off control of Y, Cb and Cr. Menu control of operating options is facilitated with front panel keys and on-screen menus. Rear panel facilities include 4 serial outputs (one digital black). 1 parallel output, 1 AES/EBU digital XLR audio output. 2 black burst analog outputs, a pair of genlock loop-through inputs and a 27-MHz clock output.LIST LT425D..............................................................600.00CALL FOR PRICEBD-03141x4 Serial Digital DAThis model can be used for any application requiring distribution of SDI signals of 143Mbs to 540Mbs. Features include power indicator on front panel, self terminating 75W BNC-SDI input, and 4 reclocked and equalized BNC-SDI outputs. May also be used as a signal repeater. Max cable distance of 600’ using Belden 8281 or equivalent. Includes power supply and owners manual. An optional base holder (V-CB1) is avail-able for use in desktop applications.LIST BD-0314..............One SDI in/4 SDI out DA......299.00 V-CB1..................Base holder............................19.95CALL FOR PRICEBD-0914-D1x4 HDSDI/SDI DAThis model can be used for any application requiring distribution of HDSDI or SDI signals 143Mbs to 1.5Gbs. Features include power indicator on front panel, self terminating 75W BNC-SDI input with adaptive equalization, 4 buffered and reclocked BNC-HDSDI or SDI out-puts. May also be used as a signal repeater. Max cable distances – 1150’ for 270Mbs using Belden 1694 or equivalent, or 450ft for 1.5Gbs using Belden 1694A or equivalent. Includes power supply and owners manual. An optional base holder (V-CB1) is available for use in desk-top applications.LIST BD-0914-D..............One HDSDI/SDI input/4HDSDI/SDI output DA........699.00 V-CB1....................Base holder..........................19.95CALL FOR PRICEComputer MonitorSwitchers VGA/XGALISTVP31............3x1, DB15 connectors..................445.00VP211DS......2x1 DB15 automatic+ RCA audio................................195.00CALL FOR PRICERack-MountCompositeVideo DistributorsStandard 19" rack-mount distributors for com-posite video with BNC connectors and loop-throughs, some have audio distribution, all havebuilt-in AC power supplies. LISTVM5ARII......1x5 video, RCA stereo audio..........495.00VM10XL......1x10 composite video BNC,audio RCA....................................575.00VM1015......1x5 video, AC/DCcoupled,Black/Tipclamped..........................795.00VM1021......1x20 video, AC/DC coupled,Black/Tip clamped......................1095.00VM1411......Dual 1x5 video,terminal block audio....................1145.00CALL FOR PRICEVM-10ARIIVideo/Audio SwitchersLIST4X1V................4x1 RCA....................................165.004X1VB..............4x1 BNC....................................165.004X1S................4x1 S-Video..............................165.00VP23................4x1 VGA/XGA, YC, CompositeVideo/Audio Switcher................595.00VP88-KRAMER..8x8 matrix balanced audio/RGBHV,RS232, RS485, Genlock..........2495.00VS4E................4x4 BNC, RCA audio................295.00VS4YC..............4x4 S-Video, RCA audio............365.00VS4X4YC..........4x4 BNC/S-Video, RCA audio,RS232......................................750.00VS5X4..............5x4 BNC, RCA audio,RS232....625.00VS6YC..............4x4 BNC/S-Video, RCA audio....825.00VS33V..............3x1 BNC....................................320.00VS41AV............4x1 BNC, RCA audio................240.00VS55V..............5x1 BNC....................................530.00VS55YC............5x1 S-Video..............................575.00VS81AV............8x1 BNC, RCA audio................280.00VS81AYC..........8x1 S-Video, RCA audio............280.00VS81V..............8x1 VNC....................................280.00VS84................8x4 BNC, RCA audio................460.00VS101AV..........10x1 BNC, RCA audio..............295.00VS421..............4x1 BNC, RCA audio................575.00VS606XL..........6x6 BNC, RCA audio,RS232/485..............................1145.00VS808XL..........8x8 BNC, RCA audio,RS232/485..............................1355.00VS1001XLM....10x1 BNC, RCA audio, RS2321080.00VS1202XL........12x2 Video/bal Stereo Audio....2160.00VS1202YC........12x2 BNC/S-Video, RCA audio,RS232....................................2195.00VS2016............16x1 BNC, RS232 control........1080.00VS2053............3x1 RGBHV, BNC,RS232 control............................880.00VS2081S..........8x1 S-Video, RS232 Control....1435.00VS4X................4x2 XLR audio..........................240.00VS55A..............4x2 RCA stereo audio................280.00VS81A..............8x2 RCA stereo audio................280.00VS84YC............8x4 S-Video + RCA audio..........460.00VS101AV..........10x1 BNC + RCA audio............295.00CALL FOR PRICEVS-55YCNon-RackmountVideo DistributorsLIST103AV..........................1x3 composite RCA video,stereo 3.5mm for audio..................180.00103YC..........................1x3 S-Video DA/Line amp..............210.00104R......................1x4 RF F-Connector................125.00105V............................1x5 Composite RCA........................180.00105VB....................1x5 composite BNC................180.00105S......................1x5 S-Video............................180.00PT-102S..................1x2 S-Video............................110.00VM3VXL..................1x3 composite BNC................180.00VM3SXL..................1x3 S-VIDEO..........................180.00VM5S......................1x5 composite BNC,stereo audio............................440.00VM10AN..................1x10 composite BNC,stereo audio............................585.00VM50A........................2x5 audio RCA..............................280.00VM50V....................1x5 composite BNC................280.00VM50YC..................1/5 S-Video............................295.00VM80V....................1x8 or dual 1x4,Composite BNC......................375.00VP200....................1x2 VGA/XGA HD15................100.00VP200XL..................1x2 VGA/XGA Line Amp HD15F210.00VP300-KRAMER......1x3 VGA/XGA HD15............150.00VP400....................1x4 VGA/XGA HD13................155.00VP200NA................1:2 VGA/XGA with unbalancedstereo audio............................155.00CALL FOR PRICEVM-80VNEED A TEMPORARY SOLUTION?We have thousands of answers. The majority of items in this catalog can be rented. It’s an opportunity to temporarily expand yourclients’existing systems. Call and ask for RENTALS today.FRONTBACK FRONTBACK108109WJ300C Distribution Amp1x6 or 2x3 analog composite distribution amplifi-er. S/N >60dB. Rack-mountable or tabletop use.LISTWJ300C ............................................................405.00CALL FOR PRICEBuffered Distribution AmplifiersHigh quality units with BNC connectors for Composite, models with audio have XLR inputs and RCA outputs. All models operate on 110/220 volts with automatic switching.LIST LTM-1X20......1x20 Composite and 1x20stereo audio, rack-mount ............695.00LTM-ADA6......2x6 Audio only, DB25 outputconnectors, 1/2 rack....................325.00LTM-CVDA ......1x4 Component 4-BNC,rack-mounted..............................395.00LTM-DVDA5....2x5 DV/IEEE1394, 2 inputswitched, 1/2 rack ......................295.00LTM-VDA6......1x6 Composite, no audio,1/2 rack ......................................250.00LTM-VDA6SV ..1x6 Y/C S-Video, no audio,1/2 rack ......................................295.00CALL FOR PRICELTM-1X20RGBMate Interfaces, Distribution Amps and SwitchingRGBMate manufactures a full line of utility selector switchers, video format converters, and distribution ampli-fiers. Please contact your FDW salesperson for assistance matching your application to the full array of products available.VIDEO INTERFACES LIST VI-570E ............PC Video Interface w/ RGB EQ........................................................................................648.00VI-640E ............PC Compact Universal 15pin Interface +Audio + EQ ......................................................680.00VI-510V pact VGA 15pin Interface ........................................................................................315.00VI-720E ............Dual Input/Switchable Universal Analog Interface w/ RGB EQ........................................1125.00VI-200WM ........1-in, 2 out VGA-UXGA DA Wall Mount ............................................................................356.00VI-210WMA ......1-in, 2 out Universal Computer Interface Two-Gang Wall Mount w/ Audio ......................640.00VI-220WMA ......1-in, 2 out Universal Interface Three-Gang Wall Mount w/ Audio and pass-through connectors VI-350WMA ......Dual Input/Switchable Universal Computer Interface Two-Gang Wall Mount w/ audio ......865.00DISTRIBUTION AMPLIFIERS LIST CDA-610A ........1-in, 6-out Composite Video + Stereo Audio DA ............................................................425.00CDA-610L ........1-in, 6-out, BNC Composite Video DA w/EQ ..................................................................526.00CDA-620L ........1-in, 12-out, BNC Composite Video DA w.EQ ................................................................674.00CDA-640L ........2 Units in one box each w/1-in, 12-out, BNC Composite Video DA w/EQ......................1072.00CSDA-610X ......1-in, 6-out S-Video DA with BNC Connectors ..................................................................255.00SDA-610E ........1-in Mini Din, 12-out BNC, 1 x 6 S-Video DA w/EQ..........................................................674.00SDA-610D ........1-in, 6 out S-Video BNC Connectors DA w/EQ ................................................................655.00SDA-610L ........1-in, 6 out S-Video Mini Din Connectors DA w/EQ............................................................526.00VDA-200L ........1-in, 2 out VGA-UXGA DA ..............................................................................................162.00VDA-610V ........1-in, 6-out VGA Distribution Amplifier..............................................................................896.00VDAC-120E ......Sting Ray Cable, 1 in 2 out VGA DA, w/EQ ......................................................................200.00HDA-610..........1-in, 6 out Component Video RCA DA ............................................................................855.002X1, 4X1 AND 6X1 VIDEO SWITCHERS LIST RVA-210S ........2-in, 1-out RGBHV, Composite Video, & Stereo Audio Switcher ......................................626.00VMS-1060......6-in, 1-out VGA + MAC Switcher ....................................................................................896.00SAS211............2 in, Buffered Dual out, RCA Connector Stereo Audio Switcher ......................................630.00 CVS211............2 in, Buffered Dual out, RCA Connector Composite Video Switcher ................................640.00CVS211A ..........2 in, Buffered Dual out, RCA Connector Composite Video w. Stereo Audio Switcher ........745.00HVS211..........2 in, Buffered Dual out, RCA Connector Component Video Switcher ..............................915.00 HVS211A ..........2 in, Buffered Dual out, RCA Connector Component Video w. Stereo Audio Switcher ..............1020.00SVS211............2 in, Buffered Dual out, Mini Din Connector S-Video Switcher ........................................720.00 SVS211A ..........2 in, Buffered Dual out, Mini Din Connector S-Video w. Stereo Audio Switcher ................760.00 VVS211............2 in, Buffered Dual out, 15 Pin HD VGA-UXGA Switcher................................................565.00SAS411............4 in, Buffered Dual out, RCA Connector Stereo Audio Switcher ......................................638.00 CVS411............4 in, Buffered Dual out, RCA Connector Composite Video Switcher ................................644.00CVS411A ..........4 in, Buffered Dual out, RCA Connector Composite Video w/Stereo Audio Switcher ........760.00HVS411..........4 in, Buffered Dual out, RCA Connector Component Video Switcher ..............................925.00HVS411A ........4 in, Buffered Dual out, RCA Connector Component Video w/Stereo Audio Switcher ....1032.00 SVS411............4 in, Buffered Dual out, Mini Din Connector S-Video Switcher ........................................724.00 SVS411A ..........4 in, Buffered Dual out, Mini Din Connector S-Video w/Stereo Audio Switcher................770.00VVS411............4 in, Buffered Dual out, 15 Pin HD VGA-UXGA Switcher ................................................869.00 SAS611............6 in, Buffered Dual out, RCA Connector Stereo Audio Switcher ......................................642.00CVS611............6 in, Buffered Dual out, RCA Connector Composite Video Switcher ................................648.00CVS611A ..........6 in, Buffered Dual out, RCA Connector Composite Video w/Stereo Audio Switcher ........801.00HVS611..........6 in, Buffered Dual out, RCA Connector Component Video Switcher ..............................931.00HVS611A ........6 in, Buffered Dual out, RCA Connector Component Video w/Stereo Audio Switcher ....1044.00SVS611............6 in, Buffered Dual out, Mini Din Connector S-Video Switcher ........................................728.00SVS611A ..........6 in, Buffered Dual out, Mini Din Connector S-Video w/Stereo Audio Switcher ................906.00 VVS611............6 in, Buffered Dual out, 15 Pin HD VGA-UXGA Switcher................................................873.00MATRIX SWITCHERSLIST FPC 001..........Front Panel Control Option for MSV, MSSV, & MSHD Series Matrix Switchers..................415.00MSV 0404........4-in, 4-out Modular Video Matrix Switcher ......................................................................690.00MSV 0404A ......4-in, 4-out Modular Video Matrix Switcher w/Stereo Audio ..............................................850.00 MSV 0804........8-in, 4-out Modular Video Matrix Switcher ......................................................................875.00 MSV 0804A ......8-in, 4-out Modular Video Matrix Switcher w/Stereo Audio ............................................1050.00 MSV 0808........8-in, 8-out Modular Video Matrix Switcher....................................................................1150.00 MSV 0808A ......8-in, 8-out Modular Video Matrix Switcher w/Stereo Audio ............................................1695.00 MSV 1608........16-in, 8-out Modular Video Matrix Switcher..................................................................1950.00 MSV 1608........16-in, 8-out Modular Video Matrix Switcher w/Stereo Audio ..........................................3750.00 MSV 1616........16-in, 16-out Modular Video Matrix Switcher ................................................................2250.00 MSV 1616A ......16-in, 16-out Modular Video Matrix Switcher w/Stereo Audio ........................................4600.00 MSSV 0404......4-in, 4-out Modular S-Video Matrix Switcher ................................................................1035.00CALL FOR PRICEDON’T FORGET!You must fill out theD E A L E R A P P L I C A T I O N Son pages 3 & 4 or online to purchase from this catalog.✔110TX-VCR Video Controlled RelayCauses relay closure on video signal detection.Can operate as either video presence or video loss detector. LIST TXVCR ............................................................154.78CALL FOR PRICERU-AVX4 Audio/Video SwitcherThis mixer features four video (75) and four stereo audio (RCA) inputs and one video (75)and 2 output.When a button is pushed, the cor-responding video and audio input is fed to the output of the RU-AVX4 and any previously selected source is shut off. Features include four keyboard style long-life pushbuttons on the front panel to select one of the inputs at a time (one source may be selected at a time), rear-panel terminal block provides four connections to remotely control the module and an LED indi-cator above each front-panel button shows which input is selected.LIST RUAVX4..........Audio/Video Switcher..............407.95CALL FOR PRICETX-VLA1 Video Line AmpFor driving low video signals and driving video lines up to 2000 feet. LIST TXVLA1..........................................................175.28CALL FOR PRICEVideo ProductsLISTRUVDA4......1x4 Video D.A., Loop-Thru In,75ohm Out. Specify BNC,Phono, or Type F Connectors.Adjustable Gain ..........................280.85RUVA2........Dual Channel Video Attenuator,BNC 75ohm In/Out, Adjustable ..169.13PS24A ........Power supply (required)................24.56CALL FOR PRICERU-VDA4DISTRIBUTION AMPLIFIERSMini-Brick ™: Battery Operated, high performance D.A.s LIST MVB/VDA4......Battery operated DA,1 in, 4 out ....................................177.00MVB/VDA2......Battery operated DA,1 in,2 out ....................................177.00Brick ™: 1-in, 4-out, high performance D.A.s(AC Adapter Included)LISTLTVB/VDA ........Loopthrough Video DA..................207.00LTVB/VDA-AA ..Loopthrough Video DAcan use grounded power..............264.00LTVB/VDA-DI ....Loopthrough VideoDA Differential Input ....................207.0031-111-104....Equalizing Video DAup to 300m 8281........................284.0031-111-204....Equalizing Video DAup to 300m RG-59......................284.0031-111-304....Equalizing Video DAup to 300m RTG-6......................284.00CVB/VDA ..........Clamping Video DA......................264.0014-113-604....S-Video DA ..................................185.00HBVB/VDA ......Humbucking Video DA ................244.0016-132-304....Audio DA......................................300.0016-134-604....Balanced Stereo Audio DA ..........360.00SAB/PKG ..........Video and BalancedStereo Audio DA Package ............589.00VB/12V ............Power Ground Isolator....................64.00VDA-640........Video DA......................................314.00ROUTING SWITCHES LIST 17-131-129....Automatic Video Switch,2 in, 1 out....................................289.00VB/4X1............Video Switch, 4 in, 1 out ..............216.00AB/S2X1..........Stereo Balanced Audio Switch,2 in, 1 out....................................216.00AB/4X1............Balanced Audio Switch,4 in, 1 out....................................216.00RACKMOUNTS LIST RM-1/4, RM-1/2, RM-3/4, RM-1Rackmount forconventional products....................49.00VBRM-8..........Rackmount for 7 to 8 Bricks ........175.00VBRM-6..........Rackmount for 5 to 6 Bricks ........149.00VBRM-4..........Rackmount for 3 to 4 Bricks ........124.00ABKT ..............Bracket to mount 1 or 2 Bricks......41.00CALL FOR PRICEBrick Video AccessoriesVideo Accessory Corporation ("VAC") manufactures a comprehensive line of precision video and audio dis-tribution amplifiers, switches, signal generators, and accessories in many input, connector and power supply variations. VAC's BRICK video products, and COMBO BRICKS video&audio devices, utilize broad-cast quality circuit designes in a proprietary encap-sulation process that results in compact and robust devices that work reliably in the most extreme envi-ronmental conditions. The list below is only a very small sample of what is available. To help you choose the model that exactly meets your require-ments, you may wish to use the Build-A-Brick prod-uct selection tool available at: /default.asp Your Full Compass sales asso-ciate will be happy to assist you.RUVSX4 Video SwitcherA four input/one output video switcher featur-ing loop-thru outputs, local or remote control,vertical interval switching and BNC connectors.LISTRUVSX4..........Video switcher..........................379.25PS24A ............Power supply (required)............24.56CALL FOR PRICETX-AVX Auto Video SwitchSwitches to auxiliary video input upon loss of primary video input. Detects and alarms on loss of video. LIST TXAVX ............................................................173.23CALL FOR PRICETX-MVX Manual Video SwitchFeatures 2x1 video selection or 1x2 video rout-ing. The TX-MXV allows for manual switching,remote control, NTSC/PAL operation and has BNC connectors.LIST TXMVX ..........................................................106.60CALL FOR PRICE。
Dual Input VGA Matrix Video SplitterST222MXST224MX ST228MX Instruction GuideThe Professionals’Source For Hard-to-Find Computer PartsMATRIX SPLITTER * Actual product may vary from photo* ST228MX shownFCC COMPLIANCE STATEMENTThis equipment has been tested and found to comply with the limits for a Class B digital device, pursuant to part 15 of the FCC Rules. These limits are designed to provide reasonable protection against harmful interference in a residential installation. This equipment generates, uses and can radiate radio frequency energy and, if not installed and used in accordance with the instructions, may cause harmful interference to radio communications. However, there is no guarantee that interference will not occur in a particular installation. If this equipment does cause harmful interference to radio or television reception, which can be determined by turning the equipment off and on, the user is encouraged to try to correct the interference by one or more of the following measures:• Reorient or relocate the receiving antenna.• Increase the separation between the equipment and receiver.• Connect the equipment into an outlet on a circuit different from that to which the receiver is connected.• Consult the dealer or an experienced radio/TV technician for help.Table of ContentsIntroduction . . . . . . . . . . . . . . . . . . . . . . . . . . . . . . . . . . . . . . . . . . . . . . . . . . . . . . . . . .2 Installation . . . . . . . . . . . . . . . . . . . . . . . . . . . . . . . . . . . . . . . . . . . . . . . . . . . . . . . . . . .3 Operation for Cascade . . . . . . . . . . . . . . . . . . . . . . . . . . . . . . . . . . . . . . . . . . . . . . . . .3 Technical Specifications . . . . . . . . . . . . . . . . . . . . . . . . . . . . . . . . . . . . . . . . . . . . . . . .4 Input/Output Signal Specifications . . . . . . . . . . . . . . . . . . . . . . . . . . . . . . . . . . . . . .4 Technical Support . . . . . . . . . . . . . . . . . . . . . . . . . . . . . . . . . . . . . . . . . . . . . . . . . . . . .5 Warranty Information . . . . . . . . . . . . . . . . . . . . . . . . . . . . . . . . . . . . . . . . . . . . . . . . . .5IntroductionThank you for purchasing a Dual Input VGA Matrix Video Splitter for your desktop computer or workstation. The ST222MX, ST224MX and ST228MX offer the highest quality video on multiple monitor hookups. The Matrix Video Splitter allows you to connect two, four or eight monitors to two or more computers and switch the video signals to any desired monitor. The Matrix Video Splitter is ideal for Public Video broadcast systems, demos and presentations, in-store product merchandising, information kiosks, and financial institutions.Features•Allows two computers to display different images on various monitors•Works with VGA,SVGA,XGA and Multisync monitors•Provides a resolution of up to 1920 x 1440 pixels with its high video bandwidth (250 Mhz)•Uses standard monitor extension cables ( coaxial VGA cables recommended for best picture quality)•Extends the video signal up to 213 ft. (65 m.) from your computer•Able to daisy chain multiple monitor hookups•Backed by ’s one-year warrantyBefore You BeginTo ensure a quick and easy device installation, please read this section carefully before installing the splitter.ContentsThis package should contain:• 1 x Matrix Video Splitter• 1 x power adapter (AC 7.5V 800mA)Installation1.Turn off the power to the computers and monitors.2.Connect a HD-15 video extension cable between the VGA cards of the computers andthe “Video In” ports on the back of the Matrix Video splitter.3.Connect the HD-15 video extension cables from the monitors and plug them into the“Video Out 1” and “Video Out 2” ports on the back of the splitter.4.Turn on the computers and the monitors.5.Connect the input power jack to the back of the matrix video splitter and plug thepower adapter into the wall or power bar.e the SELECT buttons on the front of the splitter to obtain the image either fromPC “A” ( the Linked LED “A” light displays in green) or from PC “B” ( the Linked LED “B” light displays in red).7.If the Linked LED “A” or Linked LED “B” does not display any color then the splitterhas been switched off.NOTE:•All the “Video Out” ports will connect with the “Video In” port of PC A while turning on the matrix video splitter•If you install the DDC monitor for the matrix video splitter, the rest of the monitors must be the same resolution as the DDC monitor.•Through the functionality of the DDC monitor, the “Video In” port of A will connect with the “Video Out” on port 1 and the “Video In” port of B will connect with the “Video Out” on port 2.•Available monitors include the VGA, SVGA, XGA, Multisync, and exclude the CGA, EGA, and MonoChrome.Operation for CascadeIf you need to add more monitors, you need to attach an additional matrix video splitter box.1.Connect a HD-15 male/male video extension cable from the “Video Out 1” port ofthe first Matrix Video splitter box to the “Video In” port of your second matrix video.2.Connect the input power jack to the back of the Matrix Video splitter and plug thepower adapter into the wall or power bar.NOTE:Even though you can cascade the splitters, the image might become unstable if you cascade too many tiers of video splitters.Technical SupportThe following technical resources are available for this product:On-line help:We are constantly adding new information to the Tech Support section of our web site. To access this page, click the Tech Support link on our homepage, . In the tech support section there are a number of options that can provide assistance with this product.Knowledge Base - This tool allows you to search for answers to common issues using key words that describe the product and your issue.FAQ - This tool provides quick answers to the top questions asked by our customers. Downloads - This selection takes you to our driver download page where you can find the latest drivers for this product.Call tech support for help:USA/Canada: 1-519-455-4931UK/Ireland/Europe: 00-800-7827-8324Support hours: Monday to Friday 9:00AM to 5:00PM EST (except holidays)Warranty InformationThis product is backed by a one-year warranty. In addition, warrants its products against defects in materials and workmanship for the periods noted, following the initial date of purchase. During this period, the products may be returned for repair, or replacement with equivalent products at our discretion. The warranty covers parts and labor costs only. does not warrant its products from defects or damages arising from misuse, abuse, alteration, or normal wear and tear.Limitation of LiabilityIn no event shall the liability of Ltd. and USA LLP(or their officers, directors, employees or agents) for any damages (whether direct or indirect, special, punitive incidental, consequential, or otherwise), loss of profits, loss of business, or any pecuniary loss, arising out of or related to the use of the product exceed the actual price paid for the product.Some states do not allow the exclusion or limitation of incidental or consequential damages. If such laws apply, the limitations or exclusions contained in this statement may not apply to you.Revised: December 01, 2003。
用户手册1x4 HDMI 分配器使用手册享受高清影像世界!尊敬的客户:您好!非常感谢您购买本公司的产品。
为了实现产品的最佳效果和保证安全,请您在对产品进行连接、操作、调试前仔细阅读本手册。
此手册请予以保留,以备将来查阅。
本公司所生产的HDMI转换器、切换器、网线延长器、矩阵、分配器等系列产品,其设计之目的是为了让您的影音设备使用起来更便捷,更舒适,更高效,更节能。
这款1 x4 HDMI分配器可以把一个高清信号源连接到四个高清显示终端。
它可以很容易地将一个高清信号源所产生的高清信号分配到四台支持高清信号的显示器或者投影机上。
另外,把它接在一根HDMI线的信号输出端时,可对HDMI信号进行放大。
本公司所生产设备为以下应用提供解决方案:如对噪声、传输距离及安全有限制的场所、数据中心控制、信息分配、会议室演示以及教学环境和公司培训场所。
真诚服务是我们的理念,顾客满意是我们的宗旨。
本公司将以最优惠的价格提供给客户最好的产品,并竭诚为客户提供优质服务。
产品特点:●一路HDMI1.3b版本信号输入分配成四路HDMI1.3b版本信号输出●兼容HDCP1.2●支持3D●支持CEC●支持30/36位深色●支持蓝光DVD24/50/60fs/HD-DVD/xvYCC●音频格式DTS-HD/Dolby-trueHD/LPCM7.1/DTS/DOLBY-AC3/DSD●支持信号时序重整。
●使用AWG26 HDMI 1.3版本的标准线缆,输入传输距离可达15米,输出传输距离可达25米。
●无信号损失●安装简单●需要DC5V/1A规格的电源随机配送附件图示:1、5V电压电源适配器2、说明书一份电源适配器物理连接口示意图:图1.0 前面板示意图:电源开关POWER :电源指示灯Input:HDMI输入指示灯Output1- Output4:HDMI输出指示灯图1.1 后面板示意图Ooutput1- Ooutput4: HDMI输出接口Input: HDMI输入接口DC/5V:5V直流电源接口连接与操作:1.通过一条HDMI线缆,把高清信号源和分配器的输入口连接起来。
User Manual1x4 HDMI Distribution Amplifier with 4K2K & HDCP Support Model PT-SP-HD14-4KDesigned in Germany© 2016 PureLink GmbH All rights reserved.Table of Contents1. Safety and Notice (2)2. Introduction (3)3. Features (3)4. Package Contents (3)5. Specification (4)6. Connection Diagram (5)7. Panel Description (6)8. Installation (7)9. Notice (7)10. Warranty (8)1. Safety and NoticePlease read all of these instructions carefully before you use the device. Save this manual for future reference. The PT-SP-HD14-4K 1x4 HDMI Distribution Amplifier with 4K2K & HDCP Support has been tested for conformance to safety regulations and requirements, and has been certified for international use. However, like all electronic equipments, the PT-SP-HD14-4K should be used with care. Please read and follow the safety instructions to pro-tect yourself from possible injury and to minimize the risk of damage to the unit.• Follow all instructions and warnings marked on this unit.• Do not attempt to service this unit yourself, except where explained in this manual.• Provide proper ventilation and air circulation and do not use near water.• Keep objects that might damage the device and assure that the placement of this unit is on a stable surface.• Use only the power adapter and power cords and connection cables designed for this unit.• Do not use liquid or aerosol cleaners to clean this unit. Always unplug the power to the device before cleaning.2. IntroductionThe PT-SP-HD14-4K 1x4 HDMI Distribution Amplifier with 4K2K & HDCP Support provides the most cost effective and advanced HDMI splitter solution on the market, by which the high definition video and high quality audio can be transmitted to 4 different locations without losing quality. PT-SP-HD14-4K supports all 3D formats and the true 4K2K video!With built-in Mini-USB firmware update mechanism, the compatibility among countless HDMI sources and recei-vers can be further guaranteed. With the upmost 36 bit deep color video and high definition audio support, PT-SP-HD14-4K is suitable for high quality HDMI broadcasting, digital signage and education applications!3. Features• Supports HDMI Deep Color & 3D / DVI 1.0 compliant• HDCP 1.3 compliant• Wide frequency range: 25MHz~340MHz• Video bandwidth: 10.2Gbps• Resolution up to 4K2K @30• Supports default EDID and has ability to learn the EDID of displays• Supports xvYCC, x.v.Color & Deep Color• Mini-USB firmware update for expanding compatibility• Supports Dolby Digital, DTS-HD and Dolby TrueHD audio• Easy installation4. Package Contents• 1x PT-SP-HD14-4K• 1x DC 5V2A wall wart• 1x User Manual5. Specifications6. Connection Diagram7. Panel DescriptionFront PanelRear Panel1. Power LED: Lights on when device is ready2. Signal LED:Signal LED indicator3. HDMI IN: Connect to a HDMI input source4. HDMI OUT1-4: HDMI outputs to HDMI displays[HDMI OUT1: EDID Learn Default]5. Mini-USB: For technical support only [f irmware update]6. MODE:0 - F/W update mode1 - EDID Full-HD(1080p@60) - 24bit 2D video & 7.1ch audio2 - EDID Full-HD(1080p@60) - 24bit 2D video & 2ch audio3 - EDID Ultra-HD(4K2K@30) - 24bit 2D video & 7.1ch audio4 - EDID Ultra-HD(4K2K@30) - 24bit 2D video & 2ch audio5 - EDID HD(1080p@30)(1080i@60)(720p@60) - 24bit 2D video & 2ch audio6 - Auto EDID analysis learning mode7 - EDID learning mode[Please use HDMI OUT 1port for learning EDID from display]7. +5V DC: Connect to the +5V DC 2A power supply unit43215671. Automatic EDID learning will detect all the connected HDMI equipped monitors and analyze all the content of EDID. The EDID with minimal resolution support will be the reference EDID for incoming HDMI source players.8. InstallationBroadcasts HDMI signal to 4 DVI displays!1. Switch off all devices, including monitors.2. Connect to the displays.3. Connect an HDMI source (such as a Blu-ray Disc player) to the HDMI In.4. Plug in 5V DC power supply.5. Power on the HDMI monitors.6. Power on the HDMI source.9. Notice1. While connecting a new monitor to the splitter under mode6(auto EDID) & mode7(EDID learning), experien-cing a short period of time without display might be expected. The splitter will do Automatic EDID learning which analyzes the newly connected monitor to see if the EDID for the HDMI input is necessary to update!.] 2. For firmware update through Mini-USB, users MUST turn the power off, set the dip switch to “ON”, and thenconnect an Mini-USB cable between PC and device. Open the firmware update software, [1] set the correct com port and baud rate (57600 is recommended), [2] click the “File” button to direct to the firmware HEX or BIN file, power on the device and press “Program MCU” symbol to firmware update. Once update process is done, please power off the device and set the dip switch back to “1”.10. Limited WarrantyThe SELLER warrants the PT-SP-HD14-4K 1x4 HDMI Distribution Amplifier with 4K2K & HDCP Support to be free from defects in the material and workmanship for 1 year from the date of purchase from the SELLER or an autho-rized dealer. Should this product fail to be in good working order within 1 year warranty period, The SELLER, at its option, repair or replace the unit, provided that the unit has not been subjected to accident, disaster, abuse or any unauthorized modifications including static discharge and power surge. This warranty is offered by the SELLER for its BUYER with direct transaction only. This warranty is void if the warranty seal on the metal housing is broken. Unit that fails under conditions other than those covered will be repaired at the current price of parts and labor in effect at the time of repair. Such repairs are warranted for 90 days from the day of reshipment to the BUYER. If the unit is delivered by mail, customers agree to insure the unit or assume the risk of loss or damage in transit. Under no circumstances will a unit be accepted without a return authorization number.The warranty is in lieu of all other warranties expressed or implied, including without limitations, any other im-plied warranty or fitness or merchantability for any particular purpose, all of which are expressly disclaimed. Proof of sale may be required in order to claim warranty. Customers outside Taiwan are responsible for shipping charges to and from the SELLER. Cables and power adapters are limited to a 30 day warranty and must be free from any markings, scratches, and neatly coiled.The content of this manual has been carefully checked and is believed to be accurate. However, The SELLER assu-mes no responsibility for any inaccuracies that may be contained in this manual. The SELLER will NOT be liable for direct, indirect, incidental, special, or consequential damages resulting from any defect or omission in this manual, even if advised of the possibility of such damages.Also, the technical information contained herein regarding the PT-SP-HD14-4K features and specifications is subject to change without further notice.Asking for AssistanceTechnical Support:Phone: +49 5971 800299 - 0Fax: +49 5971 800299 - 99Technical Support Hours:8:30 AM to 5:00 PM Monday thru Thursday8:30 AM to 4:00 PM FridayWrite To:PureLink GmbHVon-Liebig-Straße 10D - 48432 Rheinewww.purelink.de。
HDMI分配器型号:XW-HD0104使用手册(本手册型号XW-HD0104)亲爱的顾客:谢谢您购买了本产品。
为了有效、安全地使用本产品,请在您安装、调试本产品前仔细阅读本手册。
并请保留本手册作为将来的参考。
特色●使用简单:无需设置,可立即使用。
●可堆叠:通过堆叠XW-HD0104,连接的HDMI设备数量可以更多。
●支持HDCP国际标准(高带宽数码内容保护) 1.0/1.1。
●支持HDMI1080P。
声明在没有预先书面通知的情况下,讯维公司保留以下权力:修改硬件、包装以及产品随同文件。
手册内容简介包装内容面板说明安装操作产品规格典型应用示意维护产品维修保修警告:为了降低火灾、触电及损害产品的风险:1) 不要把本设备暴露在雨淋、潮湿、滴漏的环境中。
不要将花瓶一类的盛装液体的容器放置在本设备上。
2) 不要将本设备安装在书架、橱柜等狭窄空间内。
应确保本设备通风良好。
3) 不要用报纸、桌布、窗帘等类物品遮住本设备的散热孔。
4) 不要将本设备安装在暖气、火炉以及包括功放等热源附近。
5) 不要将明火,例如点燃的蜡烛放置在本设备上。
6) 只用干燥的抹布来清洁本设备。
7) 在雷电天气或长期不用的情况下请将本设备断开电源。
8) 保护电源线,不要被踩踏或被用力拉拽。
9) 只使用生产商指定的附件。
10) 不要自行拆卸本设备,请将维修工作交给有资格的维修人员。
11) 不要将除连接线以外的金属线或铁片插入信号接头。
简介讯维的HDMI分配器XW-HD0104是一个四端口的HDMI分配器。
可以将输入的HDMI 信号分配成四路一致、同步的HDMI号输出。
由于XW-HD0104具有信号缓冲、放大能力,因此对于输入的HDMI信号,可以通过串接XW-HD0104的方法实现超过15米的远距离传输(扩展);通过堆叠XW-HD0104的方法,可以显著提高HDMI输出端口的数量。
XW-HD0104为以下应用提供解决方案:HDTV、数字机顶盒、DVD、投影机的零售及展示场所;HDTV、数字机顶盒、DVD、投影机生产工厂的测试环境;数据中心控制;信息分配;会议室演示;教学环境和培训场所;以及对噪声、传输距离及安全有限制要求的应用。
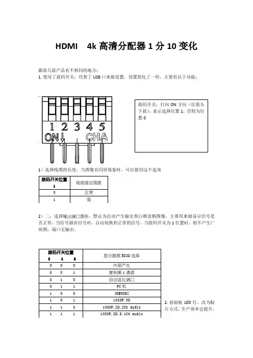
HDMI 4k 高清分配器1分10变化
跟前几款产品有不相同的地方:
1. 使用了拔码开关,代替了USB 口来做设置,设置简化了一些。
主要有以下功能:
1)选择线缆的长度,当图像有闪屏现象时,可以使用这个选项
2)二:选择输出端口图形,默认为自动产生输出黑白棋盘格图像,主要用来做显示信号是否正常。
当信号源有信号时,自动切换到正常的信号。
当拔码开关为1位置时,则不产生广块图,端口无输出。
2. 前面板LED 灯,改为贴片方式,生产效率会提升。
拔码开关,打向ON 方向(往箭头
下拔),表示选择位置1,否则为位
置0。
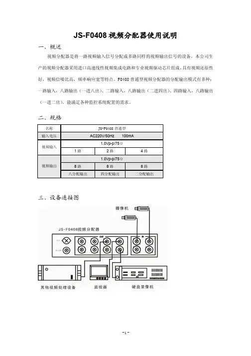
JS-F0408视频分配器使用说明
一、概述
视频分配器是将一路视频输入信号分配成多路同样的视频输出信号的设备。
本公司生产的视频分配器采用进口高速线性视频集成电路和专业视频驱动芯片组成,具有视频还原性好,视频信噪比高,频率响应宽等特点。
F0408普通型视频分配器的分配输出模式有多种:一路输入,八路输出(一进八出)、二路输入,八路输出(二进四出)、四路输入,八路输出(一进二出)。
能满足各种监控系统配置的需求。
二、规格
名称JS-F0408普通型
输入电压AC220V/50Hz100mA
1.0Vp-p/75Ω
视频输入
1路2路4路
1.0Vp-p/75Ω
视频输出
8路8路8路
八分配输出四分配输出二分配输出
三、设备连接图
四、技术性能指标
技术参数技术指标
视频输入幅值1Vp-p(75Ω)
视频输出幅值1Vp-p(75Ω)
视频信噪比≥70dB
频率响应带宽≥12MHz
供电电压AC220V100mA
整机功耗5W
工作温度-10℃-+60℃
环境湿度<90%
外形尺寸(W×D×H)186x112x43(mm)
五、注意事项
●使用前请详细阅读用本手册
●请将设备安装在通风、干燥处
●当机器出现故障时,非专业技术人员请勿擅自修理设备,并及时
与本公司联系。
Video DistributorMANUALVA-1102B-WQVA-1104B-WQ 1 Video Input 2 Video Outputs1 Video Input 4 Video OutputsENFORCER VIDEO DISTRIBUTOR2SECO-LARM U.S.A., Inc.Table of Contents: Introduction............................... 2 Specifications............................ 2 Parts List ................................... 2 Features .. (2)Introduction:Installation ............................... 2 Overview................................. 3 Sample application .................... 4 Troubleshooting. (4)Distributes 1 video input to 2 or 4 video outputs. Compatible with both color and B/W signals. Connect to a video camera, multiplexer, DVR and so on.Signals are cleaned and buffered to ensure clear, video is displayed up to 1000’ (300m).Specifications:Installation: 1. Mount and install the distributor where the video inputs and outputs can be easily accessed. 2. Plug the male BNC connector into the input female BNC connector on the distributor.3. Plug the male BNC connectors (2 or 4) into the output female BNC connectors on the distributor.4. Connect power to the distributor with the included 12VDC power adaptor or to 24VAC.5.Turn on power to the displays and the video output unit the distributor is connected to.The ENFORCER VA-1102B-WQ and VA-1104B-WQ Video Distributors are the ideal way to distribute a single video signal to multiple locations. Using noise-rejection circuitry, the video distributors actively duplicate video signals to be sent to either 2 or 4 separate locations. The distributor buffers incoming signals before duplication for clean transmission. The unique design allows multiple SECO-LARM CCTV accessories to be interlocked while providing each one with power through the pass-through circuit.Gold-plated BNC connectors LED power indicator.Pass-through circuit: Power output can power nearby devices. (VA-1102B-WQ only)Designed to interlock with other SECO-LARM CCTV baluns. (VA-1102B-WQ only)ENFORCER VIDEO DISTRIBUTORSECO-LARM U.S.A., Inc 3Interlocking 1-in-2-out Video Distributors Overview: Patented Interlocking Design:ENFORCER Video Distributors are designed to interlock with other SECO-LARM CCTVAccessories. This creates cleaner and more attractive installations, and greatly reduces the timeneeded for installation.1-in-2-out Video DistributorVideo outputsPower outputPower input 1-in-4-out Video DistributorSample Application: CCTV Camera 12VDC Power Adapter *ORWILL DAMAGE THE UNIT AND VOID THE WARRANTY.ENFORCER VIDEO DISTRIBUTOR4 SECO-LARM U.S.A., Inc.Power LED indicator not lit• Make sure power is connected to the distributor.WARRANTY This SECO-LARM product is warranted against defects in material and workmanship while used in normal service for a period of one (1) year from the date of sale to the original consumer customer. SECO-LARM’s obligation is limited to the repair or replacement of any defective part if the unit is returned, transportation prepaid, to SECO-LARM. This Warranty is void if damage is caused by or attributed to acts of God, physical or electrical misuse or abuse, neglect, repair, or alteration, improper or abnormal usage, or faulty installation, or if for any other reason SECO-LARM determines that such equipment is not operating properly as a result of causes other than defects in material and workmanship.The sole obligation of SECO-LARM, and the purchaser’s exclusive remedy, shall be limited to replacement or repair only, at SECO-LARM’s option. In no event shall SECO -LARM be liable for any special, collateral, incidental, or consequential personal or property damages of any kind to the purchaser or anyone else.NOTICE: The information and specifications printed in this manual are current at the time of publication. However, the SECO-LARM policy is one of continual development and improvement. For this reason, SECO-LARM reserves the right to change specifications without notice. SECO-LARM is also not responsible for misprints or typographical errors. Copyright © 2008 SECO-LARM U.S.A., Inc. All rights reserved. This material may not be reproduced or copied, in whole or in part, without the written permission of SECO-LARM.SECO-LARM ®U.S.A., Inc . 16842 Millikan Avenue, Irvine, CA 92606Website: Tel: 800-662-0800 / 949-261-2999 Fax: 949-261-7326E-mail: sales @MiVA-110xB-Troubleshooting:Video Distributor does • Make sure the power, input and output cables are not function correctlyconnected firmly to thedistributor. • Make sure the video input device is turned on. • Make sure the video output device is turned on. • Test the coaxial cable between the video source and the distributor to make sure it is functional.• Test the coaxial cable between the video display and the distributor to make sure it is functional.PITSW4Also Available from SECO-LARM :Passive VGA BalunPassive Video Balun Video AmplifierEVT-PB1Q EVT-SBP-GQVA-2101B-WQSECO-LARM has a complete line of security products. Please visit for more information.。
Instruction ManualDE: Bedienungsanleitung - FR: Guide de l'utilisateur - ES: Guía del usuario - IT: Guida per l'uso - NL: Gebruiksaanwijzing - PT: Guia do usuário - Manual Revision: 06/06/2014For the most up-to-date information, please visit: Packaging Contents• 1x HDMI Audio/Video Splitter (ST122HD4KU)•1x Power Adapter (NA/EU/UK/AUS)•1x USB power Cable •1x Instruction Manual System Requirements• 1x HDMI-enabled Video Source Device (i.e. Blu-ray player, computer, etc.)• 2x HDMI-enabled Display Devices w/ cabling (i.e. Television, projector, etc.)Product DiagramFront ViewHardware InstallationNote: Ensure your HDMI-enabled video source device, and the HDMI-enabled Display Devices are powered off before you begin installation.1. Connect the HDMI Input Dongle Cable on the ST122HD4KU from the A/V output port of your HDMI-enabled Video Source Device.2. Connect an HDMI cable (not included) from each of the HDMI output ports on the ST122HD4KU to the HDMI input port on your HDMI-enabled Display Devices. Note: Each port is numbered, please take note of which number is assigned to each HDMI-enabled display device.3. Power on each HDMI-enabled Display Device, followed by your HDMI-enabled Video Source Device.4. Connect the included power adapter from an available power source to the power adapter port on the ST122HD4KU. OrIf you would prefer to use a USB power source, connect theincluded USB power cable from an available USB power source, to the power adapter port on the ST122HD4KU.5. Your Video source device A/V output will now appear on each attached HDMI-enabled display device.ST122HD4KU2-Port HDMI® Splitter with USB Power – 4KHDMI Output Port 1HDMI Output Port 1 Activity LEDHDMI Input Dongle CableHDMI Output Port 2 Activity LEDHDMI Output Port 2HDMI Output Port 2Rear ViewActivity LEDEach HDMI output port on the ST122HD4KU is equipped with an Activity LED. This LED will light while an active HDMI display is attached and receiving a video input signal.FCC Compliance StatementThis equipment has been tested and found to comply with the limits for a Class B digital device, pursuant to part 15 of the FCC Rules. These limits are designed to provide reasonable protection against harmful interference in a residential installation. This equipment generates, uses and can radiate radio frequency energy and, if not installed and used in accordance with the instructions, may cause harmful interference to radio communications. However, there is no guarantee that interference will not occur in a particular installation. If this equipment does cause harmful interference to radio or television reception, which can be determined by turning the equipment off and on, the user is encouraged to try to correct the interference by one or more of the following measures:• Reorient or relocate the receiving antenna.• Increase the separation between the equipment and receiver.• Connect the equipment into an outlet on a circuit different from that to which the receiver is connected.• Consult the dealer or an experienced radio/TV technician for help.Use of Trademarks, Registered Trademarks, and other Protected Names and SymbolsThis manual may make reference to trademarks, registered trademarks, and other protected names and/or symbols of third-party companies not related in any way to . Where they occur these references are for illustrative purposes only and do not represent an endorsement of a product or service by , or an endorsement of the product(s) to which this manual applies by the third-party company in question. Regardless of any direct acknowledgement elsewhere in the body of this document, hereby acknowledges that all trademarks, registered trademarks, service marks, and other protected names and/or symbols contained in this manual and related documents are the property of their respective holders.Technical Support’s lifetime technical support is an integral part of our commitment to provide industry-leading solutions. If you ever need help with your product, visit /support and access our comprehensive selection of online tools, documentation, and downloads. For the latest drivers/software, please visit /downloadsWarranty InformationThis product is backed by a two year warranty.In addition, warrants its products against defects in materials and workmanship for the periods noted, following the initial date of purchase. During this period, the products may be returned for repair, or replacement with equivalent products at our discretion. The warranty covers parts and labor costs only. does not warrant its products from defects or damages arising from misuse, abuse, alteration, or normal wear and tear.Limitation of LiabilityIn no event shall the liability of Ltd. and USA LLP (or their officers, directors, employees or agents) for any damages (whether direct or indirect, special, punitive, incidental, consequential, or otherwise), loss of profits, loss of business, or any pecuniary loss, arising out of or related to the use of the product exceed the actual price paid for the product. Some states do not allow the exclusion or limitation of incidental or consequential damages. If such laws apply, the limitations or exclusions contained in this statement may not apply to you.Specifications。
V 16-32
视频分配器说明书
一、特点:
16路视频输入、32路视频输出,1分2系列视频分配器,具有过压保护功能,信号放大功能和单元路隔离功能,路与路之间不干扰。
二、技术指标:
供电功率:A V220V 50Hz
耗电功率:5W
保险:2A (FUSE)
输入信号:0.5VP-P~2.0VP-P 复合视频信号:1 6个75ohm BNC
输出信号:0.5VP-P~2.0VP-P 复合视频信号:32 个75ohm BNC
频宽:20MHz (±3db 10Hz~10MHz)彩色兼容
信噪比:-65DB
表面颜色:亮灰
样式:台式
尺寸:435mm×185mm×55mm
温度:0℃—49℃
重量:2KG
三、操作使用:
将CCD摄像机送来的视频信号接入分配器各路的IN,由各路的OUT 输出,分别用Q9头接到视频信号通道。
打开电源开关即可处于工作状态。
四、前面、后面板示意图:
VIDEO
DISTRIBUTOR
FUSE POWER。