潜水排污泵的技术要求
- 格式:docx
- 大小:13.23 KB
- 文档页数:2
污水泵技术要求1 运行要求1.1 水泵在供电范围内能正常启动和运行,其运转应平稳、自如,无汽蚀产生,无固体卡阻和纤维物缠裹等现象。
且在全扬程的使用下,功率曲线保持平稳。
1.2 水泵在全淹没或部分淹没的情况下,采用介质冷却能连续不断地运行、间歇运行及长期停泵后快速恢复运行。
1.3 同一集水坑内的水泵应有自动切换的功能,平时根据程序的设定自动交替进行,发生故障及时报警,并切换到备用泵。
1.4 水泵连续运转时每小时启动次数应不小于15次,且不影响使用寿命。
1.5 水泵应标有明显的旋转方向标记。
2.基本要求2.1 投标人提供的潜水排污泵采用进口知名品牌:FLYGT,ITT-robot,GRUNDFOS,KSB ,RITZ。
可接受这些品牌在国内正式工厂产品,需提供这些品牌国内生产工厂的注册资料及ISO9001质量认证书,并需提供产地证明及出厂检测报告。
水泵的形式为立式自耦安装潜水泵,叶轮形式为半开式涡流泵,整体结构设计合理。
2.2 除易损件可在正常使用寿命间更换外,水泵的整机使用寿命应不小于15年。
2.3 水泵的设计应具备优异的防堵塞性能,能够泵送污/废水,或大直径固体的污废水,并综合考虑水温、水质、固体颗粒等因素,适宜于洗衣房、厨房、车库、生活卫生等污废水的泵送,运行稳定,检修方便。
2.4 水泵外表应美观光滑、整洁、无划痕、锈蚀和压伤,喷涂的环氧树脂防腐层应均匀,色调一致,无气泡和剥落现象。
2.5水泵运行时最大噪声值不超过65分贝。
2.6 泵壳应是整体高等铸铁制作而成,材料性能不低于HT250,泵外壳应由灰铸铁制成,轴套应为不锈钢,轴应由不锈钢制成。
2.7 叶轮的材质应具备长期运行且具优良的耐磨、耐腐蚀性能,材质选用球墨铸铁,并且应可靠地固定在轴上,以防止旋转时产生轴向或径向移动。
2.8 轴承应选用具有油脂润滑的滚动轴承,应能有效地承受所有的轴向力和径向力,且为国际名牌优质产品:SKF,NTN,NSK。
潜水排污泵执行标准潜水排污泵是一种用于排放废水、污水的设备,广泛应用于城市污水处理、工业废水处理、农村污水处理等领域。
为了确保潜水排污泵的安全、高效运行,制定和执行相应的标准显得尤为重要。
首先,潜水排污泵应符合国家相关标准,包括但不限于《潜水电泵通用技术条件》(GB/T 28184-2011)、《潜水排污泵》(GB/T 32161-2015)等标准。
这些标准规定了潜水排污泵的技术要求、性能指标、安全要求等内容,对于生产、销售、使用过程中的各个环节都有明确的规定,有利于保障潜水排污泵的质量和安全性。
其次,潜水排污泵在使用过程中,应严格按照产品说明书和操作手册执行。
操作人员必须经过专业培训,了解潜水排污泵的结构、性能、使用方法等,严格按照操作规程进行操作。
在日常维护保养中,也要按照产品说明书的要求进行,定期进行清洗、检查、润滑等工作,确保潜水排污泵的正常运行。
另外,对于潜水排污泵的安装、调试、维修等工作,也应制定相应的执行标准。
在安装过程中,要严格按照相关规范进行,确保潜水排污泵的安全、稳定安装在指定位置。
在调试和维修过程中,也要按照标准操作,避免因操作不当导致的故障和事故。
最后,潜水排污泵的使用单位应建立健全的管理制度,明确各项工作的责任人和执行标准。
定期进行设备检查、维护、保养工作,及时发现和解决问题,确保潜水排污泵的正常运行。
对于违反执行标准的行为,要及时进行整改和处理,以避免因操作不当而导致的设备故障和安全事故。
总之,潜水排污泵的执行标准对于保障设备的安全、稳定运行至关重要。
只有严格执行相关标准和规范,才能有效防范潜水排污泵在使用过程中出现的各种问题,确保设备的正常运行,为污水处理工作提供可靠的支持。
潜污泵招标要求一、概述潜污泵是一种用于排放或输送含有固体颗粒、液体或污水的设备,广泛应用于城市污水处理、工业废水处理、农田灌溉等领域。
本文旨在提供潜污泵招标的详细要求,以确保招标过程的公平性、透明度和有效性。
二、技术要求1. 性能参数:- 最大流量:500立方米/小时- 最大扬程:30米- 最大功率:30千瓦- 最大颗粒直径:50毫米- 进出口直径:100毫米2. 设备要求:- 泵体材质:不锈钢- 叶轮材质:耐磨合金- 密封方式:机械密封- 整机防护等级:IP68- 工作温度范围:0-40摄氏度- 电源电压:380伏特,50赫兹3. 其他要求:- 设备应具备自动保护功能,如过载保护、过热保护等。
- 设备应具备远程监控和故障报警功能。
- 设备应具备低噪音、低振动、高效率的特点。
- 设备应符合国家相关标准和法规要求。
三、质量要求1. 供应商应提供潜污泵的质量保证书,确保设备符合国家标准和技术要求。
2. 供应商应提供设备的性能测试报告,包括流量、扬程、功率等参数的测试结果。
3. 供应商应提供设备的检测报告,包括外观检查、材质检测、密封性能检测等。
四、交货要求1. 供应商应按照合同约定的交货期限交付设备。
2. 设备应包装完好,以确保在运输过程中不受损坏。
3. 供应商应提供设备的安装、调试和维护指南,以便用户能够正确使用和维护设备。
五、售后服务要求1. 供应商应提供设备的保修期限,并明确保修范围和保修责任。
2. 供应商应提供设备的维修和更换零件的服务,以确保设备的正常运行。
3. 供应商应提供设备的培训服务,包括操作、维护和安全注意事项等。
六、投标要求1. 供应商应提供企业资质证明,包括营业执照、组织机构代码证等。
2. 供应商应提供类似产品的成功案例,包括项目名称、合同金额、合作时间等。
3. 供应商应提供详细的报价单,包括设备价格、运输费用、安装费用等。
七、评标标准1. 技术指标得分占60%,包括性能参数、设备要求等。
第二卷标准、规范和技术要求1、潜水污水泵1.1供货范围:详见《货物需求一览表》,潜水污水泵主要由水泵主机、自耦装置系统、导杆、起吊提升链、就地控制箱、潜水电缆、接线端子箱及安装附件等组成。
1.2技术参数设备性能参数使用条件:1)工业废水、城市污水(含有固体和长纤维);2)含有可燃气体的场合;3)水温不超过60℃;4)介质的PH值为2-10。
1.3特性要求:产品主要性能如下:1、电机:三相鼠笼电机,380V三相50HZ,防护等级IP68,定子绝缘等级不低于F级2、轴承:轴承具有足够的承载能力,能承受在任何工况下的轴向和径向载荷,耐高温润滑油脂,轴承寿命不小于100000小时。
3、机械密封:机械密封,使用寿命不小于25000小时。
4、接线室:防水接线室,防水电缆进口防拉、防缠绕保护。
5、多项报警系统:配有漏水、漏电、漏油、过载、欠压、缺相等多项报警保护系统和液位控制系统。
6、全扬程:潜污泵能在任一工况点高效、安全、可靠运行而电机不会过载。
7、泵出水配管法兰应按ISO标准,公称压力1MPa为准。
1.4、采用规范及标准ISO9906/2 《泵验收试验规程》ISO1940/1-73G6.3 《对刚性旋转机械的机械振动平衡要求》JB/T8098-1995 《泵的噪声测量与评价方法》GB/T4942.1-2006 《旋转电机外壳防护分级》GB/T12785-2002 《潜水电泵试验方法》GB/T24674-2009 《潜水排污泵》HJ/T336-2006 《潜水排污泵》1.5、型式及性能(1)型式泵为立式、无堵塞、可拆卸的,叶轮与潜水电机直接联结成一个整体,泵能够输送原污水。
泵在全浸没或部分浸没的条件下连续工作,同时能适应于连续运行,间歇运行和长期停止状态后恢复运行。
泵的设计保证在整个负荷范围内,无震动和无汽蚀地平稳运行。
泵装置的旋转部件经过静平衡和动平衡试验。
设计的装置满足本工程设计所留出的空间,吸入条件,杂物通过能力和装拆条件。
潜水排污泵的技术要求
1.材料选择:潜水排污泵的内部零部件需要使用耐腐蚀材料,以应对
废水和污水中的化学物质。
常用的材料有不锈钢、铸铁和塑料等。
同时,
潜水排污泵的外壳也需要采用防腐蚀材料,以延长其使用寿命。
2.防水性能:潜水排污泵需要具备良好的防水性能,以确保其能够在
水中安全运行。
它通常采用双重密封设计,包括机械密封和液压密封,以
避免水进入电机内部。
另外,潜水排污泵还需要配备漏电保护装置,以确
保使用过程中的安全性。
3.耐久性和可靠性:潜水排污泵通常需要经受长时间的连续运行,在
此期间,它需要能够承受废水和污水的冲击和腐蚀。
因此,潜水排污泵的
内部零部件需要耐磨、耐腐蚀,并且具有良好的密封性能。
同时,潜水排
污泵还需要有较高的抗堵塞能力,以防止废水和污水中的固体颗粒堵塞泵体。
4.能效性能:潜水排污泵的能效性能是衡量其性能优劣的重要指标。
能效性能主要包括效率和功率因数两个方面。
高效率可以减少能源的消耗,而高功率因数可以减少电网的负荷。
因此,潜水排污泵的设计和制造中需
要采用先进的技术和材料,以提高其能效性能。
5.操作和维护:潜水排污泵设计应考虑到操作和维护的便利性。
例如,它需要有合理的结构设计和尺寸,以便于安装、调试和维修。
另外,潜水
排污泵还应具备远程监控和故障诊断功能,以便及时发现和处理故障。
总之,潜水排污泵的技术要求包括材料选择、防水性能、耐久性和可
靠性、能效性能以及操作和维护的便利性等方面。
只有具备这些要求,才
能保证潜水排污泵的正常运行和长久使用。
不锈钢潜水排污泵安全操作规定前言不锈钢潜水排污泵是一种常见的用于排放污水的设备,它采用电动机驱动叶轮,从而产生高压力,将水和固体物质排出水体。
然而,潜水排污泵在操作中也存在一定的危险性。
本文将介绍不锈钢潜水排污泵的安全操作规范,旨在保证人员和设备的安全。
操作前准备检查设备在操作前,应对潜水排污泵的设备进行全面检查。
检查项包括但不限于:1.检查电缆是否有磨损2.检查电源线是否在设备上方,以避免水欲缠绕线绳的情况3.检查机壳和电缆接头是否严密4.检查电缆是否处于断电状态检查环境操作前,应对潜水排污泵所处的环境做出全面检查。
检查项包括但不限于:1.检查排污口周围是否有杂物或固体物质2.检查排污口附近是否有人员在工作3.检查污水的深度是否符合排污泵的使用要求4.检查是否存在危险电器穿戴防护装备在操作潜水排污泵时,应穿戴以下防护装备:1.防滑鞋:以避免在水面上滑倒2.雨衣:以保障操作者不受湿气和污水的影响3.手套:以保护手部不受伸入水中受伤4.保护面具:以保护脸部不受水中杂物和气体的影响操作中的安全注意事项设备操作在操作排污泵时,应注意以下几点:1.立即停电:如发现设备的外壳在水中出现漏电,即立即停电,并请专业人员进行检查和修理2.禁止空运转:在排污泵未接入用电设备时,严禁开启排污泵运行,以保证安全性3.防止过载:排污泵应按照规定工作流量以保护电机不会由于过载而被损坏4.防止倒灌:排污泵存储在阴干处时,应该避免出现倒灌,以避免泵内进水人员操作在操作排污泵时,操作者,请注意以下几点:1.不得从潜水排污泵的电缆上爬过,以避免压抑电缆2.不得将排污泵马达上下引导管触及人体3.操作过程中严禁饮用酒类或吸烟,以避免危险发生操作后注意事项设备维护潜水排污泵在使用完毕后,应及时进行维护以保证设备的正常使用。
维护事项包括但不限于:1.清理污水泵中的杂物和固体物质2.清洗潜水排污泵马达3.检查电缆的磨损程度4.检查排污泵的存储位置设备存储潜水排污泵必须妥善存储,以保证长期使用。
潜污泵技术要求潜水排污泵主要用于建筑排污和污水处理,排送含固形物和长纤维的污水、废水、雨水等。
一、总体要求:本技术规格书潜污泵设备的功能设计、产品结构、制造工艺、质量水平、技术性能、检测验收等方面提出了技术要求。
卖方应向买方提供满足本技术规格书要求的高性能、高水平、高质量的先进可靠、成熟稳定的优质成套产品及其伴随服务。
卖方应向买方提供规格书要求的真实、有效的技术文件、证明文件及认证证书,买方将对所有证书核实,一旦出现虚假证书与单据,买方保留无条件全部退货的权利。
二、工作条件:1)设备必须适合深圳地区气候条件,满足连续和稳定运行的要求,并安全可靠、故障率低,便于检测维修。
2)工作场所:污水集水坑。
3)介质:为带固体颗粒(固体颗粒直径不大于65mm)及各种长纤维的污废水、淤泥。
4)介质温度:5~40℃(短时间内可输送排放60℃合流污废水)。
5)输送介质密度:最大密度1200Kg/m3。
6)pH值:4~10。
7)环境温度:0℃~50℃。
8)相对湿度:最大100%。
9)海拔:小于1000m。
10)供电电压范围:380V±10%;电源频率50Hz。
三、技术要求:规格、型号具体参数必须符合设计要求,并符合以下要求:1) 名优品牌, 技术性能先进、产品成熟且具有成功运行经验的产品。
2) 符合国家或行业的生产技术标准,满足《旋转电机定额和性能》(GB755-2008)、《中小型旋转电机安全通用要求》(GB 14711-2013)、《泵的振动测量与评价方法》(GB 29531-2013)、《泵的噪声测量与评价方法》(GB 29529-2013)、《水泵流量的测定方法》(GB/T 3214-2007)、《泵用灰铸铁件》(JB/T 6880.1-2013)、《球墨铸铁件》(GB/T 1348-2009)、《泵用铸钢件》(JB/T 6880.2-2008)、《泵产品涂漆技术条件》(JB/T 4297-2008)、《额定电压450V/750V及以下橡皮绝缘软电缆第1部分:一般要求》(GB/T5013.1-2008)、《旋转电机整体结构的防护等级(IP代码)-分级》(GB/T4942.1-2006)等相关标准,有最新标准的按最新标准。
1. 概述1.1本规范书仅对潜污泵设备做最低限度的技术要求。
本规范书连同订货合同书以及相关图纸等一起构成对潜污泵设备在购买、设计、制造、检验、试验等方面的基本要求。
本规范书在买方与卖方确认签字后即成为订货合同技术附件,作为合同不可分割的组成部分,与合同具有同等效力。
1.2卖方对本规范书的严格遵守并不意味着可以解除其对潜污泵设备的正确设计、选材、制造等以及满足规定的工艺技术要求的责任。
卖方应针对买方的实际情况进行合理的设计、选材、制造并提供一整套能符合买方规范要求的设备和备品备件。
1.3凡对于一个完整的可操作的系统的某些必备要求,未列入本规范书的也属于本规范书的范围。
1.4对“买方”和“卖方”的定义同合同正文。
1.5如果图纸与本规范书技术要求冲突,或定义模糊,卖方应该立即通报买方并澄清技术要求。
2. 主要气象参数年平均气温 17℃极端最高气温 40℃极端最低气温 -5℃历年平均相对湿度 81%平均大气压 1007kPa3. 供电情况低压: AC 380V频率: 50Hz±2%低压系统中性点接地方式:直接接地电源接线系统:三相五线潜水排污泵应有漏水、漏油保护装置、过热或过电流保护装置和密封泄流监控装置。
控制箱户外型,防护等级为IP55,控制箱应采用不锈钢材料,厚度为1.5mm,控制箱要求有二扇门结构,外层为玻璃门,箱门装有密封垫,内层门为显示仪表及控制开关,要求内门上的所有仪表和开关均为防水型,控制箱门上都应有一个功能标签,标签为透明无色塑料材料,厚度不小于3mm,标签应镂刻并上漆,标签铭牌用螺丝、铆钉或仪表框架固定在外壳和门上,不允许用粘合。
控制箱柜门需有一个可锁的不锈钢手柄,当门关紧后,门上的衬垫应能有效密封,所有的外部附件职门铰链、手柄和外壳固定螺栓都需防腐及抛光处理,并保证外观整洁统一。
控制箱均能实际现场就地、PLC远程控制;所提供的电缆转接箱应充分考虑到施工的方便性,可操作性。
4. 标准规范卖方对产品的设计、制造、检验、试验等应符合下列标准和规范以及有关的法规要求。
潜污泵技术标准(B、C类)一、 潜污泵主要技术参数要求:1、供应产品为国产名优品牌。
2、机组形式:电机与水泵构成机电一体结构,为单级立式潜污泵。
3、安装方式:移动式/自耦式4、供电制式:380V、50Hz;5、潜污泵的流量、扬程和功率的技术参数应满足设计要求。
在流量扬程曲线的工作区域内,相应泵的效率曲线应较平缓。
所选择的设备应处于高效区。
需提供水泵的性能曲线图。
6、每台泵均能在全浸没或部分浸没的条件下连续工作,同时也能适应于连续运行、间歇运行和长期停止状态后恢复运行。
电机每小时允许启动次数不小于12次。
7、潜水泵应有大通道防堵塞的功能。
水泵装置在设计的规定负荷范围内,无振动,运行平衡。
8、水泵主要部件材质要求:1)泵体整件灰口铸铁制作而成,其材料性能不低于HT200灰铸铁。
2)叶轮材质不低于HT200灰铸铁。
3)水泵轴的材质2Cr13不锈钢。
泵轴为电机轴的延伸,不能采用耦连形式,泵轴应有足够的强度和刚度。
4)水泵连接件,螺母、螺栓的材质均为不锈钢。
5)对于有自耦装置的泵,每台泵均配套出水自耦底座、不锈钢导向杆、导杆固定支架和不锈钢提升链,用于移动和自动就位时的连接。
还应提供不锈钢的地脚螺栓、电缆吊钩。
10、电机、电缆1)电机采用国产优质品牌电机。
2)所配电机功率必须全程运行不出现过载。
3)电机设有温度传感器和浮动泄露传感器,当发生异常情况时,将发出报警信号到监控系统,并停止故障电机运行。
4)水泵电机防护等级为IP68,绝缘等级为F级。
5)所有供电及控制电缆应为防水、低烟低卤、阻燃电缆,中间不允许有接头。
6)机组应有可靠的接地装置,引出电缆的接地段上有明显的接地标志,并应保证接地标志在使用期间内不易磨灭。
11、轴封:轴封采用机械密封,轴封材料应为硬质耐磨型,耐热性强,磨擦数低,机械密封在给定的水质条件下,累计使用寿命时间不小于8000小时,机械密封应符合JB/T5966-95《潜水泵用机械密封》的规定。
潜水污水泵技术规范1.总述以下规定了潜水污水泵的设计、制造、工厂试验、安装、竣工试验的技术要求。
1.2 供货范围每台潜水污水泵成套地配备安全、有效及可靠运行所需的附件、紧固件、保护器、就地控制箱和接线箱以及所需电缆。
●装配完整的潜水排污泵(包括泵壳、叶轮、电机、机械密封、泵轴等)●自动耦合装置带底座和弯管;(小型潜污泵可采用便携式安装)●整套提升装置(导轨系统、支架和不锈钢提升链等);●每台泵需提供潜水电缆●电气保护元件,包括短路、漏电、过载、缺相保护等;●水泵保护元件(包括温度保护,湿度保护,机械密封泄漏保护),以及水泵保护控制器等;●就地控制柜和接线盒等;●所有连接附件、预埋件地脚螺栓等;总则:标准化的外观、运行、维修、备品备件以及制造商服务,所提供的设备是一个制造商的最终产品。
1.3 资料提交-总体布置图画出潜水污水泵平面及剖面图,并表明所有的外型安装尺寸和安装、运行及维修所需的空间。
-提供潜水污水泵的特性曲线(流量、扬程、效率、功率、NPSH等)、工况曲线以及性能参数。
2. 水泵设计、性能和现场条件(1) 水泵系统设计要求a. 所提供的每台泵必须是立式、单级和易拆卸的无阻塞型潜污泵,并与潜水电机相连,泵必须能够输送原生的和未经过过滤的污水。
b. 所提供的每台泵应满足在全淹没或部分淹没的条件下连续运行,同时也能满足间歇运行和长期停机后恢复正常启动运行。
c. 电机能连续和间歇运行,能够每小时启动20次,并不对泵带来任何有害影响。
d. 泵装置在泵的设计负荷范围内,必须无振动和无气蚀地平稳运行。
泵的所有旋转部件(包括电机)应在制造时进行动、静平衡实验。
泵运转噪音应低于80dB(A).e. 泵和电机均为同一设备制造商设计和制造。
f. 自动耦合式安装的泵,每台泵配备出水弯管、自耦底座和移动、自动就位时起连接作用的不锈钢导轨及提升链。
水泵能在不少于2根的平行导轨引导下从泵坑顶部到自耦底座自由滑动,水泵能自动稳固地与底座耦合。
潜污泵招标要求引言概述:潜污泵是一种用于污水处理的重要设备,广泛应用于城市排水、工业污水处理、农村生活污水处理等领域。
在进行潜污泵的招标工作时,制定准确的招标要求是确保项目顺利进行的重要步骤。
本文将从四个方面详细阐述潜污泵招标要求。
一、技术要求1.1 流量和扬程要求:潜污泵的流量和扬程是评估其性能的重要指标。
在招标文件中,应明确规定所需的流量和扬程范围,并要求投标商提供相应的技术参数和性能曲线图。
1.2 泵的结构和材料要求:潜污泵的结构和材料直接影响其使用寿命和可靠性。
招标文件应明确规定泵体、叶轮、轴承等主要零部件的材料要求,并要求投标商提供相关的材质证明和质量保证书。
1.3 电机要求:潜污泵的电机是其动力来源,应满足相应的功率和电压要求。
招标文件应规定电机的额定功率、额定电压和额定电流,并要求投标商提供相应的电机参数和性能证明。
二、质量要求2.1 泵的可靠性要求:潜污泵在运行过程中需要保持长时间的稳定性和可靠性。
招标文件应明确要求投标商提供泵的可靠性数据,如平均无故障时间(MTBF)和故障率等,并要求提供相应的质量保证措施。
2.2 泵的运行噪音要求:潜污泵通常安装在密闭的污水井中,其运行噪音对周围环境和使用者的影响较大。
招标文件应规定潜污泵的运行噪音限制,并要求投标商提供相应的噪音测试报告和降噪措施。
2.3 泵的防腐蚀要求:潜污泵在处理污水时,常常会接触到腐蚀性介质。
招标文件应明确要求投标商提供泵的防腐蚀措施和材料,并要求提供相关的防腐蚀测试报告和质量保证书。
三、安全要求3.1 泵的防水等级要求:潜污泵通常工作在水下环境中,因此其防水等级对其安全性至关重要。
招标文件应规定潜污泵的防水等级要求,并要求投标商提供相应的防水测试报告和认证证书。
3.2 泵的过载保护要求:潜污泵在运行过程中可能会遇到过载情况,因此需要有相应的过载保护装置。
招标文件应明确要求投标商提供泵的过载保护装置,并要求提供相应的测试报告和质量保证书。
第二卷标准、规范和技术要求1、潜水污水泵供货范围:详见《货物需求一览表》,潜水污水泵主要由水泵主机、自耦装置系统、导杆、起吊提升链、就地控制箱、潜水电缆、接线端子箱及安装附件等组成。
技术参数使用条件:1)工业废水、城市污水(含有固体和长纤维);2)含有可燃气体的场合;℃; 3)水温不超过60。
)介质的4PH值为2-10特性要求:产品主要性能如下:1、电机:三相鼠笼电机,380V三相50HZ,防护等级IP68,定子绝缘等级不低于F级2、轴承:轴承具有足够的承载能力,能承受在任何工况下的轴向和径向载荷,耐高温润滑油脂,轴承寿命不小于100000小时。
3、机械密封:机械密封,使用寿命不小于25000小时。
4、接线室:防水接线室,防水电缆进口防拉、防缠绕保护。
5、多项报警系统:配有漏水、漏电、漏油、过载、欠压、缺相等多项报警保护系统和液位控制系统。
6、全扬程:潜污泵能在任一工况点高效、安全、可靠运行而电机不会过载。
7、泵出水配管法兰应按ISO标准,公称压力1MPa为准。
、采用规范及标准ISO9906/2 《泵验收试验规程》《对刚性旋转机械的机械振动平衡要求》ISO1940/《泵的噪声测量与评价方法》JB/T8098-1995《旋转电机外壳防护分级》GB/《潜水电泵试验方法》GB/T12785-2002《潜水排污泵》GB/T24674-2009HJ/T336-2006《潜水排污泵》、型式及性能型式(1)泵为立式、无堵塞、可拆卸的,叶轮与潜水电机直接联结成一个整体,泵能够输送原污水。
泵在全浸没或部分浸没的条件下连续工作,同时能适应于连续运行,间歇运行和长期停止状态后恢复运行。
泵的设计保证在整个负荷范围内,无震动和无汽蚀地平稳运行。
泵装置的旋转部件经过静平衡和动平衡试验。
设计的装置满足本工程设计所留出的空间,吸入条件,杂物通过能力和装拆条件。
电机能24小时连续运行,每小时能启动12次,并不会因此带来任何有害影响。
潜水排污泵分类要求及参数1 分类与命名1.1 型号的表示方法潜污泵型号的标记用汉语拼音字母和阿拉伯数字表示。
电机额定功率扬程流量潜水排污泵:QW或WQ排出口直径示例:50QW15—22—3指泵排出口径为50mm,流量为15m3/h,扬程为22m,额定功率为3kW的潜水排污泵。
1.2 基本参数1.2.1 潜污泵在频率为50Hz,电压为380V时,基本参数应符合附录A(技术条件的附录)中表A1的规定。
1.2.2 潜水泵电机外壳的防护等级应符合GB 4942.1—85中IPX8的规定。
1.2.3 附录A(技术条件的附录)中表A1所列参数为潜污泵规定点参数。
1.2.4 当潜污泵由于特殊要求而性能参数不符合附录A(技术条件的附录)中表A1的规定时,以要求的流量、扬程为规定点,潜污泵的效率可依据附录B(技术条件的附录)中的规定求得,其实际值不得低于求取值,并可按本技术条件验收。
1.2 型式1.2.1 潜污泵为立式,泵与电动机同轴。
1.2.2 潜污泵按其介质的排出方式,其结构形式分为三种:a) 外装式:输送介质直接从泵体部分排出;b) 内装式:输送介质从排出管与电动机外壳之间环形流道排出;c) 半内装式:输送介质从与电机外壳部分连接的排出管中排出。
1.2.3 潜污泵的叶轮分为五种型式:a) 旋流式叶轮;b) 半开叶片式叶轮;c) 闭式叶片式叶轮;d) 流道式叶轮;e) 螺旋离心式叶轮。
2 要求2.1 基本要求2.1.1 潜污泵应符合本技术条件的要求,并按照经规定程序批准的图样及技术文件制造。
2.1.2 潜污泵在下列使用条件下应能连续正常运行:a) 输送介质温度为0℃~40℃;b) 输送介质pH值为5~9;c) 输送介质中的固相物的容积比在2%以下;d) 输送介质的运动粘度为7×10-6m2/s~23×10-6m2/s;e) 输送介质中固相物最大颗粒应符合附录A(技术条件的附录)中表A1的规定;f) 输送介质的密度应小于1.2×103kg/m3。
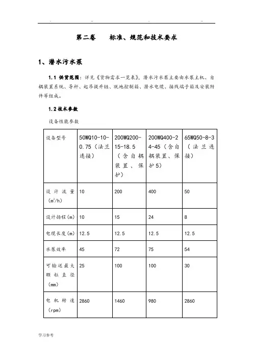
第二卷标准、规范和技术要求1、潜水污水泵1.1供货范围:详见《货物需求一览表》,潜水污水泵主要由水泵主机、自耦装置系统、导杆、起吊提升链、就地控制箱、潜水电缆、接线端子箱及安装附件等组成。
1.2技术参数设备性能参数设备型号50WQ10-10-0.75(法兰连接)200WQ200-15-18.5(含自耦装置、保护)200WQ400-24-45(含自耦装置、保护5)65WQ50-8-3(法兰连接)设计流量(m3/h)10 200 400 50设计扬程(m)10 15 24 8电缆长度(m)12.5 12.5 12.5 12.5 水泵效率45 72 75 54可输送最大颗粒直径(mm)25 100 100 30电机转速(rpm)2860 1460 980 2860额定功率0.75 18.5 45 3(kw)电机电源380V 380V 380V 380V使用条件:1)工业废水、城市污水(含有固体和长纤维);2)含有可燃气体的场合;3)水温不超过60℃;4)介质的PH值为2-10。
1.3特性要求:产品主要性能如下:1、电机:三相鼠笼电机,380V三相50HZ,防护等级IP68,定子绝缘等级不低于F级2、轴承:轴承具有足够的承载能力,能承受在任何工况下的轴向和径向载荷,耐高温润滑油脂,轴承寿命不小于100000小时。
3、机械密封:机械密封,使用寿命不小于25000小时。
4、接线室:防水接线室,防水电缆进口防拉、防缠绕保护。
5、多项报警系统:配有漏水、漏电、漏油、过载、欠压、缺相等多项报警保护系统和液位控制系统。
6、全扬程:潜污泵能在任一工况点高效、安全、可靠运行而电机不会过载。
7、泵出水配管法兰应按ISO标准,公称压力1MPa为准。
1.4、采用规范及标准ISO9906/2 《泵验收试验规程》ISO1940/1-73G6.3 《对刚性旋转机械的机械振动平衡要求》JB/T8098-1995 《泵的噪声测量与评价方法》GB/T4942.1-2006 《旋转电机外壳防护分级》GB/T12785-2002 《潜水电泵试验方法》GB/T24674-2009 《潜水排污泵》HJ/T336-2006 《潜水排污泵》1.5、型式及性能(1)型式泵为立式、无堵塞、可拆卸的,叶轮与潜水电机直接联结成一个整体,泵能够输送原污水。
无密封自控自吸泵及潜水排污泵技术要求一、无密封自控自吸泵参数:1、型号:200WFB-BD2、流量Q=240~350~420m3/h,扬程H=42~37~33.5m,功率N≮75KW,3、材质:叶轮、材质不低于不锈钢SS316,泵轴材料性能不应低于2Cr13。
4、附件:水泵要求带吸水不锈钢316隔栅及出口止回阀、Z41H闸阀。
二、潜水排污泵参数:1、型号:100QW100-25-152、流量:Q=100m³/h,扬程H=25m,电机功率N≮15KW3、材质:泵壳HT250,叶轮、材质不低于不锈钢SS304,泵轴材料性能不应低于2Cr134、水泵安装方式:软管移动式安装;三、共性要求:1、使用介质:钢厂雨、污水,含颗粒及污泥,呈酸性。
2、电压V=380V,F级绝缘,IP68,要求配套电机采用国产一线品牌;3、附件:出口配对螺栓垫片等紧固件;4、水泵在发生首次故障前,累计运行至少12000 h ;电泵淹没水下不开机间隔时间可达6个月以上(没有外加条件),泵组仍能安全启动运行5、泵轴轴承使用寿命不低于80000 h,轴承应选用进口优质轴承,和优质密封。
四、电控部分1)每台泵配就地防雨配电箱、操作箱所有配电箱、操作箱电器元件采用施奈德电器产品、继电器选用欧姆龙产品--触电容量10A。
箱体为室外不锈钢防雨型,配操作按钮、指示灯、电压指示、电流指示。
2)控制箱预留一组水泵自动控制的开关量点,并通过继电器转接控制,水泵能够达到自动液位控制启停的功能。
此组点闭合为水泵启动运行,分开为水泵停止运行。
五、现场技术服务1、设备安装时供方应派遣有能力,有实践经验的技术人员到现场,对合同设备的安装方法、步骤、正确校正、调整、清理、检查、现场试验、启动、试运行和验收试验进行监督和指导。
供方技术人员应负责所有安装工作的监督和指导的正确实施,除非当发生工作未按照他的指示执行的情况,而他又立即以书面形式将此情况通知了需方,否则,供方必须承担因安装质量所引起的一切责任。
精心整理平衡机相关-中国环境保护产品认定技术条件潜水排污泵HCRJ033—1998Submersiblesewagepump国家环境保护总局1998—05—27发布1998—05—27实施前言本技术条件为实行国家环境保护产品认定而制定,也作为环境保护行业产品质量监督管理的技术依据。
1范围存。
2GB/T2828—87逐批检查计数抽样程序及抽样表(适用于连续批的检查)GB/T3216—89离心泵、混流泵、轴流泵和旋涡泵试验方法GB/T3222—94声学环境噪声测量方法GB/T4216—84灰铸铁管法兰GB/T4942.1—85电机外壳防护等级GB5013.2—85额定电压450/750V及以下橡皮绝缘软电缆第二部分通用橡套软电缆GB/T9239—88刚性转子平衡品质许用不平衡的确定GB/T9439—88灰铸铁件GB/T12785—91潜水电泵试验方法GB/T13306—91标牌CJ/T3038—1995潜水排污泵JB/Z294—87交流低压电机散嵌绕组匝间绝缘试验方法JB/Z346—89交流低压电机散嵌绕组匝间绝缘试验限值JB/NQ222.3—90农用污水污物潜水电泵产品质量分等检验规则JB5274—91Y系列(IP44)三相异步电动机技术条件(机座号355)JB/T6882—1993泵可靠性验证试验ZBK22007—89Y系列(IP44)三相异步电动机技术条件(机座号80~315)当上述标准被修订时,应使用其最新版本。
33.13.23.2.1A13.2.23.2.33.2.43.23.2.13.2.2a)外装式:输送介质直接从泵体部分排出;b)内装式:输送介质从排出管与电动机外壳之间环形流道排出;c)半内装式:输送介质从与电机外壳部分连接的排出管中排出。
3.2.3潜污泵的叶轮分为五种型式:a)旋流式叶轮;b)半开叶片式叶轮;c)闭式叶片式叶轮;d)流道式叶轮;e)螺旋离心式叶轮。
4要求4.1基本要求4.1.1潜污泵应符合本技术条件的要求,并按照经规定程序批准的图样及技术文件制造。
潜水排污泵的技术要求:
1、潜水排污泵能抽送含有碎布、短纤维材料及一般废物和其它一些未处理的污水,并能通过直径为出水口径50%的固体颗粒。
2、潜水排污泵能够在规定的范围内正常工作,无汽蚀发生,运行平稳,无卡死、停滞现象,并具有稳定的压头流量特性,当泵在其特性曲线上一点运行时,电
机功率不超载。
3、潜水排污泵的所有承压零件均作气压试验,试验压力为其设计压力的2倍,但不低于0.45Mpa,历时30min而无泄漏现象。
4、潜水排污泵在组装后,进行0.2MPa气压试验,历时30min而无泄漏现象。
5、潜水排污泵所有零部件、密封件、防腐涂料等均采用符合国家有关标准的材料,其表面光亮、无砂眼、裂痕等,为防止潜水排污泵由于受介质浸蚀,凡与
水接触面均作防盐渍、防腐喷涂处理,表面采用喷丸二次抛光除锈并达到Sa2.5级,然后采用喷涂耐腐蚀环氧树脂粉末的处理方式,涂层厚度大于0.3 mm小于1.4 mm,流道表面光滑平整,可保证涂层使用有效期不小于5年。
6、潜水排污泵叶轮、转子作动平衡试验,平衡精度为G6.3级,振动烈变不大
于0.45mms。
7、潜水排污泵采用水套式冷却系统,可以保证在潜水电机完全露出水面的条件下连续运行,运行方式为连续运行、间隙运行或长期停止的恢复运行,每小时
允许起动15次而不会引起任何损坏,为了保证电机温升不大于规定要求,在电
机结构上设有内外部冷却通风结构,内部通风结构确保电机的温度迅速的通过
内风道冷却、外部冷却主要通过水套中流动的介质水将电机表面的温度由介质
带走从而达到降温的目的,每台潜水排污泵都有一个完善的、内在冷却系统,
电机水冷却夹套包围定子室,叶轮背部的叶片所产生的背压能把泵送液体的部
分通过一个循环通道后作为冷却液体在冷却系统中循环。
无论电机部分浸在所
泵的液体中或直接曝露在空气中,冷却系统都能保证潜水排污泵能在最高40℃环境温度下连续运行。
8、潜水排污泵机组允许反转,其最大反转转速为运行中的可能出现的最大飞逸转速,为额定转速的130%,在持续时间2min的情况下,各部件不会出现损坏,为保证机组的安全,潜水排污泵在轴承的结构设计、轴承的强度设计、叶轮强
度计算时,均按可能出现的最大飞逸反转转速进行设计。
9、不锈钢排污泵铭牌牢固的固定在每台泵的明显的位置,铭牌采用冲压的数字标志。
10、每台泵的起吊耳置于上盖的泵重心附近牢固、可靠。